超前小导管方案工艺试验
- 格式:doc
- 大小:189.00 KB
- 文档页数:8
小导管超前支护施工工艺流程
1. 确定施工计划:根据工程图纸及设计要求,确定施工流程和作业顺序,制定详细的施工进度表。
2. 地面准备:清理现场垃圾,平整地面,进行必要的标志及安全措施。
3. 开挖坑槽:根据设计要求,开挖小导管设备的施工坑槽,同时对周围的管线进行保护。
4. 安装小导管:将小导管放入坑槽内,利用起重机具将管子准确定位,使用固定辊和校直辊进行管子校直和固定。
5. 安装支架:针对施工需要,根据设计要求进行支架的安装,保证小导管安装的整体支撑性能。
6. 连接固定:连接小导管与管子支架,两端用专用套管锁紧。
7. 水压试验:对安装完成的小导管进行水压试验,其试验压力应在小导管承受压力范围内。
8. 清理收尾:拆除所有施工设备,并对施工区域进行清理,保持环境干净整洁。
9. 竣工验收:经过水压试验后,对小导管施工工程进行竣工验收,验收合格后方可交付使用。
超前小导管施工工艺一、工艺概述在隧道施工中,超前小导管主要用于Ⅳ、Ⅴ级围岩开挖的超前支护施工。
适用于本标段隧道的超前小导管的施工。
二、作业内容1、钻孔;2、制作小导管;3、安装导管;4、注浆。
三、质量检验标准1.主控项目1.1.超前小导管所用钢管进场必须按批抽取试件作力学性能(屈服强度、抗拉强度和伸长率)和工艺性能(冷弯)试验,其质量必须符合国家有关规定及设计要求。
检验数量:以同牌号、同炉罐号、同规格、同交货状态的钢管,每60t为一批,不足60t按一批计。
施工单位每批抽检一次;监理单位按施工单位抽检次数的20%进行见证取样检测或按施工单位抽检次数的10%进行平行检验,至少一次。
检验方法:施工单位检查每批质量证明文件并进行相关性能试验;监理单位检查全部质量证明文件和试验报告,并进行见证取样检测或平行试验。
1.2.超前小导管所用的钢管的品种和规格必须符合设计要求。
检验数量:施工单位、监理单位全部检查。
检查方法:观察、尺量。
1.3.超前小导管与支撑结构的连接应符合设计要求。
检验数量:施工单位、监理单位全部检查。
检查方法:观察。
1.4.超前小导管的纵向搭接长度应符合设计要求。
检验数量:施工单位、监理单位全部检查。
检查方法:观察。
1.5.注浆浆液的配合比应符合设计要求。
检验数量:施工单位、监理单位全部检查。
检验方法:施工单位进行配合比选定试验;监理单位检查配合比选定单,并进行见证试验。
1.6.超前小导管注浆压力应符合设计要求,注浆浆液应充满钢管及其周围的空隙。
检验数量:施工单位全部检查;监理单位按施工单位检查数量的20%见证检查。
检验方法:施工单位查施工记录的注浆量和注浆压力,观察;监理单位见证检查。
2.2.一般项目超前小导管施工允许偏差应符合表1的规定。
表1 超前小导管施工允许偏差检查数量:施工单位每环抽查3根四、施工准备4.1 内业技术准备作业指导书编制后,在开工前组织技术人员认真学习实施性施工组织设计,阅读、审核施工图纸,澄清有关技术问题,熟悉规范和技术标准。
中铁五局地铁1号线10标项目部地铁1号线10标暗挖区间超前注浆工艺试验方案中铁五局(集团)地铁1号线10标段项目部2014年3月20日一、试验点的确定选用马头门位置的深孔注浆作为本次注浆试验的试验点,检验各项参数是否达到设计要求,从而确定合适的注浆参数。
二、注浆参数及实验方案试验编号图如上图所示,我们选定上图1~5号小导管为试验管,对其进行不同配比的注浆试验,按照设计要求,确定一下参数①. 注浆压力:依据以往施工经验,注浆终压暂定为0.8~1Mpa,结合现场实际情况进行必要的调整和优化。
②. 浆液注入量:单孔理论注浆量Q=πR2Ln=π×0. 5²×12×0.1=0.942m3式中:R—浆液有效扩散半径:根据现场实验,浆液有效扩散半径为0.5m;L—注浆长度(m):L=12Mn—地层裂隙度(%):此段结构主要为粉细砂层、中粗砂层,根据类似地质资料及现场实验,地层裂隙度初步定为10%;此理论注浆量可作为配制浆液数量和注浆质量评定的依据,在施工中,应根据现场实际情况确定注浆数量。
③. 浆液配制采用水泥-水玻璃双液注浆。
采用波美度40Be’的水玻璃原液,分别稀释为30Be’、20Be’、15Be’、10Be’水玻璃溶液,在实验室做了水泥与水玻璃的配比试验,对注浆参数进行研究,选择合适的水玻璃浓度配比对,试验得出以下参数:不同配合比水泥与水玻璃凝胶时间表从上表可以看出,水泥-水玻璃在不同浓度(40 Be’~15 Be’)下的浆体初凝时间变化不大,从8s到19s变化;终凝时间从25到3223s变化,变化非常大。
过长的终凝时间注浆时跑浆漏浆非常严重的,这说明:①过稀的水玻璃的浓度达不到加速水泥固结的目的;②水玻璃浓度的变化对水泥的初凝时间变化不大;④水泥胶凝时间的总趋势是随着水玻璃浓度变小而增大。
注浆过程中既要保证扩散半径0.5m,又不能扩散太远,要求水泥浆的初凝和终凝之间有一段合适的时间差,根据要求综合考虑取水灰比1:1,水玻璃浓度15Be’,水泥浆与水泥浆体积比为1:0.25,其原因如下:①在水玻璃浓度为15Be’时,不同的水泥与水玻璃体积比下,此浓度下的初凝与终凝的时间差比较理想;②该浓度下可以弥补施工中工人在现场稀释水泥浆的误差,水泥浆稍浓或稍稀都不会是水泥浆的胶凝差变化很大;③该浓度条件下水玻璃胶凝差正合适,扩散半径可以很好地控制在一定围,而不至于过小或过大,并且可操作性好,施工过程中一旦出现机器故障,有足够的时间清洗输浆设备,而不至于损害机器和高压输浆管。
超前小导管施工方案超前小导管管径选用φ42*3.5mm的热轧无缝钢管,长3.5m,外插角10°~15°,管壁每隔25cm交错钻眼,孔口100cm段不钻孔,眼孔直径6mm,采用水泥砂浆或水泥水玻璃浆液灌注,导管环向间距40mm,纵向2.0m一环。
1、超前小导管基本施工方法如下:⑴掌子面封闭:掌子面用C25喷射混凝土封闭。
⑵钻孔、插小导管:进行孔位测量放样,孔位测量做到位置准确,钻孔按放样进行,并设方向架控制钻孔方位,使孔位外插角度符合设计要求。
人工手持风枪一次钻孔完成。
⑶清孔:用高压风、水清洗,吹冲干净孔内砂尘及积水,所有钻孔完成均进行检验。
⑷装入钢管:用风镐将钢管推送入孔。
⑸注浆:注浆顺序由下向上进行,浆液用拌合机搅拌。
注浆浆液以水泥单液浆,其水灰比1∶1,注浆压力为0.5~1.5MPa,水泥标号525号普通硅酸盐水泥。
施工中根据现场试验确定合理的注浆参数。
2、超前小导管施工方法及施工工艺对于小或少水、充填物为块石、碎石、碎屑类松散体,则采用小导管注浆;在采用以上超前注浆和长管棚注浆加固地层的效果欠佳段采用小导管注浆补救。
永定一号隧道Ⅴ级围岩段采用φ42mm小导管超前支护,配合钢架使用,每2榀钢架打一环,环向间距40cm,每根长3.5m,纵向每2 m设置一环;Ⅴ级围岩双车道每环23根,单车道每环17根,沿隧道开挖轮廓线环向布置并向外倾斜,其倾斜角一般为10~15度左右;注浆压力为0.5~1.0MPa,纵向前后相邻排导管搭接水平投影长度不小于1.0m;注浆导管环向间距a=0.4m。
导管钻φ6mm注浆孔,间距25cm,呈梅花形布置,前端加工成锥形,尾部长度不小于100cm作为不钻孔的止浆段。
超前小导管施工工艺框图见下图超前小导管施工工艺框图为充分发挥机械效能,加快注浆进度,在小导管前安设分浆器,一次可注入3~5根小导管。
分浆器示意图工艺方法:⑴注浆参数设计:选定注浆浆液(水泥浆液,化学浆液),选取凝固时间,进行注浆配合比设计。
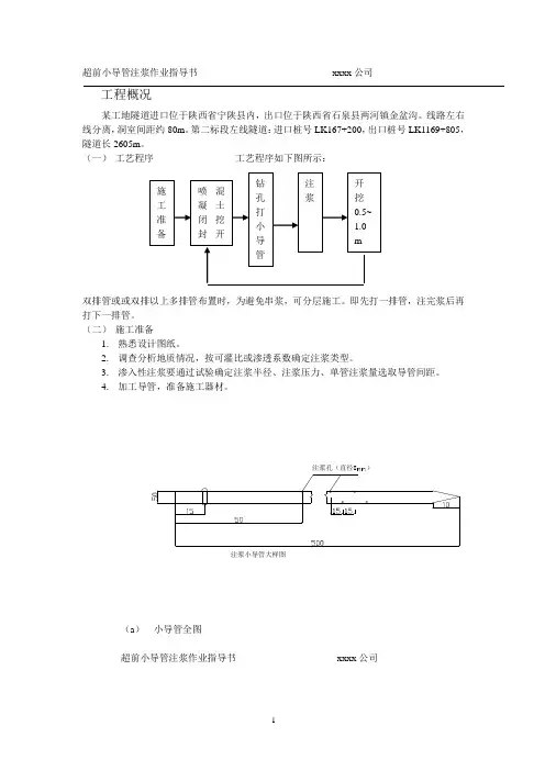
超前小导管注浆作业指导书xxxx公司工程概况某工地隧道进口位于陕西省宁陕县内,出口位于陕西省石泉县两河镇金盆沟。
线路左右线分离,洞室间距约80m。
第二标段左线隧道:进口桩号LK167+200,出口桩号LK1169+805,隧道长2605m。
(一)工艺程序工艺程序如下图所示:双排管或或双排以上多排管布置时,为避免串浆,可分层施工。
即先打一排管,注完浆后再打下一排管。
(二)施工准备1.熟悉设计图纸。
2.调查分析地质情况,按可灌比或渗透系数确定注浆类型。
3.渗入性注浆要通过试验确定注浆半径、注浆压力、单管注浆量选取导管间距。
4.加工导管,准备施工器材。
注浆孔(直径8)注浆小导管大样图(a)小导管全图超前小导管注浆作业指导书xxxx公司出浆孔(b)导管展开图图6 小导管加工示意5.准备施工队伍,培训施工人员。
(三)钻孔、打小导管1.测量放样,在设计孔位点上标记。
2.对砂类土,可用20mm钢管制作吹风管,将吹风管缓缓插入土中用高压风射孔,成孔后将小导管插入。
(四)注浆1.单浆注液注浆前先喷混凝土封闭掌子面以防漏浆,对于强行打入的钢管应先冲清管内积物,然后再注浆。
注浆顺序由下向上进行,浆液可用拌和机搅拌。
下图为小导管单液注浆示意图。
水泥浆水灰比为1:0.49。
考虑到注浆后需尽快开挖,注浆宜用普通水泥或早强水泥,拌浆时可掺入减水剂。
渗入性注浆按试验所确定的压力及注浆量施工,无试验条件时按注浆半径20cm,由大向小调整,选定压力及注浆量。
劈裂、压密注浆按有效固结厚度大于40cm,在施工中由大到小,逐步选取最佳注浆压力及注浆量。
注浆宜选用压力在4.0Mpa以上的高压注浆泵。
当采用额定注浆压力为1.5Mpa的UB-3型灰浆泵时,压力达到1.5Mpa后,将注浆停下,等待几分钟后,若压力降到0.6Mpa以下,再继续注浆,这样反复几次直到压力不能下降时为止。
超前小导管注浆作业指导书xxxx公司(五)浆异常现象的处理1.在注浆过程中,经常发生浆液从其它孔流出的现象,这种现象称为串浆。
一、超前小导管注浆试验1、试验目的:验证浆液配合比的注浆效果(流动性)、浆液渗入围岩的能力、浆液与岩层的粘结力、浆液的早期强度、凝固时长、注浆时长、注浆量、注浆压力等2、试验程序⑴选择一个做实验的场地,并挖出一个与隧道岩层相似的新鲜岩面,并制取岩块测其孔隙率和强度;⑵按设计参数施做一环小导管,清孔、连接注浆管路后开始注浆;⑶按设计配合比拌制浆液,注浆;⑷做好注浆记录,包括每孔注浆时长、注浆量、注浆初压、终压,同时,做好浆液试块;⑸注浆完后,分别制取2h、3h、4h已注浆岩块做试块,测其强度和孔隙率,判定浆液固结时间和渗透效果,注浆渗透效果还可以在开挖时用眼观察;⑹对试块分时段做强度试验,判定强度是否合格;⑺注浆时观测浆液的流动性是否符合连续珠江要求;⑻对以上验证试验取得的数据进行对比分析,当各项指标都合格时,则此浆液配合比可以使用,否则,应重新试配;⑼应用多组配合比同时做验证试验。
二、喷射混凝土试喷试验1、试验目的:验证混凝土配合比是否满足喷射工艺要求、混凝土的早期强度、长期强度及其与为岩面的粘结力。
2、试验步骤⑴选择一个做实验的场地,并挖出一个与隧道岩层相似的新鲜岩面,并制取3块10×10×5㎝的岩块;⑵按设计配合比拌制混凝土;⑶采用湿喷及对岩面喷射混凝土,厚度同设计;喷6块大板,其中3块放入预先制取的岩块;⑷分别验证大板喷射混凝土及岩面喷射混凝土4h、24h、28d的强度是否符合设计及规范要求;带岩块的大板在养护28d后,切割成10×10×10㎝的试块做劈裂试验,验证混凝土与岩层的粘结力;⑸喷射时观察喷射过程中连续性并计算回弹率;⑹对以上验证试验取得的数据进行对比分析,当各项指标都合格时,则此混凝土配合比可以使用,否则,应重新试配;⑺应用多组配合比同时做验证试验。
三、管棚注浆试验参照小导管试验。
超前小导管施工工艺一、工艺流程图图 2 注 浆 小 导 管 结 构 图二、工艺概述1.施工准备施工前,应由专业工程师向现场技术人员、作业人员进行技术交底,并确认人员、设备、材料、机具、作业环境满足正常作业的要求。
2.测量定位在拱部小导管设计范围测量出小导管钻孔位置,并标识清楚。
小导管位置、数量、间距、纵向搭接长度应与设计图纸一致。
3.小导管制备小导管前端做成尖锥形,尾部焊接Φ8㎜钢筋加劲箍,管壁上每隔10~20cm梅花型钻眼,眼孔直径为6~8㎜,尾部长度不小于30cm作为不钻孔的止浆段,小导管构造见图2。
超前小导管4.小导管安装采用凿岩机或煤电钻进行钻孔(孔径较设计导管管径大20㎜以上)。
按设计倾角、间距、孔深钻孔,允许误差方向角误差2°,孔口距:±50mm,孔深:±50mm。
并用高压风从孔底向孔口清理钻渣。
成孔后,将小导管插入孔中或用凿岩机直接将小导管从钢架上、中部打入,外露20cm 焊接于钢架上,相邻两排小导管搭接长度符合设计要求,且不小于1m。
小导管钻孔5.注浆注浆前先喷射混凝土厚度5~10cm厚封闭掌子面,形成止浆盘。
注浆前先冲洗管内沉积物,由下至上顺序进行,单孔注浆压力达到设计要求值,持续注浆10min且进浆速度为开始进浆速度的1/4或进浆量达到设计进浆量的80%时注浆方可结束。
注浆后要堵塞密室注浆孔,浆液强度达70%以上,或4h后方可进行开挖工作面的开挖。
注浆三、关键环节及控制要点1、导管应在开挖轮廓线上按设计位置及角度打入。
2、钢管实际打入长度不得短于平均每根实际打入长度30cm,否则,开挖1.0m后要补管、注浆。
3、检查钻孔、打管质量时,应画出草图,对孔位编号、逐孔、逐根检查并认真填写记录。
4、渗入性注浆单孔注浆量不得少于平均每孔注浆量的80%,劈裂、压密注浆单孔浆量不得少于平均每孔注浆量的60%,超过偏差必须补管、注浆。
5、注浆过程中,要逐管填写记录,标明注浆压力、注浆量、发生情况及时处理过程。
超前小导管施工工艺工法1 前言1.1 工艺工法概况超前小导管施工是伴随新奥法施工发展起来的一种超前预支护的施工方法,是隧道及地下工程主要的超前支护手段之一。
沿隧道开挖轮廓线外一定距离,以一定的外插角向开挖工作面前方打设直径38~50mm的带注浆孔的钢管,长度一般为3.5~5.0m,并进行注浆,填充和固结岩体及土石的空隙,形成一定厚度的固结体。
1.2 工艺原理在隧道开挖前,将小导管沿开挖轮廓线打入掘进前方稳定的岩层内,末端支承在隧道拱部的钢架上,并对小导管进行注浆,增加小导管的刚度和固结前方松散围岩,使其起到支护掘进进尺范围内拱部上方的围岩,有效地约束围岩在(爆破)开挖后的一定时间内不发生松驰坍塌。
超前小导管的作用主要为:1.2.1 改良工作面前方的围岩结构,在开挖面以外形成厚度为0.5~1.0m的加固圈。
1.2.2 超前小导管与钢架、固结的地层共同作用形成超前支护结构,从而保证开挖工作面的稳定,防止开挖工作面松弛、坍塌。
2 工艺工法特点2.1超前小导管配合型钢钢架使用,可应用于隧道Ⅳ、Ⅴ、Ⅵ级围岩拱部超前注浆预支护,小导管长度一般为3.5~5.0m,按照隧道的开挖进尺,隧道每开挖循环施工一次或两个开挖循环施工一次。
2.2超前小导管应沿隧道拱部轮廓线按照设计间距均匀布设,可以有效的改善开挖工作面前方的地质条件和自稳能力,但其整体稳定性没有管棚支护好,但施工机具设备简单,施工操作方便。
2.3小导管的外插角根据小导管的长度和钢架的间距调整,定位较准确,一次施工长度短,孔的角度偏差小,孔底外插值小,开挖后小导管起棚架作业,下部超挖部分较少,有利于隧道施工。
2.4根据隧道围岩变化情况,不用扩大隧道断面就可随时施工,采用人工风动凿岩机施工,不需要专用设备,钻孔和安装施做灵活方便。
3 适用范围3.1超前小导管适用于自稳时间短的软弱破碎围岩、浅埋段、洞口偏压段、砂层段、砂卵石段、断层破碎带等地段的超前预支护,主要应用于隧道Ⅳ、Ⅴ、Ⅵ级围岩拱部超前注浆预支护。
超前小导管注浆超前小导管,是隧道工程掘进施工过程中的一种工艺方法,主要用于自稳时间短的软弱破碎带、浅埋段、洞口偏压段、砂层段、砂卵石段、断层破碎带等地段的预支护。
一、支护原理(1)超前小导管是稳定开挖工作面的一种非常有效的辅助施工方法。
在软弱及破碎岩层施工中,超前小导管对松散岩层起到加固作用,注浆后增强了松散、软弱围岩的稳定性,有利于完成开挖后与完成初期支护时间内围岩的稳定,不至于围岩失稳破坏直至坍塌。
(2)超前小导管注浆适用于隧道拱部软弱围岩,松散、无粘结土层、自稳能力差的砂层及砂砾(卵)石层级破碎岩层。
(3)通过超前小导管注浆能改变围岩状况及稳定性,浆液注入软弱、松散地层或含水破碎围岩裂隙后,能与之紧密接触并凝固。
浆液以充填,劈裂等方式,置换土颗粒间和岩石裂隙中的水分及空气后占据其位置,经过一定时间凝结,将原有的松散土颗粒或裂隙胶结成一个整体,形成一个结构新,强度大,防水性能良好的固结体,使得围岩松散破碎状况得到大幅度改善。
二、施工方法a 止浆岩盘(止浆墙):对掌子面及其后部3m范围内喷10cm厚的混凝土进行封闭。
b 注浆孔布置:沿开挖轮廓线单排布置。
孔距为30~50cm,外插角10°~15°。
c注浆孔:采用手风钻钻设,孔深3.5m。
d 小导管:管径Φ42mm,采用热轧无缝钢管制成,前部钻注浆孔,孔径Φ6~8mm,孔间距10~20cm,呈梅花形布置。
前端加工成锥形,尾部长度不小于30cm。
其构造图如下所示:小导管注浆工艺流程图e 小导管安装:小导管安装应在型钢拱架架立后进行。
将加工好的小导管插入已钻好的眼孔,为充分发挥小导管的支护作用,将小导管尾部焊接在已架好的钢支撑上。
然后,用锚固剂封堵导管周围孔口以及工作面上的裂缝。
f 小导管注浆:采用纯水泥浆灌注,灌浆参数如下:注浆终压:1~2Mpa;水泥浆浓度(水灰比):1.25:1~0.8:1;扩散半径:0.50m;导管间距:30~50cm;导管长度:4.00m;水泥标号:425#普通硅酸盐水泥;导管外插角:10~150;注浆范围:顶拱180°范围内。
超前小导管注浆施工方案小导管注浆浆液选用原则:暗挖段拱部均为粉细砂层,所以均采用水泥水玻璃双液浆。
注浆量、配比、注浆压力具体情况须由现场对各土层进行注浆试验确定,并根据土层变化作相应调整。
要求加固体半径不得小于0.25m。
若小导管注浆不能达到预期效果,可采用后退式分段注浆或其它注浆工艺,保证在开挖顶部形成加固土体。
1、注浆材料及配合比选择暗挖段拱部均为粉细砂层,所以均采用水泥水玻璃双液浆。
注浆量、配比、注浆压力具体情况须由现场对各土层进行注浆试验确定,并根据土层变化作相应调整。
要求加固体半径不得小于0.25m。
若小导管注浆不能达到预期效果,可采用后退式分段注浆或其它注浆工艺,保证在开挖顶部形成加固土体。
2、注浆结束标准每一个注浆段的结束标准主要有两条,一是看注入量,二是看注浆压力,二者兼顾。
为此,要根据地层的孔隙率,估算每一个孔、每一段的吸浆量,作为施工时的参考标准,注浆过程中如果达到或接近预计值,并且压力也有所升高,即可以结束该段注浆。
如果进浆量虽没有达到预计值,检查压力已接近上限,可能因为该段已被上一段注浆时串浆或地层有变化注不进,也可以结束该段的注浆。
一个孔的每一段都注好了,就可以结束该孔的注浆。
3、小导管加工小导管采用φ32mm,马头门处L=2.5m,其他处L=2m,壁厚3.25mm的水煤气管,一端封闭并制成尖状,以便顺利插入已钻好的导管孔内,当围岩松软时,也可以直接打入,小导管尾端采用φ8钢筋焊一圈加强箍,防止施工时导管尾端变形。
为了便于注浆,在小导管中部钻φ6@100、梅花形布置的小孔。
小导管加工前,需要给加工人员进行严格的技术交底或岗前培训。
对加工好的成品要经过严格的质量检验,以保证注浆质量。
为了能与注浆协调进行,可提前安排加工。
4、注浆技术的工艺流程超前预注浆作为一种辅助方法,其主要工艺流程见超前预注浆工艺流程图。
5、超前预注浆的主要机具设备5.1注浆管加工设备:金属材料切割机、电焊机、钻头、等;5.2钻孔设备:风钻及配套工具等;5.3制浆机具:搅拌机、储浆桶、滤网、波美比重计等;5.4注浆机具:注浆泵及其管路、混合器、球阀、专用管接头等;5.5其他工具:管路扳手、活动扳手、螺丝刀、钢丝钳等。
超前小导管施工工艺在城市建设和维护过程中,土木工程师和施工团队经常需要进行地下管道的施工。
其中一种常见的管道类型是小导管,用于输送水、天然气和其他液体或气体。
针对小导管的施工,超前小导管施工工艺被广泛应用,以提高施工效率和质量。
超前小导管施工工艺是一种先进的施工方法,通过使用钻探和推进技术,在地下打开一条隧道来安装小导管,而无需挖掘大型沟渠或破坏地面。
这种施工工艺在城市中体验到了广泛的应用,因为它可以最大限度地减少对道路和人行道的干扰,使城市维护工作更加高效、安全。
超前小导管施工工艺通常包括以下几个步骤:1. 地质勘探:在施工前,进行地质勘探是非常重要的。
通过对地下土壤和地质条件进行分析,可以确定最佳的施工路线和施工参数。
这将有助于避免地质问题,例如地下水、岩石等,对施工产生的不利影响。
2. 隧道打通:施工开始前,使用先进的钻探机器在地下打开一条隧道。
这可以通过地面钻爆法、封闭式钻头法或盾构机等技术实现。
打通隧道的目的是为了为小导管的安装创造条件。
3. 小导管安装:通过已打通的隧道,将小导管逐段推进和安装到正确的位置。
这需要使用推进装置和定位传感器,以确保小导管的准确安装。
推进装置可以根据需要调整推进速度和力度,确保施工质量。
4. 接口连接和固定:在小导管的每个连接点,需要进行接口连接和固定。
这包括使用密封圈、螺纹接头和夹具等来确保连接的紧密性和安全性。
接口连接的质量直接影响到小导管的使用寿命和安全性能。
5. 土壤回填和修复:在小导管安装完成后,进行土壤回填和修复工作。
这是为了确保地面的平整和安全性,恢复施工前的交通和景观。
土壤回填和修复的过程需要进行仔细计划和执行,以避免对道路和管道的任何损坏。
超前小导管施工工艺的优势包括:1. 城市干扰最小化:通过隧道施工,减少了对城市道路和人行道的干扰。
相比传统的挖沟施工,超前小导管施工工艺大大降低了对市民和交通的不便。
2. 施工效率高:采用钻探和推进技术,超前小导管施工工艺可以快速完成施工任务。
超前小导管施工方案超前小导管管径选用φ42*3.5mm的热轧无缝钢管,长3.5m,外插角10°~15°,管壁每隔25cm交错钻眼,孔口100cm段不钻孔,眼孔直径6mm,采用水泥砂浆或水泥水玻璃浆液灌注,导管环向间距40mm,纵向2.0m一环。
1、超前小导管基本施工方法如下:⑴掌子面封闭:掌子面用C25喷射混凝土封闭。
⑵钻孔、插小导管:进行孔位测量放样,孔位测量做到位置准确,钻孔按放样进行,并设方向架控制钻孔方位,使孔位外插角度符合设计要求。
人工手持风枪一次钻孔完成。
⑶清孔:用高压风、水清洗,吹冲干净孔内砂尘及积水,所有钻孔完成均进行检验。
⑷装入钢管:用风镐将钢管推送入孔。
⑸注浆:注浆顺序由下向上进行,浆液用拌合机搅拌。
注浆浆液以水泥单液浆,其水灰比1∶1,注浆压力为0.5~1.5MPa,水泥标号525号普通硅酸盐水泥。
施工中根据现场试验确定合理的注浆参数。
2、超前小导管施工方法及施工工艺对于小或少水、充填物为块石、碎石、碎屑类松散体,则采用小导管注浆;在采用以上超前注浆和长管棚注浆加固地层的效果欠佳段采用小导管注浆补救。
永定一号隧道Ⅴ级围岩段采用φ42mm小导管超前支护,配合钢架使用,每2榀钢架打一环,环向间距40cm,每根长3.5m,纵向每2 m 设置一环;Ⅴ级围岩双车道每环23根,单车道每环17根,沿隧道开挖轮廓线环向布置并向外倾斜,其倾斜角一般为10~15度左右;注浆压力为0.5~1.0MPa ,纵向前后相邻排导管搭接水平投影长度不小于1.0m ;注浆导管环向间距a=0.4m 。
导管钻φ6mm 注浆孔,间距25cm ,呈梅花形布置,前端加工成锥形,尾部长度不小于100cm 作为不钻孔的止浆段。
超前小导管施工工艺框图见下图准备工作机具准备及检修制作小导管封闭工作面安设小导管钻孔联结管路及密封孔口压水检查达到要求?注浆压力流量达到要求?结束拌浆否否是是超前小导管施工工艺框图为充分发挥机械效能,加快注浆进度,在小导管前安设分浆器,一次可注入3~5根小导管。
小导管注浆工艺试验方案目录一、编制依据 (1)二、工程简介 (1)三、注浆工艺试验目的 (4)四、注浆工艺试验段选定 (4)五、主要施工方法 (5)六、注浆工艺试验验证 (6)七、质量保证措施 (6)八、安全环境措施 (7)一、编制依据1、初步设计阶段工程地质勘察报告及地质剖面图。
2、工程施工图设计。
3、暗涵穿越工程专项施工方案。
4、施工及验收规范一览表如下:二、工程简介1、拱顶超前小导管新建暗涵下穿,现状下埋有多条地下管线,为控制道路和地下管线沉降,拱部95°范围一衬外轮廓范围采用大管棚加小导管超前支护并预注浆加固地层,钢管棚和超前小导管间隔300mm径向交错布置。
受中隔墙位置限制,奇数洞、偶数洞大管棚数量有所不同,其中奇数洞26根、偶数洞22根。
小导管超前支护为注浆加固地层技术,是通过在大管棚之间沿暗涵开挖轮廓线仰角约10-20°打入,并注入1:1水泥浆液,达到超前加固土体的目的,同时小导管还可起到超前辅助管棚预支护作用。
超前小导管采用Φ32*3.25mm(公称直径*壁厚)的普通水煤气花管,环向间距0.3m,纵向间距0.5m,单根长度为2.5m,仰角10-20°打入。
下部1m范围设置为打孔花管,孔间距100-200mm梅花形布置。
2、钢格栅锁脚锚管在格栅榀架安装过程中,为防止钢格栅架立后产生下沉或收敛,在每处起拱线及竖向角钢位置打设2根L=3m的Φ42*3.5锁脚锚管,同样采用钢花管注入1:1水泥浆加固,打入角度在15~45°之间,根据实际情况调整。
锚管下部1.5m范围设置为打孔花管,孔间距100-200mm梅花形布置。
3、一衬后背回填灌浆1)在初支结构喷射混凝土前,沿隧道方向每2m埋设初支背后注浆管,隧道两侧交错布置。
初支喷混完毕后,由于混凝土的自重下沉,拱部初支混凝土与土体之间会出现自然缝隙,为控制拱部土体的沉降,及时对其初支背后进行注浆,填充初支背后空隙。
隧道超前小导管(含超前锚杆)施工一、基本原理在隧道开挖轮廓线外一定距离,以一定的外插角,向开挖面前方打(钻、压)入小导管(锚杆)并压注具有胶凝性质的浆液,使浆液在压力的作用下渗透、扩散到地层孔隙或裂隙中,以改善围岩物理力学性能,在开挖面周围形成一个具有既可止水又有一定强度骨架的硬壳固结体,从而提高围岩的整体性、抗渗性和稳定性。
超前小导管(含超前锚杆)是辅助隧道稳定开挖的一种方法。
二、施工方法1.超前小导管(1)参数选择和加工超前小导管一般选用φ42~φ50热轧无缝钢管加工制作,多采用的长度为3~6 m。
布置间距根据围岩地质通过试验确定,视地质条件按20~50 cm选用。
可以采用均匀间距布置,也可由拱顶至拱脚采取由密至疏的不均匀布置。
外插角大多为5°~10°,但用于塌方处理,以注浆固结塌体形成人工护顶,其倾角宜选为30°。
超前小导管可根据围岩的地质情况设置一排或数排。
对于超前小导管注浆加固范围较长的地段,前后排之间的搭接长度一般在1~1.5 m。
小导管前部应钻注浆孔,孔径一般为6~8 mm,孔间距为10~20 cm,呈梅花形布置。
小导管前端加工成锥形,尾部长度不小于30 cm,作为不钻注浆孔的预留止浆段。
(2)测量布孔小导管管孔一般布置在开挖轮廓线以外5~10 cm。
用全站仪进行小导管位置的测量放样工作,并用红油漆在作业掌子面上做好小导管位置的标记。
(3)钻孔钻孔时一般采用风钻(台车)开孔,以设计的外插角向外钻孔。
为保证超前小导管的有效搭接长度,施工过程中严格控制隧道开挖的进尺,以使下一循环的施工顺利进行。
钻孔直径应大于设计导管直径3~5 mm,孔深大于设计长度10 cm。
对于砂类土,也可采用直径比小导管稍大的钢管制作吹风管,将吹风管缓缓插入土中,用高压风射孔,成孔后将小导管插入。
(4)布管钻孔完毕后,通常要对钻孔进行冲洗并检查钻孔孔深、孔径和倾斜度符合设计要求后,方能进行小导管的安装,工程中多采用气水联合法对钻孔进行冲洗。
超前小导管施工方案超前小导管施工方案编制原则1、施工方案根据泄洪排沙兼导流洞工程施工图纸内容编制;2、施工方案力求采用先进、可靠的工艺,并具有加强的可操作性;3、结合本泄洪排沙兼导流洞的地质、水文、气象条件及工程规模、技术特点、工期要求、工程造价等多方面比选的基础上确定施工方案。
4、在保证工期质量的前提下,确保计划工期,高度重视环保、安全施工问题;5、充分利用先进的技术资源,制定先进、实用的施工方案;施工工艺及技术要求、1.作业准备1.1内业技术准备开工前组织技术人员认真学习实施性施工组织设计,阅读、审核施工图纸,澄清有关技术问题,熟悉规范和技术标准。
制定施工安全保证措施,提出应急预案。
对施工人员进行交底,对参加施工人员进行上岗前培训上岗。
2.2外业技术准备⑴施工作业层中所涉及的各种外部技术数据收集。
⑵注浆配合比经监理工程师审批,进场原材料检验合格。
3.技术要求3.1超前小导管配合型钢钢架使用,应用于隧道围岩拱部超前注浆预支护,其纵向搭接长度不小于1.5m。
—3.2超前小导管设计参数:①超前导管规格:热轧钢花管,外径42mm,壁厚3.5mm;小导管4.5m长;②小导管环向间距40cm,间排距为3m*3m,随机加密;③外插角10°左右,可根据实际情况调整;④注浆材料:M30水泥浆;⑤设置范围:沿起拱线布置。
4.施工程序及工艺4.1 超前小导管施工程序用料量。
一般浆液应按照粘土系、水泥系、水泥化学浆液系、化学药液系来选择。
当地下水丰富或有淤泥流砂时,宜采用水泥—水玻璃双液注浆。
化学浆液成本高,有一定毒性,对环保不利,应慎用。
⑶选定注浆设备,包括钻孔、注浆、实验、检测的设备和仪表器材工具。
⑷拟订实验方案,决定实验和检查办法,确定收集哪些数据,以便选定注浆参数。
注浆参数包括注浆有效范围、单孔注浆浆液扩散半径、注浆压力、注浆速度、浆液初凝时间、浆液配合比、止水盘最小尺寸等。
5.2 制作钢花管小导管前端做成尖锥形,管壁上每隔10~20cm梅花型钻眼,眼孔直径为6~8mm。
超前小导管施工1.小导管施工方法超前小导管采用φ 42 无缝钢管,长度,部署于地道拱部起拱线以上范围内,小道管环向间距为 30cm,管身按梅花形布设泄浆孔,孔径 6-8mm,间距20cm-30cm;小导管端部加工成尖头,掌子面钻孔或直接插打。
小导管施工应吻合以下要求:1.1 前后两排小导管搭接长度不小于。
1.2 小导管采用钻孔布设时,钻孔深度大于导管长度,采用锤击或钻机顶入时,插入长度不小于管长的 90%。
1.3 小导管注浆浆液配比必定经试验确定,注浆工艺简单,操作方便、安全,对环境无污染。
1.4 小导管注浆期间应如期对地下水取样化验检查,如有污染应采用有效技术措施。
1.5 注浆过程应有专人记录,完成后检验注浆收效,不合格者进行补注。
注浆达需要强度后方可进行开挖作业。
2.小导管注浆施工工艺折返线地道施工采用的辅助支护方式为超前小导管注浆加固地层,同时封堵地下水,减少渗水对地道施工的影响。
所采用的注浆方式为经过φ32 超前小导管注水泥—水玻璃双液浆,加固地道拱部120°范围,使地道拱部形成拱形支护体,增加施工安全。
2.1 注浆参数的选择(1)小导管采用φ 42 无缝钢管,长度为,管身前端 2.5m 范围部署6-8mm泄浆孔,孔间距20-30cm。
小导管构造见图。
小导管表示图小导管部署于地道初期支护轮廓线外,部署范围为拱部120°范围内,环向间距为 30cm。
(2)注浆参数水泥采用一般 425#水泥;水灰比 1∶1—1∶1.2 ;水泥浆与水玻璃体积比为 1∶1—1∶0.8 ;凝胶时间 30 秒至 3 分钟;依照初步选定的配合比,测定凝胶时间,直到满足凝胶时间要求,确定施工配合比。
注浆压力,注浆停止压力 1.0 —;浆液扩散半径0.3 —;2.2 工艺流程小导管注浆工艺流程见以下图1-12-4-4 。
施工准备测量布孔成孔插打钢管机具准备注浆浆液准备现场清理小导管施工工艺流程图3.施工技术措施3.1 注浆管采用电钻钻孔插打或钻机顶入两种方式;土层较硬时采用电钻钻孔插管,柔嫩时钻机顶入。
中铁五局石家庄地铁1号线10标项目部石家庄地铁1号线10标暗挖区间超前注浆工艺试验方案中铁五局(集团)石家庄地铁1号线10标段项目部2014年3月20日一、试验点的确定选用马头门位置的深孔注浆作为本次注浆试验的试验点,检验各项参数是否达到设计要求,从而确定合适的注浆参数。
二、注浆参数及实验方案试验编号图如上图所示,我们选定上图1~5号小导管为试验管,对其进行不同配比的注浆试验,按照设计要求,确定一下参数①. 注浆压力:依据以往施工经验,注浆终压暂定为0.8~1Mpa,结合现场实际情况进行必要的调整和优化。
②. 浆液注入量:单孔理论注浆量Q=πR2Ln=π×0. 5²×12×0.1=0.942m3式中:R—浆液有效扩散半径:根据现场实验,浆液有效扩散半径为0.5m;L—注浆长度(m):L=12Mn—地层裂隙度(%):此段结构主要为粉细砂层、中粗砂层,根据类似地质资料及现场实验,地层裂隙度初步定为10%;此理论注浆量可作为配制浆液数量和注浆质量评定的依据,在施工中,应根据现场实际情况确定注浆数量。
③. 浆液配制采用水泥-水玻璃双液注浆。
采用波美度40Be’的水玻璃原液,分别稀释为30Be’、20Be’、15Be’、10Be’水玻璃溶液,在实验室做了水泥与水玻璃的配比试验,对注浆参数进行研究,选择合适的水玻璃浓度配比对,试验得出以下参数:不同配合比水泥与水玻璃凝胶时间表从上表可以看出,水泥-水玻璃在不同浓度(40 Be’~15 Be’)下的浆体初凝时间变化不大,从8s到19s变化;终凝时间从25到3223s变化,变化非常大。
过长的终凝时间注浆时跑浆漏浆非常严重的,这说明:①过稀的水玻璃的浓度达不到加速水泥固结的目的;②水玻璃浓度的变化对水泥的初凝时间变化不大;④水泥胶凝时间的总趋势是随着水玻璃浓度变小而增大。
注浆过程中既要保证扩散半径0.5m,又不能扩散太远,要求水泥浆的初凝和终凝之间有一段合适的时间差,根据要求综合考虑取水灰比1:1,水玻璃浓度15Be’,水泥浆与水泥浆体积比为1:0.25,其原因如下:①在水玻璃浓度为15Be’时,不同的水泥与水玻璃体积比下,此浓度下的初凝与终凝的时间差比较理想;②该浓度下可以弥补施工中工人在现场稀释水泥浆的误差,水泥浆稍浓或稍稀都不会是水泥浆的胶凝差变化很大;③该浓度条件下水玻璃胶凝差正合适,扩散半径可以很好地控制在一定范围内,而不至于过小或过大,并且可操作性好,施工过程中一旦出现机器故障,有足够的时间清洗输浆设备,而不至于损害机器和高压输浆管。
三、施工工艺深孔注浆的范围是大断面拱部150°范围内初支外2m+初支内1m。
采用双重管无收缩注浆工法,注浆液采用水泥-水玻璃双浆液。
注浆孔3排布置,布孔间距500*1000mm,注浆深度12m。
钻孔布置如下图所示,在钻孔过程中先上后下,先外后内注浆采用后退式分段注浆。
钻孔深12米,后序注浆段均预留3米已注浆段作为下一注浆段的制浆盘(后续深孔注浆施工工艺见后续技术交底)。
(3)注浆材料的选择注浆的范围是拱部初支外2m+初支内1m。
注浆液采用水泥-水玻璃双浆液。
(5)注浆工艺及要求②施工工艺要求定孔根据设计要求定准孔位,要求孔为偏差±3cm,入射角度≯1°。
钻机就位:钻机按指定位置就位,调整钻杆的垂直度,对准孔位后,钻机不得移位,也不得随意起降。
钻进成孔:第一个孔施工时,要慢速运转,掌握地层对钻机的影响情况,以确定该地层条件下的钻进参数。
每钻进一段,检查一段,及时纠偏。
孔底位置偏差应小于30cm。
钻孔和注浆从外到内施工,同一圈孔间隔施工。
回抽钻杆:严格控制提升幅度,每步不大于15~20cm,注意注浆参数变化。
浆液配比:采用计量准确的计量工具,按照设计配比配料。
注浆:注浆开孔直径不小于42mm,严格控制注浆压力(0.8~1Mpa),同时密切关注注浆量,当压力突然上升或从孔壁、断面溢浆时,应立即停止注浆,查明原因后采取调整注浆参数或移位等措施重新注浆。
粘土层造成塌孔时,采用前进式注浆,否则采用后退式注浆。
注浆结束及检查:单根达到以下条件之一,即可结束注浆:注浆压力达到注浆终压;注浆压力上升缓慢,当注浆量达到设计要求,并确定未发生跑浆或漏浆。
每个断面所有注浆管完毕后,对注浆孔实行封闭,恢复原状。
4)注浆过程中异常情况处理A)冒浆注浆过程中要认真观察地表及相邻管线的变化情况,由于浆液的进入,引起地层变化,封闭强度较低的地方,首先可能会冒出浆液,这就需要在冒浆处加以堵塞,必要时采取间歇注浆方式,以保证浆液有效的注入地层。
B)注浆压力变化:注浆过程中,压力要在控制范围之中,过大或过小的注浆压力都不能满足施工需要,如果压力过低应该检查是否有漏浆之处,或浆液通过地下某些管道流走,压力过高应检查是否管路或混合器被堵塞。
施工时需要观察好注浆终压不能高于规定的注浆压力值。
C)凝胶时间变化:凝胶时间需要根据被加固土体的性质来调整。
地层含水量大时,浆液容易被地下水稀释,影响固结效果,需要缩短凝胶时间;含水量少,为了扩散一定范围,需要延长凝胶时间。
凝胶时间由双液浆的混合比例来控制,水泥浆比例高,凝胶时间短。
需在现场根据地质情况调控,才能满足施工要求。
D)注浆量调整:地层的注浆量是否合适是地层加固的效果的体现,采用隔孔注入方式,这样既避免注浆孔互相影响,又使后注孔起到补充先注孔的作用,保证土体浆液扩散均匀E)注浆泵异常:在注浆过程中,由于凝胶时间短,管路在两种浆液混合过程中,不可避免的发生凝固和堵塞现象,此时注浆泵会由于管路故障而提高压力,机器发出异常的声音,压力表指示压力上升,如果不及时处理会产生高压伤人危险事故。
此时必须停泵卸下注浆高压软管,冲洗清理管路,或者清理混合器,检查出故障部位,并予以处理,冲洗干净,然后再继续工作。
3.5工程数量以现场实际注浆量为准。
若是单管注浆量由于其他因数,未达到理论量,我们可以先停止注浆5min,待到浆液渗透完毕后,再接上阀门进行补注。
3.6、注浆机具注浆泵采用FBY70/80双液注浆泵,具有以下特点:全液压,能无机调压、调排量、操作简便,控制配比准确,可实现连续供浆。
3.7小导管注浆注意事项1、注浆孔的钻进与注浆:注浆孔一次钻完,孔深为3.8m,冲击速度及供水量应与砂层相适应,以减少坍孔事故,提高钻孔质量。
2、注浆管安装时,要确保外露长度不小于30~40mm,以便连接孔口阀门和管路。
并及时喷射10cm厚C25砼封闭岩面,作为止浆岩盘,防止注浆时跑浆。
3、为防止窜浆和跑浆现象发生,采用隔一孔注一孔的方式注浆,即Ⅰ序孔注单号,Ⅱ序孔注双号。
第四章工程安全质量保证措施4.1 质量保证措施在本工程注浆施工中,应以严格组织管理体系和科学严谨的质量体系来保证工程质量。
(一)、质量控制:1、工程质量严格按照本工程制定,并经甲方和监理工程师认可的施工方案执行,严格按国家有关技术规范、规程、标准控制施工。
2、根据施工程序,严把钻孔深度、配料注浆压力、注浆量关,每一道工序均安排专人负责,并记录好每一道工序的原始数据。
(二)、工程质量保证制度:1、成立工程项目经理为责任的质量管理小组,完善质量保证体系,严格按照质量体系中规定的责权要求运行。
2、定期召开质量分析会议,组织质量教育,严格执行“三检”制度,加强技术交底工作,强化工序控制,由责任心强经验丰富的工程师担任质量控制人员,实行监督检查,保证工程质量。
3、加强现场施工材料管理,严格执行进料检验制度,保证施工材料满足设计和规范要求,不合格材料不得进场使用,确保工程质量。
4、配备好施工机具和计量工具以满足施工要求,建立健全各种资料、原始记录、作为评价工程质量的重要依据。
5、加强与甲方、监理的配合,认真接受指导和监督。
(三)、工程质量措施:1、钻孔施工:开钻前,严格按照施工布置图,布好孔位。
钻机定位要准确,开钻前的钻头点位与布孔点之距相差不得大于2cm,钻杆度不得大于1°。
2、配料:采用准确的计量工具,严格按照设计配方配料施工。
3、注浆:注浆一定要按程序施工,每孔进浆要准确,注浆压力一定要严格控制在0.3~0.5MPa,专人操作。
当压力突然上升或从孔壁溢浆,应立即停止注浆,每段注浆量应严格按设计进行,跑浆时,应采取措施确保注浆量满足设计要求。
4、注浆完成后,应采用措施保证注浆不溢浆跑浆。
5、每道工序均要安排专人,负责每道工序的操作记录。
4.2 安全措施1、建立健全各种岗位责任制,严格执行现场交接制度。
2、钻机注浆泵及高压管路必须试运转,确认机械性能和各种阀门管路,压力表完好后,方准施工。
3、每次注浆前,要认真检查安全阀、压力表的灵敏度,并调整到规定注浆压力位置。
4、安装高压管路和泵头各部件时,各丝扣的联接必须拧紧,确保联接完好。
5、注浆过程中,禁止现场人员在注浆孔附近停留,防止密封胶冲式阀门破裂伤人。
6、注浆时不得随意停水停电,必要时必须事先通知,待注浆完成并冲洗后方可停水停电。
7、注浆施工期间,必须有专门机电修理工,以便出现机械和电器故障时能及时处理。
8、注浆现场操作人员必须佩戴安全帽、防护眼镜、口罩和手套等劳保用品,方可进行注浆施工。
4.3注浆效果检测手段在每两排之间打检查孔,孔深3000mm,采用2500mm长的注浆管锚固好后,进行注清水试验,若大部分都达不到设计压力,证明间排距过大,应重新设计注浆参数。
若个别达不到设计压力,进行重新补注。