高压开关柜室温度标准
- 格式:docx
- 大小:14.14 KB
- 文档页数:1
配电房温湿度要求标准The temperature and humidity requirements for a distribution room are essential for maintaining the integrity and efficiency of electrical equipment. The standard temperature range for a distribution room is usually between 15 to 25 degrees Celsius, while the ideal humidity level should be around 40% to 60%. These requirements are established to ensure that the electrical components inside the distribution room are not exposed to extreme temperatures or excessive moisture, which could potentially lead to malfunctions or even fires.配电房的温湿度要求标准对于保持电气设备的完整性和效率至关重要。
配电室的标准温度范围通常在15至25摄氏度之间,而理想的湿度水平应该在40%至60%左右。
这些要求旨在确保配电房内的电气元件不暴露于极端温度或过多的湿气,否则可能会导致故障甚至火灾。
Failure to maintain the appropriate temperature and humidity levels in a distribution room can have serious consequences. High temperatures can accelerate the aging of electrical components, reduce their lifespan, and increase the risk of overheating and shortcircuits. On the other hand, excessive humidity can lead to corrosion, rust, and the growth of mold, all of which can compromise the safety and performance of the electrical equipment. It is crucial to adhere to the established standards to prevent these issues and ensure the optimal functioning of the distribution room.未能维持配电室中适当的温湿度水平可能会带来严重后果。
高压配电系统中PT柜的作用一、高压开关柜正常使用条件1、环境温度:周围空气温度不超过40℃(上限),一般地区为-5 ℃(下限),严寒地区可以为-15 ℃。
环境温度过高,金属的导电率会减低,电阻增加,表面氧化作用加剧;另一方面,过高的温度,也会使柜内的绝缘件的寿命大大缩短,绝缘强度下降。
反之,环境温度过低,在绝缘件中会产生内应力,最终会导致绝缘件的破坏。
2、海拔高度:一般不超过1000米。
对于安装在海拔高于1000米处的设备,外绝缘的绝缘水平应将所要求的绝缘耐受电压乘以修正系数Ka[ka=1÷(1.1-H×10-4[x1])]来决定。
由于高海拔地区空气稀薄,电器的外绝缘易击穿,所以采用加强绝缘型电器,加大空气绝缘距离,或在开关柜内增加绝缘防护措施。
3、环境湿度:日平均值不大于95%,月平均值不大于90%。
4、地震烈度:不超过8度。
5、其它条件:没有火灾、爆炸危险、严重污染、化学腐蚀及剧烈振动的场所。
二、高压开关柜中PT柜和计量柜的作用高压开关柜中PT柜的作用:1、电压测量,提供测量表计的电压回路2、可提供操作和控制电源3、每段母线过电压保护器的装设4、继电保护的需要,如母线绝缘、过压、欠压、备自投条件等等。
高压开关柜中计量柜有两个作用:1、就是对用电的计量,一般这个计量柜由电力部门管理。
2、母线下降,一般电缆进线到进线隔离柜后,母线到了柜子上部,到计量柜再从上部到下部,下部到进线(断路器)柜的下进线,最后到上部。
三、高压开关柜中PT柜和计量柜的区别1、PT柜是有手车的。
计量柜分地区,有的地区没手车,有的地方有手车。
比如安徽得润电气KYN28高压开关柜就有手车。
2、PT柜有避雷器,放在手车里或者柜后。
计量柜没有避雷器。
3、PT柜没有带电显示、计量柜有带电显示器。
4、计量柜有电流互感器,PT没有。
5、计量柜一般都作为计量出线柜或者计量联络柜。
PT柜一般在进线柜后、馈线柜前,只有主母线穿过,不做出线使用。
12KV金属铠装中置手车式高压柜技术说明书中压配电柜配置及要求标准一、主要设计技术指标要求1、设计标准及依据:国家最新的行业标准2、环境条件(1)海拔高度:小于1000米(2)环境温度:-50C~+450C(3)最大相对湿度:日平均不大于95%,月平均不大于90%(4)地震列度:8度水平加速度:0.25g,垂直加速度:0.125g(5)环境污秽等级:Ⅱ级,(6)凝露和污秽运行条件下的严酷等级为2级,设备用于没有温度控制的地点。
3、额定技术参数(1)高压开关柜的额定技术参数:1)额定频率:50HZ2)相数:3相3)额定电压:12kV4)额定热稳定耐受电流:31.5kA/4秒5)额定峰值耐受电流:80kA6)额定工频及雷电冲击耐受电压水平如下:相对地:42kV/75KV相对相:42kV/75KV断口间:48kV/85KV7)类型:金属铠装,手车8)母线额定最大工作电流:1250A(2)真空短路器额定技术参数(3)接地开关额定技术参数1)额定短路热稳定电流:16kA/4s2)额定短路动稳定电流:40kA(peak)3)额定短路关合电流:40kA(peak)(4)防护等级外壳:IP4X;隔室间:IP2X4、技术性能要求(1)开关柜结构设计除应满足GB3906“3~35kV交流金属封闭开关设备”之要求外,还应满足下列要求:1)柜体的外壳和各功能单元之间的隔板均采用敷铝锌钢板弯折后栓接而成。
开关柜宜从结构上考虑内故障电弧的影响,柜顶应设压力释放板。
开关柜的门板采用冷扎钢板经钝化处理后采用静电喷涂和焙烤,表面抗冲击切耐腐蚀。
2)每只开关柜内应细分为若干个独立隔室。
各柜主母线室应经绝缘套管贯通,主母线安装后,各柜主母线室间被隔开。
3)开关装置的布置应便于进行监视、检查和维修。
4)电缆隔室的地板采用开孔的钢板,橡胶护套防护。
孔径应满足的电缆单芯分叉进入,并具备IP3X防护等级。
5)开关柜应具备防止误分、合断路器,防止带负荷移动手车,防止接地开关合上时送电,防止带电合接地开关,防止误入带电隔室等五项功能。
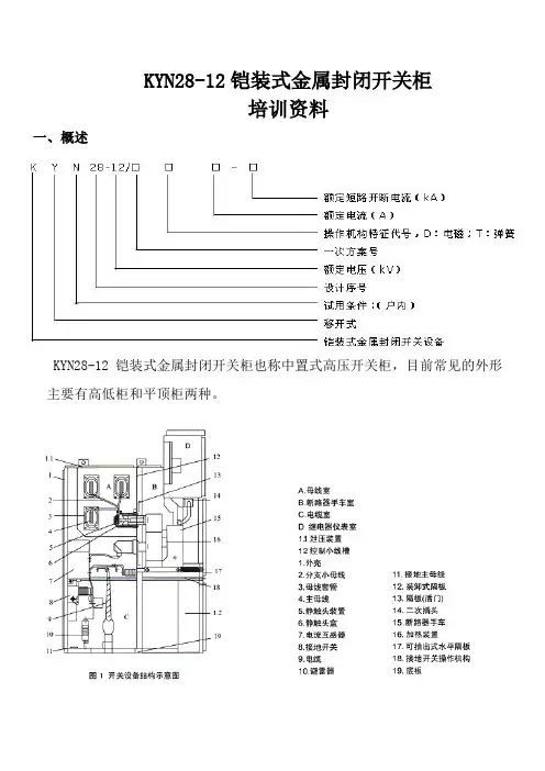
KYN28-12铠装式金属封闭开关柜培训资料一、概述KYN28-12铠装式金属封闭开关柜也称中置式高压开关柜,目前常见的外形主要有高低柜和平顶柜两种。
1、标准和规范1)、KYN28-12开关柜满足IEC298,GB3906,DL404等标准。
2)、开关柜外壳的防护等级为IP4X,当断路器室门打开、手车移开时,防护等级为IP2X。
3)、在系统的安装和运行期间,要遵守所有相关的IEC规范及国家或地方相关的安全导则。
2、工作条件1)、正常工作条件KYN28-12开关柜正常工作条件如下:室内环境温度:最高温度 +40°C日平均值不大于 +35°C最低温度 -15°C室内环境湿度:日平均相对湿度 95%及以下月平均相对湿度 90%及以下安装场所的海拔高度 1000m及以下地震烈度: 不超过8度没有火灾、爆炸危险,没有严重污秽及化学腐蚀的场所。
3、特殊工作条件对特殊工作条件,必须向制造厂咨询。
制造厂与用户应就特殊工作条件取得一致意见。
* 海拔高于1000m时,空气介质强度的降低对绝缘水平的影响。
* 环境温度超出极限值,在母线和分支母线的设计上加以补偿或限制载流量。
在柜内安装通风装置将有利于开关柜的散热。
* 若开关柜运行地区的湿度较高,温度波动速度较快且幅度较大,开关柜在这种气候环境下运行,就有凝露的危险,因此开关柜在备用和运行状态下,用户应保证加热器全天侯投入!但在大电流运行中,可以不投入。
4、开关柜结构概述开关柜由固定的柜体和真空断路器手车组成,这是它的基本结构。
开关柜及安装的电气元件见上述图。
进线柜或出线柜是基本柜方案,并有派生方案,如母线分段柜或计量柜等。
此外,尚有配置固定式负荷开关、真空接触器手车、隔离手车等方案。
开关柜靠墙或面对面安装。
5、外壳和隔板开关柜的外壳和隔板由敷铝锌板制成,具有很强的抗氧化、耐腐蚀功能,且刚度和机械强度比普通低碳钢板高。
三个高压室的顶部都装有压力释放板。
高压开关柜(SF6)技术规范一、引用标准环网柜应符合(但不限于)下列标准,包括签定合同时生效的任何修正或增补,经特殊说明者除外。
GB11022-1989 《高压开关设备通用技术条件》GB4208-1993 《外壳防护等级IP代码》GB311.1 《高压输变电设备的绝缘配合》GB2706-1989 《交流高压电器动、热稳定性试验方法》GB763-1990 《交流高压电器在长期工作时的发热》JB/DQ2080-1983 《高压开关设备防雨试验方法》GB/T16927-1997 《高电压试验技术》GB7345-87 《局部放电测量》GB3309-1989 《高压开关设备常温下的机械试验》GB3906-91 《3~35kV金属封闭开关设备》GB3804-90 《3~63kV交流高压负荷开关》GB/T16926-1997 《交流高压负荷开关-熔断器组合电器》DL/T593-1996 《高压开关设备的共用订货技术导则》GB11604 《高压电气设备无线电干扰测量方法》GB16847 《保护用电流互感器暂态特性技术要求》GB50150 《电气装置安装工程电气设备交接试验标准》GB11023 《高压开关设备SF6气体密封试验导则》DL/T596 《电力设备预防性试验规程》二、使用环境条件1 海拔高度:≤1000m2 环境温度:-25℃~+45℃3 空气相对湿度:日平均相对湿度≤95%,月平均相对湿度≤90%4 年平均温度:25℃5 最大日温差:15℃6 日照强度:0.1W/cm27 抗震能力:地面水平加速度:2.5m/s²,地面垂直加速度:1.25m/s²,安全系数 1.678 污秽等级:D、E级9 安装地点:户内三、运行条件1 额定工作电压:10kV2 最高工作电压:12kV3 工作频率:50Hz4 柜体防护等级:IP335 额定电流:630A6 中性点接地方式:非有效接地系统四、对设备的技术要求1 户内全密封、全绝缘SF6环网单元柜的技术要求1.1 户内环网单元柜是用于电力电缆线路相互联络及连接电力电缆线路与分支线路的户内单元式配电设备,以实现电能的分配。
35kV开关柜技术要求一、总则1.1 本技术规格书的使用范围仅限于项目110KV变电站35kV变电所KYN61-40.5型开关柜。
1.2 本技术规格书提出的是最低限度的技术要求,并未对一切技术细节作出规定,也未充分引述有关标准和规范的条文。
供方应提供符合本技术规格书和有关标准的优质结构产品。
1.3 供方应仔细阅读本技术要求中制定的全部条款,可提供比本技术规范书中规定性能更好的设备和材料,以便用户选择。
正常生产所必需的零部件无论在技术规格书中是否加以说明,均应全部提供。
1.4 在本技术规格书确定之后,买方有权提出因标准或规程规范发生变化而产生的一些补充要求,具体项目由供需双方共同商定。
1.5 本技术规格书所使用的标准如与供方所执行的标准不一致时,按较高标准执行。
二、供货范围35kv变电站概述1.1系统母线为:TMY-3*( 80X10),母线全部用热缩绝缘套管塑封,注意配相应母线套管。
1.2开关柜总数量:7面1.3安装运行条件:室内,电缆下部进出线。
1.4外形尺寸(宽1400mm x高2600mm x深2800mm):1.5安装方式:离墙安装,前门为铰链门,背后为可拆卸的盖板。
1.6柜体颜色:RAL 7032三、使用环境条件四、标准、规范GB156-2003 标准电压GB311.1-1997 高压输变电设备的绝缘配合GB1985-2004 高压交流隔离开关和接地开关GB3309-89 高压开关设备常温下的机械特性试验GB3906-2006 3.6~40.5kV交流金属封闭开关设备和控制设备GB/T11022-1999 高压开关设备和控制设备标准的共用技术要求GB763-1990 交流高压电器在长期工作时的发热DL/T404-1997 户内交流高压开关柜订货技术条件DL/T539-1993 户内交流高压开关柜和元部件凝露及污秽试验技术条件GB311.2-2002 高压输变电设备的绝缘配合使用导则GB4208-1993 外壳防护等级包括但不限于上述标准,并保证按相应标准的最新版本执行。
一.10KV 高压开关柜技术标准1.总规定1.1本标准提出了对设备本体及其附属设备技术规定。
重要涉及设备使用条件、重要技术参数、构造、性能、试验及所需技术资料等方面内容。
1.2本标准提出是最低限度技术规定,并未对一切技术细节做出规定,也未充分引述关于原则条文,供货方应按关于原则供给符合国标、行标和本标准书优质产品。
1.3本标准所使用原则及规定条款如遇到与供货方所执行原则不全都时,按较高原则执行。
1.4本标准中涉及关于商务方面内容,如与《商务某些》有冲突时,以《商务某些》为准。
1.5供货范畴及数量〔详见设计附图〕10kV 中置式高压开关柜KYN28A-12 22 台〔10kV 配电室内放置〕母线槽约12 米,1000A 10kV 固定式开关柜GG-1A(F) 8 台〔靠墙放置〕2.应遵循原则2.1 设备制造应满足如下合同和原则,但并不但限于此:(1) GB1984 《沟通高压断路器》(2)GB311.1《高电压输变电设备绝缘协作》(3)GB311.2-6《高电压试验技术》(4)GB763《沟通高压电器在长期工作时发热》(5)GB1408《固体绝缘材料工频电气强度试验方法》(6)GB2706《沟通高压电器动、热稳定试验方法》(7)GB3309《高压开关设备常温下机械试验》(8)GB7354《局部放电测量》(9)GB11022《高压开关柜通用技术规定》(10)SD/T318《高压开关柜闭锁装置技术规定》(11)DL402《沟通高压断路器订货技术规定》(12)SD132《沟通高压断路器技术规定》(13)GB3906《3~35kV 沟通金属封闭开关设备》(14)DL404《户内沟通高压开关柜订货技术规定》(15)DL403《10-35KV 户内高压真空断路器订货技术规定》(16)DL539《户内沟通高压开关柜和元件凝露及污秽试验技术规定》(17)DL/T593《高压开关柜设备共用订货技术规定》(18)GB311《高压输变电设备绝缘协作与高电压试验技术》3.使用环境条件3.1户外/户内:户内3.2最高环境温度:+40℃3.3最低环境温度:-30℃3.4 海拔高度:≤1000m3.5环境湿度:月平均相对湿度≤90%,日平均相对湿度不≤95%3.6地震烈度:7 度3.7设备抗震强度:3.7.1水平加速度:0.2g3.7.2垂直加速度:0.1g3.7.3设备应能承受在施加正弦、共振、拍波试验方法,激振5 次,每次 5 个周波,间隔2s 于支持构造最低某些时所发生动态地震应力,同步要考虑引线拉力影响,此时安全系数应不不大于1.67。
配电室温度和湿度国家标准(附有解决方案)配电室是电网系统中的重要一环,受到相关部门的重视。
其中有各种电气设备,需要在良好的温湿度环境下进行运行,否则容易出现故障,造成大面积的电力瘫痪,影响人们的工作和生活。
根据配电室温度和湿度国家标准,我们推出了一套智能辅助系统,可以保证现场处在恒温恒湿的环境当中。
一些客户就要问了,配电室温度和湿度国家标准是什么?这其实是相关部门根据配电室温湿度监控提出的技术规范,根据《GBT 11022-1999高压开关设备和控制设备标准的公用技术要求》:1、配电房开关设备周围的空气温度要在40°C以下;在24h内测得的相对湿度的平均值要小于95%。
2、低压开关柜温度15度,湿度75%以下;高压开关柜温度25 度,湿度50%以下。
为了保证室内处于恒温恒湿的环境之中,满足国家提出的技术要求,我们专门设计出了一套配电室温湿度监测系统,通过温湿度采集器、智能环控主机、自动报警装置,可以实时采集现场重要区域的温度值和湿度值,及时发现高温、潮湿、干燥等情况,异常情况发生的第一时间通过短信、电话、app、邮件等方式进行报警。
与传统的人工巡检、手动记录的方式相比,我们的系统可以进行全天候地监测,有效地减少了误测、误报的情况发生。
系统的亮点在于:1、支持IEC61850、电力B接口,可以与电力平台进行无缝对接,方便进行统一、合理的管控。
2、可拓展。
系统配置灵活,可以接入空调、加湿器、除湿机,在温湿度异常时,系统自行控制这些设备的运行状态,进行自动化地调节控制。
3、提供线上监测功能,支持web管理软件、app功能,可以对远方的配电室进行远程监控管理这套系统可以对温湿度进行实时监控,满足配电室温度和湿度国家标准所提出的要求。
配电房温湿度标准要求
配电房是电力系统中非常重要的一部分,它的作用是将电能从变电站输送到各个用电设备中。
在配电房中,电气设备的运行需要一定的温湿度条件,因此,配电房温湿度标准要求非常重要。
配电房的温度要求在20℃~30℃之间,湿度要求在40%~60%之间。
这是因为在这个温湿度范围内,电气设备的运行效率最高,同时也能保证设备的寿命和安全性。
配电房的温湿度要求还与设备的功率有关。
一般来说,设备功率越大,要求的温度就越低,湿度就越高。
例如,高压开关柜的温度要求在15℃~25℃之间,湿度要求在45%~60%之间;而低压开关柜的温度要求在20℃~30℃之间,湿度要求在40%~60%之间。
配电房的温湿度还受到外部环境的影响。
在夏季高温季节,配电房内的温度容易升高,因此需要采取降温措施,如安装空调或通风设备。
在潮湿的季节,配电房内的湿度容易过高,需要采取除湿措施,如安装除湿机或加强通风。
配电房的温湿度要求还需要定期检测和维护。
定期检测可以及时发现温湿度异常情况,及时采取措施进行调整。
维护包括清洁设备、更换滤网、检查空调和通风设备等,以保证设备的正常运行和寿命。
配电房温湿度标准要求是非常重要的,它关系到电气设备的运行效
率、寿命和安全性。
因此,我们需要认真遵守标准要求,并定期检测和维护配电房的温湿度。
配电室温度、湿度国家标准配电室中摆放有大量的电气设备,这些设备能够正常地运行,离不开良好的环境状态。
其中,温湿度对运转机器的运行影响极大,需要特别重视对这一环境物理量的监测,有关部门更是推出了相应的法条法规对这一参量做出了规定。
那么配电室温度和湿度国家标准是多少,又该如何保持恒温恒湿呢?看完这篇文章,你就会有答案了。
根据《电气装置安装工程低压电器施工及验收规范》等相关法条对配电室温度和湿度国家标准做出了规定:配电室标准的温度应保持在-5℃~+40C,湿度应控制在80%以下。
低压开关柜温度应为15度,湿度应保持在75%以下;高压开关柜温度应为25度,湿度保持在50%以下。
只有保持在标准的范围内,现场的电力机器才能保持良好的运行状态,避免出现故障。
但是温度和湿度作为看不见摸不着的参量,长时间都处在变化的状态中,需要人们通过精密的测量仪器进行测量。
但这样的方式容易因为操作不当、仪器精度不高等原因,导致采集到的数据不够准确,不能及时发现异常的情况。
为此,选用一套智能化的配电房温湿度监测系统就显得尤其重要。
系统通过在配电房中设置温湿度采集装置、智能环控主机(含软件)、自动报警装置,可以实时采集站房内的温度值和湿度值,当实际数值超出国家规定的标准范围时,系统自动进行报警,还可以联动空调、加湿器等设备的开关机,实现自动化的调节控制,为现场各种电气设备创造良好的运行条件。
我们的系统采用嵌入式技术、数据采集和处理技术、物联网技术,集齐了数据采集、分析、报警、联动等功能,具有以下几个优势:1、设备精度高,误差小,最大程度保证了采集数据的真实性2、稳定性好,可以进行24小时不间断地实时监测管理,保持持续性、高强度地运行、监测3、支持多种报警方式,可通过电话拨号、语音播报、声光预警、发送短信、网页弹窗、微信推送等方式进行及时报警4、提供web管理软件,输入地址就能登录,提供线上实时查看、远程调控的功能。
配电室温湿度要求标准
为确保配电室内设备正常运行及安全稳定,配电室的温湿度需要符合一定的要求标准。
以下是一般的配电室温湿度要求标准:
1.温度:配电室的温度应该控制在15℃~35℃之间。
如果温度过高或者过低,都会对设备的稳定运行造成影响,甚至可能损坏设备。
在特殊情况下,如在高海拔或者特殊环境下,需要根据实际情况对温度进行调整。
2.湿度:配电室的湿度应该控制在30%~80%之间。
如果湿度过高,会导致设备表面出现结露,从而可能引起设备短路或者漏电等问题。
而湿度过低则可能导致设备损坏或者过早老化。
在特殊情况下,如在干燥地区,需要根据实际情况对湿度进行调整。
3.温湿度适应范围:在配电室内,温度和湿度是相互影响的,因此需要根据实际情况对温湿度进行适当的调整。
一般而言,当温度较高时,需要降低湿度;而温度较低时,则需要增加湿度。
同时,在配电室的不同区域,也需要根据实际情况对温湿度进行适当的调整。
总之,在配电室内,要保持适宜的温湿度是非常重要的。
只有保持温湿度的稳定,才能确保设备的正常运行和安全稳定。
因此,在配电室的设计和运行过程中,需要注意温湿度的控制和调整,以确保设备的长期运行和稳定性。
- 1 -。
配电室温湿度不能超过多少?如何控制?
配电室有高压、低压之分,用于给某一区域的用户输送电力。
而温湿度是配电室管理工作中是一个重要指标,因此在配电室监控系统中,是必备项,那配电室温湿度不能超过多少?如何控制?这想必是很多集成商关心的问题。
一、配电房温湿度相关要求(仅供参考)
1、低压开关柜:温度15°C,湿度75%以下。
2、高压开关柜:温度25°C,湿度50%以下。
一般来说,室内温度要控制在40°C以下,相对湿度控制在70%以下。
相关资料可参考GB7251.1-2005、GB3906-2006等相关规范。
当然南网、国网等配电室都会有相关的环境管理规范要求,遵循甲方的需求即可。
二、配电室温湿度如何控制?
配电室内有开关柜、配电柜等设备,每天都在运行,散热量极大,为避免室内温湿度超标,必须要安装配电室温湿度监控系统。
这一套系统通过在配电室内部署温湿度传感器,来获取指定区域的温度、湿度数据,系统再把这些数据进行汇总分析,当室温、湿度超过对应标准时,自行启动声光、电话、邮件、语音等警报功能。
另外系统有多路通信接口,比如:DO、485等,可接入风机、空调、除湿、加湿等设备,如果发现配电室环境有恶化趋势,可远程联动设备,来进行室温调控。
配电室温湿度的稳定性决定电力系统的可靠性,因此需要使用配电室温湿度。
开关柜温升试验标准开关柜是电力系统中必不可少的一种设备,它在电力传输、分配和控制中起着至关重要的作用。
然而,长期以来,由于过载、短路等原因,开关柜内部的温度会不断升高,这不仅会影响开关柜本身的性能和寿命,还会给电力系统带来严重的安全隐患。
因此,为了确保开关柜的安全可靠运行,需要对其进行温升试验。
一、试验目的开关柜温升试验是为了检测开关柜在额定负载下长时间运行时内部温度的变化情况,以评估其耐用性和安全性能。
二、试验范围开关柜温升试验适用于低压开关柜、中压开关柜和高压开关柜等各种类型的开关柜。
三、试验条件1. 试验环境温度为20℃±5℃,相对湿度为50%±5%。
2. 试验电源为额定电压,额定频率的交流电源。
3. 试验时间为连续8小时,如果需要更长时间的试验,应在试验前说明。
4. 试验负载为开关柜的额定负载。
5. 试验前应检查开关柜是否符合设计要求和制造标准,确认电气连接正常,绝缘性能良好。
四、试验步骤1. 将开关柜置于试验室内,并将试验室温度调整至20℃±5℃。
2. 将电源接入开关柜,通电后将其负载至额定负载。
3. 连续运行8小时,记录开关柜内部的温度变化情况。
4. 试验结束后,将开关柜内部的温度恢复至试验前的状态,检查开关柜是否存在异常情况。
五、试验结果1. 试验后应记录开关柜内部温度的变化情况,并绘制温度变化曲线图。
2. 开关柜内部温度升高的最大值应符合设计要求和制造标准,不得超过规定的限制值。
3. 如果开关柜内部温度升高超过了规定的限制值,应进行进一步分析,并采取相应的措施。
六、试验注意事项1. 在试验过程中,应定期检查开关柜的电气连接是否正常,绝缘性能是否良好,以确保试验的安全可靠进行。
2. 在试验前,应对试验室进行清洁和消毒,防止试验过程中的污染和干扰。
3. 试验结束后,应及时将开关柜内部的温度恢复至试验前的状态,以防止试验过程中造成的损坏和影响。
4. 试验结果应及时记录和报告,以便进行进一步的分析和处理。
配电设备温度标准配电设备温度标准是指在正常运行状态下,配电设备的温度应该控制在一定的范围内,以确保设备的安全运行和可靠性。
配电设备温度标准是根据国家相关标准和行业规范制定的,不同类型的配电设备有不同的温度标准。
一般来说,配电设备的温度标准分为两个方面:环境温度和设备表面温度。
首先是环境温度。
环境温度是指配电设备所处的环境温度,包括室内和室外环境。
根据国家标准,室内环境温度应该控制在0℃到40℃之间,室外环境温度应该控制在-25℃到40℃之间。
这是因为配电设备在低于0℃或高于40℃的环境下,可能会出现过载、短路等故障,影响设备的正常运行。
其次是设备表面温度。
设备表面温度是指配电设备外壳的温度,一般由设备内部的电流、电压和功率等因素决定。
根据国家标准,设备表面温度应该控制在规定的范围内,以保证用户的安全。
例如,低压开关柜的表面温度应该控制在45℃以下,高压开关柜的表面温度应该控制在55℃以下。
此外,根据不同类型的配电设备,还有一些特殊的温度标准。
例如,变压器的温度标准是根据变压器的额定容量和运行方式来确定的。
一般来说,变压器的温升应该控制在规定范围内,以保证变压器的正常运行和寿命。
在实际应用中,为了确保配电设备的安全运行,一般会进行温度监测和控制。
可以采用温度传感器对设备的温度进行实时监测,并根据监测结果进行相应的控制措施。
例如,在温度超过规定范围时,可以通过风扇、散热片等方式进行散热,以降低设备的温度。
总之,配电设备温度标准是确保设备安全运行和可靠性的重要指标。
通过控制环境温度和设备表面温度,并进行实时监测和控制,可以有效预防因温度过高而导致的故障和事故发生。
同时,用户在使用配电设备时也要注意遵守相关安全规范,确保设备的正常运行。
高压开关柜室温度标准
一、温度范围
高压开关柜室的温度范围应控制在15℃至30℃之间。
当环境温度低于15℃或高于30℃时,应采取相应的措施,确保设备正常运行。
二、温度监测
1.在高压开关柜室内安装温度传感器,实时监测室内温度。
2.定期对温度传感器进行检查和维护,确保其正常工作。
3.当温度超过或低于设定范围时,应及时报警并采取相应措施。
三、温度控制
1.在高压开关柜室内安装空调或通风设备,保持室内温度在设定范围内。
2.定期对空调或通风设备进行检查和维护,确保其正常工作。
3.根据季节和气候变化,适时调整空调或通风设备的运行模式和设定温度。
四、温度记录
1.在高压开关柜室内安装温度记录仪,实时记录室内温度。
2.定期对温度记录仪进行检查和维护,确保其正常工作。
3.定期分析温度记录数据,找出温度变化规律和异常情况,及时采取相应措
施。
五、温度报警
1.当室内温度超过或低于设定范围时,应发出报警信号。
2.报警信号应通过声光或其他方式显示在监控室或操作台上。
3.当报警信号发出时,应及时采取相应措施,确保设备正常运行。
以上是高压开关柜室温度标准的主要内容,希望对您有所帮助。