三聚磷酸钠MSDS.pdf
- 格式:pdf
- 大小:202.96 KB
- 文档页数:3
三聚磷酸钠技术说明书
三聚磷酸钠是一种无机化合物,化学式为Na3PO4,常用于制造洗衣粉和磷酸盐玻璃等。
以下是其技术说明书:
产品名称:三聚磷酸钠
化学式:Na3PO4
CAS号:10101-89-0
外观:白色颗粒或粉末
化学性质:三聚磷酸钠是一种无机盐,易溶于水,但不溶于有机溶剂。
其溶液呈弱碱性。
用途:三聚磷酸钠广泛应用于洗涤剂、水处理、磷酸盐玻璃、金属表面处理、食品工业等领域。
包装:通常以25kg或50kg编织袋包装,也可以根据客户要求提供其他类型的包装。
贮存:本品应储存在阴凉、干燥、通风的库房中,避免与酸性物质接触,远离明火。
贮存期为一年。
注意事项:操作时应注意个人防护,避免吸入、摄入或接触皮肤和眼睛。
在操作过程中,必须戴好防护口罩、手套和护目镜等防护装备。
以上为三聚磷酸钠的技术说明书,仅供参考。
如需详细信息,请查阅相关文献或与供应商联系。
1。
产品和公司识别产品标识符:三聚磷酸钠同义词:关于洗涤剂中磷;磷酸三钠2。
危害识别分类的物质或混合物调整(EC)1272/2008号皮肤腐蚀/刺激类别2严重的眼部损伤/眼睛刺激性类别2 a具体目标器官全身性毒性(暴露)3级分类根据欧盟指令67/548 / EEC或1999/45 / EC 符号(s)Xi -刺激物R短语(s)没有R36/37/38风险组合短语——对眼、呼吸系统和皮肤标签元素信号词警告危害语句H315——会造成皮肤过敏H319——会导致严重的眼刺激H335——可能导致呼吸道过敏P261——避免呼吸尘/烟/气/雾/蒸汽/喷雾P302 + P352——如果用在皮肤:洗用大量的肥皂和水P280——穿防护手套和防护服装/保护眼睛/脸部保护P305 + P351 + P338——如果在眼睛:谨慎地与水冲洗几分钟。
删除隐形眼镜,如果现在和容易做到。
继续冲洗其他危害没有可用的信息3。
组成/信息成分三磷酸五钠EEC号:231-838-7CAS号:7758-29-4分类:Xi;R36/37/38GHSCLAS:小公牛SE 3(H335)的皮肤Irrit。
2(H315)眼Irrit。
2(H319) 4。
急救措施眼神接触,立即用大量清水冲洗,也在眼睑,至少15分钟获得医疗救助皮肤接触:洗掉立即用肥皂和大量的水去除所有的受污染的衣服和鞋子获得医疗救助摄入:清洁口腔与水获取医疗服务吸入:删除从曝光,躺下搬到新鲜空气如果呼吸困难,给氧如没有呼吸,请人工呼吸获得医疗救助笔记要医师:治疗过5。
消防措施灭火媒体/合适的灭火媒体水喷雾二氧化碳(CO2)干化学化工泡沫灭火介质,不得用于安全的原因没有可用的信息。
特殊危害产生的物质或混合物热分解能导致释放刺激性气体和蒸气建议为消防队员在任何火灾,穿自给式呼吸器压力需求,MSHA / NIOSH(批准或等效)和全套防护装备6。
意外释放措施个人的预防措施,保护设备和应急程序确保足够的通风环境预防措施防止进一步泄漏或溢出如果安全这样做方法和材料对控制和清理大扫除或真空了溢出和收集在合适的容器处理不让这种化学物质进入环境7。
( 安全技术 )单位:_________________________姓名:_________________________日期:_________________________精品文档 / Word文档 / 文字可改三聚磷酸钠生产工艺危险性分析及安全(通用版)Technical safety means that the pursuit of technology should also include ensuring that peoplemake mistakes三聚磷酸钠生产工艺危险性分析及安全(通用版)一、三聚磷酸钠生产工艺危险性分析:生产装置工艺参数:酸碱中和反应、高压喷料、聚合炉聚合反应温度、压力、煤气等;一旦发生异常情况,高温物料烫伤、酸碱灼伤、煤气火灾、爆炸事故。
针对这些工艺参数对生产工艺的危险性进行分析。
1、酸碱中和反应,反应剧烈、其他异常情况发生烫伤、产生的二氧化碳中毒、物料输送泄漏烫伤、酸碱灼伤;2、聚合反应异常发生煤气泄漏中毒、燃烧、爆炸,煤气爆炸极限12.5-74.2%;三聚磷酸钠在负压条件下进行聚合反应,尾气引风机异常情况,负压达不到的情况下,发生煤气燃烧不充分,形成混合型爆炸性气体遇到高温物料发生爆炸;3、煤气在点火时,水封水没有完全排完,煤气压力波动,造成煤气没有燃烧进行尾气系统,形成混合型爆炸性气体遇到火源发生爆炸;4、高压物料输送,高压泵的压力高达10-15MPa,高压的物料料浆异常情况泄漏,发生烫伤;5、高温物料输送,异常情况,发生烫伤;6、煤气水封异常情况处理,磷泥烧伤;7、转动设备维修、使用,发生机械伤害事故;二、针对三聚磷酸钠装置生产工艺存在的危险性,提出以下安全控制措施:1、防止发生酸碱中和反应剧烈、其他异常情况、物料输送发生烫伤和反应产生的二氧化碳中毒;应对措施如下:1)根据酸碱比例设置磷酸用量实行自动化控制;2)穿戴好防护用品;3)按顺序开启搅拌机→引风机;中和时确保中和锅内溶液呈碱性,再开启进酸阀门进行中和;4)如中和过程中发生溢料,应立即停止投酸、碱,加水稀释,关闭锅内蒸汽,开大引风蒸汽,现场操作员迅速离开;5)打料完毕后,用蒸汽对打料管道进行扫线。
工业三聚磷酸钠分子式:Na5P3O10分子量:367.86标准编号:GB/T 9983-1988用途:主要用于合成洗涤剂的助剂,也可用于石油、冶金,采矿理等工业。
包装:内塑料袋,外套编织袋包装,净重:50±0.2kg25±0.2kg。
磷酸三钠分子式:Na3PO4·12H2O分子量:380.14性状:外观白色或无色细粒状结晶。
可溶于水,不溶于有机溶剂,在干燥空气中风化,水溶液呈碱性,对皮肤有一定的侵蚀作用。
技术指标:用途:用作锅炉的软水剂,防垢剂,金属防锈剂,糖汁净化剂,瓶器洗涤剂,织物的丝光增加剂等。
并广泛用于电业,化工,纺织,印染和造纸,橡胶乳汁的凝固剂发电等工业。
包装:内衬塑料袋,外用编织袋,每袋净重50kg,外型尺寸80×55×15cm;25kg 外型尺寸65×38×10cmE-mail:1053 hg/js 14664公司名称: 连云港瑞丰化工有限公司联系电话: 0518-********,85018208,85018218联系传真: 0518-********网址: E-mail:1830 hg/js 17361公司名称: 连云港市德邦精细化工有限公司联系电话: 0518-********,85252991联系传真: 0518-********网址: E-mail:5000 hg/js 15384公司名称: 无锡市展望化工试剂有限公司联系电话: 87256677,87256688联系传真: 0510-********网址: E-mail:5000 hg/js 25804公司名称: 江苏博汉工贸有限公司(镇江博汉化工科技有限公司) 联系电话: 025-********公司名称: 连云港中壹精细化工有限公司联系电话: 0518-********联系传真: 0518-********网址: E-mail:5000 hg/js 30415公司名称: 连云港中铭化工有限公司联系电话: 0518-******** 85400009联系传真: 0518-********网址: E-mail:公司名称: 无锡市锡津化轻物资有限公司联系电话: 0510-********联系传真: 0510-********网址: E-mail:5000公司名称: 杭州港进贸易有限公司联系电话: 86-571-85109780 85172610 联系传真: 86-571-85109784 85172621 网址: 。
三聚磷酸钠1、产品和厂商资料:产品名称:三聚磷酸钠化学名称:三磷酸五钠产品用途:常用于食品中,作水分保持剂、品质改良剂、pH调节剂、金属螯合剂HMIS等级(0—最小1—轻度2—中等3—重度4—严重)健康:1可燃性:2物质危害:1个人防护:BUN号码:1813危险等级:无危险标记:无运输状况:无生产商:成都市科龙化工试剂厂地址:四川省成都市新都区木兰开发区电话:028-传真:028-2、主要组成与成分主要成分:三聚磷酸钠外观与性状:白色粉末状结晶主要用途:常用于食品中,作水分保持剂、品质改良剂、pH调节剂、金属螯合剂3、危险鉴定危险物质的组成:ACGIHTLVOSHAPEL%CASNO.产品RQ损害性颗粒物1mg/m33mg/m37758-29-4未知使用产品时相关危险血液毒素腐蚀性材料压缩气体肾脏毒素爆炸性材料易燃液体肝毒素可燃性材料眼伤害√肺毒素不稳定材料皮肤伤害√致癌物可燃材料神经系统毒素刺激物毒物生殖系统毒素氧化剂滋扰颗粒√有机过氧化物敏化剂高毒剂水反应材料公共了解权(SAPA标题第三部分311—312)火突然释放压力反应性,反应度立即(激烈的):延时(长期的):4、紧急突发情况及其急救措施眼睛:用流动清水冲洗。
摄入:给予饮水(如果病人神志清醒的话)。
就医。
吸入:转移至空气新鲜处。
休息保暖。
皮肤:脱去被污染的衣服。
用水和肥皂冲洗。
5、燃烧、爆炸危险数据闪点(℃):不适用自燃温度(℃):不适用爆炸极限:不适用下限:不适用上限:不适用灭火器(灭火物质)::干粉:泡沫:喷雾:√水:√CO2危险燃烧产物:火灾产生的有毒烟雾。
灭火方法:用水幕/水雾,冷却周围设施。
少数情况下的火灾、爆炸和危险情况:火灾产生的有毒烟雾。
6、产品意外泄漏的措施(产品)溢出措施:污染物。
防止灰尘。
扫或铲到安全的地点。
7、操作和贮藏操作:在操作过程中,配戴呼吸器,手套,护目镜和其它设备以保证员工的舒适和安全。
在操作时,无需特殊小心、防范。
三聚磷酸钠产品说明
货物名称(中文):三聚磷酸钠
货物名称(英文):SODIUM TRIPOLYPHOSPHATE
分子式:Na5P3O10 CAS NO.: 7758-29-4
工业级HS号:28353190.00 食品级HS号:28353110.00
O O
NaO-P-O-P-O-P-ONa
ONa ONa ONa
物理化学性质
分子量:367.86,白色粉末状固体,熔点622℃,易溶于水,其1%水溶液PH值约为9.7。
其水溶液比较稳定,但在加热、加酸、加碱等条件下容易水解,生成磷酸正盐。
有较强的络合作用,能与钙、镁、铁等金属离子形成可溶性络合物;另外,还有胶溶、乳化、分散以及吸咐作用。
主要用途
主要用于合成洗涤剂生产的软水剂、胶溶剂、干燥剂。
也可用于陶瓷,水泥,采矿,石油化工以及造纸等工业。
还可用于食品添加剂和改良剂。
湖北兴发化工集团股份有限公司。
三聚磷酸钠
水分保持剂、品质改良剂、pH调节剂、金属螯合剂。
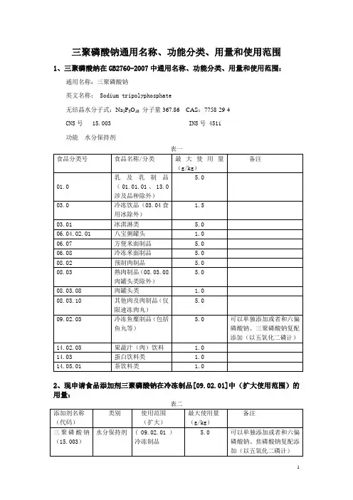
我国《食品添加剂使用卫生标准》(GB2760-2011)规定:罐头、果汁(果味型)饮料、植物蛋白饮料,最大使用量为1.0g/kg;乳制品、禽肉制品、肉制品、冰淇淋、方便面,最大使用量为5.0g/kg。
复合磷酸盐使用时,以磷酸盐计,罐头肉制品不得超过1.0g/kg;炼乳不得超过0.50g/kg;本品与焦磷酸钠、磷酸钠复合使用时,以磷酸盐计不得超过5g/kg;西式蒸煮,烟熏火腿按GB13101-1991《西式蒸煮,烟熏火腿卫生标准》执行,复合使用时不得超过5g/kg(西式火腿可适当多加,以磷酸盐计为8g/kg。
其他使用参考:用于火腿罐头,在适当条件下有利于产品质量的提高,如成品形态完整、色泽好、肉质柔嫩、容易切片、切面有光泽。
三聚磷酸钠用于火腿原料肉的腌制,每l00kg肉加3号混合盐(精盐91.65%、砂糖8%、亚硝酸钠0.35%)2.2kg、三聚磷酸钠85g,充分搅拌均匀,在0~4℃冷库中腌制48~72h,效果良好。
用于蚕豆罐头生产,可使豆皮软化。
许多果蔬有坚韧的外皮,随着果蔬的成熟,外皮愈加坚韧。
在果蔬加工热烫或浸泡用水中,加入聚磷酸盐,可络合钙,从而降低外皮的坚韧度。
三聚磷酸钠有I型(高温型)和II型(低温型)两种结晶态。
其区别在于二者的键长和键角不同,二者化学性质相同,但热稳定性和吸湿性I型高于II型。
产品名称FORMULA 815 GD 清洗液企业识别略成分/组分信息➢有害组分名称CAS# 含量(%)三聚磷酸钠7758-29-4 <10危害识别➢紧急情况描述:刺激眼睛和皮肤,产品没有被IARC、ACGIH、NTP、OSHA列为致癌物。
➢潜在的健康危害眼睛:眼睛接触会导致过敏皮肤:正常使用情况下的健康危害未知,长期皮肤接触会导致皮肤过敏吸入:正常使用情况下的健康危害未知食入:正常使用情况下的健康危害未知急救措施➢眼睛:用大量水至少冲洗20分钟。
如果刺激持续,立刻就医处理。
➢皮肤:立即用水和肥皂冲洗皮肤,脱下脏衣服和鞋子,衣服在再次穿用之前,要进行彻底清洗。
如果刺激持续或者加重,就医处理。
➢吸入:将当事人转移到空气清新处。
➢食入:如有不适,就医。
消防措施➢可燃性:未知➢合适的灭火剂:使用适合周围性火灾的方式泄漏应急处理➢用沙、泥土或其他惰性不可燃材料吸附并转移到容器内待处置。
操作处置与储存➢操作注意事项:操作及开启容器的时候需小心谨慎。
➢储存注意事项:储存温度为4-9℃接触控制与个人防护➢个人防护用品眼睛/面部防护:避免接触眼睛,佩戴有侧边的安全眼镜皮肤防护:防护手套呼吸防护:正常使用情况下不需要卫生条件:操作时需遵循良好的工业卫生及安全措施。
理化性质➢外观:无相关信息颜色:蓝绿色➢形态:液体气味:温和➢pH:12 凝固点:无相关信息➢沸点:212℉闪点:>212℉➢燃烧极限:未知蒸汽压:17mmHg➢蒸汽密度:0.6 挥发物含量:0.1%稳定性和反应性➢稳定性:常温下稳定➢避免接触的条件:不要冷冻➢禁配物:未知➢危险的反应:不会发生。
毒理学资料➢急性影响:急性经口半数致死量(LD 50):11577mg/kg(鼠)➢其他信息:无生态学资料➢生态毒性:此产品的组分对水生生物有害,组分含有潜在的环境影响➢环境影响:对水生生物有害,不合理的操作或者处理可能会导致环境危害。
废置处理➢产品废弃物处置方法:根据当地法规进行处置。
三聚磷酸钠可研报告三聚磷酸钠(Sodium Tripolyphosphate,STPP)是一种无机化合物,化学式为Na5P3O10,分子量为367.86、它是一种白色结晶粉末,在水中可以溶解,是一种常用的洗涤剂及食品添加剂。
本报告将详细介绍三聚磷酸钠的性质、应用领域以及生产工艺等内容。
一、三聚磷酸钠的性质1.外观:三聚磷酸钠为白色结晶粉末。
2.溶解性:可溶于水并形成碱性水溶液,溶解度随温度升高而增加。
3.热稳定性:三聚磷酸钠在高温下能稳定存在,可用于热加工过程。
4.螯合性:三聚磷酸钠具有良好的金属离子螯合能力,在洗涤过程中可以去除水中的硬水离子,提高洗涤效果。
5.洗涤性能:三聚磷酸钠具有良好的界面活性剂性能,可以改善涂层的渗透性、抗沉降性和防腐性。
二、三聚磷酸钠的应用领域1.洗涤剂领域:三聚磷酸钠是一种常用的洗涤剂添加剂,它可以增加洗涤剂的去污能力、起泡性和乳化性能,同时能减少洗涤剂的用量,提高洗涤效果。
2.食品添加剂领域:三聚磷酸钠是一种食品级添加剂,被广泛应用于肉制品、饮料和速食产品中。
它能够改善食品的色泽和质感,增加保水性和保鲜期。
3.建筑材料领域:三聚磷酸钠可以作为防腐剂和增稠剂添加到建筑材料中,提高涂料和水泥砂浆的性能。
4.工业用途:三聚磷酸钠也可以用于金属表面的脱脂、除锈和磷化处理,以及染料工业中的分散剂和抄纸工业中的可浮杂质剂等。
三、三聚磷酸钠的生产工艺1.磷酸钠中和:将磷酸钠与适量的碱液反应,可以得到磷酸钠溶液。
2.聚合反应:将磷酸钠溶液加热至一定温度,加入磷酸钠悬浮液,进行聚合反应,生成聚合物。
3.沉淀分离:将聚合物通过沉淀分离的方式,分离出三聚磷酸钠。
4.洗涤和干燥:对得到的三聚磷酸钠进行洗涤和干燥处理,去除杂质和水分,得到纯净的三聚磷酸钠产品。
四、三聚磷酸钠的安全性1.三聚磷酸钠在常温下稳定,不易发生分解反应。
2. 三聚磷酸钠的LD50值大于5000 mg/kg,属于低毒物质。
三聚磷酸钠1、产品和厂商资料:产品名称:三聚磷酸钠化学名称:三磷酸五钠产品用途:常用于食品中,作水分保持剂、品质改良剂、pH调节剂、金属螯合剂HMIS等级(0—最小1—轻度2—中等3—重度4—严重)健康:1 可燃性:2 物质危害:1 个人防护:BUN号码:1813危险等级:无危险标记:无运输状况:无生产商:成都市科龙化工试剂厂地址:四川省成都市新都区木兰开发区电话:028-传真:028-2、主要组成与成分主要成分:三聚磷酸钠外观与性状:白色粉末状结晶主要用途:常用于食品中,作水分保持剂、品质改良剂、pH调节剂、金属螯合剂3、危险鉴定危险物质的组成:ACGIH TLV OSHA PEL % CAS NO. 产品RQ损害性颗粒物1mg/m33mg/m37758-29-4未知使用产品时相关危险血液毒素腐蚀性材料压缩气体肾脏毒素爆炸性材料易燃液体肝毒素可燃性材料眼伤害√肺毒素不稳定材料皮肤伤害√致癌物可燃材料神经系统毒素刺激物毒物生殖系统毒素氧化剂滋扰颗粒√有机过氧化物敏化剂高毒剂水反应材料公共了解权(SAPA标题第三部分311—312)火突然释放压力反应性,反应度立即(激烈的):延时(长期的):4、紧急突发情况及其急救措施眼睛:用流动清水冲洗。
摄入:给予饮水(如果病人神志清醒的话)。
就医。
吸入:转移至空气新鲜处。
休息保暖。
皮肤:脱去被污染的衣服。
用水和肥皂冲洗。
5、燃烧、爆炸危险数据闪点(℃):不适用自燃温度(℃):不适用爆炸极限:不适用下限:不适用上限:不适用灭火器(灭火物质):CO2:干粉:泡沫:喷雾:√水:√危险燃烧产物:火灾产生的有毒烟雾。
灭火方法:用水幕/水雾, 冷却周围设施。
少数情况下的火灾、爆炸和危险情况:火灾产生的有毒烟雾。
6、产品意外泄漏的措施(产品)溢出措施:污染物。
防止灰尘。
扫或铲到安全的地点。
7、操作和贮藏操作:在操作过程中,配戴呼吸器,手套,护目镜和其它设备以保证员工的舒适和安全。
三聚磷酸钠简介三聚磷酸钠(Sodium Tripolyphosphate,STPP),化学式为Na5P3O10,是一种无机化合物。
它广泛用于工业生产中作为一种重要的添加剂,具有许多重要的应用领域。
在本文档中,我们将深入了解三聚磷酸钠的化学性质、工业用途和环境影响等方面。
化学性质分子结构三聚磷酸钠分子结构由5个磷酸基团(PO4)和一个钠离子(Na+)组成。
磷酸基团通过共享氧原子连接在一起,形成一个环状的结构,钠离子嵌入在这个环状结构的中心。
这种结构使得三聚磷酸钠具有一定的稳定性和可溶性。
物理性质三聚磷酸钠是一种无色结晶,无臭,易溶于水。
它的分子量为367.86 g/mol,密度为2.52 g/cm³。
三聚磷酸钠的熔点约为622℃,在加热至高温时会分解。
化学性质三聚磷酸钠是一种碱性化合物,具有强螯合能力。
它可以与金属离子形成络合物,从而起到稳定和增强金属离子的作用。
另外,三聚磷酸钠也具有良好的缓冲能力,在酸性或碱性环境中能够维持溶液的稳定性。
工业应用清洁剂三聚磷酸钠被广泛用作清洁剂中的主要成分之一。
由于其优异的去垢和分散能力,它可以有效地去除硬水中的钙和镁离子,防止管道和设备的堵塞。
此外,三聚磷酸钠还可以去除油污和污渍,用于清洗餐具、洗衣剂、洗手液等清洁产品。
水处理剂由于三聚磷酸钠能够与金属离子形成络合物,在水处理中被广泛应用。
它可以稳定金属离子,并抑制其与其他化学物质发生反应。
这使得三聚磷酸钠成为一种重要的阻垢剂和缓蚀剂,在工业生产中用于管道、锅炉和冷却塔等设备的水处理。
食品添加剂三聚磷酸钠在食品工业中被用作食品添加剂,主要用于肉类加工和海产品的保鲜。
它可以提高食品的保水性和吸水性,延长食品的寿命。
同时,三聚磷酸钠还可以作为乳化剂和螯合剂,改善食品的质地和口感。
环境影响生态影响由于三聚磷酸钠的稳定性较高,它在自然环境中不容易降解,对水体生态系统可能产生负面影响。
如果大量的三聚磷酸钠被释放到水体中,会导致水体富营养化,引起藻类过度繁殖,破坏水体生物多样性。
化学品安全技术说明书第1部分化学品及企业标识化学品中文名:三聚磷酸钠化学品英文名:Sodium tripolyphosphate企业名称:此处填写贵公司名称企业地址:此处填写贵公司地址传真:此处填写贵公司传真联系电话:此处填写贵公司电话企业应急电话:此处填写贵公司应急电话产品推荐及限制用途:For industry use only.。
第2部分危险性概述紧急情况概述:无资料GHS危险性类别:无危害分类标签要素:象形图:无危险图标警示词:无警示词。
危险性说明:无防范说明:•预防措施:•无•事故响应:•无•安全储存:•无•废弃处置:•无物理和化学危险:无资料健康危害:无资料环境危害:无资料第3部分成分/组成信息第4部分急救措施急救:吸入: 如果吸入,请将患者移到新鲜空气处。
皮肤接触: 脱去污染的衣着,用肥皂水和清水彻底冲洗皮肤。
如有不适感,就医。
眼晴接触: 分开眼睑,用流动清水或生理盐水冲洗。
立即就医。
食入: 漱口,禁止催吐。
立即就医。
对保护施救者的忠告:将患者转移到安全的场所。
咨询医生。
出示此化学品安全技术说明书给到现场的医生看。
对医生的特别提示:无资料。
第5部分消防措施灭火剂:用水雾、干粉、泡沫或二氧化碳灭火剂灭火。
避免使用直流水灭火,直流水可能导致可燃性液体的飞溅,使火势扩散。
特别危险性:无资料。
灭火注意事项及防护措施:消防人员须佩戴携气式呼吸器,穿全身消防服,在上风向灭火。
尽可能将容器从火场移至空旷处。
处在火场中的容器若已变色或从安全泄压装置中发出声音,必须马上撤离。
隔离事故现场,禁止无关人员进入。
收容和处理消防水,防止污染环境。
第6部分泄露应急处理作业人员防护措施、防护装备和应急处置程序:建议应急处理人员戴携气式呼吸器,穿防静电服,戴橡胶耐油手套。
禁止接触或跨越泄漏物。
作业时使用的所有设备应接地。
尽可能切断泄漏源。
消除所有点火源。
根据液体流动、蒸汽或粉尘扩散的影响区域划定警戒区,无关人员从侧风、上风向撤离至安全区。
产品介绍一简介1.名称:三磷聚酸钠2.分子式:Na5P3O103.分子量:367.864.物理特性:表面密度:0.35-0.9g / cm3,熔点622℃5.化学特性:溶解性易溶于水,其水溶液呈碱性。
6.规格:工业级96,90;食品级 857.外观:白色颗粒或粉状二明细 Detail1.图片 Picture2.用途:用于肉类加工处理、合成洗涤剂配方、纺织品染色,也用作分散剂、助溶剂等。
三、表格名称三磷聚酸钠分子式Na5P3O10分子量367.86规格工业级96%,工业级,90;食品级 85%CAS 码EINECS号包装25Kg、50Kg内塑外编袋装;客户要求装箱量否是否危险品监管条件无HS 编码工业级 2835.3190;食品级2835.3110起运港天津或青岛目标市场美国是否加托盘IntroductionName: Sodium TripolyphosphateMolecular formula: Na 5P 3O 10Molecular weight: 367.86Physical Property: surface density: 0.35-0.9g/cm3, melting 622 degrees CelsiusChemical properties: Solubility soluble in water, the water is alkaline solution.Specification: industrial-class 96, 90, Food-grade 85 Appearance: A white or powderDetails: 1. Picture2. Usage: For meat processing, textiles, dyeing, synthetic detergent formulation, also used as dispersant, helping solvent etc. NameSodium Tripolyphosphate molecularformulaNa 5P 3O 10molecular weight 367.86CAS codeEINECS codeSpecification Industrial Grade 90% ,Food-grade 85%Package 25 kg, 50kg (inside) plastic(outside) woven bag,according to therequirements of customers Loading 18MT/20FCLNoHazardouschemicalsNoSupervisionconditionHS code Industrial grade 2835.3190food-grade 2835.3110 Port of loading Tianjin or QingdaoTarget market USAPallet or not。