空气耗气量计算书
- 格式:xls
- 大小:39.50 KB
- 文档页数:2
脉冲式布袋除尘器原理和用到空压机的耗气量计算脉冲式布袋除尘器原理是什么?为什么要用到空压机?配额空压机如何选择?配套空压机气量怎么计算?脉冲式布袋除尘器是利用高压电产生静电吸力和布袋本身的阻力,将烟气当中的灰尘粒子吸附到布袋内部,再通过布袋的褶皱展开时产生的震动力,将收集到的颗粒粉尘通过重力作用掉落到料斗中,这样就将灰尘去除掉了。
就是人们常说的螺杆空压机对布袋除尘器提供反吹用空气源,实现设备的脉冲反吹功能,确保设备正常运行。
空气压缩机提供的压缩空气能帮助布袋除尘器完成青灰,一般要求需要6公斤以上的压力,无水无油!管道内的灰尘主要是由于沉降产生的,可能是由于管道设计不合理,设计风速过低导致!当然也可能是进入了本不该进入的异物!根据单位时间内的耗气量及清灰压力要求确定。
如确定了脉冲阀的耗气量及清灰最小间隔时间这两个值就好办。
一般来说,脉冲布袋除尘器配套空压机的耗气量=单次清灰耗气量*单位时间内清灰次数。
压力一般选择为0.8兆帕即可。
脉冲式布袋除尘器关于空压机气量的选择,请仔细阅读以下方面:布袋除尘器压缩空气消耗量计算方法,脉冲阀消耗量+提升阀消耗量(按照工作机制,取用气值),压缩空气消耗量用于提交给业主对空压机系统进行选型。
提升阀消耗量在“在线清灰”下很小,本帖不进行计算讨论;主要压缩空气消耗量是电磁脉冲阀清灰用气,见到最多的计算公式:耗气量L=1.5*n*Q/T (其中1.5是裕量、n是单台除尘器脉冲阀设计总数量、Q是单只阀单次喷吹气量、T是喷吹周期)首先Q 每个脉冲阀制造厂家的数据都不一样,论坛有见过说3寸淹没式单阀单次喷吹气量250-300升(没注明喷吹压力、膜片开启时间),厂家样品册标注:3寸淹没式阀0.3-0.35MPa喷吹压力下,喷吹时间0.1ms,单阀单次喷吹气量450升,甚至同等条件下达到480升的(气包设计的足够的情况);其次T-喷吹周期有的资料是直接写了除尘器入口粉尘浓度达到多少就按照多少min来估算,有的书本则写的是依据除尘器阻力值反算喷吹周期T,反算的情况下,阻力分为干净滤袋和除尘器结构阻力,基本算是个定值(有的建议取125Pa左右,有的是300多Pa);另一部分阻力就是吸附在滤袋表面的粉尘阻力,计算公式比较单一,但是参数取值几乎没有任何出处,P阻力值=粉尘比阻力系数*过滤速度*过滤速度*烟气粉尘浓度*周期,此周期我认为则可作为脉冲阀喷吹周期T,系统压差达到1200Pa进行喷吹清灰,反算的周期T 即作为脉冲阀喷吹周期来计算电磁脉冲阀耗气量L。
想要计算燃气锅炉耗气量,就离不开燃气的低位热值和锅炉的热效率值,因为各地区天然气供气的品质不同,燃气锅炉的质量不同,混合空气量有所不同,燃气的低位热值也不一样。
所以,燃气锅炉的耗气量计算应该明确燃气锅炉的热效率值,锅炉热效率值高,其耗气量就会降低,反之亦然。
大家都知道,锅炉热功率单位为“MW”,相当于1t/h,所以,现以10t/h 伟焱燃气锅炉为例,即10X=7MW,若天然气热值为35170kJ/m, 按热值计算如下:
7MW=7X 10J/s=7 X 3600X 10kJ/h
1h所需天然气=7X 36X 10/35170=716m³
此公式计算出的是在燃气锅炉的热效率在100%的情况下的耗气量数据,但因实际应用中用气量要更高一些,所以,在计算燃气锅炉耗气量的时候应该充分考虑天然气热值、锅炉效率,这样计算出来的数值才能够符合实际情况。
目录一、前言 (2)二、设计任务 (2)三、总体方案计 (3)四、机械系统设计 (4)Ⅰ、进退刀缸设计计算 (4)Ⅱ、夹紧缸设计计算: (7)Ⅲ、抓料缸设计计算: (9)Ⅳ、送料缸设计计算: (8)五、控制系统组成 (14)六、设计小结 (17)七、参考文献 (18)一、前言气动技术是实现工业自动化的重要手段。
气压传动的介质来自于空气,对环境污染小,工程容易实现,所以气压传动是一种易于推广普及的自动化应用技术。
气动技术应用于机械、化工、电子、电气、纺织、食品、包装、印刷、轻工、汽车等多个行业,尤其在各种自动化生产装备和生产线中得到了广泛的应用,极大地提高了制造业的生产效率和产品质量。
气动系统的应用,引起了世界各国产业界的普遍重视,气动行业已成为工业国家发展速度最快的行业之一。
可编程控制技器(PLC)是以微处理器为基础,综合计算机技术、自动控制技术和通信技术发展起来的一种新型、通用的自动控制装置,他具有机构简单、易于编程、性能优越、可靠性高、灵活通用和使用方便等一系列优点,近年来在工业生产过程的自动控制中得到了越来越广泛的应用。
二、设计目的和任务通过课程设计培养学生综合运用所学知识的能力,提高分析和解决问题能的一个重要环节,专业课程设计是建立在专业基础课和专业方向课的基础的,是学生根据所学课程进行的工程基本训练,课程设计的目的在于:1、综合运用气压传动与控制课程和其它先修课程的知识,分析和解决气压系统设计的问题,进一步巩固、加深和拓宽所学的知识。
2、通过设计实践,逐步树立正确的设计思想,增强创新意识,理论联系实际,培养学生分析问题,解决问题的能力。
3、加强对设计方案分析选择、设计计算、元件结构设计、工艺设计、机械制图、运用标准和规范手册等有关设计资料的技术训练,为毕业设计及以后工作打好基础。
4、树立正确的设计思想及严肃认真的工作作风。
设计要求:该机械手的功能是,先将棒料放在有滚轮的导轨上,然后进行机械手抓紧、送料、夹紧、进刀、退刀等动作;要求每一分钟落料3个工件;气源压力0.8Mpa。
说明:DMC252脉冲布袋除尘器按YQM气箱脉冲袋式除尘器结构原理进行非标设计,操作使用按YQM系列气箱脉冲袋式除尘器操作使用说明。
一、概述YQM系列气箱脉冲袋式除尘器是我公司在引进美国富乐(Fuller)公司技术基础上,吸收德国同类产品的技术优点,结合我国实情研制开发的高效袋式除尘设备。
它集分室反吹和喷吹脉冲袋式除尘器的优点为一体,克服了分室反吹的清灰动能不足,喷吹脉冲的清灰与过滤同时进行的缺陷,扩大了袋式除尘设备的应用范围。
YQM系列气箱脉冲袋式除尘器正以其卓越的性能服务于铸造、冶金、机械、电力、建材、矿山、水泥、化工等各行各业,为清除粉尘污染,维护企业形象,保护环境正日益发挥其独特的作用。
二、产品特点:1、适应高浓度除尘。
如O-Sepa选粉机,其粉磨系统气体含尘浓度高达1000g/Nm3,YQM型气箱脉冲袋式除尘器可直接进行处理,无需设置如旋风除尘器等一级除尘设备。
2、采用离线清灰技术进行分室反吹脉冲清灰,既避免了在线式清灰产生的粉尘二次飞扬“再吸附”现象,又不影响设备运行工况的正常连续运行,提高了清灰效果,延长了滤袋使用寿命。
3、采用“滤袋自锁密封装置”专有技术,提高了花板与滤袋间的密封性,提高了除尘效率。
4、设备采用气箱式结构,降低了设备的局部阻损,并免除了安装滤袋不方便等问题。
5、采用双膜片结构电磁脉冲阀,具有控制灵敏,效率高,寿命长等优点。
三、设备结构:YQM型气箱脉冲袋式除尘器主要由底部钢结构、灰斗、中箱体、上箱体、进出风口、滤袋、笼骨、清灰装置、电气控制等几部分组成。
另外还可根据实际情况在灰斗外壁配置仓壁振动器、灰斗落料口配置星形卸灰阀或螺旋输送机等卸灰装置。
设备结构如下图:1.卸灰阀2.支架3.灰斗4.箱体5.滤袋6.袋笼7.清洁室 8.顶盖 9.储气罐 10.气缸提升阀 11.电磁脉冲阀12.气箱 13.喷管 14.净化气体出口 15.含尘气体进口四、工作原理:1、过滤原理:含尘气体由进风口进入,经过灰斗时,气体中部分大颗粒粉尘受惯性力和重力作用被分离出来,直接落入灰斗底部。
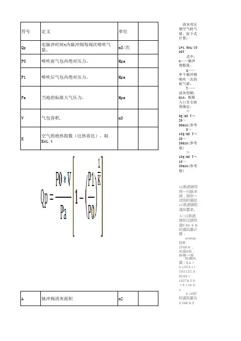
符号定义单位 清灰用压缩空气耗气量,按下式计算:Qp 电脉冲时间t内脉冲阀每阀次喷吹气量,m3/次L=1.5nq/1000TP0喷吹前气包内绝对压力,Mpa 式中:n——脉冲阀数量,P1喷吹后气包内绝对压力,Mpa q——单个脉冲阀喷吹一次的耗气量,Pa当地的标准大气压力,Mpa T——清灰周期,min;根据入口含尘浓度确定:V气包容积,m3 <5g/m3 T≈25~30min(参考K 空气的绝热指数(比热容比),取K=1.4 5~10g/m3 T≈20~25min(参考值) >10g/m3 T≈10~20min(参考值)12条滤袋同用一只脉冲阀,喷吹一次同时满足12条滤袋的清灰要求。
(1) 12条滤袋在过滤风速0.9m/min时通风量计算:滤袋直径Ф130mm,长度6米,数量12条。
处理风量:QA=0.13X3.14X6X12X.0.9X60=1587m3/h=0.44m3/sA脉冲阀清灰面积m20.15秒时通风量为0.066 m3(2) 不同口径脉冲阀耗气量计算计算公式:QB =CvFg(AS CO 公司提供) 式中: QB -喷吹耗气量ft3/h Cv -流量系数 Fg -脉冲阀在一定压力下的流量ft3/h A :2 1/2″脉冲阀耗气量 查表:Cv =106 0.3pMPa 时,Fg =1800ft3/h (1英尺3=28.32升 QB1=CvFg =106X1800=190800ft3/h =5403m3/h =1.5m3/s 脉冲宽度0.15秒时耗气量0.23m3″ 引射气流量(3倍)0。
23X3=0.69M3 总喷吹量:Q2 1/2″=0.23+0.69=0.91(m3) B :1 1/2″脉冲阀耗气量(压缩空气压力0.3pMPa )查表:Cv =51A=nf=4000*60*Qp/3V ≈80000Qp/V0.3pMPa 时,Fg=1800ft3/h (1英尺3=28.32升)QB2=CvFg=51X1800=91800ft3/h =2600m3/h =0.72m3/s脉冲宽度0.15秒时耗气量0.11m3引射气流量(3倍)0.11X3=0. 33M3总喷吹量:Q11/2″=0.11+0.33=0.44(m3)(3) 脉冲阀规格确定由上述计算:滤袋处理风量QA=0.066m3/0.15S21/2″脉冲阀喷吹量Q21/2″=0.9m3/0.15S11/2″脉冲阀喷吹量Q11/2″=0.44m3/0.15S脉冲阀喷量应为滤袋处理风量2-3倍,才可满足清灰强度的要求。
气缸用气量计算怎样计算气缸的耗气量,谢谢!!!Qmax=0.047D*D*s(P+0.1)/0.1*1/t Qmax---最大耗气量L/min D--------缸经,cmt---------气缸一次往返所需的时间,sP-------工作压力,MPat---------气缸一次往返所需的时间,s 若是电磁阀控制,这个t 怎么确定呀?可以计算平均耗气量Q=0.00157ND*D*s(P+0.1)/0.1Q---平均耗气量L/min D--------缸经,cmN--------气缸每分钟的往返次数 P-------工作压力,MPa是不是还应该与实际行程或活塞的平均速度有关系呀。
气动系统的设计一.工作方式设计1.运动一的工作顺序图(单个工作周期为19秒)2.运动二的工作顺序图(单个工作周期为42秒)3. 运动三的工作顺序图(单个工作周期为53.5秒)〈下一页〉二.执行元件选择1、执行元件耗气量计算:查《机械设计手册》第5分册,可知伸缩型气缸的耗气量:有活塞杆腔时,无活塞杆腔时,3式中:q v1——缸前进时(杆伸出)无杆腔(包括柱塞缸)压缩空气消耗量(m /s) ;q v2——缸后退时(杆缩回)有杆腔压缩空气消耗量(m 3/s) ; D ——气缸内径(柱塞缸的柱塞直径)(m ) d ——活塞杆直径 (m )t 1——气缸前进(杆伸出)时完成全行程所需时间 (s )t 2——气缸后退(杆缩回)时完成全行程所需时间 (s ) s ——缸的行程 (m )查SMC 培训教材《现代实用气动技术》,可知摆动气缸的耗气量:式中:q rH ——摆动气缸的最大耗气量;(L /min ) V ——摆动气缸的内部容积;(cm )3P ——使用压力,(MPa ) t ——摆动时间,(s ) ① 夹紧气缸:已知气缸内径D =0.040(m ) ,行程s =0.04(m ) ,全行程所需的时间t 1=0.5(s ) 那么该气缸的耗气量:② 伸缩气缸:已知气缸内径D =0.032(m ) ,活塞杆直径d =0.012(m ) ,行程s =0.5(m ) ,全行程所需的时间t 2=2(s )那么该气缸的耗气量:③ 手腕回转气缸:已知气缸体积V =94.25(cm ) ,使用压力P =0.5(MPa ) ,摆动时间t =0.5(s )3那么该气缸的耗气量:④ 手臂升降气缸:已知气缸内径D =0.05(m ) ,活塞杆直径d =0.02(m ) ,行程s =0.3(m ) ,全行程所需的时间t 2=1.5(s )那么该气缸的耗气量:⑤ 摆动气缸:已知气缸体积V =1300(cm ) ,使用压力p =0.5(MPa ) ,摆动时间t =2(s )3那么该气缸的耗气量:则,各执行元件的类型与主要尺寸参数如下表3-1表3-1 各执行元件类型及尺寸参数〈上一页〉〈下一页〉三.控制元件选择1. 类型初定根据气动回路系统对控制元件的流量要求、工作压力、工作环境及工作可靠性,结合气动回路原理图,初选各控制阀如下:主控电磁换向阀:全部选用SMC 的VFS 系列,通径待定;单向节流阀:全部选用SMC 的AS 系列,通径待定。
缸径直径
D=80mm =8cm 最大速度
V max =300mm/s 使用压力
P=0.6Mpa 最大耗气量Q=622.70208L/min
负载需要压力
P 2=0.5Mpa =5bar 压力降
△P=0.1Mpa =1bar 流通能力
Cv=0.6892077有效流通面积S=12.405738mm 2
Kv=0.5905807缸径直径
D=100mm =10cm 气缸工作频度
N=60周/min 气缸的行程
L=100mm =10cm 配管的内径
d=10mm =1cm 配管的长度
L d =60mm =6cm 使用压力
P=0.6Mpa 平均耗气量Qca=665.2517换向阀与气缸之间的配管的内径平均耗气量用于选用空压机、计算运转成本。
最大耗气量用于选定空气处理原件、控制
阀及配管尺寸等。
最大耗气量与平均耗气量之差用于选定气罐的容积。
L/min(ANR
耗气量计算及电磁阀选择
★:查看样册电磁阀的(C V 值或流通面积≥(计算后的C V 值或流通面积选择相应的电磁阀
Cv=1.167Kv
最大耗气量计算
Cv值计算
(每分钟内气缸的往复周数,一个往复为一周平均耗气量计算
一般情况P为通过电磁阀的进口端压力,P 2为出口端压力,△P=P-P 2(压力差积选择相应的电磁阀。
DMC系列袋式除尘器操作使用说明书一.工作原理含尘气体由进气口进入灰斗没有灰斗的将直接进入袋式,然后经由灰斗进入装有滤袋的过滤室;粉尘附在滤袋的外表面,净化后的气体油滤袋进入上部箱体,再经排风管道,有风机排到大气当中去;随着滤袋上灰尘的增厚,除尘器的阻力不断上升,当上升到一定程度时,为了保证除尘器继续工作,需要进行清灰;除尘器的滤袋按直线排列,每排滤袋配置一个脉冲阀来控制压缩空气脉冲清灰,脉冲阀的动作是由程序控制器控制的;清灰时,清灰控制器发出指令,使脉冲阀在动作瞬间释放出压力为—的压缩空气;压缩空气通过喷吹管上正对滤袋的小孔以高速冲入滤袋,在其冲入滤袋内部的同时,又诱生一股数倍于压缩空气的二次气流,于是产生一种瞬时冲击波并沿整个过滤的长度方向向下传播;利用这一机理,使聚集在滤袋外面的粉尘从滤袋上剥落;脉冲的宽度和间隔可以调整,以适合各种不同粉尘的各种特性; 二.基本的结构形式DMC系列喷冲脉冲单机袋式除尘器主要由上下箱体、袋室、检修门、风机、气包、喷吹系统、灰斗支腿等部分组成;结构特点:可多侧开门,检修更换滤袋方便,不受空间位置限制;滤袋材质为涤纶针刺毡;如遇高温时,滤袋材质为玻纤针刺毡或其他适合的材质;对有特殊要求的场合,也可采用复合滤料;三.喷吹系统组成及工作原理喷吹系统由脉冲控制仪、电磁脉冲阀、喷吹管、气包等组成;电磁脉冲阀的输入端与气包金属管连接,其输出管与喷吹管相接;当脉冲控制仪发出信号时,对应的电磁脉冲阀开启,压缩空气有输出口喷入喷吹管;脉冲控制仪动作信号消失,电磁脉冲阀关闭;电磁脉冲阀由开启到关闭形成一次气流,造成滤袋内瞬时正压冲击,实现清灰;脉冲袋式除尘器清灰使用的压缩空气必须经过严格的除油除水净化处理;否则,不仅影响电磁阀正常工作,而且使油、水与粉尘粘结在滤袋上,缩短滤袋寿命,影响除尘效率;因此,要求在压缩空气入口处设置油水净化设备;脉冲袋式除尘器的供气管网中尽量不要接入其它大用量用气点,以保证气压气量的稳定;如确需接入,应仔细核算供气量是否足够;清灰用压缩空气耗气量可按下式计算:Q=na·g/Tm3/min式中:Q—每台脉冲袋式除尘器耗气量m3/minn—电磁阀脉冲阀数量个T—清灰喷吹周期ming—每个电磁脉冲阀喷吹时耗气量m3a—附加系数包括管漏气四.规格性能以及选用1.型号规格的表示方法D MC 24 AB安装形式滤袋数量24条脉冲除尘器单机每种规格分为不同的安装形式:不带灰斗型B型和带灰斗型A型,灰斗的支腿高度可依据工艺或用户需要调整;风机可0°、90°、180°、225°,根据需要选择;2.滤料和过滤风速本除尘器采用广泛使用的涤纶针刺毡滤袋,适用温度在120℃以下;过滤风速是指气体通过滤袋的速度,可按下列公式计算:V=L/F60式中:V—过滤风速m/minL—处理气体量m3/hF—滤袋有效面积㎡过滤风速是评价除尘性能的重要指标,它与含尘浓度、粉尘的性质、滤料及清灰方式喷吹压力有关;3.其它部件:①文氏管:是清灰系统诱导二次风、加强压力波的主要部件,采用铝合金铸成或钢板一次冲压成型,具有一定的机械强度,如有防腐要求则采取相应的措施;②框架龙骨:能支撑滤袋在负压状态下仍保持有效的过滤面积;有笼型及弹簧两种,笼形骨架比较挺拔,上抽方便;弹簧框架表面光洁、重量轻,相对笼性框架而言不需要那么大的空间;两种框架各有特点,按使用情况选用; 五.安装1.对于不带灰斗型B型DMC系列喷吹脉冲单机袋式除尘器,在本厂组装好后,发运至现场,对于带灰斗型A型,灰斗和支腿现场安装,其中灰斗上的进风管可根据现场实际情况按要求在灰斗上开孔按装;2.不带灰斗型B型的DMC系列喷吹脉冲单机袋式除尘器安装时,为了安装和维修方便,必须在箱体下部除尘器的安装底座上加设格栅网可用扁钢组成,网格100×100;3.安装前应对除尘器各部件进行全面检查,检查零部件是否完好无损,如发现缺少、损坏或变形,要修整补齐方可安装 ;4.除尘器的安装基础应在同一水平线上,如不平可用薄钢板校平,以防除尘器变形;5.整个除尘器组应经全面检查确无问题,并经过时运行后,方可投入系统使用;6.除尘器投入系统使用时,应根据实际工况,确实清灰脉冲宽度、间隔和周期,并检查除尘器阻力损失和排灰情况,测定除尘器效率;7.除尘器管道及附属设备,应认真涂刷油漆,做好防腐处理;六.检修与维护1.除尘器投入运行后,应有专人管理维修,熟悉除尘器的工作原理及技术性能,掌握调整及维修方法,建立运行记录;2.对清灰程序控制器和风机要经常检查,以保证其正常运行,对于压缩空气不管是单独供气还是集中供气,必须保证—的压力,否则影响清灰效果; 3.如果发现排风管冒烟,必须马上停机,打开检查门检查滤袋是否有破损现象,滤袋袖口是否没有卡紧,以防漏风,影响除尘器使用;4.压缩空气的油水分离器、过滤器和气包应每班排污一至二次;5.压缩控制仪和电磁脉冲阀应有专人巡视,每班不少于两次,检查其喷吹是否正常,如有故障应立即排出;6.各类橡胶密封件应定期更换;7.每隔6个月应检查滤袋完好状况;8.运转部位定期进行检查与更换润滑油;2010/9/3。
缸径直径D=63mm = 6.3cm 最大速度
V max =420mm/s 使用压力
P=0.5Mpa 最大耗气量
Q=463.6271455L/min 流通能力
Cv=0.471165798L/min 有效流通面
积S=8.480984369mm 2缸径直径
D=100mm =10cm 气缸工作频
度
N=60周/min 气缸的行程
L=100mm =10cm 配管的内径
d=10mm =1cm 配管的长度
L d =60mm =6cm 使用压力
P=0.6Mpa 平均耗气量Qca=665.251704平均耗气量用于选用空压机、计算运转成本。
最大耗气量用于选定空气处理原件、控制阀及配管尺寸等。
最大
耗气量与平均耗气量之差用于选定气罐的容积。
换向阀与气缸之间的配管的内径
L/min(ANR)Q=984Cv
平均耗气量计算
(每分钟内气缸的往复周数,一个往复为一周)★:查看样册电磁阀的(C V 值或流通面积)≥(计算后的C V 值或流通面积)选择相应的电磁阀
耗气量计算及电磁阀选择
最大耗气量计算(自由空气)。
制氮机耗气量计算公式制氮机耗气量的计算可是个挺重要的事儿,咱今儿就好好说道说道。
先说制氮机啊,这玩意儿在好多工业领域那可是大显身手,像化工啦、电子啦、食品加工啦等等。
那为啥要算它的耗气量呢?很简单,这关系到成本啊!要是不清楚耗气量,稀里糊涂地用,那到月底一看账单,估计得吓一跳。
咱先得搞清楚制氮机的工作原理。
它一般是通过压缩空气,然后利用分子筛把氮气和氧气啥的分离开来。
这过程中,空气的量和氮气的产出量之间就有个关系,而耗气量的计算就是要把这个关系搞明白。
那这计算公式到底咋来的呢?其实就是根据一些基本的物理和化学原理推导出来的。
比如说,咱得知道空气里氮气、氧气等各种气体的比例,还得考虑制氮机的工作效率、压力啥的。
举个例子吧,我之前在一家化工厂工作,厂里新上了一套制氮设备。
刚开始的时候,因为没算好耗气量,那机器一会儿开一会儿停的,生产都受影响了。
后来我们几个技术人员就一起琢磨,查资料、做实验,一点点把这个耗气量的计算方法给整明白了。
就拿常见的 PSA 制氮机来说,耗气量的计算公式大概是这样:耗气量 = 氮气产量 / 氮气纯度 ×(1 - 氮气纯度)×吸附周期时间 ×修正系数。
这里面每个参数都有讲究,氮气产量就是咱想要得到的氮气的量,氮气纯度就是氮气的纯净程度,吸附周期时间是分子筛吸附和解吸的一个循环时间,修正系数呢则是考虑一些实际情况的影响。
比如说,咱们想要每小时产出 100 立方米纯度为 99.9%的氮气,吸附周期时间是 60 秒,修正系数假设是 1.2。
那算下来,耗气量就是 100 / 0.999 ×(1 - 0.999)× 60 × 1.2 = 720 立方米/小时。
不过要注意哦,这只是个大概的计算,实际情况中还会受到很多因素的影响。
比如说,设备的老化、环境温度和湿度的变化等等。
所以啊,算出来的结果只能作为一个参考,还得根据实际运行情况不断调整和优化。
粉煤灰输送耗气量计算公式在工业生产中,粉煤灰是一种常见的固体颗粒物料,其输送过程需要消耗大量的气体。
因此,对于粉煤灰输送耗气量的计算是非常重要的。
本文将介绍粉煤灰输送耗气量的计算公式,并对其进行详细的解释和应用。
粉煤灰输送耗气量计算公式如下:Q = (1 + ε) ρ v。
其中,Q为粉煤灰输送耗气量,单位为m3/h;ε为压缩空气耗量系数,一般取0.6~0.8;ρ为粉煤灰的密度,单位为kg/m3;v为粉煤灰的输送速度,单位为m/s。
在使用该公式进行计算时,需要首先确定粉煤灰的密度和输送速度,然后根据实际情况选择合适的压缩空气耗量系数。
接下来,我们将对公式中的各个参数进行详细的解释和应用。
首先,粉煤灰的密度ρ是指单位体积内的质量,通常以kg/m3为单位。
在实际应用中,粉煤灰的密度可以通过实验测定或参考已有的数据进行确定。
在进行计算时,需要确保所使用的密度数据与实际情况相符,以保证计算结果的准确性。
其次,粉煤灰的输送速度v是指单位时间内粉煤灰通过输送管道的速度,通常以m/s为单位。
输送速度的选择应考虑到粉煤灰的物理特性、输送距离和输送管道的直径等因素。
在实际应用中,需要根据具体情况进行合理的选择,并进行必要的调整和优化。
最后,压缩空气耗量系数ε是指在粉煤灰输送过程中所需的压缩空气与粉煤灰质量之比。
该系数的选择取决于输送系统的设计和运行参数等因素。
一般来说,压缩空气耗量系数的取值范围为0.6~0.8,可以根据实际情况进行调整。
在实际应用中,粉煤灰输送耗气量的计算可以通过以下步骤进行:1. 确定粉煤灰的密度ρ和输送速度v;2. 选择合适的压缩空气耗量系数ε;3. 将以上参数代入公式Q = (1 + ε) ρ v中进行计算。
通过以上计算,可以得到粉煤灰输送过程中所需的压缩空气量。
这对于输送系统的设计和运行具有重要的指导意义,可以帮助优化系统结构、提高运行效率,并节约能源和成本。
总之,粉煤灰输送耗气量的计算公式为Q = (1 + ε) ρ v,通过对该公式中各个参数的详细解释和应用,可以帮助工程技术人员进行精确的计算和合理的选择,从而优化输送系统的设计和运行,提高生产效率,节约能源和成本。
常见吸干机耗气量计算公式吸干机是一种常见的工业设备,用于吸收空气中的水分和杂质,使空气更干燥和清洁。
在工业生产中,吸干机的耗气量是一个重要的参数,它直接影响到生产成本和设备运行效率。
因此,了解吸干机耗气量的计算公式是非常重要的。
吸干机的耗气量主要取决于以下几个因素,工作压力、空气质量要求、工作时间和环境温度。
在计算吸干机的耗气量时,需要考虑这些因素,并使用相应的公式进行计算。
首先,我们来看一下吸干机的工作原理。
吸干机通过压缩空气,将空气中的水分和杂质吸收到干燥剂中,然后将干净的空气排出。
在这个过程中,吸干机需要消耗一定量的压缩空气,这就是耗气量。
吸干机的耗气量计算公式如下:V = Q / (P1 P2) (T1 + 273) / 273 (P2 + 1) / (T2 + 273)。
其中,V表示吸干机的耗气量,单位为标准立方米每分钟(Nm3/min);Q表示吸干机的排气量,单位为立方米每分钟(m3/min);P1表示吸干机的进气压力,单位为兆帕(MPa);P2表示吸干机的排气压力,单位为兆帕(MPa);T1表示吸干机的进气温度,单位为摄氏度(℃);T2表示吸干机的排气温度,单位为摄氏度(℃)。
在实际应用中,通常可以通过以下步骤来计算吸干机的耗气量:1. 确定吸干机的排气量Q。
通常情况下,吸干机的排气量可以通过设备参数或者实际测量得到。
2. 确定吸干机的进气压力P1和排气压力P2。
进气压力和排气压力是影响吸干机耗气量的重要因素,需要根据实际情况进行测量或者查阅设备参数。
3. 确定吸干机的进气温度T1和排气温度T2。
进气温度和排气温度也会影响吸干机的耗气量,需要根据实际情况进行测量或者估算。
4. 根据以上参数,使用上述公式计算吸干机的耗气量V。
通过以上步骤,可以比较准确地计算出吸干机的耗气量。
在实际应用中,还需要考虑到吸干机的工作效率、运行时间等因素,以更准确地评估吸干机的性能和耗气量。
除了上述公式,还有一些简化的计算方法可以用于估算吸干机的耗气量。
气缸的耗气量可以分成最大耗气量和平均耗气量。
最大耗气量是气缸以最大速度运动时所需要的空气浏览,可以表示成:qr=0.0462D^2*um(P+0.102)例如缸径D为10cm,最大速度为300mm/s,使用压力为0.6Mpa,则气缸的最大耗气量qr=0.046*10^2*300*(0.6+0.102)=968.76(L/min),因此选用cv值为1.0或有效截面积为18mm左右的电磁阀即可满足流量要求。
若气缸的使用压力为0.5Mpa,最大速度为200mm/s,则气缸的最大耗气量为qr=553.84。
如果缸径D为50cm,最大速度为300mm/s,使用压力为0.6Mpa,则气缸的最大耗气量为qr=242.19,因此选用cv值选用0.3左右的即可。
平均耗气量是气缸在气动系统的一个工作循环周期内所消耗的空气流量。
可以表示成:qca=0.00157(D^2*L+d^2*ld)N(p+0.102)上式中,qca:气缸的平均耗气量,L/min(ANR);N:气缸的工作频率,即每分钟内气缸的往复周数,一个往复为一周,周/min;L:气缸的行程,cm;d:换向阀与气缸之间的配管的内径;cmld:配管的长度,cm。
例如,缸径D为100mm(10cm)、行程L为100mm(10cm)的气缸,动作频率N为60周/min,d=10mm(1cm),ld=60mm(6cm),qca=0.00157(D^2*L+d^2*ld)N(p+0.102)=0.00157*(10^2*10+1^2*6))*60*(0.6+0.102)=66.5251704L/min(ANR).平均耗气量用于选用空压机、计算运转成本。
最大耗气量用于选定空气处理原件、控制阀及配管尺寸等。
最大耗气量与平均耗气量之差用于选定气罐的容积。
三坐标测量机用耗气量计算三坐标测量机是现代工厂中必不可少的高精度测量设备,其所需耗气量是其正常运作不可缺少的因素之一。
本文将从以下几个方面详细介绍三坐标测量机耗气量的计算方法及相关注意事项。
一、三坐标测量机耗气量计算方法1. 压缩空气系统的设计压力。
首先需要了解三坐标测量机所需的压缩空气系统的设计压力是多少,这个数据可以在设备的使用手册中查找到。
一般情况下,该值在6 ~ 10 bar之间。
2. 空气压缩机流量与压力的关系。
确定测量机所需的空气量与空气压力的关系,通常情况下可使用以下公式进行计算:Q = c x P x t其中,Q为需要的空气量,单位为m³/min;c是空气流量系数,常为0.35;P为压力,单位为bar;t为使用时间,单位为min。
例如,如果压力为8 bar,使用时间为30分钟,则所需空气量为0.84m³/min。
3. 安装管道对耗气量的影响。
三坐标测量机的气路系统中,所需气量是在机器端口到工件接口之间的气路中,但这中间的连接管道中也会有一定的空气流失,这个流失量是与管道长度,直径和管道材料等因素相关的。
因此,在计算所需气量时,也需要考虑管道本身的耗气情况。
二、三坐标测量机耗气量的注意事项1. 确保压缩空气系统的质量。
为了保证测量机正常运行,压缩空气系统必须保证其质量。
在安装前,需要对相关管道及接口进行检查,以确保无泄漏现象。
同时也需要了解设备使用手册中关于空气质量的要求,如空气过滤器的特定等级等。
2. 确保空气系统的充分通风。
为了保证正常工作的三坐标测量机的安全性,需要将其安装在通风良好的环境中。
一旦涉及有毒气体时,需要特别注意防范其对人员的危害。
3. 定期维护及保养。
三坐标测量机的使用寿命与其维护及保养的频率中息息相关。
定期检查机器的气路系统是否完好,如有损坏或磨损及时更换,同时对压缩机过滤器中的滤芯进行定期检查和清理。
总之,对于三坐标测量机的耗气量进行准确计算并保证其正常运行,是现代工厂中不可或缺的一个重要因素。
223160.20105629058.3062410260.028*******.08937663.395620.942
87.5360.029
60.1747.71
65500.16591
203.31820946450.074783
191.4208854.73909475.844710.68250325.8447
0.521721>快关阀气缸开启压力0.3MPa 0.400283>快关阀气缸开启压力0.3MPa 0.307112>快关阀气缸开启压力0.3MPa
管子内径(mm):BH518G1-7/8快关阀控制箱空气耗量计算书
一、在0.68MPa的压力下快关阀控制系统空气耗气量计算如下:1 箱外管子容积
(1)管子外径(mm): 管子壁厚(mm): 管子内径(mm): 每米管子容积(L):Vm=πd2/4X1000X10-6 设定管长(M): DN15管子总容积V15(L):(2)管子外径(mm): 管子壁厚(mm): 百叶窗和防火风闸气缸总容积V缸3 V缸3=V缸1+V缸2 每米管子容积(L):Vm=πd2/4X10-3 设定管长(M): DN6管子总容积V6(L): 箱外管子总容积V管1(L):2 百叶窗和防火风闸气缸容积
百叶窗气缸容积(L) Vq1=πd12/4Xl1X10-6 百叶窗气缸只数
百叶窗气缸总容积V缸1(L)
防火风闸气缸容积(L) Vq2=πd22/4Xl2X10-6 防火风闸气缸只数
防火风闸气缸总容积V缸2(L)
3 快关阀气缸容积
DN65气缸内径d1(mm) DN65气缸长度l1(mm)
单个DN65气缸容积(L) Vq3=πd12/4Xl1X10-6 DN65气缸只数
使用二次后空气瓶压力(Mpa):P3=(P2V1)/V2 使用三次后空气瓶压力(Mpa):P4=(P3V1)/V2
DN65气缸总容积V缸3(L)
DN32气缸内径d2(mm) DN32气缸长度l2(mm)
单个DN32气缸容积(L) Vq4=πd22/4Xl2X10-6 DN32气缸只数
DN32气缸总容积V缸4(L)
所以用0.68MPa,250升的空气瓶,在不补气、不漏气的情况下至少可以关闭39只快关阀和8只烟百叶窗和6只防火风闸共两次。
(其中DN15管子总长290米,DN6管子总长180米的情况)
总气缸容积 V缸5 V缸5=V缸3+V缸44 瓶外的容积(L):V外=V管1+V缸3+V缸55 空气瓶使用压力P1(Mpa) 设空气瓶容积V1(L)
空气瓶及管路总容积V2(L):V2=V1+V外 取气体为定量:P1V1=P2V2
使用一次后空气瓶压力(Mpa):P2=(P1V1)/V2
MPa 启压力0.3MPa 启压力0.3MPa。