耐热钢德国DIN标准
- 格式:doc
- 大小:172.00 KB
- 文档页数:6
耐热铸钢和热强铸钢标准对照表:
标准内容:
5。
3.3 耐热铸钢和热强铸钢*
(1)德国DIN标准耐热铸钢[DIN 17465—1993]
a.耐热铸钢的钢号与化学成分,见表5-64。
表5-64 耐热铸钢的钢号与化学成分(质量分数)(%)
b.耐热铸钢的室温力学性能,见表5-56。
表5—56 耐热铸钢的室温力学性能
c.耐热铸钢的高温力学性能,见表5-66。
表5—66 耐热铸钢的高温力学性能
(2)德国DIN标准铁素体热强铸钢[DIN 17245—1987]
a.铁素体热强铸钢的钢号与化学成分,见表5—67.
表5-67 铁素体热强铸钢的钢号与化学成分(质量分数)(%)
b.铁素体热强铸钢的力学性能,见表5—68。
表5—68 铁素体热强铸钢的力学性能。
德国不锈钢材料标准
德国不锈钢材料标准主要遵循德国工业标准(DIN)和国际标准(ISO)。
这些标准规定了不锈钢的化学成分、物理性能、加工工艺、测试方法以及应用领域。
以下是一些常见的德国不锈钢材料标准及其对应的国际标准。
1.DIN17400不锈钢和耐热钢的一般技术要求。
ISO15510不锈钢和耐热钢的一般技术要求。
2.DIN17440不锈钢和耐热钢的化学成分和力学性能。
ISO4955不锈钢和耐热钢的化学成分和力学性能。
3.DIN17441不锈钢和耐热钢的物理性能。
ISO9725不锈钢和耐热钢的物理性能。
4.DIN17442不锈钢和耐热钢的热处理。
ISO10042不锈钢和耐热钢的热处理。
5.DIN17443不锈钢和耐热钢的焊接。
ISO15607不锈钢和耐热钢的焊接。
6.DIN17444不锈钢和耐热钢的腐蚀试验。
ISO9227不锈钢和耐热钢的腐蚀试验。
德国不锈钢材料标准中还包括了特定牌号的不锈钢,如著名的1.4301(对应国际标准ISO5CrNi1810),这是一种广泛使用的奥氏体不锈钢,具有良好的耐腐蚀性和成型性,适用于多种工业和家庭用途。
德国不锈钢材料标准会定期更新,以反映新的研究成果和技术进步。
用户在选用不锈钢材料时,应参考最新的标准,并考虑到具体应用的要求。
德国钢铁标准DIN17100-80普通结构钢质量标准(新、选)德国钢铁标准DIN 17100-80 普通结构钢质量标准1.1 适用范围本标准适用于型钢(宽缘工字钢)、条钢、线材、扁钢〈带钢、板材、宽扁钢〉、无缝空心型材与可焊正方形和长方形空心型材、表一至表三中列出的用于热轧或常化状态交货的普通结构钢的预锻件和板坯。
1.2 按照本标准制造的钢材适用于焊接(见第8.4.2节)、铆合与螺栓连接的建筑构件。
3 定义非合金钢算作普通结构钢,这种钢主要是以其抗拉强度和屈服点作为其特征。
用于民用建筑、地下工程、桥梁结构、海洋结构、容器制造及汽车和机器制造。
提示:欧洲标准20适用于对合金钢和非合金钢进行分类。
4尺寸及尺寸允许的偏差订货时,产品的公称尺寸与尺寸的偏差必须根据可能合适的尺寸标准进行协商。
(见附后的尺寸偏差标准,如DIN1 543)5 重量本标准内所列各种钢材的比重采用7.85kg/立方dm6钢种分级6.1 本标准表一、表二中所列的钢种是按规定的质量等级(见第7节)供货的。
第三类钢同第二类钢相比,具有明显的区别,它必须满足对抗脆断敏感性较高的要求(见表二冲击韧性的试验温度)。
所以,这种钢还应具有良好的焊接性(见8.4.2节)。
要达到第三类钢抗脆断敏感性高的要求,又取决于对钢的脱氧及化学成分的特殊要求(见表一)。
6.2 表3列出的钢种,除具有表一、二列举的性能之外,还具有良好的变形性(见第8.4.3.2-8.4.3.6)。
相应的要求可以专门的字母在代号和材料号中作标志。
7钢种标志7.1 钢的代号可以从表一至三中得知。
钢号一般由字母St、钢的特性值及质量指数组成。
例如St52-3。
7.1.1 对脱氧方法在一定选择要求的钢种,其相应的标志(U或R)放在钢号的前面。
例如:USt37-2或RSt37-2.7.1.2表三列出的代号标志为具有特殊使用性能钢种的标志。
例如:QSt52-3或RRSt37-2。
7.1.3含铜钢的代号(见8.4.4.3节)和材料号如下:RSt37-2Cu3 1.0167St37-3Cd 1.0166St52-3Cd 1.0585UQSt37-2Cu3 1.0164RQSt37-2Cd 1.0170QSt52-30Cu3 1.05877.1.4 产品的交货状态如果与第8.2节不同,那么,应在标志上予以说明。
din en 10024标准DIN EN 10024是一项德国标准,关于热轧型钢材的尺寸和允许偏差。
本文将讨论该标准的主要内容,并简要介绍其适用性和意义。
DIN EN 10024是欧洲标准(EN)的一部分,在德国被采纳并成为DIN标准。
该标准适用于热轧型钢材,包括等边翼延伸的I型,H型,U型和L型。
它规定了这些型钢材的尺寸和允许偏差,以确保其质量和适用性。
DIN EN 10024标准包含了热轧型钢材的尺寸、允许偏差、及其测量方法。
标准规定了型钢材的宽度、厚度、边缘直角度和倾角度、翼部长宽、翼部厚度、中梁长宽、中梁厚度等尺寸参数。
同时,标准还规定了这些参数的允许偏差范围,以保证热轧型钢材的制造质量。
热轧型钢材在建筑、机械制造、船舶建造和桥梁建设等行业中广泛应用。
标准的制定和遵守,有助于提高热轧型钢材使用的安全性和可靠性。
通过规定尺寸和允许偏差,可以确保热轧型钢材的相互替代性,使得不同供应商生产的型钢材能够进行互换和组装。
此外,标准还有助于减少型钢材的浪费和损耗,提高生产效率和降低成本。
DIN EN 10024标准的适用范围涵盖了多种材质的热轧型钢材。
根据该标准,型钢材的尺寸和允许偏差可以根据不同的材质及其用途进行调整。
例如,标准可以根据型钢材的引用基准进行调整,包括设计基准、用途基准和加工基准等。
这保证了型钢材在特定应用中的质量和表现。
在热轧型钢材的制造和应用过程中,保持一致的尺寸和允许偏差是非常重要的。
这有助于确保型钢材的互换性和兼容性,减少生产和装配过程中的问题。
并且,标准中所规定的尺寸和偏差范围也有助于设计师和工程师进行结构计算和选择合适的型钢材。
总的来说,DIN EN 10024标准对于热轧型钢材的制造和应用起着重要的作用。
它规定了型钢材的尺寸和允许偏差范围,保证了型钢材的质量和适用性。
通过遵循标准,可以提高热轧型钢材的互换性和兼容性,降低生产成本,增加安全性。
因此,这项标准在建筑、机械制造、船舶建造和桥梁建设等领域中具有重要的地位和意义。
德国( DIN )钢铁牌事情表示方法简介1.德国(DIN)钢铁牌事情表示方法简介1.1 德国钢铁牌号表示方法概述第二次世界大战后,一道柏林墙,将德国分为东德和西德两个国家标准代号分别为 TGL和DIN。
由于 TGL 标准中钢铁牌号的表示方法和DIN标准中钢铁牌号表示方法相同,故统一后的德国仍以DIN为德国工业标准的代号。
DIN( DEUTSCHE Industria Norm )是德国工业标准的代号。
DIN17006 系统标准独有铸钢和铸铁牌号表示方法。
近年德国对非合金钢牌号的表示方法采用欧洲标准。
其牌号 S ××× ,S 表示钢,×××表增屈服点最低值( Mpa ),有时加后缀符号用来表示质量等级或供货状态。
根据钢材直径或厚度不同,允许对同一牌号用钢的碳含量进行调整。
另一种是DIN17007 系统标准。
它是用7 位数字组合成材料号,一般情况下用 5 位数字表示,与牌号可以并用符号(代号)为 W-Nr 。
如 42CrMo4 为牌号, 1.7725 为材料号1.2 DIN17006 系统钢铁牌号表示方法1.2.1各种符号和数字的含义(1)各种会号的含义,各种符号的含义见表1-24 。
表 1-24 各种符号及含义表中一个符号有两种含义时,应视符号在牌号中的位置确定其含义。
(2)合金钢中合金元素含量的表求方法用合金元素平均含量乘以表 1-25 中的系数表示金元素含量值。
表 1-25 合金元素的系数合金元素含量≤ 5% 时,用上表系数相乘,合金元素含量> 5% 时,不再乘以系数,而是如数直接标出。
2. 按强度等级表示钢铁牌号示例说明该牌号表示方法仅适用于非合金刚。
S235JR 系DIN-EN 标准中牌号,相当于旧牌号St37-2 。
235 表示抗拉强度( MPa )最低值,新旧牌号对照见表 1-26表 1-26 新旧牌号对照示例3. 按化学成分表示钢的牌号示例说明该牌号表示方法适用于非合金钢、低合金钢和高合金钢。
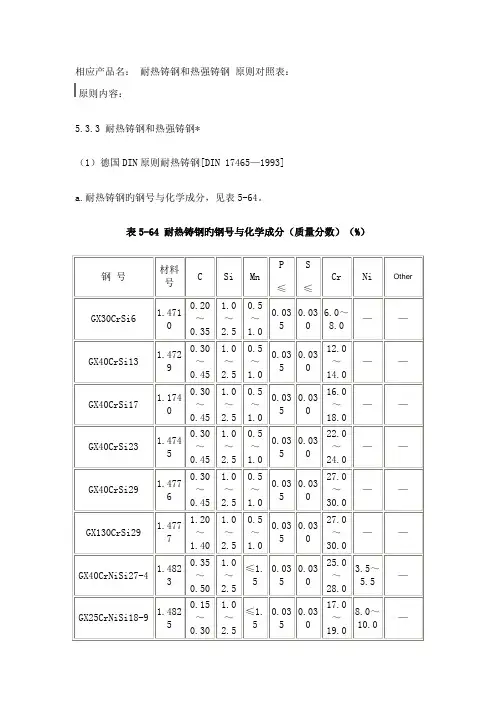
对应产品名:耐热铸钢和热强铸钢标准对照表:
标准内容:
5.3.3 耐热铸钢和热强铸钢*
(1)德国DIN标准耐热铸钢[DIN 17465—1993]
a.耐热铸钢的钢号与化学成分,见表5-64。
表5-64 耐热铸钢的钢号与化学成分(质量分数)(%)
b.耐热铸钢的室温力学性能,见表5-56。
表5-56 耐热铸钢的室温力学性能
c.耐热铸钢的高温力学性能,见表5-66。
表5-66 耐热铸钢的高温力学性能
(2)德国DIN标准铁素体热强铸钢[DIN 17245—1987] a.铁素体热强铸钢的钢号与化学成分,见表5-67。
表5-67 铁素体热强铸钢的钢号与化学成分(质量分数)
(%)
b.铁素体热强铸钢的力学性能,见表5-68。
表5-68 铁素体热强铸钢的力学性能。
DIN17175-1979标准德国工业标准DIN17175-1979年5月出版《耐热无缝钢管供货技术条件》此标准代替:DIN 17175第一部分,DIN17175第二部分及其附页与国际标准化组织(ISO)颁布的ISO 2604Ⅱ国际标准的关系,请参阅说明。
标有黑点的各节的内容,须在订货时进行协议或可能在订货时注明。
1.适用范围本标准适用于无缝钢管①,包括表1中所列的热强钢制成的用于集箱的管子。
这些管子可用于制造温度达600℃和同时是高温下运行的蒸汽锅炉、管道、压力容器和仪表,由于总的负荷和特殊的氧化条件不同,可以降低或升高所列的温度限制。
注①:此外,对应满足德国蒸汽锅炉委员会(DDA)颁布德《蒸汽锅炉技术规程(TRD)》的用于锅炉部件的管子,还应该注意这些规程条款。
偶尔也应考虑《压力容器技术规程》(西德AD压力容器规范)DIN德国标准化研究所钢铁标准委员会(FES)注册;DIN德国标准化研究所钢铁标准委员会管子、管子联接和管道标准委员会2.同样有效的标准及参考资料DIN 2391第一部分冷拉或冷轧精密无缝钢管:尺寸。
DIN 2413 钢管:抗内压力的壁厚计算。
DIN 2448 无缝钢管:尺寸与重量。
DIN 2915 水管锅炉用无缝和焊接钢管:一览表。
DIN 2917 热蒸汽管和集箱用的无缝钢管:尺寸(草稿)DIN 17007第2部分材料编号:1组的分类:钢DIN 50049 材料试验证明书DIN 50115 金属材料试验:缺口冲击韧性试验DIN 50125 金属材料试验:拉伸试验,制备原则DIN 50136 金属材料试验:管材的环形压扁试验DIN 50137 钢的试验:管材的环形扩口试验DIN 50138 钢的试验:管材的环状拉伸试验DIN 50140 金属材料试验:无精调能力测定计的管子和管片拉伸试验DIN 50145 金属材料试验:拉伸试验SIN 合订本3 DIN 标准和钢铁材料手册的钢铁材料简称和材料编号钢铁检验手册1805 钢铁成品分析的采样和制备试样钢铁检验手册1915 对热强钢管纵向裂缝的超声波检验钢铁检验手册1918 对热强钢管横向裂缝的超声波检验钢铁检验手册1919 对热强钢分层缺陷的超声波检验钢铁检验手册1925 用于测定密度的管材涡流检验冶金实验室手册,卷2 金属材料研究冶金实验室手册,卷6 被推荐的拉伸方法明细表、取样方法、分析方法3.概念就本标准说,这些在较高温度时,部分可达600℃,甚至在长期负荷下仍有良好机械性能的钢材,被认为是热强钢。
耐热和高耐热螺栓与螺母材料质量规范标注●的部分显示,协议应该或可以在订货时签订。
1 范围1.1 本标准适用于棒状和线状材料,材料在表1中给出,尺寸在表4中给出。
本标准根据标准DIN267第13部分(螺栓、螺杆、螺母和类似螺纹状型材),表1这些材料通常被用作螺栓和螺母材料;订货技术条件;本标准作为主要的钢螺栓和螺母在零度以下韧性和高温材料在高于300℃到最高服役温度(如表4中所报)下长期特性的一个指南。
在材料性能满足工作应力的地方这些温度可能会过高。
本标准规定义了材料在拟议的工作期间由温度、机械载荷、环境介质产生的材料总负载。
1.2 300℃以下使用的螺栓和螺母根据以下标准:DIN 1651 易切削钢;订货技术条件DIN 1654 拉制的钢材,冷压螺杆(螺栓);质量规范(新版编制过程中) DIN 17 100 一般结构用钢;质量规范DIN 17 111 低碳无合金螺栓、螺母和铆钉;质量规范DIN 17 200 调质钢;质量规范DIN 17 210 表面硬化钢;质量规范DIN 17 440 不锈钢;质量规范Stahi-Eisen-Werkstoffblatt (钢铁数据表)550 大型锻件用钢2 定义2.1 本标准所指示的,如果材料在温度达540℃下长期负载,材料具有包括高蠕变极限和高蠕变断裂强度和满意的抗松弛(见2.2),这种材料被视为抗热材料,而高抗热材料是指在800℃下具有相似的特性。
2.2 松弛是指螺栓预紧力减少作为材料蠕变的结果。
在本标准中,残余应力对于初应力δA相关一个初始应变εA在一个定义的载荷时间例如1000,10000或者30000小时,材料被视为是具有抗松弛特性(见表10)。
2.3有色金属材料的热处理相关的技术定义和表述,见DIN 17 014第一部分。
3 尺寸及应允尺寸偏差3.1 尺寸标准在本标准的后面列出,适用于依据本标准制造的产品,但是,材料X22CrMoV121到NiCr20TiAl(见表1)在本尺寸标准中没有列出全部的尺寸并且没有保持所有的应允偏差。
1.德国(DIN)钢铁牌事情表示方法简介1.1 德国钢铁牌号表示方法概述第二次世界大战后,一道柏林墙,将德国分为东德和西德两个国家标准代号分别为 TGL 和DIN。
由于 TGL 标准中钢铁牌号的表示方法和DIN标准中钢铁牌号表示方法相同,故统一后的德国仍以DIN为德国工业标准的代号。
DIN( DEUTSCHE Industria Norm )是德国工业标准的代号。
DIN17006 系统标准独有铸钢和铸铁牌号表示方法。
近年德国对非合金钢牌号的表示方法采用欧洲标准。
其牌号S ××× ,S 表示钢,×××表增屈服点最低值( Mpa ),有时加后缀符号用来表示质量等级或供货状态。
根据钢材直径或厚度不同,允许对同一牌号用钢的碳含量进行调整。
另一种是DIN 17007 系统标准。
它是用 7 位数字组合成材料号,一般情况下用 5 位数字表示,与牌号可以并用符号(代号)为 W-Nr 。
如 42CrMo4 为牌号, 1.7725 为材料号1.2 DIN17006 系统钢铁牌号表示方法1.2.1各种符号和数字的含义(1)各种会号的含义,各种符号的含义见表 1-24 。
表 1-24 各种符号及含义表中一个符号有两种含义时,应视符号在牌号中的位置确定其含义。
(2)合金钢中合金元素含量的表求方法用合金元素平均含量乘以表 1-25 中的系数表示金元素含量值。
表 1-25 合金元素的系数合金元素含量≤ 5% 时,用上表系数相乘,合金元素含量> 5% 时,不再乘以系数,而是如数直接标出。
2. 按强度等级表示钢铁牌号示例说明该牌号表示方法仅适用于非合金刚。
S235JR 系DIN-EN 标准中牌号,相当于旧牌号St37-2 。
235 表示抗拉强度( MPa )最低值,新旧牌号对照见表 1-26表 1-26 新旧牌号对照示例3. 按化学成分表示钢的牌号示例说明该牌号表示方法适用于非合金钢、低合金钢和高合金钢。
德国工业标准 DIN标准号标准名称牌号材料号脱氧方式化学成分%不大于下列厚度(mm)的屈服点值ReH, Mpa 不小于下列厚度(mm)的抗拉强度,MPa下列取向、厚度、标距下的伸长率值,%不小于下列厚度(mm)的弯心直径(弯曲180°),直径/厚度不同厚度(mm)的冲击功值,J取向L0=80mmL0=5.65热处理温度℃厚度厚度(mm)C P S N≤16>16~40>40~63>63~80>80~100<33~1000.5~<11~<1.51.5~<22~<2.52.5~33~40>40~63>63~100<33~63>63~100>10~63>63~100DIN 17100 (1980)一般结构St33 1.0035任选----185175310~540≥290纵横1081191210131114121816----2.5333.5--UST37-21.0037任选≤16>16~1000.17(0.21)0.20(0.25)0.050(0.065)0.050(0.065)0.007(0.010)235225215205195360~510340~470纵横171518161917201821192624252324220.51.5121.52.5U或N+20厚度>10~16时为27J-Ust37-2 1.0036U0.007(0.009)RSt37-2 1.0038R≤40>40~1000.17(0.19)0.20(0.25)0.050(0.065)0.050(0.065)0.009(0.010)235225215215215U或N+2027-St37-2 1.0116RR≤1000.17(0.19)0.040(0.050)0.040(0.050)-0.5111.51.52U02723N-20 St44-2 1.0044R≤400.21 0.050 0.050 0.009275265255245235430 410 纵14 15 16 17 18 22 21 20 2 2.5 3 U或+202723备注:1.钢牌号后的数字表示质量等级,相对等级2而言,等级3的钢必须满足脆性断裂不敏感性的较高要求,它表现在冲击韧性试验温度上。
钢铁标准_德国牌号_德国钢铁产品牌号表示方法德国钢铁产品牌号表示方法DIN(Deutsche Indutrie Normen)标准是德国标准化协会(Deutsche Institut fur Normung缩写DIN)制定的。
DIN标准的钢号表示方法有17006和DIN17007数字系统(W-Nr)两种。
DIN17006系统钢号表示方法如下:一、钢类为非合金钢钢号表示方法第1类表示熔炼方法;第2类表示原始特征;第3类表示主体符号;第4类表示主体数值;第5类表示保证范围;第6类表示状态;第7类表示抗拉强度值1 熔炼方法B:*炉 LE:电弧炉 SS:焊接用 W:转炉代用E:一般电炉 M:平炉 T:托马斯附加字母:B—碱性I:感应电炉 PP:熟铁 T i:坩锅 Y—酸性2 原始特征A:耐时效L:耐碱脆S:可熔焊G:含较高的P、S P:可压焊(可锻焊)U:沸腾H:半镇静钢Q:可冷镦(压挤、冷变形)Z:可拉伸K:含较低的P、S R:镇静3 主体符号St:以材料强度表示(此法仅适用非合金钢)C:以化学成分表示(此法适用非合金钢的其他性能比抗拉强度更重要或需进行热处理时,如渗碳、调质),按照不同质量及用途可在C后冠以字母K,m,f,g等Cm:控制P、S(0.02~0.035) Cf:表示淬火Cg:冷镦用Ck:控制P、S4 主体数值St法:表示抗拉强度下限值C法:以万分之几表示含碳量5 保证范围1.屈服点心7.屈服点、弯曲、顶锻及冲击韧性2.弯曲或顶锻8.高温强度或蠕变强度3.冲击韧性9.电气特性或磁性4.屈服点、弯曲或顶锻无数字:弯曲或顶锻试验(每炉一个试样)5.弯曲或顶锻及冲击韧性6.屈服点及冲击韧性6 状态A 回火HI 表面高频淬火B 经过处理获最好K 经过加工(冷轧)的可削性N 正火E 渗碳淬火 NT 渗氮G 软化退火 S 消除应力退火H 淬火U 未经热处理HF 表面火焰淬火V 调质7 抗拉强度值(St法无此项)二、钢类为低合金钢钢号表示方法第1类表示熔炼方法;第2类表示原始特征;第3类表示含碳量;第4类表示化学元素符号;第5类表示合金元素含量;第6类表示状态1与上述非合金钢熔炼方法表示方法相同熔炼方法B:*炉E:电弧炉 SS:焊接用 W:转炉代用E:一般电炉M:平炉 T:托马斯附加字母:B-碱性I:感应电炉 PP:熟铁 T i:坩锅Y-酸性2与上述非合金钢原始特征表示方法相同原始特征A:耐时效L:耐碱脆S:可熔焊G:含较高的P、S P:可压焊(可锻焊)U:沸腾H:半镇静钢Q:可冷镦(压挤、冷变形)Z:可拉伸K:含较低的P、S R:镇静3 含碳量以万分之几表示4 采用化学元素符合,按含量多少依次排列,含量相同按字母次序排列5 合金元素含量:以合金元素平均含量百分数×该元素指数元素Cr、Co、Mn、Ni、Si、W Al、Cu、Mo、Nb、Ta、Ti、V C、N、P、S 指数4101006 状态与上述非合金状态表示方法相同A 回火HI 表面高频淬火B 经过处理获最好K 经过加工(冷轧)的可削性N 正火E 渗碳淬火NT 渗氮G 软化退火S 消除应力退火H 淬火U 未经热处理HF 表面火焰淬火 V 调质三、钢类为高合金钢钢号表示方法第1类表示高合金钢符号;第2类表示含碳量;第3类表示主要合金元素;第4类表示合金元素含量1 高合金钢符号钢号冠以“X”,如果含碳量无关紧要,则X可省略2 含碳量以万分之几表示3 主要合金元素用化学元素符号表示,按含量多少依次排列4 合金元素含量以百分之几表示(按四舍五入化整数)四、钢类为碳素工具钢钢号表示方法第1类表示钢种符号;第2类表示含碳量;第3类表示类号1 钢种符号冠以C2 含碳量以万分之几表示3 类号标W表示碳素工具钢:W1、P、S≤0.020%W2、P、S≤0.030%W3、P、S≤0.035%WS 特殊用途五、钢类为高速工具钢钢号表示方法第1类钢种符号;第2类合金元素;第3类合金元素含量1 钢种符号一律冠以S2 合金元素按W?Mo?V?Co次序排列,Cr不表示3 合金元素含量以百分之几表示,数字之间用“?”隔开(如12?4?5):不含Mo-用0表示;不含Co-不用0表示;不含Cr-规定4%六、钢类为铸钢钢号表示方法第1类钢种符号;第2类浇注工艺;第3类钢牌号1钢种符号在钢号前冠以GS或G为铸钢2 浇注工艺K-铸模浇注;Z-离心浇注3 钢牌号St表示有非合金铸钢C表示有非合金、低合金例:如牌号C10中C表示非合金、低合金七、钢类为铸铁钢号表示方法铸铁分为灰口铸铁、球墨铸铁、可锻铸铁、合金耐腐铸铁、奥氏体铸铁(一)灰口铸铁第1类钢种符号;第2类抗拉强度表示方法;第3类试样代号1 钢种符号灰口铸铁冠以GG2 表示抗拉强度最小值用二位数字:如153 试样代号:C-为单铸试样A-为未规定附铸试样的型式K-为K型附铸试样H-为H型附铸试样(二)球墨铸铁第1类钢种符号;第2类抗拉强度表示方法1 钢种符号球墨铸铁冠以GGG2 表示抗拉强度最小值用二位数字:如50(三)可锻铸铁第1类钢种符号;第2类抗拉强度表示方法;第3类伸长率表示方法1钢种符号可锻铸铁冠以:GTS-为黑心可锻铸铁或不脱碳退火可锻铸铁GTW-为白心可锻铸铁或脱碳退火可锻铸铁2 抗拉强度最小值是以前二位数字表示的,如353 伸长率的最小值是以后二位数字表示的,如10(四)合金耐腐铸铁第1类钢种符号;第2类类别代号;第3类合金元素表示;第4类Cr-Ni平均含量 1钢种符号合金耐腐铸铁一律冠以G-X2 类别代号:以260表示3 合金元素用化学元素符号表示,如NiCr4 二位数字逐次表示Cr-Ni平均含量(以百分之几表示)如:42%逐次表示Cr-Ni平均含量(五)奥氏体铸铁第1类钢种符号;第2类合金元素表示;第3类Ni平均含量1钢种符号奥氏体铸铁冠以:GGL-为片状石墨奥氏体铸体GGG-为球状石墨奥氏体铸体2 合金元素用化学元素符号表示,如NiMn3 二位数字逐次表示N i平均含量(以百分之几表示)。
德国钢铁工业标准(DIN)DIN并不是英文,而是德文Deutsch Industriell Norm的缩写,德国工业标准中钢铁材料的规格是在DIN 17006,补充说明在DIN 17007,1974年改为ISO制,以EURONORM 27-74替代。
以英文字母和数字来叙述其特徵,字母规定钢铁种类、冶炼方法、合金材料、处理情况等、数字则规定钢铁材料的、含碳量、抗拉强度、主合金之成分倍数等。
(1)碳钢一般以碳元素标记及其含碳量表示,如C60 表示含0.6%C的碳钢。
另外也有抗拉强度及其他表示法,例如:St50 表示抗拉强度50kg/mm2之构造用碳钢,CK40表示含磷、硫量甚低之碳钢,抗拉强度为40kg/mm2。
(2)高级钢料及低合金钢以其主要合金元素和含量为标记,但在其中第三部分含量,为避免小数点出现,表示值都己经乘上固定倍数,而以整数型态呈现,所以由编号求取实际含量时必须再除以倍数。
第一部分:含碳量第二部分:合金元素种类第三部分:合金元素含量合金元素倍数Cr、Co、Mn、Ni、Si、W4Al、Be、Pb、Cu、Mo、Nb、Ta、Ti、V10P、S、N、Ce、C100B1000例如:含碳量0.34%含铬量1%的钢材,表示为34Cr4依此13CrV53 即表示含碳量0.13%,含铬量5/4=1.25%,含钒量3/10=0.3%(3)高合金钢在标记前加上"x",此外由於合金元素含量己高,因此不乘以倍数而直接表示。
(如前述,高合金钢通常是指合金总含量在8%以上的钢料)例如:含碳量0.12%的不锈钢,含铬量18%含镍量8%,表示为X12CrNi18 8同理X10CrNi1810 即表示含碳量0.10%的高合金钢,含铬量18%含镍量10。
如果要进一步标示其特性,可以在其记号前後加上英文字母表示例如: M A St42 6 N(1)(2) (3) (4)(5)其中除(3)为主标记外,(1)(2)(4)(5)分别表示:熔炼方式、产品特性、保证性能类别、热处理情况等。
德国钢铁工业标准(DIN)DIN并不是英文,而是德文Deutsch Industriell Norm的缩写,德国工业标准中钢铁材料的规格是在DIN 17006,补充说明在DIN 17007,1974年改为ISO制,以EURONORM 27-74替代。
以英文字母和数字来叙述其特徵,字母规定钢铁种类、冶炼方法、合金材料、处理情况等、数字则规定钢铁材料的、含碳量、抗拉强度、主合金之成分倍数等。
(1)碳钢一般以碳元素标记及其含碳量表示,如C60 表示含0.6%C的碳钢。
另外也有抗拉强度及其他表示法,例如:St50 表示抗拉强度50kg/mm2之构造用碳钢,CK40表示含磷、硫量甚低之碳钢,抗拉强度为40kg/mm2。
(2)高级钢料及低合金钢以其主要合金元素和含量为标记,但在其中第三部分含量,为避免小数点出现,表示值都己经乘上固定倍数,而以整数型态呈现,所以由编号求取实际含量时必须再除以倍数。
第一部分:含碳量第二部分:合金元素种类第三部分:合金元素含量合金元素倍数Cr、Co、Mn、Ni、Si、W4Al、Be、Pb、Cu、Mo、Nb、T a、Ti、V10P、S、N、Ce、C100B1000例如:含碳量0.34%含铬量1%的钢材,表示为34Cr4依此13CrV53 即表示含碳量0.13%,含铬量5/4=1.25%,含钒量3/10=0.3%(3)高合金钢在标记前加上"x",此外由於合金元素含量己高,因此不乘以倍数而直接表示。
(如前述,高合金钢通常是指合金总含量在8%以上的钢料)例如:含碳量0.12%的不锈钢,含铬量18%含镍量8%,表示为X12CrNi18 8同理X10CrNi1810 即表示含碳量0.10%的高合金钢,含铬量18%含镍量10。
如果要进一步标示其特性,可以在其记号前後加上英文字母表示例如: M A St42 6 N(1)(2) (3) (4)(5)其中除(3)为主标记外,(1)(2)(4)(5)分别表示:熔炼方式、产品特性、保证性能类别、热处理情况等。
din443-b10-phr标准
DIN443-B10-PHR 是德国标准(DIN)中的一项标准,它规定了用于制造管道、管件和阀门的材料的化学成分、机械性能和物理性能等要求。
其中,DIN443-B10-PHR 是指该标准中的一种材料,其化学成分为碳钢和铬钼钢,主要用于制造高压管道和阀门等设备。
PHR 是指该材料的热处理等级,即淬火和回火(Quenched and Tempered)。
淬火和回火处理可以使材料具有更高的强度和耐磨性,同时也能够提高材料的韧性和耐蚀性。
因此,DIN443-B10-PHR 材料通常用于制造高压管道、阀门和其他需要承受高压和高温的设备。
需要注意的是,DIN443-B10-PHR 标准仅适用于德国标准中的特定材料,并不适用于其他国家或地区的材料。
在使用DIN443-B10-PHR 标准时,需要根据具体的使用条件和要求进行材料选择和设计。
第1页/ 共1页。
德国模具钢标准
德国的模具钢标准包括以下几个:
1. DIN 1.2311 - 该标准规定了可用于制造注塑模具的低碳钢材料的化学成分和机械性能要求。
2. DIN 1.2344 - 这个标准规定了用于制造热压模具和冷压模具的高合金钢材料的化学成分和机械性能要求。
3. DIN 1.2738 - 该标准规定了用于制造大型模具和复杂模具的优质钢材料的化学成分和机械性能要求。
4. DIN 1.2083 - 这个标准规定了用于制造切割模具和塑胶模具的优质不锈钢材料的化学成分和机械性能要求。
5. DIN 1.2316 - 该标准规定了用于制造具有高抗腐蚀性能的塑料模具的优质不锈钢材料的化学成分和机械性能要求。
这些标准旨在确保模具钢材料具有适当的硬度、韧性、耐磨性和耐腐蚀性,以满足各种模具制造需求。
耐热铸钢和热强铸钢标准对照表:
标准内容:
5.3.3 耐热铸钢和热强铸钢*
(1)德国DIN标准耐热铸钢[DIN 17465—1993]
a.耐热铸钢的钢号与化学成分,见表5-64。
表5-64 耐热铸钢的钢号与化学成分(质量分数)(%)
b.耐热铸钢的室温力学性能,见表5-56。
表5-56 耐热铸钢的室温力学性能
c.耐热铸钢的高温力学性能,见表5-66。
表5-66 耐热铸钢的高温力学性能
(2)德国DIN标准铁素体热强铸钢[DIN 17245—1987]
a.铁素体热强铸钢的钢号与化学成分,见表5-67。
表5-67 铁素体热强铸钢的钢号与化学成分(质量分数)(%)
b.铁素体热强铸钢的力学性能,见表5-68。
表5-68 铁素体热强铸钢的力学性能。