桥墩计算书
- 格式:doc
- 大小:744.00 KB
- 文档页数:26
空心墩墩身计算书一、设计资料桥梁跨径:L=40m路基宽度:W=26m桥梁跨径组合:4×40m空心墩尺寸:横桥向宽度4.25m(对应悬臂长度3.5m)顺桥向宽度2.4m、3m、4m三种空心墩壁厚:空心墩尺寸表二、桥墩集成刚度计算假定1、一联桥中,仅仅计算三个中墩的受力,不考虑过渡墩的受力。
2、偏安全考虑,汽车制动力的分配按照三个中墩的集成刚度分配。
3、一联桥梁中,空心桥墩墩高分别采用低限和高限的组合即:采用2.4米厚的空心墩,一联中桥墩高度分别采用40m、50m、50m;采用2.4米厚的空心墩,一联中桥墩高度分别采用50m、60m、60;采用2.4米厚的空心墩,一联中桥墩高度分别采用60m、70m、70。
4、主梁的收缩徐变折成降温计算,降温温度取30℃。
5、为取得最大水平力,温度变化须与收缩徐变变化一致,升温不控制设计,升温水平力不做计算。
故由温度变化引起的水平力,仅考虑降温引起,降温温度取25℃。
6、在中墩处均设置固定支座,过渡墩处设置滑板支座。
三、桥墩集成刚度计算1、桥墩几何参数计算空心墩墩身惯矩按照下式计算:33)2)(2(121121t h t b bh I ---=桥墩几何参数2、桥墩抗推刚度计算按照《铁路桥涵设计规范(TBJ2-85)》第5.3.1条,计算抗推刚度时,混凝土的抗弯弹性模量取抗压弹性模量的0.8倍,桥墩抗推刚度按照下式计算,即:38.03H EId ⨯=ρ 其中:E-混凝土弹性模量,C30混凝土,E=3×104MPa ; H-桥墩高度桥墩抗推刚度3、支座刚度计算支座为板式橡胶支座,规格为GYZ425×99,每个桥墩顶8个支座。
支座刚度按照下式计算,即: tnAGz =ρ 其中:n-支座的个数;A-支座的面积;G-支座的剪切模量,取1.1×104MPa ; t-支座橡胶厚度,取支座高度的0.8倍;支座刚度:ρz =15763KN/m 4、桥墩集成刚度计算桥墩与支座串联,桥墩的集成刚度按照下式计算,即:zd zd ρρρρρ+=.桥墩集成刚度四、桥墩墩顶水平力计算1、一联桥梁变形零点计算变形零点按照下式计算,即:∑∑∑+=ii i i L K C RL K C X μ其中:C —收缩系数,计算中按照混凝土收缩+徐变+降温取55℃,C=1E-5×55=0.00055; i i L K -桥墩抗推刚度与桥墩距桥台距离的乘积;R μ-桥台摩擦系数与上部结构竖直反力的乘积,如为滑板支座,取0。
普通钢筋混凝土桥墩盖梁计算书范本一(正式风格):1. 混凝土桥墩盖梁计算书1.1 引言此计算书旨在详细描述普通钢筋混凝土桥墩盖梁的设计和计算过程,以确保结构的安全性和稳定性。
1.2 结构概述桥墩盖梁由混凝土桥墩以及上部预应力混凝土梁组成。
计算书将分别讨论桥墩和盖梁的设计和计算。
2. 桥墩设计和计算2.1 材料特性2.1.1 混凝土特性参考标准:GB 50010《混凝土结构设计规范》参数:抗压强度、抗拉强度、弹性模量等2.1.2 钢筋特性参考标准:GB 50010《混凝土结构设计规范》参数:屈服强度、抗拉强度、弹性模量等2.2 桥墩尺寸2.2.1 基础尺寸根据设计要求和现场条件确定桥墩基础的宽度、长度和高度。
2.2.2 桥墩截面尺寸根据设计要求和荷载计算结果确定桥墩的截面尺寸和形状。
2.3 桥墩荷载计算2.3.1 水平荷载考虑车辆荷载、风荷载、温度荷载等对桥墩的影响。
2.3.2 垂直荷载考虑自重、活荷载、附加荷载等对桥墩的影响。
2.4 桥墩设计方案根据荷载计算结果,选择合适的桥墩设计方案,包括墩身形状、墩身厚度、墩台的形式等。
3. 盖梁设计和计算3.1 材料特性参考第2.1节中的混凝土特性和钢筋特性。
3.2 盖梁尺寸根据设计要求和荷载计算结果确定盖梁的宽度、长度和高度。
3.3 盖梁荷载计算考虑自重、活荷载、预应力等对盖梁的影响。
3.4 盖梁设计方案根据荷载计算结果,选择合适的盖梁设计方案,包括预应力筋的布置、截面形状等。
4. 结论经过详细设计和计算,桥墩盖梁结构满足设计要求,并具备足够的安全性和稳定性。
5. 附件本文档涉及的附件如下:- 绘图文件:包括桥墩截面图、盖梁截面图等。
6. 法律名词及注释1) 抗压强度:混凝土在受压状态下能够承受的最大应力。
2) 抗拉强度:混凝土在受拉状态下能够承受的最大应力。
3) 弹性模量:材料在弹性变形范围内,应力与应变之间的比值。
...(根据实际情况添加其他法律名词和注释)。
盖梁计算书1 16m跨径空心板单幅双柱桥墩盖梁计算1.概况桥墩盖梁采用桥梁通计算,盖梁宽1.4m,跨中高度1.3m,端部高度0.65m。
盖梁按简支梁计算,盖梁结构简图如下图:图1 盖梁结构图2.荷载取值①恒载:各板自重产生支反力反向加载至盖梁上,二期恒载按平均分布于各板上计算。
②横向分布系数:活载横向分布系数采用左右偏载按偏心受压法,对称布置采用杠杆法。
③冲击系数:16m板冲击系数为1.26。
④活载加载:采用车道荷载及车辆荷载分别按双孔加载、单孔加载计算,按最不利情况,求出支点最大反力。
3.盖梁复核计算①持久状况极限承载能力验算:经计算最不利组合下弯矩包络图及盖梁承载力校核图如下:图2 盖梁承载力校核图可以看到,本桥盖梁极限承载力满足规范要求,并有适当安全储备。
②正常使用阶段抗裂验算:规范要求长期效应作用下混凝土裂缝宽度应小于0.2mm,按照裂缝控制配筋验算校核图如下图所示,可以看出均满足规范要求。
图3 盖梁裂缝验算校核图③斜截面抗剪验算:计算时按混凝土和箍筋承担剪力的100%计算,各截面抗剪验算如下表所示。
表1 梁板作用截面抗剪验算表2 墩柱截面抗剪验算由表中结果可知,混凝土截面及箍筋可提供的抗剪力已大于组合剪力。
盖梁中配有斜筋可作为安全储备。
4.主要结论综上,盖梁持久状况承载能力极限状态验算、抗剪验算、抗裂验算均满足规范要求。
2 20m跨径空心板单幅双柱桥墩盖梁计算1.概况桥墩盖梁采用桥梁通计算,盖梁宽1.6m,跨中高度1.3m,端部高度0.65m。
盖梁按简支梁计算,盖梁结构简图如下图:图1 盖梁结构图2.荷载取值①恒载:各板自重产生支反力反向加载至盖梁上,二期恒载按平均分布于各板上计算。
②横向分布系数:活载横向分布系数采用左右偏载按偏心受压法,对称布置采用杠杆法。
③冲击系数:20m板冲击系数为1.221。
④活载加载:采用车道荷载及车辆荷载分别按双孔加载、单孔加载计算,按最不利情况,求出支点最大反力。
第三部分:桥墩结构计算书计算:复核:目录桥墩盖梁计算 01.结构概况 02.荷载计算 03.荷载加载方式 (4)4.计算简图 (7)5.荷载组合 (8)6.盖梁计算 (8)7.墩柱强度验算 (12)8.桩基承载力验算 (16)桥墩盖梁计算1.结构概况(1)采用柱式墩,墩径1.8m,柱距8.0m(2)盖梁为矩形截面,宽x高:2.1x1.9m(3)盖梁、桥墩为C40砼,桩基为C35混凝土(4)半幅桥桥面宽24m,设置8片小箱梁,每片小箱梁下设四个支座(5)墩柱高度约为9m(6)桥面铺装10c m沥青铺装层,8cm现浇混凝土调平层桥面结构布置如下图所示:2.荷载计算(1)恒载混凝土容重按25~26.5KN/m3取值,沥青混凝土按24 KN/m3现浇层重:0.08*23.2*26=48.3 kN/m沥青混凝土铺装重:0.1*20.5*24=49.2kN/m接缝重:0.7119*26=18.5kN/m人行道:0.574*26=15.9kN/m 侧分带:0.25*2*20=10kN/m 防撞护栏:0.43*26.5=12.4kN/m中墩处小箱梁自重反力:1021.3*2+938.8*2=7675.4kN 桥台处小箱梁自重反力:481.2*2+439.8*6=3601.2 kN (2)活载采用公路Ⅰ级,冲击系数1.36 中墩:单列汽车反力为:713.9*1.36=970.9 KN 人群荷载反力为:107.5*3=322.5KN 桥台:单列汽车反力为:483.4*1.36=657.4 KN 人群荷载反力为:40.9*3=122.7KN (3)制动力全联制动力计算如下:车道数折减系数qk(KN/m)Pk(KN)跨径联长5310.52803090判断制动力取值<495495墩顶制动力(KN)纵桥向汽车制动力计算一联汽车制动力制动力最小值367.5495偏安全考虑全桥制动力由两个中墩承受,一个桥墩承受的制动力为:495/2=247.5KN(4)温度力温度变化按20°考虑,混凝土收缩徐变按25°读考虑,支座距温度零点距离为30/2=15m ,桥墩刚度偏安全取桥墩支座刚度,温度力计算如下:(5)横桥向风力单墩横桥向风力计算如下:(6)地震力支座均采用板式橡胶支座,其中桥台处支座型号为GYZF4300x65,桥墩处支座型号为GYZ400x84,板式橡胶支座K=N×A×G/t,支座刚度计算如下表所示:根据《公路桥梁抗震设计细则》(JTG/T B02-01——2008)进行E1纵、横桥向地震力计算,根据地质详勘报告,本场地的抗震设防烈度为7度,设计基本地震加速度值为0.10g,所属设计地震分组为第三组,本建筑场地的建筑场地类别为Ⅲ类,特征周期为0.65s,根据试算在E1地震下支座与主梁间已产生滑动,地震力计算时考虑上部结构地震力均由两个中墩承受,算出单墩上部结构地震力,再扣除桥台处支座摩阻力,即为实际单墩地震力。
大桥1号桥墩盖梁计算书原始数据表单位:kN-m制横分系数汽车控制裂缝mm 挂车控制裂缝mm 支点过渡跨中间比值0 0.200 0.250 0.25注:横分系数0指“杠杆法过渡偏心受压法”,1指“左右偏载按偏压法,对称按杠杆法”,2指“完全杠杆法”。
汽车荷载挂车荷载人群集度车道数汽车-超20级挂车-120 5.000 2汽车数据汽车车距汽车轮距汽车前轮重汽车后轮重重车与前车车距重车与后车车距重车轮重15.00 4.00 70.0 130.0 10.00 10.00 550.0重车轮轴数1~2轮距2~3轮距3~4轮距4~5轮距5 3.00 1.40 7.00 1.40第1轮重第2轮重第3轮重第4轮重第5轮重30.0 120.0 120.0 140.0 140.0汽轮与护轮距离横向轮轴数1~2轮距2车横向间距0.500 2 1.80 1.30挂车数据挂车轮轴数1~2轮距2~3轮距3~4轮距4 1.20 4.00 1.20第1轮重第2轮重第3轮重第4轮重300.0 300.0 300.0 300.0挂轮与护轮距离横向轮轴数1~2轮距2~3轮距3~4轮距1.000 4 0.90 0.90 0.90右偏角(度) 桥面净宽左护栏宽左人行宽左隔离栅宽右隔离栅宽右人行宽右护栏宽90.00 10.00 0.25000 1.00 0.00 0.00 1.00 0.25000 左右梁板中距2~3 3~4 4~5 5~6 6~7 7~8 8~9 9~10 10~11 11~12排支座数1~2对称12 1.00 1.00 1.00 1.00 1.00 1.00 1.00 1.00 1.00 1.00 1.00恒载反力恒载反力1号2号3号4号5号6号7号8号9号10号11号12号合计左孔支反力350.305.305.305.305.305.305.305.305.305.305.350.3750.右孔支反力350.305.305.305.305.305.305.305.305.305.305.350.3750.合计700.610.610.610.610.610.610.610.610.610.610.700.7500.恒载反力标准跨径计算跨径支座与墩中心距离支座与梁端接头中心距离左孔数据20.00 19.30 0.35 0.35右孔数据20.00 19.30 0.35 0.351号边梁与桥面护栏外侧垂直距离1号边梁与盖梁端垂直距离0.75 0.75裂缝C3值拉筋重心距压筋重心距上通筋数下通筋数自动计算0.05 0.05 4 4混凝土标号主筋等级主筋直径mm 侧筋等级侧筋直径mm 箍筋等级箍筋直径mm30 2 25 1 10 1 10挡块设置顺桥挡块盖梁挡块宽度挡块高度左挡块距梁端右挡块距梁端不设置齐平0.00 0.00 0.00 0.00盖梁悬距变高悬长盖梁宽度2.65 2.65 1.40盖梁截面盖梁端高盖梁高度矩形截面0.70 1.40墩身类型墩柱高柱直径顺桥尺寸横桥尺寸柱数柱距1~2 圆形截面10.00 1.10 2 7.20活载作用力表(表1)内容布载方式左支反力右支反力总轴重冲击系数车列走向重轴距原点重车轮重人群/每米双孔加载50.0 50.0 0.0 0.0000 0 0.00 0 左孔加载50.0 0.0 0.0 0.0000 0 0.00 0 右孔加载0.0 50.0 0.0 0.0000 0 0.00 0挂车双孔加载773.3 286.8 1200.0 0.0000 1 20.85 1200 左孔加载1022.8 0.0 1200.0 0.0000 1 19.65 1200 右孔加载0.0 1022.8 1200.0 0.0000 -1 19.65 1200一列车双孔加载333.5 161.4 880.0 0.0427 -1 18.25 550 左孔加载416.8 0.0 550.0 0.1901 1 19.65 550 右孔加载0.0 416.8 550.0 0.1901 -1 19.65 550注:1、“车列走向”为0指无汽车,-1指汽车从左向右行驶,1指从右向左行驶。
xxxxx高速公路常见跨径组合桥墩的计算xxxxx高速公路桥梁上部结构大部分采用先简支后连续预应力混凝土箱梁或板梁,下部结构采用双柱式墩、柱式台或肋台,钻孔灌注桩基础。
为了设计方便,给出如下几种跨径组合下相应的桥墩几何参数的计算书。
设计参数:(见下表)设计荷载:公路-Ⅰ级,q k=10。
5KN/m;集中荷载的取值视桥梁跨径的不同取值见下表:桥墩墩身材料:C30混凝土,Ec=3.0×104Mp a;非连续端采用滑板式支座,其规格与对应的连续端的板式支座相同。
支座的力学性能根据规范取值。
一、桥墩墩顶集成刚度计算1、桥墩截面惯性矩计算按照公式:I i=π×d4/64;其中d为柱径。
2、桥墩抗推刚度计算根据公式K1=3×EcI/H3计算,其中混凝土的弹性模量没有考虑0.8的折减系数是偏于安全的。
计算结果见下表:3、支座抗推刚度计算支座抗推刚度按下式计算:K2=nAG/t式中K2:一横排支座的抗推刚度;n:一横排支座的支座个数,每个梁底放置两个支座,8个支座串连放置在盖梁上,所以每个墩分配的支座个数为4,所以n=4;A:一个支座的平面面积,根据具体的支座规格计算;G:橡胶支座剪切弹性模量,根据规范取1。
1×104Mp a;t:支座橡胶层总厚度,根据橡胶支座的规格取橡胶支座厚度的0.8倍。
计算结果见下表:4、墩顶与支座集成刚度的计算在墩顶有一排支座串连,再与墩顶刚度串连,串连后的刚度即为支座顶部由支座与桥墩联合的集成刚度。
其计算公式为:K= K1×K2 /( K1+ K2)计算结果见下表:二、桥墩墩顶水平荷载效应计算1、混凝土收缩+徐变在墩顶产生的水平力按照公式:p1=c×△x×k其中:c—收缩系数,计算中按照混凝土收缩+徐变按相当于降温30℃的影响力计算,c=30×10—5;△x-桥墩距离变形零点的距离;变形零点x 根据以下公式计算:i c l k Rx C nkμ+=⨯∑∑l i :桥墩矩桥台的距离; n :桥墩个数;k :桥墩顶部合成刚度;R μ∑:桥台摩擦系数与上部结构竖直反力的乘积,由于联端支座与桥台支座的摩阻力大小相差不大,方向相反,所以近似地认为R μ∑=0.计算结果见下表:计算中没有考虑桥墩刚度的差异是出于如下考虑:首先,由于桥墩小于12米时,根据规范和相关资料可以不考虑二阶弯矩的影响,这就大大降低了由于竖向荷载引起的弯矩的数值;其次,墩高的降低虽然增加了墩的刚度而导致了相同变形下水平力的增加,但由于墩高的降低,墩顶水平力在墩底产生的弯矩也有所降低;出于以上两项的考虑,在荷载相同的情况下,如果高12米的墩根据计算是安全的,则小于12米的墩也是安全的。
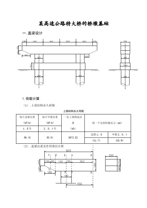
某高速公路特大桥的桥墩基础一.盖梁设计1.荷载计算(1).上部结构永久荷载上部结构永久荷载每片边梁自重 (kN/m ) 每片中梁自重 (kN/m ) 一孔上部构造自重 (kN )每一个支座恒载反力(kN )1、5号2、3、4号56.4858.848672.82边梁1、5中梁2、3、4411.74428.94 (2).盖梁自重及作用效应计算5432154321盖梁自重产生的弯矩剪力效应计算表截面编号自重(kN )弯矩(m kN ⋅)剪力(kN )左V 右V1-11.1161.11150252941.021250.21.00.11=+=⨯⨯⨯⨯+⨯⨯⨯=q 7.8211.112121501-=⨯-⨯-=M -61.11 -61.112-2 69.89252218.09411.82=⨯⨯⨯⨯++=)(q 102.66.128138.12528.18.021-25250.218.12-=--=⨯⨯⨯⨯⨯⨯⨯⨯⨯-=M-131 -1313-31712521.98.13=⨯⨯⨯=q504.451.90.62528.18.021-21.91710.9250.218.13-=+⨯⨯⨯⨯⨯⨯-⨯⨯⨯⨯-=)(M-302 4054-481250.28.19.04=⨯⨯⨯=q171.9)8.20.6(3622.8)81171(9.07073-=+⨯-⨯+-⨯=M 324 3245-5324250.28.16.35=⨯⨯⨯=q385.5)6.40.6(637.39626.4)324811715.47074=+⨯-⨯-⨯++-⨯=(M 0 0kN q q q q q 70754321=++++(3)可变荷载计算1)可变荷载横向分布系数的计算:荷载对称布置时用杠杠法,非对称布置时用修正偏心压力法 ①公路Ⅱ—级a .单列车对称布置时,如下图所示051==q q m m2501.05002.02142=⨯==q q m m57.0)57.057.0(213=+⨯=q mb .双列车,对称布置时:0.750.750.250.25三号梁四号梁二号梁二号梁三号梁四号梁二号梁二号梁051==q q m m4306.0)6806.01806.0(2142=+⨯==q q m m1.1388)23194.028194.0(213=⨯+⨯⨯=q mc .三列车,对称布置时:4330.078.0.111102151=⨯⨯==q q m m8256.0)52.01116.08889.0(78.02142=++⨯⨯==q q m m8838.0)28893.0275.0(78.0213=⨯+⨯⨯⨯=q m一号梁三号梁四号梁五号梁二号梁d .四列车,对称布置时:1954.0)5417.00417.0(67.02151=+⨯⨯==q q m m7632.0)4583.09583.06806.01806.0(67.02142=+++⨯⨯==q q m m6307.0)2.3194021948.0(67.0213=⨯+⨯⨯⨯=q me .五列车,对称布置时:一号梁三号梁四号梁五号梁二号梁一号梁三号梁四号梁五号梁二号梁4669.0)0.11110.47229277.0(6.02151=++⨯⨯==q q m m6917.0)0.256111.08889.05278.00278.0(6.02142=++++⨯⨯==q q m m 6833.0)2.38890275.0(6.0213=⨯+⨯⨯⨯=q m当进行非对称布载时,用偏心压力法计算荷载的横向分布系数,具体计算可见上部结构荷载横向分布系数计算,将各分布系数列于下表中:偏心压力法计算的荷载横向分布系数梁号 单列车 双列车 三列车 四列车 五列车 1 0.3559 0.6357 0.5246 0.6479 0.6110 2 0.2780 0.5179 0.5614 0.5919 0.6056 3 0.2 0.4 0.4680 0.5360 0.6 4 0.2780 0.5179 0.5614 0.5919 0.6056 50.35590.63570.52460.64790.6110②人群荷载 a.两侧有人群时-0.3611.361一号梁二号梁361.151==r r m m361.042-==r r m m 03=r m单车有人群时,有前面计算可知0874.01=r m4044.02=r m 200.03=r m(2)按顺桥向可变荷载移动情况,求的支座可变荷载反力的最大值q k=7.875kN/mP k =207.48kN29.1629.161.0①公路—Ⅱ:车道荷载的均布荷载标准值m kN q k /875.775.05.10=⨯=集中荷载标准值:kN P k 48.207180)516.29(55018036075.0=⎥⎦⎤⎢⎣⎡+-⨯--⨯= 单孔布载时kN B 30.32248.2072875.716.29=+⨯=双孔布载时kN B 12.43748.2072875.7216.29=+⨯⨯=②人群荷载人群荷载的均布荷载标准值m kN q /65.6151.3=⨯=人29.161.029.16q 人=2.25kN/m双孔人群单孔人群单孔满载时kN B 65.614.5116.2921=⨯⨯⨯=双孔满载时kN B 131.2265.612=⨯=(3)可变荷载横向分布系数后各梁支点反力(计算的一般公式为i i B R η=)具体计算见下表:各梁支点反力计算表荷载横向分布情况 公路—Ⅱ级荷载(kN ) 人群荷载(kN ) 计算方法 荷载布置 横向分布系数m单孔双孔单孔双孔Bi RBi RBi RBi R对称布置单列行车1250.057.02501.0054321=====q q q q q m m m m m 322.3 067.4306.23367.430 437.1 054.63 327.8454.63065.6131.2按杠杆原理法计算公路—Ⅱ级双列行车公路—Ⅱ级4306.01.13884306.054321=====qqqqqmmmmm38.781367.0438.781188.22497.79188.22三列行车公路—Ⅱ级4330.08256.08838.06825.04330.054321=====qqqqqmmmmm13.9619.97286.3029.972113.9618.93298.33388.29298.3318.93四列行车公路1954.07632.06307.07632.01954.054321=====qqqqqmmmmm62.68245.98245.9145.98262.9885.41333.61333.52333.6185.41—Ⅱ级五列行车公路—Ⅱ级4669.06917.06833.06917.04669.054321=====qqqqqmmmmm150.48222.93220.2322.932150.48204.09302.36298.68302.36204.09人群荷载361.1361.0361.03615.154321=-==-==qqqqqmmmmm89.3023.69-23.69-89.30178.5947.37-47.37-178.59非对称布置按修正偏单列行车公路—Ⅱ级5593.07802.0200.07802.05593.054321=====qqqqqmmmmm4.711189.6064.4689.6071.411155.57121.5287.42121.52155.57心压力法计算双列行车公路—Ⅱ级0.63570.5179400.05179.00.635754321=====qqqqqmmmmm204.89166.92128.92166.92204.89277.88226.38174.85226.38277.88三列行车公路—Ⅱ级0.52460.56410.46800.56410.524654321=====qqqqqmmmmm169.08180.94150.84180.94169.08229.31245.40204.57245.40229.31四列行车公路—Ⅱ级0.64799195.00.53600.59190.647954321=====qqqqqmmmmm208.82190.77172.75190.77208.82283.21258.73234.30258.73283.21五列行车公路—Ⅱ级0.61106056.00.60.60560.611054321=====qqqqqmmmmm196.93195.18193.38195.18196.93267.08264.72262.27264.72267.08人群荷载0874.03044.0200.03044.00874.054321=====qqqqqmmmmm26.8119.9713.1219.9726.8163.5339.9426.2439.9453.63(5)各梁永久荷载、可变荷载反力组合具体计算见下表,表中均取用各梁的最大值,其中冲击系数由前面计算可知8621.0=μ。
哥斯达黎加51.816米CB200型钢桥桥墩承载力计算书编制:校对:审核:批准:湖北华舟重工有限责任公司二○一一年十二月一、 墩身承载力计算哥斯达黎加51.816米CB200型钢桥,桥身钢结构自重113.144吨,荷载:拖车70吨。
桥梁上部恒载反力N 1=113.144/2=56.572T 桥梁上部活载反力N 2=70T左墩变截面处为危险截面,因此取左墩A-A 截面进行墩身承载力验算。
左墩自重G=2.5×2×8×4.8=192T不考虑偏心作用,墩身受中心荷载作用,其墩身应力为σA-A =A G N N ++21=8219270572.56⨯++=16572.398 =19.91 t/m 2 = 0.2 Mpa墩身内部应力与其强度相比很小,墩身承载力没有任何问题。
另外,地基底部为硬质岩层,可不作地基承载力验算。
二、 桥墩抗倾覆验算墩侧土压力按朗肯土压力公式计算。
取γ=18kN/m 3,k a =31, 则墩侧土压力Pa=21γh 2k a =21×18×5.82×31=100.92kN 于是,桩侧土倾覆力矩M 1=Pa ×31h = 100.92×31×5.8 = 195.1kN ·m 墩身抗倾覆力矩M 2=G ·2B = 192×24=384 t ·m = 3840 kN ·m 抗倾覆稳定系数K 0 = 12M M =1.1953840= 19.68>1.5 满足三、 抗滑移稳定验算∑N i =G=192=192t=1920kN ∑P i = Pa =100.92 kN 基底为硬质岩石取μ=0.6 则k c =iP ∑∑i N μ=92.10019206.0⨯= 11.4>1.3 满足。
一.设计概述该天桥桥墩采用变截面薄壁墩,墩顶由2m变为1m,桥墩纵向宽为0.7m,墩高为11m,跨径布置为(30.5+30.5)m,上部结构宽为4.3m,为人行天桥。
本计算针对刚箱梁墩身。
二.设计标准及设计参数2.1设计规范及技术资料计算中主要用到的规范包括:(1)《公路桥涵设计通用规范》(JTG D60-2004)(2)《公路钢筋混凝土及预应力混凝土桥涵设计规范》(JTG D62-2004)(3)《公路桥涵地基与基础设计规范》(JTJ D63-2007)2.2技术标准(1)结构重要性系数:1.1(2)荷载标准车辆荷载:采用城市-A级计算人群荷载:3.5KN/m三. 主要材料及其设计参数设计中墩身采用C40混凝土,基础采用C25混凝土,普通钢筋采用HRB400、HPB300钢筋。
各种材料设计参数见表2.2.1~表2.2.2。
表2.2.1 混凝土设计参数四设计荷载取值4.1外部荷载(单位:kN )恒载:活载:4.2 汽车荷载本桥为人行天桥,故无制动力和离心力。
4.3风荷载风荷载参照《公路桥涵设计通用规范》(JTG D60-2004)进行计算。
桥址处设计基本风速10V 为26.7m/s ,当风荷载参与汽车荷载组合时,墩身顺桥向风荷载标准值按横向风压的70%乘以桥墩迎风面积计算。
墩身风荷载计算结果如下:五、使用阶段桥墩计算 1)、桥墩稳定验算成桥阶段桥墩为下端固定上端为铰接,故计算长度系数u=0.7,出于安全考虑本部分计算计算长度系数偏安全取为u=0.8。
用欧拉公式计算临界力,如下220/cr N EI L π=式中:E-3.25×104Mpa ,I-0.00427m 4,L0-11.0×0.8=8.8m ,所以N cr =17668.7KN 。
偏于安全考虑墩顶荷载按梁部荷载加一半墩身重,N=811.1KN ,则稳定安全系数/cr N N 为0.0460.99≤,整体稳定符合要求。
本桥选择左幅桥2号桥墩和右幅桥3号桥墩计算1、左幅桥2号墩(非过渡墩)(一)、基本资料:1).设计荷载:公路Ⅰ级2).T梁(单幅5片梁,简支变连续)高:2.4m3).跨径:40m4).该联跨径组合:(3×40)m5).结构简图如下:二、水平力计算1.横向风力计算按《公路桥涵设计通用规范(JTG D60-2004)》附表1,取湖北省黄石市设计基本风速为V10=20.2m/s;横桥向水平风力计算表参数k0k1k2k3k5桩柱式墩顺桥向挡风面积很小,故顺桥向水平风力不计。
2.温度力计算温差按25度考虑,混凝土收缩徐变近似按温差15度考虑,计算刚度K时,偏安全的忽略支座和桩基的刚度,计算如下表:3.汽车制动力力计算(考虑2车道,一联中近似由一个非过渡墩承受)4.撞击力计算由《公路桥涵设计通用规范(JTG D60-2004)》查得,六级航道内的撞击力顺桥向为100KN,横桥向为250KN,作用点位于通航水位线以上2m的桥墩宽度或长度的中点。
5.桥墩及盖梁自重荷载计算三、作用组合1.支反力汇总按上述盖梁计算立面图,5片主梁从左到右依次编号为1~5,其对应盖梁顶支座反力如下表:2.墩底内力计算因墩柱与盖梁(约5:7)刚度相近,将盖梁与墩柱在横桥向做刚架计算,其中,盖梁计算书另行给出,此处只计算墩柱部分。
荷载分别计算上述“上构支反力汇总”三种活载工况及“横桥向水平风力”作用下墩底内力,计算模型及工况3计算结果如下图所示,其他见下表。
1)活载横桥向产生的墩底内力:(1)墩柱盖梁刚架模型(2)活载工况3结构弯矩图(3)工况3结构剪力图(4)工况3结构轴力图活载横桥向墩底内力左右工况1 N 1029.63 N -23.03 Q 5.38 Q 5.38 M 16.96 M 72.57工况2 N 1650.48 N 362.82 Q 11.97 Q 11.97 M 111.86 M 11.93工况3 N 1447.94 N 907.662)风力横桥向产生的墩底内力:3)墩底内力组合a.考虑顺桥向撞击力的偶然组合:对于圆形截面,纵横向内力应合并计算。
T梁重力式桥墩设计计算书1. 引言T梁是一种常见的桥梁结构形式,其桥墩是支撑桥梁横梁(T梁)的重要组成部分。
本设计计算书将对T梁重力式桥墩的设计进行详细的说明和计算,以确保桥墩能够承受来自桥梁和交通荷载的力并保持稳定。
2. 设计参数在进行T梁重力式桥墩设计计算之前,首先需要明确以下设计参数:•T梁的跨度:L = 20m•T梁的受力方式:重力式•桥墩高度:H = 6m•桥墩底座尺寸:宽度B = 4m,长度L = 4m•桥墩材料:混凝土3. 桥墩设计计算步骤3.1. 确定荷载重力式桥墩需要能够承受来自桥梁和交通荷载的力。
根据桥梁设计规范,我们需要计算以下荷载:•桥梁自重:G1 = V梁* γ混凝土•桥梁活荷载:Q1 = Q活荷载 * L / 2•桥墩活荷载:Q2 = Q活荷载 * H其中,V梁为T梁的体积,γ混凝土为混凝土的密度,Q活荷载为活荷载的设计值。
3.2. 确定稳定性桥墩设计需要考虑到桥墩的稳定性,确保其能够承受荷载并保持平衡。
稳定性分析需要计算桥墩的倾覆力矩和抗倾覆力矩之间的比值,即倾覆系数。
3.3. 确定抗滑稳定性除了倾覆稳定性外,重力式桥墩还需要具备抗滑稳定性。
考虑到桥墩基础与地基之间的水平摩擦力和地基反力,计算桥墩的抗滑稳定系数。
3.4. 确定基底抗压承载力最后,要确保桥墩的基底能够承受来自荷载的压力。
根据桥墩基底的面积和混凝土的抗压强度,计算桥墩基底的抗压承载力。
4. 结论经过上述设计计算步骤,我们得到了T梁重力式桥墩的设计参数和计算结果。
根据计算结果,桥墩的稳定性、抗滑稳定性和基底抗压承载力均满足设计要求。
因此,这些设计参数可以用于实际工程中。
注意:本设计计算书仅提供了T梁重力式桥墩的基本设计计算步骤,具体设计仍需要以相关设计规范和标准为准。
桥墩盖梁计算书一、设计依据1、《公路工程技术标准》(JTG B01-2003);2、《公路桥涵设计通用规范》(JTG D60-2004);3、《公路钢筋混凝土及预应力混凝土桥涵设计规范》(JTG D62-2004);4、《公路桥涵地基与基础设计规范》(JTG D63-2007);5、《公路桥梁抗震设计细则》(JTG-TB02-01-2008);6、《公路桥涵施工技术规范》(JTG TF50-2011);7、《公路桥涵设计通用规范》(JTG D60-2004);8、现行的其他《规范》、《规程》、《办法》。
二、技术指标1、路线等级:城市次干路,双向4车道;2、计算行车速度:40公里/小时;3、抗震设防烈度:地震设防烈度7度,地震峰值加速度取0.15g;4、环境类别:Ⅱ类;5、桥面布置:5m(人非混行道)+7.5m(机动车道)+ 0.5m(防撞墙)=13m;6、设计荷载:城-A级;人群集度3.5KN/m2。
7、结构体系:简支梁;构件类别:预应力钢筋混凝土构件。
8、计算跨径:(9×20)m。
三、材料参数1、混凝土:a、盖梁采用C30混凝土:容重26 KN/m³;b、沥青混凝土铺装10cm,容重24 KN/m³;c、调平层混凝土采用10cmC50混凝土。
2、普通钢筋:箍筋采用HRB335,直径12mm、受力主筋采用HRB335钢筋,直径25mm。
四、盖梁计算1、盖梁全长12.60m,盖梁宽度1.7m,盖梁高度1.5m2、计算图式:3、斜筋计算方式a、砼和箍筋共同承担分配系数0.8,侧面筋间距15cm, 裂缝计算中钢筋直径系数1.34、计算结果根据以上计算结果显示,以上盖梁计算满足截面承载能力要求、截面抗裂缝要求和截面抗剪要求。
基础工程课程设计一.设计题目:某桥桥墩桩基础设计计算二.设计资料:某桥梁上部构造采用预应力箱梁。
标准跨径30m,梁长29.9m,计算跨径29.5m,桥面宽13m(10+2×1.5),墩上纵向设两排支座,一排固定,一排滑动,下部结构为桩柱式桥墩和钻孔灌注桩基础。
1、水文地质条件:河面常水位标高25.000m,河床标高为22.000m,一般冲刷线标高20.000m,最大冲刷线标高18.000m处,一般冲刷线以下的地质情况如下:(1)地质情况c(城轨):2、标准荷载:(1)恒载桥面自重:N1=1500kN+8×10kN=1580KN;箱梁自重:N2=5000kN+8×50Kn=5400KN;墩帽自重:N3=800kN;桥墩自重:N4=975kN;扣除浮重:10*2*3*2.5=150KN(2)活载一跨活载反力:N5=2835.75kN,在顺桥向引起的弯矩:M1=3334.3 kN·m;两跨活载反力:N6=5030.04kN+8×100kN;(3)水平力制动力:H1=300kN,对承台顶力矩6.5m;风力:H2=2.7 kN,对承台顶力矩4.75m3、主要材料承台采用C30混凝土,重度γ=25kN/m3、γ‘=15kN/m3(浮容重),桩基采用C30混凝土,HRB335级钢筋;4、墩身、承台及桩的尺寸墩身采用C30混凝土,尺寸:长×宽×高=3×2×6.5m 3。
承台平面尺寸:长×宽=7×4.5m 2,厚度初定2.5m ,承台底标高20.000m 。
拟采用4根钻孔灌注桩,设计直径1.0m ,成孔直径1.1m ,设计要求桩底沉渣厚度小于300mm 。
5、其它参数结构重要性系数γso =1.1,荷载组合系数φ=1.0,恒载分项系数γG =1.2,活载分项系数γQ =1.46、 设计荷载(1) 桩、承台尺寸与材料承台尺寸:7.0m ×4.5m ×2.5m 初步拟定采用四根桩,设计直径1m ,成孔直径1.1m 。
xx大桥墩柱系梁支撑体系计算书墩柱系梁支撑体系计算书本项目每个桥墩对应系梁数目与结构尺寸不尽相同,现以xx大桥系梁(单跨体系)支撑结构进行受力分析与计算,其它桥墩系梁支撑结构均可参照进行计算。
所用工字钢钢材皆为Q235钢材,数据来源为《路桥施工计算手册》及《GB 50017-2017钢结构设计标准》。
1.xx大桥支撑体系验算:xx大桥墩柱直径1.6m,墩柱中心距离4.9m,盖梁宽2.2m,高1.8m,计算长度按4.9m 考虑。
1.1荷载分析含有分配梁的墩柱柱中心间距为L1=4.9m,,主梁I45a工字钢长度15m,分配梁I16工字钢长度3.5m。
分配梁砼重量:q1=26.0KN/m3×1.8m×1.5m×4.9m =322.92KN模板、主梁、分配梁自重I45a工字钢自重:q2=109.1×15×2=32.73KN主梁上铺设I16工字钢作为施工分配梁,每根长3.5m,两墩柱之间设置7根分配梁。
q3=16.88×3.5×7=4.73KN分配梁上铺设系梁定型钢模板,荷载按1.6KN/m2计算, 系梁定型钢模板面积为35.9m2 q4=35.9×1.6=57.44KN查《路桥施工计算手册》振捣砼产生的荷载为2KN/m2,砼浇筑产生的冲击荷载为2KN/m2 q5=4.8×2.2×(2+2)=42.24KN 施工人员、机具重量,查《路桥施工计算手册》荷载按2.5KN/m2q6=4.8×2.2×2.5=26.4KN荷载分项系数:静荷载为1.2,活荷载为1.4。
1.2分配梁计算I16工字钢的截面面积A=21.5cm2,面积矩S=58.4cm3,截面抵抗矩w=101.7cm3, 截面惯性矩I=712cm4, 弹性模量E=206×103MPa,抗拉、抗压、抗弯强度设计值f=215MPa,抗剪强度设计值f v=125mpa。
一、设计依据1、《钢结构设计规范》(GB50017-2003);2、《建筑工程大模板技术规程》(JGJ74-2003);3、《全钢大模板应用技术规范》(DBJ01-89-2004);4、《铁路桥涵设计基本规范》(TB10002.1-2005);5、《铁路桥涵施工规范》(TB10203-2002);4、建筑施工计算手册;二、设计条件:2.1计算参数及要求1)混凝土容重24.5 KN/ m32)混凝土浇筑温度25℃;3)混凝土塌落度160~180mm;4)混凝土外加剂影响系数1.2;5)混凝土浇筑速度2m/h;2.2已知条件:模板面板为6mm厚钢板,竖肋为[10#钢,水平间距为300mm,背楞采用双根16a#槽钢,最大间距为750mm,四角采用T25精轧螺纹钢筋对拉.三、载荷计算3.1水平侧压力载荷:侧压力P1=0.22r c t0β1β2V1/2=0.22*24.5*5*1*1.15*21/2=43.83KN/㎡假设每次浇筑2.5m侧压力P2= r c H1=24.5*2.5=110.25 KN/㎡侧压力取P=43.83KN/㎡震动产生的侧压力P振=4 KN/㎡用导管直接流出时倾倒产生的侧压力P振=2 KN/㎡3.2组合载荷:∑P=43.83*1.2*+1.4*(4+2)=61 KN/㎡取掉震动P=43.83*1.2=52.6 KN/㎡均部载荷∑q=61*1=61KN/mq=52.6*1=52.6KN/m式中:P---新浇筑混凝土对模板的最大侧压力(KN/m2)r c---混凝土的重力密度(KN/m3)t0---新浇混凝土的初凝时间(h)T---混凝土的温度(℃)V---混凝土的浇灌速度(m/h)H---混凝土的侧压力计算位置处至新浇筑混凝土的顶面的总高度(m)β1---外加剂影响修正系数β2---混凝土坍落度影响修正系数q---作用于模板上的均布载荷(KN/m)3.3检算标准1)强度要求满足钢结构设计规范;2)结构表面外露的模板,挠度为模板结构跨度的1/500;3)钢模板面板的变形为1.5mm;4) 钢面板的钢楞、柱箍的变形为3.0mm 。
B 匝道第1联一、结构概况B 匝道第1联(K0+223.274~K0+293.774)为3*23.5=70.5m 的中间跨度较大,10.5m 宽、曲线半径较小(R =120m )的独柱高墩预应力混凝土连续箱梁桥。
桥墩为变截面实体结构,B0和B1桥墩基础为扩大基础。
B2和B3桥墩基础均对应直径分别为Ф1.8m 的两个嵌岩桩,桩顶设承台。
下部结构具体尺寸见桥墩一般构造图。
二、计算模型及内力计算 1.1 计算模型该联两端设滑动支座,中间三个墩均设板式橡胶支座,按m 法用土弹簧模拟桩侧土的水平约束,各个桥墩处的m 值的计算《公路桥涵地基与基础设计规范》要求,将地面以下h m =2(d+1) m 深度内的各层土按下列公式换算成一个m 值,作为整个深度的m 值。
对于刚性基础,h m 采用整个深度h 。
当h m =深度内存在两层不同的土时:12112222(2)mm h m h h h m h ++= 当h m =深度内存在三种不同的土时:1211222312332(2)(22)m h m h h h m h h h h m +++++=及相应轴力值,计算结果见下表:(2)边墩桩A.成桥状态计入恒载、汽车荷载、风载的作用,可求得成桥状态边墩内力组合如下表:考虑桩土相互作用,由计算模型确定桩最大弯距截面作为桩控制截面,墩底面至控制截面长度H=4.0m。
计入恒载、汽车荷载、风载的作用,可求得成桥状态时边墩的桩基内力组合如下表:B.施工阶段计入支座摩阻、恒载偏载、风载的作用,可求得施工阶段边墩内力组合如下表:考虑桩土相互作用,由计算模型确定桩最大弯距截面作为桩控制截面,墩底面至控制截面长度H=4.0m。
计入恒载、汽车荷载、风载的作用,可求得成桥状态时边墩的桩基内力组合如下表:三、墩横桥向内力计算 (1)离心力的计算离心力系数: 22400.105127127120V C R===⨯注:离心力的着力点在桥面处。
(2)风荷载主梁横桥向风荷载2.3kN/m, 桥墩每延米风荷载3.13kN/m墩底:B1: 3379 KN ;B2: 2369 KN ;(3)活载偏载按两车道布载,相对于箱梁中心线的偏心距e =0.80m ,按一车道布载,相对于箱梁中心线的偏心距e =3.35m 。
1 工程概述瓦洪公路(随塘河路~平庄公路)新建工程中的南横河桥为三跨简支预制板梁桥(8m+13m+8m),本计算书为桥墩单桩承载力的验算。
2 基本设计资料2.1 主要设计规范及标准《公路桥涵设计通用规范》(JTG D60 2004)《公路钢筋混凝土及预应力混凝土桥涵设计规范》(JTG D62 2004)《公路工程抗震设计规范》(JTJ004 89)《公路桥涵地基与基础设计规范》(JTJ024-85)《地基基础设计规范》(上海)(DGJ08-11-1999)《公路设计手册-路基》2.2 荷载标准车道荷载:公路-Ⅰ级设计车道数n车:4(*3.75)人群荷载q人群: 3.0kN/m22.3 桥宽0.5m(栏杆)+0m(人行道)+0.75m(非机动车道)+15m(机非分隔带)+0.75m(机动车道)+0.25m(防撞墙)=17.5m2.4 跨径布置30m(中跨)+30m(中跨)+30m(边跨)2.5 斜角顺交0度2.6 材料容重钢筋混凝土γ1:27.0kN/m3沥青混凝土γ2:23.0kN/m32.7 铺装边跨每延米铺装重:q铺边=27×17.5×0.08+23×16.5×0.1=75.75kN/m中跨每延米铺装重:q铺中=27×17.5×0.08+23×16.5×0.1=75.75kN/m2.8 边跨和中跨板梁布置边跨主梁每延米自重:q边=27×(0.396868×2+0.30093×17)=159.557742kN/m中跨主梁每延米自重:q中=27×(0.49818×2+0.39993×17)=210.46959kN/m2.9 桥墩和支座布置桥墩形状见右图B盖梁=17.75/cos(0)=17.75mB墩柱=0.8mB承台=17.75/cos(0)=17.75mn墩柱=0mh1=0.1mh2=1.06mh3=0mh4=0mb1=0.65mb2=0.6mb3=0.37mb4=0.32mb5=1.35mb6=0mb7=1.35mb8=0mb9=0.639079422382671mb10=0.675mb11=0.675m盖梁面积A盖梁=1.385m2墩柱面积A墩柱0m2承台面积A承台=0m2盖梁形心距墩底中心e1=-0.0359205776173286m边跨支座距距墩底中心e2=0.255m中跨支点距距墩底中心e3=-0.305m盖梁形心距桩群中心e4=-0.0359205776173286m墩身形心距桩群中心e5=0m边跨支座距桩群中心e6=0.255m中跨支点距桩群中心e7=-0.305m3 作用效应计算3.1 永久作用效应3.1.1 边跨和中跨主梁自重P边=159.557742×30/2=2393.36613kN P中=210.46959×30/2=3157.04385kN 3.1.2 铺装P边铺=75.75×30/2=1136.25M边铺纵=1136.25×(0)=0P中铺=75.75×30/2=1136.25M中铺纵=1136.25×(0)=03.1.3 人行道板P边人行=4.8×0×30/2=0M边人行纵=0×(8.25)=0P中人行=4.8×0×30/2=0M中人行纵=0×(8.25)=0(4)汽车加载(4)-1单孔加载边跨:2车道Pq边1=2×1×(1+0.05)×(7.875×30/2+252)=777.2625kN Mq边1纵=777.2625×(5.3)=4119.49125kN-m 3车道Pq边2=3×0.78×(1+0.05)×(7.875×30/2+252)=909.397125kN Mq边2纵=909.397125×(3.75)=3410.23921875kN-m 4车道Pq边3=4×0.67×(1+0.05)×(7.875×30/2+252)=1041.53175kN Mq边3纵=1041.53175×(2.2)=2291.36985kN-m 5车道Pq边4=5×0.6×(1+0.05)×(7.875×30/2+252)=1165.89375kN Mq边4纵=1165.89375×(0.65)=757.830937500001kN-m 中跨:2车道Pq中1=2×1×(1+0.05)×(7.875×30/2+252)=777.2625kN Mq中1纵=777.2625×(5.3)=4119.49125kN-m 3车道Pq中2=3×0.78×(1+0.05)×(7.875×30/2+252)=909.397125kN Mq中2纵=909.397125×(3.75)=3410.23921875kN-m 4车道Pq中3=4×0.67×(1+0.05)×(7.875×30/2+252)=1041.53175kN Mq中3纵=1041.53175×(2.2)=2291.36985kN-m 5车道Pq中4=5×0.6×(1+0.05)×(7.875×30/2+252)=1165.89375kN Mq中4纵=1165.89375×(0.65)=757.830937500001kN-m (4)-2双孔加载a、 2车道Pq2边1=2×1×(1+0.05)×(7.875×30/2+252)=248.0625kN Mq2边1纵=248.0625×(5.3)=1314.73125kN-m Pq2中1=2×1×(1+0.05)×(7.875×30/2)=777.2625kN Mq2中1纵=777.2625×(5.3)=4119.49125kN-m b、3车道Pq2边2=3×0.78×(1+0.05)×(7.875×30/2+252)=290.233125kN Mq2边2纵=290.233125×(3.75)=1088.37421875kN-m Pq2中2=3×0.78×(1+0.05)×(7.875×30/2)=909.397125kN Mq2中2纵=909.397125×(3.75)=3410.23921875kN-mC、4车道Pq2边3=4×0.67×(1+0.05)×(7.875×30/2+252)=332.40375kN Mq2边3纵=332.40375×(2.2)=731.28825kN-m Pq2中3=4×0.67×(1+0.05)×(7.875×30/2)=1041.53175kN Mq2中3纵=1041.53175×(2.2)=2291.36985kN-mD、5车道Pq2边4=5×0.6×(1+0.05)×(7.875×30/2+252)=372.09375kN Mq2边4纵=372.09375×(0.65)=241.8609375kN-m Pq2中4=5×0.6×(1+0.05)×(7.875×30/2)=1165.89375kN Mq2中4纵=1165.89375×(0.65)=757.830937500001kN-m3.2.2 汽车制动力一个车道汽车制动力:Tq制动=max{(7.875×(2×30+2×30+30)+252)×10%,90}=143.325kN 按2个桥墩均摊计算Tq2=±(3×0.78×143.325/2)=±(167.69025)kN M制动纵=±(167.69025×(3.75))=±(628.8384375)kN-m 3.2.3 人群荷载P人群=3×0×(30+30)/2=0kN M人群纵=0×8.25=0kN-m 3.3 作用效应汇总3.3.1 永久作用作用在边跨支座上竖向力:Pg1=2393.36613+1136.25+0+52.65+150+1080+0=4812.26613kN 作用在边跨支座上纵向弯矩:Mgz1=0+0+447.525+(-1275)+0+0=-827.475kN-m 作用在中跨支座上竖向力:Pg2=3157.04385+1136.25+0+52.65+150+1080+0=5575.94385kN 作用在中跨支座上纵向弯矩:Mgz2=0+0+447.525+(-1275)+0+0=-827.475kN-m 桥墩自重:Pg3=663.76125kN4 桩基计算4.1 桩承担作用计算∑xi 2=#NAME?m 2∑yi 2=#NAME?m 2ximax=0m yimax=9.9m桩基根数n桩11根基本组合1Pmax 1#NAME?2#NAME?3#NAME?4#NAME?5#NAME?6#NAME?7#NAME?8#NAME?9#NAME?10#NAME?11#NAME?12#NAME?最大值#NAME?基本组合2Pmax 1#NAME?4.2 桩基承载力计算桩基根数n桩11根桩直径d 0.6m 桩长l 30m 桩周长U 1.88m 桩截面面积A 0.28m 2Σli×гi 813.9kN/m 极限承载力[σR]1300kPa [P]=0.5×(U×Σli×гi+A×σR)-γ×A×l 容许承载力[P]841kN 桩最不利受力Pmx #NAME?kN Pmax/[P]#NAME?判定:#NAME?∑∑∑++=2max 2max max i i y i i x x x M y y M n P P。
本桥选择左幅桥2号桥墩和右幅桥3号桥墩计算1、左幅桥2号墩(非过渡墩)(一)、基本资料:1).设计荷载:公路Ⅰ级2).T梁(单幅5片梁,简支变连续)高:2.4m3).跨径:40m4).该联跨径组合:(3×40)m5).结构简图如下:二、水平力计算1.横向风力计算按《公路桥涵设计通用规范(JTG D60-2004)》附表1,取湖北省黄石市设计基本风速为V10=20.2m/s;横桥向水平风力计算表参数k0k1k2k3k5桩柱式墩顺桥向挡风面积很小,故顺桥向水平风力不计。
2.温度力计算温差按25度考虑,混凝土收缩徐变近似按温差15度考虑,计算刚度K时,偏安全的忽略支座和桩基的刚度,计算如下表:3.汽车制动力力计算(考虑2车道,一联中近似由一个非过渡墩承受)4.撞击力计算由《公路桥涵设计通用规范(JTG D60-2004)》查得,六级航道内的撞击力顺桥向为100KN,横桥向为250KN,作用点位于通航水位线以上2m的桥墩宽度或长度的中点。
5.桥墩及盖梁自重荷载计算三、作用组合1.支反力汇总按上述盖梁计算立面图,5片主梁从左到右依次编号为1~5,其对应盖梁顶支座反力如下表:2.墩底内力计算因墩柱与盖梁(约5:7)刚度相近,将盖梁与墩柱在横桥向做刚架计算,其中,盖梁计算书另行给出,此处只计算墩柱部分。
荷载分别计算上述“上构支反力汇总”三种活载工况及“横桥向水平风力”作用下墩底内力,计算模型及工况3计算结果如下图所示,其他见下表。
1)活载横桥向产生的墩底内力:(1)墩柱盖梁刚架模型(2)活载工况3结构弯矩图(3)工况3结构剪力图(4)工况3结构轴力图活载横桥向墩底内力左右工况1 N 1029.63 N -23.03 Q 5.38 Q 5.38 M 16.96 M 72.57工况2 N 1650.48 N 362.82 Q 11.97 Q 11.97 M 111.86 M 11.93工况3 N 1447.94 N 907.662)风力横桥向产生的墩底内力:3)墩底内力组合a.考虑顺桥向撞击力的偶然组合:对于圆形截面,纵横向内力应合并计算。
b.考虑横桥向撞击力的偶然组合:对于圆形截面,纵横向内力应合并计算。
11432.85 6473.26 414.07考虑验算顺桥向撞击力的偶然组合值。
四、墩身强度与裂缝验算1.墩底截面强度验算(36×HRB335-25)M最大时墩身截面强度验算:圆形截面偏压《公路钢筋混凝土及预应力混凝土桥涵设计规范》(JTJ D62-2004)第5.3.9条弯矩设计值Md(kNm)轴力设计值Nd计算长度lo安全系数γ0混凝土标号6664.27 11149.29 10.31 1.1钢筋直径(mm)根数纵筋面积纵筋半径r s钢筋类型25.0 420.02062 0.85桩半径R(m)保护层(cm)砼抗压设计值f cd钢筋抗拉设计值f sd假设xo/2r钢筋弹模0.9 5138002800000.560 200000.0查表计算偏心距A B C D e01.3632 0.6559 0.2937 1.8519 0.6015ξ1(大于1取1)ξ2(大于1取1)偏心增大系数计算偏心否?实际偏心距误差0.638%1.000 1.000 1.069 1 0.5977 0.639%抗力外力满足配筋率轴力(kN)弯矩(kNm)轴力(kN)弯矩(kNm)15777.5 9490.9 12264.2 7833.6 0.0081N最大时墩身截面强度计算:圆形截面偏压《公路钢筋混凝土及预应力混凝土桥涵设计规范》(JTJ D62-2004)第5.3.9条弯矩设计值Md(kNm)轴力设计值Nd计算长度lo安全系数γ0混凝土标号6664.02 11432.85 10.31 1.1钢筋直径(mm)根数纵筋面积纵筋半径r s钢筋类型25.0 420.02062 0.85桩半径R(m)保护层(cm)砼抗压设计值f cd钢筋抗拉设计值f sd假设xo/2r钢筋弹模0.9 5138002800000.570 200000.0查表计算偏心距A B C D e01.3950 0.6589 0.3344 1.8381 0.5861ξ1(大于1取1)ξ2(大于1取1)偏心增大系数计算偏心否?实际偏心距误差0.553%1.000 1.000 1.070 1 0.5829 0.554%抗力外力满足配筋率轴力(kN)弯矩(kNm)轴力(kN)弯矩(kNm)16207.8 9499.6 12576.1 7846.2 0.0081 试算偏心距试算偏心距2.墩底截面裂缝宽度计算由于横桥向抗弯刚度较大,因此横桥向裂缝在此不做验算。
竖向力:1.0*恒载+0.7*活载(短期组合)或者+0.4*活载(长期组合)弯矩(短期组合):0.7*制动力+0.8*温度力Ns(KN)Nl(KN)Ms(KNm)(纵横向合并) 8642.67 8147.52 3037.51圆形偏心受压截面裂缝宽度计算基本参数Ms(KNm)Ns(KN)N l(KN)d(mm)C1ρ=As/(πr2) 3037.51 8642.67 8147.52 25.0 1.0 0.0054C2σss=[59.42*N s/(πr2f cu,k)*(2.80*ηse0/r-1)-1.65]*ρ-2/3-33.3 不必验算裂缝1.47 W fk=C1C2[0.03+σss/Es*(0.004*d/ρ+1.52c)]0.021 OK故墩底截面强度和裂缝满足要求。
五、单桩承载力及桩身强度验算1.桩顶力计算上构恒载(KN)活载最大(KN)横向风力产生竖向力(KN)汇总桩顶竖向力(KN)7487.33 1650.48 124.89 9262.72.单桩承载力计算取桩长25m,验算其单桩承载力:桩周长U埋置深度h桩面积A桩周土修正系数λ清孔系数m0第一层第二层第三层lτlτlτ6.425 3.14 5.455 3.612016 1500.70.5容许承载力σ0深度修正K2土容重γ2单桩承载力12035.8460069.4【P】=12035.84KN>9262.7KN 单桩承载力满足要求。
左幅2号墩(非过渡墩,1.5m墩柱,防国道上车辆撞击):一、基本资料:1.设计荷载:公路Ⅰ级2.T梁(单幅5片梁,简支变连续)高:2.4m3.跨径:40m4.该联跨径组合:(3×40)m5.结构简图如下:二、水平力计算1.横向风力计算按《公路桥涵设计通用规范(JTG D60-2004)》附表1,取湖北省黄石市设计基本风速为V10=20.2m/s;桩柱式墩顺桥向挡风面积很小,故顺桥向水平风力不计。
2.温度力计算温差按25度考虑,混凝土收缩徐变近似按温差15度考虑,计算刚度K时,偏安全的忽略支座和桩基的刚度,计算如下表:3.汽车制动力力计算(考虑2车道,一联中近似由一个非过渡墩承受)4.撞击力计算由《公路桥涵设计通用规范(JTG D60-2004)》查得,汽车撞击力横桥向为1000KN,顺桥向为500KN,撞击力作用在行车道以上1.2m处。
5.桥墩及盖梁自重荷载计算三、作用组合1.支反力汇总5片主梁从左到右依次编号为1~5,其对应盖梁顶支座反力如下表:2.墩底内力计算因墩柱与盖梁(约5:7)刚度相近,将盖梁与墩柱在横桥向做刚架计算,其中,盖梁计算书另行给出,此处只计算墩柱部分。
荷载分别计算上述“上构支反力汇总”三种活载工况及“横桥向水平风力”作用下墩底内力。
1)活载横桥向产生的墩底内力:(同前做法)2)风力横桥向产生的墩底内力:3)墩底内力组合a.考虑顺桥向撞击力的偶然组合:对于圆形截面,纵横向内力应合并计算。
b.考虑横桥向撞击力的偶然组合:对于圆形截面,纵横向内力应合并计算。
考虑验算顺桥向撞击力的偶然组合值。
四、墩身强度与裂缝验算1.墩底截面强度验算(36×HRB335-25)M最大时墩身截面强度验算:圆形截面偏压 《公路钢筋混凝土及预应力混凝土桥涵设计规范》(JTJ D62-2004)第5.3.9条弯矩设计值Md(kNm)轴力设计值Nd 计算长度lo安全系数γ0 混凝土标号6072.90 10179.52 3.29 1.1钢筋直径(mm)根数 纵筋面积 纵筋半径r s钢筋类型 25.0420.02062 0.7桩半径R(m)保护层(cm) 砼抗压设计值f cd钢筋抗拉设计值f sd假设xo/2r 钢筋弹模 0.8 5 13800 280000 0.540 200000.0查表计算偏心距A B C D e0 1.2996 0.6483 0.1941 1.8744 0.5922 ξ1(大于1取1) ξ2(大于1取1) 偏心增大系数 计算偏心否? 实际偏心距误差-0.73% 1.0001.0001.00810.5966 -0.737%抗力外力不满足配筋率 轴力(kN) 弯矩(kNm)轴力(kN) 弯矩(kNm) 10444.86185.311197.56736.00.0117N 最大时墩身截面强度计算:圆形截面偏压《公路钢筋混凝土及预应力混凝土桥涵设计规范》(JTJ D62-2004)第5.3.9条弯矩设计值Md(kNm)轴力设计值Nd 计算长度lo安全系数γ0 混凝土标号6072.02 10465.02 3.29 1.1钢筋直径(mm)根数 纵筋面积 纵筋半径r s钢筋类型 25.0420.02062 0.7桩半径R(m)保护层(cm) 砼抗压设计值f cd钢筋抗拉设计值f sd假设xo/2r 钢筋弹模 0.85 13800 2800000.545 200000.0查表计算偏心距A B C D e0 1.3155 0.6503 0.2189 1.8692 0.5832 ξ1(大于1取1) ξ2(大于1取1) 偏心增大系数 计算偏心否? 实际偏心距误差0.517%1.0001.0001.00910.5802 0.518%抗力外力不满足 配筋率 轴力(kN) 弯矩(kNm) 轴力(kN) 弯矩(kNm) 10613.76190.211511.56736.60.0117经计算决定取用墩径为1.6m ,配36根直径25mm 的钢筋,其截面强度满足要求。
2.墩底截面裂缝宽度计算由于横桥向抗弯刚度较大,因此横桥向裂缝在此不做验算。
竖向力:1.0*恒载+0.7*活载(短期组合)或者+0.4*活载(长期组合)弯矩(短期组合):0.7*制动力+0.8*温度力Ns (KN ) Nl (KN ) Ms (KNm )(纵横向合并)7914.827419.164340.37试算偏心距试算偏心距圆形偏心受压截面裂缝宽度计算基本参数Ms(KNm)Ns(KN)N l(KN)d(mm)C1ρ=As/(πr2) 4340.17 7914.82 7419.16 25.0 1.0 0.0054C2σss=[59.42*N s/(πr2f cu,k)*(2.80*ηse0/r-1)-1.65]*ρ-2/387.9 需验算裂缝1.47 W fk=C1C2[0.03+σss/Es*(0.004*d/ρ+1.52c)]0.105 OK故墩底截面强度和裂缝满足要求。