氯二氟甲烷(R22)理化性质及危险特性表
- 格式:doc
- 大小:34.50 KB
- 文档页数:2
危险化学品安全周知卡
危险性类别化学品标识危险性标志
窒息!二氯二氟甲烷dichlorodifluoromethane
CCl2F2
CAS号:75-71-8
危险性理化数据危险特性外观与性状:无色气体;
气味:无特殊气味;
熔点/凝固点(℃):-158;
初沸点和沸程(℃):-30;
爆炸上限/下限[%(v/v)]:无资料。
气体。
高压,遇热有爆炸危险。
长期暴露有严重损伤健康的危险。
对臭氧层有危害。
健康危害现场急救措施
心律失常。
意识模糊,倦睡,神志不清。
由于本品的物理状态,在商业/工业场合中,认为本品不太可能进入体内。
与液体接触:冻伤。
发红,疼痛。
皮肤接触:冻伤时,用大量水冲洗,不要脱去衣服。
给予医疗护理。
眼睛接触:先用大量水冲洗几分钟,就医。
吸入:新鲜空气,休息。
食入:禁止催吐,切勿给失去知觉者从嘴里喂食任何东西。
立即就医。
身体防护措施消防灭火介质
可用:使用适合火灾类型的合适的灭火剂。
禁用:无特别说明。
泄漏处理措施
浓度(mg/m3)当地应急救援单位名称当地应急救援单位电话
MAC:未制定
PC-TWA:2 PC-STEL:未制定消防中心
人民医院
火警:119
匪警:110
急救:120。
一氯二氟甲烷化学品安全技术说明书
第一部分:化学品及企业标志
化学品中文名称:一氯二氟甲烷
化学品俗名或商品名:氟里昂-22
化学品英文名称:monochlorodifluoromethane-22
企业名称:衢州市巨高机械有限公司
地址:衢州巨化北道五公司大院
电子邮件地址
邮编:324004
技术说明书编码:qzjgjx200708-2
生效日期:2007年8月16日
企业应急电话(国家或地区代码)(区号)(电话号码):
传真号码(国家或地区代码)(区号)(电话号码):
分子式:CHClF2
分子量:
第十六部分其它信息
参考文献:
1、周国泰,化学危险品安全技术全书,化学工业出版社,1997
2、何风生,中华职业医学,人民卫生出版社,1999
3、张维凡,常用化学危险物品安全手册,中国石油出版社,1998
4、国家环保局有毒化学品管理办公室、北京化工研究院合编,化学品毒性法规环境数据手
册,中国环境科学出版社,1992
填表时间:2007年8月16日
填表部门:浙江衢州市巨高机械有限公司
数据审核单位:浙江衢州市巨高机械有限公司
修改说明:首次编写。
第一部分化学品及企业标识化学品中文名:一氯二氟甲烷化学品英文名:chloro-difluoromethane;reon22化学品别名:R22;二氟一氯甲烷;氯二氟甲烷CAS No.:75-45-6EC No.:200-871-9分子式:CHClF2第二部分危险性概述紧急情况概述气体。
高压,遇热有爆炸危险。
对眼睛有刺激性。
气体可能会引起头晕或窒息。
对臭氧层有危害。
GHS危险性类别根据GB30000-2013化学品分类和标签规范系列标准(参阅第十六部分),该产品分类如下:高压气体,压缩气体;眼损伤/眼刺激,类别2B;特定目标器官毒性-单次接触:麻醉效应,类别3;生殖毒性,类别1B;危害臭氧层,类别1。
标签要素象形图警示词:危险危险信息:内装高压气体;遇热可能爆炸,造成眼刺激,可能造成昏睡或眩晕,可能对生育能力或胎儿造成伤害,破坏高层大气中的臭氧,危害公共健康和环境。
预防措施:使用前取得专业说明。
在阅读并明了所有安全措施前切勿搬动。
避免吸入粉尘/烟/气体/烟雾/蒸气/喷雾。
作业后彻底清洗。
受沾染的工作服不得带出工作场地。
戴防护手套/穿防护服/戴防护眼罩/戴防护面具。
事故响应:求医/就诊。
如误吸入:将受人转移到空气新鲜处,保持呼吸舒适的体位。
如接触到或有疑虑:求医/就诊。
如仍觉眼刺激:求医/就诊。
如进入眼睛:用水小心冲洗几分钟。
如戴隐形眼镜并可方便地取出,取出隐形眼镜。
继续冲洗。
安全储存:存放处须加锁。
存放在通风良好的地方。
保持容器密闭。
防日晒。
存放于通风良好处。
废弃处置:按照地方/区域/国家/国际规章处置内装物/容器。
参考制造商或供应商提供的回收或循环再用的信息物理化学危险:高压压缩气体,遇热有爆炸危险。
健康危害:吸入本品可能引起瞌睡和头昏眼花,可能伴随嗜睡、警惕性下降、反射作用消失、失去协调性并感到眩晕。
吸入该物质可能会引起对健康有害的影响或呼吸道不适。
由于本品的物理状态,一般没有危害。
在商业/工业场合中,认为本品不太可能进入体内。
第一部分化学品及企业标识化学品中文名:一氯二氟甲烷;二氟氯甲烷;氟里昂22(F22)化学品英文名:Chlorodifluoromethane产品推荐及限制用途:用作制冷剂、溶剂、聚合物发泡剂以及中间体。
第二部分危险性概述紧急情况概述:若遇高热,容器内压增大,有开裂和爆炸的危险。
GHS危险性类别:根据《危险化学品分类信息表》(2015)危险性类别判定,该产品属于加压气体-液化气体;皮肤腐蚀/刺激,类别3;严重眼损伤/眼刺激,类别2B;生殖毒性,类别1B;特异性靶器官毒性-一次接触,类别3(麻醉效应);危害臭氧层,类别1。
标签要素:-象形图:-警示词:危险危险信息:含压力下气体,如受热可爆炸。
造成轻微皮肤刺激。
引起眼睛刺激。
可能损害生育力或胎儿。
可能引起呼吸道刺激。
可能引起昏昏欲睡或眩晕。
破坏高层大气的臭氧,危害公共健康和环境。
防范说明:-预防措施:不要吸入气体。
作业后彻底清洗。
受沾染的工作服不得带出工作场地。
戴防护手套/穿防护服/戴防护眼罩/戴防护面具。
只能在室外或通风良好之处使用。
-事故响应:如误吸入:将受人转移到空气新鲜处,保持呼吸舒适的体位。
如接触到或有疑虑:求医/就诊。
如仍觉眼刺激:求医/就诊。
如进入眼睛:用水小心冲洗几分钟。
如戴隐形眼镜并可方便地取出,取出隐形眼镜。
继续冲洗。
-安全储存:保持容器密闭。
防日晒。
存放于通风良好处。
-废弃处置:按照地方/区域/国家/国际规章处置内装物/容器。
参考制造商或供应商提供的回收或循环再用的信息。
物理化学危险:不燃气体,无特殊燃爆性。
健康危害:本品毒性低,但用其制备四氟乙烯所发生的裂解气,毒性较大,可引起中毒。
吸入高浓度裂解气,初期仅有轻咳、恶心、发冷、胸闷及乏力感,但经24-72小时潜伏期后出现明显症状,发生肺炎、肺水肿,呼吸窘迫综合征,后期有纤维增生征象。
可引起聚合物烟热。
环境危害:该物质臭氧层消耗潜能ODP为0.05,可对大气臭氧层造成强破。
该物质为温室气体,全球变暖潜能值GWP为1810,是二氧化碳的几百倍,可造成全球气候变暖。
生效日期2010-12-10编号SOP-MM-003 MSDS手册页数1/1附件10氟利昂MSDS 资料表一、标识中文名:氟利昂、氯二氟甲烷英文名:monochlorodifluoromethane;Freo分子式: CHClF2CAS:75-45-6分子量: 86.47二、理化性质外观与性状: 无色气体,有轻微的发甜气味。
熔 点: -146℃ 沸点:-40.8?/td>密 度: 相对密度(水=1)1.18;蒸汽压: 13.33kPa(-76.4℃)溶解性: 溶于水用 途: 用作致冷剂及气溶杀虫药发射剂。
三、烧爆炸危险性危险标记:5(不燃气体)。
危险特性:若遇高热,容器内压增大,有开裂和爆炸的危险。
燃烧(分解)产物:一氧化碳、二氧化碳、氟化氢。
稳定性: 稳定。
禁配物:强氧化剂、易燃或可燃物。
其它有害作用:该物质对大气臭氧层破坏力极强。
灭火方法:本品不燃。
切断气源。
喷水冷却容器,可能的话将容器从火场移至空旷处。
废弃物处置方法:根据国家和地方有关法规的要求处置。
或与厂商或制造商联系,确定处置方法。
四、操作、储存操作注意事项:密闭操作,全面通风。
操作人员必须经过专门培训,严格遵守操作规程。
远离易燃、可燃物。
防止气体泄漏到工作场所空气中。
避免与氧化剂接触。
搬运时轻装轻卸,防止钢瓶及附件破损。
配备泄漏应急处理设备。
储存注意事项:储存于阴凉、通风的库房。
远离火种、热源。
库温不宜超过30℃。
应与易(可)燃物、氧化剂分开存放,切忌混储。
储区应备有泄漏应急处理设备。
五、毒性及健康危害侵入途径:吸入健康危害:本品毒性低,但用其制备四氟乙烯所发生的裂解气,毒性较大,可引起中毒。
吸入高浓度裂解气,初期仅有轻咳、恶心、发冷、胸闷及乏力感,但经24-72小时潜伏期后出现明显症状,发生肺炎、肺水肿,呼吸窘迫综合征,后期有纤维增生征象。
可引起聚合物烟热。
六、急救吸入:迅速脱离现场至空气新鲜处。
保持呼吸道通畅。
如呼吸困难,给输氧。
F22制冷剂F22制冷剂,主要用途是用作致冷剂及气溶杀虫药发射剂。
毒性低,但用其制备四氟乙烯所发生的裂解气,毒性较大,可引起中毒。
吸入高浓度裂解气,初期仅有轻咳、恶心、发冷、胸闷及乏力感,但经24-72小时潜伏期后出现明显症状,发生肺炎、肺水肿,呼吸窘迫综合征,后期有纤维增生征象。
可引起聚合物烟热。
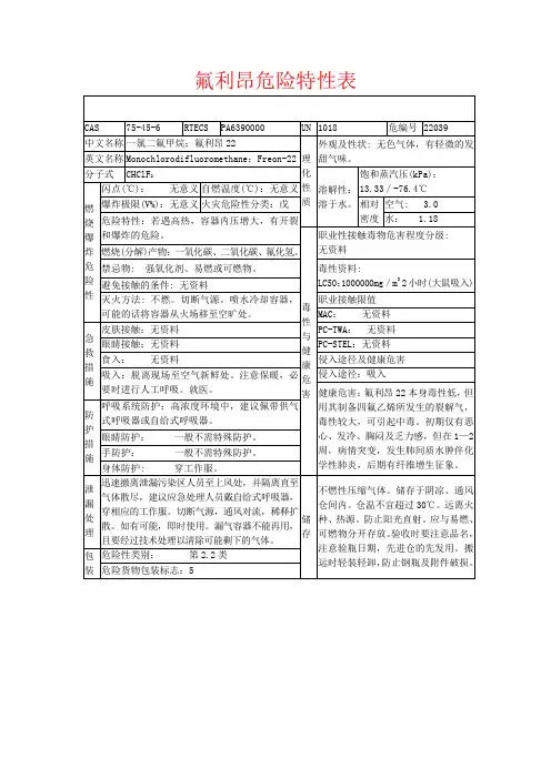
目录编辑本段介绍国标编号 22039CAS号 75-45-6中文名称氯二氟甲烷英文名称 monochlorodifluoromethane;Freon-22别名 R22;一氯二氟甲烷;氟利昂22分子式 CHClF2 外观与性状无色气体,有轻微的发甜气味分子量 86.47 蒸汽压 13.33kPa(-76.4℃)熔点 -146℃ 沸点:-40.8℃ 溶解性溶于水密度相对密度(水=1)1.18;相对密度(空气=1)3.0 稳定性稳定危险标记 5(不燃气体)编辑本段对环境的影响一、健康危害侵入途径:吸入。
健康危害:二、毒理学资料及环境行为急性毒性:LD501000000mg/m3,2小时(大鼠吸入)。
亚急性和慢性毒性:兔、大鼠、小鼠吸入0.2%浓度,6小时/天,共10个月,均无毒性反应;1.4%浓度,体重减轻,血清蛋白降低,球蛋白升高。
剖检肺见肺泡间质增厚、肺水肿,心肝、肾及神经系统退行性变。
致突变性:微生物致突变:鼠伤寒沙门氏菌33pph(24小时),连续。
微粒体诱变:鼠伤寒沙门氏菌33pph(24小时)(连续)。
生殖毒性:大鼠吸入最低中毒浓度(TCL0):50000ppm(5小时,雄性56天),对前列腺、精囊、Cowper氏腺、附属腺体、尿道产生影响。
危险特性:若遇高热,容器内压增大,有开裂和爆炸的危险。
燃烧(分解)产物:一氧化碳、二氧化碳、氟化氢。
编辑本段现场应急监测方法:仪器法编辑本段实验室监测方法气相色谱法《空气中有害物质的测定方法》(第二版),杭士平主编编辑本段环境标准前苏联车间空气中有害物质的最高容许浓度 3000mg/m3前苏联(1975) 水体中有害物质的最大允许浓度 10mg/L编辑本段应急处理处置方法一、泄漏应急处理迅速撤离泄漏污染区人员至上风处,并进行隔离,严格限制出入。
1.物质的理化常数:2.对环境的影响:一、健康危害侵入途径:吸入。
健康危害:本品毒性低,但用其制备四氟乙烯所发生的裂解气,毒性较大,可引起中毒。
吸入高浓度裂解气,初期仅有轻咳、恶心、发冷、胸闷及乏力感,但经24-72小时潜伏期后出现明显症状,发生肺炎、肺水肿,呼吸窘迫综合征,后期有纤维增生征象。
可引起聚合物烟热。
二、毒理学资料及环境行为1000000mg/m3,2小时(大鼠吸入)。
急性毒性:LD50亚急性和慢性毒性:兔、大鼠、小鼠吸入0.2%浓度,6小时/天,共10个月,均无毒性反应;1.4%浓度,体重减轻,血清蛋白降低,球蛋白升高。
剖检肺见肺泡间质增厚、肺水肿,心肝、肾及神经系统退行性变。
致突变性:微生物致突变:鼠伤寒沙门氏菌33pph(24小时),连续。
微粒体诱变:鼠伤寒沙门氏菌33pph(24小时)(连续)。
生殖毒性:大鼠吸入最低中毒浓度(TCL):50000ppm(5小时,雄性56天),对前列腺、精囊、Cowper氏腺、附属腺体、尿道产生影响。
危险特性:若遇高热,容器内压增大,有开裂和爆炸的危险。
燃烧(分解)产物:一氧化碳、二氧化碳、氟化氢。
3.现场应急监测方法:仪器法4.实验室监测方法:气相色谱法《空气中有害物质的测定方法》(第二版),杭士平主编5.环境标准:前苏联车间空气中有害物质的最高容许浓度 3000mg/m3前苏联(1975) 水体中有害物质的最大允许浓度 10mg/L6.应急处理处置方法:一、泄漏应急处理迅速撤离泄漏污染区人员至上风处,并进行隔离,严格限制出入。
建议应急处理人员戴自给正压式呼吸器,穿一般作业工作服。
尽可能切断泄漏源。
合理通风,加速扩散。
如有可能,即时使用。
漏气容器要妥善处理,修复、检验后再用。
二、防护措施呼吸系统防护:一般不需特殊防护。
高浓度接触时可佩戴自吸过滤式防毒面具(半面罩)。
眼睛防护:一般不需特殊防护。
身体防护:穿一般作业工作服。
手防护:戴一般作业防护手套。
一氯二氟甲烷化学品安全技术说明书一氯二氟甲烷,也称为R22,是一种常见的制冷剂和工业清洗剂。
但是,它也是一种有风险的化学品,因此在使用和储存时必须要注意安全事项。
下面是一份一氯二氟甲烷化学品安全技术说明书:一、基本信息化学品名称:一氯二氟甲烷俗名:R22英文名称:Chlorodifluoromethane分子式:CHClF2分子量:86.47CAS号:75-45-6危险等级:2.1二、物理化学性质外观和性状:无色无味可燃气体沸点:-40.7℃密度:1.19g/L(25℃)相对蒸汽密度(空气=1):3.06水溶性:0.23g/100mL(25℃)三、安全注意事项1.防护措施1.1避免接触皮肤和眼睛,并避免吸入气体。
1.2使用防护手套、眼镜或面罩等个人防护用具。
1.3储存于阴凉、通风和干燥的场所。
1.4在储存和使用时,如有必要,要保证正确的通风。
2.急救措施2.1接触皮肤:立即用肥皂和大量水冲洗。
2.2吸入气体:将其送至空气新鲜的地方,并立即寻求医疗救助。
2.3眼睛接触:立即用大量水冲洗至少15分钟。
2.4误食:立即送往医院。
3.火灾及爆炸的应急处理3.1灭火方法:使用二氧化碳、泡沫、砂土或液体灭火器。
禁止使用水直接灭火。
3.2爆炸危险:当在密闭容器中遇到火源或高温时,可能发生爆炸。
在其周围使用防爆设备,远离火源。
3.3若容器有破损或外出现泄漏,立即将泄漏处包裹并汇集泄漏处的化学品。
4.运输与贮存4.1运输时要采取措施防止化学品泄漏,严禁与食品、口服药物和花卉等放在一起运输。
4.2储行当事变始加要求储存在阴凉、通风、干燥、密封场地。
储存过程中,如有出现任何渗漏,一定要立即修补,并迁移出其他物资之处保存。
4.3不能暴露于阳光直射或高温下,必须远离明火和其他火源。
4.4在使用和储存该化学品时,要严格按照国家有关安全法规操作。
五、其他备注以上信息是由真实可信的文献资料得来,但实际操作中的大量因素都是无法预测和控制的,因此本文中的安全注意事项仅供参考,不能替代实际操作中的必要防护措施。
氟利昂-22第一部分化学品及企业标识化学品中文名一氯二氟甲烷;氟利昂-22化学品英文名monochlorodifluoromethane;Freon-22相对分子质量86.47分子式CHCLF2第二部分成分/组成信息纯品/混合物纯品有害成分一氯二氟甲烷浓度CAS No.75-45-6第三部分危险性概述危险性类别第2.2类不燃气体侵入途径吸入健康危害本品毒性低,但用其制备四氟乙烯所产生的裂解气和遗留残液成分中有毒属高毒类,可引起急性中毒。
中毒后轻者有咳嗽、胸闷、头晕、乏力、恶心等;较重者出现化学性肺炎或间质性肺水肿;严重者出现肺泡性肺水肿及心肌损害。
后期有纤维增生征象。
动物试验显示,一氯二氟甲烷有麻醉作用和心脏毒性。
皮肤直接接触液态本品,可引起冻伤。
环境危害对大气造成污染燃爆危险不燃,无特殊燃爆特性第四部分急救措施皮肤接触如果发生冻伤;将患部浸泡于保持在38~42℃的温水中复温。
不要涂擦。
不要使用热水或辐射热。
使用清洁、干燥的敷料包扎。
就医。
眼睛接触立即提起眼睑,用流动清水或生理盐水冲洗。
如有不适感,就医吸入迅速脱离现场至空气新鲜处。
保持呼吸道通畅。
如呼吸困难,给输氧。
呼吸、心跳停止,立即进行心肺复苏术。
就医。
食入不会通过该途径接触第五部分消防措施危险特性若遇高热,容器压力增大,有开裂和爆炸的危险。
有害燃烧产物无意义灭火方法本品不燃。
根据着火原因选择适当灭火剂灭火灭火注意事项及措施消防人员须佩戴防毒面具、穿全身消防服,在上风向灭火。
尽可能将容器从火场移至空旷处。
喷水保持火场容器冷却,直至灭火结束。
第六部分泄漏应急处理应急行动根据气体扩散的影响区域划定警戒区,无关人员从侧风、上风向撤离至安全区。
建议应急处理人员戴正压自给式呼吸器,穿一般作业工作服。
禁止接触或跨越泄漏物。
尽可能切断泄漏源。
喷雾状水抑制蒸气或改变蒸气云流向,避免水流接触泄漏物。
禁止用水直接冲击泄漏物或泄漏源。
防止气体通过下水道、通风系统和限制性空间扩散。