5砌筑工程量计算规则及实例11
- 格式:ppt
- 大小:1.82 MB
- 文档页数:35
分别说明砌筑工程钢筋工程混凝土工程工程量计算规则并列出计算公式砌筑工程量计算规则及公式:砌筑工程量计算规则是根据设计所需墙体的尺寸、数量、砌筑方法和砌筑材料来计算工程量的。
常见的砌筑工程量计算规则有砖工和石工的计算规则。
1.砖工工程量计算规则:砖工的工程量计算规则包括计算尺寸、砖数和工日。
-计算尺寸:根据设计图纸上给出的墙体尺寸计算出墙体的面积。
-计算砖数:根据设计图纸和砌筑方法(砌块数、交错数、填缝厚度等)计算出所需的砖数。
-计算工日:根据项目的施工速度和工人的劳动强度来估计所需工人的工日数量。
相关公式如下:-砖体面积=(墙体长度+墙体高度)×墙体厚度-砖块数=(砖体面积-砂浆缝)/砖长×砖宽-工日数=砖块数/每人每天的平均砌筑量2.石工工程量计算规则:石工的工程量计算规则包括计算尺寸、石材的体积和工日。
-计算尺寸:根据设计图纸上给出的墙体尺寸计算出墙体的体积。
-计算石材体积:根据设计图纸和石材的尺寸计算出所需的石材体积。
-计算工日:根据项目的施工速度和工人的劳动强度来估计所需工人的工日数量。
相关公式如下:-石体积=墙体面积×墙体厚度-石材体积=石体积-砂浆缝-工日数=石材体积/每人每天的平均石材加工量钢筋工程量计算规则及公式:钢筋工程量计算规则是根据设计所需的钢筋尺寸、长度、数量和间距来计算工程量的。
-计算钢筋长度:根据设计图纸上给出的钢筋要求,计算出所需的钢筋长度。
-计算钢筋数量:根据设计图纸和构件的尺寸计算出所需的钢筋数量。
-计算间距:根据设计要求和构件的尺寸,计算出钢筋之间的间距。
相关公式如下:-钢筋长度=构件周长+端头长度-钢筋数量=钢筋长度/每根钢筋的长度-间距=(构件长度或宽度-钢筋直径×2)/(钢筋数量-1)混凝土工程量计算规则及公式:混凝土工程量计算规则是根据设计所需的混凝土体积、材料比例和浇筑方式来计算工程量的。
-计算混凝土体积:根据设计图纸上给出的构件尺寸和混凝土层厚度计算出所需的混凝土体积。
砌筑工程工程量计算规则与方法砌筑工程包括砖砌体.砌块砌体、石砌体.垫层。
(一)砖砌体砖砌体包括砖基础,实心砖墙、多孔砖墙、空心砖墙,空斗墙、空花墙、填充墙,实心砖柱、多孔砖柱,零星砌砖,砖检查井、砖散水(地坪)、砖地沟(明沟)、砖砌挖孔桩护壁。
砖砌体项目的有关说明:(1)砖砌体勾缝按墙面抹灰中〃墙面勾缝〃项目编码列项,实心砖墙、多孔砖墙、空心砖墙等项目工作内容中不包括勾缝,包括刮缝。
(2)标准砖尺寸应为240mmX115mmX53mm,标准砖墙厚度应按标准计算。
(3)基础与墙(柱)的划分:基础与墙(柱)身使用同一种材料时以设计室内地面为界(有地下室,以地下室室内设计为界),以下为基础,以上为墙(柱)身。
基础与墙身使用不同材料时,位于设计室内地面高度≤±300mm时,以下同材料为分界线,高度>±300mm时,以设计室内地面为分界线。
砖围墙应以设计室外地坪为界,以下为基础,以上为墙身。
1.砖基础(1)砖基础项目适用于各种类型砖基础。
如柱基础、墙基础、管道基础等。
(2)工程量按设计图示尺寸以体积计算。
包括附墙垛基础宽出部分体积,扣除地梁(圈梁)、构造柱所占体积,不扣除基础大放脚T型接头处的重叠部分及嵌入基础内的钢筋、铁件、管道、基础砂浆防潮层和单个面积≤0.3irf的孔洞所占体积,靠墙暖气沟的挑檐不增加。
(3)基础长度的确定:外墙基础按外墙中心线,内墙基础按内墙净长线计算。
2 .实心砖墙、多孔砖墙、空心砖墙(1)按设计图示尺寸以体积计算扣除门窗、洞口、嵌入墙内的钢筋混凝土柱、梁、圈梁、挑梁、过梁及凹进墙内的壁龛、管槽、暖气槽、消火栓箱所占体积,不扣除梁头、板头、檬头、垫木、木楞头、沿梅木、木砖、门窗走头、砖墙内加固钢筋、木筋、铁件、钢管及单个面积≤0∙3nV的孔洞所占体积。
突出墙面的腰线、挑檐、压顶、窗台线、虎头砖、门窗套的体积也不增加。
突出墙面的砖垛并入墙体体积计算。
附墙烟囱、通风道、垃圾道应按设计图示尺寸以体积(扣除孔洞所占体积)计算并计入所依附的墙体体积内。
砌筑砖墙工程量计算公式背景砌筑砖墙是建筑工程中常见的工作环节,需要按照设计图纸和规范要求进行施工。
其中一个重要的环节是对工程量进行计算,以便安排材料和劳动力。
计算公式1. 基本公式砌筑砖墙的工程量计算公式如下:砌筑砖墙体积 = 砖墙面积 * 墙体厚度其中,砖墙面积指砖墙的水平面面积,墙体厚度指墙体的实际厚度。
2. 砖墙面积计算公式砖墙面积的计算需要根据设计图纸上的尺寸进行计算。
常用的计算公式有如下几种:- 矩形墙面积 = 底长 * 底宽- 梯形墙面积 = ((上底 + 下底) * 高) / 2- 梯形墙面积 = (上底 + 下底) * 高 / 2- 三角形墙面积 = 底边长度 * 高 / 2- 弧形墙面积 = 弧长 * 半径- 不规则形状墙面积 = 按照图形分割为多个规则图形,然后按照上述公式计算各个图形的面积之和。
3. 墙体厚度计算公式墙体厚度的计算需要根据建筑设计规范和材料要求进行计算。
常见的计算公式有如下几种:- 砌筑空心砖墙,墙体厚度一般为240mm。
- 砌筑实心砖墙,墙体厚度一般为120mm或240mm。
- 砌筑保温砖墙,墙体厚度一般为300mm或400mm。
- 砌筑预制板墙,墙体厚度一般为60mm或90mm。
注意事项在进行砖墙工程量计算时,需要注意以下事项:- 计算砖墙面积时需要考虑门窗洞口和烟囱管道等特殊部位的面积。
- 计算墙体厚度时需要考虑保温板和保温层等特殊要求。
- 不同规格的砖头和墙体结构会影响工程量的计算,需要按照实际材料要求进行计算。
结论本文介绍了砌筑砖墙工程量计算公式,包括基本公式、砖墙面积计算公式、墙体厚度计算公式和注意事项。
在进行砖墙工程量计算时,需要根据实际情况采用合适的公式进行计算,以获得准确的工程量。
砌筑工程工程量计算规则砌筑工程的工程量计算规则一、砌筑工程量的一般规则1、计算墙体时,应扣除门窗洞口、过人洞,空圈、嵌入墙身的钢筋混凝土柱、梁(包括过梁、圈梁、挑梁)、砖平拱、钢筋砖过梁和暖气包壁龛的体积。
不扣除梁头、内外墙板头、檩头、垫木、木愣头、沿椽木、木砖、门窗走头、砖墙内的加固钢筋、木筋、铁件、钢管及每个面积在0.3平方米以下的孔洞等所占的体积。
突出墙面的窗台虎头砖、压顶线、山墙泛水、烟囱根、门窗套及三皮砖以内的腰线和挑檐等体积亦不增加。
2、砖垛、三皮砖以上的腰线和挑檐等体积,并入墙身体积内计算。
3、附墙烟囱(包括附墙通风道、垃圾道)按其外形体积计算,并入所依附的墙体积内,不扣除每一个孔洞横截面积在0.1平方米以下的体积,但孔洞内的抹灰工程量亦不增加。
4、女儿墙高度自外墙顶面至图示女儿墙顶面,分别不同墙厚并入外墙计算。
5、砖平拱、钢筋砖过梁按图示尺寸以立方米计算。
如设计无规定时,砖平拱按门窗洞口宽度两端共加100mm,乘以高度(门窗洞口宽小于1500mm时,高度为240mm,洞口宽大于1500mm 时,高度为365mm)计算;钢筋砖过梁按门窗洞口宽度两端共加500mm,高度按440mm计算。
二、砌体厚度按如下规定计算1、标准砖以240mm*115mm*53mm为准,其砌体计算厚度,按下表计算。
标准砖砌体计算厚度表2、使用非标准砖时,其砌体厚度应按砖实际规格和设计厚度计算。
三、基础与墙身(柱身)的划分1、基础与墙(柱)身使用同一种材料时,以设计室内地面为界(有地下室者,以地下室室内设计地面为界),以下为基础以上为墙(柱)身。
2、基础与墙(柱)身使用不同材料时,位于室内设计地面为正负300mm以内时,以不同材料为界线,超过正负300mm时,设计室内地面为界线。
3、砖、石围墙以设计室外地坪为分界线,以下为基础,以上为墙身。
四、基础长度:外墙基础按外墙中心线长度计算,内墙墙基按内墙净长线计算。
基础大放脚T形接头处的重叠部分以及嵌入基础的钢筋、铁件、管遭、基础防潮层及单个面积在0.3平方米以内的孔洞所占体积不予扣除,但靠墙暖气沟的挑砖亦不增加。
砌筑工程量计算规则一、工程量计算规则1 .基础与墙(柱、筒)身的划分:(1)房屋基础与墙(柱)身采用同一种材料时,以设计室内地坪为分界线(有地下室者,以地下室室内地坪为界),以下为基础,以上为墙(柱)身。
(2)房屋基础与墙(柱)身采用不同材料时,不同材料的接合面和设计室内地坪的高差在±0∙3m以内时,以不同材料为分界线,超过±O.3m时,以设计室内地坪为分界线。
(3)砖石围墙,以设计室外地坪为分界线,以下为基础,以上为墙身。
(4)烟囱、水塔基础与筒身采用砖砌时,以砖砌体扩大部分顶面为分界线,以下为基础,以上为筒身。
基础与筒身采用不同材料时,以不同材料的接合面为分界线。
2 .砖、石基础工程量按设计图示尺寸以m3计算。
(1)基础的长度:外墙基础按外墙中心线长度计算;内墙基础按内墙大放脚基础以上净长度计算。
(2)基础大放脚T形接头处的重叠部分以及嵌入基础的钢筋、铁件、管道、基础防潮层及单个面积0∙3m2以内孔洞所占体积不扣除,靠墙暖气沟的挑砖也不增加。
(3)附墙柱基础宽出部分的体积应并入其工程量内。
(4)基础大放脚部分的工程量可按附表L2、3、4计算。
3 .砖墙、空心砖墙、多孔砖墙工程量按设计图示尺寸以m3计算。
(1)墙体的长度:外墙长度按墙中心线长度计算,内墙长度按内墙净长度计算。
(2)应扣除门、窗洞口、过人洞、空圈的体积,以及嵌入墙身的钢筋混凝土梁(包括过梁、圈梁、挑梁)、柱、砖拱、砖过梁和暖气包壁龛的体积。
(3)不扣除梁头、板头、橡头、垫木、木楞头、沿椽木、木砖、门窗走头、墙体内的加固钢筋、木筋、铁件、钢管及单个面积在0∙3m2以内孔洞所占体积。
(4)突出墙面的窗台虎头砖、压顶线、山墙泛水、烟囱根、门窗套及三皮砖以内的腰线和挑檐体积亦不增加。
(5)砖垛、砖压顶及三皮砖以上的腰线和挑檐等体积,应并入所依附墙身体积内计算。
(6)墙体高度应按下列规定计算:①外墙:斜(坡)屋面无檐口天棚者算至屋面板底;有屋架且室内外均有天棚者算至屋架下弦底另加200mm;无天棚者算至屋架下弦底另加300mm;出檐宽度超过600mm时按实砌高度计算;与钢筋混凝土楼板隔层者算至板顶;平屋顶算至钢筋混凝土板底。
砌筑工程施工工程量计算一、砌筑工程施工工程量计算的相关内容1. 砌筑工程的施工工程量包括砌筑的面积、体积和长度等,具体内容主要包括:墙体砌筑、柱、梁的砌筑、地砖、地面砌筑、栏杆、防护栏等砌筑工程。
2. 砌筑工程的工程量计算要结合设计图纸和施工方案进行,根据实际的施工条件和要求,进行准确的工程量计算。
3. 砌筑工程的工程量计算还需要考虑材料的浪费率和施工工艺的要求,根据具体情况进行合理的估算。
4. 在进行工程量计算时,需要充分考虑砌筑工程的实际施工情况,如斜面、拐角、洞口等特殊部位的处理,以确保工程量计算的准确性。
二、砌筑工程施工工程量计算的步骤1. 了解砌筑工程的设计要求和施工方案,根据设计图纸和相关资料,确定工程量计算的范围和内容。
2. 根据设计要求和实际情况,测量砌筑工程的长度、宽度、高度等基本尺寸数据,计算出砌筑的面积、体积和长度等数据。
3. 针对不同部位的砌筑工程,进行详细的工程量计算,包括砌筑的类型、尺寸、材料、数量等。
4. 根据工程量计算的结果,编制砌筑工程的清单和施工方案,提出具体的施工计划和工程进度安排。
5. 在进行工程施工时,根据工程量计算的结果,合理安排施工队伍和材料供应,保证工程的质量和进度。
6. 定期进行工程量计算的检查和复核,及时调整工程方案和施工计划,确保砌筑工程的顺利进行。
三、砌筑工程施工工程量计算的注意事项1. 在进行工程量计算时,应准确把握设计要求和施工方案,避免出现误差和遗漏。
2. 在进行工程量计算时,需根据实际情况和材料的特性,合理确定浪费率和施工工艺,避免浪费和损耗。
3. 在进行工程量计算时,需与设计师、监理单位和施工单位充分沟通,确保各方的理解和认可。
4. 在进行工程量计算时,需谨慎对待施工过程中可能出现的变化和调整,及时调整工程量计算和施工方案。
5. 在进行工程量计算时,需严格按照施工规范和标准进行,确保施工工程的质量和安全。
综上所述,砌筑工程施工工程量计算对于整个建筑工程的施工具有重要意义,是施工过程中不可或缺的步骤。
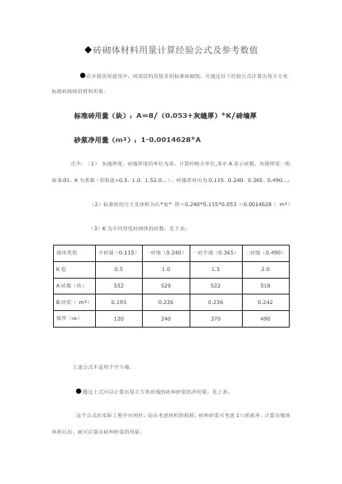
◆砖砌体材料用量计算经验公式及参考数值●在乡镇房屋建设中,砖混结构房屋多用标准砖砌筑,可通过以下经验公式计算出每立方米标准砖砌体的材料用量。
标准砖用量(块):A=8/(0.053+灰缝厚)*K/砖墙厚砂浆净用量(m³):1-0.0014628*A式中:(1)灰缝厚度、砖墙厚度的单位为米,计算时略去单位,其中A表示砖数,灰缝厚度一般取0.01,K为系数(常取值=0.5,1.0,1.52.0...),砖墙厚对应为0.115、0.240、0.365、0.490...;(2)标准砖的尺寸及体积为长*宽* 厚=0.240*0.115*0.053 =0.0014628(m³)(3)K为不同厚度砖砌体的砖数,见下表;上述公式不适用于空斗墙。
●通过上式可以计算出每立方米砖墙的砖和砂浆的净用量,见上表。
这个公式在实际工程中应用时,还应考虑材料的损耗,砖和砂浆可考虑1%损耗率。
计算出墙体体积以后,就可以算出砖和砂浆的用量。
砖用量=墙体体积*每立方米用砖量*(1+1%)(块)砂浆用量=墙体体积*每立方米砂浆净用量*(1+1%)(m³)2砂浆计算实践案例:M5水泥砂浆的配合比:条件:施工水平,一般;砂子,中砂;砂子含水率:2.5%;水泥的等级32.5。
M5配合比(重量):水泥:中砂=1:5.23。
每立方砖砌体中,需要M5水泥砂浆是0.238m3,其中水泥67.59kg;中砂354kg(0.26m3)。
M7.5水泥砂浆的配合比:条件:施工水平,一般;砂子,中砂;砂子含水率:2.5%;水泥的等级32.5。
M5配合比(重量):水泥:中砂=1:4.82。
每立方砖砌体中,需要M7.5水泥砂浆是0.251m3,其中水泥77.31kg;中砂373kg(0.27m3)。