环网柜安装质量验收评定表
- 格式:doc
- 大小:47.50 KB
- 文档页数:2
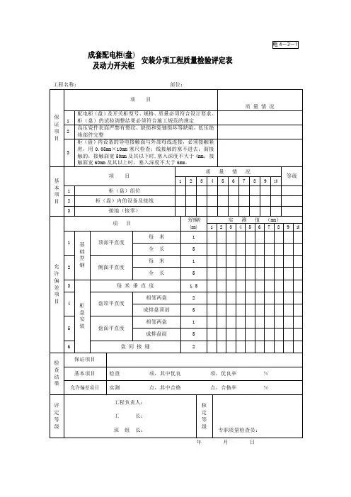
成套配电柜(盘)及动力开关柜安装分项工程质量检验评定表GBJ303—88电4-3-1 成套配电柜(盘)及动力开关柜安装分项工程质量检验评定表电—4—3—1说明保证项目:1、按不同类型各抽查1~3台,检查试验调整记录。
2、按不同类型各抽查1~3台,观察检查。
3、按不同类型各抽查1~3台,实测和检查安装记录。
基本项目:评定代号:优良√,合格○,不合格×。
1、柜(盘)组立:单独安装的抽查1~5台,成排安装的抽查1~3排,观察检查。
合格:(1)柜(盘)与基础型钢连接紧密,固定牢固接地可靠,柜(盘)间接缝平整;(2)盘面标志牌、标志框齐全、正确并清晰;(3)小车、抽屉式柜推拉灵活,无卡阻碰撞现象;接地触头接触紧密、调整正确,投入时接触头比主触头先接触而退出时接地触头比主触头后脱开;(4)小车、抽屉式柜,动静触头中心线调整一致,接触紧密;二次回路的切换接头式机械、电气联锁装置的动作正确、可靠。
优良:在合格的基础上,油漆完整均匀,盘面清洁,小车或抽屉互换性好。
2、柜(盘)内设备及接线:单独安装的抽查1~5台,成排的抽查1~3排,观察和试操作检查。
合格:(1)完整齐全、固定牢靠,操作部分动作灵活、准确;(2)有两个电源柜(盘),母线的相序排列一致,相对排列的柜(盘),母线的相序排列对称,母线色标正确;(3)二次结线准确、固定牢靠,导线与电器或端子排的连接紧密,标志清晰、齐全。
优良:在合格的基础上,盘内母线色标均匀完整,二次结线排列整齐,回路编号清晰、齐全,采用标准端子头编号,每个端子螺丝上接线不超过两根。
柜(盘)的引入、引出线路整齐。
3、柜(盘)及其支架接地(接零)支线敷设:同电2-1-1表中检验项目第7项。
允许偏差项目:按表中不同检查内容各抽查5处。
1、2项用拉线、尺量检查。
3项用吊线、尺量检查。
4、5项,相邻两盘直尺、塞尺检查,成排盘顶部拉线、尺量检查。
6项,盘间接缝用寒尺测量检查。
说明一般项目1.管内穿线的绝缘导线总面积不应大于管内截面的40%;不同回路、不同电压、交流与直流的导线不得穿于同一根管内;同一交流回路的导线应穿于同一管内。
导线及零线应有区分标志。
检验数量:施工单位抽检20%。
检验方法:观察检查。
2.配线用瓷瓶表面应清洁完好无破损。
固定牢靠,绑扎正确,导线在转弯、分支处应装设支持件固定。
导线应无明显松驰现象,无急弯、损伤。
两条线路交叉处,靠近建筑物的导线穿入绝缘保护管内,保护管的长度不应小于100 mm。
检验数量:施工单位抽检20%。
检验方法:观察检查。
3.配线用线槽固定点应符合设计要求,连接应连续无间断,槽盖齐全。
其水平和垂直偏差不应大于其宽度的20%。
金属线槽防腐良好。
并应可靠接地或接零。
检验数量:施工单位抽检20%。
检验方法:观察检查。
4.导线在线槽内应排列整齐,其总截面不大于线槽面积的60%。
检验数量:施工单位抽检20%。
检验方法:观察检查。
5.绝缘导线沿室内墙体、顶棚敷设时其支持点间的最大距离应符合下表的规定。
室外墙面上直接固定点间距不应大于2 m。
室内沿墙体、顶棚敷设支持点的最大距离检验数量:施工单位抽检20%。
检验方法:观察检查。
6.在爆炸、火灾危险环境配线的质量应符合下列规定:(1)爆炸危险环境配线用钢管应采用低压流体输送用镀锌钢管,钢管与钢管、钢管与电气设备,钢管与钢管附件之间连接应采用螺纹连接,管径25 mm及以下螺纹啮合应不少于5扣,管径32 mm及以上应不少于6扣。
通过楼板或地面、隔墙均应在楼板或地面的上方装设纵向式密封件,在隔墙的任一侧装高横向式密封件,并应将穿孔堵塞严密。
(2)火灾危险环境配线采用铝芯绝缘线时应有可靠的连接;裸铜、裸铝线应采用螺栓连接,并应有防松装置,不需拆卸检修的母线采用焊接。
(3)爆炸、火灾危险环境钢管配线,应在电机的进线钢管与电气设备连接有困难处,通过建筑物伸缩缝和沉降缝处装设防爆挠性连接管,其弯曲半径不应小于管外径的5倍。
高压开关柜安装分项工程质量查验评定表Q/CSG表编号:单项工程名称型号安装地点工序高压开关柜现场安装查验项目柜体垂直度柜外观及柜内元件检查闭锁检查高压熔断器安装检查接地装置检查母线接触面检查互感器安装检查开关柜电加热装置开关柜防小动物底板、装置手车推拉试验手车动静触头中心误差度触头插入深度刀闸接触状况检查支持瓷瓶检查导体相间及对地距离检查真空开关分、合闸指示环网柜避雷器安装环网柜带电显示器环网柜 SF6气压环网柜开关操作机构动作环网柜全关闭母线应力办理环网柜二次核相工程地址出厂编号制造厂性质量标准(同意误差)质合格值介绍值外观完好无缺漏正确靠谱方向正确接地优秀,坚固靠谱接触面平坦,无氧化膜,并涂以电力复合脂安装正确接线切合要求工作正常正确安装切合防小动物要求灵巧到位无误差接触到位接触到位洁净无损坏≥125mm正确、到位切合正确接线安装要求工作正常正常工作范围指示正确、行程到位带有均压罩及绝缘护套全能表审定正确出厂日期安装日期查验方法查验检查时及用具结果人间查收结论:质检机构质量查收建议签名班组年月日施工队年月日项目部年月日监理年月日低压开关柜、低压母线安装分项工程质量查验评定表Q/CSG表编号:单项工程名称型号安装地点工程地址出厂编号制造厂出厂日期安装日期工序查验项目性质量标准(同意误差)查验方时查验法检查人1.柜体垂直度2.柜外观及柜内元件检查3.手车或抽屉推拉试验4.开关动静触头中心误差5.触头插入深度6.闭锁检查7.刀闸接触状况检查8.支持瓷瓶检查9.高压熔断器安装检查低压开关10.接地装置检查柜、低压母11.互感器安装检查线安12.母线接触面检查装质合格值介绍值外观完好无缺漏灵巧到位无误差接触到位正确靠谱接触到位洁净无损坏正确到位接地优秀,坚固靠谱安装正确接线切合要求结果间及用具13.母线及开关通电检测接触面平坦,无氧化膜,螺栓紧固切合力矩要求14 . 低压柜防小动物装置380V通电正常,开关指示动作正常15.带母连开关低压柜相位查对相位正确16.母线材质外观检查光洁平坦无变形损害17.螺栓紧固检查安装坚固,受力平均18.支架吊装切合承载重力要求19.母线平行及竖井安装保持平行度和垂直度20.分段母线拼装切合绝缘及过载要求21.母线与变压器之间的软连结连结坚固有裕度,无外加应力22.接地检查分段接地优秀、坚固查收结论:质检机构质量查收建议签名班组年月日施工队年月日项目部年月日监理年月日户外开关设施安装分项工程质量查验评定表Q/CSG 表编号:单项工程名称工程地址设施型号生产厂家安装地址(杆塔号)性 质量标准(同意误差)查验方法 查验工序时间查验项目及用具检查人质合格值 介绍值结果坚固、平坦,水平面倾斜不该1.设施、箱体支架安装检查>1%。
10kV高压开关柜安装分部工程质量验收评定表
表号:DL/T 5161.1表3.0.2
工程名称:黄陵建北煤矿风
井场地35kV变电站工程
手车式配电柜安装分项工程质量检验评定表
表号:DL/T 5161.8表3.0.1
工程名称:黄陵建北煤矿风
井场地35kV变电站工程
手车式配电柜安装分项工程质量检验评定表
表号:DL/T 5161.8表3.0.1续
工程名称:黄陵建北煤矿风
井场地35kV变电站工程
母线安装分项工程质量检验评定表
表号:DL/T 5161.4表4.0.2
工程名称:黄陵建北煤矿风
井场地35kV变电站工程
母线安装分项工程质量检验评定表
表号:DL/T 5161.4表4.0.2续
工程名称:黄陵建北煤矿风
井场地35kV变电站工程
断路器检查分项工程质量检验评定表
表号:DL/T 5161.2表4.0.2
工程名称:黄陵建北煤矿风
井场地35kV变电站工程
断路器检查分项工程质量检验评定表
表号:DL/T 5161.2表4.0.2续
工程名称:黄陵建北煤矿风
井场地35kV变电站工程
控制电缆回路检查及二次接线分项工程质量检验评定表
表号:DL/T 5161.8表6.0.2
工程名称:黄陵建北煤矿风
井场地35kV变电站工程
控制电缆回路检查及二次接线分项工程质量检验评定表
表号:DL/T 5161.8表6.0.2续
工程名称:黄陵建北煤矿风
井场地35kV变电站工程
验收评定:
质检机
质量检验评定意见签名
构
施工班
年月日组
施工单
年月日位
监理单
年月日位。
10kV高压开关柜安装分部工程质量验收评定表表号:DL/T 5161.1表3.0.2工程名称:黄陵建北煤矿风井场地35kV变电站工程.34.35手车式配电柜安装分项工程质量检验评定表表号:DL/T 5161.8表3.0.1工程名称:黄陵建北煤矿风井场地35kV变电站工程.36.37手车式配电柜安装分项工程质量检验评定表表号:DL/T 5161.8表3.0.1续工程名称:黄陵建北煤矿风井场地35kV变电站工程.38.39母线安装分项工程质量检验评定表表号:DL/T 5161.4表4.0.2工程名称:黄陵建北煤矿风井场地35kV变电站工程.40.41.42母线安装分项工程质量检验评定表表号:DL/T 5161.4表4.0.2续工程名称:黄陵建北煤矿风井场地35kV变电站工程.43.44.45断路器检查分项工程质量检验评定表表号:DL/T 5161.2表4.0.2工程名称:黄陵建北煤矿风井场地35kV变电站工程.46.47断路器检查分项工程质量检验评定表表号:DL/T 5161.2表4.0.2续工程名称:黄陵建北煤矿风井场地35kV变电站工程.48.控制电缆回路检查及二次接线分项工程质量检验评定表表号:DL/T 5161.8表6.0.2.50工程名称:黄陵建北煤矿风井场地35kV变电站工程.51.52控制电缆回路检查及二次接线分项工程质量检验评定表表号:DL/T 5161.8表6.0.2续工程名称:黄陵建北煤矿风井场地35kV变电站工程.53.54.55。
10kV高压开关柜安装分部工程质量验收评定表
表号:DL/T 表工程名称:黄陵建北煤矿风井场地35kV
变电站工程
手车式配电柜安装分项工程质量检验评定表表号:DL/T 表工程名称:黄陵建北煤矿风井场地35kV变电站工程
手车式配电柜安装分项工程质量检验评定表
表号:DL/T 表续工程名称:黄陵建北煤矿风井场地35kV变电站工程
母线安装分项工程质量检验评定表
表号:DL/T 表工程名称:黄陵建北煤矿风井场地35kV
变电站工程
母线安装分项工程质量检验评定表
表号:DL/T 表续工程名称:黄陵建北煤矿风井场地35kV变电站工程
断路器检查分项工程质量检验评定表
表号:DL/T 表工程名称:黄陵建北煤矿风井场地35kV变电站工程
断路器检查分项工程质量检验评定表
表号:DL/T 表续工程名称:黄陵建北煤矿风井场地35kV变电站工程
控制电缆回路检查及二次接线分项工程质量检验评定表
表号:DL/T 表工程名称:黄陵建北煤矿风井场地35kV
变电站工程
控制电缆回路检查及二次接线分项工程质量检验评定表
表号:DL/T 表续工程名称:黄陵建北煤矿风井场地35kV变电站工程。