艾默生ups不间断电源全系列解决方案(数据中心,各行业,信息中心-图例说明
- 格式:ppt
- 大小:7.73 MB
- 文档页数:33
iTrust US11R系列UPSiTrust系列单相小功率UPS(1~3KVA)全能型的网络结点支撑方案应用范围∙办公终端∙服务器∙网络支撑设备∙存储∙VOIP∙精密仪器∙医疗设备∙自动化设备超强网络管理功能∙可通过RS232、干接点和SNMP卡实现对UPS的近程和远程的监控,同时广泛兼容Windows、Linux、Sun Solaris、IBM AIX等多种操作平台∙监控平台UPSiteplus为纯JAVA编制,基于WEB方式,网络监控容量不受节点数限制∙多点记录,智能分析,灵活设置,优化存储∙可接入BMS楼宇监控系统∙可同时监控不同信号、不同系列,甚至不同品牌的UPS产品∙可通过机房信号适配器接入机房的温度/湿度/门禁/水禁/烟感等环境量进行集中监控和处理易于安装,配置灵活∙采用机架式和塔式兼容性设计,既可立于办公桌面就近使用,又可集成于标准机房19英寸机架中,最大限度匹配可户多变的使用环境∙可通过简单的添加电池模块实现系统后备时间的增加∙含多种交流输出方式,国标/IEC标准/端子排方式,方便笔筒型号的设备插头直接使用操作简洁,维护便利∙“一键”实现开机/切换/关机/消音等操作∙故障类型清晰显示,便于现场快速定位∙采用LED的显示方式,且支持中英文,方便不同用户清晰了解设备运行状况最先进的DSP全数字控制技术∙采用最新第六代DSP全数控技术,简化了控制电路,同时避免了模拟控制带来的精度不足和参数漂移问题∙内置自动旁路∙逆变器采用逐波限流技术,可抵御输出短路对系统造成的冲击∙智能电池管理针对中国电网环境的专业设计∙零转换时间:双变换在线式的设计,确保市电掉电时的输出零中断,让负载高枕无忧∙超宽输入电压范围:120—288V,最大限度减少电池放电频度,大幅延长电池使用寿命∙超强输出过载能力:125%过载情况下仍能持续5分钟的在线式运行,保障客户的负载价值∙节能:输入功率因数高达0.99,整机效率高∙超低噪声:采用“静音”设计,<43dB,适合在办公和医疗环境使用∙输入标配D级防雷,有效抵御输入高达6KV/3KA浪涌对主电路造成的冲击∙超强电池回充能力:长延时机型配备7—8安培的充电器,确保电池快速恢复容量∙电磁兼容满足欧洲ClassB的标准,成为“绿色环保型”电源的同时对强干扰环境具有强免疫力∙电池终止电压可根据负载轻重自动调节,避免单一设置导致的电池过度放电技术参数:。
FusionPower Series(UPS5000-S-1200kVA-FP)UPS5000-S-1200kVA-FP which belongs to FusionPower seriessolution is an advanced power supply solution integrate modularUPS, input PDU and output PDU. The system adopts UPS5000-Swhich achieves high efficiency, the module efficiency is up to 97.5%and system efficiency is up to 97%. This integrated solution can savemore space for customers and its high efficiency, high availabilitymatch the requirements of data center perfectly.IntroductionReliable•138-485Vac ultra-wide input voltage range, suitable for the worstpower grid•Redundant design for modules, elimination of the single point offailure•iPower pre-warnings for key components in case of power supplyinterruptionEfficient•High module efficiency is up to 97.5% and system efficiency is upto 96.5%-97% at most frequently-used load rate•Integrated power solution saves 40% footprint•Installation labor hours reduced by 60%Simple•Hot swappable power module, bypass module and controlmodule,simple maintenance and expansion in 5 minutes•iPower real time monitoring system for UPS, PDU and batteries,elimination of manual routing inspection Features•Data centers in headquarter or disaster recovery data centers•Internet data centers•Large cloud computing data centersScenariosPower Module: 55kVA/3U & 97.5% efficiency UPS5000-S-1200kVA-FPSpecificationsModelUPS5000-S-1200kVA-FP Mains InputInput Wiring3Ph+N+PE Rated Voltage380/400/415Vac Voltage Range138-485Vac (305-485Vac for 100% load; 138-305Vac for 35%-100% load)Frequency Range40-70Hz Total Harmonic DistortionTHDi<3% for 100% linear load Input Power Factor0.99Bypass Input Input Wiring3Ph+N+PE Rated Voltage380/400/415Vac Input Frequency50/60±6Hz Battery Rated Voltage360-600Vdc (The number of batteries can be selected from 30 to 50; 40 batteries in default)Output Output Wiring3Ph+N+PE Voltage380/400/415Vac±1%FrequencyTracking the bypass input (Normal mode); 50/60Hz±0.1% (Battery mode)WaveformSine wave (THDv<1% for linear load)Overload CapacityInverter: 110% overload for 60 minutes; 125% overload for 10 minutes SystemOutput Power Factor1EfficiencyUp to 97%EnvironmentOperating Temperature0-40ºC Storage Temperature-40 to 70ºC Relative Humidity0%-95% (No condensing)Operating Altitude0-1000m. Above 1000m, derating rate based on EN/IEC 62040-3Others Height×Width×Depth(mm)2200*2800*1000CertificationsEN/IEC 62040-1; EN/IEC 62040-2; EN/IEC 62040-3; CE; CB; RoHS, REACH, WEEE, munications Dry contacts, RS485, SNMPCopyright © Huawei Technologies Co., Ltd. 2018. All rights reserved.No part of this document may be reproduced or transmitted in any form or by any means without prior written consent of Huawei Technologies Co., Ltd.General DisclaimerThe information in this document may contain predictive statements including,without limitation, statements regarding the future financial and operating results,future product portfolio, new technology, etc. There are a number of factorsthat could cause actual results and developments to differ materially from thoseexpressed or implied in the predictive statements. Therefore, such informationis provided for reference purpose only and constitutes neither an offer nor anacceptance. Huawei may change the information at any time without notice. Trademark Notice, HUAWEI , and are trademarks or registered trademarks of Huawei Technologies Co., Ltd.Other trademarks, product, service and company names mentioned are the property of their respective owners.HUAWEI TECHNOLOGIES CO., LTD.Huawei Industrial Base Bantian Longgang Shenzhen 518129, P .R. China Tel: +86-755-28780808Version No.: 。
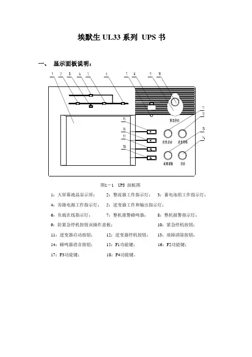
埃默生UL33系列UPS书一、显示面板说明:图1-1 UPS 面板图1:大屏幕液晶显示屏;2:整流器工作指示灯;3:蓄电池组工作指示灯;4:旁路电源工作指示灯;5:逆变器工作和输出指示灯;6:负载在线指示灯;7:整机报警蜂鸣器;8:整机报警指示灯;9:防紧急停机按钮误操作盖板;10:紧急停机按钮;11:逆变器启动按钮;12:逆变器停机按钮;13:故障清除按钮;14:蜂鸣器消音按钮;15:F1功能键;16:F2功能键;17:F3功能键;18:F4功能键。
二、LED指示说明:F1F2F3F4逆变启动逆变停机故障清除消音告警图2-1图2-1的LED显示区的6个发光二极管(LED)作为运行状态和故障的指示灯,绿色亮表示正常,红色亮表示故障。
【旁路灯】绿色亮表示旁路正供电;红色亮表示旁路输入超出保护范围;不亮表示旁路正常但不供电。
【整流灯】绿色亮表示整流器正供电;绿色闪表示市电正常,整流器尚未供电;红色亮表示整流器故障;不亮表示市电异常,无整流器故障。
【电池灯】绿色亮表示电池正供电;绿色闪表示电池放电终止预告警;红色亮表示电池异常(包括电池过温、电池需更换、电池接触器未闭合);不亮表示电池正常但不供电。
【逆变灯】绿色亮表示逆变器正供电;绿色闪表示逆变器工作但处于待供电状态;红色亮表示逆变器故障;不亮表示逆变器未开启,且无故障。
【负载灯】绿色亮表示本机正常输出;红色亮表示本机因过载关机;不亮表示无输出;橙色亮(实际是红绿同亮)表示本机处于过载输出供电中。
【告警灯】红色亮表示系统有告警发生;绿色亮表示无任何告警。
三、功能键说明:图2-1所示的功能键控制区包括五个按钮:【紧急关机键】紧急彻底关掉本机输出,并关掉整流模块、逆变模块、电池输入。
【逆变启动键】逆变器具备启动条件时,按此键可启动逆变器工作;否则此键按下无效。
【逆变停机键】当逆变器正在工作时,按此键可关闭逆变器。
【故障清除键】当系统故障或紧急关机导致UPS电源关闭后,如故障已经排除,按此键可重新启动系统工作。
iTrust UL33 系列 UPS 系统20kVA/30kVA/40kVA/60kVA用户手册艾默生网络能源有限公司iTrust UL33 系列 UPS 系统用户手册资料版本BOM 编码艾默生网络能源有限企业为客户供给全方向的技术支持,用户可与就近的艾默生做事处或用户服务中心联系,也可直接与企业总部联系。
艾默生网络能源有限企业地址:深圳市南山区科技工业园科发路1号邮编: 518057企业网址:主编:郑凯编委:周岩峰周党生杨志洵审核:郑大鹏肖学礼柏子平吴波杨勇华赵广涛责任编写:周溶版权申明艾默生网络能源有限企业版权所有,保存全部权益在没有获得本企业书面同意时,任何单位和个人不得私自摘抄、复制本书(软件等)的一部分或所有,不得以任何形式(包含资料和第一版物)进行流传。
版权所有,侵权必究。
内容若有变动,恕不另行通知。
Copyright by Emerson Network Power Co., Ltd.All rights reserved.The information in this document is subject to change without notice. No part of this document may in any form or by any means (electronic, mechanical, micro-copying, photocopying, recording or otherwise) be reproduced, stored in a retrieval system or transmitted without prior written permission from Avansys Power Co., Ltd..第一版说明内容介绍本手册主要介绍iTrust UL33 系列 UPS系统及其构成部分的特色、功能、技术参数、机械参数等,详尽说了然外面连结端口的尺寸和电气性能。
采用易睿风格的机架式150kVA智能不间断电源用电气柜,用于安装UPS及配电等模块,组成包含UPS系统和SPM系统的集成装置,在一个机柜内完成UPS功能和负载分路配电及监控功能。
ABB主开关配电单元模块,包括UPS输入、输出主开关和维修旁路开关,出厂前装配;与ABB微断开关组件或热插拔开关组件匹配选用。
一、APM150简介数据中心持续可靠的运行是保证客户核心业务永不间断的关键保障。
随着公司业务的不断发展,支持业务运营平台的基础架构——数据中心的规模也需要不断扩容升级。
所以,新数据中心的建设需要关注系统的高可用性和易扩容特性。
APM 智能IDC动力系统是艾默生集40余年大功率UPS生产经验,业内领先的IDC 动力保障和智能供电管理技术,全新推出的新一代一体化IT机房不间断供电及智能配电管理系统。
APM系统采用模块化冗余设计理念,为系统提供N+X冗余并联系统的高可用性。
同时,UPS功率模块支持热插拔,扩容升级变得异常简单。
系统维护时间也由传统的4-12小时缩短为2min,大幅提升系统的可用性。
APM系列模块化UPS具有可靠性高,节能环保等优异特点,为新一代信息技术产业的发展保驾护航,提供安全可靠、绿色环保的交流供电解决方案。
AdaptPM 150 二、应用范围企业中型数据机房、金融、证券数据中心以及政府行业中小型IDC中心三、全新的技术特性1、超级节能环保:50%~75%负载效率>96%,25%负载效率>95%;输入功率因数≈1,输入谐波电流<3%;2、超强带载能力:输出功率因数为1,带超前及滞后功率因数负载均不降额;3、便于安装:上下均可进出线,无需进线柜,柜内集成UPS和智能配电;4、便于维护:全正面维护,UPS、旁路、配电均可在2min内维修更换;5、便于改造:并机系统可共用电池系统,电池组采用12V×30/32/34/36/40节设计,设置灵活,便于旧系统改造时利用原有电池系统,也可在单节电池故障时及时撤除且不影响UPS系统运行。
艾默生UPS简介(康达)产品分类:1、ITrust Adapt 系列,艾默生ITrust Adapt系列5KVA UPS是一款单进单出和三进单出兼容的全新产品,其紧凑的塔式/机架式兼容(2U)的结构设计将直接满足众多行业的最新需求。
ITrust Adapt系列UPS采用双变换在线式结构,内置自动旁路,支持多达3+1的软线并联。
适用对象服务器,存储器,网络设备,VOIP,通讯设备,自动化设备,精密仪器,医疗诊断设备等适用场合,小机房,网络间,营业厅,实验室,仪器室。
产品特点输出功率因数高达0.9,匹配最新服务器的用电特性,兼容6KVA/4.2KW,同样适合工业类设备使用,且现场可调输入兼容单相和三相电网(自适应),支持软线并联运行(最大3+1),且无需并机插框。
超高功率密度,4.5KW只需2U高度,出色的节能环保特性。
■ 输入高功率因数高达0.99,实现高电能利用率■ 满足欧盟ROHS环保指令■ 输入标配D级防雷■ 提供LED/LCD(选件)显示功能,且现场可更换■ 电池模块化设计,可通过级联扩充后备时间■ 塔式/机架式兼容,安装方式随心所欲Adapt 系列UPS如何确保供电的高可靠?■ 双变换在线式设计,市电掉电无中断■ 支持N+X冗余方式,实现系统可靠性的大幅提升■ DSP全数字控制,输出稳压精度高■ 采用最新IGBT器件,实现输入超宽抗电网波动范围Adapt 系列UPS如何带来绿色环保?■ 整机效率高达92%以上,节能效益明显■ 输入功率因数高达0.99,电能利用率高■ 满足欧盟ROHS指令,物料/工艺无有毒物质Adapt 系列UPS如何为您省钱?■ 高达0.9的输出功率因数,较一般UPS可多挂接10%以上的负载■ 采用软线并联方式,省去复杂的并联机框,大幅节省系统成本■ 系统效率高,省电,运行成本低■ 功率密度高,占用机架空间小Adapt 系列UPS如何方便的维护?■ 主机与电池分离设计■ 提供LCD,各类状态/故障信息一目了然Adapt 系列UPS如何提高方案的可用性?■ 兼容单项输入和三相输入,且现场可调■ 支持多达4台的并机,系统容量随意扩充■N+X冗余随意选择■ 可通过级联电池模块方便地延长后备时间Adapt 系列UPS如何满足各种监控需求?■ 提供最新USB监控端口■ 提供可采集环境量的SNMP网络支配卡■后台软件兼容多种操作系统(Windows/Linux/HP-UX/Sun Solaris/IBM AIX等)■ 兼容艾默生机房监控平台SiteMonitor,支持Web监控■ 提供Mib库,方便接入各类NMS网管系统■ 支持服务器自动安全关机功能Adapt 系列UPS如何保护和延长电池组寿命?■ 超宽输入电压/频率范围,有效减少电池放电几率,延长寿命■ 温度补偿功能,减少环境温度对电池寿命的影响■ 超强充电能力,有效缩短电池回充时间■ 主机/电池分离设计,有利于电池散热参数表:电池模块后备时间速查表(2)2、UH11 系列UPS应用范围办公终端、服务器、网络支撑设备、存储、VOIP、精密仪器、医疗设备、自动化设备最先进的DSP全数字控制技术·核心控制器采用32位DSP数字信号处理器,数据处理速度快,精度高·简化控制电路,全面提升控制的灵活性和稳定性·拥有多项DSP控制技术专利针对中国电网环境的专业设计·宽输入电压范围(120-276V),可在长期低压(160V以下)的电网环境中使用,避免电池放电频繁而失效·宽频率输入范围(50Hz±10%),方便燃油发电机接入·双重防雷保护及国际安规设计,适应各类气候和地理环境·输入功率因数0.99,对电网无污染·电磁兼容性满足欧洲标准EN50091-2,适用于办公环境,免除电磁辐射危害·智能风扇调速,降低环境噪音和节约能源智能电池管理·根据电池放电时间和电流自动调节放电终止保护电压,避免固定设置导致的电池过度放电·自动均浮充转换控制,快速恢复电池容量,有效活化电池·自动温度补偿,大幅延长电池使用寿命·自动均流的可并联充电器,优化组合,适应各种长延时要求超强网络管理功能·提供干接点、RS232、SNMP卡接口,监控软件具备电源事件记录和分析功能,支持TCP/IP协议,灵活多样的组网方案,可实现在Internet/Intranet上的远程监控易维护设计·模块化电路结构、抽屉式电池柜和插拔式风扇设计,使维护工作轻松快捷·全中文大屏幕液晶显示,中英文可选操作界面,可实现电气参数查询、UPS功能设置、电源事件告警提示和故障定位,方便国内用户使用3、iTrust2G系列模块化UPS艾默生网络能源有限公司最新推出的iTrust 2G系列UPS,它是既可实现机架安装,又可实现塔式安装的模块化UPS,同时还具有N+X并联冗余功能的全新一代UPS产品:设计的符合国际标准的交流不间断电源系统。
艾默生iTrust UL33 UPS产品说明1.艾默生UPS性能简介a. 简介iTrust UL33系列UPS系统是连接在输入电源和负载之间,为重要负载提供不受电网干扰、稳压、稳频的电力供应的电源设备,在市电掉电后,UPS可将电池能量逆变给负载,继续提供一段时间供电。
UL33系列UPS采用带输出隔离变压器的高频双变换结构和先进的全数字控制技术,输出稳定、洁净、不间断的电源,具备完备的网络管理功能。
b. 基本组成UL33系列UPS系统主要包括由整流模块(REC和逆变模块(INV组成的AC-DC-AC变换主回路、由反向并联的可控硅组成的旁路静态开关、维修旁路空开Q3BP、输出隔离变压器和逆变静态开关、蓄电池组以及输入Q1/输出空开Q5等。
系统组成如图1-1所示,其中,空气断路器Q1控制主路交流电源输入,整流模块将交流电源变成直流电源,逆变模块进行DC/AC变换,将整流模块和蓄电池提供的直流电源变换成交流电源,经过隔离变压器输出。
蓄电池组在交流停电时通过逆变向负载供电。
输入电源也可以通过旁路静态开关从旁路回路向负载供电。
另外,要求对负载供电不间断而对UPS内部进行维修时,可使用维修旁路开关Q3BP。
c. 工作原理UL33系列UPS单机系统主电路如图1-2所示。
主路输入电源从空气断路器Q1输入,通过熔断器,经自耦变压器降压,通过输入电感进入高频六管整流单元,高频整流将三相交流电变换为稳定的直流电源,实现功率因数校正,整流器同时具有充电器的功能;该部分电路采用延时软启动和DSP实时处理的全数字控制技术,提高了系统的抗冲击能力和直流母线电压的稳定性,可减小蓄电池充电纹波,延长蓄电池的寿命。
蓄电池通过接触器接入,只有在直流母线电压达到一定阀值时接触器才能将蓄电池组与直流母线并联接通,蓄电池通过直流滤波电路向逆变器提供直流电源。
逆变器采用DSP实时处理的全数字矢量控制技术,通过SVPWM调制六只IGBT功率开关器件,把直流母线电源变换成三相交流。
艾默生Liebert NXR-100KVAUPS产品说明Liebert 系列NXR-100KVA UPS是采用最新DSP数字控制技术的在线式双变换UPS产品,具有优异的性能和突出的可靠性。
艾默生Liebert NXR UPS特点如下:1.系统效率高:NXR系统负载率在50%-75%的时候,效率高达96%。
系统负载率25%的时候效率大于95%。
2.优越的整流器性能无论线性负载或非线性负载整流器都有非常小的输入电流谐波(<3%)和非常高的输入功率因数(>0.99),可以减少前端的配电装置和电缆的成本,同时使得前端发电机的容量大为降低。
3.输出带载能力强:NXR系列UPS输出功率因数为0.9。
以100KVA容量为例,NXR可以带90KW 有功负载,而传统输出功率因数为0.8的UPS只能带80KW的有功负载。
4.紧凑的结构设计,占地面积小紧凑的结构设计极大的减小了对安装空间和地板承重的要求,使用户节省了空间和投资。
100KVA底座安装面积约为0.5㎡。
5.基于DSP的全数字控制技术在Liebert NXR UPS中,所有的功率变换器(诸如整流器、逆变器和DC/DC 变换器等)和系统元件(诸如旁路和逆变器的静态开关)都是由2个DSP (数字信号处理器)控制。
DSP的高速和精确控制性能使UPS可由先进的柔性的逻辑算法实现极高的性能和可靠性。
6.先进的并联功能并联功能在增加UPS系统容量的同时更进一步提高了电源的可靠性。
例如N+1系统中,假设1台UPS因偶然故障而退出,剩余的系统仍然能够向精密的负载提高稳定的电力供应。
Liebert NXR 系列UPS可实现多达4台并联而无需增加任何功能卡或其他选件,扩容或冗余时,并联系统的设置仅仅通过增加并机电缆就可完成。
并联功能通过并机电缆、实时的负载均分调节和灵活的智能化控制实现。
精密负载在各种运行模式和条件下都受到最大可靠性和可用性的保护。
7.极宽的输入电压范围整流器输入电压范围是相电压从 228V 到 476V (低于-20% 时降额),频率范围从 40Hz 到 70Hz 。
目录I 设计说明 (2)一、概述 (2)二、设计依据 (2)三、设计范围 (2)四、设计原则 (3)五、系统产品介绍 (4)六、施工说明 (15)II预算编制说明 (20)一、工程费用概况 (16)二、预算编制依据 (16)三、有关费用取定及说明 (17)四、概预算表格 (17)Ⅲ图纸1 新增600KVA UPS供电系统图S20017DYW-15-012 新大楼一层平面布置图S20017DYW-15-0234 新大楼一层平面布置图(灯带)新大楼六层平面布置图S20017DYW-15-03S20017DYW-15-045 新增600KVA UPS配电图S20017DYW-15-056 新增1列交流配电屏配电图S20017DYW-15-067 新增2列交流配电屏配电图S20017DYW-15-078 新增3列交流配电屏配电图S20017DYW-15-089 中心新增交流配电箱配电图S20017DYW-15-0910 电力室走道新增交流配电箱配电图S20017DYW-15-1011 新增600KVA UPS输入配电屏供货图S20017DYW-15-1112 新增600KVA UPS输出配电屏供货图S20017DYW-15-1213 新增1#列头配电屏供货图S20017DYW-15-1314 新增2/3#列头配电屏供货图S20017DYW-15-1415 新增墙挂式配电箱供货图S20017DYW-15-15I设计说明一、概述本工程设计为“2011年新大楼项目配套UPS设备安装工程一阶段设计”。
大楼目前处于全面整修阶段,大楼总共7层,本次工程按照建设单位的相关要求,在一楼电力室新增一套600KVA UPS设备;将一楼信息机房全面规划、在第一列列头安装配电柜;在六楼中心机房安装UPS逆变配电箱。
鉴于信息机房非常重要,建议由建筑物总配电系统提供不少于1路独立电力线路引至机房供配电系统,该线路前端可为多路由不同变电站引入的市电线路及柴油发电机线路,经ATS自动切换系统互投后引入机房,机房内用电设备供电电源均为三相五线制及单相三线制。
艾默生UPS的UL33族技术介绍UL33系列UPS系统适用于不间断用电场合,主要作为各种计算机机房的不间断电源系统,可广泛应用于金融证券、邮电通信、政府机关、能源化工、交通运输等各行。
一、整机技术特点采用绝缘栅双极型晶体管(IGBT)功率器件和多重保护技术输入高频整流模块和输出逆变模块主回路功率器件均采用大功率IGBT功率器件,输入回路采用空气断路器、熔断器、最大电流控制等保护技术,输出同样用空气断路器、快速熔断器、过流等保护,功率器件采用逐波限流保护,系统具有双DSP全数字实时控制技术和步进式多重软启动技术等多重保护,大大提高了系统可靠性。
先进的分散式直接并联技术保证了在线扩容和系统冗余(N+1)UL33系列UPS电源可以在运行状态下直接在线并机,减少了许多并机的准备工作和辅助装置,方便系统的扩容和并机。
瞬时值均流技术显著降低环流(<1A),电流不平衡度<1%瞬时检测和处理系统信息,减少并机电源检测和跟踪同步的时间,也减小了均流系统的固有环流。
最先进的双DSP全数字技术UL33系列UPS电源系统采用最先进的DSP芯片,高速实时检测和控制整流和逆变模块的工作状况,同微型计算机监控系统一起实现了先进的全数字控制技术。
整机不需任何可调电阻,抗干扰能力强,无老化漂移问题在生产调测时将设备的各种元器件内置电气参数预置在E2ROM中,减小整机调测生产的工作量,同时也消除了可调器件在运输过程中震动误差和老化漂移的隐患。
业内独一无二的UPS防雷技术UL33系列UPS电源内置D级防雷装置,可承受1.2/50μs+8/20μs 6kV/3kA的浪涌冲击,同时还可以在输入电源前端配置C级和B级防雷系统,形成整套的防雷体系以保障用户的设备和人身安全。
系统具有预告警和安全关机功能若电池能量快用尽而市电还没有恢复正常,系统会提前进行报警。
对于计算机负载还可以通过安全关机软件自动存储保护用户计算机数据,及时退出操作系统,安全关闭计算机和服务器,保证数据不会丢失。
艾默生中小容量UPS方案及 产品介绍艾默生网络能源有限公司艾默生UPS系列-全球最全UPS家族Hipulse NX iTrust UL33 iTrust Industry iTrust UH31 iTrust 2G iTrust UH11户外型 iTrust UH11 iTrust US1110、15、20KVA 3、6、9、12、15、18KVA 1、2 KVA 80、120、160、200、300、400、500、600、800KVA10、15、20、30、40、60、80、100、120、140、160、200KVA20、30、40、60KVA 30、40、60、80KVAUH31UH111、2、3、6、10 KVA 1、2、3US11R 10单进单出UPS单机容量,KVA120三进单出UPS60 80三进三出UPS200800目录艾默生UPS方案和产品介绍艾默生小容量UPS产品族 (1-20KVA) (1-20KVA)• 双变换 / 全数控系列: 容量: 封装: 输入输出: 电压登记: 频率 :UH 11 1/2/3/6/10kVA 塔式 单进单出 220 (L-N) 50HzUH 31 10/15/20kVA 塔式 三进单出 380/220 50HzUS11R 1-3KVA 塔式/机架式 单进单出 220/230/240 50Hz产品特点- US11R•容量: •特点:1/2/3 KVAUS11R Series•满足多种机房应用-可用于19“机架安装,兼容桌面使用 •美观-黑色,IT风格 •供电质量高-双变换式 •对电网无污染-IGBT 整流器 •高可用性-全数字控制 •配置灵活-独立电池模块 •高抗扰性-超宽电压输入范围(120-288V) •电池寿命长-智能电池管理 •强防雷能力-内置输入防雷器 •满足国际电源标准-绿色电源指标 •适应超长延时使用-内置大容量充电器 •维护方便-可更换的电池模块 •智能化-支持各种监控模式产品特点- UH11•容量: •特点:1/2/3/6/10 KVAUH11 Series•供电质量高-双变换式 •对电网无污染-IGBT 整流器 •高可用性-全数字控制 •配置灵活-可内置电池 •高抗扰性-超宽电压输入范围(120-280V) •界面友好-大屏幕中文液晶显示 •电池寿命长-智能电池管理 •强防雷能力-内置输入防雷器 •满足国际电源标准-绿色电源指标 •适应超长延时使用-可扩展的充电能力 •维护方便-可更换的内置电池 •智能化-可远程监控产品特点- UH31•容量: •特点:10/15/20 KVAUH31 Series•高电网适应性-三进单出设计 •高场地适应性-体积小 •供电质量高-双变换式 •对电网无污染-IGBT 整流器 •高可用性-全数字控制 •高抗扰性-超宽电压输入范围/可缺相工作 •界面友好-大屏幕中文液晶显示 •电池寿命长-智能电池管理 •强防雷能力-内置标配输入防雷器 •适应超长延时使用-可扩展的充电能力 •维护方便-可更换的内置电池 •智能化-可远程监控•Dimension: 280mmW×875mmD×770mmH艾默生网络能源UPS产品技术优势1.业界领先的DSP全数字控制,确保电力变换过程的稳定和高 效,实现整机提供的嘎可靠性•快于传统单片机10-20倍,事件处理及时、准确 •集成度提高,简化了电路 •抗干扰能力增强 •直接产生脉宽调制波,特别适用于高频控制领域 •避免了模拟控制器固有的硬件参数漂移等 缺陷,保证了产品的一致性第三代:DSP数字信号处理器 第二代:CPU(单片机) 第一代:分立元件+集成电路艾默生网络能源UPS产品技术优势2.专业的输入整体防雷解决方案,大幅度增强UPS系 统的电网适应性,确保系统的长期运行可靠• 全系列产品的防雷功能都经过实测检验I(%)100 90peak• 防雷装置严格按照IEC标准设计 内置标配D级防雷装置 1.2/50μs+ 8/20μs 6KV/3KA 可选C级防雷箱 8/20μs 20KAN A B C50耦合小电感至监控报警10整 流 单 元IT1 T2tC级RgD级气体放电管Rg即即即即即即即,也也也也也也艾默生网络能源UPS产品技术优势3.绿色电源技术; --输入采用PFC技术的IGBT整流器,带来UPS输入特性的飞跃,避免了 UPS对电网的负载,并有效降低客户的系统成本.•理想的输入功率因数(无需任何配件)输入功率因数≥0.99;•有效电网污染,减少电缆发热,延长开关寿 命,降低油机配比输入U/I波形--整机电磁兼容性达到欧洲EN62040-Class B的标准.•可用于医疗,精密仪表,高级办公环境等SNMP 卡可通过不同品牌的UPS!负载将失去不间断系统结构图一机架系统结构图到另的保护.系统结构图。
UPS系列培训 Liebert NXr 培训NXr 原理及应用Liebert NXr 150K1主要内容NXr UPS 系列产品 NXr UPS 系统原理 NXr UPS 产品规格 NXr UPS 显示面板 NXr UPS 操作使用Liebert NXr 150K22产品介绍NXr系列UPS在UPS家族中的位置 NXr系列UPS在UPS家族中的位置 系列UPS NXr系列UPS的主要应用领域 NXr系列UPS的主要应用领域 系列UPS 用户对中功率UPS的需求 用户对中功率UPS的需求 UPS NXr系列UPS技术优势 NXr系列UPS技术优势 系列UPSLiebert NXr 150K33艾默生UPS系列 —— 全球最全UPS家族Hipulse-NXL Hipulse U NXa/e NXr iTrust UL33 iTrust Industry iTrust UH31 iTrust 2G Adapt iTrust UH1110、15、20kVA 、 、 3、6、9、12、15、18kVA 、 、 、 、 、 5、10kVA 、 6、10kVA 、 单机容量,kVA 500、600、800kVA 、 、 120、160、200、 300、 400kVA 、 、 、 、 10、15、20、30、40、60、80、100、120、140、160、200kVA 、 、 、 、 、 、 、 、 、 、 、 30、60、90、120、150kVA 、 、 、 、 20、30、40、60kVA 、 、 、 30、40、60、 30、40、60、80kVAiTrust US11R 1、2、3kVA 、 、 &户外型 户外型 1单进单出UPS 单进单出 Liebert NXr 150K102060 80三进三出UPS 三进三出200800三进单出UPS4 三进单出4汇报提纲NXr系列UPS在UPS家族中的位置 NXr系列UPS在UPS家族中的位置 系列UPS NXr系列UPS的主要应用领域 NXr系列UPS的主要应用领域 系列UPS 用户对中功率UPS的需求 用户对中功率UPS的需求 UPS NXr系列UPS技术优势 NXr系列UPS技术优势 系列UPSLiebert NXr 150K55NXr系列UPS的主要应用领域通信行业枢纽楼、计费中心、 通信行业枢纽楼、计费中心、营业厅 核心网、交换局、 核心网、交换局、长途交换局 center、BOSS中心 中心、 call center、BOSS中心、网管中心 ISP、ICP宽带网数据中心 ISP、ICP宽带网数据中心 轨道交通综合供配电系统Liebert NXr 150K66汇报提纲NXr系列UPS在UPS家族中的位置 NXr系列UPS在UPS家族中的位置 系列UPS NXr系列UPS的主要应用领域 NXr系列UPS的主要应用领域 系列UPS 用户对中功率UPS的需求 用户对中功率UPS的需求 UPS NXr系列UPS技术优势 NXr系列UPS技术优势 系列UPSLiebert NXr 150K77用户对中功率UPS的需求TCO最低 最低 中国电网环境可用性 先进的数字控制技术 高过载能力 负载适应性强 电池管理能力 先进的网络管理功能Liebert NXr 150K88汇报提纲NXr系列UPS在UPS家族中的位置 NXr系列UPS在UPS家族中的位置 系列UPS NXr系列UPS的主要应用领域 NXr系列UPS的主要应用领域 系列UPS 用户对中功率UPS的需求 用户对中功率UPS的需求 UPS NXr系列UPS技术优势 NXr系列UPS技术优势 系列UPSLiebert NXr 150K99NXr 系列UPS优异的技术特性业界最低TCO 业界最低TCO 优异的输入特性 高过载能力 高过载能力 高负载适应性 高可靠性 高可用性 先进的网络管理功能 先进的网络管理功能Liebert NXr 150K1010以160KVA 为例,NXR 能够带120*0.9=108KW,一般输出功率因数为0.8的UPS 能带120*0.8=96KW , NXR 能多带108KW-96KW=12KW,多带12.5%的有功功率低TCO 高输出功率因数-Liebert NXr 150K 12有效利用电能,,有效利用电能电缆和油机))18.0015.00 KVA=KW/0.8根据美国的大型数据中心的统计资料统计资料::在UPS UPS系统的故障中系统的故障中系统的故障中,70,70,70%%故障原因是电池系统故障UPS UPS电池管理系统包括电池管理系统包括电池管理系统包括::高可靠性高可靠性--先进的电池管理系统Liebert NXr 150K 19–均浮充自动转换–温度补偿–放电中止电压自动调节–电池自诊断和自检–电池容量预测–放电时间预估–低电压预报警客户价值延长电池工作寿命延长电池工作寿命,,保护客户投资保护客户投资。
y2iTrust Industry系列三进单出工业型UPS 汇报提纲幻灯片 1 y2yanglei, 2005-8-4iTrust Industry三进单出工业UPS介绍汇报提纲! ! ! ! ! !iTrust Industry系列UPS在UPS家族中的位置 iTrust Industry系列UPS的主要应用领域 UPS在工业应用领域的使用特点 iTrust Industry系列UPS技术优势 UPS应用方案及案例 友商情况艾默生UPS系列-全球最全UPS家族Hipulse NX iTrust UL33 iTrust Industry iTrust UH31 iTrust 2G iTrust UH11户外型 iTrust UH11 iTrust US1110、15、20KVA 3、6、9、12、15、18KVA 1、2 KVA 1、2、3、6、10 KVA 1、2、3 单机容量,KVA 80、120、160、200、300、400、500、600、800KVA10、15、20、30、40、60、80、100、120、140、160、200KVA20、30、40、60KVA30、40、60、80、105、130KVA1单进单出UPS1020三进单出UPS60 80三进三出UPS200800汇报提纲! ! ! ! ! !iTrust Industry系列UPS在UPS家族中的位置 iTrust Industry系列UPS的主要应用领域 UPS在工业应用领域的使用特点 iTrust Industry系列UPS技术优势 UPS应用方案及案例 友商情况y4iTrust Industry系列UPS的主要应用领域1、电力行业新建或扩建的发电厂的发电机组、DCS改造、脱硫改造 等项目,电网公司信息中心及变电站新建、改造项目。
2、石化行业新建或改造的炼油、乙烯、丙稀、树脂、橡胶、化纤、 化肥、纯碱、烧碱、涂料、染料、农药、轮胎和精细化工等 企业的空气分离、化工、动力站、水处理等项目。