地热钻井井型选择及参数优化设计
- 格式:docx
- 大小:37.25 KB
- 文档页数:2
钻井优化数学建模
钻井优化数学建模是指利用数学方法对钻井作业进行优化设计的过程。
钻井作业是指在地下钻探井孔的过程,主要任务是获取地下资源或地质信息。
钻井优化的目标是提高钻探效率、降低成本,并确保操作的安全性。
数学建模在钻井优化中的应用可以从以下几个方面进行:1. 钻头选型优化:数学模型可以通过分析不同钻头的性能指标、井壁情况等因素,优化选择最适合的钻头类型,以充分发挥钻井作业效率。
2. 钻井参数优化:通过建立数学模型,对钻井参数(如转速、钻压、进给速度等)进行优化设计,以最大程度地提高钻探效率,同时确保井壁的稳定性和作业的安全性。
3. 钻井液优化:数学模型可以对钻井液的成分和性能进行优化分析,以提高钻井液的钻井效果和减少对地下水资源的污染。
4. 钻井路径优化:通过数学建模,可以对钻井路径进行优化设计,以确保钻井孔的质量和方向的准确性。
5. 钻井工艺优化:利用数学模型,对钻井过程中的各种工艺参数进行优化设计,以提高钻井作业的效率、降低成本,并确保作业的安全性。
以上只是钻井优化数学建模的一些应用方向,实际应用中还需要根据具体情况进行综合考虑和分析,以达到最优化的钻井效果。
中深层地热井井身结构设计方法说实话中深层地热井井身结构设计这事儿,我一开始也是瞎摸索。
这中深层地热井啊,那可不简单。
我一开始就知道得考虑好多东西。
我试过先看地质情况,就好比你盖房子之前得先看看地基是啥样的土质,地热井也得先把地下的岩石层啊、地层结构啥的搞明白。
有一次,我没仔细研究地层,就按照一个通用的模型设计,结果那地热井打到一半,就遇到问题了,有个地层硬度比我预想的高很多,钻头磨损得特别快,这可把项目的进度拖慢了不少,这就像你开车在路上,突然遇到一大块石头挡着,你开不动了,就只能想办法先搬走这块石头,我们就得换钻头,还得重新调整设计。
再就是井径的设计,我之前就很迷糊这个。
后来我就想啊,这就像咱们穿衣服,得合身才行。
如果井径太大,成本就高得离谱,就好像你去买衣服,买了个超大号的,又贵又不合身是吧;但要是井径太小呢,后面那些井下工具进出就费死劲了,就像你非要穿一件特别小的衣服,胳膊腿都伸不开。
那怎么确定合适的井径呢?这就得结合你将来放进去的那些设备的大小啦,还有这个地层的稳定性来综合考虑。
还有管材的选择,我试验过不少种类。
最初我觉得便宜就行,结果用了一些不咋适合的管材,在地热井的那种高温高压环境下,没撑多久就出问题了。
后来我明白,就像我们选鞋一样,有时候图便宜买双质量不好的鞋,走几步就难受得不行。
管材得既能适应高温,又要有足够的强度承受地层压力。
像钢管就是比较常用的,但具体啥样的钢管,是无缝的还是有缝的,又得根据具体情况判断。
我就会多了解之前在相似地质条件下的井采用的管材类型,再参考那些成功的例子。
关于套管的设置,这也是重中之重。
我有一回少设了一层套管,结果地下水渗进来了,污染了整个井的环境。
这套管就像是给井穿的防护层。
一般来说,越往深部地层情况越复杂,可能就需要多设置些套管来分区域防护。
比如说在那些容易塌孔或者有不同含水层的地方,套管就不能少。
我也经常不确定自己的设计是不是完美。
这个时候,我就会找行业里有经验的人问问,群策群力嘛。
地热钻井井型选择及参数优化设计地热钻井井型是指地热能开发中用于获取地下热能的井的类型。
选择合适的井型以及优化设计井的参数对于地热能开发的效果至关重要。
本文将介绍地热钻井井型选择的一般原则以及井的参数优化设计的方法。
地热钻井井型选择的原则主要包括以下几点。
需要根据地热资源的类型和分布情况选择合适的井型。
常见的地热资源包括地下热水、地下干热岩和地下热水岩体等。
对于地下热水资源,常用的井型有传统的直井、水平井和倾斜井等;对于地下干热岩和地下热水岩体资源,常用的井型有直井和斜井等。
选择合适的井型可以提高地热能的开采效率。
需要考虑地热能开发的用途和需求来选择井的类型。
地热能的用途包括供暖、供热和发电等。
不同的用途对井的类型有不同的要求。
供暖和供热需要获取更高温度的地热能,此时可以选择深井或者深水井,以获取更高温度的地热水。
而发电则需要大量的地热能,因此可以选择利用地下干热岩或者热水岩体资源的井型。
需要考虑地质条件和技术要求选择合适的井型。
地质条件包括地层类型、地下水位和地下裂隙等。
不同的地质条件对井的类型有不同的要求。
地下水位较高的地区不适合采用传统的直井,而应采用倾斜井或者水平井。
技术要求包括井深、井径、井壁稳定性和井筒衬管等。
根据技术要求选择合适的井型可以提高施工效率和井的使用寿命。
井的参数优化设计是指在选择好井型后,对井的参数进行合理设计以获取最佳的地热开采效果。
井的参数包括井深、井径、井壁稳定性和井筒衬管等。
井深和井径的选择要根据地热资源的分布情况和井的用途来确定。
井壁稳定性是指井壁的稳定性能,涉及到井壁支护和井壁处理等技术。
井筒衬管是指安装在井壁上的钢管或者塑料管,用于保护井壁和提高井的承压能力。
井筒衬管的种类和规格要根据地质条件和井的深度来选择。
井的参数优化设计需要考虑如下几个方面的因素。
需要考虑地热能开采的效率。
地热能开采的效率主要取决于地热资源的温度和地热水的流量。
井的参数设计要保证能够获取到足够的地热水流量,并且能够达到所需的温度。
地热井成井井身结构优化设计分析【摘要】随着我国市场经济的快速稳定发展,城市化程度加强,人民生活质量提高,地热作为一种环保、高效、可持续利用的能源,市场对它的需求非常强烈。
尤其是在我国北方寒冷地区,急需开发大规模的中、低温地热来解决城镇供热的问题,而西北高原也急需开发热矿水来提高人民生活水平,改善人民生活条件。
目前,我国的高温地热资源发电产业已经具有了一定的基础,但是,还有许多问题依然存在。
虽然地热作为一种新型环保的替代能源,而且它的利用、技术研发成本十分低廉,但是它开采投资大、风险高,也是不容忽视的问题。
【关键词】第三系地热井潜山地热井定向井随着我国市场经济的快速稳定发展,城市化程度加强,人民生活质量提高,地热作为一种环保、高效、可持续利用的能源,市场对它的需求非常强烈。
尤其是在我国北方寒冷地区,急需开发大规模的中、低温地热来解决城镇供热的问题,而西北高原也急需开发热矿水来提高人民生活水平,改善人民生活条件。
由于地热市场的推动使得地热能已经由开采中低温地热资源逐渐过渡为开采高温地热资源,而且地热井的勘探和地热井的成井深度也必然随之增加。
而随着地热井成井深度的不断增加,致使揭露地层情况越来越复杂多变,特别是深潜山和潜山内幕为主体的隐蔽型潜山的地热勘察,虽然它们有着巨大的勘探效益,但同时也由于地形的影响致使地层可钻性急剧变差,有更大的几率产生如井壁垮塌、漏失及井斜等一系列的复杂情况,致使它有着高度的复杂性及风险性。
1 定向井井身结构目前定向地热井也就是斜井主要应用于地热一采一灌(对井)钻凿,以此来解决回灌热储层段的水平距离受到井口位置限制的问题。
1.1 第三系孔隙热储层二开定向井身结构第三系孔隙热储层定向井一般情况下为二开井身结构。
一开井身结构用Φ444.5mm井眼下入Φ339.7mm套管,且管外全井段水泥固井并封住定向井表层。
二开井采用的是Φ311.2mm 井眼,包括直井段、增斜段、造斜段以及稳斜段,下入Φ244.5mm进行套管,顶部与Φ339.7mm 的套管重叠不得小于30mm,下部超过目的层不得小于30m,要采用“穿鞋带帽”的方法进行水泥固顶,下部水泥浆上返至目的层以上的距离不得少于150m。
地热井钻井设计及预算一、目的(1)初步了解该井的地层岩性、构造特征等地质条件,初步了热储的含水层特征、化学成分、有用组分及有害组分等。
(2)通过抽水试验,确定单井产能,为地热井的长期开采提供可靠的依据。
二、任务完成设计井的钻井、地质录井、地球物理測井、固井、采样、分析、抽水试验等工作三、设计依据1、根据以往经验,一般煤煤田钻孔平均地温梯度变化为每100米增3°,据了解此区相对地温梯度较小,为每100米增2.5°左右,推断当井深达到2000m时,地温可达到50°左右。
附:井身结构设计图井身结构设计图井深质量要求本次勘察应查明热储的压力、水位、温度、流量和地热流体质量,勘探井穿透不同层位时应做好相应深度下的套管固井工作,防止破坏热储的自然特征。
勘探井应保持垂直,在100m深度内其井斜不应大于1°,完井井斜≤5,每钻进1000m及完井后校正井深,井深误差不大于2%。
各次开钻固井及分段施工设计要点1、一开钻具组合:127钻杆+203钻铤+变径接头+钻头泥浆类型:膨润土+碱面水化钻井液成井工艺:井段长约350m,下入直径339.7mm油井套管,采用AP-G 级油井专用固井水泥全井段预应力固井。
候凝24h后憋压5Mpa,30min不降为合格。
2.二开钻具组合:127钻杆+159钻铤+215.9钻头泥浆类型:不分散低固相化学泥浆试抽水试验(1)抽水试验前,应对抽水试验段进行反复轴洗,直至井内无沉物为止。
对洗井质量进行检测。
2)作一次最大水位降深试抽水,初步了解水位降低与通水量关系,以便正式抽水时,合理选择水位降深,对试抽过程中的全部数行详细,准确记录。
(3)正式抽水对抽水层段(具体深度視具体情况両定),采用热水深井浅井泵抽水,三角堰流量观测,井下压力传感自动水位观测系统观测水位电子测温计观测出水温度。
现场绘制历时曲线,降深次数及降距视具体情况而定,采用稳定流计算方法确定参数。
钻井布局方案最优化方法钻井是一项复杂的地质工程,需要考虑许多因素,比如地质条件、钻探设备、工人技能、工期成本等等。
为了提高钻井效率和质量,需要利用先进的优化方法,来选择最优的钻井布局方案。
钻井布局方案优化的局限性钻井布局方案优化是一项多因素决策问题,不同的权衡和限制因素会影响到钻井方案的选择和设计。
因此,优化目标和优化方法一定要考虑到以下几个因素:•地质条件:包括地形、地质构造、地层状况、地下水位等因素;•钻探设备:包括钻机类型、钻头规格、钻杆长度等工具设备因素;•工人技能:包括工人的技能水平、工作经验、技术素质等个人因素;•工期成本:包括项目周期、人工费用、材料费用、能源费用等项目成本。
钻井布局方案的优化目标往往是复合型的,不同的优化组合和方案可能会导致不同的优化结果和效果。
因此,钻井布局方案的优化方法必须考虑到这些因素的限制和局限性。
钻井布局方案优化的方法与原理在钻井布局方案的优化中,常见的优化方法有两种,一种是基于规则的优化方法,另一种是基于模型的优化方法。
基于规则的优化方法基于规则的优化方法是一种常见的方法,它借助手工创造的规则和经验来处理钻井布局方案的优化问题。
这种方法往往需要依赖于专家和经验和规则,因此会受制于规则显示缺陷、专家经验不足、数据资料不全等因素。
基于模型的优化方法基于模型的优化方法是一种常见的优化技术,它通常利用计算机化模型来对钻井布局方案进行数据分析和计算处理。
在这种方法中,模型会结合不同的优化算法和策略,对多种指标进行分析,以确定最优的钻井布局方案。
这种方法的优点在于可更新、可测量、可重复复现等多重优势。
基于模型的优化方法中,常见的优化算法包括:遗传算法、模拟退火算法、蚁群算法、粒子群算法等。
这些算法均具有进化和搜索的特点,适合处理多因素决策问题下的优化方案。
钻井布局方案优化的案例下面以某工程集团某钻探项目为例,介绍如何利用上述方法对钻井布局方案进行优化。
该工程集团的钻井项目地理位置特殊,周边地质条件复杂,需要考虑到地形起伏、地下水位、气候和环境影响等因素。
地热钻井井型选择及参数优化设计
地热钻井是一项重要的能源开发技术,其井型选择和参数优化设计对地热资源的开采
效果具有重要影响。
本文将从地质条件、井深和井壁稳定性等方面综合考虑,对地热钻井
井型的选择和参数优化设计进行探讨。
地质条件是选择地热钻井井型的重要依据。
地热资源的分布与地质构造密切相关,需
要根据热储层的特征选择合适的井型。
常见的地热钻井井型包括垂直井、斜井和水平井等。
垂直井适用于热储层比较稳定的地区,斜井适用于热储层存在倾斜或不均匀性较大的地区,水平井适用于热储层埋深较浅的地区。
选择合适的井型有助于提高地热资源的开采效率。
井深是地热钻井井型选择和参数优化设计的重要考虑因素。
井深的选择应综合考虑地
热资源的分布和井斜的优势。
井深的增加有助于提高地热资源的开采效率,但也会增加钻
井成本和施工难度。
在实际应用中需要根据具体情况进行合理的井深选择和参数优化设计,以实现经济效益的最大化。
井壁稳定性是地热钻井井型选择和参数优化设计的关键考虑因素之一。
在选择井型和
确定井深时,需要充分考虑井壁稳定性问题,以避免井壁垮塌、漏失等不稳定情况的发生。
可以通过选择合适的井壁支护材料、增加井壁稳定性评价及监测手段等手段提高井壁稳定性。
井壁稳定性的优化设计有助于提高地热钻井的安全性和效益。
编制单位:X X 队长:XX总工程师:X 地质科长:X 编写:x审核:XX义地热井施工技术设计X义单位X年X月义日描图:X打字:X设计施工日期:X年X月第一部分水文地质第一章前言XX单位为了开发当地地热资源,开展温矿泉洗浴,改善居民生活条件等,拟施工XX地热井一口。
X年乂月乂日我队与XX单位签订了该热水井施工合同。
一、主要工程量主要工程量包括:1.施工热水井1眼,钻探进尺X米;2.全孔水文地质测井;3. 抽水试验1次;4. 水质化验1组(全分析、微量元素、细菌分析)。
二、主要工程质量标准主要工程量标准:1.设计孔深X m;2.出水量100m3/h,水温40℃;3.终孔层位:蓟县系雾迷山组;4.封孔止水:侏罗系中统髫髻山组底板之上地层全封。
水泥标号不低于525#;5.下泵段管径不小于①340mm,下泵段深度不小于300m;6.钻孔偏斜执行GB11615-89《地热资源地质勘查规范》。
第二章工程概况第一节工程基本概况拟施工的X单位地热井位于XX。
地处XX,地势平坦,地面海拔标高39m°X 与每条高等级公路互连成网,交通便利。
本工程施工目的主要是获取地下热水资源,同时也相应地为研究乂地质条件提供详实的资料,有关技术要求原则上执行GB11615-89《地热资源地质勘查规范》,所获取资料主要侧重于与地热相关的内容。
第二节施工地质条件X地热井所处区域大地构造单元为中朝准地台(I级构造单元)上的华北断陷(II级构造单元)顺义迭凹陷(W级构造单元)内,其西北部与燕山台褶带(II级构造单元)上的昌(平)怀(柔)中穹断(W级构造单元)相接;东部与平谷中穹断(W级构造单元)相接;南部与北京迭断陷(W级构造单元)相接。
地热井所处区域在阴山纬向构造体系南端燕山台褶带和祁吕贺山字型东翼反射弧构造体系及新华夏构造体系的复合部位,五大构造体系的复合、联合作用构成了本区复杂的构造格局和控制了地层的沉积分布特征。
一、地层区内地层自上而下有第四系,侏罗系中统髫髻山组,蓟县系雾迷山组。
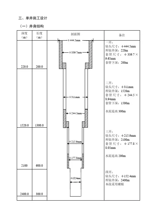
三、单井施工设计(一)井身结构(二)钻井主要设备钻机:RPS3000型钻机钻井泵:泥浆泵型号:3NB-1300D 功率:132KW 最高压力:10Mpa柴油机:150KW 一台电动机:110KW 2台(三)工艺流程一开:施工采用泥浆回转钻进,钻至220m测井,然后下套管并进行固井作业;二开:施工采用泥浆回转钻进,钻至1520m进行测井工作,然后下套管并进行固井作业;三开:施工采用泥浆回转钻进,钻至2100m进行测井工作,然后下套管并进行固井作业;四开钻至2400m,及时组织测井;洗井:采用压风机和水泵等联合洗井至水清砂净。
(四)成井技术要求及措施1、钻探要求本次勘探应查明热储的压力,水位、温度、流量和地热流体质量,勘探井穿透不同热储时应做好下套管固井工作,防止破坏热储的自然特征。
勘察井应保持垂直,在100m深度内其井斜不应大于1°,最终斜度满足规范要求,每钻进100m或终孔后校正孔深,孔深误差不大于2‰。
2、地质录井水文地质技术人员在钻探施工过程中,应严格执行设计要求,按相应规范作好岩芯编录和成井工作。
本井可间断采芯,但必须配合岩屑录井和钻井液录井,并满足划分地层,确定破碎带,热储层岩性,厚度等要求。
(1)岩芯录井每钻进200m及变层部位各取芯一次,岩芯长度3-5 m,但不应少于3m,岩芯取出后要用塑料布包装,以防止风干,立即联系有关部门进行测试及化验。
(2)岩屑录井为掌握钻井地层岩性特征,要做好岩屑录井取样及岩性分层描述,钻进每2m捞取一次岩屑样。
洗净晾干并进行描述,晾干后装袋,每袋重量不少于500克,按先后顺序放入岩芯箱中,并填好岩芯牌。
(3)钻井液录井为保证钻探的顺利进行和确保含水层段不为泥浆护壁,钻探中不同井段采用不同稠度的泥浆作为冲洗液。
上部封井段即0-2100m可采用泥浆的稠度50-60S之间,而进入热储层后(即2100-2400m)应采取清水钻进,以免污染储热层。
每班各测2次泥浆性能,井口测泥浆温度2次。
地源热泵钻井工艺设计流程第一步:勘探和地质调查在进行地源热泵钻井之前,需要对勘探区域进行地质调查。
地质调查主要包括地质剖面、地下水情况、地下温度等方面的调查。
通过地质调查,可以确定钻井的位置和深度,并选取合适的开采方式。
第二步:钻井选址和井型设计根据地质调查结果,确定钻井的选址,并设计井型。
根据需要采取直井、注水井、驱油井、注气井等不同的井型。
在设计井型时要考虑到地下水位和地下温度条件,确保钻井安全和高效。
第三步:钻探工程设计根据地质调查结果和井型设计,进行钻探工程设计。
主要包括钻杆直径、钻杆强度、钻头类型、钻井液性质等方面的设计。
钻探工程设计的目标是保证钻井的质量和效率,同时减少对地下环境的影响。
第四步:施工过程与操作规程通过以上步骤的设计,可以进行地源热泵钻井的施工过程和操作规程的编制。
施工过程包括钻井设备和工具的选择、钻机的操作、钻井液的配制、钻井管道的连接等方面。
操作规程包括施工人员的职责分工、安全操作规范、应急处理措施等内容。
第五步:验收与调试施工完成后,需要进行验收与调试工作。
验收主要包括井眼质量、完井工艺、井身完整性等方面的检查。
调试工作主要包括钻井液清洗、井筒测试、管道连接等方面的调试。
只有通过验收和调试,确保钻井工艺的有效运行。
第六步:监控与运营钻井完成后,需要进行监控与运营工作。
监控工作主要包括对地下热能的开采效果进行监测,保证地源热泵系统的正常运行。
运营工作主要包括钻井设备的维护和保养,定期对井眼进行清洗和修复,确保钻井系统的稳定运行。
通过以上的流程,可以有效地进行地源热泵钻井的设计和施工。
钻井的质量和效率直接影响到地热能的开采和利用,因此需要严格按照流程进行操作,并进行监控和运营。
地源热泵钻井技术的不断发展和完善,将为节能环保事业做出更大的贡献。
地热钻井井型选择及参数优化设计地热能是一种清洁、可再生的能源,具有很大的开发潜力。
地热钻井是地热能开发的重要环节之一,井型的选择和参数优化设计对地热能的开发利用有着重要的影响。
井型的选择是指确定井筒的形状和布置方式,常见的地热井包括垂直井、斜向井和水平井。
垂直井是沿着竖直方向钻探的井,适用于地热热储层较厚、热梯度较大且储层性质均匀的地区。
斜向井是将井眼倾斜钻探至储层,适用于地热热储层比较厚、热梯度较大但储层性质不均匀的地区。
水平井是将井眼水平钻探进入热储层,适用于地热热储层较薄、热梯度较小但储层性质均匀的地区。
在选择井型时,需要综合考虑地下地质条件、热梯度、储层性质等因素。
井型参数的优化设计是指确定井深、套管大小、井壁稳定条件等参数的最佳取值。
井深是指井眼从地面到热储层的长度,需要根据地下地质条件和热梯度来确定。
井深过浅会导致地热能利用率低,井深过深则会增加钻井成本。
套管大小是指钻井过程中安装在井眼内部的金属管,主要用于井壁稳定和井眼完整性保护。
套管大小的选择要考虑到井眼直径、地下水位、井壁稳定等因素。
井壁稳定是指在钻井过程中保持井眼的稳定状态,避免井眼坍塌和泥浆漏失现象。
为了保证井壁稳定,需要根据地下地质条件选择合适的泥浆密度和井壁支撑物的使用。
井型选择和参数优化设计是一个复杂的过程,需要综合考虑地下地质条件、热梯度、储层性质、钻井成本等众多因素。
在确定井型和优化参数时,可以借助地质勘探技术、数值模拟方法和经济评价方法进行分析和判断。
通过综合地利用地下资源,合理选择井型和优化参数,可以最大限度地提高地热能的开发利用效率,实现能源的可持续发展。
地热钻井井型选择及参数优化设计地热能是一种清洁、可再生的能源,具有丰富的储量和持久稳定的特点。
地热能的开发利用对于减少能源消耗、改善环境、促进经济发展具有重要意义。
在地热能的开发利用过程中,地热钻井是必不可少的一项技术。
地热钻井的井型选择及参数优化设计对于地热资源的开发利用具有重要的意义。
一、地热钻井井型选择地热钻井井型选择是地热能开发利用过程中的一项关键技术。
根据地热地质条件、井孔布局和开采方式等因素,地热钻井井型可分为直井、斜井和水平井。
直井是垂直向下钻探的井型,适用于地层较为均质、普遍分布、平缓趋势的地区。
斜井是从地面出发,逐渐倾斜向下钻探的井型,适用于地热资源较为分散、地表地貌较为复杂的地区。
水平井是在地层水平方向钻探的井型,适用于地热资源分布广泛、地下地质条件较复杂的地区。
在实际的地热能开发利用中,地热钻井井型选择应根据地热资源的地质条件、地貌条件及开采方式进行综合考虑。
还需要考虑地热钻井的经济和技术条件,在充分考虑各种因素的基础上,选择合适的地热钻井井型。
只有选择合适的地热钻井井型,才能更好地实现地热资源的开发利用。
二、地热钻井参数优化设计地热钻井参数优化设计是地热能开发利用过程中的一项重要工作。
地热钻井的参数包括钻井液性能、钻进参数、井眼结构参数等。
通过对地热钻井参数的优化设计,可以提高地热钻井的施工效率、降低成本、减小安全风险。
1. 钻井液性能地热钻井液是地下钻井过程中使用的一种特殊液体,具有冷却、润滑、支撑井壁、悬浮废屑等多种功能。
在地热钻井液的性能选择上,应根据地热资源的地质条件、井深和井眼直径等因素进行选择。
还需要考虑地热钻井液的环保性、再生利用性等方面的要求,以确保地热钻井液在钻井过程中的有效使用。
2. 钻进参数地热钻井的钻进参数包括钻进速度、扭矩、钻头压力等。
通过优化这些钻进参数,可以提高地热钻井的钻进效率、降低能耗、减轻对地层的影响。
在实际的地热钻井过程中,应根据地热资源的地质条件、井深和井眼直径等因素进行合理选择,并进行不断调整和优化。
地热钻井井型选择及参数优化设计地热能是指利用地下岩石内部储藏的热能进行直接或间接利用的一种清洁能源。
而地热钻井是地热能利用的重要环节之一,是将地下热能资源开发利用起来的重要手段。
在地热钻井的设计中,井型的选择及参数的优化设计是关键的环节,对地热钻井的开发利用具有重要意义。
本文将就地热钻井井型选择及参数优化设计进行详细探讨。
一、地热钻井井型选择选择合适的井型是地热钻井设计的首要任务。
一般而言,地热钻井井型的选择受到地下地热资源分布、热水循环系统以及钻井方法等因素的影响。
常见的地热钻井井型主要包括垂直井、倾斜井和水平井。
垂直井是最常见的地热钻井井型,其优点是施工技术成熟、施工周期短、维护方便等。
但由于地热资源的分布具有一定的不均匀性,因此在一些地区,垂直井的利用效率相对较低。
倾斜井是一种介于垂直井和水平井之间的井型,其优点是可以在较小的范围内开采更多的地热资源,提高了地热资源的利用效率,但其施工难度较大。
在选择地热钻井井型时,需要结合具体的地下地热资源分布情况、经济性和工程技术等因素进行综合考量,选择合适的地热钻井井型,以实现地热资源的最大开采利用。
二、地热钻井参数优化设计地热钻井参数的选择及优化设计是地热钻井设计的关键环节。
地热钻井参数主要包括钻头类型、钻进液性质、钻进液密度、钻进液流速、钻孔直径等。
首先是钻头类型的选择。
在地热钻井中,常见的钻头类型主要包括钻夹钻头、扩孔钻头和平头钻头等。
不同类型的钻头适用于不同类型的岩石地层,如泥岩地层适合使用扩孔钻头,花岗岩地层适合使用钻夹钻头等。
其次是钻进液的性质选择。
钻进液的性质包括黏度、密度、PH值、渗透性等。
这些性质的选择需要根据地下地热资源的特点进行综合考量,以保证钻井过程中的稳定性和高效性。
再次是钻进液密度的选择。
钻进液密度的选择需要考虑到地下岩层的承压能力以及钻井的安全性,通常需要在达到要求的同时尽量减少钻进液密度,以降低施工成本。
钻进液流速、钻孔直径等参数的选择同样需要进行合理优化,以保证地热钻井施工过程的有效性和经济性。
馆陶组地热井优化使用方案
馆陶组地热井优化使用方案可以从以下几个方面考虑:
1. 地热井设计和施工:地热井的设计应充分考虑地质条件、地下水位和地温分布等因素,选择合适的井深和井径。
施工过程要严格按照相关规范进行,采用适当的工艺措施保障施工质量。
2. 井筒维护和检修:定期对地热井进行维护和检修,包括井筒清洗、沉降补偿、泵浦维护等。
确保井筒内部的畅通性,防止因堵塞或漏水等问题导致热能损失或井底回灌。
3. 水质处理:地热井中的地下水可能含有多种溶解物质,如硫酸盐、铁锰等,需要进行适当的水质处理。
通过预处理设备(如沉砂池、过滤器等),减少水中的杂质对井筒和热交换器的影响,延长设备的使用寿命。
4. 运行监测和控制:安装监测设备,及时获取地热井运行状态、井口温度等数据,确保系统运行正常。
配备自动控制系统,根据实时监测数据进行控制和调节,实现最优的能源利用效率。
5. 热泵系统配套:地热井与热泵系统相结合使用时,要确保热泵系统设计合理、匹配适当。
根据实际需求进行系统容量的选择,并确保系统运行平稳、高效。
以上是一些常见的地热井优化使用方案,具体的优化措施还需根据实际情况进行评估和选择。
在实施过程中,需要遵守相关法律法规和技术标准,并与相关专业机构进行沟通和合作。
地热钻井井型选择及参数优化设计地热钻井井型选择及参数优化设计可以有效提高地热井的开采效率,减少能源开发的成本,同时还能减少对地下水和地质结构的影响。
本文将从地热钻井的井型选择和参数优化两方面进行讨论,并提出一些优化设计的建议。
地热钻井的井型选择主要根据地下热水层的地质结构和热水资源的储存条件来确定。
目前常见的地热钻井井型主要有直井、斜井和水平井。
每种井型都有其适用的场合和优缺点,需要根据具体情况进行选择。
1. 直井直井是一种垂直向下钻探的井型,传统的地热钻井大多采用这种井型。
直井的优点是施工简单,工艺成熟,容易监测和维护,维护成本低。
直井在地下水位较高、地质条件较稳定的地区具有一定的优势。
但直井也存在一些缺点,比如在储层较薄或含有多个水平层的地区,直井的开采效率较低,且容易造成热水采矿产量的波动。
直井还容易对地下水及地质结构造成干扰,对环境带来一定影响。
2. 斜井斜井是井眼呈一定倾斜角度的钻井方式,其优点是可以在较小的井场范围内开采更大的地热资源,减少对地质结构和地下水的干扰,有效提高地热资源的开采效率。
斜井在储层较薄或有多个水平层的地区有明显的优势。
斜井也存在一些缺点,比如施工难度大、成本高、设备要求高,对井壁稳定性和地质勘探精度要求较高。
而且斜井的监测和维护也比直井要复杂。
3. 水平井水平井是在地下水平方向延伸一定长度后再进行开采的井型,可以进一步提高地热资源的采集效率。
水平井可以在水平方向上进行多次分支,从而可对多个热水层进行开采。
水平井在热水层垂直厚度较薄、水平延伸较广的地区具有明显的优势。
水平井的施工难度和成本比较高,对设备和技术要求也较高,且在储层地质结构复杂、变化较大的地区难以准确实现水平延伸。
地热钻井井型的选择一般要根据具体地下热水层的地质构造、水文地质条件和热水资源储存条件等因素综合考虑。
在一般情况下,以直井为主,辅之以部分斜井和水平井的组合使用,以实现地热资源的高效开采。
地热钻井的参数优化设计主要包括选井目标、井眼尺寸、井筒材质、套管设计等方面的内容。
地热钻井井型选择及参数优化设计
地热能利用是一种可再生、清洁的能源,已经成为现代化能源技术中的一个重要组成部分。
地热钻井作为地热能利用的关键环节之一,其井型选择和参数设计对地热钻井作业的效率和安全至关重要。
井型选择
1. 直井
直井是最简单、最基本的井型,其优点是钻探深度可以很大,井斜角度小,具有稳定性好、施工容易等优点。
适用于地热资源较为丰富、地层结构较为单一的区域。
2. 斜井
斜井是在一定角度内钻探井眼的井型,其优点是能够更好地掌握沉积层和裂隙岩石的分布情况,提高地热资源的勘探和开发效率。
适用于地层狭窄、且地下水复杂的地区。
3. 水平井
水平井是钻探到目标层后在目标层水平或稍微倾斜的方向继续钻探而成的井型。
其优点是有效地扩展了井筒与地层的接触面积,提高了地热能的采集效率。
适用于受限于地形地貌、地下水位深度或井环境的异常而相对难以建设垂直井的地区。
4. 方井
方井是以4个方向的贯通均匀分布为特点的井型,其优点是具有较大的开采量和采集面积,适用于热储层水平和垂直方向比较匀称的地区。
参数设计优化
井深是指井孔底部距离地面系统的距离,直接影响着地热能采集的深度和产量。
井深应该依据地层厚度、地下水位深度以及热储层的地温梯度来确定,对于一些较浅的地热资源,可采用直井或斜井方式来钻探。
井径是指井孔内部的空间大小,直接影响着井内产生的水流率和地热水的采集量。
井径应根据热储层渗透性、均质性以及地下水的种类和流量来确定,一般采用较大的井径以提高地热资源的采集效率。
3. 井壁稳定性
井壁稳定性是指在井孔钻探过程中,井壁不发生破坏或坍塌的稳定性。
井壁稳定性应根据钻探孔壁的地质结构、层位顺序、裂隙条件、地下水流动情况等因素进行进行判断,采用适当的钻井技术来保证钻井作业的安全性。
4. 地热水采集
针对不同的地下水类型、地下水化学成分及含盐量等不同条件,采用适当的水泵、过滤器、换热器、管道等装备提高地热水的采集数量和质量。
总体来说,地热钻井的井型选择和参数设计,需要充分考虑地下地质与水文条件,并结合实际情况进行技术优化,以提高地热能的开发利用效率和安全性。