威灵仙质量标准
- 格式:doc
- 大小:17.50 KB
- 文档页数:5
威灵壮骨胶囊质量标准研究目的:建立威灵壮骨胶囊的质量标准。
方法:采用TLC法对处方中的补骨脂和威灵仙进行了定性鉴别研究;采用HPLC法测定淫羊藿苷的含量,选用Cromasil C18(4.6mm×250mm,5μm)色谱柱;乙腈-水(25:75)为流动相,检测波长270nm,流速1.0ml/min。
结果:TLC法可鉴别出补骨脂和威灵仙的特征斑点,专属性强,分离度好;淫羊藿苷浓度在0.021~0.192mg/ml 范围内与峰面积呈良好的线性关系(r=0.9994),平均回收率为99.38%,RSD=1.61%。
结论:该方法简便可行,可用于威灵壮骨胶囊的质量控制。
标签:壮骨;HPLC;淫羊藿苷1 仪器与试药日本岛津高效液相色谱仪,泵LC-10ATVP,检测器SPD-10A VP,EZ色谱工作站;淫羊藿苷对照品(供含量测定用,批号:110737-200414,中国药品生物制品检定所),补骨脂素对照品(供含量测定用,批号:110739-200511,中国药品生物制品检定所),齐墩果酸对照品(供含量测定用,批号:110709-200304,中国药品生物制品检定所);乙腈为色谱纯,水为重蒸馏水,其它试剂均为分析纯;样品:威灵壮骨胶囊(自制,批号120101,120102,120103)。
2 方法与结果2.1 定性鉴别2.1.1 补骨脂的鉴别取样品5g,研细,置具塞锥形瓶中,加氨水2ml,静置1小时,加三氯甲烷20ml,超声30分钟,滤过,滤液浓缩至1ml,作为供试品溶液;另取补骨脂素对照品,加乙酸乙酯制成每1ml中1mg的溶液,作为对照品溶液。
再按处方量及制备工艺要求制成不含补骨脂的阴性对照样品,同法制成阴性对照溶液。
吸取上述溶液各5μl,分别点于同一硅胶G薄层板上,以正己烷-乙酸乙酯(4:1)为展开剂,展开,取出,晾干,置紫外灯下(254nm)下检视。
供试品色谱中,在与对照品色谱相应的位置上,显相同颜色的斑点,且阴性无干扰。
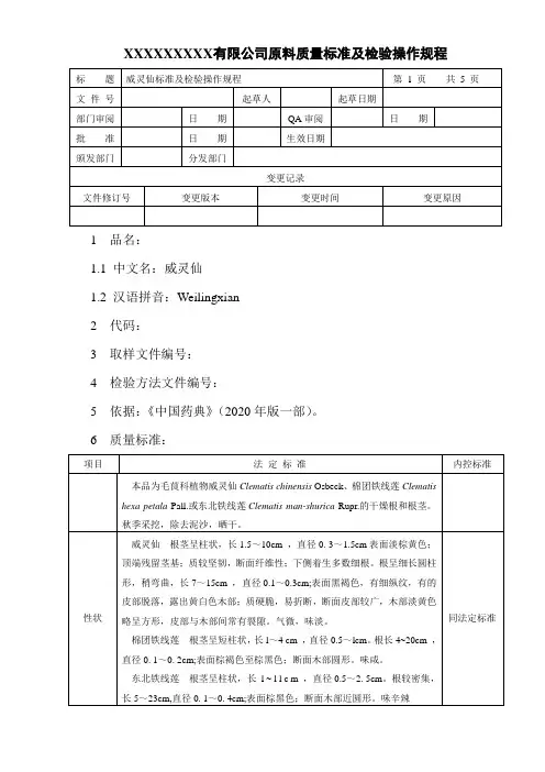
XXXXXX有限公司成品质量标准及检验操作规程1 品名:1.1 中文名:威灵仙1.2 汉语拼音:Weilingxian2 代码:3 取样文件编号:4 检验方法文件编号:5 依据:《中国药典》(2020年版一部)。
6 质量标准:7 检验操作规程:7.1 试液与试剂:乙醇、盐酸、水、齐墩果酸对照品、常春藤皂苷元对照品、石油醚、甲苯、乙酸乙酯、甲酸、硝酸、硝酸银、氨水、二氧化锰、硫酸、氢氧化钠滴定液、甲基红乙醇溶液指示剂。
7.2 仪器与用具:显微镜、烘箱、马弗炉、硅胶G板、水浴锅、薄层色谱仪、电子天平、碘化钾淀粉试纸、中药二氧化硫测定仪。
7.3 性状:取本品适量,自然光下目测色泽,嗅闻气味。
7.4 鉴别:7.4.1取本品粉末lg,加乙醇50ml,加热回流2小时,滤过,滤液浓缩至20ml,加盐酸3ml,加热回流1小时,加水10ml,放冷,加石油醚(60~90°C)25ml振摇提取,石油醚蒸干,残渣用无水乙醇10ml使溶解,作为供试品溶液。
另取齐墩果酸对照品,加无水乙醇制成每lml含0.45mg的溶液,作为对照品溶液。
照薄层色谱法(附录7)试验,吸取上述两种溶液各3µ1,分别点于同一硅胶G薄层板上,以甲苯-乙酸乙酯-甲酸(20:3:0.2)为展开剂,薄层板置展开缸中预饱和30分钟,展开,取出,晾干,喷以10%硫酸乙醇溶液,在105°C 加热至斑点显色清晰。
供试品色谱中,在与对照品色谱相应的位置上,显相同颜色的斑点。
7.5 检查:7.5.1水分:不得过15.0%(附录15第二法)。
7.5.2总灰分:不得过10.0%(附录17)。
7.5.3酸不溶性灰分:不得过4.0%(附录17)。
7.5.4二氧化硫残留量:照二氧化硫残留量测定法(附录58)测定,不得过150mg/kg。
7.6 浸出物:照醇溶性浸出物测定法(附录19)项下的热浸法测定,用乙醇作溶剂,不得少于15.0%。
7.7 含量测定:照高效液相色谱法(附录8)测定。
《中国药典》2010年版威灵仙不同品种常春藤皂苷元和齐墩果酸的含量探讨毕丹;高明菊;徐畅;段然;董婷霞;詹华强【期刊名称】《中国药品标准》【年(卷),期】2012(13)1【摘要】目的:探讨《中国药典》2010年版中威灵仙的含量测定指标常春藤皂苷元和齐墩果酸的实用性.方法:优化《中国药典》2010年版威灵仙含量测定项下方法,并测定威灵仙中常春藤皂苷元和齐墩果酸的含量.结果:威灵仙Clematis chinensis Osbeck的药材符合《中国药典》2010年版的要求,常春藤皂苷元和齐墩果酸均大于0.30%;东北铁线莲Clematis manshurica Rup.r的药材中齐墩果酸大于0.30%,但常春藤皂苷元含量极微.结论:《中国药典》2010年版威灵仙的含量测定指标不能同时适用于威灵仙Clematis chinensis Osbeck和东北铁线莲Clematis manshurica Rupr.的质量控制,建议将两个品种含量测定指标分开制定.【总页数】4页(P19-22)【作者】毕丹;高明菊;徐畅;段然;董婷霞;詹华强【作者单位】香港科技大学中药研发中心,香港;香港科技大学中药研发中心,香港;云南文山三七研究院,文山 663000;香港科技大学中药研发中心,香港;云南文山三七研究院,文山 663000;香港科技大学中药研发中心,香港;云南文山三七研究院,文山663000;香港科技大学中药研发中心,香港;云南文山三七研究院,文山 663000;香港科技大学中药研发中心,香港;云南文山三七研究院,文山 663000【正文语种】中文【中图分类】R921.2【相关文献】1.不同来源威灵仙常春藤皂苷元和齐墩果酸的含量测定 [J], 李璐;林文华;严萍;詹若挺;潘华峰2.UPLC法同时测定痺苓祛痛颗粒中常春藤皂苷元和齐墩果酸含量 [J], 李瑛;吴小明;汪永忠;段贤春;魏良兵;吴健;韩燕全3.HPLC法测定瘤果黑种草子中常春藤皂苷元及齐墩果酸含量 [J], 史荣梅;耿东升;李新霞4.HPLC-DAD-ELSD法同时测定威灵仙药材中齐墩果酸和常春藤皂苷元的含量 [J], 齐帅;胡华5.HPLC法同时测定凌霄花中常春藤皂苷元、齐墩果酸和熊果酸的含量 [J], 徐正龙因版权原因,仅展示原文概要,查看原文内容请购买。
威灵仙的鉴定方法
威灵仙(Scientific name: Dendrobium nobile)是一种优雅美丽的
园艺植物,有着众多的花色和品种,被广泛栽培于温室、花坛和花盆中。
威灵仙的鉴定是指判断其真伪、纯度和植株的健康状况。
下面将介绍威灵
仙的主要鉴定方法。
首先,要判断威灵仙的真伪。
威灵仙的真品有很强的药用价值和观赏
价值,而假品则往往低劣或与其它植物相似。
威灵仙真品的特点是:植株
通常较大,株高约30-80厘米,叶片长,笔直向上生长;花朵由花梗抽出,有5-15朵连续开放;花色鲜艳,多样性较高。
鉴别真品时,需要注意观
察叶片的形态和颜色,花朵的数量和形状,并注意是否有明显的花香。
如
果花朵形状奇特、颜色单一或无花香,就可能是假品。
第三,要判断威灵仙的健康状况。
健康的威灵仙植株通常生长繁茂,
叶片翠绿,植株强壮。
健康的威灵仙的叶片应该没有明显的病斑、虫害或
腐烂现象,植株应该没有倒伏或干枯的情况。
此外,观察植株的根部也是
判断健康状况的重要方法。
健康的威灵仙植株的根部颜色应该为白色或淡
黄色,有鲜活感,而不是暗褐色或黑色。
最后,要注意威灵仙的光照、温度和水分管理,以保持植株的健康和
生长。
总之,威灵仙的鉴定方法包括判断真伪、纯度和健康状况。
通过仔细
观察叶片形态和颜色、花朵的数量和形状,以及植株的健康情况,可以初
步判断威灵仙是否是真品、纯种和健康的。
同时,还需要注意光照、温度
和水分管理,以保持植株的良好生长状态。
XXXXXXX有限公司生产工艺规程1目的:建立威灵仙生产工艺规程,用于指导现场生产。
2 范围:威灵仙生产过程。
3 职责:生产部、生产车间、质保部。
4 制定依据:《药品生产质量管理规范》(2010修订版)《中国药典》2020年版。
5 产品概述5.1 产品基本信息5.1.1 产品名称:威灵仙5.1.2 规格:段5.1.3 性状:本品呈不规则的段。
表面黑褐色、棕褐色或棕黑色,有细纵纹,有的皮部脱落,露出黄白色木部。
切面皮部较广,木部淡黄色,略呈方形或近圆形,皮部与木部间常有裂隙。
5.1.4 企业内部代码5.1.5 性味与归经:辛、咸,温。
归膀胱经。
5.1.6 功能与主治:祛风湿,通经络。
用于风湿痹痛,肢体麻木,筋脉拘挛,屈伸不利。
5.1.7 用法与用量:6~10g。
5.1.8 贮藏:置于干燥处。
5.1.9 包装规格:3g/袋;5g/袋;10g/袋;30g/罐;40g/罐;50g/罐;0.5kg/袋;1kg/袋;10kg/袋;15kg/袋;18kg/袋;20kg/袋;25kg/袋;30kg/袋;50kg/袋。
5.1.10 贮存期限:36个月5.2 生产批量:5~10000kg5.3辅料:无5.4生产环境:一般生产区6 工艺流程图:6.1 威灵仙生产工艺流程图:6.2 生产操作过程与工艺条件:6.2.1领料6.2.1.1饮片车间根据批准的批生产指令,按照“生产过程物料管理程序”,凭填写品名、编码、领料量、数量的指令单到原料库领取威灵仙原料。
6.2.1.2领料过程中必须核对原料品名、编码、件数、数量、合格标志等内容。
6.2.2 净制:6.2.2.1取原料,置于不锈钢挑选台上,按照《净制岗位标准操作规程》手工挑选,除去杂质。
将净威灵仙置净料袋或周转箱。
6.2.2.2净制结束后,称量,标明品名、批号、总件数、总数量。
将净制后的威灵仙运至车间中转间,及时清场并填写生产记录。
6.2.2.3质量要求6.2.2.3.1生产操作过程中,药材不得直接接触地面。
109ChinaPharmaceuticals2020年5月5日第29卷第9期Vol.29牞No.9牞May5牞2020第一作者:杨宇慧,女,大学本科,助理工程师,研究方向为中蒙药标准化,(电子信箱)yyh406@qq.com。
△通信作者:杨桂娥,女,大学本科,高级工程师,研究方向为中蒙药标准化,(电子信箱)359798153@qq.com。
doi:10.3969/j.issn.1006-4931.2020.09.033铁丝威灵仙质量标准研究杨宇慧,段超慧,王皓,段羚,张婷,杨桂娥△(内蒙古自治区包头市食品药品检验检测中心,内蒙古包头014060)摘要:目的完善铁丝威灵仙的质量标准。
方法对铁丝威灵仙进行性状和显微鉴别;建立鉴别薯蓣皂苷元成分的薄层色谱法;建立测定白藜芦醇含量的高效液相色谱法,按2015年版《中国药典(四部)》通则0832水分测定法中烘干法、2302灰分测定法对样品进行相关检查。
结果样品的性状和显微特征明显;薄层色谱显色清晰,与其他斑点分离良好,无干扰;样品中其他成分对白藜芦醇的测定无干扰;水分为2.42%~6.12%,总灰分为2.04%~8.66%,酸不溶性灰分为0.04%~6.34%,70%乙醇浸出物为5.51%~9.80%。
结论该方法操作方便、准确度高、重复性好,可用于铁丝威灵仙的质量控制。
关键词:铁丝威灵仙;质量标准;性状;显微;薄层色谱;含量测定中图分类号:R932;R284.1;R286.0文献标识码:A文章编号:1006-4931牗2020牘09-0109-05QualityStandardofRadixetRhizomaSmilacisYANGYuhui,DUANChaohui,WANGHao,DUANLing,ZHANGTing,YANGGui′e(BaotouFoodandDrugInspection&TestingCenter,Baotou,InnerMongolia,China014060)Abstract:ObjectiveToimprovethequalitystandardsofRadixetrhizomasmilacis.MethodsThetraitsandmicroscopicidentificationofthesampleswerecarriedout.TheidentificationofdiosgeninwasestablishedbythinlayerChromatography(TLC)identificationmethod.Thecontentofresveratrolwasdeterminedbyliquidchromatography.Relevantinspectionssuchasthe0832moisturemethoddry ingmethodandthe2302ashdeterminationmethodinthe2015editionoftheChinesePharmacopoeiawereconducted.ResultsThetraitsandmicroscopiccharacteristicsofthesampleswereobvious.TheTLCmethodcouldconvenientlyandefficientlyextractthecompo nentsofdiosgenin,andthecolorationwasclearandobvious.Themethodofsampleextractionwasstudiedbymethodologicalinvestiga tion,whichshowedthatthemethodwassimple,reproducible,andspecific.Theothercomponentsinthesampledidnotinterferewiththedeterminationofresveratrol.Waterwas2.42%-6.12%,thetotalashwas2.04%-8.66%,acidinsolubleashwas0.04%-6.34%,70%ethanolextractwas5.51%-9.80%.ConclusionThemethodiseasytooperate,hashighaccuracyandgoodrepeatability,andcanbeusedasthequalitystandardforRadixetrhizomasmilacis.Keywords:Radixetrhizomasmilacis;qualitystandard;traits;microscopic;thinlayerchromatography;contentdetermination铁丝威灵仙为百合科植物短梗菝葜SmilaxscobinicaulisC.H.Wright、华东菝葜SmilaxsieboldiiMiq的干燥根及根茎。
XXXXXXXXX有限公司原料质量标准及检验操作规程1 品名:1.1 中文名:威灵仙1.2 汉语拼音:Weilingxian2 代码:3 取样文件编号:4 检验方法文件编号:5 依据:《中国药典》(2020年版一部)。
6 质量标准:7 检验操作规程:7.1试液与试剂:乙醇、盐酸、水、齐墩果酸对照品、石油醚、甲苯、乙酸乙酯、甲酸。
7.2 仪器与用具:显微镜、烘箱、马弗炉、硅胶G板、水浴锅、薄层色谱仪、电子天平。
7.3 性状:取本品适量,自然光下目测色泽,嗅闻气味。
7.4 鉴别:7.4.1取本品制片置10×10显微镜下做显微观察。
7.4.2 取本品粉末lg,加乙醇50ml,加热回流2小时,滤过,滤液浓缩至20ml,加盐酸3ml ,加热回流1小时,加水10ml,放冷,加石油醚(60~90°C)25ml 振摇提取,石油醚蒸干,残渣用无水乙醇10ml使溶解,作为供试品溶液。
另取齐墩果酸对照品,加无水乙醇制成每lml含0. 45mg的溶液,作为对照品溶液。
照薄层色谱法(附录7)试验,吸取上述两种溶液各3µ1,分别点于同一硅胶G 薄层板上,以甲苯-乙酸乙酯-甲酸(20 :3 :0.2)为展开剂,薄层板置展开缸中预饱和30分钟,展开,取出,晾干,喷以10%硫酸乙醇溶液,在105°C加热至斑点显色清晰。
供试品色谱中,在与对照品色谱相应的位置上,显相同颜色的斑点。
7.5 检查:7.5.1 水分不得过15.0%(附录15第二法)。
7.5.2 总灰分不得过10.0%(附录17)。
7.5.3二氧化硫残留量照二氧化硫残留量测定法(附录58)测定,不得过150mg/kg。
7.6 浸出物:照醇溶性浸出物测定法(附录19)项下的热浸法测定,用乙醇作溶剂,不得少于15.0%。
8.7 含量测定:照高效液相色谱法(附录8)测定。
色谱条件与系统适用性试验以十八烷基硅烷键合硅胶为填充剂;以乙腈-水(90 :10)为流动相;检测波长为205nm。
威灵仙威灵仙配方颗粒质量标准浙PF(一)威灵仙是一种中药材,历史悠久,有着很高的药用价值。
近年来,威灵仙配方颗粒逐渐成为人们的保健和治疗手段之一。
目前市面上的威灵仙配方颗粒众多,有些质量较为优秀,但亦有一些质量存在问题。
因此,为了保障消费者权益,国家相关机构制定了威灵仙威灵仙配方颗粒质量标准浙PF。
一、威灵仙威灵仙配方颗粒的定义威灵仙日久历史渊源,是用于药用、中药饮品、香料等领域的干燥威灵仙的研磨微粉制成的颗粒,是中药颗粒制剂之一。
二、威灵仙威灵仙配方颗粒的质量标准1、显微检查:显微检查是威灵仙威灵仙配方颗粒的主要质量检测手段。
显微检查要求符合《中药材显微鉴定规范》,保证在显微镜下,威灵仙颗粒的形态、颜色、结构等符合中药颗粒的标准。
2、水分含量:威灵仙威灵仙配方颗粒水分含量应符合国家相关标准,且不应超过10%。
3、含量测定:威灵仙威灵仙配方颗粒中,各个成分的含量应符合国家相关标准,不应低于规定范围。
4、微生物限度:威灵仙威灵仙配方颗粒中的微生物限度应符合国家相关标准,以保证威灵仙颗粒的卫生安全。
5、农药残留:威灵仙威灵仙配方颗粒中的农药残留应符合国家相关标准,以保证威灵仙颗粒的食品安全。
三、威灵仙威灵仙配方颗粒的质量与治疗效果威灵仙威灵仙配方颗粒的质量对治疗效果具有重要影响。
优质威灵仙威灵仙配方颗粒,可以发挥出威灵仙的药效,增强体质,提高免疫力,促进人体健康。
反之,质量不良的威灵仙威灵仙配方颗粒可能存在虚假宣传、添加不合法成分等不良情况,影响治疗效果,甚至会造成健康危害。
四、结语总之,威灵仙威灵仙配方颗粒是中药颗粒制剂之一,具有重要的药用价值。
购买时,消费者应选择质量有保障的产品,在服用前仔细查看产品标签,确保产品符合威灵仙威灵仙配方颗粒质量标准浙PF,以保障自己的身体健康。
同时,生产商也应严格按照标准要求,制造出符合健康安全标准的优质产品,为广大消费者提供更好的保健和治疗服务。
浅谈威灵仙内服的用量陕西省中医药研究院辛永洁威灵仙为常用的祛风湿止痛药。
《中国药典》1990年版规定其常用量为6~9g。
但是通过临床报道发现,威灵仙的用途非常广泛,用量也远远高于药典规定量,有人甚至用到90g也未见毒副反应。
谭氏用威灵仙25g与草乌25g,震天雷、桂枝、地龙、羌活各15g,香附30g,水煎服,治疗坐骨神经痛86例,有效率为91.9%。
张氏每日取威灵仙50g,水煎分2次服,10d为1疗程,治疗慢性胆囊炎效果满意。
程氏以威灵仙、白茅根各60g水煎服,每日1剂,治疗泌尿系结石15例,全部排出结石。
谢氏先以威灵仙60g,金钱草60g,每日1剂,治疗1例尿路结石,连服3d,无不良反应;后用威灵仙90g,金钱草50g,再服3d 排出结石,无任何不良反应;后又用这两味药治疗肾结石、胆结石、效果也较理想。
还有多例,其威灵仙用量一般均为30~60g。
为了使威灵仙充分地发挥治疗作用,有必要从化学角度对其分析综合。
威灵仙所含的原白头翁素及白头翁素均有刺激性,接触过久可使皮肤发泡、粘膜充血。
而原白头翁素、白头翁素等挥发性成分正是威灵仙祛风湿止痹痛的主要底分。
它们均可随水蒸汽馏出。
原白头翁素的性质很不稳定、在碱性环境易水解破坏,经放置或加热会逐渐合成二聚体白头翁素。
将威灵仙的提取液进行蒸馏,其蒸馏液几乎无威灵仙的特征香气;用TLC检测,也能检出特征斑点。
可见威灵仙在提取过程中,其主要城公已损失殆尽。
也就是说,威灵仙的水提液几乎没有原白头翁素和白头翁素。
由此可知,威灵仙在煎煮过程中会大大降低原白头翁素及白头翁素的含量,从而降低了威灵仙祛风湿止痹痛的药效,相应地也降低了毒,副作用。
因此,根据临床经验,适当地增加剂量并不会产生毒副作用。
现就笔者的一些粗浅看法总结如下。
1、威灵仙在煎煮过程中,大部分原白头翁素和白头翁素随水蒸汽而损失掉;另一部分可能因加热而破坏掉;还有一部分可能与其它化学成分反应生成了新的成分。
2、既然威灵仙祛风湿止痹痛的有效成分为挥发性物质,那么就要不让其损失掉。
威灵仙质量标准
XXXXXXXX药业有限责任公司
第1 页类别技术标准题目威灵仙质量标准共5 页部门质量管理部文件编号 XXXXXX-TS-02-573-1
起草人起草日期审核人审核日期批准人批准日期执行日期
标准依据:《中华人民共和国药典》(2010年版一部)、《全国中药炮制规范》(1988年版)。
原药材
1 【来源】
本品为毛莨科植物威灵仙Clematis chinensis Osbeck、棉团铁线莲Clematis hexapetala
Pall(或东北铁线莲Clematis manshurica Rupr(的干燥根和根茎。
秋季采挖,除去泥沙,晒干。
2 【性状】
2.1 威灵仙
根茎呈柱状,长1.5~10cm,直径0.3~1.5cm;表面淡棕黄色;顶端残留茎基;质较坚韧,断面纤维性;下侧着生多数细根。
根呈细长圆柱形,稍弯曲,长7~15cm,直径0.1~0.3cm;表面黑褐色,有细纵纹,有的皮脱落,露出黄白色木部;质硬脆,易折断,断面皮部较广,木部淡黄色,略呈方形,皮部与木部间常有裂隙。
气微,味淡。
2.2 棉团铁线莲
根茎呈短柱状,长1~4cm,直径0.5~1cm。
根长4~20cm,直径 0.1~0.2cm;表面棕褐色至棕黑色;断面木部圆形。
味咸。
2.3 东北铁线莲
根茎呈柱状,长1~11cm,直径0.5~2.5cm。
根较密集,长5~23cm,直径
0.1~0.4cm;表面棕黑色;断面木部近圆形。
味辛辣。
【鉴别】3
3.1 本品根的横切面
3.1.1 威灵仙
表皮细胞外壁增厚,棕黑色。
皮层宽,均为薄壁细胞,外皮层切向延长;内皮层明显。
韧皮部外侧常有纤维束及石细胞,纤维直径18~43μm。
形成层明显。
木质部全部木化。
薄壁细胞含淀粉粒。
XXXXXXXXXXX
类别技术标准题目第2页威灵仙质量标准
共5页部门质量管理部文件编号 XXXXXXX-TS-02-573-1
3.1.2 棉团铁线莲
外皮层细胞多径向延长,紧接外皮层的1~2列细胞壁稍增厚。
韧皮部外侧无纤维束及石细胞。
3.1.3 东北铁线莲
外皮层细胞径向延长,老根略切向延长。
韧皮部外侧偶有纤维及石细胞。
3.2 理化鉴别
取本品粉末1g,加乙醇50ml,加热回流2小时,滤过,滤液浓缩至约20ml,加盐酸3ml,加热回流1小时,加水10ml,放冷,加石油醚(60~90?)25ml振摇提取,石油醚蒸干,残渣用水乙醇10ml使溶解,作为供试品溶液。
另取齐墩果酸对照品,加无水乙醇制成每1ml含0.45mg的溶液,作为对照品溶液。
照ZT-TS-02-004-1《薄层色谱法》试验,吸取上述两种溶液各3μl,分别点于同一硅胶G薄层板上,以甲苯-乙酸乙酯-甲酸(20:3:0.2)为展开剂,薄层板置展开缸中预饱和30
分钟,展开,取出,晾干,喷以10%硫酸乙醇溶液,在105?加热至斑点显色清晰。
供试品色谱中,在与对照品色谱相应位置上显相同颜色的斑点。
4 【检查】
4.1 照ZT-TS-02-001-1《水分测定法》第一法测定,不得过1
5.0%。
4.2 照ZT-TS-02-002-1《灰分测定法》测定,灰分不得过10.0%。
4.3 照ZT-TS-02-002-1《灰分测定法》测定,酸不溶性灰分不得过4.0,。
5 【浸出物】
照醇溶性浸出物测定法项下的热浸法ZT-TS-02-003-1《浸出物测定法》测定,用乙醇作溶剂,不得少于15.0%。
6 【含量测定】
照ZT-TS-02-005-1《高效液相色谱法》测定。
色谱条件与系统适用性试验以十八烷基硅烷键合硅胶为填充剂;乙腈,水(90:10)为流动相;柱温:30?;检测波长为205 nm。
理论板数按齐墩果酸峰和常春藤皂苷元峰计算均应不低于3000。
对照品溶液的制备取齐墩果酸对照品、常春藤皂苷元对照品适量,精密称定,加甲醇制成每1ml各含1.0mg的溶液,即得。
XXXXXXXXXXXXXX
类别技术标准题目第3页威灵仙质量标准
共5页部门质量管理部文件编号 XXXXXXX-TS-02-573-1
供试品溶液的制备取本品粉末(过四号筛)约4g, 精密称定,置索氏提取器中,加乙酸乙酯加热回流3小时,弃去乙酸乙酯液,药渣挥干溶剂,连同滤纸筒转移至锥形瓶中。
精密加入50,乙醇50ml,称定重量,加热回流提取1小时,放冷,再称定重量,用50,乙醇补足减失的重量,摇匀,滤过。
精密量取续滤液25ml,置水浴上蒸干,残渣加2mol/L盐酸30ml使溶解,转移至锥形瓶中,加热回流2小
时。
立即冷却,移入分液漏斗中,用10ml水分次洗涤容器,并移入分液漏斗中。
加乙酸乙酯振摇振取3次,每次15ml,容器用少量乙酸乙酯洗涤,合并乙酸乙酯液,70?以下浓缩至干,加甲醇溶解,转移至10ml量瓶中,加甲醇稀释至刻度,摇匀,即得。
测定法分别精密吸取对照品溶液和供试品溶液10 µl,注入液相色谱仪,测定,即得。
本品按干燥品计算,含齐墩果酸(CHO)和长春藤皂苷元(CHO)各不得低于30483304840.30%。
7 【贮藏】
置干燥处。
XXXXXXXXXXXXXX
类别技术标准题目第4页威灵仙质量标准
共5页部门质量管理部文件编号 XXXXXXX-TS-02-573-1
中间品
1 【净制标准】
-009-1《杂质检查法》测定,杂质(芦头、泥沙等)不得超过2%。
照ZT-TS-02
2 【洗润标准】
饮用水冲洗至表面无泥土等杂质。
浸润至手捏法检查感觉柔软,不顶手。
但不得有伤水现象。
3 【切制标准】
切制成中段,段长5~10mm。
大小应均匀,小段长不在5~10mm的不得超过
10%(取样100g,拣出异形片称重计算)。
4 【干燥标准】
照ZT-TS-02-001-1《水分测定法》第一法测定,水分不得超过13.0%。
XXXXXXXXXXXXXX
类别技术标准题目第5页威灵仙质量标准
共5页部门质量管理部文件编号 XXXXXXX-TS-02-573-1
成品
威灵仙
1 【性状】
本品呈不规则的段。
表面黑褐色、棕褐色或棕黑色,有细纵纹,有的皮部脱落,露出黄白色木部。
切面皮部较广,木部淡黄色,略呈方形或近圆形,皮部与木部间常有裂隙。
2 【鉴别】(除横切面外)、【检查】、【浸出物】、【含量测定】同药材。
3 【贮藏】
置干燥处。
酒灵仙
1 【性状】
本品形如威灵仙段,表面呈黄色或微黄色。
微有酒气。
2 【鉴别】(除横切面外)、【检查】、【浸出物】、【含量测定】同药材。
3 【贮藏】
密闭,置于阴凉干燥处。
XXXXXXXXXXXXXX。