钢筋混凝土现浇单向板肋行楼盖设计书
- 格式:doc
- 大小:2.37 MB
- 文档页数:4
学院设计说明书院系:课程:现浇整体式的钢筋混凝土单向板肋梁楼盖设计题目:指导教师:设计人:专业班级:成绩:目录1设计题目及目的 (1)1.1 设计题目 (1)1.2 设计目的 (1)1.3 设计内容 (1)1.4 设计资料 (2)2 板的设计——按考虑塑性内力重分布设计 (3)2.1 荷载计算 (3)2.2 计算简图 (4)2.3弯矩设计值 (4)2.4截面承载力计算 (5)2.5配筋示意图 (5)3 次梁设计——按考虑塑性内力重分布设计 (6)3.1 荷载设计值: (6)3.2 计算简图 (6)3.3弯矩、剪力设计值 (7)3.4截面承载力计算 (7)3.5配筋示意图 (9)4 主梁设计——主梁内力按弹性理论设计: (10)4.2 计算简图 (10)4.3 内力设计值计算及包络图绘制 (11)4.4 弯矩、剪力包络图绘制 (12)4.5 配筋计算承载力计算 (13)4.6 两侧附加横向钢筋的计算: (14)4.7 主梁正截面抗弯承载力图(材料图)、纵筋的弯起和截断: (14)单向板肋梁楼盖课程设计任务书1设计题目及目的1.1 设计题目现浇整体式的钢筋混凝土单向板肋梁楼盖设计。
1.2 设计目的○1.掌握现浇钢筋混凝土单向板肋梁楼盖结构布置的一般原则。
○2.掌握板、次梁、主梁等构件截面尺寸的确定。
○3.掌握单向板肋梁楼盖的计算方法和配筋构造。
○4.掌握工程设计计算书的书写格式。
○5.学习现浇单向板肋梁楼盖结构施工图的绘制。
○6.进行结构工程师的基本训练,为此要求:a).算书必须字迹端正,书面整洁,条理清楚,便于查询校核。
b).施工图力求正确,图画布置均匀美观,线条清晰,字迹工整清楚,尺寸无误,用工程字体书写,能基本上符合施工图的要求。
1.3 设计内容1、完成设计说明书一份,其内容如下:(1) 结构平面布置:墙体、柱网、主梁、次梁、板、过梁、圈梁;(2) 板的承载力计算(内力按塑性内力重分布计算);(3) 次梁承载力计算(内力按塑性内力重分布计算);(4) 主梁承载力计算(内力按弹性理论计算);2、绘制结构施工图(1#图纸一张):(1)二层结构平面布置图比例1: 100(2) 扳的配筋图比例1: 50~1: 100(3) 次梁配筋图比例1: 30~1: 50(4) 主梁配筋图比例1: 20~1: 50(5) 结构设计说明。
钢筋混凝⼟单向板肋梁楼盖课程设计任务书钢筋混凝⼟单向板肋梁楼盖设计计算书1、楼盖梁格布置及截⾯尺⼨确定确定主梁的跨度为6.0m ,次梁的跨度为6.6m ,主梁每跨内布置两根次梁,板的跨度为2.0m 。
楼盖结构的平⾯布置图如图所⽰。
1.基本设计资料(1)材料C25混凝⼟:2c /9.11f mm N =,2t /27.1fmm N =,2tk /78.1f mm N = 钢筋:HPB235(2y/210f mm N =),HRB335(2y /300f mm N =,55.0b =ξ)(2)荷载标准值仓库活荷载标准值:2k mm /0.6q 、KN⽔磨⽯地⾯:2m /65.0 KN ,钢筋混凝⼟:3m /25 KN ,混合砂浆:3m /17 KN2.板的设计(按塑性理论⽅法)按⾼跨⽐条件要求板的厚度h ≥l/40=2000/40=50㎜,对⼯业建筑的楼板,要求h ≥80㎜,所以板厚取h=80㎜。
次梁截⾯⾼度应满⾜(1/18 ~ 1/12)l=(1/18 ~ 1/12)×6600=330 ~550mm ,取h=500mm ,截⾯宽b=(1/3 ~ 1/2)h=(1/3 ~ 1/2) ×500=167 ~250mm ,取b=200mm 。
主梁截⾯⾼度应满⾜h=(1/14 ~ 1/8 )l=(1/14 ~ 1/8) ×6000=429~750mm,取h=650mm ,截⾯宽度b=(1/3 ~ 1/2)h=(1/3 ~ 1/2) ×650=217 ~ 325mm,取b=300mm 。
(1)、荷载计算恒荷载标准值楼⾯⾯层: 0.65 kN/㎡板⾃重:0.08×25=2.0 kN/㎡板底抹灰:0.015×17=0.255 kN/㎡恒荷载:1.2×2.095=3.49 kN/㎡活荷载:1.3×6=7.8 kN/㎡g+q=3.49+7.8=11.29 kN/㎡q/g=7.8/3.49=2.23<3(2)、计算简图取1m 板宽作为计算单元,板的实际结构如图所⽰,由图可知:次梁截⾯宽为b=200mm ,现浇板在墙上的⽀承长度为a=mm 120,则按塑性内⼒重分布设计,板的计算跨度为:边跨按以下⼆项较⼩值确定:l 01=ln+h/2=(2000-120-200/2)+80/2=1820mml 011=ln+a/2=(2000-120-200/2)+120/2=1840mm故边跨板的计算跨度取lo1=1820mm中间跨: l 02=ln=2000-200=1800mm板的计算简图如图所⽰。
现浇钢筋混凝土楼盖课程设计任务书学生姓名:专业学号:指导教师:北京交通大学海滨学院土木工程系2012.12钢筋混凝土单向板肋梁楼盖课程设计任务书一、设计题目设计某多层工业建筑(某生产车间)的中间楼面如图所示,其中纵向尺寸5*L y,横向尺寸3*Lx;楼盖尺寸由教师指定(根据学号进行分配)(采用现浇钢筋混凝土单向板肋梁楼盖)图1 楼面平面示意二、设计内容1、结构平面布置图:柱网、主梁、次梁及板的布置2、板的强度计算(按塑性内力重分布计算)3、次梁强度计算(按塑性内力重分布计算)4、主梁强度计算(按弹性理论计算)5、绘制结构施工图(1)、结构平面布置图(1:200)(2)、板的配筋图(1:50)(3)、次梁的配筋图(1:50;1:25)(4)、主梁的配筋图(1:40;1:20)及弯矩M、剪力V的包络图(5)、钢筋明细表及图纸说明三、设计资料1、Ly和Lx尺寸(见设计分组表)楼盖平面轴线尺寸示意图如图2所示.图2 楼面平面轴线尺寸2、生产车间的四周外墙均为承重砖墙,其中纵墙厚370mm,横墙厚度240mm,采用MU10烧结普通砖、M5混合砂浆砌筑。
内设钢筋混凝土柱,其截面尺寸为350mm×350mm。
3、荷载(1)、楼面活荷载,单位为2kN(见设计分组表)/m(2)、楼面面层:水磨石地面2kN.0m/65(3)、楼盖自重:钢筋混凝土自重标准值3/25m kN =γ(4)、平顶粉刷:2/25.0m kN 4、材料 (1)、混凝土:C30(2)、钢筋:主梁及次梁受力筋用HRB400级钢筋,梁箍筋及板内构造筋采用HRB335级钢筋。
5、环境类别:一类 四、 设计内容1. 按指导教师给定的分组进行设计,编制设计计算书。
2. 用2号图纸2张或1号图纸1张绘制楼盖结构施工图,包括结构平面布置图,板配筋图,次梁和主梁配筋图(用铅笔图绘制)。
3. 结构平面布置:按指定的分组进行单向板肋梁楼盖布置,各构件按类型编号,主梁建议采用横向布置,梁宜贯通,布置应规整,同类型构件截面应尽可能统一。
..现浇钢筋混凝土单向板肋形楼盖课程设计一、 设计资料1、 某多层厂房,内框架结构体系,结构平面布置图如下:2、 荷载1) 水磨石面 0.65kN/m 2; 2) 钢丝网抹面吊顶 0.45kN/m 2; 3) 楼面活荷载 5.5kN/m 3;3、 材料1) 混凝土: C30(c f =14.3N/mm 2 , t f =1.43N/mm 2;) 2) 钢筋:梁钢筋HRB400级(y f =360 N/mm 2),其余钢筋采用HPB300级(y f =270N/mm 2)。
二、 楼盖梁格布置草图三、 构件尺寸的确定1、 确定主梁跨度为6.6m ,次梁的跨度6m ,主梁每跨内布置两根次梁,板的跨度 为2.2m 。
2、 估计截面尺寸,按跨高比条件:板厚:板按考虑塑性内力重分布设计,按不验算挠度的刚度条件,板厚应不小于了L/30=2200/30=73.33mm ,此值小于工业房屋楼面最小厚度70mm 的构造要求,故取板厚h=80mm 。
次梁截面b*h : h=o l /18~o l /12=333~500mm ,考虑到楼面活荷载比较大,初估取h=450mm ,截面宽度b=(1/2~1/3)h ,取b=200mm 。
主梁截面b*h : h=o l /15~o l /12=440~660mm,取h=650mm ,截面宽度取b=250mm 。
四、 板的设计 1、 荷载板的永久荷载标准值:水磨石楼面 0.65 kN/2m ; 80mm 钢筋砼板 0.08×25=2.0kN/2m ; 钢丝网抹灰吊顶 0.45 kN/2m ;恒载标准值 3.1 kN/2m ; 活荷载标准值 5.5 kN/2m ;活载控制时,考虑恒载分项系数1.2,活荷载分项系数1.4荷载总设计值 g+q=1.2×3.1+1.4×5.5=11.54 kN/2m恒载控制时,考虑恒载分项系数1.35,活荷载分项系数1.4,组合系数0.9.荷载总设计值 g+q=1.35×3.1+1.4×0.9×5.5=11.12kN/2m由此可确定为活载控制,即荷载总设计值为11.54kN/2m2、 计算简图由板和次梁尺寸可以得到板的设计简,板的支承情况如下图。
1 设计资料某多层厂房,采用内框架结构,边柱为砖柱,楼盖采用钢筋混凝土现浇单向板肋梁楼盖,其标准层楼盖平面布置如图1所示。
楼面活荷载标准值为7.0KN/m2;楼面做法:30mm厚水磨石地面(12mm厚面层,18mm厚水泥砂浆打底),板底有15mm厚石灰砂浆抹灰。
现浇钢筋混凝土楼板。
板伸入墙内120mm,次梁伸入墙内240mm,主梁伸入墙内370mm,柱的截面尺寸是400mm ×400mm。
2楼盖结构平面布置及截面尺寸确定确定主梁的跨度为6.00m,次梁的跨度为7.00m,主梁每跨内布置两根次梁,板的跨度为2.3m、2.3m、2.4m。
楼盖结构的平面布置图如图1所示;按高跨比条件要求板的厚度h≥L0/40=2400/40=60mm,h≥L1/40=2300/40=57.5mm。
对该建筑的楼板,要求h≥80mm,所以取板厚h=80mm;次梁截面高度应满足h=L/18~L/12=333~500mm,取h=500mm,截面宽b=(1/2~1/3)h=150~225,取b=200mm;主梁截面高度应满足h=L/15~L/10=466~700mm,取h=700mm,截面宽度取为b=(l/2~l/3)h=216~325,取b=300mm,柱的截面尺寸b×h=400×400 mm2。
3板的设计板的几何尺寸和计算简图见图2。
图2 板的几何尺寸及计算简图3.1荷载3.1.1恒荷载30mm 厚水磨石 0.65 KN/m 280mm 钢筋混凝土 0.08×25=2.00 KN/m 2 15mm 石灰砂浆 0.015×17=0.255 KN/m 2G k =2.91/m 23.1.2使用活荷载 Q k =7.0 KN/m 2 3.1.3荷载组合设计值对于该房屋楼面结构的活荷载应取r Q =1.4,所以有: G+Q=1.2G k +1.4G k =1.2×2.91+1.4×7.0=13.29KN/m 2 1m 宽板上线荷载G+Q=13.96 KN/m 2× 1m=13.96 KN/m3.2内力计算次梁截面为250×450mm ,在墙上的支承长度取120mm ,则板的计算跨度: 边跨: L 01= L n + h/2=(2300-120-200/2)+ 80/2=2220mm L 01= L n + a/2=(2300-120-200/2)+120/2=2280mm 取L 0=2220mm中间跨: L 02= L n =2400-200=2200mm边跨与中间跨的计算跨度相差:%10009.02.22.222.2<=- 故可按等跨连续板计算内力。
现浇钢筋混凝土肋梁楼盖设计任务书一、设计资料:楼板按本人房屋建筑学课程设计的楼盖设计。
次梁及主梁按下列资料设计。
某三层厂房,平面轴线尺寸为30×18m,30×18.9m,30×19.8m,30×20.7m,30×21.6m,24×18m, 24×18.9m, 24×19.8m, 24×20.7m, 24×21.6m,层高3.6m,采用钢筋混凝土现浇单向板肋形楼盖。
楼面荷载、材料及构造等设计资料如下:㈠楼面活荷载标准值q k=8kN/m2;9kN/m2;10kN/m2;11kN/m2;12kN/m2。
㈡楼面面层用20mm厚水泥砂浆抹面,板底及梁用12mm厚混合砂浆粉底。
㈢混凝土:C30,钢筋:直径d=6mm钢筋采HPB300,其它采用HRB400。
㈣柱的截面尺寸为400×400mm。
㈤以上参数进行组合,以班为单位按学号排列。
二、设计内容和要求:㈠板和次梁按考虑塑性内力重分布方法计算内力;主梁按弹性理论计算内力,并绘出主梁弯矩包络图及主梁材料图。
㈡绘制楼盖结构施工图(一张1号图)包括:1.楼盖结构平面布置图及楼板配筋平面图(标注柱定位轴线编号和梁、柱定位尺寸及构件编号,标出楼面板结构标高,采用分离式配筋,标注板厚、板中钢筋的直径、间距、编号及其定位尺寸)。
2.次梁配筋图,不设弯起钢筋。
(标注次梁截面等几何尺寸,梁顶标高,钢筋的直径、根数、编号及其定位尺寸);3.主梁配筋图,不设弯起钢筋。
(标注主梁截面等几何尺寸,梁顶标高,钢筋的直径、根数、编号及其定位尺寸)。
4.结构设计说明:如混凝土强度等级、钢筋的级别、混凝土保护层厚度、板中分布筋等。
三、课程设计目的:㈠掌握单、双向板肋形楼盖的荷载传递关系及其计算简图的确定。
㈡通过板及次梁的计算,熟练掌握考虑塑性内力重分布的计算方法。
㈢通过主梁的计算,熟练掌握按弹性理论内力的计算方法,并熟悉内力包络图和材料图的绘制方法。
单向板肋梁楼盖设计计算书1、设计资料(1) 楼面做法:钢筋混凝土现浇板;20mm水泥砂浆粉刷;天花板15mm石灰砂浆抹灰;(2) 材料:混凝土强度等级C25;梁内受力纵筋为HRB335,其他为HPB235 钢筋。
2、楼盖的结构平面布置主梁沿横向布置,次梁沿纵向布置。
主梁的跨度为7.0m、6.9m、7.0m、次梁的跨度为6.0m,主梁每跨内布置两根次梁,板的跨度为2.3m。
d/ l oi=6.O/2.3=2.61,因为2<2.61<3,所以按单向板设计,但适当增加沿长跨方向的分布钢筋,以承担长跨方向的弯矩。
按跨高比条件,要求板厚h之300/40=58mm ,对工业建筑的楼盖板,要求h為0mm ,但考虑荷载较大,取板厚h=80mm 。
次梁截面高度应满足h=l 0/18~l °/12=6000/18~6000/12=333~500mm ,考虑到楼面活荷载比较大,取h=500mm。
截面宽度取为b=200mm。
主梁截面高度应满足h= 1。
/15~1 J10=7000/15~7000/10=467~700mm ,取h=650mm。
截面宽度取为b=300mm。
楼盖结构平面布置图见图2。
0.02X 20=0.4 kN/m 2 0.08X 25=2.0 kN/m 20.015 X17=0.255 kN/m2小计2.655 kN/m 2 板的活荷载标准值:5.5 kN/m 2恒荷载分项系数取1.2;因楼面活载标准值大于4.0kN/m 2,且为工业建筑,故活荷 载分项系数取1.3。
于是板的3、板的设计 (1)荷载计算 板的恒荷载标准值: 20mm 水泥砂浆 80mm 钢筋混凝土板 15mm 水泥砂浆图2楼盖结构平面布置图恒荷载设计值g= 2.655 x l.2=3.186kN/m 2活荷载设计值q= 5.50 x l.3=7.7kN/m 2荷载总设计值g+q=3.186+7.7=10.886 kN/m 2,近似取为g+q=10.89 kN/m 2 (2) 计算简图现浇板在墙上的支承长度不小于100mm,取板在墙上的支承长度为120mm。
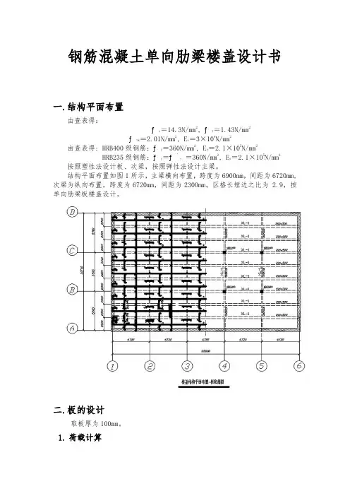
钢筋混凝土单向肋梁楼盖设计书一.结构平面布置由查表得:ƒc =14.3N/mm2, ƒt=1.43N/mm2ƒtk=2.01N/mm2, E c=3×104N/mm2由查表得: HRB400级钢筋:ƒy =360N/mm2, Es=2.1×105N/mm2HRB235级钢筋:ƒy =ƒ’y=360N/mm2, Es=2.1×105N/mm2按照塑性法设计板、次梁,按照弹性法设计主梁。
结构平面布置如图1所示,主梁横向布置,跨度为6900mm,间距为6720mm,次梁为纵向布置,跨度为6720mm,间距为2300mm。
区格长短边之比为 2.9,按单向肋梁板楼盖设计。
二.板的设计取板厚为100mm。
1.荷载计算板自重: 0.1×25=2.5kN/m 2楼面面层: 0.02×20+0.01×25=0.65kN/m 2 天棚抹灰: 0.02×17=0.34kN/m 2恒载标准值: g k =2.5+0.65+0.34=3.49 kN/m 2 恒载设计值: g =1.2g k =4.19 kN/m 2 活载标准值: q k =5.5 kN/m 2活载设计值: q =1.3 q k =7.15 kN/m 2 设计总荷载: g+q =11.34kN/m 2qg=1.7<3 2. 设计简图(1)次梁截面高按(l/18-l/12)初估,取h =500mm ,次梁截面宽度按(h/3-h/2)初估,取b =200mm ,板的几何尺寸如图2所示。
(2)取1m 宽板带作为计算单元,各跨的计算跨度为边跨:l 0=l n +h/2=(2300-120-100)+100/2=2130mm 中间跨:l 0=l n =2300-100-100=2100mm 边跨与中跨相差:故可按等跨连续梁计算。
由此得板的计算简图如下图(图3):3.弯矩计算板厚h=100mm ,0h =100-20=80mm;C30混凝土的强度c f =14.3N/mm 2 ;HPB235级板的弯矩计算如表1所示。
现浇单向板肋梁楼盖课程设计任务书一.设计资料1.结构形式某水电站厂房,采用多层砖混结构,内框架承重体系。
外墙厚370mm,钢筋混凝土柱截面尺寸为400×400mm,楼盖为现浇钢筋混凝土肋梁楼盖,其平面图如附图所示(图在下一页)。
图示范围内不考虑楼梯间。
2.楼面做法20mm厚水泥砂浆地面,钢筋混凝土现浇板,15mm厚石灰砂浆抹底。
3.荷载永久荷载:包括梁、楼板及构造层自重。
钢筋混凝土容重25kN/m3,水泥砂浆容重20kN/m3,石灰砂浆容重17kN/m3.可变荷载:楼面均布活荷载标准值可分别取5.0,5.5,6.0,6.5,7.0,7.5,8.0kN/m2中的任一个。
二.设计内容1.结构布置确定柱网尺寸,主次梁布置、构件截面尺寸,绘制楼盖平面结构布置图。
2.板的设计按考虑塑性内力重分布的方法计算板的内力,计算板的正截面承载力,绘制板的配筋图。
3.次梁设计按考虑塑性内力重分布的方法计算次梁的内力,计算次梁的正截面、斜截面承载力,绘制次梁的配筋图;4.主梁设计按弹性方法计算主梁的内力,绘制主梁的弯矩、剪力包络图,根据包络图计算主梁正截面、斜截面承载力,并绘制主梁的抵抗弯矩图和配筋图。
三.提交材料1.完成设计计算书一份内容包括:1)板、次梁和主梁的截面尺寸拟定;2)板、次梁和主梁的荷载计算、内力计算(板、次梁按塑性方法,主梁按弹性方法);3)构件截面配筋计算。
2. 绘制楼盖结构施工图(两张2号图纸) 内容包括:1)粱板结构布置图;2)板的配筋图;3)次梁配筋图;4)主梁配筋图及材料图;5)主梁钢筋表;6)设计说明,如混凝土强度等级、钢筋级别、混凝土保护层厚、钢筋的制作以及构件的抹面粉底等。
四.参考资料:1.《建筑结构制图标准》GB/T50105-20012.《混凝土结构设计规范》GB50010-20023.宋玉普,王清湘编著.钢筋混凝土结构. 机械工业出版社,20044.东南大学,同济大学,天津大学合编. 混凝土结构(下册)-混凝土结构设计. 中国建筑工业出版社,20085.尺寸a b可采用以下任意组合。
现浇钢筋混凝土单向板肋梁楼盖设计任务书第一篇:现浇钢筋混凝土单向板肋梁楼盖设计任务书钢筋混泥凝土单向板肋梁楼盖课程设计任务书一、设计目的通过本课程的设计试件,使学生了解并熟悉有关钢筋混凝土现浇楼盖的设计方法和设计步骤,培养其独立完成设计和解决问题的能力,提高绘图能力。
二、设计资料1、工程概况:某内框架结构工业仓库,二层建筑平面图如下图所示(楼面标高4.00m),墙厚370mm,混凝土柱400⨯400mm。
板伸入墙内120mm,次梁伸入墙240mm,主梁伸入墙内370mm。
房屋的安全等级为二级,拟采用钢筋混凝土现浇单向板肋形楼盖。
图1 梁板结构平面布置2、楼面构造层做法:20mm厚石灰砂浆粉刷,30mm厚水磨石楼面(标准值0.65kN/m2)。
3、活荷载:标准值为7.5 kN/m2。
4、恒载分项系数为1.2;活荷载分项系数为1.3。
5、材料选用:混凝土采用C25(fc=11.9N/mm2,ft=1.27N/mm2)钢筋梁中受力主筋采用HRB400级(fy=360N/mm2)其余采用HPB235级(fy=210N/mm2)三、设计内容1、确定结构平面布置图:柱网、主梁、次梁及板的布置2、板的设计(按塑性理论)3、次梁设计(按塑性理论)4、主梁设计(按弹性理论)5、绘制结构施工图,包括:(1)、结构平面布置图(2)、板、次梁、主梁的配筋图(3)、主梁弯矩包络图及抵抗弯矩图(4)、设计说明(5)、次梁钢筋材料表四、成果要求1、课程设计在1周内完成。
2、计算书必须统一格式,并用钢笔抄写清楚(或打印)。
计算书(施工图)装订顺序:封面、评语页、目录、任务书、设计说明、计算书正文和施工图。
3、施工图统一为A3图纸。
要求图面布局均匀、比例适当、线条流畅、整洁美观,严格按照建筑制图标准作图。
4、在完成上述设计任务后方可参加设计答辩及成绩评定。
五、参考资料1、《混凝土结构设计》,梁兴文主编,中国建筑工业出版社2、GB50010-2002,《混凝土结构设计规范》3、GB50009-2001,《建筑荷载设计规范》第二篇:整体式单向板肋梁楼盖设计任务书整体式单向板肋梁楼盖设计任务书设计某三层轻工厂房车间的楼盖,拟采用整体式钢筋混凝土单向板肋梁楼盖,要求进行第二层楼面梁格布置,确定梁、板、柱截面尺寸,计算梁板配筋,并绘制施工图。
现浇钢筋混凝土单向板肋梁楼盖设计计算书1 钢筋混泥凝土单向板肋梁楼盖课程设计任务书一、设计目的经过本课程的设计试件,使学生了解并熟悉有关钢筋混凝土现浇楼盖的设计方法和设计步骤,培养其独立完成设计和解决问题的能力,提高绘图能力。
二、设计资料1、工程概况:某内框架结构工业仓库,二层建筑平面图如下图所示(楼面标高4.00m),墙厚370mm,混凝土柱400 400mm。
板伸入墙内120mm,次梁伸入墙240mm,主梁伸入墙内370mm。
房屋的安全等级为二级,拟采用钢筋混凝土现浇单向板肋形楼盖。
图1 梁板结构平面布置2、楼面构造层做法:20mm 厚石灰砂浆粉刷,30mm 厚水磨石楼面(标准值0.65kN/m2)。
3、活荷载:标准值为7.5 kN/m 2。
4、恒载分项系数为1.2;活荷载分项系数为1.3。
5、材料选用:混凝土 采用C25(2/9.11mm N f c =,2/27.1mm N f t =) 钢筋 梁中受力主筋采用HRB400级(2/360mm N f y =) 其余采用HPB235级(2/210mm N f y =) 三、设计内容1、确定结构平面布置图:柱网、主梁、次梁及板的布置2、板的设计(按塑性理论)3、次梁设计(按塑性理论)4、主梁设计(按弹性理论)5、绘制结构施工图,包括: (1)、结构平面布置图(2)、板、次梁、主梁的配筋图 (3)、主梁弯矩包络图及抵抗弯矩图 (4)、设计说明 (5)、次梁钢筋材料表 四、成果要求1、课程设计在1周内完成。
2、计算书必须统一格式,并用钢笔抄写清楚(或打印)。
计算书(施工图)装订顺序:封面、评语页、目录、任务书、设计说明、计算书正文和施工图。
3、施工图统一为A3图纸。
要求图面布局均匀、比例适当、线条流畅、整洁美观,严格按照建筑制图标准作图。
4、在完成上述设计任务后方可参加设计答辩及成绩评定。
五、参考资料1、《混凝土结构设计》,梁兴文主编,中国建筑工业出版社2、GB50010- ,《混凝土结构设计规范》3、GB50009- ,《建筑荷载设计规范》2 设计说明1、经验算各截面的尺寸、最小配筋率均可满足要求。
钢筋混凝土单向板肋梁楼盖课程设计计算书姓名:学号:班级:指导教师:一、设计资料1、楼面的可变荷载标准值为24.5/kN m 。
2、楼面做法::(1)、楼面面层:水磨石地面2/65.0m kN(2)、钢筋混凝土现浇板:钢筋混凝土容重3/25m kN =γ(3)、平顶粉刷:2/25.0m kN 3、材料选用:(1)、混凝土:C20或C30(2)、钢筋:主梁及次梁受力筋用HRB400级钢筋,板内及梁内的其它钢筋可以采用HRB335级。
二、楼盖的结构平面布置1、主梁沿横向布置,次梁沿纵向布置。
确定主梁的跨度为6.6m ,次梁的跨度为5.4m ,主梁每跨内布置两根次梁,板的跨度为6.6/3 2.2m =,0201/ 6.6/2.23l l ==因此按单项板设计。
2、按高跨比条件,要求板厚2200/3073h mm ≥=,对于工业建筑的楼板,要求mm h 70≥,取板厚mm h 80=。
3、次梁的截面高度应满足1154005400~~(300~450)12181812h L mm mm ⎛⎫⎛⎫=== ⎪ ⎪⎝⎭⎝⎭,取450h mm =。
截面宽度取mm b 200=。
4、主梁的截面高度应该满足1166006600~~(440~660)8141510h L mm mm ⎛⎫⎛⎫=== ⎪ ⎪⎝⎭⎝⎭,600h mm =。
截面宽度取mm b 300=。
三、板的设计(按塑性内力重分布计算)3.1 荷载计算水磨石地面 20.65/kN m 80mm 钢筋混凝土板 20.0825 2.0/kN m ⨯= 平顶粉刷 20.25/kN m小计 永久荷载:22.9/k g kN m =可变荷载:24.51 4.5/k q kN m =⨯=永久荷载分项系数取1.2;因为工业建筑楼板的楼面可变荷载标准值大于2/0.4m kN ,所以可变荷载分项系数取1.3。
于是板的荷载设计值:永久荷载设计值:22.9 1.2 3.48/g kN m =⨯= 可变荷载设计值:24.5 1.2 5.4/q kN m =⨯=荷载总设计值:28.88/g q kN m +=,近似取为29.0/g q kN m +=3.2 板的计算简图’图 1 板的支承布置图按塑性内力重分布设计。
现浇钢筋混凝土单向板肋梁楼盖设计书一、设计资料1、楼面做法:(1)、楼面活荷载,单位为2/mkN(见表一)(2)、楼面面层:水磨石地面2kN.0m65/(3)、楼盖自重:钢筋混凝土容重3γ=kN25m/(4)、20mm平顶粉刷:2kN.0m/252、材料:(1)、混凝土:C30(2)、钢筋:主梁及次梁受力筋用HRB400级钢筋,板内及梁内的其它钢筋可以采用HRB335级。
二、平面结构布置:柱网及梁格布置应根据建筑物使用要求确定,因本厂房在使用上无特殊要求,故结构布置应满足实用经济的原则。
1、柱网布置为正方形(350×350混凝土柱)。
2、主梁沿横向布置,次梁沿纵向布置。
主梁跨度6.3m,主梁跨内布置两根次梁,板的跨度为2.1m,l01 /l02=6.3/2.1=3,因此按单向板设计。
三、板的设计(按塑性内力重分布计算):1、板、次梁、主梁的截面尺寸确定。
板厚按跨高比条件,要求板厚h B≥2100/40=52.5mm,对工业建筑的楼盖板,要求h B≥80mm,取板厚h B=80mm。
次梁 次梁截面高度应满足 121(=c h ~L )181=6300/12~6300/18=525~350,考虑到楼面可变荷载比较大,取h C =500mm 。
截面宽度取为b=200mm 。
主梁 主梁截面高度应满足151(=z h ~L )101=6300/15~6300/10=420~630mm ,取h Z =650mm 。
截面宽度b=300mm 。
楼盖结构平面布置图如图:2、板的计算简图:板为多跨连续板,对于跨数超过五跨的等截面连续板,其各跨受荷相同,且跨差不超过10%时,均可按五跨等跨度连续板计算。
当按塑性内力重分布计算时,其计算跨度: 中跨: n l l =0=2100-200=1900mm边跨: mm l h l l n B n 1927025.119202/801201002100210=<=+--=+=. 3、荷载计算: 取1m 宽板带计算:面层 水磨石每平方米重×1 = 2/65.0m kN板自重 板厚×γ×1 = 2二支座,-1/11;中跨中,1/16;中间支座,1/14。
钢筋混凝土单向板肋梁楼盖课程设计任务书一、设计题目设计某多层工业建筑(某生产车间)的中间楼面(采用现浇钢筋混凝土单向板肋梁楼盖)二、设计容1、结构平面布置图:柱网、主梁、次梁及板的布置2、板的强度计算(按塑性力重分布计算)3、次梁强度计算(按塑性力重分布计算)4、主梁强度计算(按弹性理论计算)5、绘制结构施工图(1)、结构平面布置图(1:200)(2)、板的配筋图(1:50)(3)、次梁的配筋图(1:50;1:25)(4)、主梁的配筋图(1:40;1:20)及弯矩M、剪力V的包络图(5)、钢筋明细表及图纸说明平面尺寸:31200mm*18900mm钢筋混凝土单向板肋梁楼盖课程设计一、设计资料1、某设计使用年限为50年工业厂房楼盖,采用整体式钢筋混凝土结构,楼盖梁布置如图所示。
325m /kN =γ2/7mkN 2、 生产车间的四周外墙均为承重砖墙,设5m 钢筋混凝土柱,其截面尺寸为300mm ×300mm 。
3、荷载(1)、楼面活荷载:(2)、楼面面层:20mm 厚水泥砂浆面层 (3)、楼盖自重:钢筋混凝土容重(4)、平顶粉刷:三夹板顶棚 重度为2/18.0m kN(5)、恒载分项系数为:1.2;活载分项系数为1.3(因工业厂房楼盖楼面活荷载标准值大于2/4m kN )。
4、材料选用:(1)、混凝土:采用C25( cf =11.9 N/2mm ,tf =1.27N/2mm )。
次梁受力筋用HRB335级(yf =300N/2mm ),板及梁的其它钢筋可以采(2)、钢筋:主梁及用HPB235(yf =210N/2mm )。
二、板的计算板按考虑塑性力重分布方法计算。
板的397.22100624012<≈=mmmml l ,宜按双向板设计,按沿短边方向受力的单向板计算时,应沿长边方向布置足够数量的构造钢筋。
本例按单向板计算。
板的厚度按构造要求曲mm mm l mm h 5.5240210040801=≈>=。
钢筋混凝土单向板肋梁楼盖课程设计任务书1. 设计题目及目的1.1 设计题目:钢筋混凝土单向板肋梁楼盖设计。
1.2设计目的:(1)了解单向板肋梁楼盖的荷载传递关系及其计算简图的确定。
(2)掌握板厚及梁系截面尺寸的确定方法(3)通过板及次梁的计算,掌握考虑塑性内力重分布的计算方法。
(4)通过主梁的计算,掌握按弹性理论分析内力的方法,并熟悉内力包络图和材料图的绘制方法。
(5)了解并熟悉现浇梁板的有关构造要求。
(6)掌握钢筋混凝土结构施工图的表达方式,制图规定,进一步提高制图的基本技能。
(7)学会编制钢筋材料表。
2. 设计资料(1)某工业仓库,设计年限为50年,结构平面及柱网布置如图1所示,柱截面为400×400mm 。
(2)结构布置柱网尺寸及楼面活载大小k q =7.0kN/2m 如表1所示。
(3)楼面面层用20mm 厚水泥砂浆抹面(γ=20kN/3m ),板底及梁用15mm 厚石灰砂浆抹底(γ=17kN/3m )。
(4)材料选用:混凝土強度等級采用C30;钢筋:主梁及次梁纵向受力钢筋采用HRB400级钢筋(360/y f N mm =),其余使用HRB335级钢筋(300/y f N mm =)。
(5)按《砼结构设计规范(GB50010-2010)》设计该肋梁楼盖。
图1楼盖结构图表1结构布置柱网尺寸及楼面活载大小班级次梁跨度(mm) 主梁跨度(mm) 楼面活载标准值kq(kN/m2)B L1 6000 5400 6.02 6300 6000 7.03 6600 6300 8.03. 设计内容和要求进行楼盖梁板系统结构设计,并绘制施工图。
要求:提交设计说明书一本,楼盖结构施工图(一号图)一张;板和次梁按考虑塑性内力重分布方法计算;主梁按弹性理论计算内力。
3.1对设计说明书的要求设计说明书应包括下列内容:(1)本梁板结构系统布置的优缺点评述;(2)板厚及梁系截面尺寸的确定;(3)板、梁计算简图;(4)荷载计算;(5)内力分析及内力组合;(6)配筋计算;(7)构造要求。
现浇钢筋混凝土单向板肋梁楼盖设计书1 结构平面布置根据工程设计经验,单向板板跨为2-4m ,次梁跨度为4-6m ,主梁跨度为6-8m 较为合理。
故此设计楼面梁格布置如图所示(参见图纸)多跨连续板厚度按不进行挠度验算条件应小于5.57402300400==l mm 及工业房屋模板最小厚度70mm 的构造要求,故取板厚h=70mm 。
次梁的截面高度550~3676600121~181121~1810=⨯⎪⎭⎫ ⎝⎛=⨯⎪⎭⎫⎝⎛=l h mm考虑本侧楼面荷载较大,故h=450mm 。
次梁的截面宽度225~15045021~3121~31=⨯⎪⎭⎫ ⎝⎛=⎪⎭⎫⎝⎛=h b mm 取b=200mm主梁的截面宽度h=5.862~493690081~14181~1410=⨯⎪⎭⎫⎝⎛=⎪⎭⎫ ⎝⎛=l b mm 取b=650mm主梁的截面宽度325~21721~31=⎪⎭⎫⎝⎛=h b mm ,取b=250mm2 板的设计楼面上无抗动荷载,对裂缝开展宽度也无较高要求。
故可按塑性理论计算。
(1)荷载设计值计算如何: 恒载:20mm 厚水泥砂浆面层:1.2×0.02×20=0.48KN/㎡ 70mm 厚钢筋混凝土板:1.2×0.07×25=2.10KN/㎡ 15mm 厚混合砂浆板低粉刷:1.2×0.015×17=0.31KN/㎡活载(标准值不小于4KN/㎡时。
活载系数为1.3) q=1.3×9.0=11.7KN/㎡ gtq=14.59KN/㎡ 总荷载: (2)计算简图取1m 宽板作为计算单元。
各跨的计算跨度为: 边跨:18.2220.0220.012.030.220=+⎪⎭⎫ ⎝⎛--=+=al l n m 15.2207.0220.012.030.220=+⎪⎭⎫ ⎝⎛--=+=hl l n m取较小值0l =2.15m中跨:0l =ln =2.30-0.2=2.10m 边跨与中跨间计算跨度相差%10%5.2210.215.2〈=-故可似按等跨连续板计算板的内力,板的实际跨数为9跨简化为5跨。
钢筋混凝土现浇单向板肋行楼盖设计书
一、设计资料
某多层厂房,采用钢筋混凝土现浇单向板肋行楼盖,结构布置如图1所示。
(一)楼面活荷载q=8kN/㎡;
(二)楼面面层用20mm厚水泥砂浆抹面,板底及梁用15mm厚混合砂浆粉底;
(三)混凝土强度等级为C20,钢筋除主梁和次梁的主筋采用Ⅱ级钢筋(hrb335)外,其余均
采用I级钢筋(hpb300)。
图1单向板肋形楼盖结构平面布置图
二、设计内容和要求
(一)板和次梁按考虑塑性内力重分布方法计算内力;主梁按弹性理论计算内力,并绘出弯矩包络图和剪力包络图。
(二)绘楼盖结构施工图(采用1号图纸),包括
1.梁嵌结构布置图;
2.板模板及配筋图;
3.次梁模板及配筋图;
4.主梁模板、配筋图及材料图。
图中需列出一种构件的钢筋材料表及有关设计说明;如混凝土强度等级、钢筋级别、混凝土保护层等
三、课程设计目的
(一)了解单向板肋形楼盖的荷载传递关系及其计算简图的确定;
(二)通过板及次梁的计算,掌握考虑塑性内力重分布的计算方法;
(三)通过主梁的计算,掌握按弹性理论分析内力的方法,并熟悉内力包络图和材料图的绘制方坛;
(四)了解并熟悉现浇梁板的有关构造要求;
(五)掌握钢筋混凝土结构施工图的表达方式、制图规定,进一步提高制图的基本技能;(六)学会编制钢筋材料表。