液体灌装机机组确认方案
- 格式:doc
- 大小:235.00 KB
- 文档页数:15
AGF12/1-20ml立式灌装封口机确认方案目录1 概述2 确认目的3 适用范围4 确认小组成员与职责5 文件资料及培训确认6 编制依据7 确认计划8 确认内容9 确认结果的分析与评价10 确认周期1、概述AGF12立式灌装封口机主要用于制药、化工等行业的安瓿灌装和拉丝封口。
本机为多工位步进式,技术创新突出特点是灌装运行稳定,便于维修。
每次分组分别步进式送到各个工序上,可自动完成分离送瓶,前冲氮、灌药、后冲氮、预热、拉丝封口等工序,适用于安瓿针剂在无菌条件下的灌装和封口。
2、确认目的通过对AGF12立式灌装封口机设计、安装、运行、性能指标的确认,对该设备能适应的生产工艺做出评估,确定是否能达到设计要求满足生产工艺条件和GMP的要求。
3、确认范围本方案适用于AGF12立式灌装封口机的确认。
4、确认小组成员与职责4.1确认小组成员确认小组:准备、检查和实施确认方案;设计、组织和协调确认试验;收集整理确认数据,偏差处理,编写确认报告;再确认周期的确定。
确认小组组长:领导协调确认项目的实施,协调确认小组的工作,对确认过程的技术负责,批准确认方案、确认报告及偏差报告。
确认小组副组长:组织编写确认方案,审核确认方案、确认报告及偏差报告。
生产技术部长:负责协调确认方案的实施,相关操作规程的修订,协助收集整理确认数据,对偏差提出纠正措施建议。
品管部长:审核确认过程的检测数据,确认数据的可靠性,负责确认过程检验方法的确定及安排相关检验工作,负责签发检验报告。
工程部长: 负责起草确认方案,编写确认报告,并负责组织实施。
QA:负责确认过程中取样、监控。
QC:负责相关项目的检测。
机修工:负责确认过程中设备的维修,确保设备运行正常。
操作工:负责设备的操作。
统计员:负责确认所需物料的领取工作,负责确认资料、数据收集、记录、整理。
5、文件资料及培训确认5.1确认相关文件资料5.2培训确认在进行AGF12立式灌装封口机确认之前,方案起草者对所有执行本方案人员进行了培训,使每个参与方案的执行人员都理解方案内容,具备确认的前提条件。
口服溶液剂灌装机验证方案(YG型)目录1、验证方案起草﹑审核﹑批准2、验证方案的实施日期3、设备概述4、验证目的5、验证内容5.1 灌装机的设计确认5.2 灌装机的安装确认5.3 灌装机的运行确认5.4灌装机的性能确认5.5相关资料6、验证结果评价7、验证周期1、验证方案起草、审核、批准2.验证方案实施日期本方案计划于年月日至年月日实施。
3、设备概述YG八泵直线液体灌装机旋盖机适用于制药、食品、化工、农药等行业的液体自动灌装、旋盖。
本机适用于对10~500ml系列玻璃瓶、塑料瓶的灌装封口。
采用往复式活塞泵进行灌装,电磁振荡送盖,可以轧盖(金属式)或旋盖(塑料盖)封口,可以和前后的生产工序设备联接组成生产线,另外可以选购防尘罩。
4、验证目的为确保YG八泵直线液体灌装机旋盖机的安装,运行性能能满足生产工艺要求,特制定本验证方案。
方案规定该机器的验证方法,相关资料,确认结果,用于该机的安装、运行以及和其联动设备的配合性能和配置设施的配置能够满足设计、生产工艺的要求。
5、验证内容5.1 灌装机的设计确认:再次审核灌装机的相关性能指标,及电报参数,记入下表并附入验证报告中5.2 灌装机的安装确认5.2.1.1 开箱检查和资料附件的确认(1)按照YG八泵直线液体灌装机旋盖机的装箱单确认该机的规格型号、附机附件及文件资料。
(2)根据产品使用说明书,确认该机器的使用范围是否符合设计要求。
(3)文件资料进行收集和保管。
5.2.2 灌装机的安装确认:检查灌装机的安装是否稳固,相关联动设备的衔接是否正常,电气连接5.3 灌装机的运行确认(1)运行项目确认(2)设备控制程序确认(3)设备安全性能确认(4)设备各项技术指标确认5.3.1 运行前检查,并将检查结果记录,作出评价,附入验斑点报告5.3.2 运行项目确认5.3.2.1 设备运行确认:根据说明书,对设备运转检查结果记录,作出评价5.3.2.2 设备的安全性能确认5.4 灌装机的性能确认性能确认项目:实物运转时各项性能、指标5.5 相关资料6、验证结果评价验证小组组长/日期:7、验证周期:7.1正常使用情况下二年验证一次7.2设备更新时需验证7.3设备大修后,设备的主要参数发生变化时需验证附:运行记录。
口服溶液剂灌装机验证方案口服溶液剂灌装机是一种用于制备和包装口服溶液剂的自动化设备。
为了确保灌装机的正常运行和生产出合格的产品,需要进行验证工作。
本文将提出一种包括灌装机准备、设备验证、工艺验证和文件验证的四个步骤的验证方案,并进行详细阐述。
首先,在灌装机开始验证之前,需要进行灌装机的准备工作。
这包括确定灌装机所需的设备和材料,如灌装机、输送带、灌装头、瓶子等。
同时,还需要根据产品的要求进行相应的调整和设置,如调整灌装的容量、速度和灌装头的位置等。
第二步是设备验证。
设备验证主要是验证灌装机的性能和功能是否符合要求。
这包括验证设备的机械性能、电气性能和控制系统的性能等。
机械性能是指设备在正常运行过程中的稳定性、精确度和可靠性等方面的性能。
电气性能是指设备的电气系统是否能够正常运行和保护设备的安全。
控制系统的性能是指设备的控制系统是否能够实现设备的各项功能,并且能够进行故障自检和报警。
第三步是工艺验证。
工艺验证主要是验证灌装机在实际生产过程中能否满足产品的质量要求。
这包括验证灌装机的定量精度、无菌性和清洁度等。
定量精度是指灌装机能否实现产品的精确灌装,确保产品的每个瓶子都有相同的剂量。
无菌性是指灌装机能否避免产品受到细菌、病毒和其他微生物的污染。
清洁度是指灌装机是否能够保持清洁,避免产品受到异物污染。
最后是文件验证。
文件验证主要是验证灌装机的操作手册和记录是否符合要求。
操作手册应包括设备的使用方法、维护方法和故障处理方法等。
记录应包括设备的日常维护和检查记录、设备故障和维修记录、产品质量记录等。
文件验证的目的是确保灌装机的操作和维护都按照规定的程序进行,并能够提供完整和可靠的记录。
综上所述,口服溶液剂灌装机的验证方案包括灌装机准备、设备验证、工艺验证和文件验证。
通过这一方案,可以确保灌装机的正常运行和生产出合格的产品。
验证(确认)方案1. 主题2. 目的3. 范围4. 确认组织及职责4.1质量受权人4.2确认小组组长4.3确认小组组员5. 内容5.1确认对象确定5.2液体灌装机确认实施5.2.1运行确认5.2.1.1 目的5.2.1.2 接受标准5.2.1.3 实施步骤5.2.1.4 运行确认结论及偏差分析和处理5.2.2性能确认5.2.2.1 目的5.2.2.2 接受标准5.2.2.3 实施步骤5.2.2.4性能确认结论及偏差分析和处理6. 确认结果及评价7. 拟定再确认周期8. 确认结论批准1. 主题:本方案规定了SVF液体灌装机确认方法及标准。
2. 目的:本方案是为了证明SVF液体灌装机经上次确认后,使用未满二年,但根据〈〈药品生产质量管理规范》(2010年)及公司文件规定,按标准操作规程操作,对本设备的运行与性能进行确认,确认其设备是否发生偏差,确保生产出的产品符合质量要求。
本次确认采用同步确认。
3. 范围:本方案适用于SVF液体灌装机确认。
4. 确认组织及职责:4.1质量受权人:负责确认方案及报告的批准发放。
4.2确认小组组长:4.2.1负责确认数据及结果的审核。
4.2.2负责确认报告的审核。
4.2.3负责确认周期的确认。
4.3确认小组组员:4.3.1质保部:负责确认的协调及文件归档保管。
4.3.2质控部:4.3.2.1负责确认所需样品、试剂、试液等的准备。
4.3.2.2负责取样及对样品的检验。
4.3.3生产部:负责SVF液体灌装机的操作。
4.3.4工程部设备管理员:4.3.4.1负责组织试验所用仪器、设备的确认。
4.3.4.2负责仪器、仪表、量具的校正确认。
4.3.4.3 负责拟定确认方案。
4.3.4.4负责收集各项确认数据、试验记录,并对确认结果进行风险评估后,起草确认报告报确认小组。
5. 内容:5.1确认对象确定:液体灌装机是将液体物料灌装容器内。
通过压缩空气控制灌装缸、灌装气动阀,使灌装缸、计量气缸做往复运动,完成药液灌装等操作。
验证编号 SOP-VM/E-014-00 SHZ-YG液体灌装机验证(用于填写参照样板)广州东康药业有限公司目录1. 验证方案审批1.1 验证方案起草1.2 验证方案批准1.3 验证方案实施2. 验证报告审批2.1 验证报告起草2.2 验证报告批准3.验证小组成员4. 验证目的5. 设备概况6. 验证资料6. 1相关文件及验证资料6.2设备安装检查及记录6.2.1按要求对设备外观及公用介质的连接6.2.2按要求对设备的安装连接6.3安装确认小结7.运行测试7.1功能测试7.2运行确认小结:8.性能测试:8.1 SHZ-YG液体灌装机灌装速度测试8.2灌装装量测试:8.3灌封、旋盖后的状态测试8.4封口后瓶子的密封性检查8.5性能确认小结:9.验证结论10.验证批准1.验证方案审批2. 验证报告审批4.验证目的通过设备外观检查及设备运行和性能方面等一系列验证试验,提供足够的数据和文件依据证明SHZ-YG液体灌装机符合设计和生产要求。
5.设备概况设备名称:SHZ-YG液体灌装机安装位置: 溶液剂灌封加塞间型号: SHZ-YG生产厂家:上海新星机械工贸有限公司6. 验证资料检查人:日期:年月日6.2设备安装检查及记录6.2.1按要求对设备外观及公用介质的连接进行检查,并填写以下记录。
6.2.2按要求对设备的安装连接进行检查,并填写以下记录。
6.3安装确认小结:安装确认检查了设备材质、资料档案管理、实际安装情况符合GMP要求,已具备运行确认条件。
结论人:日期 :年月日7.运行测试7.1功能测试目的:确认SHZ-YG液体灌装机各部分功能正常,符合设计要求。
合格标准:SHZ-YG液体灌装机的各步程序运行正常与操作说明书相符。
测试方法:按SHZ-YG液体灌装机标准操作规程SOP-EQ/Z-016-00用纯化水进行测试、按要求检查运行程序及功能。
操作完毕后,由操作人员填写以下记录。
运行操作检查项目:7.2运行确认小结:评价:设备机械性能良好,设备本身运行确认操作正常、符合GMP要求,已具备性能确认条件。
全自动灌装机再验证方案及报告目录一、验证方案1.概述2.验证目的及职责3.验证涉及仪器及相关信息4.验证涉及文件5.验证内容5.1 安装确认5.2 运行确认5.3 性能确认二、验证结论评价及验证周期1、验证结果评价2、验证周期三、验证报告1、验证职责签字2、验证内容2.1安装确认2.2运行确认2.3性能确认1、概述:该设备主要由试剂组酶免车间用于。
试剂,设备包括:转盘、输送带、进瓶机构、蠕动泵、灌装机构、电磁振荡、输盖、套盖机构、可调旋盖机构、主传动系统、离合器装置、电控等系统组成,但是由于设备性能与实际生产采用的物料像不适合,所以现在只使用该设备的理瓶、传送、灌装等部分部件的相关功能。
设备信息:2、验证目的:通过对该设备的验证,证明该设备的安装符合设计要求,并确认该全自动液体灌装机理瓶、传送、灌装功能的运行和性能符合生产工艺要求。
3、验证职责:3、验证涉及仪器及相关信息:4、验证涉及文件:5.1 安装确认:5.2 运行确认:5.3 性能确认:取40套空瓶子(带瓶盖)进行编号、称重、记录;然后将瓶子平分为8组,放在两个灌装针各自的分装进度的前中后期分别进行分装,分装后取出再次进行称量、记录,得出的数据与分装前对应项进行相减得出每瓶分装的试剂质量。
另取一空瓶称重并记录,然后从分装十五瓶中任取十瓶并逐瓶准确量取1.0ml 试剂打入此瓶称量并记录每次读数,根据密度(ρ)=质量(m)/体积(v),可以得出试剂的十个密度值,取其平均数。
根据以上数据可以回算出每瓶试剂的实际分装体积,根据得出的实际分装量判断是否操作规程允许误差范围内。
验证试剂分装量: 3.2±ml、7.2±ml编写人:编写日期:审核人:审核日期:批准人:批准日期:二、验证结果评价及验证周期1、验证结果评价编写人:编写日期:审核人:审核日期:批准人:批准日期:2、验证周期2.1常规验证周期为一年验证一次。
2.2如有大的维修及零部件的更换,应立即组织再验证2.3设备停用超过三个月,在启用前需进行验证三、验证报告1、验证职责签字2、验证内容2.1安装确认记录2.2运行确认记录2.3性能确认记录。
灌装机验证方案摘要:灌装机是一种重要的设备,用于对液体、固体和气体等产品进行灌装和包装。
为了确保灌装机的正常运行和产品质量,验证方案是必不可少的。
1. 引言灌装机是现代生产过程中不可或缺的设备,主要用于将液体、固体和气体等产品进行灌装和包装。
其准确性和稳定性对于产品质量和生产效率至关重要。
2. 灌装机验证的重要性灌装机的验证是确保其符合设计规范和生产要求的关键步骤。
通过验证,可以保证灌装机的准确性和稳定性,从而确保产品的质量和安全性。
3. 验证方案的制定在制定灌装机验证方案时,应遵循以下步骤:3.1 确定验证的目标和范围:明确验证的目标,包括灌装机的功能、性能、安全性等方面的验证内容。
3.2 确定验证方法:根据验证的目标和范围,选择合适的验证方法,如实验测试、校准、观察等。
3.3 制定验证计划:根据验证的目标和方法,制定详细的验证计划,包括验证的时间、地点、人员等方面的安排。
4. 灌装机验证的主要内容灌装机验证的主要内容包括以下几个方面:4.1 灌装准确性验证:通过对灌装机进行实验测试,验证其灌装的准确性和精度,确保产品的计量准确。
4.2 灌装速度验证:通过对灌装机进行实验测试,验证其灌装的速度,确保生产效率和生产能力。
4.3 安全性验证:对灌装机的安全性进行评估,包括机器的安全控制装置、安全操作规程等方面的验证。
4.4 灌装机清洁程序验证:验证灌装机的清洁程序是否符合卫生和安全要求,确保产品的质量和安全性。
5. 数据收集和分析在灌装机验证过程中,应及时收集、记录和分析相关的数据。
通过统计和分析数据,评估灌装机的性能和质量,发现问题并进行改进。
6. 结论灌装机验证是确保其正常运行和产品质量的关键步骤。
通过制定验证方案、实施验证计划和收集数据,可以评估灌装机的准确性、稳定性和安全性,从而保证产品的质量和安全。
旋转式液体灌装机性能验证方案1. 简介本文档旨在提供旋转式液体灌装机性能验证方案。
通过对液体灌装机进行性能验证,确保其在生产过程中的稳定性和可靠性,以提高产品质量和生产效率。
2. 验证目标本次性能验证的目标是对旋转式液体灌装机的主要性能参数进行验证,包括但不限于:- 灌装速度- 灌装精度- 灌装容量调整范围- 灌装机稳定性3. 验证步骤步骤一:准备1. 定义验证所需的液体灌装机工作条件和参数。
2. 检查设备是否处于正常工作状态,确保各部件和传感器均正常运行。
步骤二:灌装速度验证1. 将一种标准液体样品用液体灌装机进行灌装。
2. 记录每分钟灌装的瓶数。
3. 按预定的灌装速度范围进行多次灌装,并记录灌装速度。
4. 分析灌装速度数据,计算平均速度和标准偏差,评估灌装速度稳定性。
步骤三:灌装精度验证1. 选择一种标准液体样品。
2. 将设定好的目标灌装容量用液体灌装机进行灌装。
3. 根据灌装容量要求,将每次灌装得到的实际容量进行测量,并记录数据。
4. 分析所得数据,计算平均容量、标准偏差和相对误差,评估灌装精度。
步骤四:灌装容量调整范围验证1. 选择不同容量的标准液体样品。
2. 调整液体灌装机使其适应不同灌装容量要求。
3. 分别用每种容量的标准液体进行灌装,并记录实际容量。
4. 检查实际容量是否在要求的调整范围内,评估灌装容量调整范围。
步骤五:灌装机稳定性验证1. 在连续工作的状态下,持续对液体灌装机进行灌装操作。
2. 观察并记录每次灌装的稳定性和一致性。
3. 分析灌装结果数据,评估灌装机的稳定性。
4. 验证结果分析根据实际验证数据进行分析,比较验证结果与设定要求的差异,并进行合理的评估和解释。
若验证结果符合要求,则液体灌装机通过性能验证;否则,需采取相应措施进行调整或修正。
5. 结论通过对旋转式液体灌装机的性能验证,可以确保其在生产过程中能够稳定可靠地完成灌装任务。
这将提高产品的灌装质量和生产效率,为企业的发展提供有力支持。
灌装机验证方案1. 引言灌装机是一种常用的自动化设备,用于将液体或颗粒物料装入容器中。
灌装机在食品、药品、化妆品等行业中广泛应用,确保产品的准确灌装和包装。
为了保证灌装机的正常运行和产品质量,需要进行验证方案的制定和执行。
本文将介绍一套灌装机验证方案,旨在确保灌装机的准确性和稳定性,以及确保产品的准确灌装和包装,从而提高生产效率和产品质量。
2. 验证目标灌装机验证的主要目标是确保以下几个方面的要求:•灌装机的准确性:验证灌装机的灌装容量和流量的准确性,确保灌装过程中的液体或颗粒物料没有漏失或溢出。
•灌装机的稳定性:验证灌装机在长时间运行中的稳定性,确保灌装机的参数和性能不会发生明显的变化。
•产品的准确灌装和包装:验证灌装机在实际生产中的准确灌装和包装能力,确保产品符合规定的灌装量和包装要求。
3. 验证方案灌装机的验证可分为以下几个步骤:3.1 灌装容量和流量验证首先,需要对灌装机的灌装容量和流量进行验证。
可以使用市场上常用的流量计和称重设备进行测量,并在灌装机参数设定范围内进行对比分析。
具体步骤如下:1.准备一批已知灌装量和流量的标准液体或颗粒物料,并确保其准确性和稳定性。
2.将标准液体或颗粒物料灌装到一系列容器中,同时记录灌装机设定的参数和实际的灌装量和流量。
3.使用流量计和称重设备对实际灌装量和流量进行测量,与设定参数进行对比分析。
4.根据对比分析的结果,评估灌装机的灌装容量和流量的准确性,并进行相应的调整和修正。
3.2 稳定性验证其次,需要对灌装机的稳定性进行验证。
通过长时间运行灌装机,并记录灌装参数和灌装量的变化情况,评估灌装机的稳定性。
具体步骤如下:1.运行灌装机一段时间,并记录灌装机的参数和灌装量的变化情况。
2.对记录的参数和灌装量数据进行分析,评估灌装机的稳定性,并检查是否存在明显的变化趋势。
3.如果发现灌装机的参数和灌装量存在明显的变化,需要进行相应的调整和维护,以确保灌装机的稳定性。
全自动灌装机再验证方案及报告
一、验证方案
1、概述:
该设备主要由试剂组酶免车间用于试剂,设备包括:转盘、输送带、进瓶机构、蠕动泵、灌装机构、电磁振荡、输盖、套盖机构、可调旋盖机构、主传动系统、离合器装置、电控等系统组成,但是由于设备性能与实际生产采用的物料像不适合,所以现在只使用该设备的理瓶、传送、灌装等部分部件的相关功能。
设备信息:
2、验证目的:
通过对该设备的验证,证明该设备的安装符合设计要求,并确认该全自动液体灌装机理瓶、传送、灌装功能的运行和性能符合生产工艺要求。
3、验证职责:
3、验证涉及仪器及相关信息:
4、验证涉及文件:
5、验证内容:
5.1 安装确认:
5.2 运行确认:。
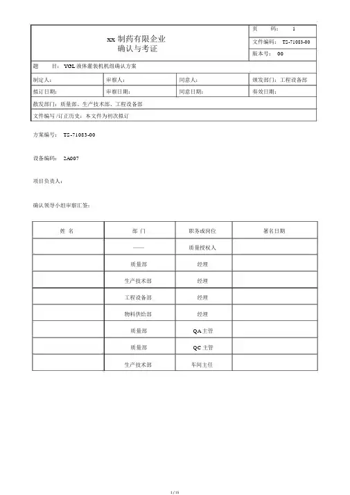
页码: 1xx 制药有限企业文件编码:TS-71083-00确认与考证版本号: 00题目: YGL液体灌装机机组确认方案制定人:审察人:同意人:颁发部门:工程设备部拟订日期:审察日期:同意日期:奏效日期:散发部门:质量部、生产技术部、工程设备部文件编写 /订正历史:本文件为初次拟订方案编号: TS-71083-00设备编码: 2A007项目负责人:确认领导小组审察汇签:姓名部门职务或岗位署名日期——质量授权人质量部经理生产技术部经理工程设备部经理物料供给部经理质量部QA主管质量部QC主管生产技术部车间主任题目:YGL液体灌装机机组确认方案1.主题内容本方案规定了液体系剂车间YGL液体灌装机机组的确认范围、方法及标准。
2.合用范围本方案合用于液体系剂车间YGL 液体灌装机机组的确认。
3.实行确认人员及职责部门工程设备部生产技术部质量部4.简介4.1 简介人员姓名职责及分工设备管理员负责确认方案、报告草拟。
并总结确认结果工程设备经理负责确认方案、报告审察及详细实行,并复查其结果。
车间主任负责辅助确认方案的草拟及安排确认方案中本部门工作的详细实行设备操作员负责履行批正的确认方案,并在确认过程中学习掌握设备性能、设备操作、保护养护及洁净知识生产部经理负责确认方案、报告审察及组织实行。
负责监察整个确认过程严格依照批正的确认方案进行并QA主管采集、整理确认资料,组织实行考证过程的监察负责组织检查确认过程中出现的改正及偏差和方案的改正,对确认结果进行剖析、评论并依照确认报告出具确认证书QC主管负责确认方案中查验方法的审察及查验操作的正确履行质量授权人负责确认方案的同意。
YGL 液体灌装机机组主要用于液体系剂灌装生产,该生产线包含液体理瓶、液体灌装机、电磁感觉封口机构成,能自动加盖,采纳无极调速,使用8 只活塞泵定量灌装,计量正确,改正规格方便,传动均采用机械传动,传动正确、安稳。
各功能调理方便,构造简单,便于维修。
旋转式液体灌装机安全验证方案1. 简介本文档旨在提供旋转式液体灌装机的安全验证方案,以确保其能够在工作过程中符合相关标准和要求,保障操作人员的安全。
2. 验证步骤2.1 前期准备在进行安全验证之前,需要先进行以下准备工作:- 检查液体灌装机的相关文档和证书,确保设备符合安全要求;- 确保操作人员已经接受相关培训,并理解设备的操作流程和安全注意事项;- 准备测试所需的安全验证工具和设备。
2.2 安全性能验证按照以下步骤进行旋转式液体灌装机的安全性能验证:1. 首先,检查液体灌装机的各个部件和附件,确保其完整、无损坏,并且没有松动的螺丝或其他可疑现象;2. 然后,对液体灌装机进行电气系统的验证,确保电气连接正确、绝缘良好,并进行电器性能测试;3. 接下来,验证液体灌装机的机械系统,检查传动部件是否正常运转、紧固件是否牢固,并进行机械性能测试;4. 对液体灌装机的液体供给系统进行验证,确保供给管路没有泄漏、阀门操作正常,并进行液体流量测试;5. 最后,进行整体安全性能测试,模拟正常工作状态下的操作场景,验证液体灌装机的安全性和稳定性。
2.3 结果评估与报告根据安全验证测试的结果,进行评估并生成安全验证报告。
报告应包括以下内容:- 验证过程中发现的问题和缺陷;- 问题和缺陷的原因分析;- 对问题和缺陷的修复和改进措施建议;- 验证过程中的签署和日期。
3. 结论通过使用本安全验证方案,并根据验证结果评估报告进行必要的修复和改进措施,可以确保旋转式液体灌装机的安全性能符合相关标准和要求,提高操作人员的安全保障水平。
以上是旋转式液体灌装机安全验证方案的内容,希望对您有帮助。
灌装机再验证方案一、验证目的灌装机是一种用于将液体或粉状物体灌装到瓶子、袋子等容器中的设备,其稳定性和准确性对产品质量有着重要的影响。
因此,为确保灌装机的性能和功能满足要求,有必要进行再验证。
本再验证方案的目的是验证灌装机的性能和准确性,并根据验证结果对设备进行调整和优化,以确保产品质量符合相关标准和要求。
二、验证内容和方法1.设备性能验证1.1验证灌装机的稳定性,主要通过不同速度的运行测试来检测设备的稳定程度。
1.2验证灌装机的容量准确性,主要通过装满已知容量的瓶子或袋子来比较设备灌装的实际容量和目标容量之间的差异。
1.3验证灌装机的重复性,主要通过多次进行相同灌装操作,然后比较各次灌装得到的容量之间的差异。
1.4验证设备的灵敏度,主要通过调整设备的参数和运行速度,观察设备对不同流体和颗粒的灌装情况。
2.配件验证2.1验证灌装机的传感器和控制部件的准确性和灵敏度,主要通过与标准设备进行对比来判断。
2.2验证设备的密封性和材料的兼容性,主要通过进行密封测试和与不同液体和粉状物体的接触来观察。
3.操作验证3.1验证设备的人机界面的操作简便性和易用性,主要通过进行人工操作和模拟使用情况来检测。
3.2验证设备的清洁和维护的方便性,主要通过对设备进行清洁和维护操作来观察。
4.安全验证4.1验证设备的安全性,主要通过对设备进行负荷测试、紧急停机测试和紧急故障排除的测试来判断。
4.2制定安全操作规程,培训操作人员,并对操作人员进行考核。
三、验证计划和流程1.制定验证计划,明确验证的目标、内容、方法和时间计划。
2.安排专业人员进行验证操作,并记录操作过程和结果。
3.对验证结果进行统计和分析,并与设备设计规格和相关标准进行比较。
4.根据验证结果,对设备进行调整和优化,或制定相应的改进方案。
5.重新验证调整后的设备,直到其性能和功能符合要求。
四、验证结果和结论根据再验证的结果,评估灌装机的性能和准确性是否满足要求。
验证内容
1 预确认
根据生产及GMP的要求。
考核了相应厂家,经比较和筛选,确认该设备适合我公司生产产品的要求。
2 安装确认
2.1在设备开箱验收后应检查设备规格标准是否符合订购要求。
建立设备档案,整理使用手册等技术资料,归档保存,填写设备开箱记录,制作设备卡。
2.2进行设备验证之前,所有与验证有关的仪器、仪表等都应校正合格,设备、仪器都应建立相应的操作程序,维修保养程序。
2.3列出关键性部件及消耗性备用品的目录,汇总统计,作为灌装加塞扎盖机的关键性资料,用来与设备以后的变动做比较。
2.4设备安装完成后通电调试,确认设备各部件是否被正确安装。
5.3 运行确认
3.1开机
插上电源接头,打开总开关,屏幕上方指示灯闪烁,触屏变亮。
3.2急停
使机器处于联动状态,按下急停按钮,机器停止运转。
3.3机器运动及工位
放上瓶子,使机器处于联动状态,确认瓶子的供应与机器运行步调一致。
手动、点动控制键正常,运行正常,真空泵启停、内外塞供应开关的控制键正常。
5.4 性能确认
机器运行时灌液口处于瓶口中心不贴瓶壁,供内塞连续不间断,吸内塞、压内塞无掉塞,供外塞顺利。
出瓶灌入培养基量满足要求,真空度达标,扎盖紧固。
灌装加塞扎盖机验证记录
一、验证项目:液体灌装加塞扎盖机
二、验证方法:按验证方案测试,连续三次。
三、验证结果:
结果审核:
生产部:年月日质管部:年月日。
灌装机验证方案1. 引言灌装机是一种用于将液体或粉状物质灌装到包装容器中的设备,广泛应用于食品、化妆品、医药等行业。
为了确保灌装机的正常运行和产品质量,需要进行灌装机的验证测试。
本文档将介绍灌装机验证的目的、测试环境、测试方法以及测试结果的评估等内容。
2. 验证目的灌装机的验证旨在确认其满足设计要求,并确保其能够按照预期的方式正常工作。
通过验证测试,可以检验灌装机系统的性能、可靠性和一致性,验证机器是否能够正确地完成灌装操作,并保证产品的灌装质量。
3. 测试环境灌装机验证测试需要在具备以下条件的环境中进行: - 灌装机设备完全安装并调试完成; - 灌装机的操作人员熟悉操作程序并具备相应的技术知识; - 灌装机的各项参数设置符合设计要求并进行了调整; - 具备相应的测试工具和设备,如称重器、计量杯等。
4. 验证步骤4.1 安全检查在进行灌装机验证测试之前,首先需要进行安全检查,确保工作环境安全,减少事故的发生。
包括以下检查内容: - 检查机器的停机开关和急停按钮是否正常工作; - 检查机器的安全防护装置是否完好,并确保操作人员正确佩戴相关的防护设备; - 检查灌装机的电源和接地是否正常; - 检查液体和粉状物质的储存和供给系统是否安全可靠。
4.2 灌装精度测试灌装精度是衡量灌装机性能的重要指标之一,验证时需要通过称量实际灌装的液体或粉状物质的重量与设定值进行比对。
具体的测试步骤如下: 1. 将一定量的液体或粉状物质投放到容器中,并将其重量称量记录; 2. 调整灌装机的设定值为相同的量级,并使用相同容器进行灌装; 3. 将灌装后的容器重量称量并记录; 4. 比对称量值与设定值的差异,判断灌装机的灌装精度。
4.3 灌装速度测试灌装速度是指单位时间内灌装的液体或粉状物质的量,测试时需要验证灌装机是否能够达到预设的灌装速度要求。
具体的测试步骤如下: 1. 调整灌装机的设定值为一定的灌装速度; 2. 使用计量杯或计时器记录单位时间内灌装的液体或粉状物质的量; 3. 比对实际灌装速度与设定值的差异,判断灌装机的灌装速度是否符合要求。
XX制药2020年验证文件方案编号:(2)-V-E-P-20004版本号:01灌装系统再确认方案实施单位:XX制药有限公司一、概述1. 设备系统基本情况1.1 WYGC-20型灌液机本设备为气动控制的液体灌液机,专用于液体的精确定量灌注。
灌装速度可进行无级调速。
本设备可适应稀薄液体(如煤油、酒精)直至粘稠液体(如洗面奶液)的灌装,采用配套的灌装口,可保持灌装停顿后不发生滴漏。
1.2 WQH型微型封口机本设备系半自动化的单机,专用于各类气雾罐的封口。
工作时只要将瓶/罐放入转盘上,脚踩脚踏开关既能自动连续转为封口。
脚离开脚踏开关既停止连续封口。
也可以进行单次工作,只须脚踩一下脚踏开关,便能进行一次循环。
所以操作极为简便。
1.3 WQG-25型微型灌气机本设备采用国标最新技术,把抛射剂灌入已封好的罐内作气雾抛射剂的专用机器。
在1-2秒钟内一次完成。
本设备采用压缩空气作为动力,气源控制,准确地完成灌装。
2. 特点与用途本系统为气动灌封充控制的液体灌装机、封口机、充气机,速度可进行无级调速。
本系统可适应稀灌液体(如乙醇)直至粘稠液体(如洗面奶)的灌装,采用配套的灌装口,可保持灌装停顿后不发生滴漏。
本系统工作方式为半自动循环制式。
在日用化工、医疗卫生、工业、交通、公安防卫、文化办公等行业的气雾剂产品中,是最理想、最先进的灌装生产设备。
3. 主要技术参数3.1WYGC-20型灌液机液体灌装量: 2-20ml 灌装精度优于±1%最大生产能力:2000-3000瓶/小时容器直径:φ14-φ35mm压缩空气压力:0.4-0.6MPa 容器最大高度:150mm压缩空气消耗量:0.1立方米/分3.2 WQH型微型封口机气罐封口直径: 11-22mm 气雾罐高度:30-100mm生产能力:1200-1800瓶/小时压缩空气压力:0.5-0.6MPa压缩空气消耗量:0.1立方米/分2.3 WQG-25型微型灌气机适应气雾剂罐:罐盖直径φ25.4mm;高度70-100mm;直径φ22-35mm适应的抛射剂介质:氟利昂(F12)、HFA-134a等灌装量:5-25ml 重复灌装精度±1%生产效率:1-2秒/罐压缩空气压力:0.5-0.6MPa压缩空气消耗量:0.1立方米/分二、目的检查并确认 WYGC-20型灌液机、WQH型微型封口机、WQG-25型微型灌气机的运行性能,确认本设备能够正常运行,各项性能指标符合生产工艺要求。
塑瓶输液车间SSL-250洗灌封联动机组确认方案xxxx有限公司二0一二年十一月目录1、设备概述2、确认对象3、确认目的4、确认小组成员及职责分工5、确认依据6、确认文件的要求7、确认计划8、确认实施8.1 文件系统检查8.2 仪器仪表的检查8.3 SSL-200洗灌封联动机组的设计确认8.4 SSL-200洗灌封联动机组的安装确认8.5 SSL-200洗灌封联动机组的运行确认8.6 SSL-200洗灌封联动机组的性能确认9、确认状态的维护10、确认结果报告11、确认结果审查与批准12、附件:确认记录1、概述1.1 SSL-200洗灌封联动机组是上海震伦机械有限公司生产的适用于塑瓶大输液洗瓶、灌装、熔封作业的专业设备,生产能力为:150-200瓶/分钟。
可以生产100ml、250ml、500ml三种规格塑料瓶大输液,规格件的更换简单方便,适应瓶高度的调整采用调整输送带形式,主机保持不动。
洗灌封联动机组在2010年12月,按照1998版要求,进行过验证,因未投入生产,期间未进行再验证,本次在申请GMP认证前,按照2010版GMP要求,进行再确认,内容包括设计确认、安装确认、运行确认、性能确认。
1.2 设备工作原理瓶经输送带、变距螺杆及拨轮导板进入翻瓶夹子,瓶随夹子在导轨控制下翻转,先后经离子风清洗、水喷洗后翻下传入灌装、封口工位;焊盖后瓶由出瓶轮夹入输送带输出机外。
洗灌封机组各工位工作流程介绍离子风清洗工位:离子风清洗工位主要由翻转装置、静电发生器、吹吸装置及升降装置等组成。
清洗原理和过程为:翻转瓶;吸风管随凸轮上升套住瓶口;离子风管也随凸轮上升至瓶内;当吹、吸控制轮接近感应开关时,感应开关发出信号,电磁阀工作,压缩空气通入吸风管至瓶内清洗瓶子;同时排气阀门气缸动作,开启风门,吸风机将瓶内气体抽出机外,这样交替进行吹吸达到风洗效果。
本机在除静电上采用了正负离子交变技术,在电极上按工频电流频率分别产生正负离子晕,通过压缩空气的输送直达带有静电的塑瓶内,能够迅速有效地消除瓶壁上静电,使瓶壁上的残余静电降低至最低点。
方案编号:TS-71083-00设备编码:2A007
项目负责人:
确认领导小组审查汇签:
1.主题内容
本方案规定了液体制剂车间YGL液体灌装机机组的确认范围、方法及标准。
2.适用范围
本方案适用于液体制剂车间YGL液体灌装机机组的确认。
3.实施确认人员及职责
4.简介
4.1简介
YGL液体灌装机机组主要用于液体制剂灌装生产,该生产线包括液体理瓶、液体灌装机、电磁感应封口机组成,能自动加盖,采用无极调速,使用8只活塞泵定量灌装,计量准确,更改规格方便,传动均采用机械传动,传动准确、平稳。
各功能调节方便,结构简单,便于维修。
为确保该设备符合GMP要求,符合工艺要求,保证产品质量,特对该生产线的性能指标进行确认。
5.确认范围
本方案适用于xx制药有限公司YGL液体灌装机机组的确认,确认内容包括:设计确认、安装确认、运行确认、性能确认。
●设计确认(DQ):考察设备的技术规格、技术参数和指标的适用性并参考设备使用说明书考察设备是
否满足公司生产需求及GMP要求,经比较筛选,最终购进,整个设备设计确认过程应严格执行《设备管理规程》。
●安装确认(IQ):对安装设备的外观检查;测试的步骤、文件、参考资料和合格标准,以证实设备的
安装确实是按照制造商的安装规范进行的,符合设备运行前提条件。
●运行确认(OQ):按设备操作规程操作正常运行,测试并通过记录及文件证实设备技术指标符合要求,
并且能在规定的生产速度限定范围和误差范围内运行,同时确认设备操作规程的适用性。
●性能确认(PQ):设备的性能确认是负载运行机器,是以符合相应的药典和《规范》要求所展开的,
它是从设计、制造到使用最重要的一个环节。
6. 确认目的
根据《质量风险管理规程》、《确认与验证管理规程》、《确认与验证操作规程》、《设备及公用系统确认SOP》的要求,同时参考《YGL液体灌装机机组使用说明书》对设备的各项技术指标及性能进行确认,用以证明该设备的各项指标和性能均能满足日后生产需求和GMP的要求。
7.培训
确认方案起草人在方案批准后对本次确认相关人员进行培训,并记录在相关附件中。
如果在确认中涉及到其他培训,培训记录的复印件附在验证报告中。
8.变更和偏差处理
确认过程中如果出现偏差和变更,应立即通知确认与验证小组并对偏差和变更进行详细记录(参见偏差处理单,变更处理单),分析偏差产生的根本原因并提出解决方法。
所有偏差和变更得到有效处理后,确认方可进入下一步骤。
偏差处理单和变更处理单经过批准后其原件必须附在验证报告中。
变更和偏差处理记录
检查人/日期:复核人/日期:
9.确认项目及结论
“是”:确认结果完全符合方案标准;“是*”:确认结果虽有偏差,经分析后可以接受;“否”:确
认结果不符合方案标准。
检查人/日期:复核人/日期:
10. 附件
附件1. 确认实施前人员培训
附件2. 设计确认记录
附件3. 安装确认记录
附件4. 运行确认记录
附件5. 性能确认
附件1:确认实施前人员培训确认前检查
附件2:设计确认
目的:根据公司要求,选择与公司生产能力相适应的设备,确保所选设备性能满足生产需要和GMP要求。
检查人/日期:复核人/日期:
检查人/日期:复核人/日期:
检查人/日期:复核人/日期:
检查人/日期:复核人/日期:
附件3:安装确认
目的:按照设备安装计划,依据设备生产厂家的要求及设备的特殊需求以及今后使用的特定条件进行安装。
并确认设备使用、维护与检修和清洁SOP等文件并纳入文件管理系统。
检查人/日期:复核人/日期:
检查人/日期:复核人/日期:
检查人/日期:复核人/日期:
检查人/日期:复核人/日期:
检查人/日期:复核人/日期:
检查人/日期:复核人/日期:
检查人/日期:复核人/日期:
附件4:运行确认
目的:检查并确认该设备在空载运行时各部分功能正常,符合设备技术性能要求。
确认标准操作规程的适用性;按照制订的设备使用、维护与检修SOP进行操作,设备运转正常,证明操作规程适用于该设备。
检查人/日期:复核人/日期:
4.2 YGL液体灌装机机组运行检查确认
检查方法:按《YGL液体灌装机机组使用、维护与检修SOP;》进行操作,空车运行40分钟,检查设备的
检查人/日期:复核人/日期:
附件5:性能确认
确认设备在负载情况运转稳定、可靠,操作符合操作要求,设备性能确认与工艺验证同步进行,性能确认见麻杏止咳糖浆工艺验证。