(完整版)道路灰土路基工程施工方案
- 格式:doc
- 大小:187.51 KB
- 文档页数:29
石灰土路基工程专项施工方案石灰土路基工程是指利用石灰和土壤进行改良的一种路基工程施工方法。
石灰土路基工程能够提高土壤的物理性能和化学性能,使土壤具有较好的承载力和稳定性。
下面是一个石灰土路基工程专项施工方案,详细介绍了施工的步骤和要点。
一、施工前准备1.石灰的选择:选用石灰的品种应符合规范要求,一般可选用活性石灰或水化石灰。
2.土壤的选择:选择土壤应符合设计要求,土壤应具有较好的工程性质和可塑性。
3.设备的准备:准备好必要的设备和机械,如推土机、翻土机等。
4.人员培训:对施工人员进行专项培训,保证其具备必要的技能和知识。
二、施工步骤1.清理路基:清理路基表面的杂物和积土,确保路基表面平整。
2.水分控制:控制土壤的含水量,使其达到适当的湿度,一般控制在土壤含水量的光学湿度。
3.铺设石灰:将石灰均匀地铺在土壤表面,铺设厚度一般为石灰的1%~2%。
4.翻土混合:使用翻土机将土壤和石灰进行充分混合,确保石灰均匀地分散在土壤中。
5.反复碾压:使用碾压机对混合后的土壤进行反复碾压,直至土层均匀、密实,并达到设计要求的承载力。
6.养护:进行适当的养护措施,保持路基表面干燥,以促进石灰土路基养护。
三、施工要点1.石灰的均匀铺设:石灰应均匀地铺设在土壤表面,确保石灰能够充分地和土壤混合。
2.土壤的湿度控制:控制土壤的含水量,使其达到适当的湿度,过干或过湿都会影响石灰与土壤的混合效果。
3.翻土混合的深度:翻土混合应达到设计要求的深度,通常为土壤与石灰混合层厚度的1~2倍。
4.碾压的反复性:碾压应反复进行,确保土层均匀、密实,并达到设计要求的承载力。
5.养护的及时性:对石灰土路基进行及时养护,保持路基表面干燥,避免受到降雨的侵蚀。
四、安全措施1.施工过程中,所有人员必须戴好安全帽,并佩戴防护眼镜、口罩等必要的防护装备。
2.施工区域应设置警示标志,确保周边的人员和车辆能够清楚地识别施工区域。
3.施工过程中,应加强对设备和机械的维护和保养,确保其正常运行,减少事故的发生。
灰土路基施工方案灰土路基施工方案一、工程概况灰土路基施工是道路建设中的基础工程,主要负责为道路提供承载力和稳定性。
本方案适用于普通灰土路基的施工,工程规模约为XXX平方米。
二、施工准备1. 设备准备:准备挖掘机、平地机、压实机等必要设备,并对设备进行检查和维护。
2. 材料准备:准备符合规格要求的灰土、砂石等材料,并对材料进行质量检测。
3. 人员准备:组织专业的施工队伍,包括施工人员和管理人员,并进行必要的培训。
三、施工工序1. 土地开挖:使用挖掘机按设计要求进行路基的开挖,同时进行有关排水设施的布置。
2. 平整土面:使用平地机对路基进行平整,确保其表面平整度符合要求。
3. 灰土填筑:将符合规格要求的灰土进行填筑,并进行分层压实,每层厚度约为XX厘米。
4. 灰土夯实:使用压路机对灰土进行夯实,确保压实度达到设计要求。
5. 边坡处理:根据设计要求,在路基两侧进行边坡处理,包括挖、填等工作,同时进行护坡结构的设置。
6. 环境保护:在施工过程中,做好环境保护措施,包括围挡悬挂护坡网,清理施工垃圾等。
四、质量控制1. 材料质量控制:对灰土等基础材料进行质量检测,确保符合相关标准要求。
2. 施工工艺控制:按照工程规范要求,严格按照施工工序进行施工,确保施工质量。
3. 环境保护控制:健全环境保护体系,落实环境保护措施,确保施工过程符合环境保护要求。
4. 施工过程监控:设置监理人员对施工过程进行监控,及时发现和解决问题,确保工程质量。
五、安全生产1. 安全教育培训:对施工人员进行安全教育培训,传达安全生产意识,提高安全防范意识。
2. 安全防护设施:设置必要的安全防护设施,如警示标志、警戒线等,确保施工现场安全。
3. 安全管理措施:健全安全管理制度,落实安全生产责任,加强对施工现场的安全管理。
4. 应急预案:制定完善的应急预案,对各类安全事故进行预防和应对,保障施工安全。
六、工程验收1. 施工完工后,进行工程验收,对施工质量进行检查,确保达到规范要求。
灰土路基施工方案(完整版).doc 模板1:灰土路基施工方案(完整版)1. 项目概述1.1 项目背景1.2 项目目标1.3 项目范围2. 工程准备2.1 施工前的调查与设计2.2 人力资源准备2.3 材料与设备准备3. 灰土路基施工流程3.1 土地平整3.2 灰土填筑3.3 灰土压实3.4 灰土路面整平4. 质量控制4.1 施工材料质量控制4.2 施工工艺质量控制4.3 进度与质量监控5. 安全措施5.1 安全风险评估5.2 安全防护措施5.3 应急预案6. 环境保护6.1 建设环境影响评价6.2 建设期环境监测6.3 施工期环境保护措施7. 竣工验收与交付7.1 竣工验收标准与流程7.2 交付与移交手续附件:1. 土地平整设计图纸2. 灰土填筑施工记录表3. 灰土压实质量检测报告4. 灰土路面整平验收报告法律名词及注释:1. 施工前的调查与设计:根据相关规定进行实地调查,并根据调查结果进行工程设计。
2. 灰土填筑:以灰土为材料进行路基填筑的过程。
3. 灰土压实:利用机械设备对灰土进行压实处理,提高路基的稳定性。
4. 灰土路面整平:对已填筑、压实的灰土路面进行整平处理。
模板2:灰土路基施工方案(完整版)1. 项目背景1.1 项目名称1.2 项目位置1.3 工程规模2. 工程概况2.1 建设内容2.2 技术要求2.3 施工标准3. 施工过程3.1 灰土开挖3.2 土方填筑3.3 灰土压实3.4 路基整平4. 材料与设备4.1 灰土材料选用4.2 施工设备准备4.3 材料与设备验收5. 施工组织与管理5.1 项目经理任命5.2 施工人员配备5.3 施工计划编制5.4 现场安全管理6. 施工质量控制6.1 施工前试验6.2 施工过程质量控制6.3 现场质量检查7. 环境保护与能耗7.1 施工期环境保护7.2 施工期能耗控制7.3 环境与能耗监测附件:1. 施工图纸2. 施工合同及附件3. 施工进度计划表4. 监理日志法律名词及注释:1. 灰土开挖:指在工地上对土壤进行开挖的过程,为后续施工准备工作。
道路灰土路基工程施工方案工程概述道路灰土路基工程是指在二级公路、三级公路、农村公路等基层工程中,基于土工材料的一种路面基础支撑形式。
本文将针对道路灰土路基工程施工方案进行详细讲解。
工程材料1.灰土材料:采用不低于S-1级的灰土,灰土渗透性要求不大于S-3级。
2.碎石料:按照规格使用大小不同的石子,最大颗粒直径不得大于80mm。
3.石灰:采用不低于C级的石灰。
4.水泥:按照规格使用标号不低于32.5号的普通硅酸盐水泥。
5.沙土料:采用粒径模数M的砂石,M值为2.3-2.7。
工程设备1.路基压路机:用于将灰土铺设在路基上,并进行初次压实。
2.喷水车:用于在灰土铺设后,对其进行湿润处理。
3.碾城机:用于铺设石子,将石子按照规则铺设。
4.水泥搅拌车:用于搅拌水泥与沙土料,调配制成路基砂浆。
5.石灰搅拌车:用于将石灰与水按照一定比例混合。
6.掺入杂料机:用于将水泥砂浆与灰土进行混合。
工程步骤1.路基准备:对道路进行平整,确保路面坚实结实。
2.灰土铺设:使用路基压路机将灰土均匀铺设在路面上。
3.水润处理:用喷水车对灰土进行水润处理,保证其湿润。
4.初次压实:使用路基压路机对灰土进行初次压实。
5.石子铺设:使用碾城机将石子按照规则铺设在灰土表层。
6.二次压实:使用路基压路机对灰土和石子进行二次压实,保证结实。
7.制备路基砂浆:使用水泥搅拌车将水泥、沙土料混合,制作路基砂浆。
8.掺入砂浆:使用掺入杂料机将制备好的路基砂浆掺入灰土与石子中,混合均匀。
9.平整处理:使用铲车对灰土和砂浆进行平整处理,确保路面平整。
10.确定结构并进行喷水处理:浇水确保均匀湿润,并且缓慢蒸发;在表面喷涂水泥、石灰或其他模板剂,用亚光或白色抹子处理表面。
工程验收为了确保灰土路基工程质量,应依据相关规定进行验收,包括以下步骤:1.深度检测:使用钻孔或金属测深器测量路基表层和深度,确保符合设计要求。
2.厚度检测:使用厚度计测量路基厚度,确保符合设计要求。
灰土路基施工方案
灰土路基施工方案
一、工程概述
1.1 工程名称:灰土路基施工工程
1.2 工程地点:xxxx
1.3 工程规模:xxxx
二、施工准备
2.1 资料准备:准备工程设计图纸、规格书、施工方案等。
2.2 施工人员:组织专业技术人员进行施工指导,确保施工质量。
2.3 施工机械和设备:准备挖掘机、压路机等必要的施工机械和设备。
三、施工过程
3.1 场地准备:对施工场地进行清理和平整,确保施工的顺利进行。
3.2 原土处理:对场地上的原土进行开挖,挖掉表土和有机质层,保持坡度恒定。
3.3 灰土铺设:将清除的原土用于填充,并结合建筑垃圾进行夯实,形成灰土路基。
3.4 压实处理:利用振动压路机进行灰土的压实处理,提高灰土的密实度。
3.5 检验验收:对灰土路基进行必要的检查和验收,确保符合工程质量要求。
四、安全与质量控制
4.1 安全措施:制定严格的施工安全操作规程,提供必要的个人防护装备,并组织相关人员进行安全培训。
4.2 质量控制:严格按照设计要求进行施工,对每一个施工环节进行监督和检查,并及时纠正施工过程中出现的问题。
五、环保措施
5.1 土方回收利用:对挖掘出的原土进行合理利用,用于填充其他工程或种植绿化。
5.2 减少扬尘:在施工现场进行喷洒水雾降尘处理,减少扬尘污染。
5.3 垃圾分类处理:对施工过程中产生的垃圾进行分类处理,保证环境清洁。
以上是灰土路基施工的基本方案,根据具体的工程情况,还需要进行详细的设计和方案调整。
在施工过程中,需要根据实际情况进行灵活调整,确保施工质量和安全。
灰土路基施工方案
一、前言
灰土路基是公路工程中常见的路基类型之一,其施工质量直接影响道路使用寿命和安全性。
本文将介绍灰土路基施工方案,旨在提高施工效率和工程质量。
二、施工准备
1.原材料准备
–石灰、黄土等原材料按规定比例配制。
2.施工设备
–推土机、压路机、水车等施工机械设备。
3.施工人员
–具备相关工程技术背景的施工人员。
三、施工流程
1.土基处理
–将原材料按比例混合,均匀覆盖在路基表面。
2.压实
–使用压路机进行压实作业,确保路基密实。
3.湿拌
–在压实后的路基表面喷洒适量水分,创造湿拌条件。
4.复压
–用压路机进行二次压实,提高路基的承载能力和稳定性。
5.清场
–完成施工后清理现场,保持施工环境整洁。
四、施工质量控制
1.材料质量
–严格按照规定的比例配制原材料。
2.现场检测
–常规进行路基密实度、平整度等检测。
3.管理监督
–强化现场管理,确保施工质量符合规范要求。
五、施工注意事项
1.安全第一
–施工现场要遵循安全操作规程,做好安全防护。
2.环境保护
–施工结束后要对现场进行清理,保护周边环境。
六、总结
通过本文的介绍,我们了解了灰土路基施工的基本流程和质量控制要点。
正确的施工方法和严格的质量管理是确保路基工程质量的关键,希望本文对灰土路基施工有所帮助。
路基灰土专项施工方案
一、前言
道路建设中,路基是承载道路交通荷载的基础部分,其中路基灰土施工方案对
于道路的耐久性和稳定性至关重要。
本文将就路基灰土专项施工方案进行详细阐述。
二、工程概况
1. 工程地点
该工程地点位于XX路段,全长XX公里。
2. 工程内容
本工程主要包括路基灰土处理工作。
3. 工程需求
•提高路基承载力和稳定性
•减少路基变形和沉降
三、施工方案
1. 前期准备
•清理路基,确保施工区域无杂物
•测量路基高程和坡度,确定灰土加填的数量
2. 灰土加填
•采用XX方法,将灰土均匀加填到路基上
•保证灰土填充层厚度均匀,压实度符合规范要求
3. 压实处理
•使用XX设备对灰土填充层进行压实处理
•分层逐次压实,确保路基密实度达标
四、质量控制
1. 现场监测
•每日对施工现场进行检查,并记录施工情况
•测量路基的变形情况,及时调整施工方案
2. 质量验收
•完成施工后,进行质量验收
•根据规范要求,对路基灰土施工结果进行评定
五、安全措施
1. 施工人员安全
•施工人员需佩戴安全帽、安全鞋等防护用具
•遵守作业规程,确保施工安全
2. 设备安全
•确保施工设备运转正常
•定期检查设备,及时发现问题并处理
结语
路基灰土专项施工方案的实施对于道路的使用寿命和行车安全具有重大意义。
通过科学合理的施工方案和严格的质量控制,可以有效提高路基的承载能力和稳定性,为道路的可持续发展贡献力量。
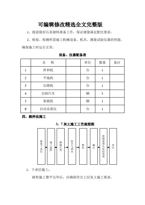
可编辑修改精选全文完整版1、提前做好石灰储料准备工作,保证储量满足配比要求。
2、检验、检测所需施工机械设备、机具、测量试验仪器的性能,确保施工时运行正常。
设备、仪器配备表四、路拌法施工3:7灰土施工工艺流程图1、下承层施工:路堑施工整平完毕后,应确保符合上层灰土施工要求。
2、施工放样:以现有场地订立水准点,制作标高图,控制灰土高程。
3、摊铺石灰整平后,便可按要求每平米60KG摊铺石灰。
4、土料和石灰的拌和⑴、石灰摊铺完成后,便可进行土料和石灰的拌和,拌和采用路拌法,拌和机必须保持匀速前进,禁止忽快忽慢。
⑵、拌和机前进时,铧犁要完全插入土层底部,保证土料能够完全翻起,拌合机至少翻犁2遍,从而保证土料和石灰拌和均匀。
8、整形:⑴、三七灰土拌和均匀后,应立即用平地机初步整形。
在直线段,平地机由两侧向路中心进行刮平;在平曲线段,平地机由内侧向外侧进行刮平。
必要时,再返回刮一遍。
⑵、对于局部低洼处,应用齿耙将其表层5cm以上耙松,并用新拌的混合料进行找平。
⑶、如需再用平地机整形一次。
应将高处料直接刮出路外,不应形成薄层贴补现象。
⑷、每次整形都应到达规定的坡度和路拱,并应特别注意接缝必须顺适平整。
⑸、在整形过程中,严禁任何车辆通行,并保持无明显的粗细集料离析现象。
9、碾压:⑴、碾压时,灰土外表要潮湿,碾压遵循:先两侧后中间,先静压后振动再静压的操作程序压实,压路机行驶速度控制在2km/h以内,碾压分初压、复压和终压。
⑵、初压〔即静压〕采用12t中型压路机,关闭振动装置,先静压两遍,起整平和稳定混合料的作用。
⑶⑷、终压时压路机静压1~2遍。
⑸、碾压时,区段交接处应重叠压实,纵向搭接长度不得小于3m,纵向行与行之间的轮迹重叠压实不小于0.3m。
〔6〕必在碾压过程中,如发现土过干、表层松散,应适当洒水;如土过湿,发生“弹簧〞现象,应采用挖开换灰土等措施进行处理。
凡不符合设计要求的路段,必须根据具体情况,采取措施,使之到达标准规定的标准10、接缝和调头处的处理:⑴、同日施工的两工作段的衔接处,应采用搭接。
路基灰土施工方案一、概述路基灰土施工是道路建设中重要的一环,其质量直接关系到道路的使用寿命和安全性。
本文旨在探讨路基灰土施工的方案设计及注意事项,以期为实际工程提供参考。
二、施工前准备1. 施工方案确定在进行路基灰土施工前,需根据工程要求确定施工方案,包括施工方法、施工工艺、材料选用等,并做好施工组织设计。
2. 材料准备准备需用的灰土、水泥、石灰等材料,确保材料质量符合相关标准要求,减少施工中的质量风险。
3. 设备调试对施工所需的设备如路基夯实机、拌土机等进行检查和调试,确保设备正常运转。
三、施工步骤1. 路基准备先对路基进行整治和夯实,保证路基平整、结实,提供良好的基础条件。
2. 灰土施工(1)灰土配合比确定根据工程要求和现场条件确定灰土的配合比,保证灰土的质量符合要求。
(2)拌土将灰土和适量的水泥、石灰等材料放入拌土机中进行拌合,确保拌合均匀。
(3)运输和铺设将拌好的灰土运输到施工现场,按设计要求铺设在路基上,采取适当的厚度。
(4)夯实使用路基夯实机对铺设好的灰土进行夯实,确保灰土密实、结实。
四、施工质量控制1. 施工过程监控在施工过程中,要对灰土的配合比、拌合均匀度、厚度、夯实情况等进行监控,及时发现并处理问题。
2. 质量验收施工完成后,对灰土路基进行验收,检查灰土的密实性、平整性等指标是否符合质量要求。
五、施工注意事项1.施工中应做好现场管理,保证施工秩序和安全;2.做好施工记录,及时处理施工过程中出现的问题;3.施工过程中保持通畅的沟通,确保施工顺利进行。
六、总结路基灰土施工是道路建设中不可或缺的环节,其施工质量直接关系到道路使用的安全和舒适性。
合理设计施工方案、加强施工质量控制是保证灰土路基质量的关键。
希望本文的内容能为相关工作提供一定的参考和借鉴。
石灰土填筑路基施工方案一、施工准备(一)、接桩复测配合设计院、业主、监理工程师,在现场进行控制性桩点的交接,并保护好交桩成果。
接桩后进行复测,资料报监理工程师审批。
在复核过程中,对控制点桩位进行加固和保护,并设置明显标志。
(二)、技术准备1、建立健全质量、环保、安全管理体系和质量检测体系。
2、对各类施工人员进行岗位培训和安全技术交底,让全体参建人员目标明确,任务明确,标准明确,责任明确。
3、临时工程满足正常施工需要,保证路基施工影响范围内原有道路、结构物及农田水利等设施的使用功能不受影响。
临时排水系统与永久性排水设施相结合,防止施工路段的雨水、施工废水等排入农田、耕地,造成污染,路基工程施工期间,场地应具有良好的排水状态,不受冲刷破坏。
同时做好路田分界的明显标志,以防发生地界矛盾。
(三)、测量放样1、导线点及水准点复测:在正式施工前,对导线点及水准点进行复测,导线测量精度应满足相关要求;2、恢复定线根据设计线路坐标及设计图纸,用全站仪定出路线的主要控制桩,然后进行中线放样及测放边线;复测原地面高程,并将测量资料报送监理工程师审核批准。
(四)、场地清理在路基施工前,将施工路段及取土场内的树木、灌木、杂草、树根、垃圾、秸杆、腐植物等清除,原地面的表土、草皮清除范围和深度按图纸及监理工程师要求进行,清理物运至指定地点存放,填方地段应按设计要求整理压实,压实到规定的密实度,并经监理工程师验收。
开挖的表土堆积在经工程师批准的合适位置处。
(五)、试验路段正式施工以前,选择在地质条件、断面形式等工程特点具有代表性的地段进行试验段施工,路段长度不小于100m。
试验段施工主要包括以下内容:1.填料试验、检测报告等。
2.压实工艺及主要参数。
3.过程质量控制方法、指标。
4.优化后的施工组织方案和机械设备组合方式。
5.对施工设计图的修改、建议等。
二、路基石灰土填筑施工1、准备工作(1)、抓紧路基工程填土施工,掺灰处理采取分段施工,即路基填土完成一段,立即进行一段路床顶掺灰处理。
道路工程中灰土施工方案一、前言道路工程中的灰土施工是整个工程中非常重要的一个环节,它直接关系到道路的承载能力和使用寿命。
因此,在道路工程中,必须对灰土的施工进行科学合理的规划和实施,以保证道路的质量和安全。
本文将从灰土施工的准备工作、施工原理、施工过程中的注意事项和施工后的验收等方面进行详细的介绍和分析。
二、准备工作1. 灰土的选择在道路工程中,通常会采用石灰土进行路基填料的施工。
石灰土是一种优质的填料材料,它具有良好的抗压性能和耐久性,并且能够有效的提高路基的承载能力。
因此,在灰土施工前,必须对原材料的选择进行严格的筛选和检测,以确保原材料的质量符合施工要求。
2. 施工设备的准备灰土施工所需要的主要设备有破碎机、搅拌机、压路机、水车等。
在施工前,必须对这些设备进行检测和保养,以确保设备的正常运行,并做好设备的调试和预热工作。
3. 灰土料场的建设为了保证灰土施工的顺利进行,必须建设一个合理的灰土料场,料场的选址要合理,通风、排水等条件要好,以确保施工中充分的原材料输送和存储。
4. 施工人员的培训施工人员是灰土施工中的关键因素之一,他们的专业程度和工作态度直接决定了施工的质量。
因此,在灰土施工前,必须对施工人员进行专业的培训,使他们掌握灰土施工的基本知识和操作技能,提高工作效率和保证施工质量。
三、施工原理1. 石灰土的性能特点石灰土是一种以石灰为主要原料,配以适量的黄土、煤渣等辅料,经过破碎、搅拌、压实等工艺制成的一种填料材料。
它的主要性能特点包括抗压性好、耐久性强、与水泥混合后能够形成稳定的路基层等。
2. 施工原理灰土施工的主要原理是先进行破碎、搅拌等加工工艺,然后将灰土料运到路基上,在压路机的压实下形成稳定的路基层。
在施工过程中,要注意控制灰土的含水率,避免过干或过湿,影响灰土的密实性和稳定性。
四、施工过程中的注意事项1. 灰土的拌和搅拌在灰土施工中,必须控制好破碎机和搅拌机的工作参数,以确保石灰土和辅料的充分混合。
灰土路基工程施工方案一、总体施工方案1.1 工程概况灰土路基工程是指在道路地基层中采用灰土改良技术,通过合理配比的灰土改良剂对原有土质进行改良,提高其力学性能,以达到路基承载力和稳定性要求的工程。
本工程位于xx 省xx市,路基总长xx公里,路宽xx米,设计车辆荷载为xx级。
根据设计要求,本次施工计划采用xx工法,通过灰土改良技术对路基进行加固。
1.2 工程目标本工程的施工目标是保证施工质量,满足道路的使用性能要求。
具体包括:(1)完全满足设计要求和相关国家标准规范;(2)保证施工安全,做好环境保护,减少对周边环境的影响;(3)在保证质量的前提下,尽可能控制施工成本,提高工程效益。
1.3 施工组织本工程的施工组织结构包括:(1)总指挥部:负责整个工程的总体协调和指挥;(2)技术部门:负责工程技术管理、施工方案设计等工作;(3)安全质量部门:负责施工现场安全和质量管理;(4)材料配送部门:负责材料的采购和运输;(5)机械设备部门:负责施工机械设备的管理和维护;(6)人力资源部门:负责施工人员的调配和管理。
1.4 施工周期本工程的施工周期为xx个月,具体施工进度按施工计划进行安排。
二、施工技术方案2.1 复合灰土改良技术本次灰土路基工程采用复合灰土改良技术,主要采用水泥、石灰、粉煤灰等多种改良剂进行混合使用,对原有土质进行改良。
具体技术流程包括:(1)原材料准备:根据设计要求按指定比例准备水泥、石灰、粉煤灰等改良材料;(2)原土挖掘:首先对道路路基进行挖掘,清除表层土壤;(3)原土改良:将改良剂与原土进行混合均匀,利用机械设备对路基进行夯实,形成改良层;(4)固化养护:对改良层进行固化养护,保证改良剂充分发挥改良效果。
2.2 施工机械设备本次施工中需要使用的主要机械设备包括挖掘机、推土机、压路机等。
其中,挖掘机用于道路路基的挖掘和清理,推土机用于原土改良和夯实,压路机用于路基的压实。
同时,还需配备水泥、石灰、粉煤灰等原材料的搅拌设备。
道路灰土路基工程施工方案1. 介绍灰土路基工程是道路建设中非常重要的一个环节,它直接影响到道路的耐久性和使用寿命。
本文档旨在编制一份道路灰土路基工程施工方案,详细介绍了施工步骤、材料和施工要求等内容,以确保工程的质量和安全。
2. 施工步骤2.1 原地处理首先,需要对道路原地进行处理。
根据现场情况,采用机械开挖或人工开挖的方式将原土挖掘出来,确保挖掘深度符合设计要求。
挖掘土壤后,对土壤进行均匀混合,使土壤颗粒分布均匀,然后进行平整。
最后,在平整的土壤上进行夯实处理,以增加土壤的密实度。
2.2 灰土填筑在原地处理完毕后,需要进行灰土填筑。
将符合设计要求的灰土运输到施工现场,并均匀铺设在挖掘的土壤上。
然后使用推土机等机械设备对灰土进行平整和夯实,以达到设计要求的填筑密度。
2.3 条块拾取为了确保路基的平整度和均匀度,需要进行条块拾取。
根据设计要求,将路基表层的土块或碎石进行平整和拾取,以消除地面的凹凸不平和异物。
2.4 轧压夯实在条块拾取完毕后,需要进行轧压夯实。
使用路面夯实机等设备对道路进行轧压,以增加路基的密实度和稳定性。
需要注意的是,在轧压过程中,应按照设计要求控制轧压次数和轧压压力,以避免对路基造成过度压实。
2.5 养护管理在道路灰土路基工程施工完毕后,需要对施工区域进行养护管理。
包括进行灰土覆盖、养护期间的巡查和维护等工作,以确保道路的稳定性和使用寿命。
3. 材料要求3.1 灰土选择符合设计要求的灰土,具有一定的粒径分布和承载能力。
3.2 夯实设备选择适当的夯实设备,包括推土机、路面夯实机等。
设备应具有良好的性能和可靠性,以确保施工质量。
4. 施工要求4.1 施工期限根据工程规模和施工条件,合理安排施工期限,并确保施工进度不受干扰。
4.2 施工人员确保施工人员具有相关证书和操作经验,熟悉工程施工要求,并严格按照设计要求施工。
4.3 安全措施施工过程中,应加强安全意识,严格按照安全操作规程进行施工。
路基灰土施工方案1. 引言本文档旨在为道路基础工程施工中的灰土施工提供一个详细的方案,以确保路基的稳定性和工程质量。
灰土是一种常用的路基填料,通过合理的施工流程和控制措施,可以保证灰土的均匀密实和稳定性,以确保道路基础工程的长期可靠性。
2. 施工材料和设备准备在灰土施工之前,需要准备以下材料和设备:•石料: 用于路基底层和灰土与路面石料之间的填充,常用的石料包括碎石、砂石等。
•粉煤灰: 用于灰土的改良,提高其稳定性和强度。
•水泥: 用于灰土的稳定和固化。
•掺合料: 用于增加灰土的可塑性和抗剪强度。
•水: 用于与灰土混合,并调控灌入过程中的水分含量。
•灌入设备: 包括水泥灌入车、压路机和平板夯等设备。
3. 施工流程步骤一: 准备工作•清理施工区域,清除杂物、碎石等障碍物。
•确定路基的线形和标高,并进行勘测和标记。
步骤二: 石料填充•在道路基础的底层填充石料,以均匀分布并压实。
•石料层的填充厚度和压实度应符合设计要求。
步骤三: 灰土施工•将合适比例的灰土、粉煤灰和掺合料混合均匀。
•控制水泥的加入量,并与混合物充分混合。
•通过喷水或喷射水泥灌入车将灰土均匀地压实到路基上。
•灰土的厚度应根据设计要求进行控制,一般在20-30cm范围内。
步骤四: 灌入过程的控制•在灌入过程中,需要控制水分含量,以确保灰土的密实性和稳定性。
•水分含量的控制可以通过测定灰土的含水量或密度来进行。
•根据测定结果,可以进行加水或减水控制,以调整灰土的水分含量。
步骤五: 压实和固化•使用压路机对灌入的灰土进行压实,保证其密实度和稳定性。
•确保灌入的灰土能够与石料层和路面石料紧密结合。
•灌入后的灰土需要经过一定的固化时间,以确保其强度和稳定性。
4. 施工质量控制为了保证施工质量和工程可靠性,需要进行以下质量控制措施:•施工过程中,必须进行现场检查和监测,以确保每个步骤的施工质量符合要求。
•对灰土施工前后的水分含量和密度进行测试,并记录测试结果。
三七灰土路面基层施工方案一、土路基验收与测量施工前请监理工程师对路基按质量检验标准进行验收,合格后方可进行下一道工序的施工,然后恢复中线,直线段每10m设1桩,并在两侧车道边缘外0.5m处设一指示桩,在指示桩上用红漆标出基层边缘设计标高和松铺厚度的位置。
二、灰土场内备石灰与消解石灰消解石灰时要佩戴眼镜,穿胶靴劳动保护用品防止石灰烧伤,为防止大堆石灰的底部消解不透或压实后路基出现膨胀,存灰点堆存石灰的高度不宜超过3~4m。
消解钙石灰应在用灰前5~7d消解完毕,未消解透的石灰不准装车铺用。
加水时应控制水量适当,第一遍注水为初步消解,间隔半天至一天进行第二遍注水,水管深插至灰堆底部,加水至少两遍,若尚留有消解不到之处,应加第三遍水点补。
一般含水量35%~40%之间,以不使消石灰成膏成团、不粘锨、不产生扬尘为度,每吨石灰要用水500~800Kg,雨季消解石灰应防止含水量偏大,以免遇雨淋落。
施工前应对所用的石灰取样过15mm 圆孔筛余试验,并应根据筛余百分比增加用灰量。
三、取土场与拌合场集中设置。
按设计要求拌和灰土。
根据石灰土用量及预定的干容重(换算为密度)。
计算土及石灰的用量。
用挖土机及堆土机再拌合场进行拌合,挖土拌合不少于三遍,推土从低向高出依次推碾,再拌合及推碾的过程中,注意灰土的含水率。
灰土拌合完毕后,经过报验后方可使用。
四、摊铺过程中,人工将砖瓦石块、树根等杂物拣除。
人行道填土可与稳定土用土一起摊铺碾压。
五、整形人工带线每10m找出标准横断面,根据标准横断面进行找平。
六、碾压1、整形后,当混合料含水量为最佳含水量(±1%~2%)时,先用振动压路机静碾一遍,再分别弱振和强振各2遍,最后用18~21T,压路机静碾2~3遍,具体碾压遍数可根据试验段的试验法果确定,严禁第一遍直接用振动压路机进行强振。
2、碾压原则同土路基碾压。
3、严禁压路机在已完成的或正在碾压的路段上调头或急刹车。
4、碾压过程中,如有“弹簧”、松散,起皮等现象,应及时重新,或其它方法处理,使其达到质量要求。
第1篇一、石灰土路基施工工艺流程1. 施工准备(1)场地平整:将施工场地平整,确保路基基底坚实、平整。
(2)材料准备:准备好石灰、土、砂等原材料,确保材料质量符合规范要求。
(3)设备准备:调试施工设备,确保设备性能良好。
2. 施工过程(1)土源选择:选择适宜的土源,保证土质符合要求。
(2)石灰消解:将石灰进行消解,消解程度达到80%以上。
(3)土与石灰混合:将消解后的石灰与土按一定比例混合均匀。
(4)分层摊铺:按照设计要求,将石灰土分层摊铺,每层厚度应控制在15cm左右。
(5)碾压:采用碾压机对石灰土进行碾压,确保压实度达到要求。
(6)养护:碾压完成后,进行洒水养护,保持石灰土湿润,促进石灰土稳定。
3. 施工质量检查(1)压实度检查:采用环刀法或灌砂法检查压实度,确保压实度达到设计要求。
(2)平整度检查:采用水平尺检查石灰土的平整度,确保平整度达到要求。
(3)强度检查:采用CBR试验或无侧限抗压强度试验检查石灰土的强度,确保强度达到设计要求。
二、石灰土路基施工注意事项1. 石灰消解:石灰消解是石灰土路基施工的关键环节,消解程度直接影响石灰土的质量。
应严格控制消解时间,确保石灰消解充分。
2. 土与石灰混合:土与石灰的混合比例应根据设计要求进行调整,确保石灰土的质量。
3. 分层摊铺:分层摊铺时,应注意每层厚度均匀,避免出现厚薄不均现象。
4. 碾压:碾压过程中,应注意碾压遍数和碾压速度,确保压实度达到要求。
5. 养护:石灰土路基施工完成后,应进行洒水养护,保持石灰土湿润,促进石灰土稳定。
6. 质量控制:施工过程中,应严格执行质量控制措施,确保石灰土路基施工质量。
总之,路基工程石灰土施工是一项复杂的工程,施工过程中应严格按照工艺流程进行操作,注意施工细节,确保石灰土路基施工质量。
第2篇在公路、铁路等基础设施建设中,路基工程是至关重要的基础部分。
石灰土作为一种常用的路基填筑材料,因其具有良好的力学性能、稳定性和耐久性,被广泛应用于路基施工中。
石灰土路基专项施工方案一、工程概况石灰土路基是指采用石灰作为主要掺合剂的土工材料,在路基工程中用于改良土壤的一种方法。
它具有良好的固结性能、稳定性能和工程性能,广泛用于土路、路堤、路基等工程中。
本施工方案针对项目的石灰土路基专项施工,旨在确保工程质量和进度的同时,提高工程的经济性和可靠性。
二、施工准备1.组织施工人员,确保施工人员持证上岗,具备相应的资质证书。
2.准备施工设备,包括挖掘机、平地机、压路机、搅拌机等,确保设备运行正常。
3.购买和准备施工材料,包括石灰、碎石、砂子等,确保材料的质量和数量满足施工需求。
4.搭建施工现场临时设施,包括办公室、工人宿舍、仓库等,确保施工的顺利进行。
三、施工工艺1.原土整理:清除路基上的杂物和障碍物,确保路基表面平整,并进行必要的修整和夯实,以提供良好的施工基础。
2.石灰土配合比设计:根据路基的使用要求和地质条件,设计合理的石灰土配合比。
一般情况下,石灰土的配合比为石灰质量占土质量的2%~6%。
3.石灰土搅拌:将石灰和土壤按照配合比进行搅拌,搅拌时间一般为15~30分钟,搅拌效果要求土壤与石灰均匀混合。
4. 石灰土覆盖:将搅拌好的石灰土均匀覆盖在路基上,覆盖厚度一般为30~50cm,根据实际情况可进行分层覆盖。
5.石灰土压实:采用压路机进行石灰土的压实,压实目标为达到规定的控制值和检查值。
6.填平和修整:在石灰土路基达到规定的压实度后,进行填平和修整,确保路基表面平整。
7.进行湿抗试验:在施工结束后,进行石灰土湿抗试验,以检验石灰土的固结性和稳定性。
四、施工控制1.施工过程中,要进行现场检查和监测,确保施工质量和进度。
2.在施工过程中,要根据实际情况调整施工工艺,确保达到设计要求。
3.在施工中,应根据施工进度和季节变化,进行对石灰土的合理养护措施,以提高路基的稳定性和使用寿命。
4.在施工结束后,要对施工过程进行总结和评估,以为下一次施工提供经验教训。
五、安全措施1.施工现场要设置明显的安全警示标志,确保施工人员和过往车辆的安全。
鲈乡路(柳胥路~联中路)路桥新建工程道路灰土路基施工方案吴江市明港道桥工程有限公司鲈乡路(柳胥路~联中路)路桥新建工程项目经理部二零一七年十二月目录一、工程概况及说明 (1)二、编制依据 (1)三、工程测量准备 (2)四、路基施工 (2)4.1、施工准备 (2)4.2、路基施工工艺 (4)五、主要劳动力、机械设备和材料投入计划 (6)5.1、主要劳动力投入计划 (6)5.2、主要施工机械设备投入计划 (8)5.3、主要材料投入计划 (10)六、质量管理措施 (14)6.1、质量保证措施 (14)6.2、施工技术措施 (16)6.3、施质量管理组织措施 (17)七、雨期施工措施 (19)八、安全文明施工及环境保护措施 (19)8.1 、安全生产目标 (19)8.2 、建立健全安全保证组织机构 (20)8.3、安全生产保证措施 (20)8.4、文明施工保证措施 (23)8.5、环境保护措施 (25)8.6、现场施工扬尘管理措施 (26)鲈乡路(柳胥路—联中路)路桥新建工程路基施工方案一、工程概况及说明鲈乡路(柳胥路~联中路)路桥新建工程施工地点位于苏州吴江经济技术开发区,拟建场地属长江三角洲冲、湖积平原地貌类型。
工程起点为鲈乡路与柳胥路交叉口北侧(桩号K0+800),工程终点为鲈乡路与联中路交叉口。
工程沿线主要用地有:农田、鱼塘、施工区等,标高-0.76~5.14m。
道路工程:为双向六车道城市主干道,两块板,人非共板。
一般路段道路总宽度为40m,中央分隔带宽度为4m,单向机动车道宽度为11.5m,人非共板宽度为6.5m。
填方路基:机动车车道采用路床顶面以下80cm范围内采用6%灰土处理,80cm以下至搅拌桩桩顶采用4%灰土处理,非机动车道和人行道采用路床顶面以下40cm范围采用6%灰土处理,40cm以下采用4%灰土处理。
挖方路基:机动车车道采用路床顶面以下80cm范围内采用6%灰土处理,非机动车道和人行道采用路床顶面以下40cm范围采用6%灰土处理。
路基施工均采用灰土路基。
二、编制依据1、《吴江经济技术开发区建设局鲈乡路北路路桥新建工程(柳胥路-兴中路)道路工程施工图及设计变更图;2、根据2010年3月的工程地质勘查报告;3、《公路路基施工技术规范》JTGF10-2006、《公路工程质量检测评定标准》JTGF80/1-2004、《城镇道路工程施工与质量验收规范》CJJ1-2008三、施工测量准备灰土路基施工前必须复核中桩及水准点的准确性,将复核无误的中桩边桩采用三角形保护桩引至施工范围以外,并将保护桩保护完好直至工程结束。
测放成果经自检合格,监理复核无误后,方可进入下道工序施工。
路基施工首先利用全站仪、水准仪布设方格网的高程线型桩(纵向每10m设一桩,横向设道路中心线及边线桩各一),控制土路基的高程及线型。
道路中线测量:根据加密的导线点,设计院所提供的道路中心线坐标,及道路曲线要素,每隔一定距离用坐标法现场测定道路中心线。
结构层测量放样:复测固定路线主要控制点桩,如交点、转点和圆曲线的起讫点。
中线恢复后,进行基点标高和中桩标高测量,以复核已有水准点标高和中桩地面标高。
核对道路中心线无误后,依次丈量出路面边界,进行道路边线放样,定出边桩;弯道及交叉路段须按设计半径,加密边桩,保证曲线圆弧尺寸。
四、路基施工工艺4.1、施工准备路基施工均采用挖掘机和装载机填筑或挖除装车,自卸汽车运输。
一般路段边坡原则采用放坡处理。
1、路基施工排水:施工时应做好排水工作,尽量避开雨天施工。
在路基两侧开挖排水边沟和集水坑,及时排除地表积水,并每隔50m 开挖排水横沟,与边沟连通,降低地下水位。
每层土方填筑压实后,表面应设置2%~4%的横坡以利排水。
2、清表:采用挖掘机结合人工清表,清表宽度应超出路基坡脚外50cm,原则上清除地表耕植土、有机土,不得留有树根、草根等有机物或杂填土。
3、路基施工要求及检测标准:(1)、选用的土方严禁使用含建筑垃圾的杂填土和淤质土,土质应均匀。
石灰宜采用二级以上生石灰,其有效氧化钙加氧化镁含量应大于70%。
路基填土应分层填筑、逐段碾压成型,其分层填筑厚度必须与压实机具相适应,一般每层填土压实厚度不应超过20cm。
填筑宽度不得小于设计宽度,以便最后削坡,严禁贴坡。
(2)、填方路基:机动车车道采用路床顶面以下80cm范围内采用6%灰土处理,80cm以下至搅拌桩桩顶采用4%灰土处理,非机动车道和人行道采用路床顶面以下40cm范围采用6%灰土处理,40cm以下采用4%灰土处理。
(3)、挖方路基:机动车车道采用路床顶面以下80cm范围内采用6%灰土处理,非机动车道和人行道采用路床顶面以下40cm范围采用6%灰土处理。
(4)、桥头段路床顶面以下全部采用6%灰土处理。
(5)零填路段:清除地表土后,应将表土翻松30cm,分层压实后再进行填筑。
使之达到要求的压实标准后再修筑路面。
灰土路基压实度控制表4.2、石灰土路基填筑施工方法施工流程:施工准备→拌合→摊铺→平整→碾压→养生→压实度检验→验收。
一般路段在道渣填筑合格后,进行石灰土路基的填筑施工。
填筑前,根据设计的路基高程,相应地段的路基沉降值和确保路基边缘压实的超宽值进行施工放样,确定出路基的填筑边线(包括沉降预留值和路基超宽值在内),并用石灰线标出范围,以便施工。
石灰土路基按20cm一层分层摊铺、碾压。
4.2.1、备土、备灰、铺灰原地利用土方运至路基后,按照松铺厚度将土摊铺均匀一致,有利于机械化施工。
铺土后,先用推土机大致推平,然后放样用平地机整平,清余补缺,保证厚度一致,表面平整。
备灰前,用压路机对铺开的松土碾压1~2遍,保证备灰时不产生大的车辙,严禁重车在作业段内调头。
备灰前根据灰剂量、不同含水量情况下的石灰松方干容重及石灰土最大干容重计算。
铺灰前在灰土的边沿打出格子标线,然后用人工将石灰均匀地铺撒在标线范围内。
4.2.2、拌和采用专用的小宝马拖拉机进行路拌法施工,铧犁作为辅助设备配合翻拌。
土的含水量小,应首先用铧犁翻拌一遍,使石灰置于中、下层,然后洒水补充水份,并用铧犁继续翻拌,使水份分布均匀。
考虑到整平过程中的水份损失,含水量适当大些(根据气候及拌和整平时间长短确定),土的含水量过大,用铧犁进行翻拌凉晒。
水份合适后,用平地机粗平一遍,然后用拖拉机机拌和第一遍。
第二遍拌和前,用平地机粗平一遍,然后进行第二遍拌和。
若土的塑指高,土块不易拌碎,应增加拌和遍数,并注意下—次拌和前要对已拌和过的灰土进行粗平和压实,然后拌和,以达到拌和均匀,满足规范要求为准。
对土块的破碎效果越好,压实的密度越大,采用此法可达到事半功倍的目的。
拌和机拌合间的搭接宽度不小于20cm。
4.2.3、整平用平地机,按方格网的尺寸布置标高控制样桩,结合少量人工整平。
灰土拌和符合要求后,用平地机粗平一遍,消除拌和产生的土坎、波浪、沟槽等,使表面大致平整。
用轻型压路机稳压1~2遍。
利用控制桩用水准仪放样,石灰粉作出标记。
整平直至标高和平整度满足要求为止。
灰土接头、桥头、边沿等机械无法正常作业的地方,应由人工完成清理、平整工作。
最后一遍整平前,宜用洒水车喷洒一遍水,以补充表层水份,有利于表层碾压成型,最后一遍整平切忌薄层找补,备土、备灰要适当考虑富余量,整平时宁刮勿补。
4.2.4、碾压碾压应在石灰土接近最佳含水量下进行,摊铺好的石灰土应争取当日碾压完毕。
采用振动式压路机和18~21T三轮压路机联合完成。
整平完成后,先用静碾压路机碾压一遍。
之后采用静碾压路机碾压,碾压时后轮应重叠1/2轮宽,一般碾压4~5遍,压路机的碾压速度,头两遍以采用1.5~1.7公里/小时,以后用2.0~2.5公里/小时,至无明显轮迹。
总之碾压时遵循“先边后中,先轻后重,先慢后快”的原则。
碾压必须连续完成,中途不得停顿,压路机应足量,以减少碾压成型时间,碾压过程中应行走顺直,低速行驶。
4.2.5、养生石灰土碾压完毕后7天内,必须保持一定的湿度,以利强度的形成,避免发生缩裂和松散现象。
4.2.6、检测每层灰土必需满足灰剂量及压实度要求,压实度每1000m²检测三点。
灰土压实度检测验收后方可继续铺筑上一层灰土铺筑。
五、主要劳动力、机械设备和材料投入计划5.1、主要劳动力计划5.1.1、作业工人配置计划本工程作业主要为机械操作工,机械操作工高峰期间人数为18名,普工5人。
根据工程进度情况分阶段安排各种工种进场。
为了充分保证本工程进度计划的实现,将对公司管辖下的施工力量进行必要的调整和储备,由我公司劳动人事部门统一组织进场。
施工人员必须具有良好的质量、安全意识,具有较高的技术等级,具有相似工程施工经验的人员组成。
5.1.2、劳动力保障措施(1)整个标段实行项目经理部→作业队→工班三级管理。
参加本工程的施工力量,按照“分段独立、流水交叉、统一协调”的原则进行总体布置,相对独立地组织工程施工。
施工作业队接受经理部的统一管理、协调和调配,必须做到相互配合,分工不分家。
根据各工区的实际情况,加强各班组人员机械设备的协调和管理,最大限度地发挥人员和机械设备的功效和能力。
(2)劳动力投入计划按施工高峰期安排,施工过程中项目经理部将根据施工现场、施工进度和工程量进行适当调整,以确定作业队的劳动力的配置。
当进入施工高峰时,确保在三天内调集需要的劳动力。
(3)本工程施工时,必要时采取昼夜施工,确保按期完成。
(4)充分发挥我公司施工、技术、管理上的优势,组织多支作业组同步施工,交叉施工,确保目标工期。
(5)农忙季节、节假日劳动力保证措施:对职工家在农村的,首先进行思想动员,让每位参建职工明确工期和信誉对单位的重要性,提前安排好家中的农活,做到农忙季节不回家,同时对坚持施工的职工给予一定的农忙补贴,让职工安心工作。
做好节日期间的施工安排,在确保施工正常进行的条件下,有序安排职工在春节期间轮流休假,并采取特殊津贴,确保有足够的人员坚持工作;其次提前安排、调整劳动力数量,必要时可下达强制性劳动力数量指标来保证劳动人数。
(6)所有用于本项目的劳动力,我公司将严格按国家及当地政府对农民工管理有相关规定做好必须的岗前教育及劳动保护教育工作。
5.2、主要施工机械设备计划6.2.1、主要施工机械设备配置计划1、根据本工程施工方案和工期要求,我公司拟投入包括土方机械、路基及运输机械、发电机等以及试验测量检测设备等。
2、拟投入本工程的机械设备主要在本工程所在地区就近工地调集,不足部分由公司总部调集,按施工组织安排时间分批投入使用。
并将根据开工的情况及各工点进度快慢对各正点使用的机械数量进行协调或另行增加。
主要机械设备根据生产能力大于进度指标要求,设备能全面满足工程需要的原则,合理进行配置。
所有机械设备做好维护、保养等工作,确保正常运转。