特种设备现场安全监督检查记录
- 格式:doc
- 大小:70.00 KB
- 文档页数:11
特种设备安全专项检查内容及检查表特种设备安全专项检查内容及检查表一、特种设备专项安全检查内容:(一)特种设备安全管理检查1.安全管理机构的建立或专(兼)职管理人员配备情况;2.安全责任制建立和执行情况;3.教育培训、操作规程等制度建立和执行情况;4.设备安全技术档案、作业人员档案的建立和管理情况;5.建立事故报告、处理、责任追究制度和执行情况;6.隐患治理、监控情况;7.应急救援预案制定和演练工作情况。
(二)特种设备安全检查1.使用的特种设备是否经过制造监督检验和安装(改造、重大维修)监督检验,并检验合格;2.购买或租赁特种设备是否选择具有相应特种设备制造许可证资质单位制造的特种设备,购置或租赁是否存在严重事故隐患,无改造、维修价值,超过安全技术规范规定使用年限,或者已在特种设备监督管理部门办理注销手续予以报废的特种设备。
购置的特种设备是否附有安全技术规范要求的设计文件,产品质量证明书、安装及使用维护说明、监督检验证明等文件。
3.特种设备安、拆队伍资质、人员配置及持证情况是否满足要求。
4.特种设备的使用是否按行政许可要求进行使用登记,并在检验有效期内;5.特种设备的操作人员是否经过安全教育培训,是否按规定持有有效证件;6.特种设备的安全附件和安全保护装置是否按规定进行检验(校验),是否灵敏可靠;7.特种设备的运行记录是否齐全且真实有效,是否在规定参数范围内运行;8.特种设备的维护保养是否有效落实,日常维护保养记录是否齐全,对维护保养中发现的问题是否得到及时、合理的处置;9.是否制定具有针对性的真实专项应急预案,是否具备应急救援能力,是否按预案要求进行演练,对应急救援装备和急救物品的配备、存放、检查维护是否符合要求;10.使用单位是否存在下列违规行为:(1)非煤矿山用桅杆起重机及载货升降机使用是否存在事故隐患。
(2)常压锅炉是否承压使用,小型汽水两用炉是否超压使用,是否存在非法改造行为。
(3)电梯及升降机使用单位是否制定电梯管理办法和三角钥匙管理制度。
特种设备生产单位现场安全监督检查项目表特种设备使用单位现场安全监督检查项目表特种设备使用单位现场安全监督检查项目表特种设备使用单位现场安全监督检查项目表附件3特种设备检验检测机构发现重大问题告知(报告)表受检单位意见:受检单位分管人员签名及日期:检验员签名及日期:检验员联系电话:市级安全监察机构接收传真电话、人员姓名:接收时间:年月日时分县级安全监察机构接收传真电话、人员姓名:接收时间:年月日时分(注:本表一式四份,市、县级安全监察机构、检验检测机构、受检单位各一份)附件4:特种设备现场安全监督检查原始记录表检查人员:年月日附件5:特种设备现场安全监督检查记录特种设备安全监察员:记录员:日期年月日附件6:特种设备安全监察指令书()质监特令[ ]第号:经检查,你单位(人)在特种设备安全方面存在下列问题:上述问题违反了《特种设备安全监察条例》第条的规定,根据《特种设备安全监察条例》第五十九条、的规定,责令你单位(个人)于年月日前采取以下措施予以改正或者消除事故隐患:如对本指令书不服,可在接到指令书之日起60日之内向申请行政复议,或者于3个月内向人民法院提起行政诉讼。
复议和起诉期间,不得停止改正或者停止消除事故隐患。
特种设备安全监察员签名:被检查单位(负责人)签名:(质量技术监督部门公章或者安全监察专用章)年月日备注:本指令书一式两份,发出部门、被检查单位各一份。
特种设备重点监控工作要求为加强对重点特种设备的安全监察,推进分级分类监管,切实防止和减少特种设备重特大事故的发生,根据安全生产法、《特种设备安全监察条例》、《国务院关于进一步加强安全生产工作的决定》等规定,现就开展特种设备重点监控工作提出如下要求:一、重点监控设备范围各省级质量技术监督局参照以下因素确定本省(区、市)的重点监控设备目录:(一)发生事故后可能造成10人以上死亡后果的特种设备;(二)重要场所使用的特种设备;(三)经检验判为限定条件使用的特种设备;(四)关系国家重大经济安全的特种设备。
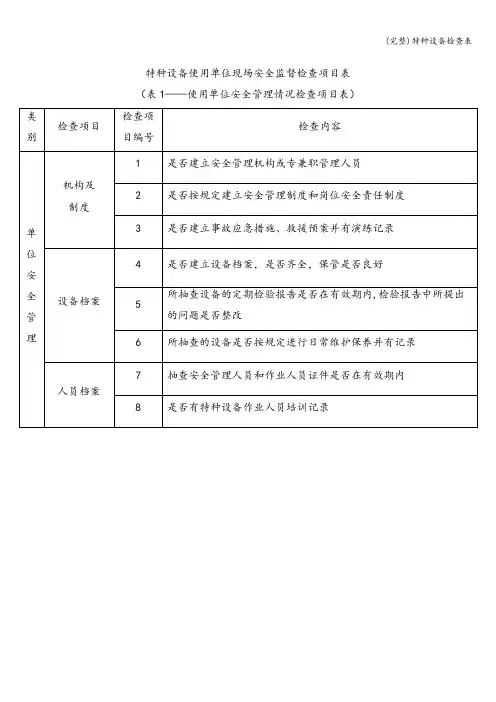
(表1——使用单位安全管理情况检查项目表)(表2——锅炉使用情况检查项目表)特种设备使用单位现场安全监督检查项目表(表3——压力容器使用情况检查项目表)特种设备使用单位现场安全监督检查项目表(表4——电梯使用情况检查项目表)特种设备使用单位现场安全监督检查项目表(表5-—起重机械使用情况检查项目表)特种设备使用单位现场安全监督检查项目表(表6——场(厂)内机动车辆使用情况检查项目表)1附件3特种设备检验检测机构发现重大问题告知(报告)表检验员签名及日期:检验员联系电话:市级安全监察机构接收传真电话、人员姓名:接收时间:年月日时分县级安全监察机构接收传真电话、人员姓名: 接收时间:年月日时分(注:本表一式四份,市、县级安全监察机构、检验检测机构、受检单位各一份)附件4:特种设备现场安全监督检查原始记录表附件5:特种设备现场安全监督检查记录附件6:特种设备安全监察指令书()质监特令[ ]第号:经检查,你单位(人)在特种设备安全方面存在下列问题:上述问题违反了《特种设备安全监察条例》第条的规定,根据《特种设备安全监察条例》第五十九条、的规定,责令你单位(个人)于年月日前采取以下措施予以改正或者消除事故隐患:如对本指令书不服,可在接到指令书之日起60日之内向申请行政复议,或者于3个月内向人民法院提起行政诉讼。
复议和起诉期间,不得停止改正或者停止消除事故隐患.特种设备安全监察员签名:被检查单位(负责人)签名:(质量技术监督部门公章或者安全监察专用章)年月日备注:本指令书一式两份,发出部门、被检查单位各一份。
特种设备重点监控工作要求为加强对重点特种设备的安全监察,推进分级分类监管,切实防止和减少特种设备重特大事故的发生,根据安全生产法、《特种设备安全监察条例》、《国务院关于进一步加强安全生产工作的决定》等规定,现就开展特种设备重点监控工作提出如下要求:一、重点监控设备范围各省级质量技术监督局参照以下因素确定本省(区、市)的重点监控设备目录:(一)发生事故后可能造成10人以上死亡后果的特种设备;(二)重要场所使用的特种设备;(三)经检验判为限定条件使用的特种设备;(四)关系国家重大经济安全的特种设备。
特种设备现场监督检查内容及记录表格一、前言特种设备作为常见的大型机械设备,在社会生产、建设等方面扮演着越来越重要的角色。
为了保障人员和设备的安全,特种设备的监管和检查显得尤为必要。
本文将介绍特种设备现场监督检查的内容与记录表格。
二、内容1. 机器设施针对机器设施,现场监督检查应包括以下内容: - 设备是否符合相关标准和规定? - 设备是否进行过有效的检测和维护? - 设备预防措施是否到位,如安全装置是否完善、是否有足够的警示标志等。
2. 操作过程针对操作过程,现场监督检查应包括以下内容: - 操作人员是否经过专业培训和持证上岗? - 操作人员是否遵守操作规程,进行设备的正常运转? - 紧急情况下,操作人员是否知道如何正确的停止设备?3. 环境质量针对环境质量,现场监督检查应包括以下内容: - 设备周边是否有足够的通风环境? - 是否有放置可燃物或易燃物的区域? - 环境是否干净整洁,无作业杂物和垃圾,无须污染物等。
4. 特殊情况针对特殊情况,现场监督检查应包括以下内容: - 设备在特殊情况下的运转模式和控制机制是否正常? - 对于特定设备,如压力容器、锅炉等,是否进行定期水压试验、内部检验和安全保养等?三、记录表格针对以上内容,特种设备现场监督检查的记录应包括以下项: - 检查时间 - 检查人员 - 检查设备名称 - 检查内容和结果记录表格如下:检查时间检查人员设备名称检查内容和结果2021.9.1 张三、李四压力容器设备外观无变形、无渗漏。
压力表读数正常。
2021.9.2 王五石化装置设备周围无可燃物、无垃圾。
有足够的通风空间。
2021.9.3 张三、李四起重机钢丝绳无损伤、无积泥。
电线是否损坏,制动器是否灵活。
记录表格的使用可以方便管理人员进行统计、分析和跟进对应的设备和管理人员,保障特种设备的安全生产。
四、特种设备的现场监督检查是安全生产的必要环节,检查内容包括机器设施、操作过程、环境质量和特殊情况等多个方面。
特种设备现场安全监督检查项目要求及记录表(四)气瓶充装单位现场监督检查项目要求及记录表编号: 单位名称 现场地址 单位负责人 许可证编号 许可的范围 检查 项目联系电话 许可证有效期 检查内容 检查方法和要求 检查结果□符合 查阅许可证和气瓶充装记录,审 1.1 许可证是否在有效期内,是 □不符合 查许可证的有效期,以及其充装 否有超出许可范围充装现象。
□有缺陷 是否在许可范围内。
□无此项 □符合 1.2 管理人员、 技术人员、 作业人 查阅人员资质清单,审查人员资 □不符合 员的资质、数量是否符合有关法 质、数量。
□有缺陷 规要求。
1 □无此项 许可 □符合 资格 查看其设备、 设施、 场地等, 审查 1.3 单位的设备、 设施、 场地等条 □不符合 其条件和压力容器、压力管道等 件是否符合有关法规要求。
□有缺陷 设备的定期检验报告。
□无此项 □符合 1.4 是否具有一定的气体储存能 查阅气瓶技术档案,查看气体储 □不符合 力和足够数量的自有产权气瓶。
存现场。
□有缺陷 □无此项 □符合 2.1 是否建立健全了质量保证体 查阅质量体系文件、安全管理制 □不符合 系和安全管理制度,质量体系文 度、 各级责任人员任命文件等, 审 □有缺陷 件是否及时修订。
查其是否齐全,是否及时修订。
□无此项 2 管理 2.2 是否对充装作业人员和充装 □符合 前检查人员进行了相关知识培训 查阅培训记录, 询问作业人员, 审 □不符合 和安全教育,充装作业人员和检 查安全教育情况。
□有缺陷 查人员是否持证操作。
□无此项1 / 102.3 是否有充装技术档案不在本 □符合 充装单位的气瓶(非自有产权气 查看气瓶充装记录台账,抽查核 □不符合 瓶) 的现象 (车用气瓶、 呼吸用气 对单位气瓶技术档案。
□有缺陷 瓶、灭火用气瓶除外) 。
□无此项 共 检查 项目 检查内容 2.4 是否有对使用过的非重复充 装气瓶再次进行充装的现象。
特种设备检查记录一、基础情况:我公司主要特种设备现有:三套装置共有90台压力容器、2台天车。
二、特种设备自查自检情况:经对全厂压力容器进行检查后发现二期天车自查出隐患一处,为天车吊钩向上运行控制不灵敏;处理措施:已更换新的接触器,天车可以正常运行。
三、其他特种附件和警示标志牌自查自检情况:1、警示标牌、全套制度、告知牌等,现已结合安全标准化要求统一制作完毕,悬挂到位。
2、连接法兰、阀门全面检查。
3、安全阀及爆破片全面检查。
四、特种作业人员上岗证件检查情况:全厂特种作业人员共24名,上岗证持有率100%,全部经过主管部门培训合格无证件过期情况。
五、管理责任情况:1、全员安全责任制今年全部签定完毕。
2、节假日期间安排相关人员进行值班,并及时上报节假日的生产运行情况给有关领导及部门。
六、培训教育情况:公司组织召开了全厂范围的特种设备安全培训教育学习会议,会议针对“特种设备安全法”“特种设备安全使用”、“特种作业人员持证上岗”及“冬季交通安全教育”等进行强化学习,并观测学习结果。
特种设备年度检查自评报告2根据集团公司安全[20xx]233号《关于开展特种设备安全监管情况检查的通知》文件的有关要求,油田公司为了进一步加强特种设备安全监管,确保特种设备安全平稳运行。
要求公司所属各单位按照总部的统一要求认真组织开展特种设备安全监管现状调查和自检自评工作。
我院积极响应迅速展开了针对特种设备及特种作业人员的全面自查自纠活动,重点落实特种设备事故隐患的排查整改工作,确保特种作业人员全部持证上岗。
通过本次自查自检活动,学院特种设备事故隐患排查工作基本到位,现将自查情况总结如下:一、基本情况学院主要特种设备:1.电动单梁(悬挂)起重机5吨、3吨、2吨各一台。
安装在教学实训基地使用。
2.电梯四部。
其中二部是客梯(桃李园酒店),另外二部是货梯,分别安装在两栋教学楼中使用。
3.1吨燃气蒸汽锅炉二台,安装在总务处锅炉房,用于食堂、学生浴室、学生开水房及洗衣房供汽。
特种设备现场安全监督检查原始记录表使用单位名称(盖章):使用单位地址:使用单位分管负责人:电话:使用单位安全管理人员:电话:使用单位陪同检查人员:电话:检查员:检查时间: 年月日时分至月日时分一、安全管理二、设备使用检查人员:记录员:日期: 年月日特种设备现场安全监督检查记录共页第页检查人员:记录员:日期:年月日特种设备现场安全监督检查记录(续页)共页第页检查人员:记录员:日期:年月日特种设备安全监察指令书(XX)市监特令[XXXX ] 第XXXX—1 号X X X X X X X X:经检查,你单位(人)在特种设备安全方面存在下列问题:未对特种设备安全作业人员进行安全教育和技能培训,无记录;使用未取得相应资格的人员从事特种设备安全管理、作业;未办理特种设备使用登记;未按规定建立安全管理制度和岗位安全责任制度;未建立特种设备安全技术档案或者安全技术档案不符合规定要求;未设置安全管理机构或配备专兼职管理人员;未对其使用的特种设备进行经常性维护保养和定期自行检查,并作出记录;未制定事故应急专项预案、无演练记录。
上述问题违反了《中华人民共和国特种设备安全法》第十三、十四、三十三、三十四、三十五、三十六、三十九、六十九条有关的规定。
根据《中华人民共和国特种设备安全法》第六十二、八十三八十六、八十七条有关的规定,责令你单位(个人)于XXXX年XX月XX日前采取以下措施予以改正或者消除事故隐患:1、对特种设备安全作业人员进行安全教育和技能培训并记录;2、未取得相应资格的人员不得从事特种设备安全管理、作业;3、办理特种设备使用登记;4、按规定建立安全管理制度和岗位安全责任制度;5、建立符合规定要求的特种设备安全技术档案或者安全技术档案;6、设置安全管理机构或配备专兼职管理人员;7、对使用的特种设备进行经常性维护保养和定期自行检查并作出记录;8、未制定事故应急专项预案、演练并记录.如对本指令书不服,可在接到指令书之日起60日之内向 XXX人民政府申请行政复议,或者于6个月内向 XXX 人民法院提起行政诉讼。
特种设备现场安全检查基本要求一、特种设备现场安全检查由地方各级质量技术监督部门的安全监察人员实施。
二、现场安全检查的对象包括:特种设备生产单位(含设计、制造、安装、改造、维修,下同),气体充装单位,特种设备使用单位,特种设备检验检测机构以及鉴定评审机构。
三、现场安全检查的内容是,被检查对象执行《特种设备安全监察条例》、有关特种设备地方性法规、规章和安全技术规范的情况。
四、现场安全检查分为日常检查和专项检查两类。
五、市级质量技术监督部门负责对以下单位组织实施日常检查:(一)未开展制造过程监督检验的特种设备制造单位;(二)特种设备使用单位;(三)特种设备安装改造维修单位;(四)气体充装单位;(五)上级交办检查、有关部门移送检查或者被举报投诉的单位。
县级质量技术监督部门的检查任务由市级质量技术监督部门下达。
县级质量技术监督部门接到举报投诉,应当及时将检查情况报告市级质量技术监督部门。
六、总局或者省级质量技术监督部门负责对以下单位组织实施专项检查:(一)已开展制造过程监督检验的特种设备制造单位;(二)检验检测机构;(三)鉴定评审机构;(四)事故高发设备生产、使用单位。
市级质量技术监督部门的检查任务由省级质量技术监督部门下达。
七、日常检查应当符合以下时限要求:(一)对列入监控的重点特种设备实施检查,一年不得少于一次。
(二)对举报投诉、上级交办和有关部门移送案件的检查,应当做到每件必查。
(三)对未开展制造过程监督检验的制造单位实施检查,在一个许可周期内不得少于一次。
(四)对特种设备使用单位的检查,每年不得少于检查单位总数的80%。
八、专项安全监督检查应当符合以下时限要求:(一)对检验检测机构和开展制造过程监督检验的制造单位实施检查,在一个许可周期内不得少于一次。
(二)对鉴定评审机构和事故高发设备生产、使用单位的检查,根据总局或者省级质量技术监督部门的安排进行。
九、在规定的时限内,对同一单位的检查应避免重复进行,一般一年内不得超过2次(举报投诉除外)。
十、现场安全检查的项目和方法,由检查部门根据具体情况参照附件1—4《大纲》确定。
十一、对被检查单位提出限期整改要求的,应当在期满后进行跟踪检查。
十二、发出安全监察指令、查封扣押违法设备以及对违法行为实施行政处罚等,按照《特种设备安全监察条例》和总局有关规定执行;填写现场安全检查记录按照本要求附件5执行。
使用单位现场安全监督检查大纲1 使用管理1.1 管理责任查阅有关文件,询问有关人员。
检查是否按照规定设立了特种设备安全管理机构。
1.2 使用登记查阅使用登记证。
检查是否按照规定办理了使用登记。
1.3 定期检验查阅定期检验报告。
检查特种设备及其安全附件是否按期进行检验,定期检验中发现的问题是否及时整改。
1.4 相关制度查阅相关制度和技术规程。
检查是否建立包括安全责任制度、岗位责任制度、交接班制度、巡回检查制度等各项制度,是否按照规定对重点监控设备制订了监控措施、事故预防措施和事故救援预案,是否建立包括操作规程、维护保养规程、运行故障处理等在内的各项技术规程。
1.5 安全技术档案抽查设备的安全技术档案。
检查档案的内容是否符合要求,各项记录是否齐全,是否能够反映设备得到及时的维护保养,维护保养的时间是否符合规定,是否存在未经许可自行安装、修理或改造特种设备情况。
1.6 人员资格查阅管理和作业人员证件。
检查是否按照规定配备了管理人员,管理人员和作业人员是否按照规定取得质检部门发放的特种设备作业人员证书,作业人员实际操作设备是否与持证的项目和类别相符合。
2 设备使用状况抽查相关设备及其场所。
检查设备的使用情况。
2.1 使用登记证查看使用登记证。
检查登记标志是否按照要求置于或者附着该特种设备的显著位置。
2.2 标志查看电梯、游乐设施、客运索道等特种设备。
检查是否按照规定将安全注意事项和警示标志置于易为乘客注意的显著位置。
2.3 作业人员资格查看现场作业人员的资格证件。
检查是否符合规定,是否与所操作的设备相适应。
2.4 运行操作记录查阅现场的设备运行记录、交接班记录、巡回检查记录等现场使用的相关记录。
检是否及时进行记载,内容是否符合要求。
2.5 设备运行观察设备的运行参数、运行状况。
检查是否存在超参数运行,是否存在异常现象。
2.6 救援措施2.6.1应急救援查看客运索道、游乐设施现场。
检查是否配备相应数量的营救装备和急救物资。
2.6.2 应急报警装置试验电梯内的应急报警装置,检查电梯的应急报警装置是否能起到作用。
2.6.3 维保措施模拟电梯发生故障,呼叫负责的维护保养单位。
检查其接到故障通知后,是否能够立即到达现场,并且能够采取必要的措施。
生产(设计、制造、安装、改造、维修)单位监督检查大纲1.许可管理1.1法人资格查阅营业执照、组织机构代码证、税务登记证、注册资金等。
检查是否符合要求,是否与生产单位一致。
1.2 许可证查阅特种设备许可证件。
检查许可证是否在有效期内,发生变更是否及时办理手续。
1.3 施工告知查阅安装、改造、维修告知书。
检查是否按照规定在施工前向当地安全监察机构书面告知。
2 资源条件2.1 人员查阅相关人员资料、证件。
检查技术人员、专业人员等的数量、学历、资格是否符合要求。
2.2 场地查看生产的场地、库房、试验室、生产车间等。
检查是否符合规定。
2.3 设备条件查阅设备清单,查看设备存放、使用现场。
检查设备的保管、使用等是否符合规定。
2.4 法律、法规、规章、安全技术规范查阅资料目录,查看相应的资料。
检查法律、法规、规章、安全技术规范是否与生产相适应,是否是有效版本。
2.4 生产数量对有数量要求的许可,查阅有关记录。
检查上一年度的生产数量是否符合规定。
3 质量管理体系3.1 组织机构对照现行的质量保证手册,了解机构设置。
检查现行组织机构是否符合质保手册的规定。
3.2 管理制度查阅质量手册、程序文件、管理制度,相关文件的修订记录。
检查质量管理制度是否健全,质量管理体系文件是否及时修订。
3.3 管理人员查阅责任人员任命文件,抽查相关工序的记录表单及其相关资料。
检查质量管理体系责任人员变化时,是否及时重新任命,责任人员的职责、权限的是否明确,是否上岗履行了相应职责,相关文件上是否履行了签字手续。
3.4 法规、规范、标准抽查技术、质检、生产部门等使用法规、规范、标准。
检查是否是最新有效版本。
3.5 文件控制抽查生产的相关文件及其文件的编制、会签、发放、修改、回收、保管手续。
检查是否符合制造工序的时间程序,文件和资料是否得到有效控制。
3.6 外协控制查阅相关分包、外协合同及其相关的验收手续。
检查分包、外协方资格和能力是否符合规定,对分包、外协工作质量是否能够有效地进行控制。
3.7 材料控制抽查特种设备使用的材料质量证明和复验报告、记录。
检查材料质量是否得到有效控制,材料的标识是否能够追溯,材料代用手续是否符合要求,各项签字手续是否齐全。
3.8 焊接控制查阅焊接工艺评定报告、焊接工艺、施焊记录、焊接返修记录、产品编号钢印标记等。
检查焊接质量是否得到有效控制,焊接工艺评定是否覆盖,有否越项施焊和无证施焊项目情况。
3.9 无损检测控制查阅设计文件、工艺文件、产品档案,核查无损检测记录、报告。
检查无损检测比例、方法是否符合要求,无损检测质量是否得到有效控制。
3.10 热处理控制查阅设计文件、工艺文件、产品档案,核查热处理记录、报告。
检查热处理质量是否得到有效控制。
3.11 检验质量控制查阅设计文件、工艺文件、产品档案,核查检验记录、检验报告。
检查检验质量是否得到有效控制。
3.12 不合格品控制查看生产现场的成品、半成品、不合格品的隔离的情况,抽查不合格品处理记录。
检查不合格品是否得到有效控制(含材料、半成品、外购、外协件)。
3.13 质量反馈投诉处理查看用户信息记录,向监检机构了解情况。
检查是否发生过重大质量问题,对质量问题是否进行了有效处理。
3.14 急救应急救援措施对电梯维保单位,查阅有关故障处理和应急救援制度,查阅维保单位的报修记录,向使用单位了解情况。
检查是否能够执行有关于故障处理和应急救援的管理程序,接到故障通知后,能否立即赶赴现场,并采取必要的应急救援措施。
4 事故情况向有关单位了解和安全监督机构和监督检验机构了解情况。
了解产品质量是否有重大安全质量缺陷或者因质量问题造成事故的情况5 产品(设计、施工)质量情况5.1 现场生产质量查看生产现场,抽查生产产品,查阅设计文件、工艺文件、证明文件、记录。
检查遵循的安全技术规范是否符合规定、文件是否齐全,按照规定需要鉴定的设计文件是否经过鉴定,产品所使用的材料是否符合要求,焊接试板、无损检测报告是否要求,需要试验、调试的项目是否按照规定进行。
5.2 出厂(竣工)资料抽查出厂(竣工)资料。
检查是否齐全,是否符合要求,是否能够按照规定提供使用单位。
6 鉴定评审工作6.1 鉴定评审工作质量根据核对的资源条件情况,对照许可规定,查阅鉴定评审意见。
检查鉴定评审的结论意见是否与实际情况相符,是否存错评、漏评现象。
6.2 鉴定评审问题的整改查阅鉴定评审意见;按照鉴定评审意见。
检查问题的整改是否落实。
6.3 鉴定评审工作作风同生产单位有关人员进行交流,征询对鉴定评审工作的意见。
检查鉴定评审工作中是否公正、公平和实事求是,是否存在不良作风和违法行为。
7 监检工作质量7.1 监检人员查阅监检机构向生产单位发出的监检人员名单,向生产单位了解。
检查监督检验机构驻厂人员是否持证上岗,人员数量是否满足要求,是否能够适应生产需要。
7.2 监检项目对照监检项目表,抽查生产单位的产品工作见证。
检查A类监督检验项目是否及时到位监检。
7.3 监检质量控制查阅监检工作记录、监检工作联络单、监检工作意见书。
检查是否能够对制造过程中的违反法规、规章、安全技术规范的行为及时发出监检联络单或者监检意见书。
7.4 监检工作质量查阅生产单位的产品档案及其相关工作见证。
检查监检人员的监检工作质量是否符合要求,是否能够及时的出具监检证书。
气体充装单位现场监督检查大纲1.许可管理1.1法人资格查阅营业执照、组织机构代码证、税务登记证、注册资金等。
检查是否符合要求,是否与实际一致。
1.2 许可证查阅特种设备许可证件。
检查许可证是否在有效期内,发生变更是否能够及时办理手续。
2 资源条件2.1 人员查阅相关人员资料、证件。
检查相关人员的数量、学历、资格是否符合要求。
2.2 场地条件查看充装场地。
检查是否符合规定。
2.3 设备查阅设备档案,查看气体储存现场和充装现场。
检查是否具有一定的气体储存能力和足够数量的自有产权气瓶,充装设备是否符合规定,压力容器、压力管道等设备是否进行了定期检验。
3 质量管理体系查阅质量体系文件、管理制度、各级责任人员任命文件。