承插型盘扣式钢管支架检查评分表GDAQ2030307
- 格式:xls
- 大小:20.50 KB
- 文档页数:4
项目名称紫宸澜山住宅小区15#栋搭设部位层(右)楼面高度3m 跨度 5.4m搭设班组架子班组班组长曹检外操作人员持证人数5人证书符合性合格专项方案编审程序符合性符合要求技术交底情况有安全交底情况有钢管支架进场前质量验收情况合格材质、规格与方案的符合性合格使用前质量检测情况合格外观质量检查情况合格检查内容允许偏差㎜方案要求㎜实际情况㎜符合性立杆垂直度≤L/500且±50 ±5 ±5 2 3 -2 -3 -5 -1 2 3 1 2 合格水平杆水平度±5 ±5 3 -1 -2 -2 -1 1 2 3 3 2 合格可调托座垂直度±5 ±5 -1 2 -2 -3 -5 -1 4 3 1 1 合格插入立杆深度≥100 -5 -5 3 3 3 3 2 -2 2 2 3 2 合格可调底座垂直度±5 ±5 3 2 -2 -4 -3 -1 2 3 2 1 合格插入立杆深度≥150 -5 -5 2 -1 3 2 1 -3 1 1 3 2 合格立杆组合对角线长度±6 ±6 -4 -3 -5 2 -3 1 1 2 3 1 合格立杆梁底纵、横向间距合格板底纵、横向间距合格竖向接长位置合格基础承载力合格水平杆纵、横向水平杆设置合格梁底纵、横向步距合格板底纵、横向步距合格插销销紧情况合格竖向斜杆最底层步距处设置情况合格最顶层步距处设置情况合格其它部位合格剪刀撑垂直纵、横向设置合格水平向合格扫地杆设置合格与已建结构物拉结设置合格其它合格施工单位检查结论结论:检查日期:年月日检查人员:项目技术负责人:监理单位验收结论结论:验收日期:年月日专业监理工程师:项目名称紫宸澜山住宅小区15#栋搭设部位层(左)楼面高度3m 跨度6m 最大荷载搭设班组班组长曹检外操作人员持证人数5人证书符合性合格专项方案编审程序符合性符合要求技术交底情况有安全交底情况有钢管支架进场前质量验收情况合格材质、规格与方案的符合性合格使用前质量检测情况合格外观质量检查情况合格检查内容允许偏差㎜方案要求㎜实际情况㎜符合性立杆垂直度≤L/500且±50 ±5 ±5 1 2 -2 -3 -5 -1 2 3 1 1 合格水平杆水平度±5 ±5 1 -1 -3 -2 -1 1 2 2 3 2 合格可调托座垂直度±5 ±5 -1 2 -2 -3 -5 -1 2 3 1 1 合格插入立杆深度≥100 -5 -5 2 3 3 3 5 -2 1 1 2 2 合格可调底座垂直度±5 ±5 3 2 -2 -3 -5 -1 2 3 1 1 合格插入立杆深度≥150 -5 -5 5 -1 3 2 2 -3 1 1 3 2 合格立杆组合对角线长度±6 ±6 -2 -3 -5 2 -3 1 1 2 3 3 合格立杆梁底纵、横向间距合格板底纵、横向间距合格竖向接长位置合格基础承载力合格水平杆纵、横向水平杆设置合格梁底纵、横向步距合格板底纵、横向步距合格插销销紧情况合格竖向斜杆最底层步距处设置情况合格最顶层步距处设置情况合格其它部位合格剪刀撑垂直纵、横向设置合格水平向合格扫地杆设置合格与已建结构物拉结设置合格其它合格施工单位检查结论结论:检查日期:年月日检查人员:项目技术负责人:监理单位验收结论结论:验收日期:年月日专业监理工程师:表E-2 双排外脚手架施工验收记录表项目名称搭设部位高度跨度最大荷载搭设班组班组长操作人员持证人数证书符合性专项方案编审程序符合性技术交底情况安全交底情况钢管支架进场前质量验收情况材质、规格与方案的符合性使用前质量检测情况外观质量检查情况检查内容允许偏差㎜方案要求㎜实际情况㎜符合性立杆垂直度≤L/500且±50 ±5 水平杆水平度±5可调底座垂直度±5 插入立杆深度≥150 -5立杆组合对角线长度±6立杆纵向间距横向间距竖向接长位置基础承载力水平杆纵、横向水平杆设置纵向步距横向步距插销销紧情况竖向斜杆拐角处设置情况其它部位剪刀撑垂直纵、横向设置连墙件设置扫地杆设置护栏设置脚手板设置挡脚板设置人行梯架设置其它施工单位检查结论结论:检查日期:年月日检查人员:项目技术负责人:项目经理:监理单位验收结论结论:验收日期:年月日专业监理工程师:总监理工程师:。
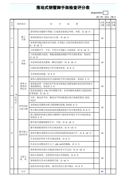
表5 碗扣式钢管脚手架检查评分表序号检查项目扣分标准应得分数扣减分数实得分数1保证项目施工方案未编制专项施工方案或未进行设计计算,扣10分专项施工方案未按规定审核、审批,扣10分架体搭设高度超过规范允许高度,专项施工方案未组织专家论证,扣10分102 架体基础基础不平、不实,不符合专项施工方案要求,扣5~10分架体底部未设置垫板或垫板的规格不符合要求,扣2~5分架体底部未按规范要求设置底座,每处扣2分架体底部未按规范要求设置扫地杆,扣5分未采取排水措施,扣8分103 架体稳定架体与建筑结构未按规范要求拉结,每处扣2分架体底层第一步水平杆处未按规范要求设置连墙件或未采用其它可靠措施固定,每处扣2分连墙件未采用刚性杆件,扣10分未按规范要求设置专用斜杆或八字形斜撑,扣5分专用斜杆两端未固定在纵、横向水平杆与立杆汇交的碗扣结点处,每处扣2分专用斜杆或八字形斜撑未沿脚手架高度连续设置或角度不符合要求,扣5分104 杆件锁件立杆间距、水平杆步距超过设计和规范要求,每处扣2分未按专项施工方案设计的步距在立杆连接碗扣结点处设置纵、横向水平杆,每处扣2分架体搭设高度超过24 m时,顶部24m以下的连墙件层未按规定设置水平斜杆,扣10分架体组装不牢或上碗扣紧固不符合要求,每处扣2分105 脚手板脚手板未满铺或铺设不牢、不稳,扣5~10分脚手板规格或材质不符合要求,扣5~10分采用挂扣式钢脚手板时挂钩未挂扣在横向水平杆上或挂钩未处于锁住状态,每处扣2分106 交底与验收架体搭设前未进行交底或交底未留有文字记录,扣5~10分架体分段搭设、分段使用未进行分段验收,扣5分架体搭设完毕未办理验收手续,扣10分验收内容未进行量化,或未经责任人签字确认,扣5分10 小计607一般项目架体防护架体外侧未采用密目式安全网封闭或网间连接不严,扣5~10分作业层防护栏杆不符合规范要求,扣5分作业层外侧未设置高度不小于180㎜的挡脚板,扣3分作业层脚手板下采未用安全平网兜底或作业层以下每隔10m未采用安全平网封闭,扣5分108 材质杆件弯曲、变形、锈蚀严重,扣10分钢管、构配件的规格、型号、材质或产品质量不符合规范要求,扣5~10分109 荷载施工荷载超过设计规定,扣10分荷载堆放不均匀,每处扣5分1010 通道未设置人员上下专用通道,扣10分通道设置不符合要求,扣5分10小计40 检查项目合计100。
承插型盘扣式钢管模板支架检查记录表(B-6-10-06)
编号:项目名称栋号
检查部位(楼层、
标高、轴线等)
检查时间
检查内容检查情况
施工管理专项施工方案的编制、审核、审批情况和设计计算情况符合要求
安全交底脚手架搭设前是否进行安全、技术交底,是否有文字记录有交底,并有文字记录
钢管支架
进场前质量验收情况合格
材质、规格与方案的符合性符合要求
使用前质量检测情况合格
外观质量检查情况合格
检查内容
允许偏差
(㎜)
方案要求
(㎜)
实际情况(㎜)符合性
立杆垂直度≤L/500且±50 ±5 查方案-13符合要求水平杆水平度±5 查方案
1
可调托座
垂直度±5 查方案插入立杆深度≥150 -5 查方案可调底座
垂直度±5 查方案插入立杆深度≥150 -5 查方案立杆组合对角线长度±6 查方案
立杆梁底纵、横向间距查方案实测数据板底纵、横向间距查方案
竖向接长位置查方案
基础承载力查方案
水平杆纵、横向水平杆设置查方案梁底纵、横向步距查方案板底纵、横向步距查方案插销销紧情况查方案
竖向斜杆最底层步距处设置情况查方案最顶层步距处设置情况查方案其它部位查方案
剪刀撑垂直纵、横向设置查方案
2
水平向查方案
扫地杆设置查方案
与已建结构物拉结设置查方案
其它
检查情况及处理意见:
检查单位(检查人):日期:
单位盖章
整改复查意见:
复查单位(复查人):日期:
单位盖章
3。
项目名称紫宸澜山住宅小区15# 栋搭设部位层(右)楼面高度3m跨度 5.4m搭设班组架子班组班组长曹检外操作人员5 人证书符合性合格持证人数专项方案编审程技术交底安全符合要求有交底有序符合性情况情况钢进场前质量验收情况合格管材质、规格与方案的符合性合格支使用前质量检测情况合格架外观质量检查情况合格允许偏方案要符合检查内容差求实际情况㎜性㎜㎜立杆垂直度≤ L/500 且± 50± 5±523-2-3-5-12312合格水平杆水平度± 5±53-1-2-2-112332合格可调托座垂直度± 5±5-12-2-3-5-14311合格插入立杆深度≥ 100-5-533332-22232合格可调底座垂直度± 5±532-2-4-3-12321合格插入立杆深度≥ 150-5-52-1321-31132合格立杆组合对角线长度± 6±6-4-3-52-311231合格梁底纵、横向间距合格立杆板底纵、横向间距合格竖向接长位置合格基础承载力合格纵、横向水平杆设置合格水梁底纵、横向步距合格平板底纵、横向步距合格杆插销销紧情况合格最底层步距处设置情况合格竖向斜杆最顶层步距处设置情况合格其它部位合格剪刀撑垂直纵、横向设置合格水平向合格扫地杆设置合格与已建结构物拉结设置合格其它合格结论:检查日期:年月日施工单位检查结论项目技术负责人:检查人员:结论:验收日期:年月日监理单位验收结论专业监理工程师:项目名称 紫宸澜山住宅小区 15# 栋搭设部位层(左)楼面高度3m跨度6m最大荷载搭设班组 班组长曹检外操作人员 5 人证书符合性合格持证人数专项方案编审程技术交底安全有交底有序符合性 符合要求情况情况钢 进场前质量验收情况合格管 材质、规格与方案的符合性合格支 使用前质量检测情况 合格 架外观质量检查情况合格允许偏 方案要符合 检查内容差 求实际情况㎜性㎜ ㎜立杆垂直度≤ L/500 且± 50± 5 ±5 1 2 -2 -3 -5 -1 2 3 1 1 合格水平杆水平度± 5 ±5 1 -1 -3 -2 -1 1 2 2 3 2 合格可调托座垂直度± 5 ±5 -1 2 -2 -3 -5 -1 2 3 1 1 合格插入立杆深度≥ 100-5 -5 2 3 3 3 5 -2 1 1 2 2 合格可调底座垂直度± 5 ±5 3 2 -2 -3 -5 -1 2 3 1 1 合格插入立杆深度≥ 150-5 -5 5 -1 3 2 2 -3 1 1 3 2 合格立杆组合对角线长度± 6±6-2-3-52-311 233合格梁底纵、横向间距合格 立杆板底纵、横向间距合格 竖向接长位置 合格基础承载力合格纵、横向水平杆设置合格 水 梁底纵、横向步距合格 平板底纵、横向步距 合格 杆插销销紧情况合格最底层步距处设置情况合格 竖向斜杆最顶层步距处设置情况合格其它部位合格 剪刀撑垂直纵、横向设置合格 水平向合格扫地杆设置合格 与已建结构物拉结设置合格其它合格结论:检查日期:年月日施工单位检查结论项目技术负责人:检查人员:结论:验收日期: 年 月 日监理单位 验收结论专业监理工程师:表 E-2双排外脚手架施工验收记录表项目名称搭设部位高度跨度最大荷载搭设班组班组长操作人员证书符合性持证人数专项方案编审程序技术交底安全交符合性情况底情况钢进场前质量验收情况材质、规格与方案的符合性管支使用前质量检测情况架外观质量检查情况允许偏差方案要求实际情况符合检查内容㎜㎜㎜性立杆垂直度≤ L/500 且± 50± 5水平杆水平度± 5可调底座垂直度± 5插入立杆深度≥ 150-5立杆组合对角线长度± 6纵向间距立杆横向间距竖向接长位置基础承载力纵、横向水平杆设置水平杆纵向步距横向步距插销销紧情况竖向斜杆拐角处设置情况其它部位剪刀撑垂直纵、横向设置连墙件设置扫地杆设置护栏设置脚手板设置挡脚板设置人行梯架设置其它结论:检查日期:年月日施工单位检查结论项目技术负责人:项目经理:检查人员:结论:验收日期:年月日监理单位验收结论总监理工程师:专业监理工程师:。
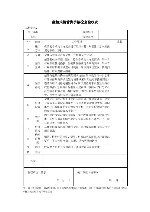
架休 架体基础应平整、坚实,符合专项施工方案要求;架体立杆底部3基础 应使用垫板,垫板的规格应符合规范要求;架体立杆底部应按要架体与建筑结构应按规范要求连接;架体底层第一步水平杆处应架体4按规范要求设置连墙件或采用其他可靠措施固定;连墙件应采用稳定刚性杆件;应按规范要求设置竖向斜杆或剪刀撑;竖向斜杆两端杆件架体立杆间距、水平杆步距应符合设计和规范要求;应按专项施 5设置 工方案设计的步距在立杆连接插盘处设置纵、横向水平杆;双排 脚手板应满铺,铺设应牢固;脚手板规格或材质应符合要求;采6 脚手板用挂扣式钢脚手板时挂钩应挂扣在水平杆上或挂钩应处于锁住状架体架体外侧应采用密目式安全网封闭,网间连接应严实;作业层防7防护 护栏杆应符合规范要求; 作业层外侧应设置高度不小与 180mm 挡 脚板;作业层脚手板下应采用安全平网兜底, 作业层以下每隔 10m 8 杆件立杆竖向接长应符合规范要求;剪刀撑的斜杆接长应符合规范要 9连接构配件 求 钢管、构配件的规格、型号、材质或产品质量应符合规范要求; 10 通道 应设置人员上下专用通道;通道设置应符合要求承插型盘扣式钢管脚手架(检查 验收)表工程名称:施工单位 部位序号项目 监理单位 搭设高度工作要求 m 结果 1 施工 应编制专项施工方案并进行设计计算;专项施工方案应按规定 审2 交底 架体搭设前应进行交底,并留有文字记录11 其他结论监理单位人员(签字):施工单位人员(签字):年月日年月日注:涉及危大工程检查验收工作,施工单位项目技术负责人及监理单位项目总监理工程师必须参加并签字确认。
重庆市建设工程施工安全管理总站监制Welcome To Download !!!欢迎您的下载,资料仅供参考!。