控制调节阀的阀门定位器选型指南
- 格式:pdf
- 大小:93.00 KB
- 文档页数:2
调节阀的选型、维修与校验在电厂自动控制系统中调节阀是最常见的一种执行器,一般自动控制系统由对象、监测仪表、控制器、执行器等组成。
正确选取调节阀的结构型式、流量特性、流通能力及执行机构的输出力矩、推力与行程,对于自动控制系统的安全性、稳定性、经济性和可靠性有着十分重要的作用。
如果选择不当,将直接影响控制系统性能,甚至无法实现自动控制,进而影响整台机组的安全经济运行。
调查发现在这些事例中约95%属于选型不当造成,而计算错误造成的问题不到5%。
实践证明计算与选型相比,选型难度更大,出现的问题更多,对此应特别重视。
1 调节阀的选型1.1 选型应考虑的主要因素(1)要满足生产过程的温度、压力、液位及流量要求;(2)阀的泄漏及密封性要求;(3)阀的工作压差<需用压差;(4)对提高阀使用寿命和可靠性的考虑;(5)对阀动作速度、流量特性的考虑;(6)对阀作用方式和流向的考虑;(7)对执行机构型式、输出力矩、刚度及弹簧范围的考虑;(8)对材质及阀经济性的考虑(选型不当价格会相差3~4 倍)。
1.2 选型的一般原则在满足过程控制要求的前提下,所选的阀应尽量简单、可靠、价廉、寿命长、维修方便和备件来源及时可靠。
要尽力避免单纯追求好的结构、好的材质、多带附件,而忽略了对可靠性、经济性的考虑。
从可靠性观点来看,结构越简单,其可靠性就越高;材质选择过高,将造成不必要的价格投入。
1.3 选型应提供的工艺参数及系统要求(1)工艺参数:温度、压力、正常流量时压差及切断时的压差。
(2)流体特性:腐蚀性、粘度、温度变化对流体特性的影响。
(3)系统要求:泄漏量、可调比、动作速度与频率、线性及噪音。
1.4 调节阀的分类及选择调节阀按结构特征大致可分为如下9大类:(1)直通单座调节阀:该阀应用最广,具有泄漏小、许用压差小、流路复杂、结构简单的特点,故适用于泄漏要求严、工作压差小的干净介质场合,但小规格阀(DN<20mm)也可用于压差较大的场合。
调节阀选型指南◆气动ZMA□型,电动ZKZ□为什么应用越来越少?1)应用水平落后(60年代的老产品);2)笨重、体积大3)流路复杂,Kv小、易堵;4)可靠性较差。
建议不推荐使用。
◆为什么电子式阀将取代配DKZ、DKJ的电动阀?电子式阀较DKZ、DKJ的电动阀有以下几个优点:1)可靠性高、外观美、2)重量轻、体积小、3)伺服放大器一体化、调整方便。
◆为什么角行程阀的应用将成为一种趋势?直行程阀与角行程阀相比较存在9个方面的不足,其表现在:1.从流路上分析,直行程阀流路复杂,导致4个不足:1) Kv值小;2)防堵差;3)尺寸大,笨重;4)外观差;2.直行程阀阀杆上下运动,滑动摩擦大,导致2个不足:1)阀杆密封差,寿命短;2)抗振动差;3.从结构上分析,导致3个不足:1)单密封允许压差小;2)双密封泄露大;3)阀芯在中间,无法避开高速介质(汽蚀、颗粒)的直接冲刷,寿命短。
所以,角行程阀的广泛应用将成为一种必然,成为二十一世纪的主流。
◆为什么电动阀比气动阀应用越来越广泛?电动阀比气动阀有如下优势:1.用电源经济方便,省去建立气源站,从经济上看,与“气动阀+定位器+电磁阀+气源”组合方式价格差不多;2.用气动阀环节较多,增加不可靠因素和维修量;3.电动阀的推力、刚度、精度、重量、安装尺寸都优于气动阀,但防爆价格高。
所以,防爆要求不高的场合,尽可能选电动阀。
◆为什么说精小型阀、Cv3000是第一代产品的改进型?精小型阀较老产品,重量下降30%,体积和高度下降30%,Kv值提高30%,仅此三个30%,其功能、结构没有质的突破,只能配称改进型。
◆Cv3000为什么成为二十世纪末调节阀的主流?Cv3000较老式产品比较有以下三个优点:1)重量轻30%;2)体积和高度下降30%;3) Kv值提高30%。
较原来老产品是一种改进,所以成为20世纪末的主流,但这种主导位置,很快将由角行程阀所替代。
◆选择单密封和双密封选型注意事项:1)单密封泄漏小,允许压差小(小口径除外),如小流量阀,单座阀、角型阀、单密封套筒阀等;2)双密封泄漏大,允许压差大,如双座阀、双密封套筒阀等。
调节阀选型自动控制系统是通过执行器对被控对象进行作用的。
调节阀是生产过程自动化控制系统中最常见的一种执行器。
调节阀直接与流体接触控制流体的压力或流量。
正确选取调节阀的结构型式、流量特性、流通能力;正确选取执行机构的输出力矩或推力与行程对于自动控制系统的稳定性起着十分重要的作用。
如果计算错误,选择不当,将直接影响控制系统的性能,使得自动控制系统产生震荡甚至不能正常运行。
因此,在自动控制系统的设计过程中,调节阀的设计选型计算是必须认真考虑的重要环节。
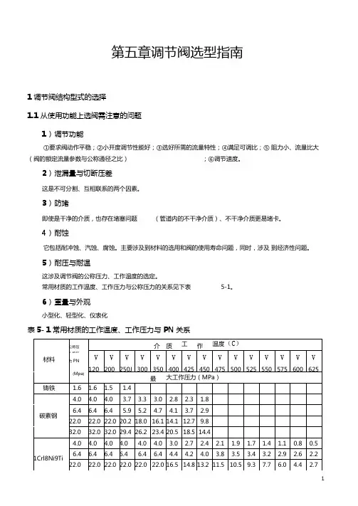
1调节阀结构形式的选择常用的调节阀结构形式有直通单座阀、直通双座阀、套筒阀、偏心旋转阀、蝶阀、全功能超轻型调节阀、球阀,应当根据不同的使用情况,结合不同结构形式阀门各自的特点,从调节性能、适用温度、适用口径、耐压、适用介质条件、切断差压、泄流量、压力损失、重量、外观、成本等方面对调节阀的结构形式进行选择。
可靠性差、体积较大、结构笨重、成本较高对调节阀进行结构的选择时,要根据相应的管路及介质条件,按照如下优选顺序进行选择①全功能超轻型调节阀→②蝶阀→③套筒阀→④单座阀→⑤双座阀→⑥偏心旋转阀→⑦球阀,只有当前一优选级别的阀门再某一方面不合适时,才考虑选择下一级类型的阀门。
2 调节阀执行机构的选择2.1 调节阀执行机构的分类1、执行机构按所使用能源的不同,可分为气动、电动和液动三类:气动类执行机构具有价格低、结构简单、性能稳定、维护方便和本质安全性等特点,因此在需要考虑防爆处理的场合应用应用十分广泛。
电动类执行机构可直接连接电动仪表或计算机,不需要电气转换环节,但价格昂贵、结构复杂,应用时需考虑防爆等问题,一般在无可燃气体,不需要考虑防爆处理的场合下使用。
液动类执行机构具有推力(或推力矩)大的优点,但装置的体积大,流路复杂,通常采用电液组合的方式应用于要求大推力(力矩)的应用场合。
2、按执行机构输出位移的类型,执行机构分为直行程执行机构、角行程执行机构和多转式执行机构直行程执行机构输出直线位移。
建议收藏——调节阀选型方法总结自动控制系统是通过执行器对被控对象进行作用的。
调节阀是生产过程自动化控制系统中最常见的一种执行器。
调节阀直接与流体接触控制流体的压力或流量。
正确选取调节阀的结构型式、流量特性、流通能力;正确选取执行机构的输出力矩或推力与行程对于自动控制系统的稳定性起着十分重要的作用。
如果计算错误,选择不当,将直接影响控制系统的性能,使得自动控制系统产生震荡甚至不能正常运行。
因此,在自动控制系统的设计过程中,调节阀的设计选型计算是必须认真考虑的重要环节。
1调节阀结构形式的选择常用的调节阀结构形式有直通单座阀、直通双座阀、套筒阀、偏心旋转阀、蝶阀、全功能超轻型调节阀、球阀,应当根据不同的使用情况,结合不同结构形式阀门各自的特点,从调节性能、适用温度、适用口径、耐压、适用介质条件、切断差压、泄流量、压力损失、重量、外观、成本等方面对调节阀的结构形式进行选择。
对调节阀进行结构的选择时,要根据相应的管路及介质条件,按照如下优选顺序进行选择①全功能超轻型调节阀→②蝶阀→③套筒阀→④单座阀→⑤双座阀→⑥偏心旋转阀→⑦球阀,只有当前一优选级别的阀门再某一方面不合适时,才考虑选择下一级类型的阀门。
注:关于调节阀的调节特性的评定调节阀的流量调节性能一般通过流量特性、可调比、小开度工作性能、Kv值和动作速度进行综合评价。
调节性能以其流量特性曲线进行衡定,一般认为等百分比特性为最优,其调节稳定,调节性能好,最利于流量压力调节。
而抛物线特性又比线性特性的调节性能好,快开特性为最不利于流量调节的流量特性。
因此在选用调节阀时,一般希望调节阀流量特性曲线为等百分比型。
可调比反映了调节阀的可调节流量范围,调节阀的可调比就是调节阀所能控制的最大流量与最小流量之比。
可调比也称可调范围,以R来表示,即R=Qmax/Qmin,Qmax为调节阀的最大可控流量,Qmin为调节阀的最小可控流量。
一般认为R的值越大,则调节阀的可调节范围越。
调节阀选型指南之—弹簧范围的选择一、“标准弹簧范围”的错误说法应予纠正弹簧是气动调节阀的主要零件。
弹簧范围是指一台调节阀在静态启动时的膜室压力到走完全行程时的膜室压力,字母用Pr表示。
如Pr为20~100KPa,表示这台调节阀静态启动时膜室压力是20KPa,关闭时的膜室压力是100KPa。
常用的弹簧范围有20~100KPa、20~60KPa、60~100KPa、60~180KPa、40~200KPa…由于气动仪表的标准信号是20~100KPa,因此传统的调节阀理论把与气动仪表标准信号一致的弹簧范围(20~100KPa)定义成标准弹簧范围。
调节阀厂家按20~100KPa作为标准来出厂,这是十分错误的。
为了保证调节阀正常关闭和启动,就必须用执行机构的输出力克服压差对阀芯产生的不平衡力,我们知道对气闭阀膜室信号压力首先保证阀的关闭到位,然后再继续增加的这部分力,才把阀芯压紧在阀座上克服压差把阀芯顶开。
我们又知道,不带定位器调节阀的最大信号压力是100KPa,它所对应的20~100KPa的弹簧范围只能保证阀芯走到位,再也没有一个克服压差的力量,阀门工作时必然关不严造成内漏。
为此,就必须调整或改变弹簧范围,但是,把它说成“标准弹簧范围”就出问题了,因为是标准就不能改动。
如果我们坚持标准,按“标准弹簧范围”来调整,那么,它又怎么能投用呢?在现实中,却有许多使用厂家和安装公司;都坚持按“标准弹簧范围”20~100KPa来调整和验收调节阀,又确实发生阀门关不严的问题。
错误的根源就在此。
正确的提法应该是“设计弹簧范围”,是我们设计生产弹簧的零件参数。
工作时根据气开气闭还要作出相应的调整,我们称为工作弹簧范围。
仍以上述为例,设计弹范围20~100KPa,对气闭阀我们可以将工作弹簧范围调到10~90KPa,这样就有10KPa,作用在膜室的有效面积Ae 上;又如气开阀,有气打开,无气时阀关闭,此时克服压差靠的是弹簧的预紧力。
选型须知一.1N o t e(噪音):距阀下游1米管道表面1米处的估算噪声(分贝<85)2停风时(W h e n A i t F a i l):F C:阀关(C l o s e),F O:阀开(O p e n),F L:原位(F a i l L o c k e d),O N-O H:开关阀3D P:薄膜式(D i a p H r a g m),E L:电动马达(E l e c M o t e r),P C:气动活塞式(P n e u m a t i c C y l i n d e r),L F:连杆和浮球式(F l o a t-O p e r a t e d L e r e r),E H:液压执行机构(H y d r a u l i c A c t u a t e r),S C:自力式(S e l e-A c t u a t i n g T y p e),4S T D:标准型(S t a n D a r d T y p e)C F:散热片(R a d i a t i n g F i n)E X:延伸颈(E x t e n t i o n)B E:波纹管密封(B e l l o w s S e a l)5P P:气动阀门定位器(P n e n m a t i c P o s i t i o n e r)E P:电/气阀门定位器(E l e l/P n e u P o s i t i o n e r)6N O T E(附件)P:定位器(P o s i t i o n e r)S:电磁阀(S o l e n o d i d v a l v e)L S:限位开关(L i m i t s w i t c h)H W:手轮(H a n d w h e e l)P T:阀位传讯器(P o s i t i o n T r a n s m i t i e r)L U V:保位(闭锁)阀(L o c k p v a l)K V S:额定K V值7禁油阀(杭氧标准):清洁度油污度8控制代号P V:压力控制T V:温度控制F V:流量控制L V:液位控制H V:蒸汽控制U V:出料控制二材料的选则:1介质93%硫酸T≤30℃316L适用介质93%硫酸T≤50℃316L尚可用介质93%硫酸T>50℃316L不适用2波纹管:304200元/公斤二个月316350元/公斤三个月316L450元/公斤三个月3烧碱40%90℃0504烧碱40%90℃04烧碱50%90℃0504烧碱50%100℃04烧碱50%120℃04烧碱50%150℃0420#T i哈氏B C烧碱60%90℃04烧碱60%120℃T i20#(C N7M·美)哈氏B C蒙乃尔合金3干氯:(氯气容于水变盐酸)水份含量阀体材质阀内组件/阀杆材质0.2P P M W C B蒙乃尔/蒙乃尔20-50P P M W C B哈氏C/哈氏C≥50P P M W C B哈氏C/哈氏C4合金20#:(A S T M296-C N-7M)化学成份:C r20N i29C<0.07M n<0.75S i1.0M o2.0-3.0C u3.4 5材料对照:日本中国S U S440A7C r17S U S440B8C r17S U S440C11C r17(9C r18)S U S440F Y11C r17S C S13(1C r18N i9)304S C S14(0C r17N i12M o2)316S C P H2Z G25IS U S316(0C r17N i12M o2T i)S U S316L(00C r17N i14M o2T i)6化肥厂液氨(高压)专用材质:10M o W v N b/316+S T(高压套筒阀)10M o W v N b/9C r18M o V(R C50N i→H R C70)(高压单座阀)三英汉专用词对照:F i s h e r(美国费舍尔公司报价参数)T a g N o(位号):X C V-201M o d e l(型号规格):E Z-667/30B o d y M a t e r a i l(阀体材质):WC C(碳钢)S e a t r i n g M a t e r a i l(阀座材质):416S S T(416不锈钢)P l u g M a t e r a i l(阀芯材质):316S S T#6(316不锈钢镀A l l o g6合金)C h a r a c t e r i s t i c(流量特性):E q u a l%(等百分比)S h o u t o f f C l a s s(切断等级):C l a s s V(V)E n d C o n n e c t i o n(连接法兰):C l a s s150R F(150RF A N S I)Y a m a t a k e H o n e y w e r(山武·霍尼维尔公司)T A G N O(位号):F C V-101P R O D N O(出厂编号):R-F0658-41-010M O D E L(阀型号):V F R A C T(执行机构型号):V R3DS I E F(口径):8BR A T I N G(公称压力):J I S10KB O D Y(阀体材质):SC P H2T R I M(阀内件材质):S U S630/S U S316P L U G(连接法兰):8B S C S24P A C K I N G(填料):V-7132JS P R I N G R A N G E(弹簧范围):0.8-1.6K g f/C m2P O S L T I O N E R S U P P L J(供气压力): 3.5K g f/C m2A I R T O(作用型式):C L O S ED A T E(出厂日期):J U L88N O。
1 概述在现代工业的自动控制系统中,最常用的终端控制元件就是调节阀,其有效控制生产过程中的工艺参数,来达到对流体压力,温度,流量及液位的调节,是工业自动化控制系统中的“手脚”,被广泛应用于石油化工,电力,冶金,市政以及制药,饮料等行业。
现代企业生产过程控制效果的好坏,调节阀工作寿命的长短,主要取决于调节阀选型是否合理。
合理的选型才能保证控制回路中工艺参数不超出要求的工作范围,保证终端产品的质量。
另外合理选型不但可以优化控制,提高生产效率,还可延长阀门的使用周期,降低维护费用及生产成本。
调节阀主要由阀门,驱动执行机构,以及各种控制附件组成。
在选型中,既要选择适合工况和流量特性要求的阀门类型,同时要选择保证阀门安全稳定运行的执行机构以及控制附件。
2 阀型的选择调节阀类型主要有直行程和角行程类型,不能笼统断定哪一种类型调节阀是最好的,其实制造商一直都在生产不同类型的调节阀,以对应不同的工况。
直行程阀通过上下行程推力实现阀门开闭及流量范围的控制。
直行程调节阀是各种调节阀类型中相当成熟的一种,它能提供最大范围的应用;同时在阀门的紧固性、密封性和阀座密封规则上有很大优势。
典型类型有单座阀,双座阀,笼式阀,三通阀,隔膜阀。
单座阀是最常见的阀体类型,能够处理大部分工况要求。
其结简单,通常被应用于要求严密关闭的场合。
可选用金属对金属阀座表面,或者金属对PTFE或复核材料组成的软阀座。
单座阀可适用于高温高压的工况,小规格可应用于高压差工况,其配备多系列阀芯,CV值和固有流量特性可通过更换不同的阀芯得到改变,不同阀芯形状具有不同流量特性。
可在不增加管道变径的需求下,满足流量调节要求。
单座阀其流体介质通常把负载加在阀座的整个区域,选择执行器时需要考虑不平衡力,所以需配推力较大的执行机构,通常以小口径为主。
双座阀采用两个阀芯和两个阀座,因为流体趋向于打开一个阀座,并同时关闭另一个阀座,阀芯上的动作力趋于平衡,相比单座阀,其所需的执行器更小,而且流通能力更大,口径更大。
调节阀选型指南范文一、调节阀的工作原理调节阀是一种用来调节流体流量、压力、温度等参数的装置,根据被控介质的特性和系统需求,通过改变阀门开度来调节介质的流量。
调节阀通常由阀体、阀芯、执行机构等组成,其中阀芯是关键的组成部分,通过移动阀芯的位置来实现流量的调节。
二、调节阀选型要求1.流量要求:根据工程系统的需求确定所需的流量范围,包括最小流量、额定流量和最大流量等参数。
2.控制精度:根据对流量控制的准确度要求,选择相应精度的调节阀。
3.压力要求:根据工程系统的压力范围确定所需调节阀的额定压力。
4.温度要求:根据被控介质的温度范围选择耐高温或耐低温的调节阀。
5.阀门材质:根据被控介质的性质,如酸碱性、腐蚀性等来选择合适的阀门材质。
6.使用环境:考虑调节阀安装位置、环境温度、湿度等因素,选择适应环境的调节阀。
三、常用调节阀类型及其特点1.止回阀:用于防止介质倒流,可根据需要选择不同材质和结构形式的止回阀。
2.调节蝶阀:利用阀芯的旋转来改变阀口的大小,具有结构简单、流体阻力小等特点。
3.调节球阀:通过旋转球体来改变通道的截面积,适用于高粘度介质和关闭流体的系统。
4.调节膜阀:通过调节阀芯与执行机构之间的膜片来控制流量,具有响应速度快、流阻小等特点。
5.调节闸阀:通过上下移动阀芯来改变通道的截面积,适用于流量大的场合。
6.电动调节阀:通过电动机驱动阀芯的移动,适用于对流量精确控制的场合。
四、调节阀选型流程1.确定被控介质的流量要求和工作条件,如温度、压力等。
2.根据流量要求和控制精度,初步确定调节阀的类型。
3.根据介质性质,选择合适的阀门材质。
4.根据被控介质的温度范围,选择耐高温或耐低温的调节阀。
5.考虑使用环境因素,如安装位置、环境温度、湿度等,选择适应环境的调节阀。
6.根据选定的调节阀类型和要求,参考不同厂家的产品技术参数和性能曲线,进行具体选型。
7.选择合适的配件和附件,如执行机构、定位器、阀门位置传感器等。
智能掌控电动调整阀选型原则智能掌控电动调整阀选型原则电动调整阀重要性能指标有:基本误差、回差、死区、额定行程偏差、泄漏量、密封性、耐压强度、外观、额定流量系数、固有流量特性、耐振动、温度、长期工作牢靠性、防爆、阻尼特性、电源电压变化影响、环境温度变化影响、绝缘电阻、绝缘强度等。
指标的要求和试验方法均与气动调整阀相同或相像,其中基本误差、回差、死区、泄漏量、密封、外观、阻尼特性、电源电压变化影响、绝缘电阻为出厂试验项目,后3项性能指标的要求和试验方法为:电动调整阀的调整阀重要由阀体、套筒、阀瓣、阀杆等零件构成。
套筒和阀瓣上都开有节流孔通过阀瓣在阀座内回转来更改过流面积,调整流量。
配ZKJ型或其它型电动角行程执行器可实现遥控和自动掌控。
因电动调整阀牢靠、全功能、超轻型等优点,被应用地越来越广泛,在一些相对较小的工厂,只需几台电动调整阀,配以调整器或PLC等掌控系统,就可实现自动化掌控。
下面我们来了解一下电动调整阀的重要性能特点,实在如下:调整阀在现代工厂的自动掌控中特别紧要。
通过接受掌控单元输出的掌控信号,从而更改介质流量,压力,温度,液位和其他工艺参数,可以说:掌控阀是工艺环路中的最后一道关卡!因此,如何选择正确的调整阀,以达到的掌控效果?这成为一个关键问题。
调整阀固有流量特性的“选择原理”掌控阀的选择应依据掌控系统的特性,干扰源和S(阀阻比)值三个方面综合考虑。
一、智能掌控电动调整阀选型原则一般选择原则1. 阀上的压差变化很小,给定值变化很小,过程的重要变量变化很小,并且S 0.75掌控对象,选择直线流量特性是适当的。
2. 在缓慢的生产过程中,当S 0.4时,直线流量特性。
3. 在要求大可调范围,管路系统压力损失大,阀门开度和压力差变化较大的场合,应选择等百分比流量特性。
4. 快速的生产过程,假如对系统的动态过程不太了解,建议选择等百分比的流量特性。
5. 也可以依据以前的阅历依据下表选择流量特性。
概 述HEP 电-气阀门定位器是调节阀的主要附件,它能把调节器输出的电流信号转换成驱动气动调节阀的气信号,与调节阀配套使用,可以克服阀杆摩擦力和阀芯的不平衡力,提高调节阀响应速度,从而保证调节阀按照调节器的输出信号正确定位。
定位器也可以安装在0~90°转角的RC 执行机构上,控制旋转式调节阀的动作。
HEP 定位器有六种型号,有两种结构形式,型号数字后加“RC ”,表示转角行程定位器,无“RC ”表示直行程定位器。
其结构特点如表1所示。
其中隔爆型、本安型防爆等级,用户可根据需要选择一种。
表1隔爆型定位器按GB3836.2-2000《爆炸性环境用防爆电气设备隔爆型电气设备“d ”》设计制造。
本质安全型定位器按GB3836.4-2000《爆炸性环境用防爆电气设备本质安全型电路和电气设备“i ”》设计制造。
防爆型定位器经国家级仪器仪表防爆安全监督检查站(上海)检验合格。
隔爆型防爆合格型号证号:GYB05585;本安型防爆合格证号:GYB05586,本安型定位器与附表规定的各型安全栅配套使用,可构成本质安全防爆系统,本质安全型定位器分程操作台数不能超过两台。
组 成HEP 电气阀门定位器由下列各部分组成:把电信号转变成机械位移的电磁组件,把位移转变成喷嘴背压的喷嘴挡板机构,放大喷嘴背压的继动器,对输出压力进行反馈的反馈杠杆机构,及调整行程的调节件。
隔爆型定位器一定带防爆接线部件。
本质安全型定位器在电磁组件的两端连接两个稳压管,以熄灭火花。
本安型定位器(HEP-16、16RC 、26、26RC 型)从安全栅到定位器之间连接导线或电缆的最大允许分布电感值为1.0mH ,最大允许分布电容量为0.04μF 。
技术参数输入信号与输入阻抗见表2。
表2供气压力:单作用0.14~0.16MPa 0.17~0.5MPa 双作用0.2~0.4MPa 0.41~0.7MPa 环境温度:(普通型)-40~+80℃ (防爆型)-20~+60℃耗 气 量:300L/h环境温度:≤90%线 性:±1%F.S死 区:0.4%F.SHEP- 5 电-气阀门定位器气源波动影响:≤±0.75%气管接头:Rc1/4安装方式:侧装重量:3.5Kg(带减压阀重4.2Kg)行程范围:直行程12~100mm 转角0~90°工作原理HEP电气阀门定位器是根据力平衡原理制作的,即图4所示。
调节阀的正确选型及注意事项调节阀是工业过程控制系统中的终端执行元件,工业过程连续生产自动控制系统中一般均需要用调节阀来控制过程生产中的各种工艺参数,来达到对流体的压力、温度、流量和液位等参数的调节,通常被人们称之为工业过程自动化生产中的“手和脚”。
它的应用质量直接反应在系统的调节品质上。
作为过程控制中的终端执行元件,人们对它的重要性较过去有了更深刻地认识。
调节阀应用的好坏,除产品质量和用户是否正确安装、使用与维护外,正确地计算选型十分重要。
由于计算选型的失误,造成系统运行不稳定,有的甚至无法投用的例子很多。
所以,用户及系统设计人员要充分认识到调节阀在现场的重要性,必须对调节阀的选型引起足够的重视。
调节阀选型的一般原则是:在满足使用功能的前提下,所选的调节阀应结构简单、性能可靠、价格低廉、寿命长、维护方便等。
下面着重介绍调节阀阀型的选择和和附件的选择。
1调节阀阀型的选择调节阀的分类方法很多,目前国内和国际上通常采用的一种分类方法是按结构、原理和作用划分,总共为9大类,即直通单座调节阀、直通双座调节阀、套筒调节阀、角形调节阀、三通调节阀、隔膜阀、蝶阀、球阀和偏心旋转阀,这九类产品是最基本、最普通的产品,通常也称为标准型产品,其它在此基础上结合实际应用改进而来的,称为特殊型产品。
1.1标准型调节阀的特点及正确选择1.1.1直通单座调节阀直通单座调节阀只有一个阀芯和一个阀座,容易实现严格的密封,可采用金属与金属的硬密封,或金属与聚四氟乙烯或其它复合材料的软密封,标准泄漏量为0.01%C(C是额定流量系数),允许压差小,流通能力小,比如DN10(单座调节阀的允许压差仅120kPa,流通能力仅为100< 流路复杂,结构简单,适用于泄漏要求严格、工作压差较小的干净介质的场合,但小规格的调节阀(D N 1 /2 、3/4 、20)亦可用于压差较大的场合,是应用最为广泛的调节阀之一,当进一步设计后,可作为切断阀使用。
控制调节阀的阀门定位器选型指南
阀门定位器(又称:气动阀门定位器)是调节阀的主要附件,通常与气动调节阀配套使用,它接受调节器的输出信号,然后以它的输出信号去控制气动调节阀,当调节阀动作后,阀杆的位移又通过机械装置反馈到阀门定位器,阀位状况通过电信号传给上位系统。
在众多的控制应用场合中,阀门定位器是调节阀最重要的附件之一。
尤其是对于某个特定的应用场合,如果要
选择一个最适用阀门定位器,那么就应注意考虑下列因素:
1)阀门定位器能否实现“分程(Split_ranging)”实现“分程”是否容易、方便?具备“分程”功能就意味着阀门
定位器只对输入信号的某个范围(如:4~12mA或0.02~0.06MPaG)有响应。
因此,如果能“分程”的话,就可以根据实际需要,只用一个输入信号实现先后控制两台或多台调节阀。
2)定位器的零点和量程的调校是否容易、方便?是不是不用打开盒盖就可以完成零点和量程的调校?但值得注意
的是:有时候为了避免不正确的(或非法的)操作,这种随意就可进行调校的方式需要被禁止。
3)阀门定位器的零点和量程的稳定性如何?如果零点和量程容易随着温度、振动、时间或输入压力的变化而产
生漂移的话,那么阀门定位器就需要经常地被重新调校,以确保调节阀的行程动作准确无误。
4)阀门定位器的精度在理想工况下,对应某一输入信号,调节阀的内件(TrimParts,包括球体/阀芯、阀杆、阀座
等)每次都应准确地定位在所要求的位置,而不管行程的方向或者调节阀的内件承受多大的负载。
5)阀门定位器对空气质量的要求如何?由于只有极少数供气装置能提供满足ISA标准(有关仪表用空气质量的标
准:ISA标准F7.3)所规定的空气,因此,对于气动(或电-
气)阀门定位器,如果要经受得住现实环境的考验,就必须能承受一定数量的尘埃、水汽和油污。
6)零点和量程的标定两者是相互影响还是相互独立?如果相互影响,则零点和量程的调校就需要花费更多的时
间,这是因为调校人员必须对这两个参数进行反复调整,以便逐步地达到准确的设定。
7)阀门定位器是否具备“旁路”,可允许输入信号直接作用于调节阀?这种“旁路”有时可简化或者省去执行
机构装配设定的校验,如:执行机构的“支座组件设定”和“弹簧座负载设定”――这是因为在许多情况下,一些气动调节器的气动输出信号与执行机构的“支座组件设定”完全吻合匹配,用不着对其再进行设定(其实,在这种情况下,阀门定位器完全可以省去不用。
当然,如果选用了,那么也可利用阀门定位器的“旁路”使气动调节器的气动输出信号直接作用于调节阀)。
另外,具备“旁路”有时也可允许在线的对阀门定位器进行有限度的调校或维修维护(即利用阀门定位器的“旁路”使调节阀继续保持正常工作,无须强制调节阀离线)。
8)阀门定位器的作用是否快速?空气流量(Airflow)愈大(阀门定位器不断的比较输入信号和阀位,并根据它们之
间的偏差,调节其本身的输出。
如果阀门定位器对这种偏差响应快速,那么单位时间里空气的流动量就大),调节系统对设定点和负载变化的响应就愈快――这意味着系统的误差(滞后)愈小,控制品质愈佳。
9)阀门定位器的频率特性(或称频率响应,FrequencyResponse――即G(jω),系统对正弦输入的稳态响应)是什
么?一般来说,频率特性愈高(即对频率响应的灵敏度愈高),控制性能就愈好。
但必须注意:频率特性应采用稳定的实验方法而非理论方法来确定,并且在评估测定频率特性时,应将阀门定位器和执行机构合并起来考虑。
10)阀门定位器的最大额定供气压力是多少?例如:有些阀门定位器的最大额定供气压力只标定为501b/in2(即:
50psi,lpsi=0.070kgf/cm2≈6.865kPa),如果执行机构的额定操作压力高于501b/in2,那么阀门定位器就成了执行机构输出推动力的制约因素。
11)当调节阀与阀门定位器装配组合后,它们的定位分辨率(PositioningResolution)如何?这对调节系统的控制品
质有非常明显的作用,因为分辨率越高,调节阀的定位就越接近理想值,因调节阀过调而造成的波动变化就可以得到扼制,从而最终达到限制被调节量周期性变化的目的。
12)阀门定位器的正反作用转换是否可行?转换是否容易?有时这个功能是必要的。
例如,要把一个“信号增加
――阀门关”的方式改为“信号增加――阀门开”的方式,就可使用阀门定位器的正反作用转换功能。
13)阀门定位器内部操作和维护的复杂程度如何?众所周知,部件越多,内部操作结构越复杂,对维护(修)人员
的阀门技术培训就越多,而且库存的备品备件就越多。
14)阀门定位器的稳态耗气量这个参数对于某些工厂装置很关键,而且可能是一个限制因素。
15)当然,在评价和选用阀门定位器时,其他因素也应考虑。
譬如:阀门定位器的反馈连杆机构(FeedbackLinka ge)要能真实的反应阀芯的位置;另外,阀门定位器必须坚固耐用,具备抗环境保护和防腐能力,而且安装连接简易方便。
我国水电站和泵站水机磨蚀现状。
原文地址:/tech/13503.html。