消防安全相关表格
- 格式:docx
- 大小:50.63 KB
- 文档页数:36
消防安全相关表格1. 消防设施检查表消防设施存在问题处理情况灭火器缺失/失效更换/购买自动喷水系统漏水/堵塞维修/清洗消防栓损坏/缺失维修/安装疏散通道阻塞/堵塞清理/维修电气设备留意安全等待维修2. 灭火器使用规范表灭火器类型适用火源使用方法干粉灭火器纸张、布料、竹木制品等易燃物,液体、气体火源拉开安全销,握住喷嘴,距离火源1-2米处,快速喷射粉末消火二氧化碳器电器设备、油脂类火源、液体火源拉起安全销,扶住提把,距离火源1.5-2米处,逆时针旋转快速喷射泡沫灭火器油脂类火源,液体火源拉起安全销,握住喷嘴,距离火源2-3米处,快速喷射泡沫消火氨水灭火器小面积固体火源,电器设备火源在安全距离下将灭火器喷口对准火源,按喷发装置上的开启按钮氯化制灭火器金属火源首先拉起安全销,将灭火器垂直并将其面对着着火地点,然后按下把手注:使用灭火器时,请确定自己是清楚明白的。
如果对灭火器不确定,最好避免使用,及时通知专业人员或消防队伍前来处理。
3. 疏散逃生演练记录表内容时间结果通知时间疏散开始时间疏散结束时间疏散人员数量受伤人员数量失踪人员数量指挥部组织是否落实疏散时间是否合理有错误/无错误市场管理单位是否参与是/否市场管理单位及时是/否4. 防火检查记录表具体内容待改正事项完成时间电气设备使用老旧有危险隐患的设备易燃物品存储位置不合理隐蔽区域未清理堆积杂物消防设施缺失/失效整体安全评估改进方案注:防火检查应该是定时的,每隔足够长的时间进行检查,确保安全,在实施防火措施后,要送专业人员复查,确保没漏洞。
上述消防安全相关表格涉及到消防设施的检查、使用及防火演习、防火检查等方面,不仅对于消防安全工作的开展具有重要意义,更重要的是能够最大程度地避免火灾事故的发生。
因此,在消防安全方面,做好工作,就是为自己筑起安全防线,让自己安全无虑。
在此,我们也呼吁随着人民生活水平的提高,将消防安全当做一项重要的举措,让我们一起为打造消防安全示范市城市奋斗。
消防安全检查记录表背景消防安全检查是保障人们生命财产安全的重要手段。
为了使建筑或场所的消防设施保持良好状态,减少火灾的发生,建立一套消防安全检查记录表格,记录检查的结果及相应的处理情况是必要的。
本文档为消防安全检查记录表格样例。
表格样式检查日期检查人员检查内容检查结果处理情况2022年10月1日张三检查电气线路是否生锈断裂√无2022年10月1日张三检查灭火器是否在有效期内×更换2022年10月2日李四检查应急疏散路线是否畅通√无2022年10月2日李四检查消防水龙头是否能正常使用√无表格说明1.检查日期:记录检查的日期。
2.检查人员:记录进行检查的人员姓名。
3.检查内容:记录具体的检查内容,例如检查电气线路是否生锈断裂。
4.检查结果:记录检查的结果,例如√表示通过,×表示不通过。
5.处理情况:若检查结果为不通过则需要记录相应的处理情况,例如更换灭火器。
使用方法1.在规定的时间内对建筑或场所进行消防安全检查。
2.在检查记录表格中填写相关信息,例如检查日期、检查人员等。
3.对检查内容进行逐项检查,并在表格中填写检查结果。
4.若检查结果为不通过,则需要进行相应的处理并在表格中记录处理情况。
5.定期对消防安全检查记录表格进行整理,并对不合格项进行整改。
结论消防安全检查是预防火灾的有效手段,消防安全检查记录表格的建立可以明确责任、规范管理、及时整改,对于保障人们生命财产安全具有重要的意义。
希望本文档的消防安全检查记录表格样例能够对大家进行参考和借鉴。
(完整版)消防安全每月记录表格模板
-CAL-FENGHAI-(2020YEAR-YICAI)_JINGBIAN
消防安全每月检查记录表
年月日
检查员(签字):主管人员(签字):
附件12:
消防安全重点单位每日防火巡查记录表
年月日
巡查员(签字):主管人员(签字)
附件13:
消防重点单位消防管理档案基本内容
一、消防安全检查档案:每日巡查、每月检查、重大节日检查;
二、消防安全职责档案:消防组织、义务消防队、各级消防安全责任人,岗位职责、消防安全责任书;消防奖惩情况记录;
三、火灾隐患整改档案:消防部门下发的法律文书、重点单位内部整改通知单和复查意见。
火灾隐患及其整改情况记录;
四、消防安全教育档案:参加消防部门的培训复印件、内部培训资料;与消防安全有关的重点工种人员情况;
五、消防管理制度档案:各项消防管理制度;
六、消防设施维护档案:消防设施、灭火器材情况,包括消防产品,消防设施定期检查记录,自动消防设施全面检查测试的报告以及维修保养的记录、消防维护合同;
七、消防疏散演练档案:照片、方案等;
八、消控中心值班档案:每日值班记录;
九、消防管理文件档案:建筑物或者场所施工、使用或者开业前的消防设计审核、消防验收以及消防安全检查的文件、资料,以及主管部门的各类文件;
九、消防安全基本档案:单位基本概况和消防安全重点部位情况等;
十、消防会议记录档案:每月消防工作总结及下月工作部署及主管部门文件贯彻落实情况;
十一、年度消防总结档案:消防重点单位消防工作计划年度工作总结、各部门消防安全总结等。
消防安全教育班会记录表格班会时间:[填写班会时间]班会地点:[填写班会地点]班主任:[填写班主任姓名]主持人:[填写主持人姓名]记录人:[填写记录人姓名]一、班会主题:消防安全教育1.1 目标本次班会旨在提高学生对消防安全知识的认识和应对火灾事故的应急能力,增强学生的安全意识和自我保护意识。
1.2 内容1.火灾的原因和危害2.火灾的预防措施3.火灾逃生知识和技能4.灭火器材的使用方法5.消防演练计划二、班会进程2.1 活动一:火灾的原因和危害主持人通过PPT介绍火灾的常见原因和危害,包括电器故障、明火使用不当、烟火等。
同时,进行案例分析,让学生了解火灾事故对人生财产的危害。
2.2 活动二:火灾的预防措施班主任分享火灾预防方面的常识,包括合理使用电器、禁止私拉乱接电线、不随意使用明火、不乱扔烟蒂等。
学生也积极发言,分享个人生活中的火灾预防经验和注意事项。
2.3 活动三:火灾逃生知识和技能消防员受邀为学生讲解火灾逃生的基本知识和技能,包括如何正确使用灭火器、如何正确逃生、如何防止烟雾中毒等。
消防员还进行了逃生示范和实际操作,让学生亲身体验逃生的步骤和技巧。
2.4 活动四:灭火器材的使用方法消防员详细介绍了常见的灭火器材种类、使用方法和注意事项。
通过视频演示和实际操作,让学生了解不同类型灭火器的使用场景和正确操作流程。
学生也积极互动,提出问题并得到解答。
2.5 活动五:消防演练计划班主任宣布下一次班会将进行消防演练,希望同学们能积极参与,并提前做好准备。
详细讲解了演练的流程和注意事项,并安排了相关任务,包括演练组织者、安全监督员等。
三、班会总结3.1 收获学生经过本次班会,加深了对火灾事故的认识,掌握了消防安全的基本知识和应急技能。
通过消防员的讲解和实际操作,学生们对火灾逃生和灭火器材的使用方法有了更清晰的认识。
3.2 延伸班主任强调了消防安全教育的重要性,并鼓励学生在家庭中积极传播消防知识,帮助家人了解消防安全意识。
消防记录表格模板
日期事件处理人员处理措施
2022/01/01 火灾报警班组长现场确认为误报警,无需处理
2022/01/05 电气设备故障工程师更换新的电气设备
2022/01/10 防火检查安全员检查灭火器及应急通道
2022/01/15 疏散演习消防队员整理疏散通道,模拟紧急疏散
2022/01/20 消防器材检查维修人员检查灭火器压力及有效期
以上为消防记录表格模板,可根据实际情况填写消防事件的日期、事件描述、处理人员以及处理措施。
通过记录消防事件及处理过程,可以及时发现问题,确保企业消防设施的有效运作,并提高应急处置的效率。
消防安全日常检查记录表格
一、基本信息
•日期:
•检查人员:
•检查区域:
•检查时间:
二、检查内容
1.消防设施
–消防栓是否完好有效,标志是否清晰可见
–灭火器是否按时检查、液位是否充足
–疏散通道是否畅通,紧急照明是否正常
2.电气设备
–电线是否老化、短路现象
–插座、开关是否正常,有无发热现象
–电源插座是否过载,有无私拉乱接情况
3.燃气设备
–燃气管道是否漏气,阀门是否关闭
–燃气灶具是否正常使用,有无泄漏情况
4.防火巡查
–防火门是否正常关闭,门栓是否完好
–禁烟标志是否醒目,有无乱扔烟蒂行为
5.其他
–消防通道是否堆放杂物,易燃易爆物品是否存放规范
–常闭式自动灭火装置是否正常,有无拆除情况
三、检查意见
•存在问题:
•整改措施:
•整改期限:
四、检查结果
•合格:
•不合格:
•备注:
以上为本次消防安全日常检查记录表格,检查人员应认真记录检查内容,发现问题及时整改,确保消防安全工作的有效开展。
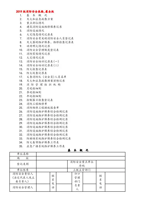
2019版消防安全表格,最全版1.基本概况2.灭火和应急疏散方案3.重点部位情况4.建筑消防设施维修保养记录5.消防设施情况6.火灾隐患情况记录表7.消防安全有关的消防安全人员登记表8.灭火器的维护保养、维修检查记录表9.动用明火情况记录10.消防安全管理制度登记表11.消防奖惩情况记录12.火灾情况记录13.消防安全培训记录表(一)14.消防安全培训记录表(二)15.防火检查记录表16.防火巡查记录表17.义务消防队(安全员)人员名单18.灭火和应急疏散预案演练记录19.消防管理组织机构20.月巡检细则21.季巡检细则22.年巡检细则23.控制器日检查登记表24.消防工程维修单25.消防维修工程排故报告单26.消防设施维护保养综合检测记录27.消防设施维护保养综合检测记录28.消防设施维护保养综合检测记录29.消防设施维护保养综合检测记录30.消防设施维护保养综合检测记录31.消防设施维护保养综合检测记录32.消防设施维护保养综合检测记录33.防排烟系统维护保养综合检测记录34.防火卷帘维护保养工作表35.应急广播系统维护保养工作表目和内容。
灭火和应急疏散方案月巡检细则季巡检细则年巡检细则控制器日检查登记表巡检员: 甲方值班员:第页共页消防工程维修单消防维修工程排故报告单单位名称: 编号:消防设施维护保养综合检测记录消防设施维护保养综合检测记录系统名称:火灾自动报警系统共3页第2页消防设施维护保养综合检测记录系统名称:火灾自动报警系统共3页第3页消防设施维护保养综合检测记录系统名称:自动喷水灭火系统共2页第1页消防设施维护保养综合检测记录系统名称:自动喷水灭火系统共2页第2页消防设施维护保养综合检测记录系统名称:气体灭火系统共2页第1页防火卷帘维护保养工作表工程名称:应急广播系统维护保养工作表工程名称:维护装置部位:日期:年月日备注:有问题的器件单独填列表格说明:1、所列设备,原则上每月由保养公司、甲方、双方联合进行检测。
附件L消防安全各类登记表特变电工XXXX公司灭火器检查记录表(表一)特变电工XXXX公司消火栓检查记录表(表二)特变电工每日防火巡查记录表(表三)公司(部门、车间):12XXX公司消防控制室值班记录表2、对发现的问题应及时处理,当场不能处置的要填报《建筑消防设施故障维修记录表》,将处理记录表序号填入“故障及处理情况”栏。
建筑消防设施巡查记录表(表五):注:2、检查人员对检查结果在检查情况记录栏进行详细如实记录.3、检查完好的在要求栏内打J ,存在问题的在要求栏内打X .4、检查时发现的问题立即向本部门消防管理人上报,及时进行整改。
5、年终将检查记录表收集装订,归档备查。
6、日常检查由车间、部门专(兼)职安全员检查填写,消防主管部门抽检考核,检查记录表不得污染、不得破损。
建筑消防设施定期检查记录表(表六)注1:运行情况正常的打“ J”,存在问题或故隙的打“X”;注2:对发现的问题应及时处理,当场不能处置的要填报《建筑消防设施故障处理记录》; 注3:本表为样表,单位可根据建筑消防设施实际情况制表。
建筑消防设施故障维修记录表(表七):2、“故障维修情况”中因维修故障需要停用系统的由单位消防安全责任人在“是否停用系统”栏签字;停用系统超过24小时的,单位消防安全责任人在“是否报消防部门备案”及“安全保护措施”栏如实填写;其他信息由维护人员(单位)如实填写:3、“故障排除情况”由单位消防安全管理人在确认故障排除后如实填写并签字;4、本表为样表,单位可根据建筑消防设施实际情况制表。
火灾隐患整改通知单(表八)火灾隐患整改通知单特变电工XXX公司年月Always Reliable 全球信赖安全生产十项注意事项:一、工作前穿戴好规定的劳动防护品,检查设备及作业场地,做到安全可靠。
二、不违章作业,并监督制止他人违章作业。
1第一联 安环部留存第二联由被检杏.部门存档,隐患整改完毕,项目公司负责人签批以纸介版回复三、不准擅自开动别人操作的机械,电器开关设备。
消防安全教育培训表格为加强消防安全工作,提高全体员工的消防安全意识和应急处理能力,特制定本培训表格。
一、培训对象二、培训目标1.提高员工的消防安全意识,使员工充分认识到消防安全的重要性。
2.使员工掌握基本的消防设施、设备和器材的使用方法。
3.培养员工在火灾发生时的紧急疏散和逃生自救能力。
4.使员工了解火灾事故的预防与处理方法。
三、培训内容1.消防安全基础知识–火灾的分类与成因–消防安全标志及含义–消防安全责任与法规2.消防设施设备的使用与维护–灭火器的选择与使用方法–室内外消火栓的使用方法–自动喷水灭火系统的原理与使用–火灾报警系统的原理与操作3.紧急疏散与逃生自救–疏散逃生的基本原则与方法–逃生通道的设置与使用–逃生自救技能与注意事项4.火灾事故的预防与处理–火灾预防措施与注意事项–火灾事故应急预案与处理流程–火灾事故的调查与分析四、培训方式1.理论培训:通过PPT、视频等资料进行讲解,使员工了解消防安全知识。
2.实操培训:进行消防设施设备的使用演练,提高员工的实际操作能力。
3.应急预案演练:定期组织火灾逃生疏散演练,使员工熟悉应急处理流程。
五、培训时间与周期1.培训时间:每年至少进行一次消防安全培训。
2.培训周期:每三年进行一次全面培训,期间进行不定期抽查与复训。
六、培训考核1.理论考核:采用问卷调查的形式,检验员工对消防安全知识的掌握程度。
2.实操考核:通过现场操作演练,检验员工对消防设施设备的实际操作能力。
七、培训效果评估1.员工消防安全意识提高程度。
2.员工对消防设施设备的了解与操作能力提升程度。
3.火灾逃生疏散演练的效果。
八、培训负责人与协助人1.培训负责人:负责组织、协调、监督整个培训过程。
2.协助人:负责培训资料的准备、现场实操指导等工作。
九、培训费用根据公司财务规定,按照实际发生费用进行报销。
通过本培训表格的实施,希望全体员工能够提高消防安全意识,掌握消防知识与技能,共同维护公司的消防安全。
10.消防安全有关表格11.根本概略12.灭火和应急分散方案13.要点部位状况14.建筑消防设备维修养护记录15.消防设备状况16.火灾隐患状况记录表17.消防安全有关的消防安全人员登记表18.灭火器的保护养护、维修检查记录表19.动用明火状况记录20.消防安全管理制度登记表21.消防赏罚状况记录22.火灾状况记录23.消防安全培训记录表〔一〕24.消防安全培训记录表〔二〕25.防火检查记录表26.防火巡逻记录表27.义务消防队〔安全员〕人员名单28.灭火和应急分散方案操练记录29.消防管理组织机构30.月巡检细那么31.季巡检细那么32.年巡检细那么33.控制器日检查登记表34.消防工程维修单35.消防维修工程排故报告单36.消防设备保护养护综合检测记录37.消防设备保护养护综合检测记录38.消防设备保护养护综合检测记录39.消防设备保护养护综合检测记录40.消防设备保护养护综合检测记录41.消防设备保护养护综合检测记录42.消防设备保护养护综合检测记录43.防排烟系统保护养护综合检测记录44.防火卷帘保护养护工作表45.应急播放系统保护养护工作表1单位名称地址基本概况登记类型单位性质消防安全责任人〔法定代表人或主要负责人〕消防安全管理人专职消防队供电状况消防给消防水水状况源消防安全要点部位名称消防安全要点部位名称消防安全要点部位名称消防安全要点部位名称消防安全要点部位名称联系电话负责人人数电力负荷等级市政进水管数目及管径天然消防水源数及容量消防安全要点单位序码上司主管部门归口管理部门负责人主要灭火装备用电设备负荷〔KW〕室内管网形式室外联系电话实质用电量KW〕最不利点室内消火栓压室外力审查查收状况能否已审查备注能否已查收注:消防安全要点单位可联合自己消防安全工作的特色,适合增添有关本单位消防工作实质需要的相应栏目和内容。
2灭火和应急分散方案制作日期:年月日单位名称地址辖区公安消防队支援消防队消防安全责任人联系专职队长义务队长消防人数消防人数队车辆数队主要装备组织总指挥机构副总指挥灭火组通信组分散组救护组报警方式报警和接警程序:要点部位1要点部位2应急分散程序及举措:扑救初起火灾程序及举措:通信联系、安全防备的程序和举措:3要点部位状况2名称建筑耐火等级面积〔m〕层数高度〔m〕人数消防安全责任人根本状况火灾危险性预防举措扑救举措注:单位确立要点部位后,每个要点部位均高应填写此表,可依据实质一个要点部位填写一张表4建筑消防设备维修养护记录拜托单位维修养护单位维修养护人员维修养护日期建筑名称工程维修养护状况备注室内消火栓室外消火栓消火消防水泵栓系统水泵接合器消防水池屋顶水箱风机通风空调防火阀防火阀防烟送风机排烟系统排烟阀排烟机集中报警器地区报警器火灾感烟探测器自动感温探测器报警系统应急播放手动按钮其余探测器工程维修养护状况备注自动喷洒头5喷水灭火系统气体灭火系统安全分散系统其余报警控制阀水流指示器压力开关水泵稳压泵气压水罐管道阀门其余喷头瓶头阀分派阀远程启动装置联动开启装置手动开启装置紧迫出动储罐其余分散指示标记消防电源应急照明消防电梯防火门防火卷帘6消防设备状况名称规格数目设置地点备注7火灾隐患状况记录表检查部位检查人员检查日期火灾隐患整顿建议被检查部位负责人建议署名:_____年月日消防安全管理人建议署名:_____年月日消防安全责任人建议署名:_____年月日办理结果8消防安全有关的工作人员登记表工种姓名性别出生文化技术级别上岗培训机构培训证号年代程度9检查记录表购买时间设置地点数检查维修单检修状况其余量位〔人员〕10动用明火状况记录动火地址动火时间动火范围动火现场监护人动火工程负责人动火方案消防安全举措有无动火允许证审批部门建议动火前与有关相临部门联系状况及采纳消防安全措施状况动火地址邻近水源、灭火用具及消防队现场保护情况动火前和动火时期安全保卫部门检查消防安全举措落实和监护人、动火负责人落真相况动火作业结束后现场清理状况备注11消防安全管理制度登记表制度名称成立或订正主要内容履行状况日期附:各项消防安全管理制度]12消防赏罚状况记录奖赏 受奖赏单 授奖单位备注时间奖赏内容位或个人13火灾状况记录填写人:填写时间:起火时间起火部位火灾根本状况起火原由直接经济损失〔万元〕损失间接经济损失〔万元〕死人伤亡轻伤人员重伤烧毁〔损〕主要财物名称、数目烧毁〔损〕建筑〔平方米〕办理状况及剖析其余14消防安全培训记录表〔一〕培训培训人培训内容培训部门合格率时间对象数15消防安全培训记录表〔二〕培训时间:年月日至年月日性出生工职培训培训发姓名年代种务内容备注别证状况16防火检查记录表被检查部门检查时间检查人员检查内容检查状况处理结果火灾隐患的整顿、防备举措落真相况安全分散通道、疏散指示标记、应急照明和安全出口消防车通道、消防水源灭火器械配置及有效状况用火用电有无违章要点工种、其余人员消防知识掌握情况消防安全要点部位管理状况易燃易爆危险物件和场所防火防爆落真相况以及其余、重要物质防火安全状况检查内容检查状况处理结果17消防〔控制室〕值班状况和设备运转、记录状况防火巡逻状况消防安全标记的设置及完满、有效情况其余需要检查的内容检查人建议消防安全管理人建议署名:被检查部门署名:负责人建议年月日年月日消防安全责署名:任人建议署名:年月日年月日18防火巡逻记录表巡逻时间巡逻状况办理结果被检查单位主管巡逻人员人员署名署名备注主管人员审阅署名注:此表合用于防火巡逻应该起码每两小时一次的单位19义务消防队〔安全员〕人员名单姓名性别出生年代参加工作时间职务消防培训状况备注20灭火和应急分散方案操练记录时间地址操练内容指挥出动出动参加部门成效人数车数消防管理组织机构管理机构名称人数成即刻间负责人消防安全工作职务机组成员名单行政职务部门责任范围联系21月巡检细那么序号内容标准检查方法1消防控制室设备无异样察看显示灯确认设各种显示灯正常备有无故障自动报警系统探测器正常工作无故障模拟、仪器检查水流指示器、压正常工作尾端试水力开关等对备电进行1-2次充放电源使系统正常运转电试验,1-3次主电源和备用电源自动切换试验自动喷淋系统及消火栓系统1、水源控制阀、状况完满目测巡检报警控制装置开闭地点正常2、设置储水设备严寒季节测定室温丈量3的房间3、水泵房温度、压力、地点响声处察看仪表读数于正常状态临场判断4、管网系统无跑、冒、滴、漏现象,察看系统压力能否恒定无使用故障目测管网外观4联动系统1、消防播放功能正常播放、强迫变换2、消防通信功能正常通话试验排烟风机手、自动启动正手、自动启动风机试验排3、排烟系统常;防火阀、排烟阀动作烟阀、防火阀能否正常工敏捷,无滞碍作4、防火分开系统处于待用状态无障、碍物22序号1234季巡检细那么内容标准检查方法消防控制室设备无异样察看显示灯确认设各种显示灯正常备有无故障自动报警系统探测器正常工作无故障模拟、仪器检查水流指示器、压正常工作尾端试水力开关等对备电进行1-2次充放电源使系统正常运转电试验,1-3次主电源和备用电源自动切换试验自动喷淋系统及消火栓系统控制阀门电磁等状况完满目测巡检报警阀保持正常工作状态放水试验,启泵性能2、设置储水设备严寒季节测定室温丈量的房间3、水泵房温度、压力、地点响声处察看仪表读数于正常状态临场判断4、管网系统无跑、冒、滴、漏现象,察看系统压力能否恒定无使用故障目测管网外观5、室外阀门井启闭地点正常无渗漏目测6、水泵接合器无渗漏目测7、喷头完好无缺去除异物联动系统1、消防播放功能正常播放、强迫变换2、消防通信功能正常通话试验排烟风机手、自动启动正手、自动启动风机试验排3、排烟系统常;防火阀、排烟阀动作烟阀、防火阀能否正常工敏捷,无滞碍作4、防火分开系统处于待用状态无阻碍物5、启泵试验手、自动均能正常启动试验23序号12345年巡检细那么内容标准检查方法消防控制室设备无异样察看显示灯确认设各种显示灯正常备有无故障自动报警系统探测器正常工作无故障模拟、仪器检查水流指示器、压正常工作尾端试水力开关等对备电进行1-2次充放电源使系统正常运转电试验,1-3次主电源和备用电源自动切换试验自动喷淋系统及消火栓系统控制阀门电磁等状况完满目测巡检报警阀保持正常工作状态放水试验,启泵性能2、设置储水设备严寒季节测定室温丈量的房间3、水泵房温度、压力、地点响声处察看仪表读数于正常状态临场判断4、管网系统无跑、冒、滴、漏现象,察看系统压力能否恒定无使用故障目测管网外观5、室外阀门井启闭地点正常无渗漏目测6、水泵接合器无渗漏目测7、喷头完好无缺去除异物联动系统1、消防播放功能正常播放、强迫变换2、消防通信功能正常通话试验排烟风机手、自动启动正手、自动启动风机试验排3、排烟系统常;防火阀、排烟阀动作烟阀、防火阀能否正常工敏捷,无滞碍作4、防火分开系统处于待用状态无阻碍物5、启泵试验手、自动均能正常启动试验供水设备1、水源测试年供水能力2、储水设备检查构造资料3、气压稳压设备正常工作模拟试验24控制器日检查登记表单位名称控制器型检查电源检查工程故障主电备用人备注自检消音复位巡检报警源电源署名时间检查状况故障及清除状况防火负责人巡检员:甲方值班员:第页共页25消防工程维修单报修部门月日时报修人报修内容完成情况达成时间年月日主修人署名查收人署名名称规格数目单价合价备注耗用主要材料26消防维修工程排故报告单单位名称:编号:故障名称故障地点如何发现发现时间故障表现形式、现象及特色故障原由剖析采纳对策以及解决方法遗留问题经验教训达成时间用工主修人参加人报告人报告时间27消防设备保护养护综合检测记录系统名称:火灾自动报警系统共3页第1页检查备注检查工程检查要求结果一 1.外观质量无腐化及显然机械损害,标记、文字清火晰灾 2.距端墙距离≯探测器间距的一半探 3.安装倾斜角误差≯30°测 4.确认灯的安装地点面向便于察看的主进口方向器 5.确认灯的功能报警,灯启动,巡检,灯闪烁6.报警功能有火情,火警信号输出;短路或脱座,故障信号输出二 1.外观质量组件完好,标记显然报 2.坚固程度坚固,不松,不斜警 3.确认按钮功能启动按钮,按钮处有发光指示按 4.距防火分区最远距离≯30m钮 5.报警功能启动按钮,火警信号输出1.控制器外观质量铭牌及标记显然,清楚2.控制器接地有工作接地线及RE线接地保护3.控制器接地标记显然,长久三 4.控制器电源应是消防专用电源、专用蓄电池供电;火直连消防电源,禁止插头灾 5.报警音响额定电压下,距器件中心1m处,声压报级应在85dB-115dB警6.控制器根本功能控⑴报警功能接到火灾信号,发出声光报警制⑵二次报警手动复位后,再接信号再报警器⑶故障报警100秒内,发出声、光故障信号⑷自检功能可自检⑸火灾优先功能与故障同时报警时,火警优先⑹记忆功能显示或打印火警时间⑺消音、复位功能火警状态时可手动除去信号并复位28系统名称:火灾自动报警系统⑻电源变换功能⑼电源指示功能7.备用电源自动充电功能1.火灾事故播放火灾⑴扬声器的设置事⑵音响试验故广⑶强行切换功能播、⑷选层播放功能消2.消防通信防通⑴控制室与设备间的通话讯⑵ 插孔通信试验、消⑶与“119〞台通话防电3.讯响器〔声光报警器〕梯、⑴坚固程度消⑵音响防⑶报警功能联消防电梯4.动⑴联动功能控⑵信号反响功能制消防联动控制设备设⑴接地保护备⑵主要零件性能1.火灾应急照明灯火⑴外观质量灾⑵短路保护及试验无锁按钮消防设备保护养护综合检测记录共3页第2页主电源切断,备用电源自动投入运转主、备电源变换,指示灯正常主电源恢复,备电自动切除,浮充、等候备用距本楼层内随意处≯25m,额定功率≮3W播放范围内最远点声压级>背景噪声15dB合用系统可在消控室将进行中的一般播放强切换为火灾播放消控室内可选定楼层〔地区〕播放功能正常,语音清楚手动报警按钮处插孔通话,功能正常,语音清楚消防控制室应设置向当地消防部门直接报警的外线坚固,均衡,不斜,不松动>背景噪声15dB实时报警确认火灾后,可手动、自动迫降至首层对电梯控制和联动时,信号能反响至控制室具备,靠谱应切合设计要求表面完好无损具备但不该设其余开关29消防设备保护养护综合检测记录系统名称:火灾自动报警系统共3页第3页应⑶应急变换功能正常电源切断,应急变换时间≯5S急⑷设置状态指示灯应设等候〔红〕、充电〔绿〕、故障〔黄〕照⑸应急工作时间及充、放电功≮30min;放电停止电压≮额定电压85%,并能明有防过充、放电保护⑹应急照明照度≮火灾时持续工作的房间应保证正常照明的照度,见规程P12表22.安全分散指示灯⑴外观质量表面完好无损⑵分散指示方向和图形指向正确,图、文、尺寸标准⑶应急变换功能应急变换时间≯5S,可连续变换10次⑷分散指示照度≮检查员甲方值班员日期备注:检查内容切合要求打“√〞;不切合要求打“×〞,并在备注栏中注明状况。
消防安全每月检查记录表
年月日
检查员(签字):主管人员(签字):
附件12:
消防安全重点单位每日防火巡查记录表
年月日
巡查员(签字):主管人员(签字)
附件13:
消防重点单位消防管理档案基本内容
一、消防安全检查档案:每日巡查、每月检查、重大节日检查;
二、消防安全职责档案:消防组织、义务消防队、各级消防安全责任
人,岗位职责、消防安全责任书;消防奖惩情况记录;
九、消防安全基本档案:单位基本概况和消防安全重点部位情况等;
十、消防会议记录档案:每月消防工作总结及下月工作部署及主管部
门文件贯彻落实情况;
十一、年度消防总结档案:消防重点单位消防工作计划年度工作总结、
各部门消防安全总结等。
消防自查表格及检查表格
消防安全自查表(月报)
检查人:检查时间:年月日检查内容检查状况办理结果备注消防车通道□通畅存在问题以下:
室外消火栓□完满存在问题以下:
室内消火栓□完满存在问题以下:
楼梯间□通畅存在问题以下:
消防宣传表记□完满存在问题以下:
恪守居民
防火条约状况
其余
1 / 2
消防自查表格及检查表格
消防安全检查记录表
被检查单位(场所):负责人:
检查内容及存在的隐患:
1、消防车通道:□通畅□拥塞□不切合标准:
2、分散通道、安全出口:抽查部位:
□通畅□锁闭、占用
3、按标准装备消防器械:□是□否:
4、消防器械完满有效:□是□否:
5、违章使用明火、电焊作业:□无□有:
6、街道乱堆乱放杂草、植物秸秆等可燃物:□无□有:
7、设有消防安全提示:□是□否
8、私拉乱接电线:□无□有:
9、拟订消防安全制度:□有□无□不全:
10、展开消防安全宣传教育:□组织展开□未组织展开:
11、□建筑物未依法经过消防查收或消防查收不合格,私自投入使用。
12、□建筑物未进行完工查收存案或存案抽查不合格,私自投入使用。
13、□民众齐集场所未依法经过消防安全检查或经消防安全检查不切合消防安全要求,私自投
入使用、营业。
办理状况:等项已责令更正;等项已移送公安机关消防机构办理。
被检查单位负责人署名:联系电话:
检查人:检查时间:年月日
一式两份,一份由检查单位存档备查,一份交被检查单位
2 / 2。
消防安全相关表格 Prepared on 22 November 2020
消防安全相关表格
1.基本概况
2.灭火和应急疏散方案
3.重点部位情况
4.建筑消防设施维修保养记录
5.消防设施情况
6.火灾隐患情况记录表
7.消防安全有关的消防安全人员登记表
8.灭火器的维护保养、维修检查记录表
9.动用明火情况记录
10.消防安全管理制度登记表
11.消防奖惩情况记录
12.火灾情况记录
13.消防安全培训记录表(一)
14.消防安全培训记录表(二)
15.防火检查记录表
16.防火巡查记录表
17.义务消防队(安全员)人员名单
18.灭火和应急疏散预案演练记录
19.消防管理组织机构
20.月巡检细则
21.季巡检细则
22.年巡检细则
23.控制器日检查登记表
24.消防工程维修单
25.消防维修工程排故报告单
26.消防设施维护保养综合检测记录
27.消防设施维护保养综合检测记录
28.消防设施维护保养综合检测记录
29.消防设施维护保养综合检测记录
30.消防设施维护保养综合检测记录
31.消防设施维护保养综合检测记录
32.消防设施维护保养综合检测记录
33.防排烟系统维护保养综合检测记录
34.防火卷帘维护保养工作表
35.应急广播系统维护保养工作表
基本概况
注:消防安全重点单位可结合自身消防安全工作的特点,适当增加有关本单位消防工作实际需要的相应栏目和内容。
灭火和应急疏散方案
制作日期:年月日
重点部位情况
注:单位确定重点部位后,每个重点部位均高应填写此表,可根据实际一个重点部位填写一张表
建筑消防设施维修保养记录
消防设施情况
火灾隐患情况记录表
消防安全有关的工作人员登记表
灭火器的维护保养、维修检查记录表
动用明火情况记录
消防安全管理制度登记表
附:各项消防安全管理制度]
消防奖惩情况记录
火灾情况记录填写人:填写时间:
消防安全培训记录表(一)
消防安全培训记录表(二)
培训时间:年月日至年月日
防火检查记录表
防火巡查记录表
注:此表适用于防火巡查应当至少每两小时一次的单位
义务消防队(安全员)人员名单
灭火和应急疏散预案演练记录
消防管理组织机构
月巡检细则
季巡检细则
年巡检细则
控制器日检查登记表
巡检员:甲方值班员:第页共页
消防工程维修单
消防维修工程排故报告单
单位名称:编号:
消防设施维护保养综合检测记录
系统名称:火灾自动报警系统共3页第1页
消防设施维护保养综合检测记录
系统名称:火灾自动报警系统共3页第2页
消防设施维护保养综合检测记录
系统名称:火灾自动报警系统共3页第3页
消防设施维护保养综合检测记录
系统名称:自动喷水灭火系统共2页第1
页
消防设施维护保养综合检测记录
系统名称:自动喷水灭火系统共2页第2页
消防设施维护保养综合检测记录
系统名称:气体灭火系统共2页第1页
消防设施维护保养综合检测记录
系统名称:气体灭火系统共2页第2页
防排烟系统维护保养综合检测记录
防火卷帘维护保养工作表
工程名称:
维护装置部位:日期:年月日
注:有问题的器件单独填列表格
应急广播系统维护保养工作表
工程名称:
维护装置部位:日期:
年月日
备注:有问题的器件单独填列表格
说明:1、所列设备,原则上每月由保养公司、甲方、双方联合进行检测。
2、设备检查或试验正常的打“√”,不正常或需要维修的打“×”。