实木复合地板面层检验批质量验收记录
- 格式:pdf
- 大小:88.96 KB
- 文档页数:2
实木复合地板面层检验批质量验收记录项目名称:XXX工程地点:XXX地区验收时间:XXXX年X月X日一、验收单位验收单位:XXX公司二、施工单位施工单位:XXX公司三、地板材料地板材料供应商:XXX公司四、验收内容1.材料验收:检查地板面层材料是否符合设计要求和合同规定的技术标准,包括地板面板、面层饰面材料、底面材料、防潮垫、背胶等。
2.条件验收:检查施工现场的环境条件是否满足材料施工的要求,包括空气湿度、温度等。
3.预制地板验收:对预制地板组装和加工的质量进行检查,包括地板面板的平整度、拼缝是否紧密、边角是否完整等。
4.安装验收:对地板面层的安装工艺进行检查,包括地板面板的铺装工艺、粘贴程度、保护覆膜的处理等。
五、验收结果1.材料验收结果:地板面层材料供应商提供的材料符合设计要求和合同规定的技术标准,材料质量合格。
2.条件验收结果:施工现场的环境条件满足地板材料施工的要求,空气湿度和温度稳定在合适的范围内。
3.预制地板验收结果:预制地板组装和加工质量符合设计要求和合同规定的技术标准,地板面板平整度、拼缝密封性、边角完整性均达到要求。
4.安装验收结果:地板面层的安装工艺符合设计要求和合同规定的技术标准,地板面板铺装工艺规范,粘贴程度良好,保护覆膜处理得当。
六、存在的问题及处理措施1.地板面板在一些区域存在凹凸不平现象,需要进行修复处理。
施工单位将采用合适的修复材料进行修复,并确保修复后地板面板的平整度达到要求。
2.地板面层安装后,部分地板表面出现细小脱层现象,可能是粘贴程度不够。
施工单位将重新处理这些区域,确保地板粘贴牢固。
3.部分防潮垫材料规格尺寸不符合要求。
施工单位将更换这些不合格的防潮垫材料,并确保更换后的材料符合要求。
七、验收结论经过对地板面层的质量验收,地板面层材料、施工条件、预制地板、安装工艺均符合设计要求和合同规定的技术标准,质量合格。
施工单位将对存在的问题进行整改和修复,并保证整体质量。
木材面层检验批质量验收记录(最新版)
概述
该文档旨在记录并审查木材面层检验批的质量验收情况。
本文
档适用于最新版的质量验收要求。
日期
本次木材面层检验批质量验收记录的日期为 [填写日期]。
检验要求
根据最新版的质量验收要求,对木材面层的以下方面进行检验:- 木材表面平整度
- 木材表面疵病
- 木材表面涂层质量
检验过程
本次木材面层检验批的质量验收采用以下步骤进行:
1. 准备所需检验工具和设备。
2. 随机选取 representative 样本进行检验。
3. 检查木材表面平整度,包括使用平直尺和视觉检查等方法。
4. 检查木材表面疵病,如裂纹、破损、黑斑等。
5. 检查木材表面涂层的质量,包括涂层均匀、无脱落等。
6. 根据检验结果判断验收情况。
检验结果
根据本次木材面层检验批的质量验收,以下是检验结果:
- 木材表面平整度:[填写结果]
- 木材表面疵病:[填写结果]
- 木材表面涂层质量:[填写结果]
验收结论
根据本次木材面层检验批的质量验收结果,结论如下:
- 如果检验结果符合最新版质量验收要求,则验收合格。
- 如果检验结果不符合最新版质量验收要求,则验收不合格。
备注
[填写适用的备注,如具体检验方法、限制或特殊说明]
---
以上为《木材面层检验批质量验收记录(最新版)》的内容。
请在每次检验后及时填写并保留该记录,以便审查和追溯。
楼地面实木复合地板面层检验批质量验收记录楼地面实木复合地板是一种常见的地面装饰材料,它具有环保、美观、耐磨等优点,被广泛应用于住宅、商业和公共场所的地面装饰中。
为了确保实木复合地板质量达到标准要求,需要进行面层检验批质量验收记录。
下面是一份关于楼地面实木复合地板面层检验批质量验收记录的示例,供参考。
验收单位:XXXX公司验收日期:XXXX年XX月XX日被验收单位:XXXX公司被验收地点:XXXX楼地面一、验收目的1.确保实木复合地板面层质量符合国家标准和设计要求。
2.发现和整改施工过程中的不合格问题,确保施工质量。
3.为后续使用和维护提供依据和保障。
二、验收内容1.实木复合地板面层的材料和加工工艺是否符合国家标准和合同要求。
2.实木复合地板铺设的平整度、密实度、粘接牢固度和边角是否符合要求。
3.实木复合地板面层的图案、花纹和颜色是否符合设计要求。
4.实木复合地板面层的清洁度和表面光滑度是否符合要求。
三、验收依据1.《实木复合地板施工与验收规范》。
3.工程设计图纸和技术要求。
四、验收方法1.目测验收:对实木复合地板铺设的平整度、清洁度和表面光滑度进行目测。
2.抽测验收:对实木复合地板铺设的平整度、密实度、粘接牢固度和边角进行抽测。
五、验收结果记录1.实木复合地板铺设平整度:验收目测结果:地板整体平整,无凸起、漏斗、波浪等现象。
抽测结果:随机抽测地板5处,平整度均在合格范围内。
2.实木复合地板密实度:验收目测结果:地板间隙均匀,无明显裂缝和凹凸现象。
抽测结果:随机抽测地板20处,地板间隙均匀,无明显裂缝。
3.实木复合地板粘接牢固度:验收目测结果:地板与地面胶合牢固,无空鼓和起泡现象。
抽测结果:随机抽测地板30处,地板与地面胶合牢固。
4.实木复合地板边角:验收目测结果:地板边角整齐,无破损和开裂现象。
抽测结果:随机抽测地板10处,地板边角整齐。
5.实木复合地板图案、花纹和颜色:验收目测结果:地板图案、花纹和颜色与设计要求一致。
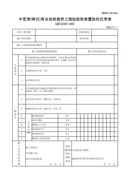
DBJ04-226-2003 中密度(强化)复合地板面层工程检验批质量验收记录表
GB50209-2002
DBJ04-226-2003
说明
030117 检验数量:按自然间(或标准间)检验,抽查数量应随机检验不应少于3间;不足3间,应全数检查;
其中走廊(过道)应以10延长米为一间,工业厂房(按单跨计)、礼堂、门厅应以两个轴线为
一间计算。
主控项目:
检验方法:1.观察检查和检查材质合格证明文件及检测报告。
同时应符合规范7.1.2条:木、竹地板面层下的木搁栅、垫木和毛地板等采用木材的树种、
选材标准和铺设时木材含水率以及防腐、防蛀处理等,均应符合现行国家标准《木结构工
程施工质量验收规范》GB 50206的有关规定。
2.观察、脚踩检查。
3.观察、脚踩检查。
一般项目:
检验方法:1.观察、用2m靠尺和楔形塞尺检查。
2.观察检查。
同时应符合规范7.4.2条:中密度(强化)复合地板面层铺设时,相邻条板端头应错开不小
于300mm距离;衬垫层及面层与墙之间应留不小于10mm空隙。
3.观察和用钢尺检查。
4.用钢尺检查。
5.用2m靠尺和楔形塞尺检查。
6、7项拉5m线(不足5m拉通线)和用钢尺检查。
8.用钢尺和楔形塞尺检查。
9.用楔形塞尺检查。
实木复合地板面层工程检验批质量验收记录编号:
填表说明:
1、检验批容量填写:实木复合地板面层工程的施工质量验收应按每一层次或每层施工段(或变形缝)划分检验批。
(GB50209-2010第3.0.21条第1款)
2、最小/实际检查数量栏中,实际检查数量:每检验批应以各子分部工程的基层(各构造层)和各类面层所划分的分项工程按自然间(或标准间)检验,抽查数量应随机检验不应少于3间;不足3间,应全数检查;其中走廊(过道)应以10延米为1间,工业厂房(按单跨计)、礼堂、门厅应以两个轴线为1间计算。
(GB50209-2010第3.0.21条第2款)
有防水要求的建筑地面子分部工程的分项工程施工质量每检验批抽查数量应按其房间总数随机检验不应少于4间,不足4间,应全数检查。
(GB50209-2010第3.0.21条第3款)3、表头中“施工依据”栏目应依照实际的施工操作依据填写,如施工企业的操作规程、工法、施工工艺标准等。
实木复合地板面层检验批质量验收记录
注:本表内容的填写需依据《现场验收检验批检查原始记录》。
本检验批质量验收的规范依据见本页背面。
填写说明
一、填写依据
1 《建筑地面工程施工质量验收规范》GB50209-2010。
2 《建筑工程施工质量验收统一标准》GB50300-2013。
二、检验批划分
基层(各构造层)和各类面层的分项工程的施工质量验收应按每一层次或每层施工段(或变形缝)划分检验批,高层建筑的标准层可按每三层(不足三层按三层计)划分检验批。
三、GB50209-2010规范摘要
主控项目
7.3.6 实木复合地板面层采用的地板、胶粘剂等应符合设计要求和国家现行有关标准的规定。
检验方法:观察检查和检查型式检验报告、出厂检验报告、出厂合格证。
检查数量:同一工程、同一材料、同一生产厂家、同一型号、同一规格、同一批号检查一次。
7.3.7 实木复合地板面层采用的材料进入施工现场时,应有以下有害物质限量合格的检测报告:
1 地板中的游离甲醛(释放量或含量)。
2 溶剂型胶粘剂中的挥发性有机化合物(VOC)、苯、甲苯+二曱苯。
3 水性胶粘剂中的挥发性有机化合物(VOC)和游离甲醛。
检验方法:检查检测报告。
检查数量:同一工程、同一材料、同一生产厂家、同一型号、同一规格、同一批号检查一次。
7.3.8 木搁栅、垫木和垫层地板等应做防腐、防蛀处理。
检验方法:观察检查和检查验收记录。
检查数量:按本规范第3.0.21条规定的检验批检查。
7.3.9 木搁栅安装应牢固、平直。
检验方法:观察、行走、钢尺测量等检查和检查验收记录。
检查数量:按本规范第3.0.21条规定的检验批检查。
7.3.10 面层铺设应牢固;粘贴应无空鼓、松动。
检验方法:观察、行走或用小锤轻击检查。
检查数量:按本规范第3.0.21条规定的检验批检查。
一般项目
7.3.11 实木复合地板面层图案和颜色应符合设计要求,图案应清晰,颜色应一致,板面应无翘曲。
检验方法:观察、用2m靠尺和楔形塞尺检查。
检查数量:按本规范第3.0.21条规定的检验批检查。
7.3.12 面层缝隙应严密;接头位置应错开,表面应平整、洁净。
检验方法:观察检查。
检查数量:按本规范第3.0.21条规定的检验批检查。
7.3.13 面层采用粘、钉工艺时,接缝应对齐,粘、钉应严密;缝隙宽度应均匀一致;表面应洁净,无溢胶现象。
检验方法:观察检查。
检查数量:按本规范第3.0.21条规定的检验批检查。
7.3.14 踢脚线应表面光滑,接缝严密,高度一致。
检验方法:观察和钢尺检查。
检查数量:按本规范第3.0.21条规定的检验批检查。
7.3.15 实木复合地板面层的允许偏差应符合本规范表7.1.8的规定。
检验方法:按本规范表7.1.8中的检验方法检验。
检查数量:按本规范第3.0.21条规定的检验批和第3.0.22条的规定检查。