自动化生产线—供料站
- 格式:pdf
- 大小:103.15 KB
- 文档页数:18
第三章供料单元的结构与控制3.1 供料单元的结构3。
1.1 供料单元的功能供料单元是YL—335A中的起始单元,在整个系统中,起着向系统中的其他单元提供原料的作用。
具体的功能是:按照需要将放置在料仓中待加工工件(原料)自动地推出到物料台上,以便输送单元的机械手将其抓取,输送到其他单元上。
如图3—1所示为供料单元实物的全貌。
3.1。
2供料单元的结构组成供料单元的结构组成如图3-2所示.其主要结构组成为:工件推出与支撑,工件漏斗,阀组,端子排组件,PLC,急停按钮和启动/停止按钮,走线槽、底板等.1.工件推出与支撑及漏斗部分该部分如图3-3所示。
用于储存工件原料,并在需要时将料仓中最下层的工件推出到物料台上。
它主要由大工件装料管、推料气缸、顶料气缸、磁感应接近开关、漫射式光电传感器组成。
该部分的工作原理是:工件垂直叠放在料仓中,推料缸处于料仓的底层并且其活塞杆可从料仓的底部通过.当活塞杆在退回位置时,它与最下层工件处于同一水平位置,而夹紧气缸则与次下层工件处于同一水平位置.在需要将工件推出到物料台上时,首先使夹紧气缸的活塞杆推出,压住次下层工件;然后使推料气缸活塞杆推出,从而把最下层工件推到物料台上。
在推料气缸返回并从料仓底部抽出后,再使夹紧气缸返回,松开次下层工件。
这样,料仓中的工件在重力的作用下,就自动向下移动一个工件,为下一次推出工件做好准备。
为了使气缸的动作平稳可靠,气缸的作用气口都安装了限出型气缸截流阀。
气缸截流阀的作用是调节气缸的动作速度。
截流阀上带有气管的快速接头,只要将合适外径的气管往快速接头上一插就可以将管连接好了,使用时十分方便。
图3—4是安装了带快速接头的限出型气缸截流阀的气缸外观。
图3-5是一个双动气缸装有两个限出型气缸节流阀的连接和调节原理示意图,当调节节流阀A时,是调整气缸的伸出速度,而当调节节流阀B时,是调整气缸的缩回速度.从图3-4上可以看到,气缸两端分别有缩回限位和伸出限位两个极限位置,这两个极限位置都分别装有一个磁感应接近开关,如图3-6(a)所示。
自动化生产线装配下料站设计篇一:基于PLC的自动化生产线的毕业设计目录第一章绪论 (1)1.1自动化生产线发展状况 (1)1.2 PLC的应用及目前的研究现状 (3)1.2.1生产线上的工艺过程 (3)1.2.2连续生产线 (4)1.2.3控制系统组成框图 (5)1.3课题主要研究的内容及意义 (6)第二章各单元硬件设备的说明 (7)2.1电感式接近开关的设备说明 (7)2.1.1电感式传感器简单介绍 (7)2.1.2电感式接近开关传感器的基本工作方式 (7)2.2电容式接近开关的设备说明 (8)2.2.1电容式传感器简单介绍 (8)2.2.2电容式接近开关传感器的使用 (8)2.3继电器的设备及微动开关的设备说明 (9)2.4电磁阀的设备说明 (9)第三章 S7-2OO PLC在自动线中的使用 (10)第四章各单元控制系统的设计 .......................................124.1PLC对下料单元的控制 (12)4.1.1下料单元控制要求 (12)4.1.2下料单元控制流程图 (13)4.1.3下料单元I/O分配表 (14)4.1.4下料单元梯形图 (15)4.2 PLC对加盖单元的控制 (21)4.2.1加盖单元控制要求 (21)4.2.2加盖单元控制流程图 (22)4.2.3加盖单元I/O分配表 (23)4.2.4加盖单元梯形图 (24)4.3PLC对穿销单元的控制 (30)4.3.1穿销单元控制要求 (30)4.3.2穿销单元控制流程图 (31)4.3.3穿销单元I/O分配表 (32)4.3.4穿销单元梯形图 (33)4.4PLC对检测单元的控制 (39)4.4.1检测单元控制要求 (39)4.4.2检测单元控制流程图 (40)4.4.3检测单元的I/O分配表 (41)4.4.4检测单元梯形图 (41)4.5PLC对分拣单元的控制 (45)4.5.1分拣单元控制要求 (45)4.5.2分拣单元控制流程图 (47)4.5.3分拣单元的I/O分配表 (48)4.5.4单元梯形图 (49)第五章 S7-300 PLC硬件组态及编程 (56)5.1 硬件配置 (56)5.2 S7-3OO PLC在系统中的主站控制变量传送分配表 (64)5.3 S7-3OO PLC在系统中的主站控制的基本要求 (65)5.4 S7-300 PLC梯形图 (65)总结 .............................................................68参考文献 .........................................................69致谢 .............................................................70第一章绪论1.1 自动化生产线发展状况自动线是能实现产品生产过程自动化的一种机器体系,通过采用一套能自动进行加工、检测、装卸、运输的机器设备,组成高度连续的、完全自动化的生产线,来实现产品的生产,从而提高工作效率。
工作任务单班级组别组长成员项目一YL-335B自动线认识实训内容1、现场认识YL-335B自动线的整体结构,包括哪些工作站?各工作站的基本结成结构?熟悉整个生产线的整体运行工艺流程。
2、现场认识YL-335B的供电系统结构,正确理解其电路原理,熟悉各个开关的控制功能。
实训报告1、简述YL-335B自动线的整体结构,各工作站的基本组成结构?2、写出整个生产线的整体运行工艺流程。
完成时间完成情况(评分)其它班级组别组长成员项目2 供料站的原理、安装与调试实训内容1. 安装机械部件;2. 安装光电传感器、金属传感器和磁性开关、电磁阀;3. 安装、调试气路;4. 根据电气原理图连接电气线路;5. 编写、下载、调试与运行程序。
实训报告1. 写出安装机械部件的方法及要点;2. 写出安装、调试光电传感器、金属传感器和磁性开关的方法及要点;3. 写出安装、调试气路的方法及要点;4. 用CAD画出供料站的电气控制线路图;5. 写出供料站的I/O分配表;6. 根据工艺流程、顺序功能图、I/O分配表编写程序;7. 写出调试供料站的过程及心得体会。
完成时间完成情况(评分)序号实训内容评价要点配分教师评分1 机械部分安装与调试安装正确、动作顺畅、紧固件无松动102 气路安装与调试气路连接正确、美观、无漏气现象、运行平稳103 电路设计电路设计符合要求104 电路接线接线正确、布线整齐美观105 程序编制及调试根据工艺要求完成程序编制和调试,运行正确。
506 职业素养与安全意识操作是否符合安全操作规程和岗位职业要求;工具摆放是否整齐;团队合作精神是否好;是否保持工位清洁,爱惜实训设备等。
10合计100其它班级组别组长成员项目3 加工站的原理、安装与调试实训内容1. 安装机械部件;2. 安装光电传感器和磁性开关、电磁阀;3. 安装、调试气路;4. 根据电气原理图连接电气线路。
5. 编写、下载、调试与运行程序。
实训报告1. 写出安装机械部件的方法及要点;2. 写出安装、调试光电传感器和磁性开关的方法及要点;3. 写出安装、调试气路的方法及要点;4. 用CAD画出加工站的电气控制线路图;5. 写出加工站的I/O分配表。
自动化生产线供料单元PLC的自动化生产线__供料单元的结构与控制导读:就爱阅读网友为您分享以下“PLC的自动化生产线__供料单元的结构与控制”的资讯,希望对您有所帮助,感谢您对92to 的支持!图4-7 加工单元PLC的I/O接线原理图急情况下提供的局部急停信号,一旦发生,本单元所有机构应立即停止运行,直到急停解除为止;同时,急停状态信号应回馈到系统,以便协调处理。
2、加工单元的工艺过程也是一个顺序控制:物料台的物料检测传感器检测到工件后,按照,机械手指夹紧工件→物料台回到加工区域冲压气缸下方→冲压气缸向下伸出冲压工件→完成冲压动作后向上缩回→物料台重新伸出→到位后机械手指松开的顺序完成工件加工工序,并向系统发出加工完成信号。
下面给出YL-335A出厂例程中加工单元程序清单供读者在实训时参考。
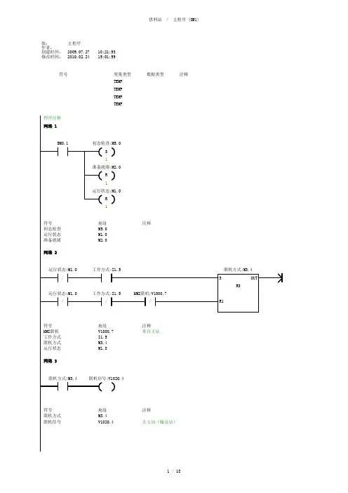
主程序如图4-9 所示,它只是在每一扫描周期(SM0.0 ON)调用2个子程序,一个是启动/停止子程序,其功能是在读取主站发送来的控制命令以及把本站状态信号写到通信数据存储区。
另一个子程序则是完成加工工艺控制功能。
图4-9 加工站主程序梯形图启动/停止子程序如图4-10所示图4-10 启动/停止子程序梯形图第六章分拣单元的结构与控制分拣单元的结构组成如图6-2所示。
其主要结构组成为:传送和分拣机构,传动机构,变频器模块,电磁阀组,接线端口,PLC模块,底板等。
传送和分拣机构如图6-3所示。
传送已经加工、装配好的工件,在光纤传感器检测到并进行分拣。
它主要由传送带、物料槽、推料(分拣)气缸、漫射式光电传感器、光纤传感器、磁感应接近式传感器组成。
传送带是把机械手输送过来加工好的工件进行传输,输送至分拣区。
导向件是用纠偏机械手输送过来的工件。
两条物料槽分别用于存放加工好的黑色工件和白色工件。
传送和分拣的工作原理:本站的功能是完成从装配站送来的装配好的工件进行分拣。
当输送站送来工件放到传送带上并为入料口漫射式光电传感器检测到时,将信号传输给PLC,通过PLC的程序启动变频器,电机运转驱动传送带工作,把工件带进分拣区,如果进入分拣区工件为白色,则检测白色物料的光纤传感器动作,作为1号槽推料气缸启动信号,将白色料推到1号槽里,如果进入分拣区工件为黑色,检测黑色的光纤传感器作为2号槽推料气缸启动信号,将黑色料推到2号槽里。
PLC的自动化生产线供料单元的结构与控制要点PLC(可编程逻辑控制器)的自动化生产线供料单元是指通过PLC控制的系统,主要用于对生产线上的原料或零部件进行供料和控制。
供料单元的结构和控制要点可以从以下几个方面来讨论:1.结构组成:供料单元的结构通常包括以下几个部分:-上料部分:用于将原料或零部件从存储位置(如货架、仓库等)运送到供料位置,通常使用输送带、机器臂、振动盘等设备进行物料传送。
-供料位置:原料或零部件被放置的位置,通常是供给生产线机械手或机器进行下一步处理的地方。
-控制系统:包括PLC、传感器、执行元件等设备,用于实现对供料过程的控制和监控。
2.供料单元的控制要点:-传感器的选择和布置:传感器用于检测物料的状态和位置,例如光电传感器、接近传感器等,应根据具体物料的特点来选择合适的传感器,并合理布置在供料单元的关键位置,确保传感器能够准确地感知物料的状态和位置。
-机械手或机器的控制:机械手或机器用于将原料或零部件从供料位置取出,并放置到生产线上进行下一步处理。
PLC控制器需要编写相应的程序,通过控制机械手或机器的动作来实现物料的取放。
同时,还需考虑机械手或机器的速度、精度等参数,以及与传感器的配合,确保供料过程的稳定性和准确性。
-异常处理:供料过程中可能会出现一些异常情况,例如物料堵塞、物料缺失等。
在PLC控制程序中,需要提前设置相应的异常处理逻辑,并通过监控传感器状态来及时发现和处理异常情况,以避免对生产线的影响。
-安全保护:供料单元通常与人员密切接触,因此,安全保护也是供料单元设计的重要考虑因素之一、在PLC控制程序中,需要设置相应的安全保护逻辑,如急停按钮、安全门等,以确保操作人员的安全。
此外,在设计和控制供料单元时,还需考虑以下几个方面:-物料的特性:不同的物料对于供料单元的要求是不同的,例如粉体物料需要防止堵塞,易碎物料需要防止破损等。
在设计和控制过程中,需要充分考虑物料的特性,并选择合适的设备和控制措施。
PLC的自动化生产线__供料单元的结构与控制PLC的自动化生产线——供料单元的结构与控制在现代工业自动化生产中,可编程逻辑控制器(PLC)扮演着至关重要的角色。
PLC是一种基于数字运算电子系统,专为工业环境设计的数字运算操作电子系统。
它采用可编程的存储器,存储程序并通过数字或模拟输入/输出控制工业生产过程。
本文将重点关注PLC在自动化生产线和供料单元中的应用,分析其结构与控制原理。
自动化生产线是在物流输送过程中,通过运用机械、电气、传感器等技术实现自动化控制的生产线。
其目的是提高生产效率、降低生产成本、保证产品质量,同时减轻工人的劳动强度。
自动化生产线主要由加工设备、输送设备、控制装置等组成。
其中,供料单元作为生产线的重要部分,负责将原料或工件供给生产线上的设备。
供料单元一般由输送带、料仓、提升机等设备组成。
输送带用于将原料或工件从供料点输送到生产线所需的位置;料仓存放待加工的原料或工件;提升机则将原料或工件从料仓中取出,输送至生产线所需的位置。
这些设备的运行均由PLC进行控制。
PLC在供料单元中的应用主要体现在以下几个方面:1、顺序控制:PLC根据生产线的工艺流程,按照一定的顺序控制设备的启停。
例如,在供料单元中,PLC会根据生产线的需求,控制输送带、料仓、提升机的运行顺序。
2、实时监控:PLC能够实时监测设备的运行状态,如输送带是否正常运行、料仓是否有足够的原料等。
当出现异常情况时,PLC会及时发出警报,以便工作人员进行处理。
3、运动控制:PLC能够对设备的运动轨迹进行精确控制,如控制提升机的升降速度、位置等,以确保原料或工件能够准确无误地输送至生产线所需的位置。
通过以上应用,PLC在供料单元中实现了对设备的自动化控制,大大提高了生产线的生产效率,降低了生产成本。
PLC的可靠性和稳定性也保证了生产线的正常运行,减少了人为错误和设备故障的发生。
总结起来,PLC在自动化生产线和供料单元中的应用显著提高了生产效率和质量,减轻了工人的劳动强度。
亚龙YL—335B型自动化生产线YALONG—335B ZIDONGHUASHENGCHANXIAN
著作:胡京洲
亚龙YL—335B型自动化生产线供料站主程序
亚龙YL—335B型自动化生产线—供料站子程序—供料控制
亚龙YL—335B 自动化生产线供料站子程序—状态指示
亚龙YL—335B型自动化生产线加工站主程序
亚龙YL—335B 自动化生产线加工站子程序—加工控制
亚龙YL—335B 自动化生产线装配站主程序
亚龙YL—335B 自动化生产线装配站子程序—落料控制
亚龙YL—335B 自动化生产线装配站子程序—抓取控制
亚龙YL—335B 自动化生产线装配站子程序—指示灯
亚龙YL—335B 自动化生产线分拣站主程序
亚龙YL—335B 自动化生产线分拣站子程序—分拣控制
亚龙YL—335B 自动化生产线分拣站子程序—HSC_INIT
亚龙YL—335B 自动化生产线搬运站主程序
亚龙YL—335B 自动化生产线搬运站子程序—回原点
亚龙YL—335B 自动化生产线搬运站子程序—初态检查复位
亚龙YL—335B 自动化生产线搬运站子程序—急停处理。
第一章概述 (4)第二章PLC的发展史 (5)2.1 PLC的简史及定义 (5)2.2 PLC的特点 (6)2.3 PLC的应用与发展前景 (7)第三章自动生产线的组成及基本功能 (8)2.1基本组成 (8)2.2基本功能 (9)第三章电气控制 (10)3.1接线端子及主令部件 (10)3.2能源部件 (12)3.2.1 供电电源 (12)3.3RS485总线的电气连接 (14)第四章供料与加工单元控制系统 (15)4.1供料单元的结构和工作过程 (15)4.2供料单元的PLC工作任务 (16)4.3供料单元的编程思路 (17)4.4 PLC的I/O分配及系统安装接线 (19)4.5 供料加工单元气动控制回路 (21)总结 (23)致谢 (23)参考文献 (24)附录1 供料与加工单元电气原理图 (25)毕业设计报告题目基于PLC的自动化生产线供料站设计所属系:电子信息工程系班级:应用电子技术092学员姓名:孙连银学号: 09401217 指导教师:侯秀丽2011年10月15日摘要自动生产线的最大特点是它的综合性和系统性,综合性主要涉及机械技术、微电子技术、电工电子技术、传感测试技术、接口技术、信息变换技术、网络通信技术等多种技术有机地结合,并综合应用到生产设备中;而系统性指的是生产线的传感检测、传输与处理、控制、执行与驱动等机构在微处理单元的控制下协调有序地工作,有机地融合在一起。
本系统完成一个工件的拆卸、分拣工作,模拟一个生产流水线的生产过程。
首先由供料站提供原料,运输站将其送至加工站加工,然后送至装配站进行安装,最后由分拣站进行分拣。
设计以送料、加工、装配、输送、分拣等工作单元作为自动生产线的整体设计,构成一个典型的自动生产线的机械平台,系统各机构的采用了气动驱动、变频器驱动和步进(伺服)电机位置控制等技术。
系统的控制方式采用每一工作单元由一台PLC承担其控制任务,各PLC之间通过RS485串行通讯实现互连的分布式控制方式。
东莞职业技术学院毕业论文自动化生产线加工站(供料站)的设计、加工和组装学生姓名:学号:************年级专业:12级机电一体化指导教师:系部:机电工程系(广东·东莞提交日期: 2014年 12 月关键词:PLC传感器报警检测目录1引言 (6)1.1课题背景与研究意义........................... 错误!未定义书签。
1.2系统设计要求 (6)1.3系统设计方案 (6)1.4 设计的主要工作与需要解决的问题 (6)2 系统硬件设计 (6)2.1系统装配图................................... 错误!未定义书签。
2.2 零件加工 (6)2.2.1 零件图绘制2.2.2 零件关键尺寸分析2.2.3 零件加工工序2.3 系统气路图设计 (6)2.4 系统电路图设计 (6)2.5 系统组装 (6)3 系统PLC软件设计 (6)3.1 PLC选型和编程环境........................... 错误!未定义书签。
3.2 PLC软件设计 (6)3.2.1 流程图3.2.2 梯形图4 系统调试 (6)4.1调试过程..................................... 错误!未定义书签。
4.2 遇到问题以及解决方法参考文献 (10)致谢 (10)附录(拆卸图片,加工时照片和完成系统的照片)自动化生产线加工站(供料站)的设计、加工和组装作者:指导老师:(东莞职业技术学院2012级机电工程系,东莞523808)1引言供料站的基本功能:,在整个系统中本系统在整个生产线起着至关重要的作用,,起着向系统中的其他单元提供原料的作用。
具体的功能是:按照需要将放置在料仓中待加工工件(原料)自动地推出到物料台上,以便输送单元的机械手将其抓取,输送到其他单元上。
如下图所示为供料站实物的全貌。
贴图1.2供料系统控制要求本项目只考虑供料单元作为独立设备运行时的情况,单元工作的主令信号和工作状态显示信号来自PLC旁边的按钮/指示灯模块。
PLC控制注塑自动生产线供料站的设计研究摘要伴随现代注塑领域自动化生产线整体运行需求持续提升,对供料站总体设计控制要求也持续提升,PLC控制之下实施注塑自动化生产线的供料站设计可更好地满足于具体设计应用需求。
故本文主要采用文献资料检索方法,先检索国内与注塑自动化生产线以及供料站、PLC控制等相关的研究报告和学术论文等,对相关研究成果进行系统化地梳理及总结分析,并围绕着PLC控制下注塑自动化生产线的供料站设计开展深入研究及探讨。
本次课题研究可谓是横跨了自动化、PLC控制等相关学科领域,需运用到各种学科方法、基础理论及成果,并从整体入手综合研究本课题,以保证本次课题研究的客观性及精准性,期望可以为后续更多设计技术工作者和研究学者对此类课题的实践研究提供有价值的指导或者参考。
关键词:注塑;PLC控制;生产线;自动;供料站;设计;前言供料站属于注塑自动化生产线当中重要部分,为确保整个生产线的自动化运行控制水平得以提升,积极落实PLC控制下注塑自动化生产线的供料站设计分析工作,有着一定的现实意义和价值。
1.PLC控制概述PLC控制,即PLC的控制系统或可编程的逻辑性控制器,是工业控制最为核心的部分。
PLC,它可针对不同的机械化生产过程,运用模拟化输入/出、数字等来实施系统控制。
它主要是由电源、存储器、中央的处理单元、输入/输出的接口电路、通信模块、功能模块等所组成。
中央的处理单元,为PLC控制系统核心,主要负责检查及诊断警戒的定时器、存储器、电源等系统程序实际运行状态。
注塑自动化生产线的供料站当中,PLC所组成的系统编程与应用极具灵活性,且极易扩展,可更好地适应较为复杂的运行环境,注塑自动化生产线的供料站总体运行可靠性与抗干扰性均较强[1]。
在一定程度上,PLC它主要以开关量控制为主,还可在生产连续期间的PID回路性控制组成极具复杂性的一个控制系统。
基于语言编程仅需利用简单的语句表与逻辑图等即可完成编程,程序修改期间无需更改方案。