限速器动作速度
- 格式:docx
- 大小:20.24 KB
- 文档页数:3
ELEVATOR INDUSTRY | 43两种限速器动作速度校验方法TWO KINDS OF ACTION SPEED TESTING METHOD OF SPEED GOVERNOR文 | 杨硕北京市朝阳区特种设备检测所在电梯设备中,限速器作为触发安全钳的联动部件其动作速度是否满足国标要求尤为重要,检规要求检验人员每2年对限速器动作速度校验过程进行一次现场观察、确认,而对于限速器动作速度校验方法并没有明确具体操作规范,因此本文介绍了两种限速器动作速度测试方法,并分析了各自的优缺点,希望能够为电梯检验人员对限速器速度的现场校验及确认提供参考价值。
关键词:摘 要:限速器,动作速度,测试方法,固定销,提升效率随着经济技术发展,高层建筑数量与日俱增,电梯已经成为人们日常生活中必不可少的出行工具,同时电梯的安全性也受到人们的广泛关注。
限速器是电梯的重要安全部件之一,是检测电梯运行是否超速的装置[1]。
限速器在电梯正常运行中并不会起作用,一旦电梯运行速度超过其额定速度并可能会出现危险时,由于离心力的作用,限速器到达一定速度首先会触发一个电气安全装置切断电梯驱动主机电源并使制动器动作制停电梯,与此同时或稍后,无论何种原因如果电梯依然没有停止,限速器会进一步触发安全钳动作,通过安全钳的夹紧力将轿厢制停在导轨上[2]。
限速器与安全钳的联动可以说是保障电梯在超速状态下能够可靠制停的最后一道“防线”,随着电梯技术的发展,其安全性能也越来越高,一般情形下限速器几乎不会动作,这就使得人们在日常管理与维护保养中容易忽视可能影响限速器动作速度的问题,比如电气部件锈蚀可能会导致开关无法及时响应制停电梯,机械部件缺少保养也可能会导致动作卡阻进而引发棘爪无法顺利卡住棘轮,这些细节都会影响限速器电气及机械动作速度,因此通过限速器动作速度校验可以确定其能否满足国家标准[3],这对保障电梯的安全运行是重要的也是必要的。
1、限速器动作速度校验要求2、限速器动作速度校验方法2017年10月1日起开始实施的电梯检验规程第2号修改单[4]中对限速器动作速度校验作出了明确规定:要求对于额定速度小于3m/s的电梯同时使用年限不超过15年的限速器,受检电梯的维护保养单位应当至少每2年进行一次限速器动作速度测试,其结果应当符合要求。
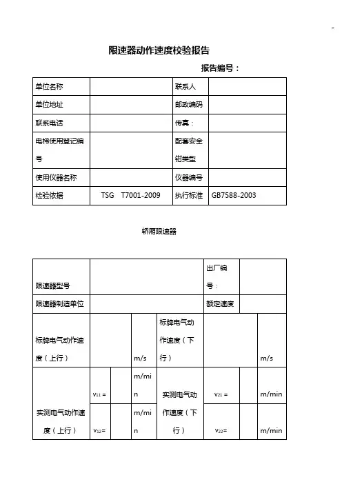
关于电梯限速器动作速度标注问题的探讨山东省特种设备检验研究院德州分院------廉星来按照特种设备安全技术规范《电梯监督检验和定期检验规则—曳引与强制驱动电梯》(TSG T7001-2009)的要求,检验人员对电梯进行监督检验时,应对电梯电梯制造单位提供的相关资料进行审查,其中电梯限速器调试证书的资料审查是一项重要内容。
2012年2月6日,在对一电梯资料审查中,发现一例电梯限速器调试证书中电梯限速器动作速度标注不符合相关要求问题,现做一探讨:一、电梯相关参数及相关配置描述:额定速度:V=1.5m/s 额定载重量:Q=1000kg 层/站:18/18 ;驱动电机为永磁同步电机。
上行超速保护装置作用在曳引轮上。
电梯轿厢使用渐进式安全钳,对重无需安全钳要求。
二、电梯限速器调试证书中技术指标标注情况描述:电梯限速器为机械单向、电气双向限速器。
机械动作速度:1.80m/s~1.92m/s 实际动作速度:1.86m/s电气动作速度:1.66m/s~1.77m/s 实际动作速度:1.73m/s问题:该电梯限速器调试证书中标注的技术指标是否符合要求。
观点有二:观点一、符合要求;观点二、不符合要求观点一:符合要求理由:1、根据GB7588-2003中9.9.1规定: 操纵轿厢安全钳的限速器的动作应发生在速度至少等于额定速度的115%。
但应小于下列各值:a)对于除了不可脱落滚柱式以外的瞬时式安全钳为0.8m/s;b)对于不可脱落滚柱式瞬时式安全钳为1m/s;c)对于额定速度小于或等于1m/s的渐进式安全钳为1.5m/s;d)对于额定速度大于1m/s的渐进式安全钳为1.25υ+0.25/υm/s;按此要求计算:本电梯限速器机械动作速度范围应为:115%υ≤vd<1.25υ+0.25/υm/s,既为符合要求。
即:115%*1.5≤vd<1.25*1.5+0.25/1.5m/s也即:1.725m/s≤vd<2.041 m/s为符合要求。
电梯限速器校验实施细则1内容与范围1.1本细则规定了电梯限速器校验的基本要求与安全注意事项。
1.2本细则适用于电梯限速器的校验。
2引用标准与文件TSG T7001-2009《电梯监督检验和定期检验规则一曳引与强制驱动电梯》GB7588-2003《电梯制造与安装安全规范》JG135-2000《杂物电梯》3总则3.1首次进行校验人员应详细阅读电梯限速器测试仪使用说明书。
3.2限速器校验范围为:0.25m/s ~ 10m/s。
3.3限速器动作速度范围应符合GB7588-2003《电梯制造与安装安全规范》或JG135-2000 《杂物电梯》的规定(见附录A),外观质量可靠,无存在异声。
3.4电梯限速器校验有效期二年,杂物电梯限速器校验有效期五年。
3.5校验报告编号编写规则为:TXSQ-BB-XXXX-AA△△,其中■■为备案序列号;XXXX为年份号;△△△△为检验流水号。
3.6限速器每个运行方向的动作速度需测试三次,若均在范围之内,则取其平均值作为最终校验值。
双向限速器应对两个方向的动作速度分别进行校验。
4注意事项4.1现场校验时先确认环境安全,校验全过程电梯必须在停机状态。
4.2供电电源电压为220V,电压波动不应超过±10 %,若仪器较长时间未作使用,应在校验前通电一段时间。
4.3现场限速器校验拖拉限速器钢丝绳时,必须用专用钩子拖拉,切勿用手拖拉。
4.4传感器及连接线的插拔不能带电操作,不能强制将电机堵转,以避免将电机烧坏;若发现方向不正确时,应在电机停转后改变转动方向。
4.5校验时仪器显示为“X. XX —— X.XX”,其中左边显示的是限速器轮盘节圆旋转线速度,右边显示的是电机橡胶轮节圆旋转线速度。
左边为测量值,右边为参考值,若两者比较接近(一般相差不超过1%)则可判定校验值有效,若相差较大时,应复核限速器轮盘节圆直径,并重新计算和输入节圆周长5校验前的准备5.1用大力钳夹住限速器钢丝绳未与安全钳拉杆连接的一端,接着启动电梯检修向上开少许,待钢丝绳松弛后将其脱离限速器轮槽;或者抬起底坑张紧轮,待钢丝绳松弛后将其脱离限速器轮槽。
浅谈电梯限速器摘要:电梯在工业生产和日常生活中有重要作用,各种形状、款式和功能的电梯为人们在生产和生活中提供了极大的方便。
限速器是电梯安全保护系统重要部分,在电梯超速时,通过触发制动器或安全钳使电梯停止下来,从而保护人民群众的生命安全和财产安全。
本文在简述限速器的工作原理基础上,介绍了限速器的检查和校验,希望能引起使用单位和维保单位对限速器的重视。
关键词:电梯;限速器;随着现代化城市的高度发展,一幢幢高楼拔地而起,电梯作为载人的垂直运输工具,在人们的工作生活中发挥着重要作用,电梯安全也被社会各界所关注。
电梯安全,首先是人员的保护,同时还要对电梯设备本身和所载物资以及所在建筑物的保护。
当电梯发生控制失灵、曳引力不足、制动器失效或制动力不足、超载以及曳引绳断裂等故障时,都可能造成电梯轿厢坠落和超速,限速器-安全钳系统就会在此时起到保护作用。
有机房的电梯,限速器一般设备在机房内;无机房在设置在井道顶部或者底部(下置式无机房)。
安全钳则一般装设在轿底或轿顶,作用于轿厢导轨或对重导轨,由对应的轿厢限速器或对重限速器触发动作,起到制停轿厢或对重的作用。
一、限速器原理限速器按动作原理分为摆锤式和离心式,按其用途又可分为单向限速器和双向限速器。
常见限速器一般为离心式(如下图)。
轿厢运行通过限速器绳,使限速器轮同步转动。
当轿厢下行超速时,甩块上螺栓会先打掉电气开关。
继续超速时,甩块进一步甩开触动棘爪卡在制动轮上,制动轮拉动触杆通过压杆将压块压在限速器轮槽内,使限速器绳刹住,然后触发安全钳动作,进而停止轿厢。
限速器绳直径应不小于6mm,由安装于底坑的张紧轮予以张紧。
为防止限速器绳断裂或过分伸长后电梯仍继续运行,张紧轮设有电气安全装置,来检测限速器绳的状态。
限速器绳轮的节圆直径与绳的直径之比不应小于30,绳轮一般采用V 型绳槽,绳槽表面做硬化处理。
限速器动作时,限速器绳的张力不应小于以下两者的最大值:300N或者安全钳动作所需力的两倍。
电梯限速器动作速度校验操作规程1范围本标准规定了电梯限速器动作速度校验的基本要求、内容和方法、中止校验的条件以及校验结果的判定。
本标准适用于曳引与强制驱动电梯、液压驱动电梯、其它类型电梯限速器动作速度的校验。
2规范性引用文件下列文件对于本文件的应用是必不可少的。
凡是注日期的引用文件,仅所注日期的版本适用于本文件。
凡是不注日期的引用文件,其最新版本(包括所有的修改单)适用于本文件。
GB7588电梯制造与安装安全规范GB/T10058电梯技术条件3术语和定义下列术语和定义适用于本文件。
3.1限速器当电梯的运行速度超过额定速度一定值时,其动作能切断安全回路或进一步导致安全钳或上行超速保护装置起作用,使电梯减速直到停止的自动安全装置。
3.2电梯限速器动作速度校验对电梯限速器电气和机械动作速度进行测试,记录其数值并对其结果判定的过程。
4基本要求4.1电梯限速器动作速度校验应至少由2名经过相关培训的人员进行。
4.2校验人员应穿戴和配备必要的防护用品(如安全帽、工作服、绝缘鞋等),并在现场设置警示标志。
4.3电梯限速器动作速度校验应配备限速器测试仪、钢卷尺、钢直尺、游标卡尺、脱绳装置等器具,需要检定(校准)的器具应在检定(校准)有效期内。
5现场校验5.1外观检查5.1.1限速器上应有清晰的铭牌,标明制造单位名称、型号、编号、技术参数和型式试验机构的名称或者标志,铭牌和型式试验证书、调试证书内容相符。
5.1.2限速器外观应清洁,各调节部位封记完好,运转时不得出现碰擦、卡阻、转动不灵活等现象,动作正常。
5.1.3限速器铭牌上标注的限速器动作速度应与电梯额定速度相匹配。
5.2动作速度校验5.2.1将电梯轿厢开至适当位置,断开电梯主电源开关。
5.2.2确定节圆直径:a)通过铭牌、相关资料确定限速器节圆直径;b)如果无法通过相关资料直接确定节圆直径,应通过测量,按公式(1)计算得出节圆直径,如下图1所示:图1电梯限速器节圆直径测量图= (1)dD-L式中:D——限速器节圆直径,mm;L——限速器钢丝绳之间的距离,mm;d——限速器钢丝绳直径,mm。
关于限速器动作速度的探讨沈阳博林特电梯有限公司谷云松毛鹤同王福强摘要:本文重点阐述了关于限速器动作速度的相关标准的理解,根据标准的要求,对限速器速度设定及存在的问题进行了理论上的推理,同时,结合市场中常见的产品阐述其存在的主要问题,并提出改进措施。
关键词:限速器电气动作速度机械动作速度限速器是电梯上关键的安全部件之一,能够判断电梯是否超速,同时又能够带动安全钳将电梯可靠制停,对电梯内的乘客起到有效的保护作用。
近日,在进行电梯试验的过程中,发现限速器的电气开关触发装置并不是连续的,而是仅在圆周上有两点,能够触发开关,通过深入研究及试验发现,限速器的电气动作速度与机械动作速度,在某些情况下是不符合标准要求的。
以下将从标准出发探讨上述问题。
在国标GB7588-2003《电梯制造与安装安全规范》中有如下规定:9.9. 1 操纵轿厢安全钳的限速器的动作应发生在速度至少等于额定速度的115% ,但应小于下列各值:a) 对于除了不可脱落滚柱式以外的瞬时式安全钳为0.8 m/s;b) 对于不可脱落滚柱式瞬时式安全钳为1 m/s;c) 对于额定速度小于或等于1 m/s 的渐进式安全钳为1. 5m/s ;d) 对于额定速度大于1 m/s 的渐进式安全钳为1.25v+0.25/v(m/s)。
注:对于额定速度超过1 m/s的电梯,建议选用接近d)规定的动作速度值。
在本条规定中主要是规范了限速器动作速度的下限值是1.15v,而上限是小于(不允许等于)上述规定各值。
根据上述规定,我们可以计算出各种额定速度电梯的额定速度,见下表:表一:各种常见速度的限速器动作值单位:m/s在此标准中提到“……限速器的动作应发生在速度……”,这里就有一个疑问,此速度是什么速度?是机械动作速度,还是电气动作速度?本人理解,在本条中此速度应该代表机械动作速度,原因如下,其一,标准叙述的是“操纵轿厢安全钳的……”,在目前的联动结构中,带动安全钳动作的就是机械动作。
常用限速器机械动作速度区间表
根据GB7588-2003《电梯制造与安装安全规范》9.9.1的规定,操纵轿厢安全钳的限速器的动作应发生在速度至少等于额定速度的115%。
但应小于下列各值:
a. 对于除了不可脱落润柱式以外的瞬时式安全钳为0.8m/s;
b. 对于不可脱落滚柱式瞬时式安全钳为1m/s;
c. 对于额定速度小于或等于1m/s的渐进式安全钳为1.5m/s;
d. 对于额定速度大于1m/s的渐进式安全钳为1.25V+0.25/V(m/s)。
注:对于额定速度大于1m/s的电梯,建议选用接的d规定的动作速度值。
益阳范围内常见情况汇总:
允许限速器机械动作允许限速器机械安全钳类型额定速度V 速度最小值115%V 动作速度最大值
0.5 0.575 0.8 非不可脱落瞬时式
0.5 0.575 1 不可脱落瞬时式
0.5 0.575 1 渐进式
1.0 1.15 1.5 渐进式
1.5 1.725
2.042 渐进式
1.6 1.84
2.15625 渐进式
1.75
2.0125 2.3304 渐进式
2.0 2.3 2.625 渐进式
2.5 2.875
3.225 渐进式。
限速器动作速度
限速器动作速度(上行速度不一定要大于下行速度)0.5m/s 0.575m/s----0.8m/s
0.63m/s 0.72m/s----0.8m/s
0.75m/s 0.87m/s----1.13m/s
1.0m/s 1.15m/s----1.5m/s
1.5m/s 1.725m/s---
2.04m/s
1.75m/s
2.01m/s---2.33m/s
2.0m/s 2.30m/s---2.62m/s
2.5m/s 2.88m/s---
3.22m/s
机械动作速度
应大于等于轿厢额定速度的115%即1.15v(0.5m/s的是0.575),小于
A .0.8m/s--------------除了不可脱落滚柱式以外的瞬时式安全钳
B. 1.0m/s--------------不可脱落滚柱式瞬时式安全钳
C. 1.5m/s--------------电梯额定速度不超过1.0m/s的渐进式安全钳
D .1.25v+0.25/v---电梯额定速度超过1.0m/s的渐进式安全钳(v 为轿厢额定速度)。
注:额定载重大,额定速度低的电梯尽量接近上述规定的下限值1.15v
对于额定速度大于1m/s的电梯,建议选用接近D规定的动作速度
电气动作速度(迫使电梯曳引机停止运转的速度)
电梯额定速度不大于1m/s的电梯最迟在限速器达到动作速度时起作用(要小于等于于机械动作速度)也要大于等于轿厢额定速度的
115%。
限速器动作速度(上行速度不一定要大于下行速度)
0.5m/s
0.575m/s----
0.8m/s
0.63m/s
0.72m/s----
0.8m/s
0.75m/s
0.87m/s----
1.13m/s
1.0m/s
1.15m/s----
1.5m/s
1.5m/s
1.725m/s---
2.04m/s
1.75m/s
2.01m/s---
2.33m/s
2.0m/s
2.30m/s---
2.62m/s
2.5m/s
2.88m/s---
3.22m/s机械动作速度应大于等于轿厢额定速度的115%即1.15v(
0.5m/s的是
0.575),小于A .
0.8m/s--------------除了不可脱落滚柱式以外的瞬时式安全钳
B.
1.0m/s--------------不可脱落滚柱式瞬时式安全钳
C.
1.5m/s--------------电梯额定速度不超过
1.0m/s的渐进式安全钳
D.
1.25v+
0.25/v---电梯额定速度超过
1.0m/s的渐进式安全钳(v为轿厢额定速度)。
注:
额定载重大,额定速度低的电梯尽量接近上述规定的下限值
1.15v对于额定速度大于1m/s的电梯,建议选用接近D规定的动作速度电气动作速度(迫使电梯曳引机停止运转的速度)电梯额定速度不大于1m/s的电梯最迟在限速器达到动作速度时起作用(要小于等于于机械动作速度)也要大于等于轿厢额定速度的115%。