焊接项目代号说明
- 格式:doc
- 大小:21.00 KB
- 文档页数:1
常用焊接代号说明
焊工合格项目代号:GTAW – Fe I - 3G – 2 –Fefs - 02 / 11 /12 1
2
3
4
5
6
1、焊接方法代号:SMAW——焊条电弧焊
GATW——钨极气体保护焊
OFW——气焊
2、金属材料:FeⅠ——低碳钢(Q235/Q245R/20#/HP245/WCA)
FeⅡ——合金钢(Q295/L245/15MoG/16MnD)
FeⅢ——铬钼钢/马氏体钢(1Gr5Mo)
FeⅣ——奥氏体钢(06Cr19Ni10/CF8)
3、试件位置代号:板材/管材/管板角焊缝(详见下一页)
4、焊缝金属厚度:单独数字表示板材厚度,2/57表示焊缝厚度和管材外径。
5、填充金属碳钢焊条 Fef1——钛钙型 EXX03
碳钢焊条 Fef2——纤维素型 EXX10 EXX11
碳钢焊条 Fef3——钛型/钛钙型 EXXX(X)-16
碳钢焊条 Fef3J——低氢型/碱性 EXX15 EXX16
奥氏体钢焊条 Fef4——钛型/钛钙型 EXXX(X)-16
奥氏体钢焊条 Fef4J——碱性 EXXX(X)-15
6、焊接工艺因素代号:手工焊
钨极气体保护焊填充用金属丝:01—无、02—实芯、03—药芯
钨极气体保护焊背面保护气体:10—有、11—无
钨极气体保护焊电流类别及极性:12—直流正接、13—直流反接
14—交流
试件适用焊件焊缝和焊件位置。
焊工证代码标准焊工证代码标准是对焊工所持有的证书进行分类和编码,以便于统一管理和认证。
在我国,焊工证代码标准主要依据《焊工证编码规则》进行制定和实施。
以下是对焊工证代码标准的详细介绍。
一、焊工证代码结构焊工证代码分为两部分:项目代号和焊工证编号。
1. 项目代号:表示焊接项目类型,如GTAW(氩弧焊)、SMAW(手工电弧焊)、MMA(熔化极气体保护焊)等。
项目代号由四个部分组成,分别是:焊接方法、材料、焊接方式、焊接位置。
2. 焊工证编号:表示焊工证的唯一性,由地区代码、发证机构代码、证书编号组成。
二、项目代号解释1. 焊接方法:表示焊接过程中所使用的焊接技术,如GTAW(氩弧焊)、SMAW(手工电弧焊)、MMA(熔化极气体保护焊)等。
2. 材料:表示焊接对象的材料,如碳钢、不锈钢、铝等。
3. 焊接方式:表示焊接过程中焊工所操作的设备类型,如6G(管对焊,45夹角固定向上焊)、3/(3--管厚3mm,--管径)等。
4. 焊接位置:表示焊接试件的位置,如横焊、立焊、平焊等。
三、焊工证编号解释1. 地区代码:表示焊工所在地区的编码,如闽(福建)、粤(广东)等。
2. 发证机构代码:表示发放焊工证的发证机构编码,如A1、A2等。
3. 证书编号:表示焊工证的唯一编号,由数字和字母组成,如0001、0002等。
四、焊工证代码示例1. 项目代号:GTAW-FeIV-6G-3/-FefS-02/10/12解释:GTAW(氩弧焊)、FeIV(铁氧体4号材料)、6G(管对焊,45夹角固定向上焊)、3/(3--管厚3mm,--管径)。
2. 焊工证编号:闽A1-0001解释:福建地区发放的焊工证,发证机构代码为A1,证书编号为0001。
焊工证代码标准是对焊工证书的统一管理和认证,有助于保证焊工技能和安全生产。
通过对项目代号和焊工证编号的解释,可以了解焊工所具备的焊接能力和技术水平。
这有助于企业和个人在招聘、求职过程中,更加明确双方的需求和职责,提高焊接行业的整体水平。
一、代号:SMAW-II-1G-12-F3J SMAW-I-5G(K)5/60-F3JGTAW-II-6G-3/89-021、SMAW-焊接方法代号。
2、II—材料类别3、1G—试件型式4、12—试件厚度5、5/60—厚度/管外径6、F3J—焊条类型7、02—焊接要素二、焊接方法代号1、SMAW—焊条电弧焊2、OFW—气焊3、GTAW—钨极气体保护焊4、GMAW—熔化极气体保护焊5、SAW—埋弧焊6、ESW—电渣焊7、FRW—摩擦焊8、SW—螺柱焊三、材料类别1、钢号分类及代号I 碳素钢:Q195、Q215、Q235、10、15、20、25、20R、20g、20G、22g、HP245、HP265、L175、L210、S205。
II 低合金钢:HP295、HP325、HP345、HP365、L245、L290、L320、L360 L415、L450、L485、L555、S240、S290、S315、S360、S385、S415、S450、S480、12Mng、16Mn、16Mng、16MnR、15MnNIR15MnV、15MnVR、20MnMo、10MnWVNB、13MnnIMonBR20MnMonB、07MnCRMoVR 、12CrMo、12CrMoG、15CrMo15CrMor、15CrMoG、14Cr1Mo、14Cr1MoR12Cr1MoV、12Cr1MoVG、12Cr2Mo、12Cr2Mo1、12Cr2Mo1R12Cr2MoG、12Cr2MoWVTiB、12Cr3MoVSiTiB 09MnD09MnnID、09MnnIDR、16MnD、16MnDR、15MnNIDR20MnMoD、07MnnICrMoVDR、08MnnICrMoVD、10nI3MoVD III 马氏体不锈钢、铁素体不锈钢:1Cr5M o、0Cr13、1Cr13、1Cr17、1Cr9Mo1 IV奥氏体不锈钢:0Cr19Ni9、0Cr18Ni12Mo2Ti、0Cr23Ni13、0Cr18Ni9Ti00Cr17Ni14Mo2、0Cr25Ni20、0Cr18Ni11Ti0Cr18Ni12Mo3T i、00Cr18Ni5Mo3Si2、00Cr18Ni1000Cr19Ni13Mo3、1Cr19Ni9、00Cr19Ni110Cr19Ni13Mo3、1Cr19Ni11T i、1Cr23Ni18四、试件型式1、1G—板状对接平焊、管状对接水平转动:平2、2G—板状对接横焊、管状对接垂直固定:横平3、3G—板状对接立焊:立横平4、4G—板状对接仰焊:仰平横5、5G—管状对接固定向上焊:仰平立6、5GX—管状对接固定向下焊:仰平立向下仰45.7、6G—管状对接固定向上焊:仰平横立8、6GX—管状对接固定向下焊:仰平立向下横仰9、2FRG—管板角水平转动:平横10、2FG—管板角垂直固定平焊:平横2FG(K)-管板垂直固定平焊(带垫板)11、4FG—管板角垂直固定仰焊:平、横、仰12、5FG—管板角水平固定仰焊:平、横、立、仰4513、6FG—管板角固定:平、横、立、仰所有位置14、1S—螺柱焊:平焊15、2S—螺柱焊:横焊16—4S—螺柱焊:仰焊五、试件厚度1、对接焊缝<12 不限2×t、t不得小于12㎜,且焊缝不少于3层2、管材试件外径D 适用于管材焊件外径范围:<25 D 不限、25≤D<76 25 不限、≥76 76 不限、≥300(注管材向下焊试件)76 不限六、焊条类型1、F1—钛钙型:E××03 GB/T5117 GB/T5118 GB/T983(奥氏体、双相钢焊条除外)2、F2—纤维素型:E××10、E××11、E××10-X、E××11-X3、F3—钛型、钛钙型:E×××(×)-16、E×××(×)-174、F3J—低氢型、碱性:F3J E××15、E××16、E××18、E××48、E××15X、E××16XE××18X 、E××48X、E×××(×)-15、E×××(×)-16E×××(×)-175、F4—钛型、钛钙型:E×××(×)-16、E×××(×)-17 F4 GB/T983(奥氏体、双相钢焊条)6、F4J—碱性:E×××(×)-15、E×××(×)-16、E×××(×)-17七、焊接要素代号1、手工钨极气体保护填充金属焊丝:无01、实芯02、药芯032、机械化焊钨极气体保护自动稳压系统:有04、无053、自动跟踪系统:有06、无074、每面坡口内焊道:单道08、多道09GTAW-II-6G-3/89-02:代表氩弧焊水平固定管全位置焊接,试件为89低合金钢壁厚为3mm,填充焊丝为实心(单面焊双面成型)。
焊工考试项目代号说明
SMAW-Fe I-5G(K)-5/60-Fef3J
GMAW-FeⅡ-1G-8/159-FefS-11/15
①焊接方法代号(表A-1耐蚀堆焊加代号N与试件母材厚度)—②金属材料类别号(表A-2,试件为异种金属X/X)—③试件位置代号(A-4),带衬垫加K—④焊缝金属厚度(对于板材角焊缝为试件母材厚度)—⑤管外径—⑥填充金属类别号(A-3)⑦焊接工艺要素(A-5)
表A-2钢号分类及代号返回
件位置
注A-2:板材对接焊缝试件考试合格后,适用管材对接焊缝试件时,管外径应大于或等于76mm。
注A-3:板材角焊缝试件考试合格后,适用于管材角焊缝焊件时,管外径应大于或等于76mm。
表A-7手工焊对接焊缝试件适用与对接焊缝焊件焊缝金属厚度范围返回
表A-8 手工焊管材对接焊缝试件适用于对接焊缝焊件外径范围返回
注A-4:管材向下焊试件
表A-9手工焊管板角接头试件适用于管板角接头焊件范围
表A-3填充金属类别、示例与适用范围返回
表A-5焊接工艺要素与代号返回
SMAW-Fe II-1G-12-Fef3J SMAW-Fe I-5G(K)5/60-Fef3J GMAW-FeⅡ-1G-8/159-FefS-11/15 SMAW-FeⅡ-6G-5/57-Fef3J
SAW-1G(K)-07/09/19
焊机操作工操作技能考试项目标识方法
①焊接方法代号(表A-1耐蚀堆焊加代号N与试件母材厚度)
②试件位置代号(A-4),带衬垫加K
③焊接工艺要素(表A-5)
SAW-1G(K)-07/09/19。
焊工考试项目代号,应按每个焊工、每种焊接方法分别表示。
㈠手工焊焊工考试项目表示方法为:① - ② - ③ - ④ / ⑤ - ⑥ - ⑦其中:①焊接方法代号,见表1,耐蚀堆焊代号加:(N及试件母材厚度)。
②试件钢号分类代号,见表3,有色金属材料按相应标准规定的代号。
异种钢号用X / X表示③试件形式代号,见表4,带衬垫代号加:(K)。
④试件焊缝金属厚度。
⑤试件外径。
⑥焊条类别代号,见表2。
⑦焊接要素代号,见表5。
考试项目中不出现某项时,则不填。
㈡焊机操作工考试项目表示方法为:① - ② - ③,其中:①焊接方法代号,见表1,耐蚀堆焊代号加:(N及试件母材厚度)。
②试件形式代号,见表4,带衬垫代号加:(K)。
③焊接要素代号,见表5,存在两种以上要素时,用“ / ”分开。
考试项目中不出现该项时,则不填。
㈢项目代号应用举例如下:⑴厚度为12mm的16MnR钢板对接焊缝平焊试件带衬垫,使用J507焊条手工焊接,试件全焊透,项目代号:SMAW-Ⅱ-1G(K)-12-F3J。
⑵壁厚为8mm、外径为60 mm的20g钢管对接焊缝水平固定试件,背面不加衬垫,用手工钨极氩弧焊打底,填充金属为实芯焊丝,焊缝金属厚度为3mm然后采用J427焊条手工填满坡口,项目代号为:GTAW-Ⅰ-5G-3/60-02和SMAW-Ⅰ-5G(K)-5/60-F3J。
⑶板厚为10mm的16MnR钢板立焊试件无衬垫,采用半自动CO2气体保护焊,填充金属为药芯焊丝,试件全焊透。
项目代号:GMAW-Ⅱ-3G-10。
⑷管材对接焊缝无衬垫水平固定试件,壁厚为8mm,外径为70 mm,钢号为16Mn,采用自动熔化极气体保护焊,使用实芯焊丝,在自动跟踪条件下进行多道焊全焊透,项目代号:GMAW-5G-06/09。
⑸壁厚为10mm,外径为86 mm的16Mn钢管管材垂直固定试件上使用A312焊条手工堆焊,项目代号:SMAW(N10) -Ⅱ-2G-86-F4。
焊工证上的字母各暗示什么之巴公井开创作各焊工考委会应严格依照国质检办特〔〕86号通知要求的基本格式进行证书编号,即:1.基本格式2.代号含义(1) 证书项目代号:由两个字母和一个数字组成,特种设备类暗示为“TS6”。
(2) 作业种类代号:由一个字母暗示,焊接作业暗示为“J”。
(3) 地区代码:由三个字母暗示,即是首次发证部分所在地区的行政区划字母代码四、市属的焊考委,地区代码依照所在地市的地区代码,证书顺序号由市技术监督局统一排序,顺序号均从00001起始,顺序号后面加注焊考委代码自定。
指的是你所培训的焊接项目:比方说GMAW:熔化极气体呵护电弧焊(Gas Metal Arc Welding) SMAW:焊条电弧焊(Shielded Metal Arc Welding)焊工证上的各种符号各代表什么压力容器等特种设备方面的我国详见《特种设备焊工考试细则》,钢结构考试再下不清楚哪个尺度了!A6 焊工操纵考试项目代号焊工操纵考试项目代号,应按每个焊工、每种焊接方法分别暗示。
A6.1 焊工操纵考试项目暗示方法A 手工焊焊工操纵考试项目暗示方法手工焊焊工操纵考试项目暗示方法为(1)(2)(3)(4)/(5)(6)(7),其含义如下:(1)焊接方法代号,见表A1,耐蚀堆焊代号加(N与试件母材厚度);(2)试件金属资料分类代号,见表A2。
试件为异类别金属资料用X/X暗示;(3)试件形式代号,见表A4,带衬垫代号加(K);(4)试件焊缝金属厚度;(5)试件外径;(6)填充金属类别代号,见表A3;(7)焊接工艺要素代号,见表A5。
考试项目中不出现某项时,则不填。
举例说明:(1)厚度为14mm的16MnR钢板对接焊缝平焊试件带衬垫,使用J507焊条手工焊接,试件全焊透。
项目代号为SMAWFeⅡ1G(K)14F3J;欧洲的详见EN287-1GTAWII6G3/8902.代表氩弧焊水平管全位置焊接(单面焊双面成型)SMAWII6G(K)7/89F3.代表手把焊水平管全位置焊接(单面焊双面成型)smaw焊条电弧焊二类资料(X60、X70)水平固定位置下向焊纤维素焊条焊接焊工代码含义焊工证SMAWⅡ2FG12/57F3JSMAWII1G12F3J SMAWI5G(K)5/60F3J焊接方法代号—资料类别—试件型式—试件厚度—管外径—焊条类型※焊机操纵工代号仅有三项:方法、试件形式、焊接要素代号表1焊接方法代号焊接方法代号焊条电弧焊 SMAW气焊 OFW钨极气体呵护焊 GTAW熔化极气体呵护焊 GMAW埋弧焊 SAW电渣焊 ESW摩擦焊 FRW螺柱焊 SW表2钢号分类及代号类别代号典型钢号示例碳素钢 I Q195Q215Q235 1015202520R20g20G22g HP245HP265L175L210S205低合金钢 II HP295HP325HP345HP365 L245L290L320L360L415L450 L485L555S240S290S315S360S385S415S450S480 12Mng16Mn16Mng16MnR15MnNIR15MnV15MnVR20MnMo10MnWVNB13MnnIMonBR20MnMonB07MnCRMoVR12CrMo12CrMoG15CrMo15CrMor15CrMoG14Cr1Mo14Cr1MoR12Cr1MoV12Cr1MoVG12Cr2Mo12Cr2Mo112Cr2Mo1R12Cr2MoG12Cr2MoWVTiB12Cr3MoVSiTiB 09MnD09MnnID09MnnIDR16MnD16MnDR15MnNIDR20MnMoD07MnnICrMoVDR08MnnICrMoVD10nI3MoVD马氏体不锈钢、铁素体不锈钢 III 1Cr5Mo 0Cr13 1Cr131Cr17 1Cr9Mo1奥氏体不锈钢 IV 0Cr19Ni9 0Cr18Ni12Mo2Ti 0Cr23Ni130Cr18Ni9Ti 00Cr17Ni14Mo2 0Cr25Ni200Cr18Ni11Ti 0Cr18Ni12Mo3Ti 00Cr18Ni5Mo3Si200Cr18Ni10 00Cr19Ni13Mo3 1Cr19Ni900Cr19Ni11 0Cr19Ni13Mo3 1Cr19Ni11Ti1Cr23Ni18表3试件形式、位置代号适用于焊件位置试件形式试件位置代号板材与管径大于600㎜的管材板材与管径小于600㎜管材角焊缝位置管板角接头焊件位置板状对接焊缝试件平焊 1G 平平平横焊 2G 平、横平、横平、横立焊 3G 平、立平平、横、立仰焊 4G 平、仰平平、横、仰管状对接焊缝试件水平转动 1G 平平平垂直固定 2G 平、横平、横平、横水平固定向上焊 5G 平、立、仰平、立、仰平、立、仰向下焊 5GX 平、立向下、仰平、立向下、仰平、立向下、仰 45.固定向上焊 6G 平、横、立、仰平、横、立、仰平、横、立、仰向下焊 6GX 平、立向下、横、仰平、立向下、横、仰平、立向下、横、仰管板角接头试件水平转动 2FRG 平、横 2FG垂直固定平焊 2FG 平、横 2FRG、2FG垂直固定仰焊 4FG 平、横、仰 4FG、2FG水平固定 5FG 平、横、立、仰 5FG、2FRG、2FG45.固定 6FG 平、横、立、仰所有位置螺柱焊平焊 1S横焊 2S仰焊 4S表4手工焊对接焊缝试件适用与对接焊缝焊件焊缝金属厚度范围焊缝形式试件母材厚度适用与焊件焊缝金属厚度最小值最大值对接焊缝<12 不限2×t≥12 不限不限(注)注:t不得小于12㎜,且焊缝很多于3层表5 手工焊管材对接焊缝试件适用于对接焊缝焊件外径范围管材试件外径D 适用于管材焊件外径范围最小值最大值<25 D 不限25≤D<76 25 不限≥76 76 不限≥300(注) 76 不限注:管材向下焊试件表51手工焊管板角接头试件适用于管板角接头焊件范围管板角接头试件管外径D 适用于焊件范围管外径管壁厚度焊缝金属厚度范围最小值最大值不限最小值最大值<25 D 不限不限当S0≤12时,2t;当S0≥12时(注),不限25≤D<76 25≥76 76注:当S0≥12时,t应不小于12㎜,且焊缝不得少于3层 S0为管板厚度表6焊条类、别代号及适用范围焊条类别焊条类别代号相应型号适用焊件的焊条范围相应尺度钛钙型F1 E××03 F1 GB/T5117GB/T5118GB/T983(奥氏体、双相钢焊条除外)纤维素型F2 E××10、E××11E××10X、E××11X F1、F2钛型、钛钙型F3 E×××(×)16E×××(×)17 F1、F3低氢型、碱性F3J E××15、E××16E××18、E××48E××15X、E××16XE××18X 、E××48XE×××(×)15E×××(×)16E×××(×)17 F1、F3、F3J钛型、钛钙型F4 E×××(×)16E×××(×)17 F4 GB/T983(奥氏体、双相钢焊条)碱性F4J E×××(×)15E×××(×)16E×××(×)17 F4、F4J表7焊接要素代号焊接要素要素代号手工钨极气体呵护填充金属焊丝无 01实芯 02药芯 03机械化焊钨极气体呵护自动稳压系统有 04无 05自动跟踪系统有 06无 07每面坡口内焊道单道 08多道 09焊工项目SMAWI2FG(K)12/51F1是什么意思?焊工项目SMAWI5G3.5/51F1是什么意思?SMAW焊条电弧焊I碳素钢2FG(K)管板垂直固定平焊(带垫板)12/51管子的直径/板的厚度F1钛钙型焊条Exx035G焊接项目:SMAWI1G12F1,各个部分的暗示含义?SMAW :暗示焊条手工电弧焊;I:暗示母材为第一组,即碳素钢1G:暗示板材对接焊缝试件水平焊接位置或管材对接焊缝试件水平转动位置;12:暗示考核试板厚度是12mm;F1:暗示使用钛钙型药皮电焊条。
锅炉压力容器压力管道焊工证(特种设备作业人员证)项目代号含义焊工考试项目代号,应按每个焊工、每种焊接方法分别表示。
(一)手工焊焊工考试项目表示方法为:①一②一③一④一⑤一⑥一⑦,其中:①表示焊接方法代号,见表1,耐蚀堆焊代号加:(N及试件母材厚度)。
②表示试件钢号分类代号,见表2,有色金属材料按相应标准规定的代号。
异种钢号用X/X表示。
③表示试件形式代号,见表3,带衬垫代号加:(K)。
④试件焊缝金属厚度。
⑤试件外径。
⑥焊条类别代号,见表4。
⑦焊接要素代号,见表5。
考试项目中不出现某项时,则不填。
表1 焊接方法及代号表2试件钢号分类及代号表(二)焊机操作工考试项目表示方法为:①一②一③,其中:①焊接方法代号,见表1,耐蚀堆焊代号加:(N及试件母材厚度)。
②试件形式代号,见表3,带衬垫代号加(K)。
③焊接要素代号,见表5,存在两种以上要素时,用“/”分开。
考试项目中不出现该项时,则不填。
(三)项目代号应用举例如下:(1)厚度为12mm的16MnR钢板对接焊缝平焊试件带衬垫,使用J507焊条手工焊接,试件全焊透,项目代号:SMAW-Ⅱ-lG(K)-12-F3J。
(2)壁厚为8mm、外径为60mm的20g钢管对接焊缝水平固定试件,背面不加衬垫,用手工钨极氩弧焊打底,填充金属为实芯焊丝,焊缝金属厚度为3mm,然后采用J427焊条手工焊填满坡口,项目代号为:GTAW-Ⅰ-5G-3/60—02和SMAW一Ⅰ一5G(K)一5/60一F3J。
(3)板厚为10mm的16MnR钢板立焊试件无衬垫,采用半自动C02气体保护焊,填充金属为药芯焊丝,试件全焊透。
项目代号:GNAW一Ⅱ一3G一10。
(4)管材对接焊缝无衬垫水平固定试件,壁厚为8mm,外径为70mm,钢号为16Mn,采用自动熔化极气体保护焊,使用实芯焊丝,在自动跟踪条件下进行多道焊全焊透,项目代号:GMAW一5G一06/09。
(5)在壁厚为10mm、外径为86mm的16Mn钢制管材垂直固定试件上使用A312焊条手工堆焊,项目代号:SMAW(N10)-Ⅱ-2G-86-F4。
焊工考试项目代号,应按每个焊工、每种焊接方法分别表示。
㈠手工焊焊工考试项目表示方法为:①- ②- ③- ④/ ⑤- ⑥- ⑦其中:①焊接方法代号,见表1,耐蚀堆焊代号加:(N及试件母材厚度)。
②试件钢号分类代号,见表3,有色金属材料按相应标准规定的代号。
异种钢号用X / X表示③试件形式代号,见表4,带衬垫代号加:(K)。
④试件焊缝金属厚度。
⑤试件外径。
⑥焊条类别代号,见表2。
⑦焊接要素代号,见表5。
考试项目中不出现某项时,则不填。
㈡焊机操作工考试项目表示方法为:①- ②- ③,其中:①焊接方法代号,见表1,耐蚀堆焊代号加:(N及试件母材厚度)。
②试件形式代号,见表4,带衬垫代号加:(K)。
③焊接要素代号,见表5,存在两种以上要素时,用“/ ”分开。
考试项目中不出现该项时,则不填。
㈢项目代号应用举例如下:⑴厚度为12mm的16MnR钢板对接焊缝平焊试件带衬垫,使用J507焊条手工焊接,试件全焊透,项目代号:SMAW-Ⅱ-1G(K)-12-F3J。
⑵壁厚为8mm、外径为60 mm的20g钢管对接焊缝水平固定试件,背面不加衬垫,用手工钨极氩弧焊打底,填充金属为实芯焊丝,焊缝金属厚度为3mm然后采用J427焊条手工填满坡口,项目代号为:GTAW-Ⅰ-5G-3/60-02和SMAW-Ⅰ-5G(K)-5/60-F3J。
⑶板厚为10mm的16MnR钢板立焊试件无衬垫,采用半自动CO2气体保护焊,填充金属为药芯焊丝,试件全焊透。
项目代号:GMAW-Ⅱ-3G-10。
⑷管材对接焊缝无衬垫水平固定试件,壁厚为8mm,外径为70 mm,钢号为16Mn,采用自动熔化极气体保护焊,使用实芯焊丝,在自动跟踪条件下进行多道焊全焊透,项目代号:GMAW-5G-06/09。
⑸壁厚为10mm,外径为86 mm的16Mn钢管管材垂直固定试件上使用A312焊条手工堆焊,项目代号:SMAW(N10) -Ⅱ-2G-86-F4。
⑹管板角接头无衬垫水平固定试件,管材厚度为3mm外径为25mm,材质为20号钢,板材厚度为8mm,材质为16MnR,采用手工钨极氩弧焊打底不加填充焊丝,焊缝金属厚度为2mm,然后采用自动钨极氩弧焊药芯焊丝多道焊,填满坡口,焊机无稳压系统,无自动跟踪系统,项目代号为:GTAW-Ⅰ/Ⅱ-5FG-2/25-01和GTAW-5FG(K)05/07/09。
特种设备焊工项目考试合格项目代号编制方法及其适用范围A9 焊工操作技能考试项目代号焊工操作技能考试项目代号,应按每个焊工、每种焊接方法分别表示。
A9。
1 焊工操作技能考试项目表示方法A9。
1。
1 手工焊焊工操作技能考试项目表示方法A9。
1.1。
1 手工焊焊工操作技能考试项目表示为○,1-错误!-错误!-错误!/错误!-错误!—错误!,其含义如下:错误!焊接方法代号,见表A—1,耐蚀堆焊加代号:(N及试件母材厚度);表A—1 焊接方法及其代号表A-2 金属材料类别及示例错误!试件位置代号,见表A-4,带衬垫加代号:(K);表A—4 试件类别、位置及代号续表错误!焊缝金属厚度(对于板材角焊缝试件为试件厚度T); 错误!外径;○6填充金属类别代号,见表A—3;表A-3 填充金属类别、示例及适用范围○7焊接工艺要素代号,见表A-5。
表A—5 焊接工艺因素及代号A9。
1。
1.2 操作技能考试项目中不出现某项时,则不填。
A9.1.2 焊机操作工操作技能考试项目表示方法A9.1.2.1 焊机操作工操作技能考试项目表示为错误!—错误!-错误!,其含义如下:错误!焊接方法代号,见表A-1,耐蚀堆焊加代号:(N与试件母材厚度);错误!试件位置代号,见表A-4,带衬垫加代号:(K);错误!焊接工艺要素代号,见表A-5。
A9。
1.2。
2 操作技能考试项目中不出现某项时,则不填.A9.2 项目代号应用举例(1)厚度为14mm的Q345R钢板对接焊缝平焊试件带衬垫,使用J507焊条手工焊接,试件全焊透。
项目代号为SMAW—FeⅡ-1G(K)—14-Fef3J;(2)壁厚为8mm、外径为60mm的Q245R钢管对接焊缝水平固定试件,背面不加衬垫,用手工钨极氩弧焊打底,背面没有保护气体,填充金属为实芯焊丝,采用直流电源,反接施焊,焊缝金属厚度为3mm。
然后采用J427焊条手工焊填满坡口。
项目代号为GTAW-FeⅠ—5G-3/60- FefS—02/11/13和SMAW-FeⅠ—5G(K)-5/60- Fef3J;(3)板厚为10mm的Q345R钢板对接焊缝立焊试件无衬垫,采用半自动BO2气体保护焊,填充金属为药芯焊丝,背面无气体保护,采用喷射弧施焊,试件全焊透。
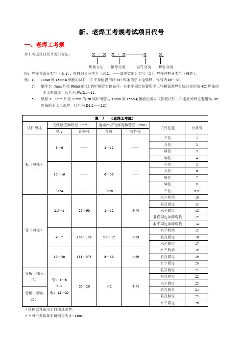
新、老焊工考规考试项目代号一、老焊工考规焊工考试项目代号表示方法:X / X X / X————―X X焊接方法钢号分类试件分类焊材分类即:焊接方法分类号(表1)、母材钢号分类号(表2)——试件类别分类号(3)、焊接材料分类号(碱性)。
例:1)12mm厚16MnR钢板对试件,在平焊位置用结507焊条的手工电弧焊,代号为D2—5J。
2)壁厚3.5mm外径60mm的20锅炉钢管对接试件,在水平固定位置用手工钨极氩弧焊打底其余用结422焊条的手工电弧焊,代号为Ws/D1—12。
3)壁厚3.5mm外径57mm的20锅炉钢管与12mm厚16Mng钢板的插入式管板试件,在垂直俯焊位置用结507焊条的手工电弧焊,代号为D1/2——21J。
*这种试件适用于自动埋弧焊。
**对于奥氏体不锈钢可为8~16mm。
注:焊工合格项目允许施焊的板厚或管外径查表3施焊产品的厚度和管径。
二、新焊工考规1、手工焊焊工考试项目代号表示方法为:①—②—③—④/⑤—⑥—⑦,其中:①焊接方法代号(见表1),耐蚀堆焊加:(N及试件母材厚度)。
②试件钢号分类代号(见表3),有色金属材料按相应标准规定的代号。
异种钢号用X/X表示。
③试件形式代号(见表4),带衬垫代号加:(K)。
④试件焊缝金属厚度。
⑤试件外径。
⑥焊条类别代号(见表2)。
⑦焊接要素代号(见表5)。
考试中不出现某项时,则不填。
2、焊机操作工考试项目代号表示方法为:①—②—③,其中:①焊接方法代号(见表1),耐蚀堆焊加:(N及试件母材厚度)。
②试件形式代号(见表4),带衬垫代号加:(K)。
③焊接要素代号(见表5),存在两中以上要素时,用“/”分开。
考试中不出现该项时,则不填。
3、项目代号举例:1)厚度为12mm的16MnR钢板对接焊缝平焊试件带衬垫,使用结507焊条手工焊,试件全焊透,项目代号为:SMAW—Ⅱ—1G(K)—12—F3J。
2)厚为8mm、外径为60mm的20g钢管对接焊缝水平固定试件,背面不加衬垫,用手工钨极氩弧焊打底,填充金属为实芯焊丝,焊缝金属厚度为3mm,然后采用结422焊条手工填满坡口,项目代号为:GTAW—Ⅰ—5G—3/60—02 和SMAW—Ⅰ—5G(K)—5/60—F3J。
焊接方法、机动化程度与代号
焊接方法与代号见表B-1、机动化程度与代号见表B-2;热熔对接法分为机动焊和自动焊,电熔连接法则全为自动焊;
表B-2 机动化程度代号
表B-3 试件类别与代号
如BW-J-d是指热熔机动对接焊接,110≤dn≤250mm规格聚乙烯管材、管件;
如BW-J-D是指热熔机动对接焊接,dn≥315mm规格聚乙烯管材、管件;
如BW-J-S是指热熔机动角焊接,使用截取的管材段进行角焊接的方式焊制三通;
如EW-Z-C是指电熔自动连接,连接方式为承插式,如电熔套筒、电熔三通焊接;
如EW-Z-A是指电熔自动连接,连接方式为鞍型式,如电熔鞍型旁通、电熔鞍型直通焊接;
培训费用包括:基础知识和专业技能理论培训资料和培训辅导费用、理论考试费用、实际焊接操作练习和考试费用、作业证书办理费用等价格如下:
注:学员可根据自身实际需要选择报考相应的作业种类;
培训考试期间,乙方可为学员提供中餐,费用10元/人/天,与培训费一起支付。
焊接方法代号范文1.SMAW(手工电弧焊接)SMAW(Shielded Metal Arc Welding),也称为手工电弧焊接。
该方法使用熔化电极进行焊接,电弧通过电极和工件之间的间隙产生,并使电极和工件熔化,形成焊缝。
SMAW通常用于大工件的焊接,包括钢结构、船舶、桥梁等。
2.GMAW(气体金属电弧焊接)GMAW(Gas Metal Arc Welding),也称为气体金属电弧焊接。
该方法使用熔化金属电极进行焊接,电弧在熔化电极和工件之间形成,并使电极和工件熔化,形成焊缝。
GMAW通常用于焊接钢、铝、镍等金属材料。
3.GTAW(氩弧焊接)GTAW(Gas Tungsten Arc Welding),也称为氩弧焊接。
该方法使用不熔化的钨电极进行焊接,通过电弧在钨电极和工件之间形成,使用氩气或其他惰性气体作为保护气体。
GTAW适用于焊接不锈钢、合金材料和高纯度金属材料。
4.FCAW(通用焊丝焊接)FCAW(Flux-Cored Arc Welding),也称为通用焊丝焊接。
该方法使用带有焊剂的焊丝进行焊接,焊丝中的焊剂在熔化时释放出气体和化学物质,用于保护电弧和焊缝。
FCAW可以在室外和风场环境中进行焊接,适用于焊接钢、铁和铝等材料。
5.SAW(埋弧焊接)SAW(Submerged Arc Welding),也称为埋弧焊接。
该方法使用熔化焊丝和焊剂进行焊接,焊缝在埋在焊剂下面,保护焊缝不受外界气体和杂质的影响。
SAW适用于厚板和大工件的焊接,特别是用于制造船舶、压力容器和核反应堆。
6.ESW(电渣焊接)ESW(Electroslag Welding),也称为电渣焊接。
该方法使用电流通过熔化焊剂和工件之间的电渣来形成焊缝。
ESW适用于焊接厚板,特别是钢板和合金材料。
7.PAW(等离子弧焊接)PAW(Plasma Arc Welding),也称为等离子弧焊接。
该方法使用电弧在钨电极和工件之间形成,通过喷射等离子气体在电弧和焊缝之间形成高温等离子体。
手工焊焊项目代号表示为①-②-③-④/⑤-⑥-⑦①—焊接方法代号,见表A-1,耐蚀堆焊加代号;(N与试件母材厚度);SMAW(焊条电弧焊)、GTAW氩弧焊(钨极气体保护焊)、GMAW(熔化极气体保护焊)、FCAW(药芯焊丝电弧焊、(75%氩气+25%CO2)二氧化碳气体保护焊)、SAW(埋弧焊)②—金属材料类别代号,见表A-2。
试件为异类别金属材料用“X/X”表示;碳素钢:由Q+数字+质量等级符号+脱氧方法符号组成。
单位是MPa例如Q235表示屈服点(σs)为235 MPa的碳素结构钢。
FeⅠ:低碳钢,Q235 Q245R 20 25 Q195-Q275FeⅡ:低合金钢(韧性高于碳素钢),Q295-Q460优质碳素结构钢(硫、磷含量较低)08F 10F 15F 08 10、15~85 15Mn~20~70Mn 12CrMo L245~L555FeⅢ:Cr≥5%铬钼钢、铁素体钢、马氏体钢,12Cr13FeⅣ:奥氏体不锈钢、奥氏体与铁素体双相钢,06Cr19Ni10NiⅠ(纯镍)、镍铜合金 NiⅡ、镍铬铁合金、镍铬钼合金 NiⅢ、镍钼铁合金 Ni Ⅳ、镍铁铬合金 NiⅤTiⅠ(强度纯钛、钛钯合金)、高强纯钛、钛钼镍合金TiⅡ除FeⅣ类以外,FeⅢ可以焊接类别较低钢号FeⅡ、FeⅠ。
③—试件位置代号,见表A-4,带衬垫加代号;(K);板材对接焊缝试件:平焊1G 横焊2G 立焊3G 仰焊4G板材角焊缝试件:平焊1F 横焊 2F 立焊 3F 仰焊4F管材对接焊缝试件:水平转动试件 1G(转动)垂直固定试件 2G水平固定试件向上焊 5G、向下焊 5GX (X:下)45°固定试件向上焊 6G、向下焊 6GX不要求焊透的对接焊缝和管板角接头均视为带衬垫④—焊缝金属厚度(对于板材角焊缝试件为试件母材厚度T);试件焊缝金属厚度t<12mm,适用于焊件焊缝金属厚度最大值2t。
试件焊缝金属厚度t≥12mm,适用于焊件焊缝金属厚度最大值不限(t不得小于12mm,且焊缝不得少于 3 层)。
焊接常用代号及焊接重点要求焊接常用代号及焊接重点要求郑岩编辑第一部分:焊接常用代号一、焊接类型字头AW(arc welding):电弧焊;TIG:钨极氩弧焊;SMAW(shielded metal arc welding):焊条电弧焊;Ws:全氩弧焊接;GTAW+SMAW:为手工钨极氩弧焊打底+手工电弧焊盖面;GTAW(gas tungsten arc welding):钨极气体保护电弧焊(实芯或药芯焊丝);Ws+Ds:氩弧打底+电弧盖面;FCAW:(flux cored arc welding):药芯焊丝电弧焊;ESW:(electroslag welding)电渣焊;FCW-G:(gas-shielded flux cored arc welding):气体保护药芯焊丝电弧焊;FCAW:药芯焊丝CO2保护焊;SAW:(submerged arc welding):埋弧焊;GMAW:CO2半自动焊;MIG:熔化极半自动惰性气体保护焊;OAW(oxy-acetylene welding)氧乙炔焊;FW:(flash welding)闪光焊;EGW:气体立焊;FRW:(friction welding)摩擦焊;LBW:(laser beam welding)激光焊;EXW(explosion welding)爆炸焊。
二、焊接方法代号(GB5185)1 电弧焊:11无气体保护电弧焊;111手弧焊;112重力焊;113光焊丝电弧焊;114药芯焊丝电弧焊;115涂层焊丝电弧焊;116熔化极电弧电焊;118躺焊。
12 埋弧焊:121丝极埋弧焊;122带极埋弧焊。
13 熔化极气体保护电弧焊:131:MIG焊,熔化极惰性气体保护电弧焊(含熔化极Ar弧焊);135:MAG焊,熔化极非惰性气体保护电弧焊(含CO2保护焊);136非惰性气体保护药芯焊丝电弧焊;137非惰性气体保护熔化极电弧点焊。
14 熔化极非惰性气体保护电弧焊:141:TIG 焊:钨极惰性气体保护电弧焊(含钨极Ar弧焊);142:TIG点焊;149原子氢焊。
焊工证批准项目代号含义项目代号依次代表:焊接方法代号—材料类别—试件型式—试件厚度—管外径—焊条类型焊工代号包括三项:焊接方法、试件形式、焊接要素代号表1为焊接方法代号焊接方法代号包括:焊条电弧焊SMAW气焊OFW钨极气体保护焊(氩弧焊) GTAW熔化极气体保护焊GMAW埋弧焊SAW电渣焊ESW摩擦焊FRW螺柱焊SW表2为钢号分类及代号类别-代号-钢号示例包括:碳素钢I包括Q195、Q215、Q235 10、15、20、25、20R、20g、20G、22g HP245、HP265、L175、L210、S205低合金钢II包括HP295、HP325、HP345、HP365 L245、L290、L320、L360、L415、L450、L485、L555、S240、S290、S315、S360、S385、S415、S450、S480 12Mng、16Mn、16Mng、16MnR、15MnNIR、15MnV、15MnVR、20MnMo、10MnWVNB、13MnnIMonBR、20MnMonB、07MnCRMoVR 12CrMo、12CrMoG、15CrMo、15CrMor15CrMoG、14Cr1Mo、14Cr1MoR、12Cr1MoV、12Cr1MoVG、12Cr2Mo、12Cr2Mo1、12Cr2Mo1R、12Cr2MoG、12Cr2MoWVTiB、09MnnID、12Cr3MoVSiTiB 09MnD、09MnnIDR、16MnD、16MnDR、15MnNIDR、20MnMoD、07MnnICrMoVDR、08MnnICrMoVD、10nI3MoVD马氏体不锈钢、铁素体不锈钢III包括1Cr5Mo、0Cr13、1Cr13、1Cr17、1Cr9Mo1奥氏体不锈钢IV包括0Cr19Ni9、0Cr18Ni12Mo2Ti 、0Cr23Ni13、0Cr18Ni9Ti、00Cr17Ni14Mo2、0Cr25Ni20、0Cr18Ni11Ti、0Cr18Ni12Mo3Ti、00Cr18Ni5Mo3Si2、00Cr18Ni10、00Cr19Ni13Mo3、1Cr19Ni9、00Cr19Ni11、0Cr19Ni13Mo3、1Cr19Ni11Ti、1Cr23Ni18表3为试件形式、位置代号试件形式-试件位置代号-板材与管径大于600mm的管材、板材与管径小于600mm的管材-角焊缝位置-管板角接头-焊件位置板状对接焊缝试件平焊1G 平平平横焊2G 平、横平、横平、横立焊3G 平、立平平、横、立仰焊4G 平、仰平平、横、仰管状对接焊缝试件水平转动1G 平平平垂直固定2G 平、横平、横平、横、水平固定向上焊5G 平、立、仰平、立、仰平、立、仰向下焊5GX 平、立向下、仰平、立向下、仰平、立向下、仰45°固定向上焊6G 平、横、立、仰平、横、立、仰平、横、立、仰向下焊6GX 平、立向下、横、仰平、立向下、横、仰平、立向下、横、仰管板角接头试件水平转动2FRG 平、横2FG垂直固定平焊2FG 平、横2FRG、2FG垂直固定仰焊4FG 平、横、仰4FG、2FG水平固定5FG 平、横、立、仰5FG、2FRG、2FG45°固定6FG 平、横、立、仰所有位置螺柱焊平焊1S横焊2S仰焊4S表4为手工焊对接焊缝试件焊缝形式试件母材厚度t不得小于12mm,且焊缝不少于3层表5 手工焊管材对接焊缝试件表5-1手工焊管板角接头试件当S0≥12时,t应不小于12mm,且焊缝不得少于3层,S0为管板厚度。
B4.2.1 焊接方法、机动化程度与代号
焊接方法与代号见表B-1、机动化程度与代号见表B-2。
热熔对接法分为机动焊和自动焊,电熔连接法则全为自动焊。
表B-2 机动化程度代号
表B-3 试件类别与代号
如BW-J-d是指热熔机动对接焊接,110≤dn≤250mm规格聚乙烯管材、管件;
如BW-J-D是指热熔机动对接焊接,dn≥315mm规格聚乙烯管材、管件;
如BW-J-S是指热熔机动角焊接,使用截取的管材段进行角焊接的方式焊制三通;
如EW-Z-C是指电熔自动连接,连接方式为承插式,如电熔套筒、电熔三通焊接;
如EW-Z-A是指电熔自动连接,连接方式为鞍型式,如电熔鞍型旁通、电熔鞍型直通焊接;
培训费用(包括:基础知识和专业技能理论培训资料和培训辅导费用、理论考试费用、实际焊接操作练习和考试费用、作业证书办理费用等)价格如下:
注:学员可根据自身实际需要选择报考相应的作业种类。
培训考试期间,乙方可为学员提供中餐,费用10元/人/天,与培训费一起支付。