无缝线路设计
- 格式:docx
- 大小:370.57 KB
- 文档页数:12
超长无缝线路设计超长无缝线路不论是在新线或在运营线结合大修铺设,其线路平纵面设计与普通无缝线路设计一样。
超长无缝线路与普通无缝线路不同的是轨条贯通整个区间或区段,其长轨条不可能一次铺成,为此将长轨条分成若干个单元轨条,然后分次焊接联铺入。
一般单元轨条含有胶接接头时,要把胶接接头设置在离单元轨条端200m外。
单元轨条长度多长为合理,需要进行设计。
此外还包括单元轨条的锁定轨温、轨条位移观测桩的设置、道岔区温度纵向力分布、轨道稳定和强度检算等内容。
1、单元轨条长度设计。
超长无缝线路长轨条长度的设计,与普通无缝线路不同,超长无缝线路长轨条的设计是一次铺入长度的设计,即单元铺设长度的设计。
单元轨条长度的合理定量,就是单元铺设长度设计的主要内容。
超长无缝线路单元轨条长度的设计,受施工天窗长短、线路平面条件、铺设技术、铺设方法、焊接技术、轨温变化状态、施工组织、人员素质等诸多因素的制约,同时要考虑到各路局的具体情况和铺设现场存在的问题来确定。
按目前现有的技术能力应以2~2.5km为基数,争取2.5~3.0km。
2.锁定轨温和单元轨条之间焊连温度的选择。
超长无缝线路设计锁定轨温的确定与普通无缝线路的设计方法和原理是一致的,一根轨条同一个设计中和轨温。
但超长无缝线路是由在不同时间铺设的各单元轨条焊连成的,如何保证其全长内温度力均匀是一个关键。
普通无缝线路考虑到铺设实际情况,一般铺设时锁定轨温容许有±5℃变化范围,如果强度和稳定得到保证,在特殊情况可适当放宽到±8℃,但这并不意味着一根轨条的锁定轨温可有这一范围变化。
因此超长无缝线路在各个单元轨条焊接时,从焊接时间上最好选择在设计中和轨温时间,且两相邻单元之间的锁定轨温差小于±5℃内来进行,并在焊接前后采用拉轨机将轨条应力调整均匀。
其最终焊接必须选择在靠近中和轨温的温度下进行,并做好局部应力放散。
3、爬行观测桩和标定轨长的设置。
通过爬行观测桩和标定轨长的观察与换算,分析研究锁定轨温有无变化,钢轨纵向力的分布是否均衡,对超长无缝线路来说是十分重要的。
路基上普通无缝线路设计一、设计目的和意义中和轨温确定是无缝线路设计的关键问题,涉及《铁路轨道》这门课的主要理论。
本设计目的是通过实际设计,对无缝线路设计的主要原理、方法及步骤有更清楚的了解,更深入地掌握《铁路轨道》的基本理论与其实际应用(尤其是强度计算和温度力计算理论)。
在普通线路上,钢轨接头是轨道的薄弱环节之一,由于钢轨接头的存在,列车通过时发生震动和冲击,并伴随有击打噪声,所产生的冲击荷载最大可达非接头区3倍以上。
接头冲击力影响行车的平稳和旅客的舒适,并促使道床破坏、线路状态恶化、钢轨及联接零件的使用寿命缩短、养护维修费用增加。
线路接头区养护维修占总经费的1/3以上;钢轨因轨端损坏而抽换的数量较其他地方大2~3倍;重伤钢轨60%发生在接头区。
无缝线路由于消灭了大量的钢轨接头,因而具有行车平稳、旅客乘坐舒适、机车车辆和轨道的维修费用少、使用寿命长等一系列优点。
大量的研究资料表明,从节约劳动力和延长设备寿命方面计算,无缝线路比普通有缝线路可节约养护维修费用35%~75%。
二、 设计理论依据普通无缝线路设计,主要指区间内的无缝线路设计,其主要内容为确定设计锁定轨温和无缝线路结构设计两部分。
2.1确定设计锁定轨温由于长轨条在锁定施工过程中轨温是不断变化的,因而锁定轨温应该是一个范围,通常为设计锁定轨温±5摄氏度,困难条件下取±3摄氏度。
锁定轨温(sf T )设计计算原则为“夏天不涨轨,冬天不断轨”,所以sf T 应根据当地的轨温条件和轨道允许的升温幅度和降温幅度来确定。
如下图所示:中和轨温:[][]max min 22s c e k t t t t t t ∆-∆+=+±∆1)根据强度条件确定允许的降温幅度无缝线路应该具有足够的强度,以保证在动弯盈利、温度应力及其他附加应力共同作用下不被破坏,能够正常工作。
因此,要求钢轨承受的各种应力总和不超过规定的容许值[σ],即[]σσσσ≤++c t d式中 d σ——钢轨最大动弯力,(MPa );t σ——钢轨温度应力,(MPa ); c σ——钢轨承受的附加应力,(MPa )如桥上的伸缩应力和挠曲应力、无缝道岔基本轨附加应力、列车制动等引起的附加应力等;本设计只考虑路基上由制动引起的附加应力,可取MPa c 10=σ;[]σ——钢轨允许应力,它等于刚轨的屈服强度sσ除以安全系数K ,[]Ks σσ=。
铁路桥梁桥上普通线路改无缝线路的设计随着我国铁路运输业的不断发展,无缝线路在铁路桥梁上的应用也越来越普遍。
随着无缝线路的改造,在桥梁上的应用也越来越成熟。
本文将就铁路桥梁桥上普通线路改无缝线路的设计进行解析。
一、问题背景在我国,铁路运输始终是公路运输不能替代的重要交通方式之一。
在传统铁路系统中,普通线路是目前应用广泛的一种铁路系统,但是在运行过程中出现的“咔嚓声”和振动等问题常常会影响旅客的出行体验。
随着科技的不断进步,无缝线路逐渐成为了运行更加平稳,安全性更加优异的一种铁路系统。
然而,与普通线路不同,无缝线路在铁路桥梁上的应用在设计上存在一些问题。
对于桥梁结构来说,首先需要安排无缝线路所需的连续轨道长度、轨区间铺设基本规则以及连接方式等问题。
然后需要注意桥梁的负荷等级和跨径尺寸,以确保桥梁能够承受无缝线路的重量和运行时的震动。
同时,还需要考虑无缝线路与桥梁接触面的要求及安全要求等。
因此,设计桥上无缝线路需要很高的技术水平和经验。
二、无缝线路的基本特点无缝线路的最大特点是采用“长轨铺设法”进行铺设,大大减少了接头的数量。
同时,无缝线路中的轨道不仅质量更优,强度更高,还具有更高的端部扭曲刚度和传感性,这意味着无缝线路的稳定性和密封性都大幅提升。
此外,零部件的质量和装配方式也得到了优化,在运行中能够维持更好的状态。
三、桥上无缝线路的设计流程1. 轨道连续长度设计根据铁路桥梁结构的不同变化,确定无缝线路的长度,以确保它们能够在桥梁上铺设。
使用该方法可以最大化减少由于连接不良或变形而引起的噪音和振动等问题。
2. 公路桥模型制作总模型以检查无缝线路的连接和桥梁支座的安装。
3. 连接式无缝线路设计设计完桥梁支座后,可以设计出一种格式,可以将无缝线路与桥梁链接起来。
4. 轨道铺设方向铺设时,应安排轨道的方向和位置,充分考虑无缝连接。
5. 跨径尺寸和负荷等级对于不同跨径和负荷等级的桥梁,也需要进行相应的设计和计算,以确保无缝线路不会对桥梁结构产生负面影响。
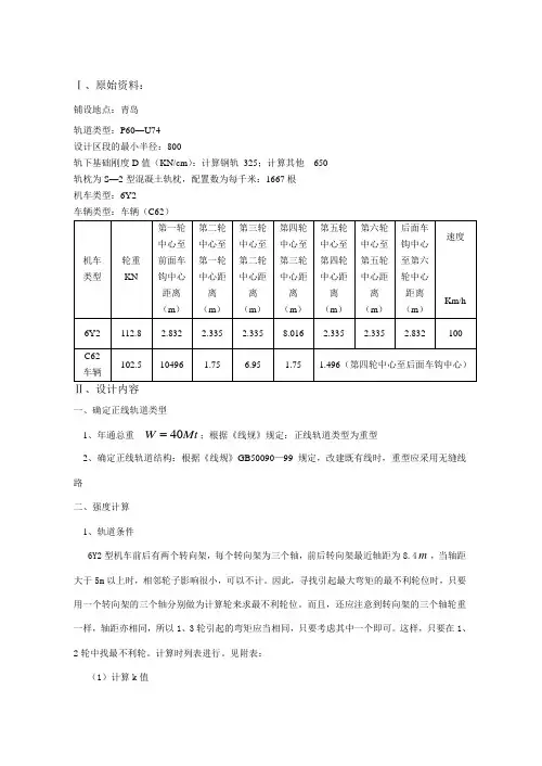
Ⅰ、原始资料:铺设地点:青岛 轨道类型:P60—U74 设计区段的最小半径:800轨下基础刚度D 值(KN/cm ):计算钢轨 325;计算其他 650 轨枕为S —2型混凝土轨枕,配置数为每千米:1667根 机车类型:6Y2 车辆类型:车辆(C62)机车 类型轮重KN第一轮中心至前面车钩中心距离(m )第二轮中心至第一轮中心距离 (m ) 第三轮中心至第二轮中心距离 (m ) 第四轮中心至第三轮中心距离 (m ) 第五轮中心至第四轮中心距离 (m ) 第六轮中心至第五轮中心距离 (m ) 后面车钩中心至第六轮中心距离(m ) 速度 Km/h 6Y2 112.8 2.832 2.335 2.335 8.016 2.3352.3352.832100C62 车辆102.5104961.756.951.751.496(第四轮中心至后面车钩中心)Ⅱ、设计内容一、确定正线轨道类型1、年通总重 Mt W 40 ;根据《线规》规定:正线轨道类型为重型2、确定正线轨道结构:根据《线规》GB50090—99规定,改建既有线时,重型应采用无缝线路二、强度计算 1、轨道条件6Y2型机车前后有两个转向架,每个转向架为三个轴,前后转向架最近轴距为8.4m ,当轴距大于5m 以上时,相邻轮子影响很小,可以不计。
因此,寻找引起最大弯矩的最不利轮位时,只要用一个转向架的三个轴分别做为计算轮来求最不利轮位。
而且,还应注意到转向架的三个轴轮重一样,轴距亦相同,所以1、3轮引起的弯矩应当相同,只要考虑其中一个即可。
这样,只要在1、2轮中找最不利轮。
计算时列表进行。
见附表:(1)计算k 值Ⅲ型钢筋混凝土枕:1667根∕km 钢轨支座刚度D :检算钢轨mm N /00253 轨枕间距mm a 60076611000000==,因此:MPa aD u 1667.5460000253===1445490011.0103217101.241667.454-=⨯⨯⨯⨯==mmEJu k这里m kg /60新轨对水平轴的惯性矩44103217mm J ⨯=。
目录一、简介————————————(1)二、设计参数——————————(2)三、设计内容——————————(5)四、设计总结—————————(13)五、参考文献—————————(14)六、程序设计—————————(14)一、简介(一)、无缝线路锁定轨温及预留轨缝简介无缝线路是当今轨道结构的一项重要新技术,是把标准长度的钢轨焊连而成的长钢轨线路。
它是当今轨道结构的一项重要技术,是与重载、高速铁路相适应的新型轨道结构。
无缝线路是当今轨道结构的最佳选择,世界各国竞相发展。
我国铁路无缝线路的发展,近年来在技术上有很大的进步,在数量上有较快增长。
无缝线路是铁路轨道现代化的重要内容,经济效益显著,在桥梁上铺设无缝线路,可以减轻列车车论对桥梁的冲击,改善列车和桥梁的运营条件,延长设备使用寿命,减少养护维修工作量。
这些优点在行车速度提高时尤为显著。
然而铺设无缝线路是有条件的,主要是考虑气候温度的影响,因为万物都有热胀冷缩的特点,对于无缝钢轨,温度的影响更为明显,只有选择适当的温度(我们称为锁定轨温),才能尽可能的避免这方面的伤害。
锁定轨温一般采用高于本地区的中间轨温。
(二)、设计的目的与意义中和轨温(即无缝线路设计锁定轨温)是无缝线路设计的关键问题,涉及《轨道工程》这门课的主要理论。
该设计目的是通过实际设计,更深入地掌握《铁路轨道》的基本理论,自主练习,将所学知识用于实际的设计中,学以致用。
完成该课程设计的意义在于让所学的知识形成一个系统的体系,加固对知识的理解与应用,逐渐熟悉使用规范,设计手册和查阅参考资料,培养自身分析问题、解决问题和独立工作的能力。
(三)、设计任务(1)收集资料,综合分析。
通过专业书籍及相关学术期刊的学习,了解无缝线路铺设的意义及国内外发展的现状。
并对路基上无缝线路设计的基本原理、方法及步骤有较清楚的了解。
(2)通过计算,确定路基上无缝线路的允许降温幅度。
(3)通过计算,确定路基上无缝线路的允许升温幅度。
目录第一部分概述 (2)1、铺设无缝线路的意义································2、无缝线路的类型····································3、国内外无缝线路发展概况····························第二部分设计任务及基本要求························1、设计任务·········································2、基本要求·········································第三部分设计目的和意义1、设计目的·········································2、设计意义·········································第四部分设计理论依据及基本思路·····················1. 轨道动态响应的准静态计算··························2. 根据强度条件确定允许的降温幅度····················3. 根据稳定条件确定允许的升温幅度····················4. 设计锁定轨温的确定··································5.预留轨缝和伸缩区长度的确定··························第五部分设计参数································1、一些相关设计参数·································2、参数选取········································3、最终参数·········································第六部分设计内容····································1、轨道结构静力计算··································2、确定设计锁定轨温··································(1)由强度条件确定允许降温幅度····················(2)根据稳定条件确定允许升温幅度·················(3)设计锁定轨温的确定·····························3、轨道强度验算······································(1)计算d M、d y、d R·································(2)钢轨强度检算····································(3)轨枕验算······································(4)道床顶面压应力验算·······························(5)路基基床表面压应力验算·························(6)计算汇总表··································4、预留轨缝与伸缩区长度的确定·························(1)长轨与短轨间的预留轨缝························(2)短轨与短轨间的预留轨缝··························(3)伸缩区长度·····································第一部分概述1、铺设无缝线路的意义无缝线路是把标准长度的钢轨焊连而成的长钢轨线路,又称焊接长钢轨线路。
吉林无缝线路设计吉林无缝线路设计一、背景介绍吉林省位于中国东北地区,是中国重要的工业基地和粮食生产基地之一。
随着信息技术的发展,网络通信已经成为各行各业不可或缺的基础设施。
在这个背景下,吉林省开始了无缝线路设计的工作。
二、无缝线路设计的意义1. 提高网络通信质量:无缝线路设计可以避免网络中断和数据丢失等问题,提高网络通信质量。
2. 降低维护成本:通过无缝线路设计,可以减少网络故障发生的频率,降低维护成本。
3. 提高用户体验:无缝线路设计可以确保用户在任何时间、任何地点都能够顺畅地使用网络服务,提高用户体验。
三、无缝线路设计的原则1. 网络拓扑结构简单:拓扑结构简单可以降低网络故障发生的概率。
2. 网络冗余度高:冗余度高可以保证在某些节点出现故障时仍能够保持网络连通性。
3. 技术选型合理:技术选型需要考虑到网络规模、带宽需求、安全性等因素。
4. 网络管理可靠:网络管理需要具备实时监控、故障诊断、数据备份等功能,确保网络的稳定运行。
四、无缝线路设计的实现1. 网络拓扑结构设计:根据吉林省的地理特点和网络规模,采用星型或环形拓扑结构。
2. 网络设备选型:选用可靠性高、性能稳定的设备,如思科路由器、华为交换机等。
3. 冗余设计:采用双机热备或冗余链路等技术,保证在某些节点出现故障时仍能够保持网络连通性。
4. 安全防护:在网络中加入防火墙和入侵检测系统等安全设备,保证网络的安全性。
5. 管理系统建设:建立完善的网络管理系统,包括实时监控、故障诊断、数据备份等功能。
五、无缝线路设计的应用1. 企业内部网络:吉林省内部大型企业可以采用无缝线路设计,提高企业内部信息流畅度和工作效率。
2. 政府机关网络:政府机关可以采用无缝线路设计,提高政务信息的传输效率和安全性。
3. 教育机构网络:吉林省的大学和中小学可以采用无缝线路设计,提高教育信息的传输效率和教学质量。
六、无缝线路设计的未来发展随着吉林省经济的不断发展和信息技术的不断进步,无缝线路设计将会得到更广泛的应用。
普通无缝线路设计心得体会
1. 首先需要了解需求。
在设计前,应该仔细了解用户需求。
不同的用户有不同的需求,包括带宽要求、时延要求、网络覆盖范围等等。
明确需求能够帮助我们更好地设计方案,满足用户需求。
2. 精细化规划。
无缝线路的设计需要考虑多个因素,如线路的走向、设备的摆放位置等等,而实现精细化规划可以避免出现多余线路,节省成本。
3. 选用优质设备。
好的线路设计不仅要有好的方案规划,更需要选用好的设备来配合完成。
应该挑选优质设备并适当增加冗余度,以便在线路出现故障时,能够保证网络的顺畅和稳定。
4. 网络测试。
在设计完成后,需要进行一系列的网络测试,验证线路的稳定性、通信质量等方面,确保线路的质量和稳定性。
5. 定期维护升级。
优质的无缝线路不只是初次设计和实现的过程,还需要定期的维护和升级来保持线路的状态和质量。
定期的维护和升级可以提高线路的可持续性,避免出现问题。
设计无缝线路的已知条件铺设地点学号20087182,根据分组表可知,十位数序号是1,个位数序号是8,则由表知铺设地点在厦门。
厦门地区最高轨温为58.5℃,最低温度为-2.0℃,中间轨温为28.3℃,最大轨温差为60.5℃。
钢轨类型第二组选择60轨,为60 kg/m。
钢轨采用U71Mn材料的钢轨。
轨枕类型第二组选择Ⅱ型轨枕。
轨枕间距第二组选择1840根/Km。
扣件类型第二组选择Ⅱ型扣件。
道床类型及肩宽第二组选择肩宽40cm,厚度45cm。
钢轨接头螺栓扭矩值第二组为800mN道床纵向阻力对于轨枕间距为1840根/Km的轨道,一股钢轨下单位道床纵向阻力值为9.1 N/mm,单根轨枕的道床纵向阻力为10000N。
设计区段最小半径第二组为900m。
轨下各结构层刚度(应将胶垫、道床、路基刚度按照串联弹簧方式进行换算)1.计算钢轨位移及弯矩时扣件垫板:650KN/cm道床(半宽度):300 KN/cm2.路基K指标30K:130MPa/m303.计算轨枕反力时换算后的总的支承刚度(胶垫+道床+路基)总刚度:750KN/cm设计最高行车速度第二组为160KM/h荷载组合(1机车+1车辆)轨道结构竖向受力计算及锁定轨温的确定 静力计算计算参数:弹性模量52.05810E M Pa =⨯60轨新轨的惯性矩432170000Jm m =31396000W m m= 32339400W m m=重型的钢轨强度30000/D N mm =重型的轨枕、道床、基床强度70000/D N mm = 轨枕间距10000005451840a m m==静力计算 钢轨:3000055.05545D k M P a a===10.0012()m mβ-===计算钢轨最大弯矩P μ∑,分别计算各轮,取最大值。
列下表计算:取最大值为P μ∑=100198N轨枕:70000128.44545D k M Paa===10.00148()m mβ-===计算轨枕P η∑,分别计算各轮,取最大值,列下表计算:取最大值P η∑=106927N 。
第5章无缝线路设计无缝线路是将标准长度的普通钢轨进行焊接,形成钢轨长度超过一定值的钢轨线路,又叫做焊接长钢轨线路,它是当今世界上轨道结构中的一项新技术,在该项技术上世界各国正在以积极的态度竞相发展。
对于一般的铁路线路来讲,钢轨的接头往往是轨道的薄弱环节,由于轨缝的存在,列车在通过轨道时就会发生冲击和振动,并产生巨大的噪音,不但如此,钢轨受到的冲击力也会提升3倍以上。
接头冲击力不但影响列车行驶的平稳度和旅客的舒适感,还会促使道床破坏、线路状态恶化、缩短钢轨和街头零件的使用寿命、增加额外的维修费用。
伴随着现代化铁路的高速化、舒适化和环保化的高要求,在行驶速度、列车轴重和密度不断增长的今天,普通铁路无法适应现代化运输的要求。
无缝线路消灭了大量的接头,具备行车平稳、旅客舒适、车辆和轨道维护费用减低、轨道与道床使用寿命延长等众多优点,是今后铁路发展的方向和未来。
5.1无缝线路基本规定1.根据《铁路无缝线路设计规范》(TB 10015-2012),新建、改建铁路正线应采用钢轨,钢轨长度可以是25m、50m和100m,在线路中优先采用100m 长定尺钢轨。
2.无缝线路在设计时,应根据当地轨温资料,计算无缝线路的允许温升、允许温降,并考虑一定的修正量计算确定锁定轨温。
在一定范围内,无缝线路设计锁定轨温应一致。
3.道岔、钢轨伸缩调节器及胶接绝缘接头钢轨宜与相连轨道同类型、同材质。
在小半径曲线()以及大坡道地段宜采用全长淬火钢轨或高强钢轨。
4.有砟无缝线路铺设的曲线半径不宜小于500m;在小于500m半径地段铺设无缝线路时,应采取适当的措施增大道床横向阻力。
5.在连续长大坡道、制动坡段和行驶重载列车坡段上的无缝线路,必要时应采取轨道加强措施,连续长大坡道不宜设置钢轨伸缩调节器和有缝钢轨接头。
6.最大轨温变化幅度超过100℃的严寒地区铺设无缝线路时应单独设计,加强轨道结构强度,还可以采取大调高量扣件。
7.无缝线路设计应根据线路、运营、气候条件及轨道类型因素进行,经过稳定性等检算确定设计锁定轨温。
桥上无缝线路的设计1、引言无缝线路由于消灭了大量的钢轨接头,因而具有行车平稳、机车车辆及轨道维修费用低、使用寿命长等优点,是铁路现代化的主要内容之一。
桥上铺设无缝线路以后,由于减轻了列车车轮的冲击,改善了桥梁的受力状态,因而能延长桥梁使用寿命,减少养护维修工作量。
桥上无缝线路不同于一般铺设在路基上的无缝线路。
桥跨结构因温度变化而伸缩,同时受到列车荷载作用而挠曲,因此,桥上无缝线路除受机车车辆荷载、轨温变化和列车制动等作用外,还将受到桥跨结构伸缩变形引起的伸缩附加力和挠曲变形引起的挠曲附加力。
与此同时,钢轨也对桥跨结构施加大小相等、方向相反的反作用力。
桥上无缝线路一旦断裂,不仅危及行车安全,也将对桥跨结构施加断轨附加力。
所有这些,均将通过桥跨结构而作用于墩台上。
这也是桥上无缝线路和路基上无缝线路的不同之处。
2、桥上无缝线路设计步骤和相关规定桥上无缝线路的设计,一般有以下的几个步骤:1、设计范围。
写出桥上线路的设计里程范围与长度。
2、设计范围内的主要技术标准。
主要包括:线路等级、正线数目、牵引种类、牵引定数、机车类型、限制坡度、最小曲线半径、闭塞方式和运输模式。
线路平、纵断面设计应重视线路的平顺性,提高旅客的乘坐舒适度。
正线线路的平面圆曲线半径应因地制宜,合理选用。
平面圆曲线半径应根据轨道结构类型按表1选用。
优先选用推荐曲线半径,慎用最小和最大曲线半径。
必要时,可采用最小与最大曲线半径间100m 整倍数的曲线半径。
3、设计采用的规范。
列出设计所涉及到的相关规范与规定。
4、轨道结构。
主要包括:钢轨的轨型与材质、轨枕的型号以及每公里铺设根数、扣件的类型与型号、道床的尺寸与道砟级配、道床铺设要求。
正线轨道应按一次铺设跨区间无缝线路设计。
正线应按照线下工程类型选择轨道结构形式。
桥梁隧道地段和正线地质条件好的路基地段,宜集中成段铺设无砟轨道。
无砟轨道与有砟轨道之间应设置过渡段。
正线有砟轨道结构应符合下列规定:1)焊接用钢轨应采用100m定尺长的60kg/m新钢轨,其质量应符合相关技术条件。
目录1. 设计资料 ...................................................................................................... 12.计算内容 ...................................................................................................... 1 2.1. 轨道结构静力计算. (1)2.1.1. 计算刚比系数 ............................................................................. 2 2.1.2. 计算最大静位移、静弯矩和枕上静压力 ................................. 2 2.2. 轨道强度检算 (3)2.2.1. 计算d M ,d y ,d R .................................................................... 3 2.2.2. 钢轨强度检算 ............................................................................. 3 2.2.3. 轨枕检算 ..................................................................................... 4 2.3. 无缝线路稳定性检算........................................................................ 6 2.4. 无缝线路设计 (8)1. 设计资料铺设地点:济南 轨道结构组成:钢轨:60kg/m,U71新轨,25m 长的标准轨; 轨枕:J-2型混凝土轨枕1760根/km; 道床:碎石道砟,面砟25cm ,垫砟20cm; 路基:沙黏土;钢轨支点弹性系数D :检算钢轨强度时,取30000N/mm,检算轨下基础时,取70000N/mm.线路最小曲线半径为600m ; 机车、车辆相关参数见下表:2. 计算内容2.1. 轨道结构静力计算用“连续支承法”计算钢轨静弯矩0M 、静挠度0y 和枕上静压力0R 。
2.1.1. 计算刚比系数轨枕间距1000000568.181760a mm== 当130000/D N m =时,113500052.8568.18D MPaa μ===-110.00118mmk === 当270000/D N m =,2270000123.2568.18D MPaa μ===-120.00146mmk === 2.1.2. 计算最大静位移、静弯矩和枕上静压力一种机车的一个车轮在钢轨计算截面上,除了该车轮对计算截面产生压力、挠度外,还应考虑临轮的影响。
一般的讲,当车轮距离计算截面5m 以上时,这种影响可以忽略不计。
由此可知,轮位相对于计算截面排列不同,则其所产生的0M 、0y 和0R 也各不相同,其中必有一中排列的某一轮子放在计算截面,产生的0M 、0y 和0R 为最大,这张排列的轮位称为最不利轮位。
由附表1可知,计算轮1的ΣP μ=92602.65为其中的最大值,用此值来计算静弯矩。
由附表2可知,计算轮的ΣP η=106983.67为其中的最大值,用此值来计算轨枕反力。
表中:(cos sin )kx u e kx kx -=- (cos +sin )kx u e kx kx -=200.00146106983.670.6322123.2k y P mm ημ=∑=⨯=⨯ 011192602.6519619205.52440.00118M P N m k μ=∑=⨯=⋅⨯0568.180.00146106983.6744373.7722ak R P N η⨯=∑=⨯= 2.2. 轨道强度检算2.2.1. 计算d M ,d y ,d RDF8内燃机车、运行速度80/V km h =,检算钢轨弯曲应力时,速度系数为0.400.40800.32100100V α⨯=== 检算钢轨下沉及轨下基础各部件应力时,速度系数为0.300.30800.24100100V α⨯=== 曲线半径600R m =,取其未被平衡欠超高最大值为75h mm ∆=,故偏载系数β为0.0020.002750.15h β=∆=⨯=故有:0(1)19619205.52(10.320.15)28840232.11d M M N mm αβ=++=⨯++=⋅ 0(1)0.63(10.240.15)0.8757d y y mm αβ=++=⨯++= 0(1)44373.77(10.240.15)61679.54d R R N αβ=++=⨯++=2.2.2. 钢轨强度检算曲线半径600R m =,经查表可得横向水平力系数 1.60f =,60kg/m 的钢轨,垂直磨耗为6mm 时,截面模量21396W cm =,22339W cm =,故1128840232.111.60116.53396000d d M f MPa W σ==⨯= 2228840232.111.60136.12339000d d M f MPa W σ==⨯= 制动应力取10c MPa σ=;查表得温度附加应力51t MPa σ=;取k=1.5,钢轨容许应力[]270MPa σ=。
据此检算钢轨强度:轨底:1116.535110177.53[]d t c MPa σσσσ++=++=< 轨头:2136.125110197.12[]d t c MPa σσσσ++=++=<2.2.3. 轨枕检算(1)轨下断面正弯矩检算:2'2615001501.061679.5410 6.96[]2829508g s d g a b M K R kN m M e -⎛⎫⎛⎫=-=⨯-⨯⨯=⋅< ⎪ ⎪⨯⎝⎭⎝⎭式中:1a -荷载作用点至枕端距离,取150a cm =。
e -一股钢轨下,轨枕的全支承长度,取=95e cm 。
'b -轨下衬垫宽度,一般取轨底宽度。
s K -轨枕设计系数,暂定为1。
[]g M -轨下截面容许弯矩,取13.3kN m ⋅。
满足要求。
(2)中间断面负弯矩检算。
2211226348124(32)32500495085009501250025001.061679.54104(3250029505.8399[]c s dc L e a e a LM K R L e kN m M -+--=-+⨯+⨯-⨯⨯-⨯⨯=-⨯⨯⨯⨯⨯+⨯=-⋅< 式中:L -轨枕长度。
[]c M -中间截面容许负弯矩,取10.5kN m ⋅满足要求。
(3)按全部支承计算()[]-6142500450061679.5410440.7724c dc L a M R N mm M --⨯⎛⎫=-=-⨯⨯ ⎪⎝⎭=-⋅<(4)道床顶面压应力检算max '61679.54 1.60.3054[]2751175d b b R m MPa be σσ==⨯=<⨯ 式中:b -轨枕底面宽度,混凝土枕平均宽度取27.5b cm =。
'e -一股钢轨下的轨枕有效支承长度,取'117.5e cm =。
式中:[]b σ-道床容许承压应力,取[]0.5b MPa σ=满足要求。
(5)路基机床表面压应力检算1275cot cot 35196.422b h mm ϕ==='21175cot cot 35839.022e h mm ϕ===现有道床厚度12450,h mm h h h =<<,故有'61679.540.1231[]2tan 21175450tan 35d r r R MPae h σσϕ===<⨯⨯⨯ 式中:[]r σ-路基表面容许承压应力,取[]0.15b MPa σ=满足要求。
计算汇总根据以上计算结果,轨道各部件应力或弯矩都未超过标准允许值,轨道强度合格,结果汇总如下表所示。
2.3. 无缝线路稳定性检算一般取轨道原始弯曲半波长400o l cm =,轨道塑性弯曲矢度0.3op oe f f cm ==,则有:22400400 6.710880.3op l R cmf ===⨯⨯对于具有塑型原始弯曲的圆曲线换算曲率,由原始条件600R m =,51'44011111 3.1610610 6.710cm R R R --=+=+=⨯⨯⨯ '31645.57R cm =则可计算变曲线弦长,由4524y I cm =,轨道原始弹性弯曲矢度0.3oe f cm =,轨道弯曲变形矢度0.2f cm =,查表可得等效道床阻力84/Q N cm =可知:22'6222184122110524 =8431645.57 =210937.29y EI l R cm ππ⎡⎢=⎢⎣⎡⨯⨯⨯⨯⎢⎢⎣计算可得459.28l cm =,由于l 与o l 相差较大需要重新计算矢度,计算过程如下:令459.28o l l cm ==,重新计算含o l 的参数:'220220.3459.280.40400400oe oe f f l cm ==⨯=,再将重新的'oe f 带入上式,求得计算可得467.41l cm =此时l 与o l 仍相差较大,需要再次计算,令467.41o l l cm ==,'220220.3467.410.41400400oe oe f f l cm ==⨯=,再将重新的'oe f 带入上式,求得计算可得468.19l cm =此时l 与o l 仍然较大需要重新计算矢度,计算过程如下:令468.19o l l cm ==,重新计算含o l 的参数'220220.3468.190.411400400oe oe f f l cm ==⨯=,再将重新的'oe f 带入上式,求得计算可得468.26l cm =此时l 与o l 相差较小,无需重新计算将'0.411,468.26oe oe f f cm l cm ===带入下式得:5654433522'()2110524(0.20.411)8422468.26 =1981.15kN ()(0.20.411)1 3.16104468.264y oe N oe EI f f Q l P f f l R ππππ-+⨯⨯⨯⨯+++⨯==++⨯+⨯+⨯ 最后求得允许温度应力[]1981.151650.961.2N P P kN k ===。