某公司金蝶K3用户权限设置流程
- 格式:docx
- 大小:531.51 KB
- 文档页数:5
金蝶K3操作流程帐套管理一、新建帐套操作流程:服务器电脑--开始--程序--K3中间层--帐套管理—新建按钮(白纸按钮)注意点:帐套号、帐套名不能重复但可修改,但帐套类型不可更改二、设置参数和启用帐套操作流程:服务器电脑--开始--程序--K3中间层--帐套管理—设置按钮注意点:公司名称可改,其他参数在帐套启用后即不可更改(包括总账启用期间)易引发的错误:如果帐套未启用就使用,系统会报错"数据库尚未完成建账初始化,系统不能使用"三、备份与恢复1、备份操作流程:服务器电脑--开始--程序--K3中间层--帐套管理—备份按钮注意点:a、备份路径的选择(建议可建立容易识别的路径)b、备份时电脑硬盘及外部设备应同时备份c、备份文件不能直接打开使用解释:外部设备(光盘刻录机、磁带机)2、恢复解释:当源帐套受到损坏,需打开备份文件来使用时用恢复,恢复与备份是对应的过程。
操作流程:服务器电脑--开始--程序--K3中间层--帐套管理—恢复按钮注意点:恢复时“帐套号、帐套名”不允许重复四、用户管理(即可在中间层处理,亦可在客户端处理)操作流程:(中间层)服务器电脑--开始--程序--K3中间层--帐套管理—用户按钮(客户端)K3主控台—进入相应帐套—系统设置—用户管理1、用户组:注意系统管理员组与一般用户组的区别2、新建用户操作流程:(中间层)服务器电脑--开始--程序--K3中间层--帐套管理—用户按钮—用户菜单—新建用户(客户端)K3主控台—进入相应帐套—系统设置—用户管理—用户按钮—用户菜单—新建用户注意点:a、只能是系统管理员才可以增加人名b、注意系统管理员的新增(即用户组的选择)3、用户授权操作流程:(中间层)服务器电脑--开始--程序--K3中间层--帐套管理—用户按钮—用户菜单—权限(客户端)K3主控台—进入相应帐套—系统设置—用户管理—用户按钮—用户菜单—权限注意点:a、只能是系统管理员才可以给一般用户进行授权,报表的授权应在报表系统工具—〉报表权限控制里给与授权。
佛山市X X X有限公司实施文档功能、字段、数据权限操作手册文档作者:黄华明创建日期:2010-11-10当前版本:1.01、设置功能权限控制功能权限管理指对子系统的每一个具体功能进行授权,允许用户可以进入哪些子系统使用哪些功能。
具体操作步骤如表8-1,步骤描述是否必需(是/否)第一步选择一个用户,然后选择【功能权限】→【功能权限管理】,打开权限管是理界面,在这里可以对各功能模块的权限进行初步设置。
查询权:只允许用户查看系统中的数据。
管理权:则允许用户不仅可以查看,还可以新增、修改、删除系统的数据。
第二步单击【高级】,打开“用户权限”界面,此界面可以进行明细功能授权,否是对功能授权的进一步细化,允许用户对各种功能进行更细的授权。
否第三步在“基础资料-核算项目”这一项下的自定义核算项目和其他系统预设的核算项目一样都可以进行单独的授权,所有的核算项目都显示在“用户权限”界面中,自定义核算项目权限控制对象的增加是一个动态增加的过程,用户在基础资料中新增一个核算项目,“用户权限”界面就新增一个核算项目权限控制对象。
否第四步对于自定义核算项目的权限也和其他系统预设的核算项目一样有查看、详细信息、新增、修改、删除五种权限设置。
表8-1注意:“用户管理_功能权限管理”界面的授权是一种快捷的授权方式,如果不想进行明细的授权可以在此处授权,如想进行明细授权可以直接在“用户权限”界面授权。
2、设置字段权限控制系统默认不进行字段权限检查,只有当授权用户对指定字段设置了字段权限控制后,用户进行该数据类别的指定字段进行操作时进行权限检查。
设置字段权限控制操作步骤,如表8-11:步骤描述是否必需(是/否)第一步点击【字段权限】菜单中【设置字段权限控制】是第二步选择某一子系统下的数据类型,系统显示该数据类型的所有可授权字段。
是是第三步授权用户可以根据需要设置指定的数据类别的字段【启用字段权限控制】,并点击【应用】按钮保存设置结果。
用户操作手册目录1 销售系统业务规程 (1)2 销售订单业务规程 (1)3 销售发货通知业务规程 (5)4 销售出库业务规程 (7)5 分期收款销售处理业务规程 (8)6 销售退货处理业务规程 (10)7 销售发票处理业务规程 (12)8 产品预测业务规程 (15)9 生产计划业务流程 (17)10 计划方案设置业务规程 (23)11 物料计划参数维护业务规程 (26)12 采购系统业务规程 (28)13 采购申请业务规程 (30)14 采购单业务规程 (32)15 采购收货业务规程 (35)16 采购结算业务规程 (38)17 仓库盘点业务规程 (40)18 库存调拨业务规程 (42)19 库物料盘盈、报废处理业务规程 (47)20 受托入库业务流程规程 (49)21 生产任务单维护业务规程 (51)22 生产任务单下达业务规程 (53)23 生产任务单变更业务规程 (55)24 生产任务单返工业务规程 (57)25 生产投料业务规程 (59)26 生产物料报废业务规程 (61)27 采购入库核算流程业务规程 (63)28 采购暂估入库核算流程业务规程 (66)29 销售出库核算业务规程 (69)30 分期收款核算业务规程 (72)31 委外加工核算业务规程 (75)32 物流期末结帐业务规程 (78)33 客户化需求 (80)1销售系统业务流程2.1销售订单处理:生管物控在接到客户订单后,在K3系统[物流管理]→[销售管理] →[销售订单] →[录入]销售订单2销售订单业务规程编号:202031规程说明:2 销售订单多级审核流程图外销流程:注:1、业务助理按客户区域划分,各业务助理只能查看和修改自己录入的销售订单。
2、PMC审核销售订单时屏蔽价格和付款方式。
3.1输入数据3.1.1 销售订单3.2输出数据3.2.1销售订单执行情况明细表3.2.2销售订单执行情况汇总表3.2.3 订单批次跟踪表3销售发货通知业务规程编号:202041规程说明:2 销售发货业务流程图3.1输入数据3.1.1 销售订单3.1.2 发货检验单3.2输出数据3.2.1 已审核的销售发货通知4销售出库业务规程编号:202052 销售出库业务流程图3.1输入数据3.1.1 销售发货通知单3.2输出数据5分期收款销售处理业务规程编号:202062 业务流程图3.1输入数据3.1.1 销售发票3.1.2 收款3.2输出数据3.2.1 凭证6销售退货处理业务规程编号:202072 销售退货业务流程图3.1.1 销售退货通知单3.2输出数据3.2.1 红字销售出库单7销售发票处理业务规程编号:202082 销售发票业务流程图3.1输入数据3.1.1 销售发票3.1.2 销售费用发票3.2输出数据3.2.1 销售明细表3.2.2 销售汇总表3.2.3 销售收入统计表8产品预测业务规程编号:311041规程说明:2.产品预测业务流程图9生产计划业务流程编号:311011规程说明:2生产计划业务流程图2.12.2中性产品和客户FORECAST计划方案:3相关单据3.1输入数据3.1.1销售订单3.1.2产品预测资料3.1.3基础资料3.2输出数据3.2.1计划状态的生产任务单(包括生产)3.2.2未审核的采购申请单3.2.3粗能力汇总报告3.2.4细能力汇总报告10计划方案设置业务规程编号:311021规程说明:2计划方案设置业务流程图3.1输入数据3.1.1计划方案参数数据3.2输出表单3.2.1计划方案参数数据4附表:计划方案参数数据表11物料计划参数维护业务规程编号:309011规程说明:2物料计划参数业务流程图3.1输入数据3.1.1自制件、采购件、委外件期量标准数据3.2输出表单3.2.1物料计划参数资料数据3.1输入数据3.1.1自制件、采购件、委外件期量标准数据12采购系统业务规程编号:201011规程说明:2业务流程图3.1输入数据3.1.1 采购申请单3.1.2 采购定单3.1.3 采购入、退货单3.1.4 采购结算单3.1.5 费用发票3.2输出数据3.2.1 采购定单执行情况表3.2.2 采购出、入库汇总表3.2.3 采购出、入库明细表3.2.4 暂估入库表13采购申请业务规程编号:201021规程说明:2 采购申请业务流程图3.1输入数据3.1.1 采购申请单3.2输出数据3.2.1 采购申请报表14采购单业务规程编号:201031规程说明:2 采购订单多级审核流程:外购流程:注:1、采购员按供应商区域划分,各采购员只能查看权限范围内的供应商和供应商供货信息,并只能修改自己录入的采购订单。
金蝶K3财务软件操作使用流程帐套管理一、新建帐套操作流程:服务器电脑--开始--程序--K3中间层--帐套管理—新建按钮(白纸按钮注意点:帐套号、帐套名不能重复但可修改,但帐套类型不可更改二、设置参数和启用帐套操作流程:服务器电脑--开始--程序--K3中间层--帐套管理—设置按钮注意点:公司名称可改,其他参数在帐套启用后即不可更改(包括总账启用期间易引发的错误:如果帐套未启用就使用,系统会报错"数据库尚未完成建账初始化,系统不能使用"三、备份与恢复1、备份操作流程:服务器电脑--开始--程序--K3中间层--帐套管理—备份按钮注意点:a、备份路径的选择(建议可建立容易识别的路径b、备份时电脑硬盘及外部设备应同时备份c、备份文件不能直接打开使用解释:外部设备(光盘刻录机、磁带机2、恢复解释:当源帐套受到损坏,需打开备份文件来使用时用恢复,恢复与备份是对应的过程。
操作流程:服务器电脑--开始--程序--K3中间层--帐套管理—恢复按钮注意点:恢复时“帐套号、帐套名”不允许重复四、用户管理(即可在中间层处理,亦可在客户端处理操作流程:(中间层服务器电脑--开始--程序--K3中间层--帐套管理—用户按钮(客户端K3主控台—进入相应帐套—系统设置—用户管理1、用户组:注意系统管理员组与一般用户组的区别2、新建用户操作流程:(中间层服务器电脑--开始--程序--K3中间层--帐套管理—用户按钮—用户菜单—新建用户(客户端K3主控台—进入相应帐套—系统设置—用户管理—用户按钮—用户菜单—新建用户注意点:a、只能是系统管理员才可以增加人名b、注意系统管理员的新增(即用户组的选择3、用户授权操作流程:(中间层服务器电脑--开始--程序--K3中间层--帐套管理—用户按钮—用户菜单—权限(客户端K3主控台—进入相应帐套—系统设置—用户管理—用户按钮—用户菜单—权限注意点:a、只能是系统管理员才可以给一般用户进行授权,报表的授权应在报表系统工具—〉报表权限控制里给与授权。
帐套管理一、新建帐套操作流程:服务器电脑——开始--程序-—K3中间层--帐套管理—新建按钮(白纸按钮)注意点:帐套号、帐套名不能重复但可修改,但帐套类型不可更改二、设置参数和启用帐套操作流程:服务器电脑--开始-—程序--K3中间层——帐套管理—设置按钮注意点:公司名称可改,其他参数在帐套启用后即不可更改(包括总账启用期间)易引发的错误:如果帐套未启用就使用,系统会报错"数据库尚未完成建账初始化,系统不能使用"三、备份与恢复1、备份操作流程:服务器电脑——开始—-程序-—K3中间层——帐套管理—备份按钮注意点:a、备份路径的选择(建议可建立容易识别的路径)b、备份时电脑硬盘及外部设备应同时备份c、备份文件不能直接打开使用解释:外部设备(光盘刻录机、磁带机)2、恢复解释:当源帐套受到损坏,需打开备份文件来使用时用恢复,恢复与备份是对应的过程.操作流程:服务器电脑-—开始-—程序—-K3中间层--帐套管理—恢复按钮注意点:恢复时“帐套号、帐套名”不允许重复四、用户管理(即可在中间层处理,亦可在客户端处理)操作流程:(中间层)服务器电脑--开始--程序-—K3中间层-—帐套管理—用户按钮(客户端)K3主控台—进入相应帐套—系统设置—用户管理1、用户组:注意系统管理员组与一般用户组的区别2、新建用户操作流程:(中间层)服务器电脑——开始--程序—-K3中间层——帐套管理—用户按钮-用户菜单—新建用户(客户端)K3主控台-进入相应帐套—系统设置—用户管理-用户按钮—用户菜单-新建用户注意点:a、只能是系统管理员才可以增加人名b、注意系统管理员的新增(即用户组的选择)3、用户授权操作流程:(中间层)服务器电脑——开始-—程序--K3中间层-—帐套管理-用户按钮—用户菜单—权限(客户端)K3主控台-进入相应帐套-系统设置—用户管理-用户按钮—用户菜单—权限注意点:a、只能是系统管理员才可以给一般用户进行授权,报表的授权应在报表系统工具—〉报表权限控制里给与授权。
用户角色权限操作规程密级:★高★版本:1.0XXX股份有限公司金蝶软件(中国)有限公司2020年7月4日文档控制更改记录日期作者版本更改参考2013.5.18 湛剑V1.0姓名职位签字分发拷贝号姓名区域目录第一章:用户角色权限 (4)第一章:用户角色权限一、用户管理1、用户新增1)单体A、通过选择的角色确定其权限内容;B、通过联系对象类型(员工/供应商/客户)确定其用户身份,且可以查看具体信息;C、域用户是在使用域用户身份认证的方式时使用;D、企业开通云之家且登录后,用户录入云之家帐号的可以在云之家自动添加;E、可以使用用户帐号、用户名称、云之家帐号登录ERP系统,均使用用户的密码;2)多组织用户可以选择多个组织的多个角色2、用户密码策略1)密码规则A、设置规则:数字、特殊字符、字母三种规则组合使用且必须选中一个规则;要求密码中包含选定的规则即可,至于选定规则的前后顺序以及各自长度没有控制;B、最小长度:默认为6,可以录入6-20之间的整数数字;C、默认密码:是系统统一的用户密码,默认为888888,可以修改;D、密码规则调整后登陆强制校验:是修改密码规则后对使用修改前密码规则的用户在登录ERP系统时进行强制校验,要求改为符合修改后的密码规则才可以登录。
2)时效规则A、启用密码有效期控制:就是控制密码使用的有效天数B、启用密码到期前预警:就是密码有效期到期前提前预警C、启用修改密码有效期控制:就是控制密码修改的间隔天数,建议此处的天数比密码有效期短或者一致;D、启用修改密码到期前预警:就是密码修改有效期到期前提前预警E、设置密码不重复周期:就是控制密码重复的间隔天数3)控制规则A、使用系统生成密码登录系统时要求修改密码:就是使用默认密码登录ERP系统时要求用户修改登录密码;B、可以使用系统生成密码登录*次系统:就是控制使用默认密码登录系统次数C、登录系统时密码输入错误*次后自动锁定用户:就是控制用户输错*次密码后系统自动锁定用户,不允许其登录系统,目的控制其他使用者利用试错操作获取密码D、用户锁定*小时后自动解锁:就是控制用户被锁定*小时后自动解锁3、用户报表1)用户综合查询:查询用户的组织和角色情况2)用户登录情况:查询用户最后登录系统的情况二、角色管理1、角色新增1)单体A、类型:普通角色/系统管理员;普通角色是可以授权的角色,其可以进行业务操作;而系统管理员作为子管理员的形式存在,其只有系统管理的内容,可以设置其授权范围;B、授权范围:只对类型=系统管理员的角色有效;设置后该角色授权时只能在此范围进行授权;C、通过选择用户确定其使用范围2)多组织A、属性:公有/私有;公有角色只能administrator创建和维护,在全部组织上都可以使用;私有角色必须指定具体组织,在该组织下使用;2、角色查询:按照登录用户的组织范围显示角色数据,包括公有角色以及有权组织范围内容的私有角色。
帐套管理一、新建帐套操作流程:服务器电脑--开始--程序--K3中间层--帐套管理—新建按钮(白纸按钮)注意点:帐套号、帐套名不能重复但可修改,但帐套类型不可更改二、设置参数和启用帐套操作流程:服务器电脑--开始--程序--K3中间层--帐套管理—设置按钮注意点:公司名称可改,其他参数在帐套启用后即不可更改(包括总账启用期间)易引发的错误:如果帐套未启用就使用,系统会报错"数据库尚未完成建账初始化,系统不能使用"三、备份与恢复1、备份操作流程:服务器电脑--开始--程序--K3中间层--帐套管理—备份按钮注意点:a、备份路径的选择(建议可建立容易识别的路径)b、备份时电脑硬盘及外部设备应同时备份c、备份文件不能直接打开使用解释:外部设备(光盘刻录机、磁带机)2、恢复解释:当源帐套受到损坏,需打开备份文件来使用时用恢复,恢复与备份是对应的过程。
操作流程:服务器电脑--开始--程序--K3中间层--帐套管理—恢复按钮注意点:恢复时“帐套号、帐套名”不允许重复四、用户管理(即可在中间层处理,亦可在客户端处理)操作流程:(中间层)服务器电脑--开始--程序--K3中间层--帐套管理—用户按钮(客户端)K3主控台—进入相应帐套—系统设置—用户管理1、用户组:注意系统管理员组与一般用户组的区别2、新建用户操作流程:(中间层)服务器电脑--开始--程序--K3中间层--帐套管理—用户按钮—用户菜单—新建用户(客户端)K3主控台—进入相应帐套—系统设置—用户管理—用户按钮—用户菜单—新建用户注意点:a、只能是系统管理员才可以增加人名b、注意系统管理员的新增(即用户组的选择)3、用户授权操作流程:(中间层)服务器电脑--开始--程序--K3中间层--帐套管理—用户按钮—用户菜单—权限(客户端)K3主控台—进入相应帐套—系统设置—用户管理—用户按钮—用户菜单—权限注意点:a、只能是系统管理员才可以给一般用户进行授权,报表的授权应在报表系统工具—〉报表权限控制里给与授权。
金蝶KIS软件用户管理及权限授权用户管理用于对系统的操作员进行授权,让企业可以更细致管理不同使用人员。
下面是yjbys店铺为大家带来的金蝶KIS软件用户管理及权限授权的知识,欢迎阅读。
1、新增用户和用户组选择【基础设置】→【用户管理】,进入用户列表。
窗口右侧可以实现用户组和用户的新增、修改和删除功能。
金蝶KIS系统默认有“系统管理员组”和系统管理员组的成员“manager”,系统管理员组和该组的用户不用授权,默认拥有所有权限。
添加的用户必须隶属于一个用户组。
只有光标定位于用户组时,“用户组设置”中的修改和删除按钮才可用。
单击右侧用户设置的【增加】,进入新增用户界面。
用户组名直接下拉选取已经存在的用户组,系统默认取新增时鼠标定位的那个组。
用户姓名既可以通过后面的按钮或F7选择“基础资料”中的职员,也可手工添加。
密码允许为空。
2、授权:用户组授权后,新增的用户首先直接继承用户组的`权限,但用户还可以修改权限,最终以用户的权限为准进行控制。
新增用户后,还可以修改用户组的权限,修改后的用户组权限只对以后新增的用户有效,对现有用户没有影响。
当光标定位于用户或用户组上时,授权按钮才可用。
授权按钮可以实现对用户以及用户组的授权。
对用户组的授权,授权调出的界面同用户授权。
以用户授权为例,界面如下:左侧为树型结构列示,右侧为对应功能和权限列表。
用户:默认显示授权用户名称,要是为用户组授权,则显示用户组。
授予/取消所有权限:对所选用户进行整体操作。
全选/全清:对应界面的整体操作。
授权:起保存作用。
关闭:关闭授权窗口。
如果权限有改变,并且没有授权,关闭时给与提示:“权限有变化,是否保存?——是/否”。
业务单据授权范围:所有用户:能处理所有用户录入的业务单据。
本组用户:只能处理本组用户录入的业务单据。
当前用户:只能处理本人录入的业务单据。
金蝶KIS系统判断用户是否有权限查看该单据,是根据单据的“制单人”是否在当前用户的权限范围内。
帐套管理一、新建帐套操作流程:效劳器电脑--开场--程序--K3中间层--帐套管理—新建按钮〔白纸按钮〕注意点:帐套号、帐套名不能重复但可修改,但帐套类型不可更改二、设置参数和启用帐套操作流程:效劳器电脑--开场--程序--K3中间层--帐套管理—设置按钮注意点:公司名称可改,其他参数在帐套启用后即不可更改〔包括总账启用期间〕易引发的错误:如果帐套未启用就使用,系统会报错"数据库尚未完成建账初始化,系统不能使用"三、备份与恢复1、备份操作流程:效劳器电脑--开场--程序--K3中间层--帐套管理—备份按钮注意点:a、备份路径的选择〔建议可建立容易识别的路径〕b、备份时电脑硬盘及外部设备应同时备份c、备份文件不能直接翻开使用解释:外部设备〔光盘刻录机、磁带机〕2、恢复解释:当源帐套受到损坏,需翻开备份文件来使用时用恢复,恢复与备份是对应的过程。
操作流程:效劳器电脑--开场--程序--K3中间层--帐套管理—恢复按钮注意点:恢复时“帐套号、帐套名〞不允许重复四、用户管理〔即可在中间层处理,亦可在客户端处理〕操作流程:〔中间层〕效劳器电脑--开场--程序--K3中间层--帐套管理—用户按钮〔客户端〕K3主控台—进入相应帐套—系统设置—用户管理1、用户组:注意系统管理员组与一般用户组的区别2、新建用户操作流程:〔中间层〕效劳器电脑--开场--程序--K3中间层--帐套管理—用户按钮—用户菜单—新建用户(客户端〕K3主控台—进入相应帐套—系统设置—用户管理—用户按钮—用户菜单—新建用户注意点:a、只能是系统管理员才可以增加人名b、注意系统管理员的新增〔即用户组的选择〕3、用户授权操作流程:〔中间层〕效劳器电脑--开场--程序--K3中间层--帐套管理—用户按钮—用户菜单—权限〔客户端〕K3主控台—进入相应帐套—系统设置—用户管理—用户按钮—用户菜单—权限注意点:a、只能是系统管理员才可以给一般用户进展授权,报表的授权应在报表系统工具—〉报表权限控制里给与授权。
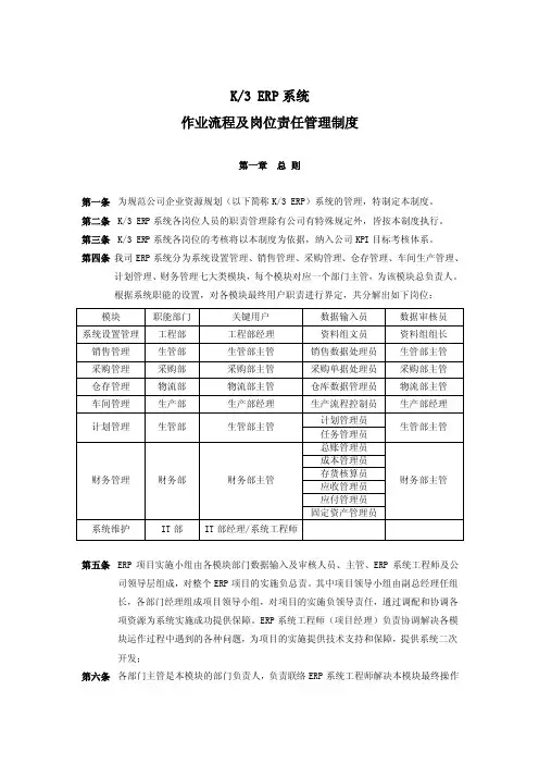
K/3 ERP系统作业流程及岗位责任管理制度第一章总则第一条为规范公司企业资源规划(以下简称K/3 ERP)系统的管理,特制定本制度。
第二条K/3 ERP系统各岗位人员的职责管理除有公司有特殊规定外,皆按本制度执行。
第三条K/3 ERP系统各岗位的考核将以本制度为依据,纳入公司KPI目标考核体系。
第四条我司ERP系统分为系统设置管理、销售管理、采购管理、仓存管理、车间生产管理、计划管理、财务管理七大类模块,每个模块对应一个部门主管,为该模块总负责人。
根据系统职能的设置,对各模块最终用户职责进行界定,共分解出如下岗位:第五条ERP项目实施小组由各模块部门数据输入及审核人员、主管、ERP系统工程师及公司领导层组成,对整个ERP项目的实施负总责。
其中项目领导小组由副总经理任组长,各部门经理组成项目领导小组,对项目的实施负领导责任,通过调配和协调各项资源为系统实施成功提供保障。
ERP系统工程师(项目经理)负责协调解决各模块运作过程中遇到的各种问题,为项目的实施提供技术支持和保障,提供系统二次开发;第六条各部门主管是本模块的部门负责人,负责联络ERP系统工程师解决本模块最终操作用户提出的与系统有关的所有问题。
第七条各部门主管必须结合本部门情况组织制定出本模块操作规范,说明本模块主要业务流程、各流程操作步骤、各进程操作方法、以及操作注意事项和常见问题解答,用于各岗位操作参考书和培训新进员工,并在使用过程中使系统不断趋向完善。
第八条最终用户在操作过程中如遇到问题应先查询操作手册,如不能解决,再联系部门主管和系统工程师解决,解决问题后将新的问题和解决方法加入操作手册。
第九条ERP系统是一项管理的系统工程,具有高度上下级的关联性,ERP系统各岗位人员都同时是上层数据的使用者又是下层数据的提供者。
对上层数据,如发现错误必须向相关人员报告并暂停与此有关的工作,并跟踪问题解决情况,直至数据正确;同时做好自己这部分数据,为下层操作人员提供服务,解答下层数据使用者提出的质疑,确保数据正确。
金蝶K3项目管理系统用户手册金蝶K3项目管理系统用户手册1:引言1.1 目的1.2 范围1.3 读者对象1.4 术语定义2:系统概述2.1 系统介绍2.2 功能概述2.3 系统特点3:安装与配置3.1 系统硬件要求3.2 系统软件要求3.3 安装步骤3.4 配置参数4:用户登录与权限管理 4.1 用户登录4.2 用户权限管理4.3 角色管理5:项目管理模块5.1 项目创建与维护 5.2 项目进度管理5.3 项目资源管理5.4 项目成本管理5.5 项目风险管理6:任务管理模块6.1 任务分配与跟踪 6.2 任务优先级管理 6.3 任务状态管理7:文档管理模块7.1 文档与7.2 文档版本控制7.3 文档权限管理8:问题管理模块8.1 问题收集与记录8.2 问题分配与解决8.3 问题追踪9:报表与统计分析9.1 项目报表9.2 任务报表9.3 文档报表9.4 问题报表9.5 统计分析10:系统维护与升级10:1 数据备份10:2 系统日志管理 10:3 系统升级步骤11:常见问题解答(FAQ) 11.1 登录问题11.2 功能问题11.3 数据同步问题12:参考资料12.1 相关技术文档12.2 系统支持与帮助附件:1:安装向导PDF文档2:用户权限管理表格法律名词及注释:1:用户登录:用户根据个人身份和凭证进入系统的过程。
2:角色管理:对不同用户设置特定的权限和功能的过程。
3:项目进度管理:跟踪和管理项目的进展状态和时间进度的过程。
4:文档权限管理:控制用户在文档管理模块中的操作权限和访问权限。
5:数据备份:将系统数据复制到其他存储介质上,以防止数据丢失的过程。
金蝶K3Wise财务管理科目授权操作说明K3授权操作说明一、新建分组,新建用户。
1、用管理员账号登录进去。
2、进入用户管理,在最左边,右键新建用户类别。
3、在右边,新建用户,注意两个要素;用户姓名(用户)、密码认证(认证方式)。
二、设置数据权限控制。
1、进入用户管理,从最上方工具栏——数据权限——设置数据权限控制。
2、勾选17(科目-高级业务权限:账簿、报表科目授权控制,如总账明细账)18(科目-基本业务权限:凭证录入,凭证查询科目授权控制),其他数据类别可根据业务需要自行设置。
3、数据权限——数据权限管理,取消勾选(拥有当前数据类型的全部数据权限),勾选(报表查询进行数据检查)。
4、然后点击授予查询权(修改权、删除权),然后在弹出的会计科目页面中勾选需要授予给用户的权限科目就可以了,注意:1、此项选中的科目就是该用户能够操作、查看的所有科目数据字段。
(其他类似客户,供应商同理);2、选中科目就是该用户能够看到、能后调用的科目,未选中的科目则该用户在此账套中,任何模块都不可能看到(账簿和报表因有对方科目该字段,所以也能看到其他科目)。
5、同理,可在此页面:当前用户/数据类型,选择不同的项进行授权。
三、功能权限管理。
1、从最上方工具栏——功能权限——功能权限管理2、基础资料:查询权(勾选),然后点授权。
3、同个页面,点击高级,进入用户权限页面:基础资料_科目(核算项目:客户、供应商、物料、费用等),可根据实际需要,是否授权新增,修改的权限。
4、总账_凭证:主要信息、详细信息、新增,此三项要勾选,(修改、删除,可根据实际需要授予权限)。
5、总账_账簿:总账、明细账、余额表此三项,查看、引出、打印可根据实际需要授权;其他的账簿同理操作。
6、测试项目:录入凭证,查询凭证,查询账簿。
四、达到的效果。
1、在凭证录入页面只能查到自己做的凭证,且只能调用被授权的科目,所以授权科目得考虑清楚,避免出现会计做凭证时却看不到也调用不了科目的情况(该操作在“二、-4、)。
金蝶k3数据授权设置金蝶k3系统启用数据授权设置,如客户启用数据权限管理,如下所述:1在系统设置--公共资料--基础资料--客户基础资料里设置专营业务员玄的1旳番;* 主朋訓浄C 骸改 if*.t 它遲 迥淞O 射術 阪林5 .=^4,□客户4®为首哥门 专苜业箝员帘榕人 附匕QQQ01TQX Jf001001Adnninislr^ior002葩唐V003戲亳恵一邵壬刈004005 尢宇机栅趋苦YF 三刚006 nmi裤一祁007PCF Frfuii肄YKS PC£ El RjSC USA009PCE Euro pt010 POE SincapcrE011FCfc SF.^N012FCES ;H•m. -> r-1- x J.1-*^ 11■-•J.-^Mr 吕 n—S —^.1[有戸]的內杏一护M 42杂记亲[宇体说旳 需色=来便甬T1:単-琳用;尖邑一便用求未fei 刮rmJLiTWl ~q 催口H 理 _j 出口匸ET □两吱応j 葩阪老耳 _l 匿种;理 1 HWtl? q tmi* *3» a®e«® 二I □ oooo倾时tiWK<KKLWK t30D< t 过嵯頁询2JH1O BwW¥ ■通f U 耳想*】avis - 屮二一亦加创3.叩E 屯*刖J dt ¥*盹ft=J.*.iirEM J #W*;腎XK*. [ wn即稚声恸世■a^ IWT F];;RRr*—* r討迴住1 ■- ? ■:Ji*5-4l»w )PCE DzTDDI PCt EIPJda U3*B091 PCE E IMV » hw PCE Skl^dpMB am FCE EPAIN |«1fPGE J»H&0T DDI O0JM1立E 姬 Vf 低■一IS殛flJ7£1iZ 请鶴fM:WE Tb ”空」2在系统设置-用户管理-用户管理-用户管理,启用数据权限控制辎帕 删旳強 H^WOT 勵跡阳肋 宇蜒营却⑴JUMOKMin带呦F用尸寻扎□新军同户笛 刁融 目空辅用三庄日 5P叫肖 flHFTF.KTPJSHHS.FgiQJF氏|为足匚|踰、,也五'比':.-.f-- EIlk : d --字问除汁冷-sfsa«耽丰一 « u 门用戸“丙壬商冃户t J.tafflOrLff ] .t2DOOrL P 八衆on P M-BCK] 恳1 raffTTlwf lp l Fs * 正E.E 正,r I、r yrWMK'i!~ Paz | in nu A TT M txn i-*i rrr^n biu |iM-wi/vrrt=--m ・iEfnco vr-nbiw | tn/Fu「厂…徉户占咅户用户少攸应闾用口用ASC i. nzooi奧 1.120K1# 1 12ICO1© 1 126OD1C 1.1340jlU i.<oorci!P 1 snoxi© SOIZI197905330133JP «cc»untuit© Unmistrator___________知:柴田e公旬公司尢展护组• Aihimctr^tcrs• C^sb.icrsK«?p(-r tls^rs'StockVt>r<• MscrzoilwnSip511^:黑卫fBI^HT^fREll设養佛鬥背数惦柠氓用廉F5玄、车BAH£慈頁zstMAMM頁&正正正正正片正正正正正正sMssMX正正正正正T针戏具体用,丸设苴数尿仅限葩區]極营刚i皓直却目砂也握■吿左扫2怕1*崔刖加<1 _ MWllTa M K■、卵巴判菲*;• □苗祐:伽严t^4t.。
[转]金蝶K3财务操作流程 来源: 胡耀雄的日志 金蝶K3财务操作流程K3系统结构组成 数据库(SQL) 中间层(数据存储端) 客户端(操作终端) 注:数据库、中间层的安装环境win2000/2003. K3中间层 帐套管理 一、新建帐套 操作流程:服务器电脑--开始--程序--K3中间层--帐套管理—新建按钮(白纸按钮) 注意点:帐套号、帐套名不能重复但可修改,但帐套类型不可更改 二、设置参数和启用帐套 操作流程:服务器电脑--开始--程序--K3中间层--帐套管理—设置按钮 注意点: 公司名称可改,其他参数在帐套启用后即不可更改(包括总账启用期间) 易引发的错误:如果帐套未启用就使用,系统会报错"数据库尚未完成建账初始化,系统不能使用" 三、备份与恢复 1、 备份 操作流程:服务器电脑--开始--程序--K3中间层--帐套管理—备份按钮 注意点:a、备份路径的选择(建议可建立容易识别的路径) b、 备份时电脑硬盘及外部设备应同时备份 c、 备份文件不能直接打开使用 解释:外部设备(光盘刻录机、磁带机) 2、 恢复 解释:当源帐套受到损坏,需打开备份文件来使用时用恢复,恢复与备份是对应的过程。 操作流程:服务器电脑--开始--程序--K3中间层--帐套管理—恢复按钮 注意点:恢复时“帐套号、帐套名”不允许重复 四、用户管理(即可在中间层处理,亦可在客户端处理) 操作流程:(中间层)服务器电脑--开始--程序--K3中间层--帐套管理—用户按钮 (客户端)K3主控台—进入相应帐套—系统设置—用户管理 1、 用户组:注意系统管理员组与一般用户组的区别 2、 新建用户 操作流程:(中间层)服务器电脑--开始--程序--K3中间层--帐套管理—用户按钮—用 户菜单—新建用户 (客户端)K3主控台—进入相应帐套—系统设置—用户管理—用户按钮 —用户菜单—新建用户 注意点:a、只能是系统管理员才可以增加人名 b、注意系统管理员的新增(即用户组的选择) 3、 用户授权 操作流程:(中间层)服务器电脑--开始--程序--K3中间层--帐套管理—用户按钮—用 户菜单—权限 (客户端)K3主控台—进入相应帐套—系统设置—用户管理—用户按钮 —用户菜单—权限 注意点:a、只能是系统管理员才可以给一般用户进行授权,报表的授权应在报表系统 工具—〉报表权限控制里给与授权。 b、系统管理员身份的人不需要进行授权 c、具体权限的划分—“高级”中处理 4、 查看软件版本及版本号 中间层与客户端均可应用,“帮助”菜单下的“关于” 5、 查看系统使用状况 启动中间层—〉系统—〉系统使用状况,查看加密狗信息。 K3客户端 基础资料(系统框架设置) 1、引入科目 操作流程:K3主控台—进入相应帐套—系统设置—基础资料—公共资料--科目—文件—从摸板引入科目 注意点:一套帐一套会计科目 *2、币别 操作流程:K3主控台—进入相应帐套—系统设置—基础资料—公共资料--币别--新增 注意点:a、一般不对记帐本位币进行修改 b、若币别已有业务发生则不能删除 3、凭证字 解释:各单位在制作凭证过程中对业务的分类情况 操作流程:K3主控台—进入相应帐套—系统设置—基础资料—公共资料--凭证字--新增 注意点:若凭证字已有业务发生则不能删除 *4、计量单位 A、计量单位组 解释:对具体的计量单位进行分类 操作流程:K3主控台—进入相应帐套—系统设置—基础资料—公共资料--计量单位--新增 B、计量单位 操作流程:选中相应的计量单位组—右边单击鼠标(右键)--新增计量单位 注意点:a、代码、名称不能重复 b、一个计量单位组下只有一个默认的基本计量单位 在设置数量金额核算时只能有一种默认计量单位,由于每个产品的单位有可能不同 ,所以在生成凭证时会产生错误,这时要在生成凭证选项中选择计量单位自动取用对应科目预设的缺省单位。 *5、结算方式 操作流程:K3主控台—进入相应帐套—系统设置—基础资料—公共资料--结算方式--新增 备注:结算方式一般有现金、电汇、信汇、商业汇票、银行汇票、银行本票、支票、贷记凭证 6、核算项目 核算项目的定义及作用:核算项目不是明细科目,但可充当明细科目使用; 核算项目可以简化科目体系,并减少月末统计汇总的工作量; *A、核算项目类 操作流程:K3主控台—进入相应帐套—系统设置—基础资料—公共资料--核算项目管理--新增 B、核算项目 操作流程:选择核算项目类--右边单击鼠标(右键)--新增核算项目 注意点: a、带颜色字段是必录项 b、带有...的项目不能直接输入,通过F7选择或增加 c、核算项目代码分级通过“.”实现 d、若核算项目已有业务发生即不可删除 易引发的错误:不可将最底层实际使用的核算项目设置为“上级组”,否则在实际业务发 生时将不列入选择项进行选择 7、会计科目的新增和修改 操作流程:K3主控台—进入相应帐套—系统设置—基础资料—公共资料--科目--新增和属性(即修改) 系统关联的注意点: a 、未购买应收、应付系统,想在总帐系统看帐龄分析,应该选择"往来业务核算"(往来科目)下挂相应的核算项目类别,并在系统参数中应选择"启用往来业务核销" ??启用了往来应收模块,并在应收中作帐,则在总账核算项目明细帐中无法查看客户往来信息 应收帐款科目下挂客户、职员、物料时 b、未购买购销存系统,想在总帐系统看数量帐,存货科目应选择"数量金额辅助核算" 如果既选择数量金额辅助核算又在物流模块中处理日常业务,会不会对帐务造成影响? c、未购买现金流量表系统,想在总帐系统生成现金流量表,应选择"现金等价物"(货币资金科目及短期投资类科目) 操作注意点: a、一个科目可平行下挂1024个核算项目类(即多项目核算) b、科目已有业务发生,科目不可删除和修改科目下挂的核算项目类别 c、科目有业务发生,币别只能改为核算所有币别 d、可通过禁用的方法,把不能修改的科目或核算项目禁用 总帐系统(核心基础系统) 一、系统参数 操作流程:K3主控台—进入相应帐套—系统设置—总帐系统--系统参数 备注:“启用往来业务核销”是针对会计科目设的参数,选择此参数后总账系统中各会计科目可以进行往来业务核销。一般是针对没有购买相应模块又要在总账中查看相应信息而设置的。 注意点:需结合各单位业务情况进行选择,注意每个选项的实际使用情况。 二、初始余额录入 操作流程:K3主控台—进入相应帐套—系统设置—初始化—总账—初始数据录入 业务注意点: 1、如果年初启用(1月份),只要准备每个科目的年初数即可。 2、如果是年中启用(非1月份),需要准备每个科目的期初余额、本年累计借方发生、本年累 计贷方发生、损益类科目实际发生 3、系统初始化可与日常业务同步进行,但是必须在凭证过帐前结束初始化 操作注意点: 1、白颜色录入:直接录入 2、黄颜色录入:(1)汇总下级科目自动汇总 (2)根据核算项目录入打“√”处录入具体内容 3、外币科目数据录入:选择“人民币”下拉键--选择相关外币进行录入 4、损益类科目数据录入:如果年初启用(1月份),则不录入数据 如果是年中启用(非1月份) 累计借方 累计贷方 期初余额 损益实际发生额 帐结 √ √ √ 表结 √ 或 √ √ √ 6、 试算平衡:如有外币业务则必须在“综合本位币”下平衡 7、 注意各系统初始数据传递问题: 应收、应付可与总账数据互为传递 固定资产系统可传递数据至总账系统 物流系统可传递数据至总账系统 7、结束初始化:初始余额录入--文件--结束初始化 系统反初始化(取消结束标志) 初始余额录入--文件—取消结束标志 a、系统管理员的身份 b、在凭证未过帐的情况下 三、总帐日常处理 1、 新增凭证 操作流程:K3主控台—进入相应帐套—财务会计--总帐系统—凭证处理—凭证录入 注意点:基础资料内容的查询--F7 ".."复制上一条摘要 "//"复制第一条摘要 Ctrl+F7--借贷调平键 空格键--调整借贷方向(英文状态下) 红字金额—先输数字,再输“负号” 查看--选项--"代码自动提示窗口"等 2、 修改、删除凭证 操作流程:K3主控台—进入相应帐套—财务会计--总帐系统—凭证处理—凭证查询 a、修改:需选中错误凭证—点“修改”按钮 b、删除:(1)如果凭证未保存想删除,点"还原" (2)如果凭证已经保存想删除,凭证查询中删除 3、 凭证审核 操作流程:K3主控台—进入相应帐套—财务会计--总帐系统—凭证处理—凭证查询 a、单张审核:选中需审核的凭证--点击“审核”按钮--进入凭证后再点击“审核”按钮即可 b、成批审核:编辑菜单下“成批审核” 注意点: a、审核和制单人不能为同一人; b、审核以后的凭证不能直接修改和删除; c、原审核人员才可以取消审核(反审核); 4、凭证过帐 操作流程:K3主控台—进入相应帐套—财务会计--总帐系统—凭证处理—凭证过帐 注意点: A、过帐时,凭证不能过帐的原因: (1)初始化未完成(2)无过帐权限(3)凭证不是当期的(4)用户冲突 B、凭证错误后的修改方法:a未审核、未过帐:直接在查询中选中错误凭证修改即可。 b已审核、未过帐:查询中取消审核章后即可修改。(反审核) c已审核、已过帐:(1)在查询中冲销错误凭证 (2)在查询中对错误凭证先进行反过 帐,后反审核,即可修改。 5、帐簿的查询 操作流程:K3主控台—进入相应帐套—财务会计--总帐系统—帐簿—选择各类帐簿(如:总分 类帐) 注意点: (1)帐证一体化:只能查询,不能直接修改 (2)总帐和明细帐都可以跨年度和月份进行查询 (3)第一次使用多栏帐要手工设计 四、总帐期末处理 *1、期末调汇 操作流程:K3主控台—进入相应帐套—财务会计--总帐系统—结帐—期末调汇 注意点:所有凭证必须过帐 只有设置为参与“期末调汇”的科目,才能使用该功能 *2、自动转帐 操作流程:K3主控台—进入相应帐套—财务会计--总帐系统—结帐—自动转帐 注意点: A、转出科目可以非明细科目; B、转入科目一定是明细科目;可包含未过帐凭证 3、结转损益 操作流程:K3主控台—进入相应帐套—财务会计--总帐系统—结帐—结转损益 注意点:A、所有凭证必须过帐 B、系统参数中本年利润科目要进行选择 易引发的错误:若在系统参数中未选择“本年利润”科目,则报“未指定本年利润科目或科
金蝶K3用户权限设置流程
一、分公司提出权限申请
由分公司权限使用人填写《金蝶软件用户权限申请(变更)表》(附件1),以下简称权限申请表,报分公司财务负责人签字批准,传扫描件至总部财务,核算中心审批后半个工作日内授权完结(新成立公司,需要新建账套时,由财务负责人统一填写权限申请表)。
二、总部审核
总部收到分公司申请后,打印出分公司传来的权限申请表扫描件,报财务总监或核算中心负责人审核签字并在半个工作日内指定相关人员进行授权,授权人也需在权限申请表签字。
三、用户权限设置操作
(一)新增用户
1.进入K3主界面【系统设置】-【用户管理】,双击右边的【用户管理】明细功能,进入用户管理平台,如图1;
图1
2.选择【用户管理】-【新建用户】,弹出新增用户界面,如图2
图2
3.在新增用户界面,进行如下操作:
(1)输入【用户】-【用户姓名】;
(2)【认证方式】选择密码认证,密码可为空,由用户本人在帐套登录页面设置,也可先设置密码,再由用户本人在帐套登录页面修改;
(3)勾选【权限属性】-【用户可以进行业务操作】;
(4)选中【用户组】相应用户组点【添加】可以将用户添加到相应用户组里;
(5)【用户角色】可不予操作。
4.完成上述操作后,点【确定】按钮。
(二)财务经理权限设置
1.进入K3主界面【系统设置】-【用户管理】,选中需要为其授权的用户;
2.选择左上角菜单栏【用户管理】-【功能权限管理】,进入用户权限管理界面,如图3;
图3
4.根据目前集团启用的K3模块,只需对基础资料、数据引入引出、系统参数配置、数据交换平台、总账、固定资产、报表、现金管理、现金流量表、仓存管理系统、存货核算管理系统这9个权限组的查询权和管理权进行设置。
具体设置情况见《金蝶K3用户权限设置表》(附件2),财务经理授予这9个权限组的全部查询权与管理权,勾选完成,点右边的【授权】按钮。
5. 根据《金蝶K3用户权限设置表》里“高级设置”栏的说明,对财务经理权限进行高级设置:
(1)点击图3右边的【高级】按钮,进入用户权限高级设置页面,如图4,
图4
(2)如图4,选中左边的系统对象“基础资料_科目”,在右边的权限中,取消对新增、修改、删除、引入、禁用、反禁用权限的勾选,然后点击右下方的【授权】按钮;
(3)同理,取消对系统对象“基础资料_核算项目”下“现金流量项目”的新增、修改、删除、引入、禁用、反禁用权限的勾选及其他系统对象设置。
(三)其他财务岗位权限设置
同财务经理权限设置方法,根据《金蝶K3用户权限设置表》可完成对财务主管、主办会计、出纳、仓存管理员的权限设置。
附件1:《金蝶软件用户权限申请(变更)表》
附件2:《金蝶K3用户权限设置表》。