K-2B3子模块说明及速查表
- 格式:doc
- 大小:503.50 KB
- 文档页数:16
K3常用模块使用对应表模块使用人员要求总账会计原先有做手工账或电子账,熟悉企业做账流程报表会计与总账相密切使用的现金管理出纳一般是做现金银行日记账的人员固定资产会计原先有做账的计提折旧,如原先没做也要清楚固定资产计提折旧的方式应收款管理会计管往来账务应收款管理的人员应付款管理会计管往来账务应付款管理的人员采购管理业务部采购人员业务部负责申请采购、下达订单、发票金额确认的人员销售管理业务部销售人员业务部负责销售订单下达、收款发票金额确认、收款期确认的人员仓库管理仓管员只管数量和盘点,不用管金额的仓库人员存货核算会计负责对供应链单据记账的会计人员生产数据管理生产计划员主要对BOM的组成清晰和做BOM单的人员生产任务管理生产计划员负责控制生产里各种业务处理的人员主生产计划生产计划员主要是MPS计算,要求有MPS基础认识的人员物料需求计划生产计划员MRP计算,针对主计划计算相关需求,熟练生产的人员内容1、录入凭证2、审核、过账凭证3、期末调汇、自动转账、结转损益、结账4、查询账簿、报表1、单个数据取数设置2、批量数据取数设置3、公式取数设置4、每月报表注意事项和设置1、录入日记账,有需要时与总账相互引入引出2、查询指定日期流水账3、期末对账,期末结账处理1、对公司固定资产有卡片、折旧清单等完整记账2、审核原固定资产折旧是否科学和正常3、熟悉录入、新增、变动、清理卡片4、每月做计提折旧的审核和记账1、期初应收款分析,如何录入2、每月发生的应收款单据有哪些,熟悉如何录入并记账操作3、期末对账,期末结账处理,查询应收款明细业务1、期初应付款分析,如何录入2、每月发生的应付款单据有哪些,熟悉如何录入并记账操作3、期末对账,期末结账处理,查询应付款明细业务1、采购流程所使用单据的录入和审核权限分配2、对采购情况的订量、已入库量、发票取得期间时,业务流程的确定3、费用发票产生时需要分配要怎么做,与存货核算密切相关的1、销售订单、出库单等单据的录入2、销售发票的金额用那个单据确认3、费用发票产生时需要分配要怎么做,与存货核算密切相关的1、外购入库单、生产领料单、自制入库单、销售出库单、委外加工出库单,委外加工入库单、调拔单、其它出库单、其它入库单的意义和录入2、单据的自定义设置和套打设置的熟悉3、对应原仓库管理中的单据分配人员录入,审核权1、了解存货核算的流程和得出成本各单据核算过程2、各种仓库单核算时的参数设置3、核算完成后,记账凭证模版的设置4、期末收发报表,利润,成本报表查询,期末结账处理BOM单的构成,在系统中实现,并做出规范流程MPS计算的所有参数设置和物料相关设置的深切熟悉和使用MRP 计算的所有参数设置和物料相关设置的深切熟悉和使用相关数据科目表、科目余额表、核算项目、计量单位、币别、凭证字总账完成一期结账处理后银行科目,银行科目余额,银行账号固定资产卡片(原值、净残值、入账期间、已折旧期数。
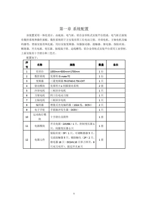
第一章系统配置该装置采用一体化设计,由底座、电气柜、铝合金导轨式安装平台组成,电气柜正面装有数控系统和操作面板,数控系统的下方安装有四工位电动刀架、冷却电机、主轴电机及编码器等,背面安装有网孔板,用以安装变频器、伺服驱动器、接触器、继电器、保险丝座、断路器、开关电源、变压器、接线端子排、走线槽等;铝合金导轨式安装平台采用工业型材,上面安装有十字滑台和三色灯。
第二章装置的组成、结构与功能一、装置组成数控机床维修技能实训考核装置由实训台、数控系统模块、主轴控制模块、伺服驱动模块,传感器警示灯、电子器件、电源模块、十字滑台、电动刀架模块、冷却系统模块、接线端子等组成。
采用开放式和拆装式设计,操作者可以进行数控机床电气控制部件的组装、接线、PMC编程、故障诊断和调试。
二、数控机床控制结构(一)数控车床控制结构图图2-1 数控车床控制结构示意图如上图,数控车床由两个进给轴(X、Z轴)、一个旋转轴(主轴)、刀架控制系统、冷却控制系统、润滑控制系统、其他辅助功能控制系统,检测控制电路等组成。
主轴采用变频调速系统,主轴电机与编码器间通过同步带(1:1)连接,可反馈主轴电机的转速及主轴参考点坐标系的建立。
三、系统、模块功能描述2.伺服驱动系统1)本装置采用FANUC公司的伺服驱动系统,具有如下特点:(1)供电方式为三相200V-240V供电。
(2)智能电源管理模块,碰到故障或紧急情况时,急停链生效,断开伺服电源,确保系统安全可靠。
(3)控制信号及位置、速度等信号通过 FSSB光缆总线传输,不易被干扰。
(4)电机编码器为串行编码信号输出。
图2-5 驱动连接图2)相关接口说明:(1)CZ4接口为三相交流200~240V电源输入口,顺序为U、V、W、地线。
(2)CZ5接口为伺服驱动器驱动电压输出口,连接到伺服电机,顺序为U、V、W、地线。
(3)CZ6与CX20为放电电阻的两个接口,若不接放电电阻须将CZ6及CX20短接,否(4)则,驱动器报警信号触发,不能正常工作,建议必须连接放电电阻。
主板诊断卡速查表灯名信号名称说明CLK 总线时钟不论ISA或者PCI只要电脑(无CPU等)接通电源就应常亮,否则CLK信号坏.BIOS 基本输入输出电脑主板运行时对BIOS有读操作时就闪亮.IRDY 主设备准备好有IRDY信号时才闪亮,否则不亮.OSC 振荡ISA槽的主振信号,空板通电则应常亮,否则电脑主板的晶体振荡电路不工作,而无OSC信号. FRAME 帧周期PCI槽有循环帧信号时灯才闪亮,平经常亮.RST 复位RESET开机或者按了RESET开关后亮半秒钟熄灭属正常,若不灭常因电脑主板上的复位插针错接到加速开关或者错接了短路,或者复位电路坏.01处理器测试1,处理器状态核实,假如测试失败,循环是无限的.试换CPU,查CPU跳线或者CPU设置错否。
处理器寄存器的测试马上开始,非屏蔽中断马上停用.建议排除方法同左。
CPU寄存器测试正在进行或者者失灵.建议排除方法同左02确定诊断的类型(正常或者者制造).假如键盘缓冲器含有数据就会失效.试查电脑主板中与键盘有关电路及键盘本身。
使用非屏蔽中断;通过延迟开始.查电脑主板与CPU。
CMOS写入/读出正在进行或者者失灵.试查电脑主板电池等.03清除8042键盘操纵器,发出TEST-KBRD命令(AAH).查键盘内部电路及软件。
通电延迟已完成。
ROM BIOS检查部件正在进行或者失灵.查电脑主板BIOS芯片是否已插好或者周边电路发霉.04使8042键盘操纵器复位,核实TESTKBRD.查电脑主板中键盘接口电路。
键盘操纵器较复位/通电测试.查电脑主板中的键盘操纵部分的电路。
可编程间隔计时器的测试正在进行或者失灵.查电脑主板中与定时器有关的电路.05假如不断重复制造测试1至5,可获得8042操纵状态.查电脑主板中键盘操纵电路。
已确定软复位/通电;马上启动ROM..查电脑主板ROM芯片及其支持电路。
DMA初始页面寄存器读/写测试正在进行或者失灵.查电脑主板中与DMA有关的芯片及其外围电路.06使电路片作初始准备,停用视频,奇偶性,DMA电路片,与清除DMA电路片,所有页面寄存器与CMOS寄存器的工作.查电脑主板中与DMA有关的电路.07处理器测试2,核实CPU寄存器的工作.查CPU是否插好,或者CPU坏,或者CPU跳线等设置有错否。
K B6000Ⅲ气体报警控制器使用说明书Ver:HW100602197河南汉威电子股份有限公司HENAN HANWEI ELECTRONICS CO., LTDISO9001认证企业感谢您使用汉威电子系列产品,当您准备使用本产品时请务必仔细阅读本说明。
并按照所提供的有关操作步骤进行,使您能充分享受我公司提供的服务,同时避免您的误操作而损坏本机或发生其它意外。
请妥善保管本手册,以便在您日后需要时能及时查阅、获得帮助。
版权声明本手册版权属河南汉威电子股份有限公司所有,未经书面许可,本手册任何部分不得复制、翻译、存储于数据库或检索系统内,也不可以电子、翻拍、录音等任何手段及方式进行传播。
河南汉威电子股份有限公司秉承科技进步原则,不断致力于产品改进、提高产品性能,公司保留任何产品改进而不预先通知的权利。
如果用户不依照本手册说明擅自安装或修理更换部件,由此产生的责任由用户负责。
产品及产品颜色、款式请以购买的实物为准。
用户服务指引:1在使用本产品前,请根据产品出厂清单仔细核对附件、产品合格证及用户保修卡是否齐全,若发现不全,请立即与销售商或厂家联络。
2本产品自售出之日起十二个月内,凡用户遵守贮存、运输及使用要求,而产品质量低于技术指标的,凭保修单享受免费维修。
3因违反操作规定和要求而造成的损坏、非我公司指定的特约技术服务部维修引起的故障或由于不可抗拒因素引起的产品质量问题,我公司将进行收费维修。
4产品进行维修时,请主动出示产品保修卡。
不能出示产品保修卡的将作为收费维修。
5产品维护、维修后,请出示本手册,维修人员将填写所附的《维护、维修情况记录》并签名;同时也请您在维修人员的《维护、维修情况记录》上签名确认维护、维修内容并提出宝贵意见,如果是单位用户,请加盖公章。
6如果您对我们提供的产品和服务有任何疑问或不满,包括产品技术、质量、安装维修、服务态度、收费标准等问题,请您及时联络我们,我们将会对您的意见妥善处理。
HAK-5-2B V2.0双防区总线地址模块使用说明书HAK-5-2B V2.0 2防区报警模块是具有总线通讯功能的防区扩展设备,其对于与远距离的探测设备的连接、或在周界防范等场合中非常实用,可与HAK-5-6002,HAK-5-64B,HAK-5-16C等系统配套使用;带有地址编码设置开关。
1. 性能特点:●可接入2个有线探测设备●总线通讯方式●探测设备为常闭输入3.与报警主机连接使用说明●接线说明:如果和报警主机共用电源,将“红、绿、黄、黑” 4芯线分别与主机的“红、绿、黄、黑” 4端子相连;如果和报警主机不共用电源,将“绿、黄、黑” 3芯线分别与主机的“绿、黄、黑” 3端子相连,将“红、黑” 2芯线与自己的电源正、负极相连。
●在同一台报警主机上使用时,每一个报警模块有自己的唯一地址,不能与其它报警模块的地址相同。
地址范围及设定,请参考报警主机的安装或使用手册。
4.指示灯说明●电源状态指示灯说明:输入电源的电压大于最低工作电压时, 电源状态指示灯常亮;一旦发现输入电源的电压低于正常工作电压时,电源状态指示灯最少快速闪烁5秒,如果一直没有恢复,电源状态指示灯会一直闪烁。
●通信状态指示灯说明:1.常亮:模块接收到正常通信;2.快速闪烁(1秒钟闪烁4次):模块1秒钟内没有接收到任何通信数据;3.慢速闪烁(1秒钟闪烁1次):模块接收到数据,但5秒钟内没有接收到任何正确的数据。
5. 地址编码开关在将HAK-5-2B V2.0接入系统使用时,必须对其进行地址编码,编码通过编码开关进行设置,地址编码采用2进制编码方式。
编码开关按“12345678”顺序排列设置二进制地址。
例如:某防区扩展模块的编码为13;对应的位二进制数为:00001101,在地址拨码开关对应的顺序为1-8(即高位为1,低位为8)1,2,3,4,7位不动, 5,6,8位拨到”ON”一边附:地址编码表注意:请按照本安装指南进行安装;在连接HAK-5-2B V2.0之前请先断开系统电源。
K-2B3⼦模块说明及速查表第20章 220kV输电线路2B3模块杆塔基础通⽤设计2B3-ZB1⼦模块20.1 2B3-ZB1⼦模块(1)概述本模块为对应国⽹通⽤设计杆塔2B3模块的ZB1塔型,为直线塔型;适⽤的地基⼟为粉⼟、粘⼟(包括湿陷性黄⼟和膨胀⼟)的平地、丘陵和⼭地,共有20个基础。
(2)基础根开2B3-ZB1铁塔的根开尺⼨表20.1-1(3)基础作⽤⼒2B3-ZB1铁塔的基础作⽤⼒见表20.1-2(kN)呼⾼(m)Tmax Tx Ty Nmax Nx Ny 18153.55 17.45 14.32 205.95 21.64 18.52 21164.64 17.91 15.04 218.17 22.33 19.46 24174.57 18.57 15.91 229.39 22.81 20.14 27182.31 19.4 16.63 240.96 24.33 21.5730 190.53 20.1 17.48 250.75 24.66 22.0433 196.92 20.72 17.97 261.53 26.25 23.536 204.02 21.28 18.65 270.19 26.57 23.95 (4)基础⼯程量速查表呼⾼(m)基础根开(mm)地脚螺栓根开(mm)地脚螺栓规格(Q235)正⾯根开侧⾯根开正⾯根开侧⾯根开18 3770 3770 200 200 4M27 21 4250 4250 200 200 4M27 24 4730 4730 200 200 4M27 27 5210 5210 200 200 4M27 30 5690 5690 200 200 4M27 33 6165 6165 200 200 4M27 36 6645 6645 200 200 4M27表20.1-3 2B3-ZB1-18~27基础⼯程量速查表:序号地质条件底板宽度(不含垫层)(m)基础埋深(含垫层)(m)2B3-ZB1-18~27⼟壤类别承载⼒(kPa) 上拔⾓地下⽔位(m)螺栓(kg) 钢材(kg) C20(m3)C15(m3)1 粉⼟稍密,粘⼟软塑90 10 1.5 2.2 2.4 93.1 207.6 13.48 0.442 粉⼟稍密,粘⼟软塑90 103 2.2 2.1 93.1 181.4 13.04 0.443 粘⼟,中等塑性100 15 2 2.2 1.9 93.1 168.8 12.76 0.444 粘⼟,中等塑性100 15 3 2.2 1.9 93.1 168.8 12.76 0.445 粘⼟,中等塑性100 15 ⽆ 2.2 1.9 93.1 168.8 12.76 0.446 粘⼟,可塑120 20 2 2.2 1.8 93.1 159.0 12.6 0.447 粘⼟,可塑120 20 3 2.2 1.8 93.1 159.0 12.6 0.448 粘⼟,可塑120 20 ⽆ 2.2 1.8 93.1 159.0 12.6 0.449 坚⼟,硬塑120~140 20 3 2.2 1.8 93.1 159.0 12.6 0.4410 坚⼟,硬塑120~140 20 ⽆ 2.2 1.8 93.1 159.0 12.6 0.44 表20.1-4 2B3-ZB1-30~36基础⼯程量速查表:序号地质条件底板宽度(不含垫层)(m)基础埋深(含垫层)(m)2B3-ZB1-30~36⼟壤类别承载⼒(kPa) 上拔⾓地下⽔位(m)螺栓(kg) 钢材(kg) C20(m3)C15(m3)1 粉⼟稍密,粘⼟软塑90 10 1.5 2.2 2.7 93.1 320.2 13.92 0.442 粉⼟稍密,粘⼟软塑90 103 2.2 2.3 93.1 197.7 13.32 0.443 粘⼟,中等塑性100 15 2 2.2 2.1 93.1 181.4 13.04 0.444 粘⼟,中等塑性100 15 3 2.2 2.1 93.1 181.4 13.04 0.445 粘⼟,中等塑性100 15 ⽆ 2.2 2.1 93.1 181.4 13.04 0.446 粘⼟,可塑120 20 2 2.2 1.9 93.1 168.8 12.76 0.447 粘⼟,可塑120 20 3 2.2 1.9 93.1 168.8 12.76 0.448 粘⼟,可塑120 20 ⽆ 2.2 1.9 93.1 168.8 12.76 0.449 坚⼟,硬塑120~140 20 3 2.2 1.9 93.1 168.8 12.76 0.4410 坚⼟,硬塑120~140 20 ⽆ 2.2 1.9 93.1 168.8 12.76 0.442B3-ZB2⼦模块20.2 2B3-ZB2⼦模块(1)概述本模块为对应国⽹通⽤设计杆塔2B3模块的ZB2塔型,为直线塔型;适⽤的地基⼟为粉⼟、粘⼟(包括湿陷性黄⼟和膨胀⼟)的平地、丘陵和⼭地,共有20个基础。
PLC-2B型励磁调节器使用说明书PLC-2B/SS重庆西南水电控制设备厂2003年1月目录第一章概述 3 §1-1 适用范围§1-2 使用环境§1-3 主要特点§1-4 主要功能§1-5 调节器装设下列信号§1-6 性能指标第二章硬件系统7 §2-1 简介与接口一§2-2 可编程序控制器一主要功能二输入输出原理三输入输出定义§2-3 图形操作终端GOT§2-4 电源系统第三章软件系统16 §3-1 程序方框图§3-2 开停机命令§3-3 软件限制功能一过励二欠励三V/F限制四软件调差第四章使用与操作19 §4-1起励操作§4-2 励磁调节§4-3 停机操作§4-4 运行方式选择§4-5 投入运行操作§4-6 图形操作终端GOT第一章概述同步发电机的可控硅励磁装置一般是由励磁功率单元和励磁调节器两部分构成,励磁调节器的作用就是跟据发电机运行状态自动调节功率单元输出的励磁电流,以满足发电机运行的要求。
可编程序控制器简称PLC(Programmable Logic Controller),它是一种数字运算操作的电子系统,专为在工业环境下应用而设计。
它采用可编程序的存储器,用来在其内部存贮执行逻辑运算,顺序控制,定时,计数和算术运算等操作的指令,并通过数字式,模拟式的输入和输出,控制各种类型的生产过程。
我厂最新研制的PLC-2B型双可编程励磁调节器,调节器为A、B双通道调节器,双通道互为备用,备用通道自动跟踪运行通道工况,在检测到主通道故障时自行切换至备用通道运行并提示。
比第一代PLC-1型可编程励磁调节器采用的可编程控制器,运算速度更快,功能更强,指令更丰富,程序容量更大,能满足更多功能软件化,由于采用模块化设计,使功能扩展更方便。
故障现象:黑屏机芯:LCD MS82机芯机型:L32P61BD,L32S10,LED32C310,LED32C320,LED32C600,C32E320B,C39E320B,LCD39R19,L32F2360,L32M90,LC39M01,LED39C600检修过程: 机型:LED32C600(MS82机芯)故障现象:开机黑屏分析与检修:开机检查发现背光亮屏幕黑屏无显示,测量各路电压,当测到屏供电(12V)时电压只有9V多,查阅图纸此机芯的屏供电是由Q813(PMV65XP)作为开关管提供的,测其S源极12V电压正常,而D漏极电压也是9V多,根据以往的经验,用一根细导线把源极和漏极短接到一起,开机观察一切正常,把Q813换新试机一整天没在出现其它问题。
由于Q813的性能不良造成屏供电不够而黑屏,且已碰到多台,怀疑Q813批量性问题。
故障板名称:数字板故障元件位号: Q813处理措施:更换图片:故障编码: 115故障现象:开关机时间长机芯: LCD MS99机芯机型: L32E5300A,L37E5300A,L42E5300A,L46E5300A,L40V8200-3D,L42Z11A-3D,L46Z11A—3D,L43V 7300A—3D,L46V7300A-3D,L55V7300A-3D,L43F3390A—3D,L48F3390A—3D,L55F3390A-3D,L43E5300A—3D,L46E5300A—3D,L48E5300A-3D,L55E5300A—3D,L32E5390A—3D,L43E5390A-3 D,L48E5390A—3D,L55E5390A—3D,L39F3390A-3D,LED55C910D,LED48C910D,LED48C910DJ,L46E5300D检修过程:1。
冷开机(开机待机)——遥控器开机—-IR灯灭掉——屏一直全黑/主板供电除Panel_12V外都正常!2。
G2-B系列模块使用说明书大连国彪应急电源集团有限公司第一章概述§1.1 前言当前我国消防系统使用的直流充电系统大部分采用传统的相控电源,但相控电源在效率、纹波、电磁辐射、热辐射、噪声等方面均不尽人意,监控系统不完善,采用1+1备份方式,对于越来越先进的仪器仪表、保护、控制、自动化设备很难满足其技术要求。
此外,现今大量采用免维护电池,由于相控电源的纹波系数大,浮充电压易波动,会出现蓄电池脉动充放电现象,对蓄电池损害极大,损害电池寿命。
高频开关电源由于其体积小,重量轻,技术指标优越,模块化设计,N+1热备份方式,便于“四遥”等优点,已在诸多领域得到广泛应用,如在计算机、航空航天、仪器仪表等方面。
我公司研制开发的G2B系列消防电源,是专为消防系统研发的新型“四遥”高频开关电源,模块采用世界领先的“谐振电压型双环控制的谐振开关电源技术”,具有体积小、重量轻、效率高、高可靠等优点。
输出标称电压为600V,配有标准RS-485接口,易于与自动化系统对接。
适于消防及相关行业使用。
§1.2 系统性能特点●模块化设计,N+1热备,可平滑扩容。
●全智能设计,通过串行通信,可自动实现:模块的开/关机、充电方式转换、输出电压调节、输出限流点整定、转换同步等功能。
●模块配有标准RS—485接口,方便接入自动化系统,实现“四遥”及无人值守。
●模块可带电插拔,更换安全方便。
§1.3、模块的主要特点1、效率高,模块效率可达到95%~96%。
2、重量轻,体积小。
3、采用“三相无源功率因数校正电路”,无中线,功率因数可达0.94。
4、采用隔离自主均流,并机不均流度<±3%。
5、模块内置直流输出隔离二极管,用户无需外设。
6、模块为LED数码管显示,分别设置显示切换按钮、手动调压按钮、拨码开关,操作简单。
§1.4、模块的主要功能一、保护功能●输出过压保护:输出电压过高对用电设备会造成灾难性事故,为杜绝此类情况发生,我公司的高频模块内有过压保护电路,出现过压后模块自动锁死,显示屏显示故障信息,故障模块自动退出工作而不影响整个系统正常运行;G2-B系列模块过压点为640±20V。
创维售后内部平板故障速查表32L05HR8M60LG主板5800-A8M600-0010不开机U63R1247L05HF8M60LG主板5800-A8M600-0020不开机U23.3V稳压管32L05HR8M60LG主板5800-A8M600-0000自动开关机U56M5832LBAIW8TTG三星主板5800-A8TT34-01自动开关机U3693032L16IW8R07创维主板5800-A8R070-0010不开机US312816832L05HR8M60LG主板5800-A8M600-0000不开机U63R1232L01HM8M19LG主板5800-A8M190-0010不开机U416M1926LCAIW8TT3LG主板5800-A8TT33-04热机图像不良U13693032L01HW8M19LG主板5800-A8M190-0030不开机U416M1924S16IW8R07主板不开机U5328162226L16SW8R03主板不收台R102726232L05HR8K29主板不开机U34MT822232L05HR8K29主板老化花屏UD25TU32M1632L05HR8K29主板杂音L53220S137C32L05HR8K29主板花屏RND20220排阻22L08IW8H06主板不开机IC903AP151022L08IW8H06主板开机白屏IC00225X2047L20HW8DA2主板不开机U2425X8047L20HW8DA2主板AV无信号U1AX6832P93MV9G10电源板不开机U202780942L05HF8M60驱动板花屏U1010020A32P93MV9G10Y板不开机Q381139230G12232P93MV9G10X板不开机Q18230G12246L88IW8TP9驱动白屏ZCP2ACQ40LBAPW驱动竖线ICT14222T240L88IW8DA8驱动灰屏ICT14222T332P93MV9G10电源三无IC801120732P93MV9G10电源不开机U12243132P93MV9G10电源不开机C15132L01HM8M19电源板P32TQF不开机VD2218V稳压管32L05HR8M60电源板P32TLK不开机ZD216V稳压管32L05HR8M60电源板P32TLK背光不亮IC3H722432L05HR8M60电源板P32TLK无24VZD527V稳压管32L01HM8M19电源板P32TQF背光不亮CS14n732L05HR8M60电源板P32TLK 不开机IC4H343532L05HR8M60电源板P32TLK背光亮一下灭C36680P42L05HF8M60LG电源板5800-P42TLQ-000024V高R317100K42L05HF8M60LG电源板5800-P42TLQ-0000无24VIC303TL43142L05HF8M60LG电源板5800-P42TLQ-00005V低D102P6KE2042L05HF8M60LG 电源板5800-P42TLQ-0000无380VIC201NCP165342L05HF8M60LG电源板5800-P42TLQ-00005V低C102电容32L05HR8M60电源板无背光C36680P32L05HR8M60电源板无背光R370欧电阻32L05HR8M60电源板异响C3722nF32L05HR8M60电源板无背光Q7265532L05HR8M60电源板5V低ZD815V稳压管32L05HR8M60电源板5V带负载差T25100-062012-001032L05HR8M60电源板5V低C4810232L05HR8M60电源板5V低Q8265532L05HR8M60电源板一闪灭C36680P32L05HR8M60电源板无背光IC3H722432L05HR8M60电源板无5VZD815V稳压管32L05HR8M60电源板烧保险R12.2K26寸电源板5800-A26ATB-0050背光不亮Q201Q202D60926寸电源板5800-A26TQM-0110背光不亮IC601655626寸电源板5800-A26TQM-0110背光不亮C528电容26寸电源板5800-A26TQM-0110背光不亮C537电容26寸电源板5800-A26ATB-0050背光不亮U201332826寸电源板5800-A26ALM-0000背光不亮IC600997626寸电源板5800-A26ATB-0030背光亮一下灭Z201Z202二极管26寸电源板5800-A26TQM-0110背光不亮C510电容26寸电源板5800-A26ATB-0030背光不亮Q208二极管26L08HR8K21主板不开机IC608691226L08HR8K21主板不开机IC605108526L08HR8K21主板不开机IC803DDR26L08HR8K21主板死机IC803DDR32L05HR8K29主板不开机Q1W1A32L05HR8K29主板不开机U1325B6432L05HR8K29主板不开机U1424C3232L05HR8K29主板无台SAW2726232L05HR8K29主板有声无图Q2VH32L05HR8K29主板不开机X127.000晶振32L05HR8K29主板不开机U16148232L05HR8K29主板不开机L422uH32L05HR8K29主板无声C42310uF47LED108K81LG恒流板69172-0026A黑屏Q1018610246L98SW8TAG三星背光板SS46022S-H图暗T101T201变压器42LDARW8T19LG背光板6632L-0514A 黑屏Q201663547E70RG8M70LG恒流板69172L-0026A 黑屏Q20186124L98SW8M10三星背光板SS146022S-H黑屏Q101Q1027861242L16HF8G11奇美背光板1420B1-16A-S黑屏U205U206461442L16HF8G11奇美背光板1420B1-16A-S黑屏U3992847L01HF8M19奇美背光板VIT70081.00黑屏Q23Q24B44B3540L98SW8TTO三星背光板不亮F35A/125V47E70RG8M70LG恒流板6917L-0026A黑屏Q1018610247K10RM8K80LG背光板6632L-0581A黑屏U1U101989742L28RM8G20LG背光板6632L-0499A黑屏SU1989755L05HF8DA5LG背光板6632L-0536A黑屏U1921532L98SW8M10背光板黑屏Q201/Q204844742L28RM8G20背光板黑屏MU198976P18数字板彩色不良XN10024.576晶振6P18数字板有时黑屏XN50012.000晶振6P18数字板黑屏UN101120636P18数字板像暗UN10224C166P18数字板图像上部不良CN5041uF/16V42L28RM8G20LG主板5800-A8G28-01不开机U20083262642K05HR8K76LG主板5800-A8K76-01不开机U1822342L02HR8G29LG主板5800-A8G29-01亮一下灭U20083262642L08RM8G28主板不开机U20083262632L28RM8G28主板无图U20083262642L02RM8G29主板不开机U20083262642L02RM8G29主板USB无声U1722837M11HM8M20LG主板5800-A8M201-0000不开机U4324C3237M11HM8M20LG主板5800-A8M201-0000不开机C22电容26L08HR8K21电源板5800-P26ALM-0000不开机Q0343119L11ZW8K21电源板5800-P19TBN-01不开机IC71207268K21电源板5800-P26ADP-0030背光不亮Q201D609268K21电源板5800-P26TQM-0110不开机C537电容248K21电源板5800-P24AWN-0000背光不亮C10电容32P93MV9G10LGY板J063649图像不良R24/D2F47146L98SW8M10三星背光板SS2460225H异响T501HSZ31-703026L98PW8T19奇美背光板I260P1-12C黑屏T54001407293X-2T342L05HRLG电源板P42TLQ无5VC30112n/630V42L05HRLG电源板P42TLQ无5VT1015135-06085T-000042L05HRLG电源板P42TLQPFC电压高R210680K42L05HRLG电源板P42TLQ无24VIC301817C42L05HRLG电源板P42TLQ无背光CN7105800-242124-00106P28三星数字板5800-Y6P180-01有杂音LN15电感虚焊6D81三星数字板5800-Y6D801-00缺蓝色ICM0912696D81三星数字板5800-Y6D810-00不起高压ICM0912696T19三星数字板5800-Y6T190-01拉丝R954332电阻42L05HR8M60电源板P42TLQ无24VIC301127142L06HR8M60电源板P42TLQ5V高IC10243142L07HR8M60电源板P42TLQ无背光CN706L42TLQ-100042L08HR8M60电源板P42TLQ 无PFC电压R210680K26M30SW8N60电源板5800-P26ATB-0030背光不亮Q201/Q202D60926M30SW8N60电源板5800-P26ATB-0030背光不亮Q20412V26电源板5800-P26TQM-00不开机IC601655626电源板5800-P26TQM-00背光不亮C528电容32P93MV9G10三星374Y板花屏IC301123432P93MV9G10三星374X板花屏Q181/D101/F42230G122,200132P93MV9G10三星电源板不开机IC801120732P93MV9G10电源板三无ZD201/Q603/IC7015500,C0308G46L98SW8TAG三星背光板SS146022S-H黑屏F110A/125V47K10RM8K80LG背光板PPW-CC47NS-M黑屏F112A/65V46LBASW8TP5三星背光板LT460BLWS1A一闪灭T219/T220逆变器46E60HR8K80奇美恒流板T87D085.00黑屏D230A60CTB42L02RF8K23LG背光板6632L-0604A黑屏R30910232L01HM8M19夏普背光板2995318700闪灭T7502871024100/0915B37L05HR8M60奇美背光板VIT70076.30黑屏Q23P440XEOG42L28HM-F8G20LG主板5800-A8620-01花屏U600BGA303642L28HM-F8G20LG主板5800-A8620-01无酷KU88722832L05HR8K76LG主板5800-A8K76-0101不开机U1822347K10HM8K80LG主板5800-A8K80-02无声U812335832LCAM8TG5LG主板5800-A8TG5-01不开机U148105137M11HM8M20LG主板5800-A8M201-0000不开机CPU8M1826L08HR8K21奇美主板5800-A8K210-0020不开机IC701822126L08HR8K22奇美主板5800-A8K210-0230不开机IC802FLASH26L08HR8K23奇美主板5800-A8K210-0210无台IC101TDA988526L08HR8K24奇美主板5800-A8K210-0110关机后开机USBC110电容26L08HR8K25奇美主板5800-A8K210-0230不开机IC804DDR26L08HR8K26奇美主板5800-A8K210-0230不开机Q6021A26L08HR8K27奇美主板5800-A8K210-0220不开机IC702/IC801主芯片/24C3232LO2HM8M19LG主板5800-A8M190-0030AV花屏U4324C6432LO3HM8M19LG 主板5800-A8M190-0030黑屏U3943542L04HR8M60LG主板5800-A8M60-0040不开机U63R1242L05HR8M60LG主板5800-A8M60-0040不开机U56M5832L88IW8TT3LG主板5800-A8TT31-04不遥控U13693042LBAIW8TT9LG主板5800-A8TT94-04不开机U13301824E12HR8K27AU主板715G4089-MOF-000-004L花屏U4106DDR26L16SW8R01奇美主板5800-A8R010-01不开机U43.3V稳压42L20HR8DA2LG主板5800-A8DA21-01不开机U24810532L16HC8T1GLG主板5800-A8T1G-01花屏U701DDR32L16HC8T1GLG主板5800-A8T1G-01无图U600866832L16HC8T1GLG主板5800-A8T1G-01无图U600866832L05HR8K29LG主板5800-A8K29-0101不开机UD232M1632L28RM8G28LG主板5800-A8G28-10干扰U20083262632L03HR8M60LG电源板P32TTU无5VD62327V稳压管32L03HR8M60LG电源板P32TTU无5VD6115.1V稳压管32L03HR8M60LG电源板P32TTU有时不开机C673104电容32L03HR8M60LG电源板P32TTU 不开机D61915V稳压管32E60HR8R81创维恒流板5800-P32DWD不开机Q101JC730R32E60HR8R81创维恒流板5800-P32DWD不开机Q3016N40C32E60HR8R81创维恒流板5800-P32DWD不开机D101P943-U2G47E70RE8M70LG恒流板69172-0026A不开机Q1018610232L18RM8G20夏普背光板U84PA-E0003486E不开机Q21/Q23/Q20/Q22TPC8110,/74542L03RF8M68LG背光板66322-0582A黑屏F20112A/65V26L08HR8K21奇美主板5800-A8K210-0230不开机IC606158726L09HR8K22奇美主板5800-A8K210-0010花屏IC803DDR26L10HR8K23奇美主板5800-A8K210-0010不开机IC802Flash26L11HR8K24奇美主板5800-A8K210-0200不开机IC603313026L12HR8K25奇美主板5800-A8K210-0200无台SW10172626P28三星数字板5800-6P280-03图像不良CN504/XN500AAIZB32E60HR8R81LG主板5800-A8R800-0051不开机U9NTTU32M1624E12HR8K27AU主板715G4089-MOF-000-004L不开机U410612W26L16SW8M01奇美主板5800-A8M011-02少台Q3047欧电阻26L16SW8R01奇美主板5800-A8R010-02像不良J6ACT406CSH32L01HM8M19LG主板5800-A8M190-0030不开机U416M1947L01HF8M19LG主板5800-A8M190-0010不开机U416M1922电源板P22TQC-0000背光一闪灭T02变压器26电源板5800-P26TQM-0110不开机IC601655624电源板5800-P24AWN-0000不开机IC7127126电源板5800-P26TQM-00Q0背光一闪灭C520电容24电源板5800-P24AWN-0000背光一闪灭IC1991037TTF电源板无380VIC1坏753037TTF电源板无12V,24VDL601继电器坏37TTF电源板无12V,24VDL601继电器坏22L08IW8H11LG 主板5800-A8H110-0010不开机D903供电二极管24S20HR8K21奇美主板5800-A8K210-0120黑屏IC80225B3224S20HR8K22奇美主板5800-A8K210-0120黑屏IC80225B3224S20HR8K23奇美主板5800-A8K210-0120不开机Q909N5A26L08HR8K24奇美主板5800-A8K210-0230不开机Q602LA26L08HR8K25奇美主板5800-A8K210-0230不开机IC603313026L08HR8K26奇美主板5800-A8K210-0230不能播放USBIC50150F26L08HR8K27奇美主板5800-A8K210-0120无声C103电容32P93MV9G10电源板不开机U122/U202431/780960L09RF8M73驱动板260XWO2花屏U30032LBAIW8TT3驱动板无图R44R743断路26E60HR8M49创维背光板148P-D26T00-90黑屏D015V稳压管46L16HC8TAGLG背光板6632L-0448A黑屏MQ5/MQ4844722LEATV创维背光板5800-PLC020-00黑屏I065112-010925-0030LBAIW8TP2LG背光板6632L-0032B黑屏Q167336-S74F30232W60HR8R81创维背光板168P-P32DWD-00黑屏Q031SMK,830,03955L05RF8G29奇美背光板VITT007700一闪灭U1OZ964SN42TTF电源板无5VDL601继电器坏42TTF电源板无380VIC17530损坏42TTF电源板24V偏低24V反馈R50开路2.2K电阻开路32L03HR8M60电源板P32TTU 不开机Q6124401电源板P47TTT无5VU3615942LED108K81电源板P42TTT无24VC35贴片电容42LED118K81电源板P42TTT烧Q6R5200欧42LED128K81电源板P42TTT无24VU5SSC951242LED138K81电源板P42TTT烧Q6T14800-04210-700024E12HR8K27电源板715G4147无背光2C904RT848232LBAIW8TT3LG主板5800-Y8TT30-01黑屏U3151147L01HF8M19LG主板5800-A8M190-0030不开机C35235242L05HR8M60LG主板5800-A8M600-40不开机U63R1232L01HM8M19LG主板5800-A8M190-0020自动开关机U416M193D96LG数字板5800-Y6d950-00不开机U36930坏6P18LG数字板5800-Y6P180-02不开机UMN5008380坏6M31LG数字板5800-Y6M310-02不开机CM84102332l16hr8t1gLG主板5800-A8716-01不开机U2632l28rm8628LG主板5800-A8628-10蓝屏R151\L6010.9分压电阻32l02kr8629LG主板5800-A8629-00有时无图U100886AM6U47l0hr8629LG主板5800-A8629-00有干扰U1008326H32m10hr8k16LG主板5800-A8K76-01不开机U1822332hr8765LG主板5800-A8765-01不按键U18L0H42L05HF8M60电源板P42TLQ无24VU303TL43142L05HF8M60电源板P42TLQ无背光CN710L42TLQ-001042L05HF8M60LG主板5800-A8M600-0000不开机U6511632L05HR8M60LG主板5800-A8M600-0000不开机U56M5832L01HM9M19LG主板5800-A8M60-0030不开机U9159532L01HM8M19LG主板5800-A8M60-0030黑屏U1228162232L05HR8M60LG 主板5800-A8M60-0000不开机U725L6437L05HR8M60LG 主板5800-A8M60-0000不开机U63R1255L09RF80ASLG 主板5800-A80A52-0000不定时关机BGABGA32K06RA8M86LG主板5800-A8M600-03不开机U1008L9F1G26M30SW8M08创维主板5800-A8H061-0100不开机U16511642L03RH8M68LG主板5800-A8M730-0030不开机6M686M6842l03rl8M68LG 主板5800-A8M680-0110不开机6M686M6832M30SW8M08创维主板5800-A8N080-0110不开机U116511632L05HR8K29LG主板5800-A8K29-1000不开机C8710NF电容32L05HR8K29LG 主板5800-A8K29-1000不开机U34822232L05HR8K29LG 主板5800-A8K29-1000无声C4031NF电容32L05HR8M60LG主板5800-A8M600-0020自动开关机C5310NF电容32L05HR8M60LG主板5800-A8K600-0070TV无台U27TOA988526s15hr8M20LG 主板5800-A8M200-0000不开机DDRW941432L05HR8K29LG主板5800-A8K290-0021不开机U1424C3232L05HR8K29LG主板5800-A8K290-0021不开机D189400132L05HR8K29LG主板5800-A8K290-0021无声L99110UF电容32L05HR8K29LG 主板5800-A8K290-0021无声U40570632L05HR8K29LG 主板5800-A8K290-0021无台U19988532L05HR8K29LG 主板5800-A8K290-0021不开机UD25tu32m1626L08HR8K21奇美主板5800-A8K210-230不开机IC606.IC6081587.691226L08HR8K21奇美主板5800-A8K210-230不开机IC701主芯片26L08HR8K21奇美主板5800-A8K210-230无台IC10170A988526L08HR8K21奇美主板5800-A8K210-0000白屏IC90324C0826L08HR8K21奇美主板5800-A8K210-0010水印IC804DDR42L05HF8M60LG 主板5800-AKM600-0020不开机U725B6442L05HF8M60LG主板5800-AKM600-0040不开机U5主芯片42L05HF8M60LG主板5800-AKM600-0040收不到台U27TDA988532L05HR8M60LG主板5800-AKM600-0040黑屏U725B6432L88IW8DA8三星背光板VIT75001.50闪灭Q104461447L20HF8DA6奇美背光板VIT70042.50黑屏F4015A/160V52L16HF8G10奇美背光板VIT70037.53黑屏Q414.Q415D60637E60HR8R81创维恒流板5800-P32DWD-0010黑屏Q1016N40C42L16HC8TAGLG背光板6632L-0448A黑屏SC44/sv135V470UF/989747E70RG8M70LG恒流板6917L-0026A黑屏Q201lA3lA8-FDD-8610224E60HR8M49创维恒流板5800-D26T00-0900无光ZD015V稳压管47E70RG8M70LG恒流板69172-0026A不开机Q2018610247E70RG8M70LG恒流板69172-0026A不开机D1038210-00632L88IW8TK1三星背光板VIT75001.50闪灭T3T510075.21126TQM电源板5800-P26TQM-0010不开机D607780526TQM电源板5800-P26TQM-0010带不起负载Q610181526TQM电源板5800-P26TQM-0010背光不亮T603变压器26TQM电源板5800-P26TQM-0010背光不亮Q502三极管26TQM电源板5800-P26TQM-0010不开机ZD60330V稳压管26TQM电源板5800-P26TQM-0010背光不亮C535电容24E12HR8K27AU主板715G4089-MOF-000-004L不开机U41065tu32m1624E12HR8K27AU主板715G4089-MOF-000-004L黑屏FB7115供电电感32P93MV9G10LG主板5800-9G100-02不开机D47供电二极管32P93MV9G10LG主板5800-9G100-02开机无图U824C3220L98TV8H01LG主板5800-A8H010-00不开机IC00224C1626L08HR8K21奇美主板5800-A8K210-0010不开机IC80124C3226L08HR8K21奇美主板5800-A8K210-0020不开机IC80225B3226L08HR8K21奇美主板5800-A8K210-0010不开机IC803DDR26L08HR8K21奇美主板5800-A8K210-0220不开机IC701主芯片26L08HR8K21奇美主板5800-A8K210-0200无台IC80225F3237L01HM8M19夏普驱动板TW10794U-0黑屏IC6THV305152L16HF8G19LG 驱动板6870C-0152A热机干扰UC8484C7N32P93MV9G10031.LG电源板不开机IC801120732P93MV9G10031.LGY板黑屏IC24141032F26GT8ULLG驱动板黑屏UP127006D90LG 数字板彩色不良RM112电阻开路6P18LG数字板不开机RN909/RN905阻值增大32L05HR8K29LG主板5800-A8K290-1000不开机U16148232L05HR8K29LG主板5800-A8K290-1000开机花屏Q371E32L05HR8M60奇美主板5800-A8M600-0020不开机R1060欧电阻32L01HM8M1GLG主板5800-8M1G0-0000不开机U416M5822L08IW8R03奇美主板5800-A8R030-2000不开机U512671M47L01HF8M1GLG主板5800-8M1G0-0000黑屏U1228162232L05HR8M60LG主板5800-8M600-0020不开机U6511632L05HR8K29LG主板5800-A8K29-01无声U405706B32l08RM8G10LG主板5800-A8G10-01花屏U2008B6A0R42LED108K81LG主板5800-A8K81-01死机U1822232L05HR8K29LG主板5800-A8K29-01不开机U1325B6426l16sw8m01奇美主板5800-A8M011-02不开机U24988526l16sw8m01奇美主板5800-A8M011-02少台Q3012W26l16sw8m01奇美主板5800-A8M011-02不搜台U22520-380651-3226L16SW8R03奇美主板5800-A8R030-2000不开机US12671M26L16SW8R03奇美主板5800-A8R030-2000无伴音U1988526L16SW8R03奇美主板5800-A8R030-2000不开机US12671M32L882W8TT3奇美主板5800-A8TTS1-04花屏U36143832L01HM8M18LG主板5800-A8M180-1000不开机U9199532L05HR8M60LG主板5800-A8M60-0000不开机U63R1232L05HR8M60LG主板5800-A8M60-0000不开机U36W5832L05HR8M60LG主板5800-A8M60-0000无声U40570642L05HR8M60LG主板5800-A8M600-40无台U29726224E15HR8M49创维恒流5800-P24DWD黑屏U02AP3608EC24E15HR8M19创维背关板5800-P24DVVD-0000黑屏201CA1220电源板42TTS无12V,24VIC6076599怀电源板42TTS无12V,24VM603,M04怀3469怀电源板42TTS无12V,24VD405IN4148电源板42TTS无380V激励三极管1275和322832L05HR8M60LG主板5800-A8M600-000花屏U6511647L05HF8M61LG主板5800-A8M600-000不开机U56W5832L07HR8M62LG主板5800-A8M600-000不开机U63R1232L08HR8M63LG主板5800-A8M600-000不开机U725B6432L09HR8M64LG主板5800-A8M600-000无声U40570655L05HF8G29奇美背光板V1TT007.03黑屏Q61、Q654404EDG55L05HF8G29奇美背光板V1TT007.03黑屏Q80、Q76、Q794404EDG,2504BDG32L88IW8DA8三星背光板V1TT5001.50闪灭T3T5/0075,21132L98SW8TTK日立背光板MVC764黑屏F1,F34A/125V55L05HF8M68LG 背光板66322-0537A黑屏U201989842L16HR8DA2LG背光板66322-0448A异响MU19897电源板37TTF无24VIC71700怀42L05AF8M60奇美主板5800-A8M60-0040无台Q3181542L06AF8M60奇美主板5800-A8M60-0040不开机U56M5842L07AF8M60奇美主板5800-A8M60-0040不开机Y112M晶振42L08AF8M60奇美主板5800-A8M60-0040不开机U21153442L09AF8M60奇美主板5800-A8M60-0040无声C43110nf电容42L10AF8M60奇美主板5800-A8M60-0040不开机U924c6426L08HR8K21奇美主板5800-A8K210-0230花屏IC80124c3226L09HR8K21奇美主板5800-A8K210-0230不遥控IC809DDR26L10HR8K21奇美主板5800-A8K210-0230不开机IC80225B3226L11HR8K21奇美主板5800-A8K210-0230无台IC801TOA988526L14HR8K21奇美主板5800-A8K210-0010偏色IC902167126L15HR8K21奇美主板5800-A8K210-0010不开机IC60331303D28LG数字板无AV1U100HTV1806M31LG数字板不开机ICM01/ICM02FLASH/CPU32L01HM8M19LG主板5800-A8M190-0030不开机U9159532L02HM8M19LG主板5800-A8M190-0030黑屏U2228162232L03HM8M19LG主板5800-A8M190-0030无声U48893232L04HM8M19LG主板5800-A8M190-0030花屏U416M1942L05HF8M60LG主板5800-A8M600-0000不开机U7FLASH42L07HF8M60LG 主板5800-A8M600-0020黑屏U7FLASH32L05HR8M60LG 主板5800-A8M600-0000收不到台U27TOA988542L09HF8M60LG主板5800-A8M600-0020不开机U924C6442L10HF8M60LG主板5800-A8M600-40无声U40570642L05AF8M60奇美主板红灯不开机U725B6442L06AF8M60奇美主板红灯不开机R1060欧电阻开路42L08AF8M60奇美主板无声C43710nf电容42L10AF8M60奇美主板自动开关机U25153447L03RF8M68LG背光板6632L-0582A一闪灭U301989747L20HF8DA6奇美背光板VIT70042.51黑屏Q12Q264404EDG/2504BDC42L02RF8K23LG背光板6632L-0604A黑屏U1BD9215FV37L05HR8M60奇美背光板VIT70076.30黑屏Q26Q234404EDG/2504BDC32LED108K81创维恒流板5800-D32T00-0900黑屏R304R404R504R604/624电阻改为10532P93MV9G10三星电源板不开机ED2016.8V稳压管24S12HM8K20创维主板5800-A8K200-1010不开机CPUM7822126L08HR8K21奇美主板5800-A8K210-0230不开机IC608691226L08HR8K21奇美主板5800-A8K210-0010黑屏IC802Flash26L08HR8K21奇美主板5800-A8K210-0220不开机IC80124C3226L08HR8K21奇美主板5800-A8K210-0230无台IC101TOA988526L08HR8K21奇美主板5800-A8K210-0230水印IC803DDR47L03RF8K23LG主板5800-A8K230-0040遥控失效Q191A32L02RM8K23LG主板5800-A8K230-0040无声R71过孔不良32L98SW8TTYLG主板5800-A8TTY0-00图不良U7HY5DU283222B40K001HR8K27三星主板715G4089-MOF-000-004L花屏U4106NT5TU32M16CG40L98SW8TTO三星主板5800-A8TTM0-01AV切换花屏U11W79E63240L98SW8TTO三星主板5800-A8TTM0-01AV1有TV声U3314BE32L98SW8M10电源板AD231无5VU8TNY26632L98SW8M10电源板DLCD2624V低ED6026.2V稳压管42L05RF8M60电源板P42TLQ无24VR325510K42L05RF8M60电源板P43TLQ 无5VIC101101442L05RF8M60电源板P44TLQ背光一闪灭T7011309769D-00006D72数字板5800-Y6D721-00不开机UD1283806D72数字板5800-Y6D721-00老化半小时黑屏CD244电容漏电6D66数字板5800-Y6D660-02彩色不良UM324C166D72数字板5800-Y6D721-00绿屏有字符UD1632306D72数字板5800-Y6D721-00水印RP9101排阻32L16HC8610LG主板5800-A8610-01不开机U600866832LCAIW8765LG主板5800-A8765-01不开机U14FLASH32LCAIW8765LG主板5800-A8765-01不开机U14FLASH47L05HF8M60LG主板5800-A8M60-0020不开机U63R1232L05HR8M60LG主板5800-A8M60-0020不开机U56M583748PW8TTGLG主板5800-A8TTG1-00白屏有字符U36Q54742L05RF8M60LG主板5800-A8M60-0040不开机U56M5832S16IW8R07奇美主板5800-A8R070-0010不开机RP15RP1532S16IW8R07奇美主板5800-A8R070-0010不开机US126TZM26L08HR8K21主板5800-P26ALM-0000背光一闪灭IC6009976电源板5800-P26TQM-30背光不亮Q4\Q5\Q6\Q760N04电源板5800-P26TQM-30不开机D6*******电源板5800-P26TQM-30背光不亮Q2T2A电源板5800-P26TQM-30不开机D6*******电源板5800-P26TQM-0010带不起负载Q610\Q5091815\101332L01HM8M18LG电源板P32TQF 不开机U6FAN738232L01HM8M18LG电源板P32TQF一闪灭C514N732L01HM8M18LG电源板P32TQF不开机U9CQ056532L01HM8M18LG电源板P32TQF无背光V6440332L01HM8M18LG电源板P32TQF无5VV51AT32L28RM8G20电源板AD231不开机N29IN400740K01HR电源板715G3196无24VC915333电容32P93MV9G10电源板不开机C804C804电容32LHAIW8TT3AU驱动板XM0056CA黑屏C645电容42L16HR8TAGLG驱动板黑屏UC16840L88IW三星驱动板黑屏D1二极管42L16HR8G10LG驱动板黑屏UC1\0068A0068A32P93MV9G10Y板无光IC24141032L98SW8M10日立背光板HPC-1654E黑屏F20172V/5A42L98SW8TTOLG背光板6632L-0153C一闪灭Q210844742L16HR8DA2LG背光板6636L-0448A黑屏MU1989737L88IW8DA8LG背光板6632L-0199D黑屏F1/Q1Q260V.6.3A/895855L05HR8G29奇美背光板VII70077.00黑屏U278M0547K05HR8K29LG背光板6632L-0612A黑屏R1710355L05HF8G29奇美背光板VIT70077.30黑屏Q74/Q70/Q41/Q37P4404EDB/P2504BDG22L08IW8R03奇美主板5800-A8R030-3000不开机U6525F1626L16SW8R03奇美主板5800-A8R030-3000不搜台LN2LN226L16SW8R03奇美主板5800-A8R030-3000无AV1UX124L6432LBAIW8TTGLG主板5800-A8TT34-01不定时蓝线干扰U136G3032L05HR8M60LG主板5800-A8M600-0000不开机U56M586P18三星数字板5800-Y6P180-02不开机RN9104.7K电阻6D85三星数字板5800-Y6D850-01开5分钟不同步ICM30113076T19数字板5800-Y6T190-01不开机IC809/IC811Flash24C166D81数字板5800-Y6D810-00不开机RM533.3K电阻6D81数字板5800-Y6D810-00不开机ICM0912966D35数字板5800-Y6M500-12缺红色UM42EX426P18数字板5800-Y6P18-02图像彩色不良UN403TDA87593D20数字板5800-Y3D200-00不遥控U101HM60246电源板无380vIC6004981846电源板无12、24vIC607659932L98IW8TTMLG主板5800-A8TTM0-01AV 花屏U11W79E63240K01HR8K27三星主板715G4089-MOF-000-004L黑屏U410525L6440K01HR8K27三星主板715G4089-MOF-000-004L花屏U4106DDR24E12HR8K27AU主板715G4089-MOF-000-004L不开机U410525L6424L16SW8R19创维主板5800-A8R190-1020不开机U15767424L16SW8R19创维主板5800-A8R190-1020花屏RP9排阻32E60HR8R81LG主板5800-A8R800-0050不开机U15267426L08HR8K21奇美主板5800-A8K210-0010不开机IC701主芯片26L08HR8K21奇美主板5800-A8K210-0230不开机Q602IA26L08HR8K21奇美主板5800-A8K210-0200不开机IC80124C3226L08HR8K21奇美主板5800-A8K210-0220黑屏Q909N5D26L08HR8K21奇美主板5800-A8K210-0220黑屏Q909N5C26L08HR8K21奇美主板5800-A8K210-0230无图IC101TDA988526L08HR8K21奇美主板5800-A8K210-0230花屏IC902167126L08HR8K21奇美主板5800-A8K210-0200不开机IC80124C3232L05HR8M60LG主板5800-A8M600-0020不开机U6511632L01HM8M18LG主板5800-A8M180-0020键控失灵U416M1932L88IW8TTGLG主板5800-A8TTG1-04开机白屏U136G3032L05HR8M60LG主板5800-A8M600-0020不开机U725B6432L05HR8M60LG 主板5800-A8M600-0040无声C427C42732E60HR8R81LG主板5800-A8R800-0050不开机U15267432E60HR8R80LG主板5800-A8R810-0050花屏RP922欧排阻20L98TV8H01奇美主板5800-A8H010-00不开机IC002EEPR0M37L98PW8TTJLG主板5800-A8TTJ0-62不开机U101TVP514732L98IW8TTKLG 主板5800-A8TTG2-01不开机U1179E63224S20HR8K21奇美主板5800-A8K210-0120黑屏无台IC101.IC802TO9885.25B3224S20HR8K21奇美主板5800-A8K210-0120TV无彩色IC101TOA988526L08HR8K21奇美主板5800-A8K210-0220无图像IC101TOA988526L08HR8K21奇美主板5800-A8K210-0210不开机IC603313026L08HR8K21奇美主板5800-A8K210-0220无声C130电容26L08HR8K21奇美主板5800-A8K210-0230不开机IC80225f3226L08HR8K21奇美主板5800-A8K210-0230不开机IC80124c3247E70HR8M70LG 主板5800-A8M700-1030自动开关机U54K9F1G32E70HR8M70LG主板5800-A8M700-1030不开机U54K9F1G55E92RD8K86LG主板5800-A8K860-0010不开机U53G2850。
Rev. 4.0–07.04.20201®3SKKTThyristor ModulesSKKT 323/18 E Features*•Industrial standard package •Electrically insulated base plate•Heat transfer through aluminum oxide ceramic insulated metal base plate •Chip soldered on direct copper bonded Al 2O 3 ceramic•UL recognition, file no. E63532Typical Applications•DC motor control (e. g. for machine tools)•Temperature control (e. g. for ovens, chemical processes)•Professional light dimming (studios, theaters)Absolute Maximum Ratings SymbolConditions Values UnitChip I T(AV)sinus 180°T c =85°C 320A T c =100°C 241A I TSM 10ms T j =25°C 9500A T j =130°C 8200A i 2t10msT j =25°C 451250A²s T j =130°C336200A²s V RSM 1900V V RRM 1800V V DRM 1800V (di/dt)cr T j =130°C 130A/µs (dv/dt)cr T j =130°C1000V/µs T j -40...130°C Module T stg -40 (125)°C V isola.c.; 50 Hz; r.m.s.1min 3000V 1s3600VCharacteristics SymbolConditions min.typ.max.UnitChip V T T j =25°C,I T =750A 1.45V V T(TO)T j =130°C 0.81V r T T j =130°C0.85m ΩI DD ;I RD T j =130°C,V DD = V DRM ; V RD = V RRM 100mA t gd T j =25°C,I G =1A, di G /dt =1A/µs 1µs t gr V D = 0.67 * V DRM 2µs t q T j =130°C 150µs I H T j =25°C150500mA I L T j =25°C,R G =33Ω3002000mA V GT T j =25°C,d.c.2V I GT T j =25°C,d.c.150mA V GD T j =130°C, d.c.0.25V I GD T j =130°C, d.c.10mA R th(j-c)cont.per chip 0.091K/W per module 0.0455K/W R th(j-c)sin. 180°per chip 0.095K/W per module 0.048K/W R th(j-c)rec. 120°per chip 0.11K/W per module0.055K/WModule R th(c-s)chip 0.08K/W module 0.04K/W M s to heatsink M5 4.25 5.75Nm M t to terminals M87.6510.35Nm a 5 * 9.81m/s²w410g2Rev. 4.0–07.04.2020© by SEMIKRON© by SEMIKRON Rev. 4.0–07.04.20203SKKTtypical applications, which may still vary depending on the specific application. Therefore, products must be tested for the respective application in advance. Application adjustments may be necessary. The user of SEMIKRON products is responsible for the safety of their applications embedding SEMIKRON products and must take adequate safety measures to prevent the applications from causing a physical injury, fire or other problem if any of SEMIKRON products become faulty. The user is responsible to make sure that the application design is compliant with all applicable laws, regulations, norms and standards. Except as otherwise explicitly approved by SEMIKRON in a written document signed by authorized representatives of SEMIKRON, SEMIKRON products may not be used in any applications where a failure of the product or any consequences of the use thereof can reasonably be expected to result in personal injury. No representation or warranty is given and no liability is assumed with respect to the accuracy, completeness and/or use of any information herein, including without limitation, warranties of non-infringement of intellectual property rights of any third party. SEMIKRON does not assume any liability arising out of the applications or use of any product; neither does it convey any license under its patent rights, copyrights, trade secrets or other intellectual property rights, nor the rights of others. SEMIKRON makes no representation or warranty of non-infringement or alleged non-infringement of intellectual property rights of any third party which may arise from applications. Due to technical requirements our products may contain dangerous substances. For information on the types in question please contact the nearest SEMIKRON sales office. This document supersedes and replaces all information previously supplied and may be superseded by updates. SEMIKRON reserves the right to make changes.5。
第20章 220kV输电线路2B3模块杆塔基础通用设计2B3-ZB1子模块20.1 2B3-ZB1子模块(1)概述本模块为对应国网通用设计杆塔2B3模块的ZB1塔型,为直线塔型;适用的地基土为粉土、粘土(包括湿陷性黄土和膨胀土)的平地、丘陵和山地,共有20个基础。
(2)基础根开2B3-ZB1铁塔的根开尺寸表20.1-1(3)基础作用力2B3-ZB1铁塔的基础作用力见表20.1-2(kN)呼高(m)Tmax Tx Ty Nmax Nx Ny 18153.55 17.45 14.32 205.95 21.64 18.52 21164.64 17.91 15.04 218.17 22.33 19.46 24174.57 18.57 15.91 229.39 22.81 20.14 27182.31 19.4 16.63 240.96 24.33 21.5730 190.53 20.1 17.48 250.75 24.66 22.0433 196.92 20.72 17.97 261.53 26.25 23.536 204.02 21.28 18.65 270.19 26.57 23.95 (4)基础工程量速查表呼高(m)基础根开(mm)地脚螺栓根开(mm)地脚螺栓规格(Q235)正面根开侧面根开正面根开侧面根开18 3770 3770 200 200 4M27 21 4250 4250 200 200 4M27 24 4730 4730 200 200 4M27 27 5210 5210 200 200 4M27 30 5690 5690 200 200 4M27 33 6165 6165 200 200 4M27 36 6645 6645 200 200 4M27表20.1-3 2B3-ZB1-18~27基础工程量速查表:序号地质条件底板宽度(不含垫层)(m)基础埋深(含垫层)(m)2B3-ZB1-18~27土壤类别承载力(kPa) 上拔角地下水位(m)螺栓(kg) 钢材(kg) C20(m³)C15(m³)1 粉土稍密,粘土软塑90 10 1.5 2.2 2.4 93.1 207.6 13.48 0.442 粉土稍密,粘土软塑90 103 2.2 2.1 93.1 181.4 13.04 0.443 粘土,中等塑性100 15 2 2.2 1.9 93.1 168.8 12.76 0.444 粘土,中等塑性100 15 3 2.2 1.9 93.1 168.8 12.76 0.445 粘土,中等塑性100 15 无 2.2 1.9 93.1 168.8 12.76 0.446 粘土,可塑120 20 2 2.2 1.8 93.1 159.0 12.6 0.447 粘土,可塑120 20 3 2.2 1.8 93.1 159.0 12.6 0.448 粘土,可塑120 20 无 2.2 1.8 93.1 159.0 12.6 0.449 坚土,硬塑120~140 20 3 2.2 1.8 93.1 159.0 12.6 0.4410 坚土,硬塑120~140 20 无 2.2 1.8 93.1 159.0 12.6 0.44 表20.1-4 2B3-ZB1-30~36基础工程量速查表:序号地质条件底板宽度(不含垫层)(m)基础埋深(含垫层)(m)2B3-ZB1-30~36土壤类别承载力(kPa) 上拔角地下水位(m)螺栓(kg) 钢材(kg) C20(m³)C15(m³)1 粉土稍密,粘土软塑90 10 1.5 2.2 2.7 93.1 320.2 13.92 0.442 粉土稍密,粘土软塑90 103 2.2 2.3 93.1 197.7 13.32 0.443 粘土,中等塑性100 15 2 2.2 2.1 93.1 181.4 13.04 0.444 粘土,中等塑性100 15 3 2.2 2.1 93.1 181.4 13.04 0.445 粘土,中等塑性100 15 无 2.2 2.1 93.1 181.4 13.04 0.446 粘土,可塑120 20 2 2.2 1.9 93.1 168.8 12.76 0.447 粘土,可塑120 20 3 2.2 1.9 93.1 168.8 12.76 0.448 粘土,可塑120 20 无 2.2 1.9 93.1 168.8 12.76 0.449 坚土,硬塑120~140 20 3 2.2 1.9 93.1 168.8 12.76 0.4410 坚土,硬塑120~140 20 无 2.2 1.9 93.1 168.8 12.76 0.442B3-ZB2子模块20.2 2B3-ZB2子模块(1)概述本模块为对应国网通用设计杆塔2B3模块的ZB2塔型,为直线塔型;适用的地基土为粉土、粘土(包括湿陷性黄土和膨胀土)的平地、丘陵和山地,共有20个基础。
(2)基础根开2B3-ZB2铁塔的根开尺寸表20.2-1(3)基础作用力2B3-ZB2铁塔的基础作用力见表20.2-2(kN)呼高(m)Tmax Tx Ty Nmax Nx Ny 21195.09 22.07 18.69 253.7 27.2 23.83 24206.28 22.92 19.77 266.55 27.87 24.71 27216.54 23.37 20 278.51 28.83 25.86 30224.35 24.82 21.7 290.36 30.14 27.0133 233.33 25.28 22.28 301.17 31.04 28.0436 240.13 26.7 23.4 314.04 32.99 29.6839 248.29 27.26 24.06 324.21 33.72 30.5142 255.79 28.12 25.03 333.54 33.93 30.8445 262.48 28.12 25.14 342.91 34.96 31.97 (4)基础工程量速查表呼高(m)基础根开(mm)地脚螺栓根开(mm)地脚螺栓规格(Q235)正面根开侧面根开正面根开侧面根开21 4475 4475 200 200 4M27 24 4980 4980 200 200 4M27 27 5490 5490 200 200 4M27 30 6000 6000 200 200 4M27 33 6505 6505 200 200 4M30 36 7015 7015 200 200 4M30 39 7525 7525 200 200 4M30 42 8035 8035 200 200 4M30 45 8545 8545 200 200 4M30表20.2-3 2B3-ZB2-21~30基础工程量速查表:序号地质条件底板宽度(不含垫层)(m)基础埋深(含垫层)(m)2B3-ZB2-21~30土壤类别承载力(kPa) 上拔角地下水位(m)螺栓(kg) 钢材(kg) C20(m³)C15(m³)1 粉土稍密,粘土软塑90 10 1.5 2.4 2.5 93.1 561.9 18.16 0.442 粉土稍密,粘土软塑90 103 2.2 2.5 93.1 274.3 13.6 0.443 粘土,中等塑性100 15 2 2.2 2.3 93.1 255.0 13.32 0.444 粘土,中等塑性100 15 3 2.2 2.2 93.1 247.1 13.2 0.445 粘土,中等塑性100 15 无 2.2 2.2 93.1 247.1 13.2 0.446 粘土,可塑120 20 2 2.2 2.1 93.1 239.3 13.04 0.447 粘土,可塑120 20 3 2.2 2.1 93.1 239.3 13.04 0.448 粘土,可塑120 20 无 2.2 2.1 93.1 239.3 13.04 0.449 坚土,硬塑120~140 20 3 2.2 2.0 93.1 228.0 12.88 0.4410 坚土,硬塑120~140 20 无 2.2 2.0 93.1 228.0 12.88 0.44 表20.2-4 2B3-ZB2-33~45基础工程量速查表:序号地质条件底板宽度(不含垫层)(m)基础埋深(含垫层)(m)2B3-ZB2-33~45土壤类别承载力(kPa) 上拔角地下水位(m)螺栓(kg) 钢材(kg) C20(m³)C15(m³)1 粉土稍密,粘土软塑90 10 1.5 2.8 2.2 254.6 429.3 25.76 0.442 粉土稍密,粘土软塑90 103 2.4 2.5 254.6 561.9 18.16 0.443 粘土,中等塑性100 15 2 2.4 2.3 254.6 521.2 17.68 0.444 粘土,中等塑性100 15 3 2.4 2.2 254.6 505.3 17.4 0.445 粘土,中等塑性100 15 无 2.4 2.2 254.6 505.3 17.4 0.446 粘土,可塑120 20 2 2.4 2.1 254.6 489.7 17.16 0.447 粘土,可塑120 20 3 2.4 2.1 254.6 489.7 17.16 0.448 粘土,可塑120 20 无 2.4 2.1 254.6 489.7 17.16 0.449 坚土,硬塑120~140 20 3 2.4 2.0 254.6 464.8 16.88 0.4410 坚土,硬塑120~140 20 无 2.4 2.0 254.6 464.8 16.88 0.442B3-ZB3子模块20.3 2B3-ZB3子模块(1)概述本模块为对应国网通用设计杆塔2B3模块的ZB3塔型,为直线塔型;适用的地基土为粉土、粘土(包括湿陷性黄土和膨胀土)的平地、丘陵和山地,共有10个基础。
(2)基础根开2B3-ZB3铁塔的根开尺寸表20.3-1(3)基础作用力2B3-ZB3铁塔的基础作用力见表20.3-2(kN)呼高(m)Tmax Tx Ty Nmax Nx Ny 30257.77 29.34 25.22 335.43 35.67 31.55 33266.75 30.15 26.04 348.27 37.08 32.96 36275.76 30.59 26.68 359.3 37.69 33.78 39284.63 31.18 27.4 370.51 38.48 34.742 291.1 32.99 28.9 384.85 40.18 36.0945 298.67 33.29 29.22 396.61 41.61 37.54 (4)基础工程量速查表呼高(m)基础根开(mm)地脚螺栓根开(mm)地脚螺栓规格(Q235)正面根开侧面根开正面根开侧面根开30 6095 6095 200 200 4M30 33 6605 6605 200 200 4M30 36 7115 7115 200 200 4M30 39 7625 7625 200 200 4M30 42 8135 8135 200 200 4M30 45 8645 8645 200 200 4M30表20.3-3 2B3-ZB3-30~45基础工程量速查表:序号地质条件底板宽度(不含垫层)(m)基础埋深(含垫层)(m)2B3-ZB3-30~45土壤类别承载力(kPa) 上拔角地下水位(m)螺栓(kg) 钢材(kg) C20(m³)C15(m³)1 粉土稍密,粘土软塑90 10 1.5 2.8 2.6 254.6 510.6 26.76 0.442 粉土稍密,粘土软塑90 103 2.4 2.7 254.6 602.6 18.68 0.443 粘土,中等塑性100 15 2 2.4 2.6 254.6 586.8 18.44 0.444 粘土,中等塑性100 15 3 2.4 2.4 254.6 546.1 17.92 0.445 粘土,中等塑性100 15 无 2.4 2.4 254.6 546.1 17.92 0.446 粘土,可塑120 20 2 2.4 2.3 254.6 521.2 17.68 0.447 粘土,可塑120 20 3 2.4 2.3 254.6 521.2 17.68 0.448 粘土,可塑120 20 无 2.4 2.3 254.6 521.2 17.68 0.449 坚土,硬塑120~140 20 3 2.4 2.2 254.6 505.3 17.4 0.4410 坚土,硬塑120~140 20 无 2.4 2.2 254.6 505.3 17.4 0.442B3-ZBK子模块20.4 2B3-ZBK子模块(1)概述本模块为对应国网通用设计杆塔2B3模块的ZBK塔型,为直线塔型;适用的地基土为粉土、粘土(包括湿陷性黄土和膨胀土)的平地、丘陵和山地,共有10个基础。