管道安全检查表
- 格式:doc
- 大小:54.50 KB
- 文档页数:1
3.5.
4.1 管道月度安全检查表
检查日期:
填写检查日期,例如:2022年10月
管道信息:
填写管道的相关信息,包括管道编号、管道长度、管道所属单位等。
检查项:
1. 管道外观检查
- 检查管道表面是否有明显的腐蚀、破损、变形等情况。
- 检查管道附件是否完好,如承插、法兰、焊接部位等。
- 检查管道是否有渗漏现象,包括液体、气体等。
2. 管道绝缘层检查
- 检查管道绝缘层是否完整、无损坏。
- 检查绝缘层表面是否有明显的剥落、裂纹等情况。
3. 管道支撑检查
- 检查管道支撑件是否稳固、完好。
- 检查支撑件上是否有松动、断裂等现象。
4. 管道防腐检查
- 如适用,检查管道是否有防腐层,且防腐层是否完整、无损坏。
5. 管道安全标志检查
- 检查管道上的安全标志是否清晰可见。
- 检查标志上的文字、图标是否完整、正确。
6. 管道周边环境检查
- 检查管道周边环境是否存在潜在的安全隐患,如易燃物品、施工设备等。
检查结果:
根据上述检查项,对每一项进行勾选,标注是否合格。
如有不合格情况,需记录具体问题和建议修复方案。
处理措施:
根据检查结果,对不合格的项制定具体的处理措施,包括安排维修、更换、加固等。
备注:
在此栏填写其他需要说明的内容,如管道维护情况、特殊情况等。
注意:本检查表供参考使用,具体检查内容和标准应根据实际情况进行调整和完善。
油气管道施工工程安全检查表(非机械安全)
相关依据:《工业管道焊接过程施工及验收规范》、《安全生产法》、《重大危险源辨识》。
类似事故案:⒈1997年8月5日,某天然气集输管道管线破裂泄漏,致使直接经济损失250万人民币。
⒉1993年8月22日,芳烃厂开启离心泵,向炼油厂输送尾油,(泵操作压力0.7~0.8Mpa出口DN150mm,流量225m3/h),之后发生焊缝开裂事故漏油,漏出尾油落在近处高压蒸汽管线(4Mpa,350℃保温层上,达到尾油277℃然点而自然,燃烧过程中又燃爆一根c2,c3管线致使火势增大。
油气管输过程中最重要的危险是火灾爆炸,火灾爆炸可能发生在每一个油气可能泄露的区域;其次的危险是压力容器的物理爆炸;一般危险因素包括人员的高空坠落、人员触电、人员灼伤、机械伤害、高空落物伤人。
有害因素主要是油气、硫化氢等有害物质引起的人员慢性职业中毒、噪声引起的职业性噪声耳聋。
环境影响因素主要是指油气采输过程中产生的废气、污水、废渣等物质对环境造成的污染。
究其原因,油气管输所产生的危险因素主要源自石油天然气的危险性、管道腐蚀、设计施工缺陷、第三方损坏、自然灾害等影响。
因此,我们要进行安全检查,以便提早给予解决,降低危险发生率。
市政管道—管道—安全文明施工检查表项目概况
项目名称:市政管道施工
施工地点:[请填写施工地点]
施工单位:[请填写施工单位]
负责人:[请填写负责人姓名]
检查内容
1. 施工现场安全
- 检查施工现场的围挡是否完整,是否设置了明显的安全警示标示牌
- 检查现场的交通安排是否合理,是否设置了指示牌和警示标志
- 检查施工现场的临时设施,如施工平台、脚手架、交通隔离设施等是否稳固、完整并符合安全要求
2. 作业人员安全
- 检查作业人员是否佩戴个人防护用品,如安全帽、安全鞋、防护眼镜等
- 检查作业人员是否遵守安全操作规程,如不穿越管道、不随意接触设备等
- 检查作业人员是否接受过相关安全培训,并具备相关证书
3. 施工质量控制
- 检查施工现场是否按照图纸要求进行施工
- 检查管道的材料是否符合规范,并进行了正确的保护措施
- 检查管道的连接是否牢固、密封,并进行了必要的试压或试验
4. 文明施工
- 检查施工现场是否保持整洁,是否设置了垃圾箱和洗手设施- 检查施工人员的行为是否文明,如是否随地吐痰、乱扔烟蒂等
- 检查施工现场的噪音、粉尘等对周边环境是否有影响,并采取相应的控制措施
检查记录
检查结论
综合评估以上检查记录,本次市政管道施工的施工现场安全、作业人员安全、施工质量控制和文明施工均符合要求,但需对作业人员的安全操作进行进一步指导和培训,以确保施工的全面安全和质量。
备注
[请填写备注信息,如发现问题的整改要求、存在的风险等]
签字
负责人:__________________
检查人:__________________
日期:____________________。
管道施工阶段安全检查表完整施工前准备阶段1.[ ] 确保施工区域内没有未处理的地下设施或障碍物,并标示出已知的地下管道。
2.[ ] 确认施工区域周围的环境安全,例如附近是否有高压电源线,有无易燃物等。
3.[ ] 检查施工现场是否设置了符合安全要求的临时交通标志和围挡,并保持道路畅通。
4.[ ] 检查施工人员是否配备了必要的个人防护装备,如安全帽、安全鞋、手套等。
5.[ ] 检查施工机械设备是否符合安全要求,且经过合格的维护和检修。
6.[ ] 确认施工人员是否接受过必要的安全培训,并具备必要的施工技能。
施工过程中的安全措施1.[ ] 在施工期间,确保所有施工人员按照安全操作规程进行作业,并遵守相关施工手册。
2.[ ] 定期检查施工现场的安全状态,包括道路交通、机械设备运行是否正常,施工区域是否清洁整齐等。
3.[ ] 检查施工现场的人员是否正确使用个人防护装备,并遵守安全操作规程。
4.[ ] 确保工作人员使用合适的工具和设备进行作业,避免使用损坏或不符合要求的工具。
5.[ ] 对施工现场可能存在的安全隐患和事故风险进行评估,并采取必要的措施予以控制。
6.[ ] 确保施工区域内的安全通道畅通,方便人员疏散和救援行动。
施工结束后的安全检查1.[ ] 在施工结束后,进行巡检,确保施工现场的秩序和环境保持良好,并清理施工垃圾和残留物。
2.[ ] 对施工现场进行全面检查,包括机械设备是否关闭和固定、道路交通标志和围挡是否拆除等。
3.[ ] 检查施工区域是否恢复原状,消除对环境的污染和破坏。
4.[ ] 对施工过程中发现的安全隐患和事故风险进行记录和处理。
5.[ ] 编制施工总结报告,总结施工期间的安全经验和教训,提出改进意见和措施。
以上是管道施工阶段安全检查表的完整内容,旨在确保施工过程中的安全性和环境保护。
在进行安全检查时,请严格按照表中的事项进行检查,并做好记录和处理。
管道安装安全检查表日期:[填写日期]施工单位:[填写施工单位名称]1. 前期准备- [ ] 确认施工现场是否已经进行了相关的准备工作,例如清理和平整工作区域。
- [ ] 确保施工现场周边已设置警示标志,并采取措施确保施工现场的安全。
- [ ] 了解并确保施工员工已经接受相关的安全培训,并具备必要的证书和许可。
2. 管道安装- [ ] 检查管道的材质和型号是否符合设计要求,确认其质量和合格证。
- [ ] 监督施工人员在进行焊接或连接时是否遵守正确的工艺和操作规范。
- [ ] 检查管道的固定方式和支撑结构是否稳固可靠,防止管道漏水或倒塌的风险。
- [ ] 确认管道布置是否符合设计图纸和相关标准,避免过大或过小的弯曲,切勿将管道暴露在危险区域。
- [ ] 进行管道连接部位的压力测试,确保连接紧密并无泄漏。
3. 安全设备- [ ] 确认施工现场是否配备了必要的安全设备,例如安全帽、防护眼镜、耳塞等。
- [ ] 检查安全设备是否完好无损,并确保施工人员正确佩戴和使用。
4. 环境保护- [ ] 确保施工现场周边的环境保护工作已经得到落实,例如防止杂物和废料的随意排放。
- [ ] 检查施工现场是否进行了环境保护隐患的排查和整改。
5. 施工人员- [ ] 确认施工人员具备相应的经验和技能,能够熟练操作和使用相关工具和设备。
- [ ] 检查施工人员的工作证和资质证书,确保合法合规。
以上为管道安装安全检查表,施工单位应根据实际情况认真完成检查记录,并及时整改发现的安全隐患。
同时,施工单位应遵守相关法律法规,确保施工过程安全可靠,保护员工和环境的安全和健康。
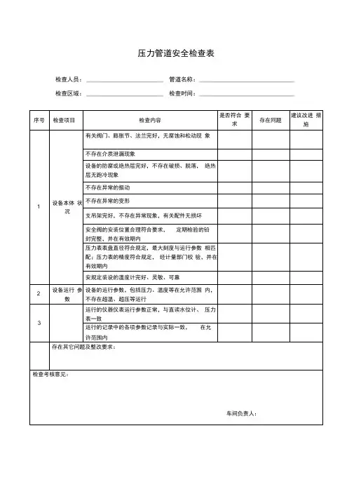
压力容器压力管道安全检查表1. 检查内容1.1 压力容器1.容器的制造商及型号是否与设计符合2.容器的使用年限是否已到期3.容器是否存在破损、变形、变色等异常情况4.容器内是否有物体阻塞或漏水等异常情况5.容器是否配备了足够数量且精确的安全阀门、压力表、温度计和液位计等设备,是否工作正常1.2 压力管道1.管道的材质、规格、设计参数是否符合要求2.管道是否存在破损、变形、腐蚀等异常情况3.管道连接是否紧密,是否存在渗漏、松动等异常情况4.管道内是否有物体阻塞、积垢等异常情况5.管道是否配备了足够数量且精确的安全阀门、压力表、温度计和液位计等设备,是否工作正常2. 检查方法2.1 目视检查对容器和管道进行目视检查,察看有无外观异常、破损、腐蚀、变形等情况,以及是否有松动的连接点、漏气等现象。
2.2 手摸检查对容器和管道进行手摸检查,摸检有无温度异常、震动、液体渗漏等现象。
2.3 使用检测设备使用检测设备进行检测,检测设备包括磁粉探伤仪、超声波探伤仪、射线探伤仪、渗透检测仪等。
3. 检查周期对于新安装的压力容器和管道,需要在安装后3个月内进行一次检查,以确认其安装和使用正常,并且在每年的春季或秋季进行定期检查。
对于使用时间超过5年的压力容器和管道,需要在使用年限到期前进行一次全面检查,并且在每年的春季或秋季进行定期检查。
4. 检查记录和处理对每次检查进行记录,并在检查后及时将存在问题的压力容器和管道进行标记。
对于存在问题的容器和管道,需要在检查后及时进行处理,确保问题能够得到解决,并且在下一次检查前完成处理。
同时,需要将处理情况进行明确记录和反馈。
对于存在严重安全问题的压力容器和管道,需要立即停止使用,并进行更换或修理。
食堂燃气管道安全检查表食堂燃气管道是食堂厨房的重要设备之一,保证燃气管道的安全使用对于食堂的正常运营和员工的生命财产安全都具有重要意义。
以下是食堂燃气管道安全检查表,旨在帮助食堂管理人员进行全面的安全检查:1.燃气管道布局和安装:- 确保燃气管道布局合理,管道走线明确,不得与其他设备交叉或堆放杂物。
- 确保燃气管道安装牢固,不得有松动、变形或者裂缝。
- 确保燃气管道与墙面或天花板之间的距离符合标准要求,不得过近或过远。
- 确保燃气管道的支架安装牢固,不得有松动或倾斜现象。
2.燃气管道连接和密封:- 检查燃气管道连接是否牢固,不得有松动或漏气现象。
- 检查燃气管道连接处的密封性能,不得有气体泄漏现象。
- 检查燃气管道连接处的螺纹、垫片等密封件是否完好,不得有破损或老化现象。
- 检查燃气管道连接处是否采用了合适的密封材料,不得使用易燃易爆材料。
3.燃气管道阀门和调压器:- 检查燃气管道阀门是否安装牢固,不得有松动或渗漏现象。
- 检查燃气管道阀门的开关灵活,不得卡死或难以调节。
- 检查燃气管道调压器的调压性能,确保调压精度符合标准要求。
- 检查燃气管道调压器的渗漏情况,不得有气体泄漏现象。
4.燃气管道附件和排气系统:- 检查燃气管道附件的安装是否符合标准要求,如阻火器、过滤器等。
- 检查燃气管道附件的使用寿命,如阻火器是否需要更换。
- 检查燃气管道排气系统的通畅性,确保排气畅通无阻。
5.燃气泄漏和火灾预防:- 检查燃气管道周围的通风情况,确保空气流通,并及时清除油污和杂物。
- 检查燃气管道周围是否存在易燃易爆物品,如有需及时清除。
- 检查燃气管道的检测装置是否正常运行,如泄漏报警器是否灵敏。
以上是食堂燃气管道安全检查表,通过对燃气管道的全面检查,能够发现潜在的安全隐患,及时进行维修和处理,确保食堂燃气管道的安全运行。
同时,食堂管理人员还需定期进行培训,提高员工的安全意识,加强火灾防范措施,确保食堂员工的安全。
架空燃气管道安全检查表架空燃气管道安全检查表一、整体检查1. 检查燃气管道的布置是否符合规范要求,是否有明显的破损、变形或松动现象。
2. 检查燃气管道的支撑架、吊杆、固定夹等是否安装牢固,是否有松动或脱落现象。
3. 检查燃气管道的连接处是否牢固,密封是否良好,是否有气体泄漏迹象。
4. 检查燃气管道的防腐蚀措施是否到位,是否有明显的腐蚀或锈蚀现象。
二、管道质量检查1. 检查燃气管道的材质是否符合规范要求,是否有明显的质量问题,如材料破损、缺陷或掺杂杂质等。
2. 检查燃气管道的壁厚是否符合规范要求,是否有明显的腐蚀或磨损现象。
3. 检查燃气管道的内壁是否光滑,无明显的凹凸、毛刺或结垢。
三、阀门检查1. 检查燃气管道上的阀门是否正常使用,是否易于操作,开关是否灵活,无卡顿现象。
2. 检查阀门的密封性能是否良好,关闭后是否有气体泄漏现象。
3. 检查阀门的防火防爆措施是否到位,是否存在明显的火灾隐患。
四、工作场所环境检查1. 检查工作场所的通风状况是否良好,是否满足燃气安全使用的要求。
2. 检查工作场所是否存在易燃物品或明火,是否存在引发火灾的隐患。
3. 检查工作场所是否存在明显的燃气泄漏现象,是否有燃气浓度超标的情况。
五、使用设备检查1. 检查燃气使用设备的安装是否符合规范要求,是否牢固可靠,不易倾倒或脱落。
2. 检查燃气使用设备的连接管道是否牢固,密封是否良好,是否有气体泄漏迹象。
3. 检查燃气使用设备的防火防爆措施是否到位,是否存在明显的火灾隐患。
六、应急处理检查1. 检查燃气管道是否设置了紧急切断阀,并保持正常工作状态。
2. 检查燃气泄漏报警系统是否正常工作,是否能及时发出警报信号。
3. 检查应急处理设备和器材是否齐全,是否易于操作,能否迅速处理燃气泄漏事故。
七、人员培训和安全意识检查1. 检查工作人员是否经过燃气安全培训,是否具备安全操作知识和技能。
2. 检查工作人员的安全意识是否足够,是否能够及时发现燃气安全问题并采取相应措施。