PC构件智能化生产线-自动生产线全自动钢筋加工中心设备
- 格式:pptx
- 大小:182.28 MB
- 文档页数:55
装配式混凝土构件生产方案装配式混凝土(Prefabricated Concrete,简称PC)构件是一种将混凝土部件在工厂中进行预制,然后在现场进行组装的建筑构件。
相对于传统的现场浇筑混凝土构件,PC构件具有质量可控、施工周期短、造价可控等优势。
在当前建筑行业推动绿色、环保、高效施工的背景下,PC 构件已经成为了建筑产业化发展的重要方向,也是建筑节能减排的重要途径之一一、生产设备和工艺PC构件的生产过程包括原材料预处理、骨架制作、模具制作、混凝土搅拌、浇注、养护等环节。
为了提高生产效率和质量,需要配备相应的设备和工艺流程。
1.预处理设备:包括混凝土搅拌设备、混凝土输送设备、混凝土测量设备等。
2.骨架制作设备:用于制作PC构件的内部骨架,主要包括钢筋加工设备、焊接设备等。
3.模具制作设备:用于制作PC构件的外部模具,主要包括木模具加工设备、模具定制设备等。
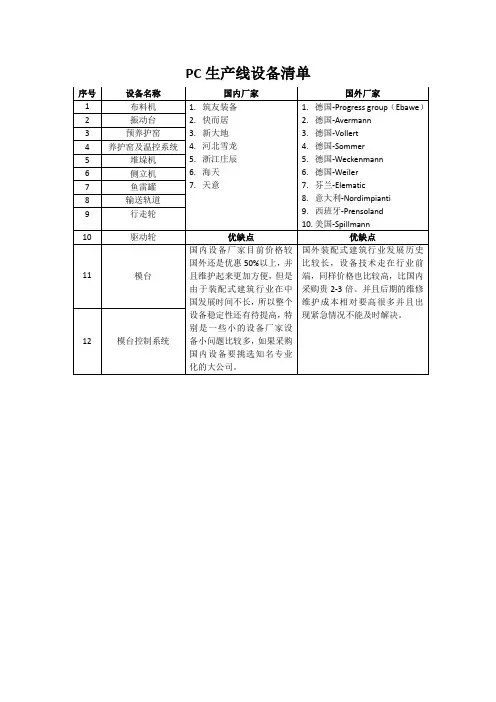
4.混凝土搅拌设备:用于将水泥、骨料、砂和水充分混合,生产混凝土。
5.混凝土浇注设备:用于将混凝土灌入模具中,形成PC构件的预制形式。
同时,为了保证生产质量和进一步提高生产效率,还需要根据不同类型的PC构件,配备相应的模具和生产工艺。
二、生产流程PC构件的生产流程可以分为以下几个步骤:1.制定生产计划:根据项目需求和生产能力,制定生产计划,确定生产数量和生产周期。
2.原材料预处理:对水泥、骨料、砂等原材料进行筛分、洗涤等预处理工序,以保证生产的混凝土质量。
3.骨架制作:根据构件的结构和尺寸要求,进行钢筋加工和焊接工序,制作构件的内部骨架。
4.模具制作:根据构件的形状和尺寸要求,制作相应的模具。
模具可以采用木模具、钢模具等不同材料制作。
5.混凝土搅拌和浇注:将经过预处理的原材料按照一定的比例放入混凝土搅拌设备中进行充分搅拌,然后使用混凝土浇注设备将混凝土灌入模具中。
6.养护:在混凝土浇注完成后,对PC构件进行养护,保证混凝土的强度发展和质量稳定。
7.构件运输和拼装:经过养护的PC构件进行包装和运输,并在现场进行拼装。
PC线生产优势与流程随着我国经济的持续快速发展,住宅产业化时代已经来临。
为满足住宅产业化要求,迫切需要一种新型高效的建材核心制造装备的产生。
在这种情况下混凝土预制构件生产线成套设备(以下称PC线)应运而生。
一、PC线生产的优势:与传统的建材制造设备及制作工艺相比,PC线具有以下优势:1.环形流转高效自动PC线拥有六大核心工位,两大原材料加工中心。
整体采用环形结构设计,可实现模台循环作业。
模台的运行、清扫、布线以及混凝土浇注、抹平、码垛等均可实现自动化操作,具有极高的自动化程度,大大提高产品生产效率,减少工人劳动强度。
2.先进工艺优化布局PC线优化改进了混凝土预制构件的生产工艺,使得集成度更高,从而减少了生产设备的占地面积,且加快了机械化生产节奏。
3.智能监控系统管理中央控制系统实时监控生产全过程,配套ERP系统可处理订单、生产、仓储发送数据。
可实现对设备的全生命周期的管理。
4.量身定制高效对接PC线配备量身定制的搅拌站与无线遥控的运输车,可实现二者无缝对接。
根据指令,快速送料,极大提高了生产效率。
5.快速布料精准操作PC线采用三轴布料机,三轴布料机是一套分体式、全三维、高精度的专用运动控制设备,可实现布料的精准操控,完成标准化、模块化生产。
且该布料机运行可靠、维护方便。
6.自由调节低震降噪本PC线配置的振动电机转速可调,且为自动调速,可实现振动台实时调节振动频率及激振力,密实不同类型构件,密实效果好,且噪音低。
7.适应性广安装便捷PC线可在任何平整的地面上安装,无需开挖地坑,减少基础工程的施工量,大大节约建材生产厂家的投入成本。
8.可靠品质全程服务我公司拥有一支专业的售前、售中及售后服务队伍,可对PC线全生命周期进行服务,保障设备的可靠品质,安全运行。
二、PC线生产流程:模台清理:模台清理包括两大步:1、刮刀清理模台上固结的大混凝土块。
2、双滚刷深层次清扫模台,工业吸尘器收集清扫出来的粉尘,净化工作环境。
钢结构生产线是固建机器人自行研发且具有13项自主知识产权,是一条用于钢结构生产的智能生产线,该钢结构智能生产线实现了钢板的下料、搬运、焊接、抛丸、喷涂的自动化生产。
整线按照功能分为智能下料线、智能焊接线和智能涂装线。
既能有效提高效率和质量稳定性,又能减少操作人员数量,降低对人工的依赖,同时也能降低安全风险。
图 1固建机器人钢结构生产线1、智能下料线智能下料线包含积放式辊道、表面处理单元、切割下料单元。
通过积放式辊道将整张板料输送到表面处理单元,通过钢丝刷辊将板材表面浮锈去除干净,钢丝刷辊上下间隙可通过程序控制自动调节,以适应不同板厚的表面处理;表面处理后,板材进入切割下料单元,该单元通过CAM软件对CAD图形或三维模型处理,实现不同形状和板厚的自动切割;切割好的零件被辊道送至下料平台后由桁架机械手通过激光视觉定位系统,自动识别物料位置并抓取到指定位置存放或进入到铣边倒角单元;铣边倒角单元可通过板材宽度和厚度检测系统,自动调节动力头之间的间距,来实现不同规格零件的铣边倒角,通过控制系统预设参数,只选择加工类型就可实现产品加工。
此线可为后续智能焊接线提供较为标准的零件,从而使焊接产品精度进一步提升,也能减少一定的焊接变形;该线也可通过增加龙门桁架机械手、激光视觉定位、AVG牵引车实现原料板材的自动转运和上线。
图 2固建机器人钢结构生产线-智能下料线2、智能焊接线智能焊接线包含框架组立单元、框架焊接单元、整形矫正单元、下料单元、辅件焊接单元。
单个零件通过积放式辊道将不同零件安顺序送入组立单元后,夹紧机构将其加紧后根据主体框架形状旋转角度,完成组装后可由光构相机检测各零件之间的间隙,如有异常,夹紧机构可实现自动调节,确保间隙均匀、对称,可有效减少焊接变形,组装完成后焊接机器人开始埋弧焊接(包含点焊和满焊),同时通过激光焊缝跟踪,对偏离轨迹自动修正,确保焊接质量稳定;由于焊接变形较大,在焊接辅件之前需要通过液压整形矫正;整形完成后积放式辊道将框架主体输送到指定位置,由下料单元裁成不同长度,然后准备辅件的焊接;搬运机器人通过激光视觉系统自动寻找并识别辅件;将各个辅件依次抓取至指定位置并焊接,搬运机器人上的抓取夹具可根据不同的辅件安装方式和形状实现夹具的自动快速更换(类似加工中心刀具自动更换)。
预制构件自动化生产线一、背景介绍预制构件是指在工厂或者现场预先创造好的构件,具有高质量、高效率和可重复使用等优势。
为了满足市场需求,提高生产效率和质量,预制构件自动化生产线应运而生。
本文将详细介绍预制构件自动化生产线的标准格式。
二、生产线布局1. 设备配置预制构件自动化生产线包括以下主要设备:- 预制构件生产设备:包括混凝土搅拌机、模具、振动台等。
- 自动化输送设备:用于将原材料输送到相应的工作站。
- 自动化加工设备:包括切割机、焊接机、钻孔机等,用于对构件进行加工。
- 自动化装配设备:用于将不同构件进行装配。
- 自动化检测设备:用于对构件进行质量检测。
- 自动化包装设备:用于对构件进行包装和标记。
2. 生产线布局预制构件自动化生产线的布局应根据生产工艺和设备之间的关系进行合理规划。
普通而言,可以采用流水线布局或者U型布局。
流水线布局适合于生产线上的工序相对固定且生产量较大的情况,而U型布局适合于生产线上的工序相对较少且需要频繁调整的情况。
三、生产过程1. 原材料准备原材料包括混凝土、钢筋、模具等。
在生产线开始前,需要准备足够的原材料,并进行质量检测和分类。
2. 混凝土搅拌和浇筑将混凝土原料放入混凝土搅拌机中进行搅拌,然后将搅拌好的混凝土倒入模具中,通过振动台进行浇筑,以确保混凝土的均匀性和密实性。
3. 构件加工经过一定的固化时间后,将浇筑好的构件从模具中取出,进行切割、焊接、钻孔等加工工序。
这些工序可以通过自动化加工设备完成,以提高生产效率和质量。
4. 构件装配将经过加工的构件进行装配,可以采用自动化装配设备进行快速、准确的装配,以确保构件的稳定性和安全性。
5. 构件检测对装配好的构件进行质量检测,可以采用自动化检测设备进行尺寸、强度、外观等方面的检测,以确保构件符合相关标准和要求。
6. 构件包装和标记对通过检测的构件进行包装和标记,以便于运输和使用。
可以采用自动化包装设备进行快速、规范的包装和标记。
升芯式芯模振动全自动生产线设备介绍“升芯式芯模振动全自动生产线”为国内首创生产全过程、全工序(底托输送、管道成型、成品运送、管道排放、管道养护)全自动运行的钢筋混凝土排水管生产线,具有运行数据采集、沉淀、分析、智能化判断功能;生产线由“制管成型主机系统”、“排水管运管小车”、“后台底托自动抓取放置系统”、“工作液压及润滑冷却液压系统”、“配电及闭环自动控制系统”等部分组成。
设备优点:1 .生产线主机成型混凝土排水管的升芯速度、喂料速度和振动频率间的智能化调控,保证了产品质量、提高了工效;2 .自动选择及放置底托盘降低了劳动强度,提高了生产效率;3 .生产线采用高频振动、干硬性混凝土生产,速即脱模、无需蒸养,节能效果显著;4 .自动生产情况下,300-500管约6分钟一组,600-800管约7分钟一组;IOoO〜1200约9分钟一根;5 .可生产DN300-1200mm、L2000mm的各类口型钢筋混凝土排水管;6 .产品密实度高(实测产品芯样吸水率4.1-5.2%)产品抗压、抗渗合格率100%;7 .本成型工艺装备对钢筋骨架及砂石骨料无特殊要求;8 .生产线产品适应性强,可生产各类普通排水管、带底座管、顶管、内衬防腐管等。
DN1200-3000芯模振动制管成型设备介绍:“芯模振动制管设备”为国内芯模振动龙头企业苏州科星混凝土水泥制品装备有限公司承担2002年国家科技部开发项目的成果转化,2004年起在全国推广;设备及工艺技术唯一通过部级鉴定,获部级科技进步二等奖,并获多项专利;部分技术指标超过进口设备;设备优点:1 .成型规格:DN1200-3000mm>L2000mm的各类口型钢筋混凝土排水管;2 .产能:3 .采用干硬性混凝土高频振动成型,无废水废浆排放;4 .产品密实度高(实测产品芯样吸水率4.1-5.2%),产品抗压、抗渗合格率100%;5 .成型后速即脱模,免蒸汽自然养护;6 .本成型工艺装备对钢筋骨架及砂石骨料无特殊要求;7 .生产线产品适应性强,可生产各类普通排水管、带底座管、顶管、内衬防腐管等。
智能钢筋加工实施方案随着科技的不断发展,智能化生产已经成为现代制造业的主要趋势之一。
在建筑行业中,钢筋加工作为建筑施工的重要环节,也需要不断引入智能化技术,以提高生产效率和产品质量。
因此,制定一套智能钢筋加工实施方案,对于推动建筑行业的智能化转型具有重要意义。
首先,智能钢筋加工实施方案需要包括先进的加工设备和技术。
传统的钢筋加工主要依靠人工操作,效率低下且易出现误差。
而引入智能化设备,如数控弯曲机、自动切割机等,可以大大提高加工效率,同时保证加工精度,减少人为因素对产品质量的影响。
其次,智能钢筋加工实施方案还需要考虑信息化管理系统的建设。
通过引入智能化管理系统,可以实现对生产过程的全面监控和数据记录,对生产计划、设备运行状态、产品质量等方面进行实时跟踪和分析。
这不仅有助于管理者及时了解生产情况,还可以为生产过程中的优化提供数据支持。
另外,智能钢筋加工实施方案还需要注重人才培养和技术创新。
随着智能化技术的不断更新换代,需要具备相关技术知识和操作技能的人才成为行业发展的关键。
因此,建立钢筋加工技术培训体系,不断提升员工的技术水平和创新意识,对于实施智能化生产至关重要。
最后,智能钢筋加工实施方案还需要考虑与供应链的协同发展。
在建筑行业中,钢筋加工环节往往与原材料供应商、建筑施工单位等多个环节存在紧密联系。
因此,建立起智能化的供应链管理体系,实现与上下游环节的信息共享和协同配合,对于提高整体生产效率和产品质量具有重要意义。
综上所述,制定一套完善的智能钢筋加工实施方案,需要综合考虑设备技术、信息化管理、人才培养和供应链协同等多个方面的因素。
只有全面推进智能化转型,才能更好地满足建筑行业对于高效、精准、可持续发展的需求。
希望通过不断的努力和创新,建筑行业能够迎来更加智能化、高效化的发展新时代。
装配式建筑新建PC工厂项目工艺设计说明书编制:__________________审核:__________________批准:__________________20XX年XX月目录装配式建筑 (1)新建PC工厂项目工艺 (1)设计说明书 (1)第一部分:生产工艺设计 (3)一、设计依据 (3)二、生产任务及年生产规模、工作制度及年时基数 (3)三、工艺设计 (3)四、生产用电规划 (28)五、主要原材料消耗: (30)第二部分、PC构件自动化生产线设备技术规范书 (32)一、总则 (32)二、项目概况及产能指标 (32)三、设备配置基本方案 (33)四、工程界面分工 (34)五、设计制造技术标准 (35)六、生产线设备及相关设施的基本参数和技术要求 (36)七、生产线控制系统技术要求 (43)八、液压系统技术要求 (44)九、供货范围 (45)十、清洁、油漆、包装、运输及到货保管 (46)十一、技术资料及交付进度 (47)十二、交货进度 (50)十三、监造、检验和性能验收试验 (50)十四、技术服务和设计联络 (53)十五、现场施工 (55)十六、安装、调试及试运行 (56)十七、验收 (56)十八、售后服务: (57)十九、工程进度表 (57)第一部分:生产工艺设计一、设计依据1.国家及行业的相关规范、标准。
2.年生产规模。
3.PC构件产品数据:产品几何尺寸、产品重量、产品的质量规范。
4.PC构件产品生产工艺文件等。
5.相关协议及技术规定等。
二、生产任务及年生产规模、工作制度及年时基数1.项目目标要求:建设国内一流的混凝土PC构件生产工厂,满足装配式住宅所有部件的生产制作,确保工艺先进,制造水平、生产效率、产品品质在国内领先。
2.生产能力:生产能力:年产混凝土构件150000m³,涵盖装配式住宅所需的全部产品:外墙板、内墙板、叠合板及楼梯、阳台板、空调板、梁柱等异型构件。
3.工作制度及年时基数:二班运转:8时/班;年时基数:300×16=4800小时(产能计算16小时/天计算),生产节拍按15分钟计算。
一种施工用的自动化钢筋加工设备及加工方法
一种施工用的自动化钢筋加工设备及加工方法是钢筋弯曲机。
钢筋弯曲机是一种专门用于钢筋加工的设备,可以实现对钢筋进行弯曲、切割和连接等一系列加工操作。
该设备的自动化特点使得施工中的钢筋加工更加高效、精确和安全。
钢筋弯曲机的工作原理是通过设备上的电动机和液压系统来控制钢筋的加工动作。
首先,将需要加工的钢筋放入弯曲机的工作台中,通过控制面板上的设置,可以选择所需的加工角度和弯曲半径。
然后,启动设备,钢筋会被自动夹紧,并通过电动机的转动产生弯曲动作。
同时,液压系统可以控制弯曲力度和速度,保证加工过程中的稳定性和精确性。
最后,设备会自动完成弯曲后的钢筋释放,并准确地回到原始位置,以便进行下一道工序。
钢筋弯曲机的设计和制造要考虑到施工现场的实际需求。
因此,设备通常具有结构紧凑、移动方便的特点。
同时,为了提高设备的自动化程度,还可以引入传感器和控制系统来监测和调节加工过程中的各种参数,如弯曲力度、弯曲角度和工作速度等。
钢筋弯曲机的应用范围非常广泛。
在大型建筑施工现场,常常需要大量的钢筋加工。
传统的手工加工方式不仅效率低下,而且存在安全隐患。
自动化钢筋弯曲机则可以大大提高工作效率和质量,并降低人力成本和工伤风险。
总之,钢筋弯曲机是一种在施工现场广泛应用的自动化钢筋加
工设备。
它的自动化特点和高效性使得钢筋加工更加简便、安全和精确。
随着施工技术的不断发展,钢筋加工设备也将不断升级和改良,以满足不断变化的施工需求。
钢筋加工流程的自动化与智能化应用研究人类对于自动化与智能化的追求从未停止,无论是工业生产中的机器人应用,还是日常生活中的智能家居,这些技术的应用都极大地提高了效率和便利性。
在工程建设领域,钢筋加工是一个复杂而重要的过程,其自动化与智能化的应用也引起了人们的广泛关注和研究。
一、钢筋加工的基础流程钢筋加工是建筑施工中不可或缺的一部分,它包括了从钢筋原材料的采购到最终的成品出厂的整个过程。
基础的加工流程包括钢筋的切割、弯曲和焊接等环节。
传统的钢筋加工流程需要大量的人工操作,劳动强度大且容易产生误差,效率也难以保证。
二、自动化技术在钢筋加工中的应用为了改善传统的钢筋加工流程,提高效率和质量,自动化技术被引入到了这个领域。
首先,通过引入自动化设备,如自动钢筋切割机、自动钢筋弯曲机和自动焊接机器人等,可以实现对钢筋的快速、准确的加工。
这些设备能够根据预设的程序一次完成多个工序,减少了人为的操作,节约了时间和精力。
其次,通过使用激光测量仪等传感器技术,可以对钢筋材料的尺寸、长度和角度等进行精确测量,有效避免了由于人为因素引起的尺寸偏差和焊接失真等问题。
同时,结合智能控制系统,可以实现整个加工过程的自动控制和监测,确保质量和安全。
三、智能化技术在钢筋加工中的应用除了自动化技术的应用,智能化技术也在钢筋加工中发挥重要作用。
通过使用计算机视觉技术,可以实现对钢筋品质的在线检测和缺陷预警。
利用机器学习算法,可以对大量的数据进行分析和处理,提高产品的质量控制。
同时,通过物联网技术的应用,可以实现对整个钢筋加工生产过程的远程监测和实时控制,提高生产的可控性和效率。
四、钢筋加工自动化与智能化技术面临的挑战与展望尽管钢筋加工自动化与智能化技术在提高效率和质量方面取得了明显的成果,但仍面临着一些挑战。
首先,自动化设备和智能化系统的成本较高,对于一些中小型工厂来说,投入显得过于庞大。
其次,技术的推广和应用仍需要克服一些困难,需要专业技术人才的支持和培养。
智能PC构件自动化生产线简介0前言随着现代科学技术的不断进步,面对快速建设发展的需求,混凝土生产需要向高效率、高性能、多功能和智能化方向发展,用于建造混凝土预制件的设备趋于大型化和复杂化势在必行。
资料显示,发达国家混凝土工程中预制件的比例占35%~50%,说明预制装配技术仍是建筑工业化的一个重要组成部分。
在我国,进入21世纪后对于日益发展的建筑市场,现浇结构体系所存在的弊端日趋明显化。
面对这些问题,结合国外住宅产业化的成功经验,我国建筑行业再次掀起了“建筑工业化”、“住宅产业化”的浪潮,在混凝土的制备、特性和应用上取得了研究和应用成果。
在混凝土预制装备的研究上也取得长足的进展。
随着我国城镇化的快速发展住宅需求量增加,混凝土部品部件的快速生产成为一大需求。
而就我国目前而言,还存在着混凝土生产效率低、生产质量差、生产设备简单、智能化程度较低等问题。
甚至是现有的大型智能化混凝土生产设备全依赖于国外进口。
因此,迫切需要研制一种能适应我国需求的混凝土构件生产装备,以利用其高效、高质量、低强度、清洁等技术优点,提高我国混凝土制备水平。
本文以德国EBAWEAnlagetechnikGmbH生产的大型智能PC构件自动化生产线为基础,介绍了混凝土构件预制生产线的结构组成、工作原理、工艺过程,分析了生产线中蕴含的微观物流过程、信息控制原理等内容,为提高我国大型智能PC 构件自动化生产线的设计制造提供基础。
1大型智能PC构件自动生产线的关键设备图1是德国一种大型智能PC构件自动化生产线示意图。
该成套设备技术生产线包括:原料处理区,主要有原料储存堆放、配料、计量、输送、搅拌等设备;钢筋网加工区,主要有自动化钢筋加工设备、焊接设备、自动钢筋配置和摆放机械手等;PC循环生产区,主要有托盘循环设备、托盘清洁装置和脱模剂喷洒装置、标绘器、置模机械手和拆模机械手、混凝土布料机(喂料机及密实装置)、翻转装置、垛架和提取设备、抹平装置、倾卸装置等设备;养护储存区,主要有混凝土养护设备(分布式养护室)、堆放和储运等设备;中央控制区,包括绘图、置模控制、钢构加工控制、配料搅拌控制和养护控制等。
2023年装配式建筑PC构件生产设备行业市场规模分析随着世界经济的不断发展以及人们对于建筑品质的要求越来越高,装配式建筑PC构件的应用越来越广泛。
这种建筑方式以其高质量、低成本、短周期、绿色环保等优点深受市场青睐,PC构件生产设备行业也迅速发展壮大。
一、市场规模据统计,目前我国PC构件生产设备市场规模约为100亿元左右,未来几年还将保持快速增长。
其中,PC板生产设备、PC构件整体生产线、智能化配料设备等在市场中表现突出,具有较高的市场占比。
二、产业现状PC构件生产设备行业呈现出了以下几个特点:1.产业集中度低PC构件生产设备行业处于初级阶段,市场上存在着大量的小型企业和个体工作室。
这些企业缺乏技术实力、创新能力和市场竞争力,难以长期发展。
2.专业化程度不高目前,PC构件生产设备行业的专业化程度较低,产品种类单一,技术水平较为落后。
与国际先进水平相比,我国在PC构件生产设备领域还存在技术和产品方面的差距。
3.市场需求强烈随着国家政策的不断推进和人们对建筑品质的要求不断提高,PC构件生产设备市场需求越来越大。
除了传统房屋建筑外,PC构件生产设备还广泛应用于道路、桥梁、水利、铁路工程等领域。
4.国内外市场形势差异明显随着国内制造业整体实力的不断提升,国内市场的竞争日趋激烈。
与此同时,国外市场对于PC构件生产设备的需求也在不断增加,我国在这个领域的竞争也日益严峻。
三、市场前景未来,PC构件生产设备行业的发展前景是非常广阔的。
随着政策的不断扶持、技术的不断创新以及市场的不断开拓,PC构件生产设备行业将呈现以下几个趋势:1.产业升级市场竞争的加剧将进一步推动PC构件生产设备行业进行产业升级。
行业内将出现新的竞争者,技术水平将不断提升,产品种类将更加丰富。
2.数字化管理随着信息技术的不断发展,PC构件生产设备行业将不断引入数字化技术,进行智能化管理和生产。
3.国际化竞争随着国内市场的不断开拓,PC构件生产设备行业将面临更加激烈的国际化竞争。
pc钢棒生产线控制流程
一、原材料预备
1. 检查源料(钢材)质量,是否符合生产要求。
2. 根据日产量需求,按时抽调热轧钢卷或直筒,存入原料库。
二、热处理
3. 将原料送入预热炉进行预热,预热温度为900-1000°。
4. 预热后的原料送入再热炉进行再热,再热温度为1100-1200°。
5. 再热后的原料送入平尺机进行平尺处理,将原料铁厚度压平。
三、冷轧加工
6. 平尺后的原料送入冷轧机进行冷轧,冷轧至规定厚度。
7. 冷轧后的钢带送往分切机进行分切,分切成规定长度的钢棒。
四、检验及包装
8. 钢棒拉出检验,符合检验标准的成品进入包装加工范围。
9. 完成包装后,钢棒产品入库待发。
10. 每日统计产量,检查产品质量情况,总结日常工作问题以提高生产效率。
以上就是钢棒生产线控制流程的简要描述。
生产线各工序需要严格按照流程控制,以保证产品质量。
PC构件生产线项目规划书1. 项目背景随着电脑技术的不断发展,PC构件(Peripherals Component)的市场需求持续增长。
为了满足市场需求,我们计划建立一条PC构件生产线,以提供高质量、可靠的构件产品给客户。
2. 项目目标本项目的目标是建立一条高效、稳定、可靠的PC构件生产线,以满足市场需求并提供优质的构件产品给客户。
具体目标包括:•提高生产效率,使得产出能够满足市场需求。
•提供高质量、可靠的构件产品给客户。
•降低生产成本,提高竞争力。
3. 项目范围本项目的范围包括以下内容:•设计和建设PC构件生产线。
•采购和安装生产线所需设备。
•建立生产流程和质量管理体系。
•招聘和培训生产线员工。
•进行试生产和产品测试。
•正式投入生产并实施运营管理。
4. 项目计划本项目按照以下步骤进行:4.1 需求分析和规划•分析市场需求和竞争情况,确定生产线所需产品种类和规模。
•确定生产线布置和工艺流程,设计生产线平面布局。
4.2 设备采购和安装•确定所需设备清单,并进行供应商评估和选择。
•进行采购和设备安装,确保设备能正常运行。
4.3 流程设计和质量管理体系•设计生产流程,建立质量管理体系。
•制定相关标准和工艺规范,确保产品品质。
4.4 员工招聘和培训•根据生产线需求,招聘合适的员工。
•组织培训,使员工熟悉生产线操作和质量控制。
4.5 试生产和产品测试•进行试生产,确保设备和流程正常运行。
•对产品进行测试和质量验证,修正和优化生产流程。
4.6 正式投产和运营管理•完成前期准备工作,正式投入生产。
•实施运营管理,包括生产计划、库存管理、财务管理等。
5. 项目团队和组织本项目涉及的团队和组织如下:•项目经理:负责项目的整体规划和管理。
•设计师:负责生产线设计和布局。
•采购人员:负责设备采购和安装。
•技术人员:负责流程设计和质量管理体系建设。
•培训师:负责员工培训。
•运营团队:负责生产和运营管理。
6. 风险管理本项目存在以下风险:•设备采购延期或故障。
专利名称:一种PC构件自动化生产系统及其生产工艺专利类型:发明专利
发明人:孙峰,殷惠君,王恩赐
申请号:CN201911015997.7
申请日:20191024
公开号:CN111308965A
公开日:
20200619
专利内容由知识产权出版社提供
摘要:本发明公开了一种PC构件自动化生产系统及其生产工艺,所述系统包括前端显示模块、数据管理模块、数据处理模块、数据服务模块和PC构件生产线。
所述前端显示模块包括登入登出子模块、显示子模块、可视化分析子模块和输入输出子模块。
所述数据管理模块包括项目信息管理子模块、构件批次管理子模块、构件类型管理子模块、构件数据管理子模块、约束组合管理子模块。
本发明对于提高构件生产效率,减少人工投入,降低生产成本有明显的改善作用。
本申请的PC构件自动化生产系统,设计系统层次结构及功能模块,采用该排产算法对不同批次和类型的构件进行合理排序,找到了生产时间最短的构件生产顺序,达到了构件生产综合效益最大化。
申请人:江苏东曌建筑产业创新发展研究院有限公司
地址:211500 江苏省南京市六合区雄州街道王桥路59号
国籍:CN
代理机构:北京润川律师事务所
更多信息请下载全文后查看。