通风安全质量标准化考核标准及办法
- 格式:doc
- 大小:123.50 KB
- 文档页数:19
管理制度编号:LX-FS-A59986通风安全质量标准化标准及考核评级办法正式版In The Daily Work Environment, The Operation Standards Are Restricted, And Relevant Personnel Are Required To Abide By The Corresponding Procedures And Codes Of Conduct, So That The Overall BehaviorCan Reach The Specified Standards编写:_________________________审批:_________________________时间:________年_____月_____日A4打印/ 新修订/ 完整/ 内容可编辑通风安全质量标准化标准及考核评级办法正式版使用说明:本管理制度资料适用于日常工作环境中对既定操作标准、规范进行约束,并要求相关人员共同遵守对应的办事规程与行动准则,使整体行为或活动达到或超越规定的标准。
资料内容可按真实状况进行条款调整,套用时请仔细阅读。
第一条考核评级必须具备以下条件:1、通风系统合理可靠。
2、矿井安装两套同等能力的主要通风机装置和反风设施;有独立、完善的通风系统;矿井通风能力符合生产要求,无超通风能力生产现象。
3、矿井每年进行一次瓦斯等级和二氧化碳涌出量鉴定工作。
4、按规定建立健全瓦斯抽采系统,做到抽采平衡;监测监控系统可靠有效;按规定建立防灭火、防尘系统。
第二条检查评定内容:包括十一个大项。
(一)通风系统;(二)局部通风;(三)瓦斯管理;(四)井下爆破管理;(五)通风安全监控;(六)防治煤(岩)与瓦斯(二氧化碳)突出(七)瓦斯抽放(八)防治自然发火;(九)通风设施;(十)综合防尘;(十一)管理制度。
第三条评定单位:以自然井为基本评定单位。
第四条检查与评分定级办法(具体见附表):1、通风安全质量标准化矿井分为三个等级:一级:各大项均在90分及以上;二级:各大项均在80分及以上;三级。
通风安全质量标准化标准及检查评分办法说明(试行)第一条通风安全质量标准化矿井必须具备以下条件:(一)考核期内未发生“一通三防”2人及以上责任死亡事故。
(二)考核期内未发生因“一通三防”责任造成重大经济损失的事故(如因自燃事故造成封头、封面等)。
第二条通风安全质量标准化矿井分为三个等级:一级:总分在90分及以上;二级:总分在80分及以上;三级:总分在70分及以上。
第三条考核评分办法(一)通风安全质量标准化,满分100分。
标准分为共性和个性两大部分,共性标准占70分,个性标准占30分。
1、共性标准共分为7大项,均为通风安全规范化要求,具体见《淮南矿业集团通风安全质量标准化标准及检查评分细则(共性标准)》。
2、个性标准实行一矿一策,适时进行修订,重点考核矿井瓦斯治理指标、技术创新项目完成情况,瓦斯超限控制以及矿井瓦斯治理重点工作开展情况,具体见《淮南矿业集团通风安全质量标准化标准及检查评分细则(个性标准)》。
(二)以矿井为单位对通风安全质量标准化进行考核评级,检查评分执行《淮南矿业集团通风安全质量标准化标准及检查评分细则》。
采用扣分方法,本项分数扣完为止。
(三)专业扣分项目及扣分标准:1、每发生一起煤与瓦斯突出事故或“一通三防”责任事故死亡1人,扣20分。
2、每发生一起责任瓦斯高值超限事故或“一通三防”责任重大非人身事故扣10分。
3、每发生一起“一通三防”责任重伤事故或严重“三违”扣3分。
(四)矿井通风安全质量标准化得分计算方法:1、共性标准得分,记作a,a=考核期内矿井共性实际得分。
2、个性标准得分,记作b,b=考核期内矿井个性实际得分。
3、专业扣分,记作c。
通风安全质量标准化得分:记作w,w=a+b-c(五)检查方式实行季度动态监管,半年统一检查、验收、考核。
矿井通风安全质量标准化得分=(动态抽查得分*50%)+(统一检查得分*50%)。
淮南矿业集团通风安全质量标准化标准及检查评分细则(共性标准)单位:得分:评定等级:检查时间:年月日生产单位: 检查负责人:参加人员:淮南矿业集团通风安全质量标准化标准及检查评分细则(个性标准)单位: 得分: 评定等级: 检查时间: 年 月 日。
国有煤矿通风安全质量标准化标准及考核评级办法
第一条通风安全质量标准化矿井必须具备的条件:
1、每个矿井必须安装2套同等能力的主通风机,有独立完善的通风系统,高瓦斯、煤与瓦
斯突出矿井必须有专用回风巷。
2、每年必须进行一次瓦斯〔二氧化碳〕等级鉴定。
第二条通风安全质量标准化检查评定内容:
检查评定内容共十一大项。
即:1、通风系统;2、局部通风;3、瓦斯治理。
4、井下爆破治理;5、通风安全监控;6、煤〔岩〕与瓦斯〔二氧化碳〕突出;7、瓦斯抽采;8、防治自然发火;9、通风设施;10、综合防尘;11、治理制度。
第三条通风安全质量标准化煤矿检查与评分定级方法:
1、通风安全质量标准化矿井采纳百分制评分。
十一大项中,每一大项小计总分值为100分,
以各大项回来平均值作为矿井通风安全质量标准化定级分。
2、通风安全质量标准化分为三个等级:
一级:定级分在90分以上。
二级:定级分在85分以上。
三级:定级分在80分以上。
3、检查缺大项的,不查不计;检查大项中缺小项的,以检查分项的其他小项得分的百分比
折算计分。
扣分原那么,小项分数扣完为止。
4、煤矿发生瓦斯突出、瓦斯煤尘燃烧〔爆炸〕、自燃发火的等非伤亡事故,在通风专业安
全质量标准化定级分扣除2分后,在定级。
5、有〝防治煤与瓦斯突出〞或〝瓦斯抽采〞大项的矿井,在定级分基础上分别加1分后再
定级。
第四条通风安全质量标准及考核评分表。
通风安全质量标准化标准及考核评级办法范本通风安全质量标准化标准是用于评估通风安全质量的一套指标和要求,其目的是确保工作环境中的空气质量和工作人员的健康与安全。
考核评级办法是根据通风安全质量标准化标准,对企业或机构进行评价和评级,以及对其通风系统的性能进行测试和核算。
本文将分析通风安全质量标准化标准及考核评级办法的范本。
一、标准内容1. 通风系统的设计和施工要求通风系统的设计和施工应符合下列要求:- 确保通风设备选型合理、能满足工作场所的通风要求。
- 要求通风设备必须符合相关的国家标准和规定。
- 通风设备的安装位置必须合理,易于维护和清洁。
- 通风设备必须经过严格的测试和验收,确保安全可靠。
2. 通风设备的运行和维护要求通风设备的运行和维护应符合下列要求:- 通风设备必须经过定期的检测和维护,确保其正常运行。
- 通风设备的维护应按照设备制造商提供的说明书进行。
- 通风设备的运行应符合国家相关的标准和规定。
3. 安全通风质量的监测要求对安全通风质量的监测应符合下列要求:- 监测频率:每周至少一次,如有特殊情况需要每日监测。
- 监测指标:空气中的有害气体、粉尘、温度、湿度等指标。
- 监测方法:根据相关的国家标准和规定进行,确保监测结果的准确性。
- 监测记录:每次监测应有详细的记录,包括监测时间、地点、监测值等。
二、考核评级办法1. 考核评级等级划分根据通风安全质量标准化标准的要求,将企业或机构的通风系统进行评级,划分为五个等级:A级、B级、C级、D级、E级。
2. 考核评价指标考核评价指标包括通风设备的选型是否合理、通风设备的安装位置是否合理、通风设备的运行是否正常、通风设备的维护是否到位、通风设备的测试和验收是否通过等。
3. 考核评价方法根据考核评价指标,对企业或机构的通风系统进行现场调查和测试,评价其通风系统的性能。
对于每个指标,根据不同的考核要求,给予不同的分数。
最终将分数汇总,得出企业或机构评级。
安全质量标准化及考核评分办法(通风)安全质量标准及考核评分办法(通风)检查项目安全标准检查方法标准得分评分办法考评得分一︑通风系统⒈矿井必须有完整的独立通风系统。
改变通风系统时(包括一翼或一个水平、一个彩区)必须履行报批手续,掘进巷道贯通时,必须按《规程》规定,制定安全措施。
查阅矿井通风系统图和安全措施及记录。
20 矿井无完整的独立通风系统,该小项不得分,改变通风系统无报批手续或掘进巷道贯通无安全措施,每发现一处扣10分。
10⒉实行分区通风,通风系统中没有不符合《规程》规定的串联通风、扩散通风、采空区通风和采煤工作面利用局部通风机通风。
选点抽查(以工作面为单位),年产30万吨以下的不少于80%。
20 每发现一处不符合规定扣10分。
20⒊矿井、采区通风能力满足生产需要,采掘工作面和硐室的供风量要符合《规程》的规选点抽查(方法同上),现场实测和查阅当月或20 矿井、采区通风能力不足不得分,采掘硐室和工作面的风量每发现102定。
上月的记录。
一处不符合规定扣10分。
⒋高瓦斯、煤与瓦斯突出或易燃煤层的采区至少设有一条专用回风巷。
现场检查10 一处不合格不得分。
10⒌矿井内各地点风速符合《规程》规定。
选点实测和查阅报表。
5 风速超限一处扣1分,风速不足一处扣2分。
5 ⒍矿井有效风量率不低于85%。
查报表或实测。
10 每低1%扣3分。
6⒎回风巷失修率不高于7%,严重失修率不高于3%,主要进回风巷实际断面积不小于设计断面2/3。
查阅检查记录及维修记录或实地检测。
5 巷道失修率高于标准时该小项不得分,严重失修率高于标准时,每超1%扣5分,一处断面小于设计断面2/3扣2分。
3安全质量标准及考核评分办法(通风)3检查项目安全标准检查方法标准得分评分办法考评得分一︑通风系统⒏矿井主要通风机的反风设施按《规程》规定定期检查,每年进行一次反风演习。
反风效果符合《规程》要求。
查阅记录和演习报告。
5 没有进行反风演习扣2分。
通风安全质量标准化标准及考核评级办法为了确保通风系统的安全性和有效性,许多国家和地区都制定了通风安全质量标准化标准及考核评级办法。
这些标准和办法旨在提供一个统一的准则,以评估通风系统的性能,并确保其符合相关的安全要求。
以下是一个通风安全质量标准化标准及考核评级办法的示例。
1.背景和目的:2.通风标准:-气流量:通风系统应能够提供足够的气流量,以满足室内人员的需求。
通风量的大小应根据场所的大小和人员数量进行合理的计算,并符合相关的行业标准。
-通风效率:通风系统应能够有效地将污浊空气排出,并将新鲜空气引入室内。
通风效率的评估可以通过测量室内和室外的空气质量来完成。
-温度和湿度:通风系统应能够维持室内的舒适温度和湿度范围。
温度和湿度的变化应在合理范围内,并符合相关的行业标准。
3.通风考核评级办法:-通风系统的评估应由专业的机构或人员进行。
评估的内容应包括对通风系统的设计、运行和维护情况的综合考虑。
-评估过程中,需要对通风系统的关键参数进行测量和记录。
这些参数包括气流量、通风效率、温度和湿度等。
-评估结果将根据一定的评分标准进行分级。
评分标准可以根据通风系统的不同要求来确定,并由相关部门进行审核和统一-评估结果应向相关部门和机构报告,并根据评级结果制定相应的改进计划。
总结:通风安全质量标准化标准及考核评级办法的实施可以提高通风系统的安全性和有效性。
通过制定统一的准则和评分标准,可以对通风系统的性能进行评估,并确保其符合相关的安全要求。
这将有助于提高室内空气质量,保护人们的健康和安全。
因此,各国和地区都应制定通风安全质量标准化标准及考核评级办法,并鼓励其实施和监督。
这将为通风系统的设计、运行和维护提供参考,促进通风系统的发展和进步。
通风安全质量标准化标准及考核评分办法矿井名称:定级分:检查日期:检查人员:检查项目一、通风系统检查小项及质量标准1。
矿井必须有完整的独立的通风系统;改变通风系统时 (包括一翼或者一个采区),必须履行报批手续;矿井有效风量率不低于 85%,通风系统图与实际相符.2.巷道贯通必须遵守《煤矿安全规程》第 108 条的规定,贯通前必须制定安全措施,经矿技术负责人批准,并严格贯彻落实.3、生产水平和采区实行分区通风,采掘工作面实行独立通风;通风系统中没有不符合《煤矿安全规程》规定的串联通风、扩散通风、采空区通风。
4、矿井、采区通风能力满足生产需要。
采掘工作面和硐室的供风量要符合《煤矿安全规程》的规定。
5、矿井内各地点风速符合《煤矿安全规程》规定。
6.矿井主要通风机的安装和使用符合《煤矿安全规程》第 121 条的规定;主要通风机房有司机值班管理。
7、回风巷失修率不高于 7%;严重失修率不高于 3%;主要进回风巷道实际断面不能小于设计断面2/3,满足通风、运输、行人畅通和安全的要求.标准分数201015205105考核评分办法查阅图纸及有关文件资料。
无完整的独立通风系统 ,取销评审资格 ;改变通风系统未履行报批手续不得分;有效风量率每低于标准 1%扣10 分。
抽查及查阅资料。
发现一次无措施或者措施未经审批、贯彻不得分.现场检查、查阅图纸和有关资料。
一处不符合规定不得分(开采边角残煤经批准的除外)。
现场抽查实测和查阅当月或者上月的测风报表。
矿井、采区通风能力不足不得分;采掘工作面和硐室的风量每发现一处不符合规定扣 10 分。
现场抽查实测和查阅当月或者上月的测风报表。
发现风速低于低限不得分;发现一处超限扣 2.5 分。
现场检查及查阅有关资料.不符合要求不得分。
现场检查,查阅本季或者上季巷道检查记录及维修月报记录。
失修率超出规定不得分;发现一处巷道断面小于设计断面 2/3 扣 2.5 分。
扣分原因实际得分检查项目一、通风系统二、通风设施检查小项及质量标准8、矿井主要通风机装有反风设施,并按《煤矿安全规程》第 122 条规定进行检查和反风演习;反风效果符合要求,并有反风演习报告。
通风安全质量标准化标准及考核评级办法一、引言通风安全是指在建筑物、工程设施等场所中,通过合理的通风系统和措施,保证空气质量符合相关标准,确保人员身体健康和安全的工作环境。
为了确保通风安全质量的标准化和评估,制定通风安全质量标准化标准及考核评级办法是非常必要的。
二、通风安全质量标准化标准的制定1.空气质量标准:根据国家相关标准,包括空气中有害物质浓度的限值要求、空气中氧气含量的标准等。
通风系统应能有效清除有害物质,保持室内空气质量符合相关标准。
2.通风系统设计标准:包括通风设备选型、通风管道设计、通风系统布局等。
通风系统应能满足建筑物或工程设施的使用需求,确保通风效果良好。
3.通风操作标准:包括通风系统的开启与关闭时间、通风参数的调整等。
通风操作应符合相关规范,确保通风系统正常运行。
4.通风维护保养标准:包括通风设备的定期维护、通风管道的清洁和检修等。
通风设备和管道应按照规定的维护保养标准进行管理,确保通风系统的正常运行。
5.通风安全培训标准:包括对通风系统操作人员的培训、安全意识培养等。
通风系统操作人员应具备相应的知识和技能,能够熟练操作和维护通风设备。
三、通风安全质量评级办法1.通风设备运行状况评级:根据设备的运行情况和性能指标,对通风设备进行评级。
评级分为优秀、良好、一般和差四个等级,分别对应设备的运行状况和性能。
2.室内空气质量评级:根据室内空气质量测量结果,对室内空气质量进行评级。
评级分为优秀、良好、一般和差四个等级,分别对应室内空气质量的优良、一般和差。
3.通风操作管理评级:根据通风操作的规范程度,对通风操作进行评级。
评级分为优秀、良好、一般和差四个等级,分别对应通风操作的规范程度。
4.通风维护保养评级:根据通风设备和管道的维护保养情况,对通风维护保养进行评级。
评级分为优秀、良好、一般和差四个等级,分别对应维护保养的规范程度。
5.通风安全培训评级:根据通风系统操作人员的培训情况和安全意识程度,对通风安全培训进行评级。
通风质量标准化考核办法
为实现矿井“一通三防”常效管理,提高矿井“一通三防”管理水平,使矿井质量标准化工作再上新台阶,实现矿井质量标准化工作整体推进,保障矿井安全生产。
根据矿发101号文件和《安全质量标准化标准及考核评级办法》特制定本办法。
一、考核对象
通风队抽放队
二、考核办法
1、按照通风设施质量标准进行考核及评分,考核实行百分制。
2、实行三旬验收法,硬软件相结合,每次进行考核评分,月底由通防科根据当月三次验收考核评分情况,对考核单位排出名次,考评结果报主管领导审批。
3、软件资料40分,现场检查60分,通风设施以最低得分为现场检查考核得分。
附:通风质量标准化考核细则及评分办法
通风质量标准化考核细则及评分办法(通风队)
主管领导: 参加检查人员:
检查日期:
抽放钻场质量标准考核细则及评分办法(抽放队)
主管领导:参加检查人员: 检查日期:。
通风安全质量标准化标准及考核评分办法1. 概述为了确保生产车间和办公场所的空气质量,保护员工的身体健康,必须实施科学的通风措施。
通风安全质量标准化标准及考核评分办法旨在制定科学的标准和办法来衡量通风安全质量的水平,并为单位实施通风措施提供指导。
本标准适用于各类生产车间和办公场所的通风安全质量评分,通过标准化考核,提高安全生产意识和应急处置能力,促进安全生产的发展。
2. 通风安全质量标准通风安全质量标准是对生产车间和办公场所空气中有害物质浓度的限制,达到该标准即表明空气质量符合国家标准,不会对员工产生不良影响。
通风安全质量标准包括以下指标:•二氧化碳浓度:不得超过1000 ppm•甲醛浓度:不得超过0.1 mg/m³•硫化氢浓度:不得超过1 mg/m³•氨气浓度:不得超过25 ppm•一氧化碳浓度:不得超过10 ppm•氧气浓度:不得少于18%以上指标应根据不同场所和作业情况进行适当调整。
3. 通风设施的要求生产车间和办公场所应设置适当的通风系统,确保空气质量符合通风安全质量标准。
通风设施要求如下:•常规通风:要具备迅速排出污染物、加强新风补给的能力;•落地式或壁挂式通风装置,可控制风量,风速平稳;•独立式通风系统,保障安全隔离;•洁净室应实现闭环循环、负压控制和精细净化;•通风系统应设有自动报警和监测装置。
4. 通风安全质量考核评分办法通风安全质量考核评分办法主要从通风系统、室内环境、安全管理三个方面来考核。
考核项及分值如下:4.1 通风系统•通风量达到或超过规定标准(5分)•通风系统正常运行,通风设备维护保养到位(10分)•通风设施消除气味、粉尘等污染物效果好(10分)•通风设施配有精细过滤、除湿、杀菌、除臭等附属设施(5分)4.2 室内环境•空气质量达到通风安全质量标准(20分)•办公场所明亮、洁净整洁,布局合理(10分)•通风系统运行声音小,不影响工作(5分)•室内环境配备噪音控制、人员体感舒适度检测等设施(5分)4.3 安全管理•安全教育、安全培训、应急演练等保障措施得到有效落实(20分)•安全管理制度完善,责任明确,管理到位(10分)•安全隐患得到及时排查、处置和整改(10分)5. 总结通风安全质量标准化标准及考核评分办法的出台,为单位通风措施的落实提供了标准和办法,也为单位通风安全的考核评价提供了确定标准和科学方法。
通风安全质量标准化标准及考核评级办法通风安全质量标准化标准及考核评级办法制定部门:某某单位时间:202X年X月X日封面通风安全质量标准化标准及考核评级办法为规范本单位生产生活及工作次序,确保本单位相关工作有序正常运转,根据单位发展需要,结合单位工作实际情况,特制定《通风安全质量标准化标准及考核评级办法》,望本单位职工严格执行!1、通风系统合理可靠。
2、矿井安装两套同等能力的主要通风机装置与反风设施;有独立、完善的通风系统;矿井通风能力符合生产要求,无超通风能力生产现象。
3、矿井每年进行一次瓦斯等级与二氧化碳涌出量鉴定工作。
4、根据规定设立健全瓦斯抽采系统,做到抽采平衡;监测监控系统可靠有效;根据规定设立防灭火、防尘系统。
第二条检查评定内容:包括十一个大项。
(一)通风系统;(二)局部通风;(三)瓦斯管理;(四)井下爆破管理;(五)通风安全监控;(六)防治煤(岩)与瓦斯(二氧化碳)突出(七)瓦斯抽放(八)防治自然发火;(九)通风设施;(十)综合防尘;(十一)管理制度。
第三条评定单位:以自然井为基本评定单位。
第四条检查与评分定级办法(具体见附表):1、通风安全质量标准化矿井分为三个等级:一级:各大项均在90分及以上;二级:各大项均在80分及以上;三级。
各大项均在70分及以上。
2、检查大项中,检查大项的最低得分为矿井通风的定级分,乘系数后输入矿井分数。
3、年度等级的确定:以四个季度的定级分平均得分定级。
4、各检查大项中缺分项的,不查不计;检查分项中缺小项的,以该检查分项的其他小项得分的百分比折算计分。
扣分原则,本项分数扣完为止。
5、在同一等级中,以十一个检查大项得分的平均分多少排列名次。
6、因一通三防责任事故死亡1人,矿井通风安全质量标准化降一级扣5分,最高得分不得超过下一级的最高分,按降级后得分输入矿井安全质量标准化总分。
死亡2人,取消评级资格。
某某单位(人)202X年X月X日。
煤矿通风安全质量标准化标准及考核评级办法煤矿通风安全质量标准化标准及考核评级办法一、前言通风是煤矿安全生产的重要因素之一,通风系统的完善与否关系到煤矿工人的生命安全和煤矿的安全生产。
为了加强煤矿通风安全质量的管理,保障煤矿安全生产,提高煤矿通风系统的运行效率,制定了本标准。
本标准的制定基于《煤矿安全规程》、《煤矿安全生产规定》等国内法律法规和标准的基础上,结合煤矿通风安全实际情况,旨在规范煤矿通风安全质量管理,提高煤矿通风安全质量水平。
二、标准适用范围本标准适用于所有的地下煤矿通风系统安全质量管理工作。
三、术语和定义1. 煤矿通风系统:指煤矿的空气流动系统,包括主风机、风筒、风门、风井、风道、气门等构成的系统。
2. 风道:指煤矿内的空气流动通道,其中包括主通风道、辅助通风道等。
3. 风门:指开闭风道和分配风量的装置,包括主风门、副风门等。
4. 风井:指用于提高通风效果的立井、风井和井筒等。
5. 通风设备:指风机、风机电机、减速器、轴承、风机叶轮等设备。
6. 通风建筑物:指风井、井室、风筒、通风分区等建筑物。
7. 通风分区:指将煤矿空间按照通风情况分为不同区域的区域。
8. 通风阻力:指煤矿通风系统中风道、风门、风井等对空气流动的阻力。
9. 风速:指煤矿通风系统中空气流动的速度。
四、煤矿通风安全质量标准化标准1. 通风设备应经过必要的检测和试验,确保其满足规定的技术要求。
2. 通风建筑物应满足安全、可靠、稳定、节能等要求,建筑物的风量、通风阻力等应符合设计要求,不得存在渗漏、漏风等问题。
3. 通风系统应根据煤矿不同的通风分区情况合理设计、合理布局,使空气流动均匀、稳定。
4. 通风系统应设有符合要求的风门、气门等装置,保证各区域通风量、风速符合要求。
5. 通风系统主要设备应保持良好的技术状况和运行状态,做好日常维护和保养工作,在出现故障时立即修复。
6. 煤矿应制定通风安全管理制度和应急预案,确保通风安全管理的有效实施。
通风安全质量标准化标准及考核评级办法第一条为进一步加强“一通三防”管理,提高“一通三防”工程安全质量和管理水平,防止发生通风、瓦斯、火灾事故,特制定本安全质量标准化标准及考核评级办法。
第二条参加考核评比必须具备以下条件:1.通风系统合理可靠。
2.矿井必须采用机械式通风,安装两套同等能力的主要通风机装置和反风设施;有独立、完善的通风系统;矿井通风能力符合生产要求,无超通风生产能力现象。
每个生产矿井必须至少有两个能行人的通达地面的安全出口。
3.矿井必须每年进行一次瓦斯等级和二氧化碳涌出量鉴定工作。
第三条检查评定内容:(一)通风系统。
(二)局部通风。
(三)瓦斯管理。
(四) 通风设施。
(五) 综合防尘。
(六)防灭火。
(七)管理制度。
第四条检查与评分定级办法:1、矿每月,公司每季度检查一次。
2、根据检查结果,各大项合计得分达90分及以上为一级矿井;达80分及以上为二级矿井;达70分及以上为三级矿井。
3、以检查大项的累计得分为矿井的定级分。
4、年度等级的确定:以四个季度的平均得分定级。
5、各检查项中缺小项的,不查不计。
7、在检查周期内,每发生“一通三防”事故死亡一人,按矿井实际得分定级后降低一级扣5分,并以降级后的下限分计入本次检查结果;发生一次或累计死亡3人及以上者,取消评级资格。
8、出现以下情况按下列标准扣分。
1)主要通风机不能保持正常运转,扣100分。
2)无风作业,扣100分。
3)改变通风系统未履行审批手续,一次扣30分。
4)串联通风无措施或措施不落实,一处扣30分。
5)井下电气焊无批准措施、未执行作业单,一次扣30分。
6)皮带机井巷消防设施不健全或达不到效果的,一处扣30分。
7)出现未加管理的盲巷,一处扣30分。
8)瓦斯排放未执行《关于恢复停风区域通风和瓦斯排放的规定》(京昊华京安发[2007]143号),一次扣30分。
9)局部通风机发生循环风,扣20分。
通风安全质量标准化标准及考核评级办法. . .。
通风安全质量标准化考核评级办法
第一条必备条件
1.通风系统合理可靠;
2、矿井通风能力满足生产要求, 无超通风能力生产现象。
3.煤矿安全监控系统、防灭火系统、瓦斯抽采系统健全完善、运行正常。
4.按规定进行年度瓦斯等级鉴定报批工作。
5、各种资料保持原始性、真实性, 不得有虚假。
第二条考核评级办法
1.通风安全质量标准分十一大项, 满分为100分。
2.通风安全质量标准化矿井分为三个等级。
一级: 总得分在90分及以上;
二级: 总得分在80分及以上;
三级: 总得分在70分及以上。
第三条考核期内无较大及以上一通三防死亡事故。
每死1人, 通风安全质量标准化降一级, 扣5分, 得分不得超过下一级的最高分。
第四条通风质量标准化标准及考核评分办法见下表
城镇煤矿通风安全质量标准化标准及考核评分办法
铁热克煤业有限责任公司城镇煤矿5月份质量标准化
考核成绩表
检查人员: 张晓勇总得分: 81
2012年5月17日。
通风安全质量标准化标准及考核评级办法7.严格控制瓦斯超限。
对照瓦斯超限记录检查,抽查1个月。
5实际瓦斯超限次数,3%以下扣0.5分/次,3%以上扣1分/次。
实际次数与集团公司统计次数不符,少报1次,3%以下扣1分/次,3%以上扣5分/次。
未按集团公司《防治瓦斯事故规定五十条》进行瓦斯超限分级追查处理扣5分/次。
8.瓦斯超限次数与矿业公司通风瓦斯部门上报集团公司次数相符。
9.瓦斯超限按集团公司《防治瓦斯事故规定五十条》进行分级追查处理。
合计1.井下爆破材料库符合《规程》规定。
四、井下爆破2.煤矿建立爆破材料装运、领退、保管、使用、销毁制度,电雷管编号制度和爆破材料丢失处理办法。
对照瓦斯超限记录检查。
15对照瓦斯超限记录检查。
查现场和记录。
同上1010010发现一处不符合规定扣5分。
①未建立制度及管理办法,该小项不得分;少一项制度10扣5分;②现场检查发现违反火工产品管理规定一人(次)扣5分。
发现一次未执行爆破制度,扣10分。
未执行请示汇报制度或无汇报记录扣5分。
管理3.爆破作业必须执行“一炮三检制”、“三人联锁”爆破制度和防突采掘工作面的放炮请示汇报制度。
同上1594.爆破作业必须编制爆破说明书,其内容符合《规程》要求,爆破工必须按照爆破说明书进行爆破作业。
固定爆破母线敷设要求:母线必须是铜芯电线,不小于1平方mm,保证平直、不与金属等导电体接触、与其他电缆间距不小于0.3m,无明接头,两接头错距0.3m以上,放炮母线在起爆点入箱加三锁,由班长、放炮员和瓦斯员分别掌握钥匙。
同上 10①无爆破说明书,该小项不得分;爆破说明书不符合规定扣2分;未按照说明书进行爆破作业,每处扣5分。
②母线敷设不符合规定,一处扣1分(扣完5分为止);无固定母线扣5分。
③无爆破说明牌扣2分;牌板内容(一炮三检、三人连锁、爆破地点)不全每缺一项扣2分。
④放炮母线在起爆点未入箱加三锁,扣3分。
5.高瓦斯、突出煤矿的采掘工作面放炮,采掘工作面回风流中的电气设备必须执行停电制度。
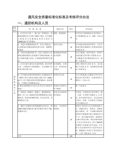
通风安全质量标准化考核标准及办法
第一条通风安全质量标准化达标必须具备以下条件:
1、通风系统合理可靠;
2、矿井必须采用机械通风,有满足能力的备用主要通风机和反风设施;有独立、完善的通风系统。
矿井通风能力符合生产要求,各采掘工作面风量满足《规程》要求,无超通风能力生产现象。
矿井必须至少有2个能行人的通达地面的安全出口;
3、矿井必须每年进行一次瓦斯等级和二氧化碳涌出量鉴定工作;
4、矿井必须装备矿井监控系统,且系统运行正常;
5、有条件开采解放层的必须开采解放层,按《规程》规定装备瓦斯抽放系统。
第二条通风安全质量标准化达标分为3个等级:
一级:总分为90分及以上;
二级:总分为80分及以上;
三级:总分为70分及以上。
第三条考核年度内,发生“一通三防”事故每死亡1人,矿井通风安全质量标准化降一级扣5分,最后得分不得超过下一级的最高分;因“一通三防”事故累计死亡3人及以上的矿
井,取消评级资格。
第四条考核标准及评分办法具体见附表:
l、根据《煤矿安全规程》及行业其他相关标准、规定,对矿井的通风系统、局部通风、瓦斯管理、井下爆破管理、通风安全监控、防治煤与瓦斯突出、瓦斯抽放、防治自然发火、通风设施、综合防尘、管理制度等1l大项进行检查、评分,11大项中的最低分为矿井的定级分。
2、各检查大项中缺分项的,不查不计;检查分项中缺小项的,以该检查分项的其他小项得分的百分比折算计分。
扣分原则,本项分数扣完为止。
通风安全质量标准化考核标准及评分办法大光山矿6月份85分。