防腐与绝热施工(风管系统)质量标准和检验方法
- 格式:doc
- 大小:52.50 KB
- 文档页数:2
SICOLAB通风与空调施工质量验收规范(防腐与绝热)一般规定一、空调设备、风管及其部件的绝热工程施工应在风管系统严密性检验合格后进行。
二、制冷剂管道和空调水系统管道绝热工程的施工,应在管路系统强度和严密性检验合格和防腐处理结束后进行。
三、防腐工程施工时,应采取防火、防冻、防雨等措施,且不应在潮湿或低于5℃的环境下作业。
绝热工程施工时,应采取防火、防雨等措施。
四、风管、管道的支、吊架应进行防腐处理,明装部分应刷面漆。
五、防腐与绝热工程施工时,应采取相应的环境保护和劳动保护措施。
主控项目一、风管和管道防腐涂料的品种及涂层层数应符合设计要求,涂料的底漆和面漆应配套。
检查数量:按Ⅰ方案。
检查方法:按面积抽查,查对施工图纸和观察检查。
二、风管和管道的绝热层、绝热防潮层和保护层,应采用不燃或难燃材料,材质、密度、规格与厚度应符合设计要求。
检查数量:按Ⅰ方案。
检查方法:查对施工图纸、合格证和做燃烧试验。
三、风管和管道的绝热材料进场时,应按现行国家标准《建筑节能工程施工质量验收规范》GB 50411的规定进行验收。
检查数量:按Ⅰ方案。
检查方法:按现行国家标准《建筑节能工程施工质量验收规范》GB 50411的有关规定执行。
四、洁净室(区)内的风管和管道的绝热层,不应采用易产尘的玻璃纤维和短纤维矿棉等材料。
检查数量:全数检查。
检查方法:观察检查。
一般项目一、防腐涂料的涂层应均匀,不应有堆积、漏涂、皱纹、气泡、掺杂及混色等缺陷。
检查数量:按Ⅱ方案。
检查方法:按面积或件数抽查,观察检查。
二、设备、部件、阀门的绝热和防腐涂层,不得遮盖铭牌标志和影响部件、阀门的操作功能;经常操作的部位应采用能单独拆卸的绝热结构。
检查数量:按Ⅱ方案。
检查方法:观察检查。
三、绝热层应满铺,表面应平整,不应有裂缝、空隙等缺陷。
当采用卷材或板材时,允许偏差应为5mm;当采用涂抹或其他方式时,允许偏差应为10mm。
检查数量:按Ⅱ方案。
检查方法:观察检查。
风管与设备防腐绝热施工作业指导书2.主要机具2.1机械设备:电焊机、手电钻、电动刷轮、手持电动砂轮、压筋机、卷板机、咬口机等。
2.2通用和专用工具:手锯、裁纸刀、手刷、打包机、打包钳、平板锯、钢丝钳、白铁剪刀、剪刀、手锤、油漆桶、油漆滚筒、油漆铲刀、钢丝刷、划规、粉线袋、拉铆枪、螺丝刀、木架梯、高凳等。
2.3检测装置:钢直尺、角尺、量角器、钢卷尺、钢针等。
3.成品保护3.1防腐蚀涂料和稀释剂在储存、施工及干燥过程中不得与酸、碱和水接触,并应防尘、防曝晒,严禁烟火。
3.2镀锌铁丝、玻璃丝布、保温钉及胶水、胶带等材料应放在库房内保管。
3.3绝热材料现场堆放一定要有防水措施,尽可能存放于库房中或用防水材料遮盖并与地面架空。
3.4防腐施工完毕,在涂料未干时应进行警示标识涂料未干,防止损坏。
绝热完工时,对易受损部位应采用铁皮、木板、油毡等物品临时保护,防止受潮受损。
3.5施工过程中遇到雨雪、风沙或曝晒,应及时采取措施加以防护。
油漆后4小时内要防止雨淋。
3.6防腐油漆的除锈和刷漆要注意对建筑物装饰层的保护,不要造成交叉污染。
3.7绝热施工时尽量采用先上后下、先里后外的方法,确保施工完的保温层不损坏。
3.8已安装好的绝热层上不得脚踏、坐卧。
3.9搭拆脚手架时要注意保护绝热层或保护层不受损坏。
4.安全环保措施4.1施工操作现场不得有明火,周围不得堆积易燃物品。
油漆库房及操作场地有足够的灭火器材及设施。
刷油漆时严禁吸烟。
4.2从大桶内倒出油漆后,应及时封口盖严。
每班工作后,必须将工具及剩余材料送回库房清理与保管。
4.3擦手用的棉纱等物品不准扔,应集中处理。
4.4抹煞只是应注意翘茬刺伤手指,并注意站在上风方向操作。
4.5二甲苯、汽油、送香水等系实际应缓慢倒入胶粘剂或油漆内并及时搅拌。
4.6高空作业要系安全带。
使用高凳、跳板等操作时应搭设牢固,事先进行检查。
高凳腿下应钉防滑橡皮垫;靠梯在工作时必须牢固地绑在结构上,其下端采取防滑措施;人字梯中间应有拉钩或用绳索绑牢。
二级建造师《机电工程管理与实务》
风管系统的检验与试验【新教材简化】
严密性检验
低压风管系统可采用漏光法检测;
中压系统应在漏光法检测合格后,再进行漏风量测试的抽检;
高压系统全数进行漏风量测试。
(08单)(重复考)
(三)风管系统的检验与试验
2.风管系统完装后,必须进行严密性检验,主要检验风管、部件制作加工后的咬口缝、铆接孔、风管的法兰翻边、风管管段之间的连接严密性,检验以主、干管为主,检验合格后方能交付下道工序。
(12多、17 案)
翻边处
铆钉
【例题·多选】风管制作安装完成后,必须对风管的()进行严密性检验。
【2012】
A.板材
B.咬口缝
C.铆接孔
D.法兰翻边
E.管段接缝
【答案】BCDE
【17案例】A安装公司项目部在8月1日进场后,依据B建筑公司的施工进度,空调设备的到场时间及供。
《电力建设施工质量验收及评定规程第1部分:土建工程》(CDL/T5210、1—2005)部分条文索引说明:1、索引条文项目:用于分项工程、检验批工程质量报验单,项目监理部签署检验意见时套用引据;2、签署意见格式为:经检查、验收,符合《电力建设施工质量验收及评定规程》第X条至第X条和设计图纸的规定,同意报验或隐蔽;3、以下条文中未涉及部份,套用专用部份条文,条文索引如下:(一)5。
2 单位工程定位放线5.2。
1 单位工程定位放线1 适用范围2检查数量3 质量标准和检验方法(二)5.3 土石方及基坑工程5。
3.1 土方开挖工程1 检查数量2 质量标准和检查方法5。
3.2 土方回填工程1 检查数量2 质量标准和检验方法5.3.3 石方爆破开挖工程5.3。
4 重复使用钢板桩支护工程5.3.5 钢板桩支护工程5.3.6 水泥土桩墙支护工程5。
3。
7 锚杆及土钉支护工程5。
3.8 钢筋混凝土支护系统5.3.9 地下连续墙工程5.3。
10 (沉井)箱工程5.3.11 降水与排水工程(三)5.4。
1 灰土地基工程5。
4.2 砂和砂石工程5。
4.3 土工合成材料地基工程5.4.4 粉煤灰地基工程5.4.5 强夯地基工程5.4.6 根冲地基工程5.4。
7 砂桩地基工程5。
4。
8 预压地基工程5.4.9 高压喷射注浆工程5。
4.10 土和灰土挤密桩复合地基工程5.4。
11 注浆地基工程5。
4.12 水泥粉煤灰碎石桩复合地基工程5。
4.13 夯实水泥土桩复合地基工程5.4.14 水泥土搅拌桩地基工程5.4.15 静力压桩工程5.4。
16 先张法预应力管桩工程5。
4。
17 砼预制桩模板安装工程5。
4。
18 砼预制桩钢筋安装5.4。
19 砼预制桩外观质量及尺寸偏差5.4。
20 砼预制桩施工(打桩)5.4。
21 成品钢桩5.4.22 钢桩施工5.4.23 螺旋钻、潜水钻、回旋钻和冲击钻成孔5.4.24 钻扩机、机动洛阳铲和沉箱成孔5。
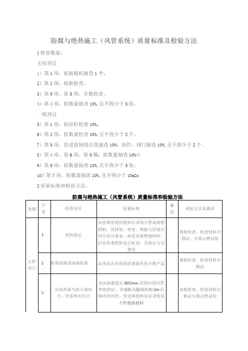
平米1/2/3/4全/1015/525/535/545/555/565/575/585/5项目负责人检验批容量施工单位检查结果经检查,该检验批主控项目和一般项目合格。
监理单位验收结论专业监理工程师:年 月 日主 控 项目一般项目专业工长:项目专业质量检查员: 年 月 日绝热涂料第10.3.8条抽查5处,合格5处100%金属保护壳的施工第10.3.9条抽查5处,合格5处100%风管绝热层保温钉固定第10.3.5条抽查5处,合格5处100%防潮层的施工与绝热胶带固定第10.3.7条抽查5处,合格5处100%绝热层施工第10.3.3条抽查5处,合格5处100%风管橡塑绝热材料施工第10.3.4条抽查5处,合格5处100%防腐涂层质量第10.3.1条抽查5处,合格5处100%空调设备、部件油漆或绝热第10.3.2条抽查5处,合格5处100%绝热材料复验规定第10.2.3条//洁净室内风管绝热材料规定第10.2.4条共10处,检查10处,合格10处100%防腐涂料的验证第10.2.1条符合要求。
√绝热材料规定第10.2.2条符合要求。
√施工依据《通风与空调工程施工规范》GB50738-2011验收依据《通风与空调工程施工质量验收规范》GB50243-2016验收项目设计要求及规范规定最小/实际 抽样数量检查记录检查结果22分包单位∕分包单位 项目负责人∕检验批部位实验室室内空调风管施工单位防腐与绝热施工检验批质量验收记录(风管系统与设备)GD-C5-712181单位(子单位)工程名称分部(子分部)工程名称通风与空调(送风系统)分项工程名称风管与设备防腐。
防腐与绝热一、施工准备(一)技术准备(1)防腐施工的方法、层次和防腐油漆的品种、规格必须符合设计要求。
(2)油漆施工前,应熟悉油漆的性能参数,包括油漆的表干时间、实干时间、理论用量以及按说明书施工情况下的漆膜厚度等。
(3)熟悉厂家说明书的内容,了解各油漆的组分和配合比。
(4)熟悉图纸设计内容,了解绝热层、防潮层及保护层的材质、厚度等技术要求。
(5)了解各绝热材料生产厂家配套胶黏剂的使用方法、适用温度等相关性能参数。
(6)编制合理的施工方案,制定科学的安全保护措施。
(二)材料要求(1)油漆必须在有效期内使用,如过期,应送技检部门鉴定合格后,方可使用。
(2)当底漆与面漆采用不同厂家的产品时,涂刷面漆前应做粘接力检验,合格后方可施工。
(3)所用绝热材料要具备出厂合格证或质量鉴定文件,必须是有效保质期内的合格产品。
(4)使用的绝热材料的材质、密度、规格及厚度应符合设计要求和消防防火规范要求。
(5)保温材料在贮存、运输、现场保管过程中应不受潮湿及机械损伤。
(6)绝热材料一般有:l)板材:岩棉板、铝箔岩棉板,超细玻璃棉毡、铝箔超细玻璃吊板,自熄性聚苯乙烯泡沫塑料、聚氨酯泡沫塑料,橡塑板,铝镁质隔热板等。
2)管壳制品:岩棉、矿渣棉、玻璃棉、硬聚氨脂泡沫塑料管壳、铝箔超细玻璃棉管壳、橡塑管壳、聚苯乙烯泡沫塑料管壳、预制瓦块(泡沫混凝土、珍珠岩、蛭石、石棉瓦)等。
3)卷材:聚苯乙烯泡沫塑料、岩棉、橡塑等。
4)防潮层:玻璃丝布、聚乙烯薄膜、夹筋铝箔(兼保护层)等。
防腐与绝热5)保护层:钢丝网、玻璃丝布、铝皮、镀锌钢板、铝箔纸等。
6)其他材料:铝箔胶带、石棉灰、胶黏剂、防火涂料、保温钉等。
(三)主要机具(1)施工机具:钢丝刷、粗纱布、压缩机、磨光机、喷壶、直排毛刷子、滚筒毛刷、圆盘锯、手锯、裁纸刀、钢板尺、毛刷子、打包钳、手电钻、剪刀、腰子刀、油刷子、抹子、小桶、弯钩、平抹子、圆弧抹子等。
(2)测量工具:压力表、漆膜测厚仪、钢卷尺、钢针、靠尺、楔形塞尺等。
风管、管道的防腐与绝热技术标准LJGC-TK-004风管、管道的防腐与绝热技术标准LJGC-TK-0041、 适用范围本技术标准适用于建筑工程通风与空调工程中金属风管、制冷系统与空调水系统的管道及支吊架表面处理和防腐、绝热施工质量的检验与验收。
2、 质量标准2.1《通风与空调工程施工质量验收规范》(GB50243—2002)2.2《建筑安装工程施工质量验收统一标准》(GB50300—2001)2.3《工业设备及管道绝热工程施工及验收规范》(GBJ126—89)3、操作工艺(工作程序)流程图3.1 防腐工艺流程3.2 风管及部件绝热3.2.1一般材料保温3.2.2橡胶保温3.2.3铝镁质保温3.3 管道及设备保温3.3.1预制瓦块3.3.2管壳制品3.3.3裹保温3.3.4设备及箱罐铅丝网石棉灰保温3.3.5橡胶保温3.3.6铝镁质保温3.4制冷管道保温工艺4、各工序(工作)操作方法/要领4.1 防腐操作工艺4.1.1除锈、去污:(1)人工除锈时可用钢丝刷或粗纱布擦拭,直到露出金属光泽,再用棉纱或角布擦净。
(2)喷砂除锈时,所用的压缩空气不得含有油脂和水分,空气压缩机出口处,应装设油水分离器;喷砂所用砂粒,应坚硬且有棱角,筛除其中的泥土杂质,并经过干燥处理。
(3)清除油污,一般可采用碱性溶剂进行清洗。
4.1.2涂漆施工要点:(1)油漆作业的方法应根据施工要求、涂料的性能、施工条件、设备情况进行选择;(2)涂漆施工的环境温度宜在5℃以上,相对湿度在85%以下;(3)涂漆施工时空气中必须无煤烟、灰尘和水汽;室外涂漆遇雨、雾时应停止施工。
4.1.3涂漆的方式主要有:(1)手工涂刷:手工涂刷应分层涂刷,每层应往复进行,并保持涂层均匀,不得漏涂;快干漆不宜采用手工涂刷。
(2)机械喷涂;采用的工具为喷枪,以压缩空气为动力。
喷射的漆流应和喷漆面垂直,喷漆面为平面时,喷嘴与喷漆面应相距250~350mm;喷漆面如为曲面时,喷嘴与喷漆面的距离应为4OOmm左右。
防腐工程施工及验收标准
一、施工要求
防腐工程施工应符合相关标准和规范要求,施工前应对工程现场进
行勘测,制定详细的施工方案。
施工过程中,应使用符合要求的防腐
材料,并由具有相关资质的施工人员进行操作。
施工现场应保持清洁,避免灰尘和杂物等对工程质量的影响。
二、材料要求
防腐工程所使用的防腐材料应符合国家标准,具有良好的耐腐蚀性
能和附着力。
在进行施工前,应对防腐材料进行检验,确保其质量符
合要求。
同时,施工人员应按照材料说明书的要求正确使用防腐材料,避免出现误用或混用情况。
三、施工验收
防腐工程施工完成后,应及时进行验收。
验收项目包括但不限于防
腐层厚度、附着力、光泽度等指标的检测。
验收过程中应有专业机构
进行检测,对不合格的工程应及时处理并重新进行施工。
同时,应填
写详细的验收报告,记录施工情况和验收结果。
四、保养维护
防腐工程完成后,应加强保养维护工作,延长工程的使用寿命。
定
期对工程进行检查,及时发现问题并进行维修。
特别是在恶劣环境下
的工程,应加强保养工作,确保其长期有效防腐蚀。
五、结语
防腐工程的施工及验收标准是确保工程质量的重要保障,只有严格按照标准要求进行操作,才能保证工程具有良好的防腐效果。
希望相关部门和施工人员能够倍加重视,确保防腐工程的质量和安全。
防腐与绝热施工工艺标准l 适用范围本工艺标准适用于建筑工程通风与空调工程中送排风系统、防排烟系统、除尘系统、空调风系统、净化空调系统、制冷设备系统、空调水系统,风管与部件、制冷系统(包括空调水系统)的管道及支吊架表面处理和防腐、绝热施工。
2 施工准备2.1 原材料、半成品的要求2.1.1 涂料应具备产品合格证及性能检测报告或厂家的质量证明书,符合设计要求和规范要求且在有效期内;2.1.2 当底漆与面漆采用不同厂家的产品时,涂刷面漆前应做粘接力检验,合格后方可施工;2.1.3 绝热材料要具备出厂合格证或质量鉴定文件,材质、规格及性能参数应符合设计要求和规范要求,且在有效期内;2.1.4涂料及稀释剂等化学品要保存在危险品库内,并要有相应的消防设施;2.1.5保温材料在贮存、运输、现场保管过程中应不受潮湿及机械损伤。
2.2 主要工机具2.2.1施工机工具:空压机(泵)、喷砂设备、三辊卷圆机、电动拉铆枪、喷漆机及喷枪、磨光机、手电钻、钢丝刷、滚筒毛刷、打包钳、剪刀等。
2.2.2测量工具:漆膜测厚仪、游标卡尺、游标万能角度尺、钢卷尺、钢直尺等。
2.3 作业条件2.3.1防腐及绝热施工个人防护用具已齐备;2.3.2通风设施及消防设施能满足规定要求;2.3.3施工场地有良好的照明设施,及满足要求的脚手架;2.3.4需防腐的管材、型材及板材已经验收合格;2.3.5防腐及绝热施工的材料已经验收合格;易燃、易爆、有毒物品设危险品库存放,并有严格的管理制度及消防设施。
2.3.6 管道及设备的防腐、绝热施工宜在试压合格后进行,如要先行施工,须将接口及焊接处留出,待试验合格后再做后续施工;2.4 作业人员2.4.1 根据工程量大小,配备足够数量的喷砂工、油工、保温工、板金工、机械设备操作工、电工、架子工等。
2.4.2 上述各工种均须进行基本知识和操作的培训,经考核合格,方可上岗作业;机械设备操作工、电工、架子工要持证上岗。