(生产管理知识)生产交付控制程序
- 格式:doc
- 大小:795.57 KB
- 文档页数:25
产品防护和交付控制程序(IATF16949:2016)1.0范围1.1 为了确保原材料及产品的固有质量,避免因搬运、包装、使用或交付前受到损坏变质,并按规定的要求交付给顾客,特制定本程序。
1.2 本程序规定了搬运、包装、贮存、防护、交付的管理职责、内容和方法。
1.3 本程序适用于本企业的原材料、外协外购件、顾客提供的产品、半成品、成品的搬运、包装、贮存、防护和交付的管理。
2.0术语本程序引用IATF16949:2016标准中的有关定义。
3.0职责3.1 生产科负责采购品、半成品、成品的搬运、包装、贮存、防护和交付管理。
3.2 技术科负责制订顾客要求的《产品包装标准》、《产品包装作业指导书》部等。
3.3 各相关部门负责本部门产品的搬运、包装、贮存、防护管理以及过程中发生的产品质量问题的分析及措施的制定实施。
3.4 办公室负责组织对有关人员进行相关知识的培训。
3.5 工作流程:按作业指导书执行。
4.0程序内容4.1 包装和搬运要求4.1.1 原材料、外协外购件的搬运要求:原材料、外协外购件进厂后不得随意存放,采用适宜的搬运工具合理搬运、防止原材料磕碰破损,入库后码放整齐。
4.1.2 半成品搬运的要求:半成品要使用合理工具搬运,防止搬运中半成品落地,采用分类堆放整齐,由各班组负责管理。
4.1.3 产品搬运的要求4.1.3.1 搬运时,要轻拿轻放,严禁抛投。
4.1.3.2 运输时,车辆要安全行驶避免紧急刹车、蛇行急转弯等动作, 防止机械损坏及物品掉落。
4.1.3.3 运输时不许与其它物品混装,遇雨天必须用防水布覆盖,包装物不得受潮。
4.1.3.5 运输时必须注意安全,保护好产品标识。
4.1.4 包装4.1.4.1 技术科要按顾客要求制定《产品包装标准》及《产品包装作业指导书》。
4.1.4.2 生产科要根据技术科的设计要求采购包装箱。
4.1.4.3 包装箱外标识要按顾客要求填写齐全(例如:产品名称、规格、型号、数量、制造厂家等)。
产品交付控制程序1目的在产品最终检验后,对产品质量采取有效的保护措施,维护产品的质量,按合同要求确保100%交付。
2范围适用于供货合同要求交付到目的地的产品。
3职责3.1供销部负责将合同的交付要求传达到各责任部门,并按顾客要求进行发货,保证产品无损到达顾客手中;生技部检验员负责交付前产品的抽检,确保出库产品(质量、数量、型号、包装等)符合规定要求。
3.2生技部负责按生产产品提供生产所需的技术资料。
负责按生产计划进行生产。
负责按生产产品提供测量所需的计量器具。
4工作程序4.1产品交付质量的保护4.1.1关于经质检员检查合格后的产品,仓库须按相关规定要求执行。
合同上有要求时,此种保护方式须予以继续,直到交付至送交到顾客为止。
4.1.2供销部于交付前提前5天通知仓库发货数量,仓库须立即回报库存情况。
4.1.3生技部检验员在交付前按顾客抽检的频次、项目对产品进行抽检,确保出库产品(质量、数量、型号、包装等)符合规定要求。
对于库存周期一年以上的产品要加大抽检范围,抽检合格后,通知仓库备货,对抽检不合格的按《不合格品控制程序》执行。
4.1.4仓库接到供销部的备货单,应及时备货,然后确定《送货单》,并签字发货,由门卫放行。
供销部即电话通知需方货已发出。
4.1.5供销部负责按顾客的要求采用最佳的运输方式、路线等发运所有产品。
当顾客无要求时,须选择适宜运输方式,并对运输质量及运输能力要进行监控。
在运输途中对产品的防护须符合相关规定的要求,以确保产品在运输途中不受任何损坏。
4.1.6供销部经办人员在发货前将《送货单》,通过适当的途径传递给顾客,通知客户提货或接货。
货物运到交付地点,供销部负责办理交接手续,并取得收款的凭证。
4.2交付能力的监控4.2.1成立监控小组为确保100%按期发货,满足顾客生产及服务的要求,由供销部、生技部组成按期交付监控小组。
4.2.2小组职责a)生技部负责按生产计划进行生产。
负责按生产产品提供生产所需的技术资料。
1.0 目的1.1 使仓储产品得以有效、规范管理,妥善保管、储存产品、维护产品质量及安全。
1.2 合理运用储存空间、提高工作效率、降低库存及成本。
1.3 满足生产需求及计划交期之准确性,保证产品在交付给客户前得到有效防护。
2.0 范围凡本公司所有原材料、半成品、成品、辅料的储存管理均适用。
3.0 职责3.1 仓管员负责产品进料及交付过程的摆放,发料等工作,并做好仓储整体管理规划及物料运作单据整理、归档和日常运作之帐务登记。
3.2 生产部负责生产线原材料、半成品等的安全防护及管理。
3.3 营业课负责交付产品的跟进,负责产品交付信息的传递。
4.0 工作程序4.1 仓储收入管理:包括来料入库、成品入库、不合格品退仓、顾客退货等内容。
4.1.1来料入库:a) 仓管员在接到送货单后首先核查所送货物是否有《采购单》, 须仔细核对是否符合《采购单》规定的品名、规格、数量、交期、交货地点、有否超单等内容,确认无误后方可安排卸货点收。
b) 仓管员核对送货单数量与实际数量是否一致,同时需检查运输途中有否损坏,如有任何异常及时回馈给采购处理。
c) 经核对各项内容无误后,仓管员在送货单上签收认可,通知IQC进行检验。
合格品入库,不合格品按《不合格品管理程序》执行。
d) 若无《采购单》仓管员可则作拒收处理.。
e) 仓管员及时将供应商之送货单及相关信息回馈给采购。
f) IQC检验合格的产品,仓管员办理入库手续,并将来料转移至指定的区域。
4.1.2 成品入库:a)厂内成品入库:成品包装完成后,生产部通知品管部进行成品检验,成品经OQC检验合格,生产部填写《入库单》交仓管员,仓管员须仔细核对单物内容“品名、规格、数量等”是否相符,核对无误后办理入库手续。
b)外购成品入库:外购成品由仓库通知品管部进行成品检验,经OQC检验合格贴上出货标签后,由业务下达包装方式至仓库,由仓库按业务下达的包装方式包装。
如产品马上出货,经OQC检验合格仓库包装完成后,由仓库通知业务办理出货;否则仓管将其运至指定区域存放,并作好标识。
QG/XXXX生产提供控制程序编制:XXX 2013.10.10审核:XXX 2013.10.26批准: XXX 2013.11.8版次: REV1.0分发号:2010-12-8发布2010-12-9实施XXXXXX有限责任公司标准发布目次封面 0更改控制页 (1)目次 (2)1.目的 (3)2.适用范围 (3)3.术语和定义 (3)4.引用标准/文件 (3)5.职责和权限 (3)6.文件格式 (4)7.工作程序 (5)8 有关文件 (5)9.记录 (8)1 目的对影响产品质量的有关因素进行控制, 保证生产过程受控, 确保产品达到规定的质量要求。
2 适用范围本程序规定了产品生产过程的控制要求及方法。
本程序适用于公司产品的制造、检验和试验、贮存、包装、交付过程。
3 术语和定义3.1本程序应用GB/T19001:2008《质量管理体系要求》中的术语和定义。
3.2 本程序中应用“文件”术语,除有特殊说明处,均指《质量手册》中规定的全部质量管理体系文件。
4 引用标准/文件4.1 QG/XXXX 01-00《质量手册》5 职责和权限5.1 制造部5.1.1对生产提供的控制、标识和可追溯性、顾客财产、产品的防护实施归口管理与控制,参与有关的过程控制与确认活动。
5.1.2对关键过程及特殊过程实施归口管理与确认,参与售前、售后服务活动。
5.2科技质量部:负责生产所需技术文件的提供和过程控制的指导与监督;5.3 市场部对服务提供过程和交付后的活动实施归口管理与监控,组织售前、售后服务活动。
5.4 科技质量部负责交付控制并组织产品的交付检验,参与有关的过程控制与确认活动,组织实施过程的监督检查、监视和测量。
5.5 制造部负责实施生产和服务的提供,并确保生产和服务提供过程受控,并持续改进。
6.文件格式6.1文件中各页,根据每页的功能按照GB/T1.2-2000和GB/T1.1-2000标准的编排要求进行编排封面、目录、文字、插图、表格和附录等。
有限公司企业标准Q/6DG13.717-2003 产品交付管理程序2003-04-20发布 2003-05-01实施有限公司发布下面红色部分是赠送的总结计划,不需要的可以下载后编辑删除!2014年工作总结及2015年工作计划(精选)XX年,我工区安全生产工作始终坚持“安全第一,预防为主,综合治理”的方针,以落实安全生产责任制为核心,积极开展安全生产大检查、事故隐患整改、安全生产宣传教育以及安全生产专项整治等活动,一年来,在工区全员的共同努力下,工区安全生产局面良好,总体安全生产形势持续稳定并更加牢固可靠。
一、主要工作开展情况(一)认真开展安全生产大检查,加大安全整治力度。
在今年的安全生产检查活动中,工区始终认真开展月度安全检查和日常性安全巡视检查记录,同时顺利完成公司组织的XX年春、秋季安全生产大检查和国家电网公司组织的专项隐患排查工作。
截止日前,工区先后共开展各类安全检查71次,查出事故隐患点22处,均进行了闭环处理。
通过检查活动,进一步夯实了工区的安全生产基础。
(二)顺利完成保电专项工作。
本年度工区共进行专项保电工作10次,累计保电天数达到90余天,通过工区全员的共同努力,顺利完成春节保电、国庆保电、七一保电、特高压投送电保电、500kv沁博线保电等一批重要节假日的保电工作。
(四)工作票统计及其他工作情况。
截止11月15日,我工区连续实现安全生产1780天;全年共办理工作票50张,其中第一种工作票24张,含基建单位8张;第二种工作票26张。
工作票合格率100%,执行情况较好。
全年工区所辖线路跳闸次数共计0次,线路跳闸率为0次/(百公里·年)。
(四)安环体系标准化建设本年度在公司统一的部署下,工区积极参与安环体系标准化建设工作,先后派员参加安环体系标准化培训2次,迎接公司开展安环体系内审工作三次,先后审查出问题共计20余处,先后进行了闭环整改。
截止日前,工区已初步建立起了标准化安环工作体系,在今后工作中,工区将进一步完善各项工作流程,努力确保体系工作符合外审相关要求。
文件号 QP750100版 次 1.0 编写日期 2020-5-6 共 5 页 第 1 页1.目的:为使公司能充分运用所有管理人员、员工以及机器设备,保质保量按时完成公司下达的生产任务,并就作业过程中出现的问题能及时采取纠正措施,特制订本程序。
2.范围:本程序适用于公司内涉及生产的各部门和人员。
3.定义:(无)4.职责4.1 生产部主管负责:“生产计划”的执行;组织人力资源进行生产,依质量计划及各生产工艺,进行过程监督与控制;组织相关部门审核“异常报告”,并对异常现象进行调查、分析,追究责任部门的责任,并责成相关部门采取相应的纠正、预防措施。
4.2 生产部各班组负责:执行“生产计划”;依“钢筋混凝土水泥管制造技术和安全操作规程”、“ 制造工艺操作规程”及“材料配比方案”组织生产;生产及生产过程管理与控制;生产现场与环境管理;执行品管部提供的材料配比方案;执行“纠正和预防控制程序(QP850100)”;履行“标识和可追溯性程序(QP750400)”、“生产过程控制程序(QP750100)”、“设备管理程序(QP750200)”等。
4.3 品管部负责:编制钢筋混凝土水泥管产品技术条件和生产工艺标准;拟定生产过程的质量控制指标;按“质量策划程序” (QP540100)及有关资料,对过程参数和产品特性编定生产作业质量计划(包括生产设备、生产流程控制手段等);编制相应的材料配比方案,并提供必要的技术指导;“异常报告”中纠正和预防措施实施情况的跟踪;依据“制造工艺操作规程”内容对产品质量进行检验和判定;对生产过程的产品质量进行监督;履行“质量策划程序” (QP540100)、“检验和试验控制程序” (QP820300)、“标识和可追溯性程文件号 QP750100 版次 1.0 编写日期 2020-5-6 共5页第2页序”(QP750400)、“检验和试验状态控制程序”(QP750500)等。
4.4 生管采购组负责:“生产计划”的编制,根据“采购计划”准备生产物料;对原材料进行适当标识;不同原材料有适当区分;确保原材料满足生产需求;履行“供应商评审程序”(QP740200)、“采购作业程序”(QP740100);4.5业务主管负责:与客户协商有关交货期事宜;履行“合同评审程序”(QP720100)等。
生产控制程序范文首先,生产计划管理。
生产控制程序可以实现对生产任务的计划制定和调整,包括订单接收、任务分配、工序排程、生产资源调配等。
通过分析和评估生产能力和资源的情况,系统可以合理分配任务和资源,提高生产效率和资源利用率。
其次,生产设备控制。
生产控制程序可以实现对生产设备的自动化控制和监控。
通过与生产设备连接,实现对设备运行状态的实时监测、生产参数的设定及调整、异常情况的报警和处理等功能。
生产控制程序可以集成各种控制设备,包括PLC(可编程逻辑控制器)、DCS(分散控制系统)、SCADA(监控与数据采集系统)等,实现生产过程的自动化控制。
再次,质量控制和监测。
生产控制程序可以对生产过程中的产品质量进行控制和监测。
通过设置检测点和指标,对关键工序进行在线质量监测和数据收集。
生产控制程序可以实时分析和判断产品质量状况,并及时采取调整措施,确保产品质量符合标准要求。
此外,数据收集和分析。
生产控制程序可以对生产过程中的各种数据进行采集和分析。
通过采集和分析生产数据,可以获取生产过程中的关键参数,如生产能耗、生产效率、设备开机率等,为管理者提供生产决策的依据。
生产控制程序还可以对历史数据进行存储和分析,通过统计和趋势分析,发现规律,并为后续生产决策提供参考。
另外,报表生成和审批流程管理。
生产控制程序可以自动生成各种生产报表,如生产日报、生产周报、生产月报等。
通过报表可以全面了解生产状况,及时发现问题和风险。
生产控制程序还可以实现对生产审批流程的管理,包括任务分配、进度追踪、审核和审批等环节,提高生产决策的效率和准确性。
最后,系统集成和联网。
生产控制程序可以与其他系统和设备进行集成和联网。
通过与企业资源计划(ERP)系统、制造执行系统(MES)等系统的对接,实现信息共享和业务协同。
生产控制程序还可以实现与供应商、客户和其他合作伙伴的数据交换和共享,提高整个供应链的响应速度和效率。
总而言之,生产控制程序是一个具有计划管理、设备控制、质量控制和监测、数据收集和分析、报表生成和审批流程管理、系统集成和联网等多种功能的软件程序。
1、目的
为了对客户订单的交付过程进行有效的监控,保证产品能在顾客要求的时间内运抵目的地准时交付,以满足顾客需要。
2、适用范围
适用于本公司所有产品订单下达、计划安排、采购计划、生产、制造、产品发运、交付、回款过程的控制。
3、术语及定义
产品交付:按照顾客技术和商务要求,从订单计划到产品交付客户装机的全过程。
4、职责
4.1营销部门:负责销售需求计划的下达和交付计划的制定及货款回收。
4.2生产部门:负责生产计划的编制和实施。
4.3质量部门:负责原材料入厂、生产过程监控,并出具相应检测报告。
4.4采购部门:负责编制、下达采购计划,按需求回厂。
4.5财务部门:负责对账及交付过程的财务管理。
4.6仓储物流部门:负责物资的出入库管理及交付发运工作。
5、工作流程描述
5.1、工作流程图
5.2、工作要点简述
6支持性文件
6.1 《生产过程控制程序》6.2 《文件和记录管理程序》7质量记录
8 生产交付周期参考表
9、程序更改记录。
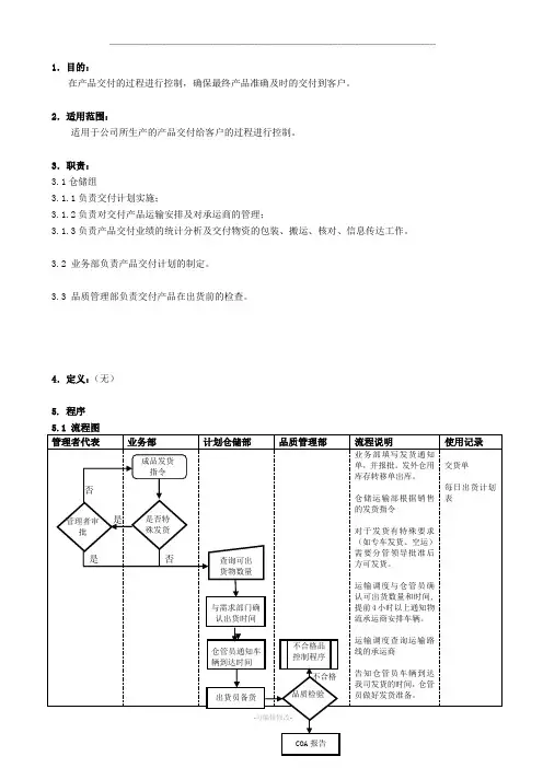
1.目的:
在产品交付的过程进行控制,确保最终产品准确及时的交付到客户。
2.适用范围:
适用于公司所生产的产品交付给客户的过程进行控制。
3.职责:
3.1仓储组
3.1.1负责交付计划实施;
3.1.2负责对交付产品运输安排及对承运商的管理;
3.1.3负责产品交付业绩的统计分析及交付物资的包装、搬运、核对、信息传达工作。
3.2 业务部负责产品交付计划的制定。
3.3 品质管理部负责交付产品在出货前的检查。
4.定义:(无)
5. 程序
6.0相关文件
7.0相关记录
《交货单》
《成品检验报告》(COA)
文件分发部门
文件变更记录
Welcome To Download !!!
欢迎您的下载,资料仅供参考!。
产品交付的控制程序1 目的规定了产品交付和出厂前检查的职责,控制要求,交付和检查程序、报告和记录。
其目的是保证将验收合格的产品,完好无损地按要求移交到用户所指定的接收地点。
2适用范围适用于本企业成品库所有军品、备附件出厂前的检查及向顾客交付产品。
也适用于所有民品的交付。
3 职责 3.1 出厂前的质量检查和产品交付由销售部门归口管理;检验、生产、技安、供运、公安(保卫)等部门负责配合实施。
3.2 检验部门对所交付的产品应提供出厂产品“合格证”。
对所记载的质量问题的真实性、准确性负责。
3.3 装配/成品车间对所交付产品的包装、装箱的齐全性、完整性负责,对复验产品再次包装。
3.4 公安(保卫)部门对所交付产品的押运的安全性及造成的破损、遗失、盗窃负责。
4程序4.1 控制要求4.1.1 生产计划4.1.1.1 经营计划部门根据评审后的顾客合同、订单(供货计划)编制年、季生产计划,交生产管理部门。
4.1.1.2 生产管理部门根据年、季生产计划、库存状况编制月生产作业计划,安排生产。
4.1.2 企业交付的产品必须完成全部检验和试验(包括靶试),并符合下列要求:4.1.2.1 经检验部门验收合格;4.1.2.2 军品还应有检验部门、企业最高管理者、顾客代表签署的产品出厂《合格证》;4.1.2.3 具有用户生产合同中要求的其他质量文件。
4.1.2.4 包装符合国家和Q/DJSⅡQP1501《搬运、贮存、包装、防护控制程序》及合同要求,应有识别产品的标志、标志字迹清楚、牢固。
4.1.3 严格执行产品出厂前的检查程序。
由检验部门会同顾客代表按本标准规定的程序对出厂前产品进行检查,最终确认该批产品符合规定要求后方可出厂。
4.1.4 按照Q/DJSⅡQP1501之规定,对贮存各个环节进行控制,确保产品质量。
4.2 产品交付程序4.2.1 产品验收合格后,由检验部门办理产品出厂合格证。
4.2.2 产品装配车间检验,对验收的合格产品数量、批号、质量状况做好详细记录,并监督车间将产品转入成品库,按库房管理要求存放,并办理入库手续(即应开具产品入库单、随产品入库应移交产品出厂合格证及有关质量文件)。
XXXX汽车零部件有限公司企业标准XXXXX-2020交付控制程序共8页第1页1 目的为了对外购品(包括原材料、外购件、外协件)在制品、半成品、成品在标识、搬运、贮存、包装、防护和交付的过程实施质量控制,特制定本标准。
2适用范围本标准适用于本企业的各类仓库(原材料仓库、外购件仓库、半成品仓库、成品仓库)、生产过程、交付过程中标识、搬运、贮存、包装、防护和交付等方面的控制要求。
3职责3.1 技质部负责制定产品贮存、防护、包装技术文件(如包装方案),负责交付产品的质量管理。
3.2 计划物流部负责成品交付管理,以及对产品交付业绩统计;并对包装入库后产品标识实施控制;负责原材料、半成品、成品仓库的仓储、防护管理;监督冲压车间、焊接车间对产品的包装、标识,以及对可重复利用包装物和工位器具(如周转箱)管理。
3.3 冲压车间、焊接车间负责生产过程和报交入库产品的标识、搬运、防护,并负责生产过程中所需工位器具(如周转箱等)策划、设计、需用量申请。
3.4 生产准备部负责对包装物的采购,并验收。
XXXXX-2020 第2页3.6 人力资源部负责组织对有特殊要求的人员进行相关培训。
3.7 财务部负责对仓库的库存周转率每季度1次作出统计。
XXXXX-2020 第3页4 流程图及程序企业2020-4-1批准2020-4-10实施企业2020-4-1批准2020-4-10实施企业2020-4-1批准2020-4-10实施企业2020-4-1批准2020-4-10实施5.工作指导书/表单订单盘点记录表起草人:XXX 校对人:XXX 共印10份企业2020-4-1批准2020-4-10实施。
产品防护和交付控制程序1、目的和适用范围本程序规定了防止产品在内部处理时最终交付发生损坏和误用所采取的标识、贮存、保护和防护的控制内容和要求。
本程序确保向顾客提供的产品,是经检验和试验合格的,适用于公司产品生产过程和向顾客提交过程的控制。
2、引用文件本程序引用下列标准所包含的条文,并探讨使用其最新版本的可能性。
GB/T19001《质量管理体系要求》3、术语和定义本程序采用GB/T19000《质量管理体系基础和术语》中给出的术语和定义。
4、职责4.1生产部为在制品防护的主管部门,负责在制品的储存防护管理;负责投料搬运和在制品周转过程的质量控制;负责工位器具的制造、维修和使用管理。
4.2供销部为原材料防护的主管部门,负责采购产品的搬运和储存防护控制。
4.3供销部为成品防护和产品交付的主管部门,负责成品的搬运和储存防护控制;负责产品发运过程中的质量控制。
4.4办公室为库存产品的主管部门,确保帐物卡相符。
4.5生产部负责明确包装方法和标志等要求。
5、程序和要求5.1产品防护的程序和要求5.1.1产品的标识产品在搬运、贮存和过程周转中的标识按《标识和可追溯性控制程序》文件要求进行。
5.1.2产品的搬运a)各责任部门对搬运工作进行检查,确保在制品、成品的搬运中不损坏、不混乱、不丢失。
b)产品在搬运过程中发生质量问题,搬运人员要立即通知技术人员,经认定后办理相应手续。
5.1.3产品的包装a)在产品包装前包装人员应检查:产品是否经公司检验合格,质量证明文件是否齐全。
技术质检部应按包装的技术要求进行产品包装。
包装场地环境应整洁、干净。
b)包装人员按要求对包装的产品进行清理、检查,并按技术文件的要求进行标识。
c)检验人员对包装过程的质量进行监控,核对所包装产品的数量、质量,检查合格后办理验收手续。
d)如产品包装有特殊要求时,执行定货合同中的有关特殊要求。
5.1.4产品的贮存5.1.4.1采购品入库前的管理a)采购产品在入库贮存前,为防止混放,应设置:待验区,并根据检验结果进行不合格采购品、待处理品等标识。
产品交付控制程序
1 目的
为确保公司能够100%按顾客要求交货。
2 范围
适用于本公司所有产品的交付活动。
3 定义
无
4 职责
4.1业务部负责客户信息的及时反馈。
4.2生产部负责生产计划及出货计划的安排。
4.3品管部负责出货检验及报告的提供。
5 程序内容
5.1业务部应及时将顾客的订单或出货计划反馈给生产部。
5.2生产部根据顾客订单或出货计划安排生产计划。
5.3生管课应及时将生产计划转化为各工序的生产指示单。
5.4生产完成品储存按照成品仓库管理规定执行;
5.5需要出货时,根据货柜申请单进行备货,备货OK以后通知品管检查,
5.6品管部应按出货计划及时安排抽检,具体方案参照《产品的监视和测量控制程序》,如有不合格按《不合格品控制程序》执行。
5.7出货检查人员判定OK后,装箱人员核对货柜申请单、货柜安排表、装箱单是否一致(包括数量、毛重、体积、麦头),如果一致,装箱出货;
5.8业务部应有一套与顾客及时进行沟通的系统,以便及时将出货信息反馈给顾客。
6、相关文件
6.1《产品的监视和测量控制程序》
6.2《不合格品控制程序》
6.3《生产计划管理程序》
7、使用表单:
7.1《货柜申请单》7.2《出货单》7.3《出货检验报告》。
编号:QP-8.5-2023生产和服务提供控制程序1目的确保生产过程受控,产品符合规定的要求。
2适用范围本程序规定了生产过程控制的职责、工作程序和应形成的质量记录。
3术语和定义3.1返工为使不合格品符合要求而采取的措施。
3.2返修为使不合格品满足预期用途而采取的措施。
4管理职责技术中心和生产部是生产过程的主管部门。
质量管理部协助,实施对生产和服务提供过程的确认和控制,以及对整个生产过程的监控。
5管理职责5.1技术中心或生产部负责对生产计划的编制与管理。
5.2生产准备技术中心和生产部按生产计划的要求,认真做好准备,并组织对准备情况进行检查,检查合格才开始生产,认真填好《生产准备检查表》。
5.3生产过程控制基本要点生产应按计划,并在受控条件下进行,严格工艺纪律,受控条件包括:产品特性的文件,包括有关图样、技术文件、工艺文件、规范、样件、模板等;必要时,获得作业指导书;确定使用适宜的生产设备(包括工装、夹具),并保持适宜的环境;获得和使用适宜的监视和测量资源;在产品采购、半成品和最终过程实施监视和测量活动,以验证是否符合过程或输出的控制准则以及产品和服务的接收准则;编号:QP-8.5-2023生产和服务提供控制程序f)配备胜任的人员,包括所要求的资格;g)采取措施防止人为错误;h)实施放行、交付和交付后的活动;控制工序间的放行,产品交付以后售后服务(如零配件的供应、培训、上门服务等);当生产过程更改(工艺过程的增加或减少、发生变化)时,需授权人审批。
5.4生产和服务提供过程和确认定义:确认当通过提供客观证据对特定的预期用途或应用要求已得到满足的认定。
当生产和服务提供过程的输出不能用后续的监视或测量加以验证,使问题在产品使用后或服务交付后显现时,公司对这样的过程实施确认,以证实这些过程具有实现所策划的结果的能力。
本公司对焊接过程实施确认,由质量管理部主管,形成确认报告,并对造成的问题跟踪管理,保留确认过程中的记录。
生产控制程序一、目的明确整个生产运作过程,从制订生产计划、下单、生产过程控制到出货等全过程的运作流程及操作方法,确保产品保质保量,按时交付。
二、范围本程序适用于公司生产实现和生产过程中产品质量控制的管理。
三、权责1、产品工程部是本程序的归口管理部门,负责产品生产实现过程的策划,零部件及成品技术标准、检测标准的编制及分发,负责OEM/ODM 企业生产计划的完成跟进;2、产品工程部采购负责编月度采购计划的编制,负责OEM/ODM 所需物资的调拨;3、产品工程部产品工程师负责“装配作业指导卡”、“装配作业注意事项”等技术文件的编制;4、产品工程部生产员负责本部生产计划的完成情况跟进;5、检测员负责首检封样、来料检验、成品检验的实施及记录;6、生产部门或外包厂商负责生产过程中的物料状态及不合格品的状态标识;7、仓库负责物料的状态及合格状态的标识;8、总师办负责人负责监控协调产销平衡。
四、生产实现运作流程(一)批量生产前准备工作 1、批量生产前,产品部将确认的零部件及成品技术标准,成品检测标准,发至品质管理部、产品工程部及OEM/ODM 方;2、产品工程部产品工程师,根据产品及相关标准,编制“装配作业指导书”、“装配作业注意事项”、“工艺流程卡”等发放生产车间;3、生产车间技术工艺视情况确定,是否进行培训工作,明确产品的接收标准及判定依据;4、生产前,产品部将产品资料归档齐套登记表发给采购、品质部、OEM/ODM 方。
(二)生产计划1、产品工程部经理根据总师办生产计划,结合公司生产能力,制订“月度生产计划通知单”,经总经理审批后,发产品工程部或OEM/ODM 方,传达生产计划;产品部负责跟踪OEM/ODM方的生产计划的完成情况;2、产品工程部采购汇总“月度生产计划通知单”(包括本部及OEM方),制订需我司提供物料的“月度采购计划”,报产品工程部经理审批后,编制“物料订购单”发至供应商及我司各材料仓库;3、产品工程部生产员根据物料到位、储备及采购计划的实际情况,合理分解月度计划,制订周计划,经产品工程部经理批准后,发生产车间及各材料仓;需要时,生产部可对周计划做出更改,更改后的生产计划,需经产品工程部经理再次审批后方可下发各生产车间及各材料仓;(三)生产过程1、生产部或OEM/ODM厂商,根据“生产作业周计划”填写“物料领用单”,经车间主任批准后至物料仓领取合格物料;2、OEM/ODM方需我司提供物料或至我司供应商采购物料时,采购员做采购计划,安排供应商直接送货或填写“物料调拨申请单”从我司仓库提取物料至OEM/ODM方,采购员需保存相关的接收证明;3、生产车间按工艺文件要求配备相应生产设备和检测设备,设备管理员按点检计划对生产设备进行点检,检测设备使用人员在使用前对检测设备点检;4、生产车间,根据产品型号及计划产量,安排相应的人员进行生产,并对生产产品,按公司要求,做好批号的规定,以便追溯;(四)生产运作监控1、生产运作监控主要包括:来料检验、过程检验、成品抽检、成品监督检验四个内容;2、来料检验:由品质管理部负责实施,来料检验员根据公司“抽样标准”(抽样比例)?,对原料进行合理抽样,检验后,填写检验报告,经审批后发相关部门;3、过程检验:过程检验主要包括:首检、巡检、在线检验三方面,本部工厂由品管部负责生产过程首检、巡检,生产车间负责在线检验;OEM厂首检、巡检、在线检验由驻厂代表监督执行;首检、巡检的实施条件如下:a.首检:品管部检验人员,对首件产品检验合格并对整机完整封样后,生产车间方可继续生产;①每个工作日/每批订单的首件;②新设备、新工艺模具生产前的首件;③生产工艺发生重大改变的首件;④模具或零部件经过改动或更换的首件;b.巡检:品管部巡检员按规定要求实施巡检,并做好巡检记录;c.在线检验:生产线关键质控点及检测岗位,对产品质量按标准实施检验,对不合格产品做好记录/标识;4、产品状态标识规定a.生产状态分五种:成品、半成品、不合格品、在制品、待检品;b.检验状态分为四种:“待检”、“合格”、“不合格”、“紧急放行”(现阶段必须);c.生产现场标识按《生产现场管理制度》执行;5、生产车间及品管部须及时对生产过程中出现的不合格现象(如:停工、待料、设备维修)做好记录,为数据分析提供依据;6、产品防护(五)搬运1、仓库和生产车间在原材料、半成品、成品的搬运过程中应使用相应的器具,防止碰伤,保证搬运安全。