方便面作业指导书
- 格式:doc
- 大小:52.50 KB
- 文档页数:10
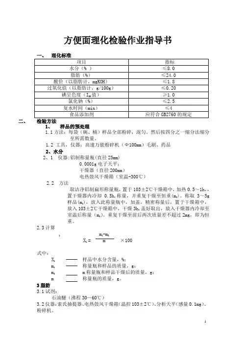
方便面理化检验作业指导书二、1、样品的预处理1.1方法:每袋(碗、桶)样品全部粉碎,混匀。
然后按四分之一缩分法缩分至所需数量。
1.2 工具,仪器:高速万能粉碎机(Ф100mm)毛刷、药品2、水分2、1 仪器:铝制称量瓶(直径25mm)0.0001g电子天平;干燥器(直径200mm)电热鼓风干燥箱(室温-300℃)2.2 方法取洁净铝制扁形称量瓶,置于103±2℃干燥箱中,加热0.5~1h,,置干燥器内冷却0.5h,称量,并重复干燥至恒重(m3)。
称取3~5g样品(m1),放入此称量瓶中,加盖,精密称量后,置于干燥箱中,放入103±2℃干燥箱中,干燥3h,盖好取出,放入干燥器内冷却至室温后称量(m2)。
重复干燥至前后两次质量差不超过2mg,即为恒重。
2.3计算1 m1-m2X1= m ×100式中:X1样品中水分含量,%;m1称量瓶和样品的质量,g;m2m称量瓶和样品干燥后的质量,g;m称量瓶的质量,g。
3脂肪3.1试剂:石油醚(沸程30—60℃)3.2仪器:索氏抽提器、电热鼓风干燥箱(温控103±2℃)、分析天平(感量0.1mg)、粉碎机、3.1索氏抽提器的清洗将索氏抽提器各部位充分洗涤并用蒸馏水清洗后烘干。
底瓶在103±2℃的电热鼓风干燥箱内干燥至恒重(前后两次称量差不超过0.002g )。
3.2称样将5g 左右粉碎的样品迅速转入已在103±2℃烘箱中烘1小时的滤纸筒内(滤纸筒底部先铺一薄层脱脂棉),用脱脂棉蘸少量无水乙醚或石油醚揩净用具上的试样和脂肪,一并放入滤纸筒中,上面再塞入少量的脱脂棉,以压住试样.3.3抽提将盛有试样的滤纸筒放入索氏抽提筒内,连接已干燥至恒重的底瓶,注入30~60℃石油醚至虹吸管高度以上。
待石油醚流尽后,再加石油醚至虹吸管高度的三分之二处,连接回流冷凝管。
将底瓶浸没在水浴中加热。
用一小块脱脂棉轻轻塞入冷凝管上口。
1.面粉:A2预拌粉
期内。
2.按辅料添加标准
33%
2.时间:30分钟颜色均匀一致,面片紧实手工整形2.形状:标准的圆饼,表面平整,无 1.控制湿面块重量。
2.控制切刀速度调整面条长度 1.温度:95-100度2.时间:3-5分钟
1.挡板设置,缓冲面条下落速度,让其形成波纹形状。
1.计量标准:-3+5
2.喷码:正确、完整、清晰。
3.面饼与外袋品种相符 1.温度:180-200度。
2.封口两边对齐,无封烂,开口,双折边等 1.尾部折叠整齐,胶纸粘贴紧实。
2.喷码:正确,完整,清晰,内外日期相符。
齐,胶纸粘
牢,留长5-7
厘米。
2.按标准码
放,每跺50
件,喷码朝外落盒形状:标
准的圆饼、表
面平整、无面
丝垂下、无成。
方便面生产工艺流程图、说明书及关键工艺参数
编辑整理:
尊敬的读者朋友们:
这里是精品文档编辑中心,本文档内容是由我和我的同事精心编辑整理后发布的,发布之前我们对文中内容进行仔细校对,但是难免会有疏漏的地方,但是任然希望(方便面生产工艺流程图、说明书及关键工艺参数)的内容能够给您的工作和学习带来便利。
同时也真诚的希望收到您的建议和反馈,这将是我们进步的源泉,前进的动力。
本文可编辑可修改,如果觉得对您有帮助请收藏以便随时查阅,最后祝您生活愉快业绩进步,以下为方便面生产工艺流程图、说明书及关键工艺参数的全部内容。
河南XX市XXX食品有限公司
方便面生产工艺流程图
面生产工艺流程调料包制作流程
汤粉包
干料包
河南XX市XXX食品有限公司
方便面产品说明及关键工艺资料
产品说明:
我司XX牌面属于油炸方便面,是以小麦粉为主要原料,添加淀粉及食品添加剂,经加水及食盐和面、压延、成型、蒸面、经油炸处理,而达到一定熟度,添加调料包的方便面产品。
产品严格按照食品安全法及国家相关法例及标准进行生产,同时满足相关要求。
孟州掌柜食品有限公司和面岗作业指导书1.和面工在开机前60分钟到计划张贴栏处确认当班生产计划,领取生产所需物料。
2.与上个班组进行现场卫生、设备、工具物品及物料等进行交接(首次开机,应对现场卫生进行全面清扫干净后方可开机)。
3.按生产计划品种及工艺要求配水,并检查配水物料和添加物种类、色泽、气味等是否符合工艺要求和质量判定标准。
若有异常及时告知生产班长和品控员。
4.开机过程严格按照[方便面生产设备安全操作规程]内容进行操作。
5.配水:加水至配水缸的2/3处,将搅拌器开启,按工艺要求称量配水物料后进行添加,搅拌30分钟,再加水至规定水位线,再搅拌10分钟后,方可使用。
6.在配水过程按照工艺要求重量完成辅助物料的称量工作,并分类分装成单批小袋,整齐摆放在定置区域。
7.根据不同品项的工艺要求,调整好和面时间。
生产过程中感官判断面粉混合后面团状态是否达到工艺要求(吸水均匀而充足、不含生粉,颗粒松散,粒度大小均匀,色泽一致并略显黄色)。
手感判断(手感判断在熟化盘进行):手握成团,经轻轻搓揉,仍能成为松散的颗粒面团。
8.生产过程要经常检查配水缸中是否有异味、异物,并对所用水的温度,波美值经常性进行测定,依据[制面生产流程管理办法]中表单格式详细填写生产记录。
9.和面机内壁、加水管和搅拌轴、搅拌叶片、卸料门附着的积粉每隔4批清理1次,下料筒、配水缸等设备或容器每班结束清理1次,以上清理要求必须在停机状态下进行。
10.生产现场和操作人员卫生符合[工厂卫生管理办法]中车间卫生要求内容。
11.生产完毕,清洁设备、设施和工作环境现场,剩余物料到仓库办理退库手续,与下个班组按照[交接班制度]要求进行交接。
生产报表填写完毕,直接呈报生产班长。
生产部2007-10-20。
方便面生产工艺流程及操作说明方便面生产工艺流程及操作说明1、原材料准备1.1、小麦粉:根据配方要求,将小麦粉进行筛分和清洁处理,确保质量和安全性。
1.2、食用盐:选用符合食品安全标准的食用盐,根据配方准确称量。
1.3、零食添加剂:如辣椒粉、蔬菜粉、香精等,根据产品要求准确称量。
2、配方混合2.1、将小麦粉、食用盐和零食添加剂按配方要求准确称量。
2.2、将称量好的原材料放入混合机中,并进行充分混合,直至达到均匀的状态。
3、面条制作3.1、将混合好的原材料通过挤压机制成条状面条,并经过切割,得到合适长度的面条丝。
3.2、将切割好的面条丝进行蒸煮,以确保熟透并达到所需的口感。
4、调味料准备4.1、根据配方要求,将调味料进行准确称量。
4.2、将称量好的调味料与适量的水混合,制成浓稠的调味料。
5、方便面制作5.1、将煮熟的面条丝与调味料混合,并确保每根面条都充分裹上调味料。
5.2、将调味好的面条丝进行干燥处理,以去除多余的水分和保持口感。
5.3、将干燥后的面条进行包装,确保密封性和产品的保存期限。
6、检验和质量控制6.1、进行方便面产品的外观、味道、口感等质量指标的检测。
6.2、对产品进行质量追溯,确保产品的安全性和合规性。
7、包装和存储7.1、对检验合格的产品进行包装,并确保包装完好和清洁。
7.2、将包装好的产品进行储存,注意避免阳光直射和高温环境。
本文档涉及附件:附件1、小麦粉清洁处理操作流程图附件2、方便面生产工艺流程图附件3、方便面原材料配方表本文所涉及的法律名词及注释:1、食品安全标准:根据国家相关法律法规制定的食品安全指标和要求。
2、质量控制:对产品质量进行的各项管理和控制措施的综合性总称。
3、质量追溯:追踪产品生产和流通环节,以保障产品质量、安全和合规性。
油炸型膨化食品关键岗位作业指导书目录•引言•一、岗位概述– 1.1 岗位背景– 1.2 岗位职责•二、操作流程– 2.1 准备工作– 2.2 食材准备– 2.3 油炸步骤– 2.4 质量检查•三、安全注意事项– 3.1 个人防护– 3.2 设备操作安全•四、岗位要求– 4.1 技能要求– 4.2 知识要求– 4.3 职业素养要求•五、岗位培训– 5.1 新员工培训– 5.2 岗位技能提升引言本《油炸型膨化食品关键岗位作业指导书》旨在规范油炸类膨化食品关键岗位的操作流程,提高工作效率和产品质量。
本指导书可作为管理者对工作人员的培训教材,以确保操作过程的标准化和安全。
一、岗位概述1.1 岗位背景油炸型膨化食品关键岗位是指在生产膨化食品加工过程中,负责油炸步骤的岗位。
该岗位要求员工具备相关技能和知识,保证产品的质量和安全。
1.2 岗位职责•准备工作:仔细阅读生产订单,准备所需设备和材料。
•食材准备:鉴别食材,按照比例取量并进行称重。
•油炸步骤:调整油温,将食材加入炸锅,控制时间和火候,完成油炸。
•质量检查:负责检查油炸食品外观、气味、口感等,确保产品质量符合标准。
二、操作流程2.1 准备工作1.仔细阅读生产订单,了解生产要求和产品规格。
2.检查所需设备和工具是否齐全,确保设备正常运行。
3.准备油炸食材和调味品,按照生产订单中的配方进行称重。
2.2 食材准备1.检查食材的质量和新鲜度,确保食材符合食品安全标准。
2.根据生产订单中的配方,按照比例取量并进行称重。
3.将称好的食材储存在干燥、清洁的容器中,避免受潮和污染。
2.3 油炸步骤1.调整油温:根据产品要求和食材特性,调整油炸温度,确保油的温度在适宜范围内。
2.加入食材:将食材缓慢地加入预热好的油锅中,避免溅油和烫伤。
3.控制时间和火候:根据产品要求,控制油炸的时间和火候,确保产品熟透、色泽金黄。
4.过滤油渣:在油炸过程中,及时将产生的油渣过滤掉,保持油的清洁度。
1.工艺流程制皮→成型→醒发→蒸制→预包装→速冻(ccp3)→包装→金属探测(ccp4)→装箱→入库2.制皮2.1按加工卫生规范清洗、消毒搅拌缸.2.2乳化油、水、糖、酵母、泡打粉、面等按配方要求进行投料打面时间约10分钟左右。
2.3按加工卫生清洗、消毒机器,将搅拌好的面团放在压皮机上,反复压皮8~14次。
3.成型3.1清洗、消毒成型机及使用的器具、台车。
3.2将皮、馅放入成型机,按产品要求成型。
3.3操作员将成型后的产品取5~10粒进行皮馅测试(皮馅重量参照产品配方),以下情况需进行皮馅测试a.每班刚开机时,b.临时停机开机后,c.机器维修、调试后,d.连续生产2小时, e.更换品项。
3.4成型出之半成品由拣圆子之员工负责拣起并整齐排放在蒸盘上,在置放于台车上。
4.醒发4.1按加工卫生规范清洗、消毒醒发室,打开加热,加湿装置,将醒发室调至规定醒发温度:38℃~45℃;醒发湿度:65%~80%;4.2醒发人员应做好出入库记录。
5.蒸制5.1按加工卫生规范清洗、消毒蒸箱,将发酵好的包子推入蒸箱,锁紧箱门,打开蒸汽阀门。
5.2依据不同的产品控制好蒸汽压力,蒸制时间和温度。
5.3蒸橱人员应做好出入库记录。
5.4产品蒸制完成自动报警,拉出产品,通知包装作业员进行下一步工作。
6.预包装6.1按加工卫生规范清洗、消毒工器具,将蒸熟并冷却之产品放于输送带上,冷却时间应控制在15分钟以内。
6.2预包装人员按照各产品规格装底盒。
6.3将装盒之产品每次3-5盒放置于蒸盘,并存放在空台车上,以备冻结。
7.速冻(ccp3)7.1按加工卫生规范清洗、消毒速冻库,打开电源,设定冻库温度在≤-30℃以下。
7.2开启风机,打开冷冻机开关5分钟左右后,将冻库预冷至-20℃左右。
7.3将预包装好的产品推入冻库,产品中心温度≤-18℃。
时间70~110分钟,即可包装。
8.包装8.1按加工卫生规范清洗、消毒工作台面,包装人员戴好一次性手套。
方便面烹饪说明书一、产品简介方便面是一种受到广大消费者喜爱的方便快捷的食品。
它以原材料甄选、独特的配方和科学的加工工艺而得以制作。
本说明书将指导您如何正确烹饪方便面,以获得美味可口的食物。
二、准备工作1. 首先,检查方便面包装是否完好,确认无损伤或过期等情况。
2. 打开方便面包装袋,倒出面条,注意不要把调味包一起倒出。
3. 准备一个适量的清水,用于煮面。
三、烹饪步骤1. 将适量的水倒入锅中,放在炉灶上,用大火煮沸。
2. 当水沸腾时,将面条放入锅中,并用筷子轻轻搅拌,使面条均匀分开。
3. 煮沸3-5分钟,根据个人口味可自行调整时间,煮至面条变软但仍有嚼劲。
4. 煮好的面条捞起,将其放入碗中。
5. 取出调味包,撕开包装,将调味料均匀撒在面条上。
6. 利用筷子或汤匙轻轻搅拌,使调味料均匀附着在面条上。
四、贴士1. 需要注意的是,煮方便面的水量不宜过多,否则可能导致口感变差。
2. 烹饪时间也是关键,在保证面条熟透的同时,需要保留一定的嚼劲。
3. 调味包的用量可以根据个人口味自行调整,可以增加或减少调味料的使用。
4. 享用方便面时,可以加入自己喜欢的蔬菜、肉类等配料,增加口感和营养。
五、食用安全注意事项1. 确保产品包装完好,无法检测到异味或其他异常情况。
2. 请遵循本说明书的烹饪步骤,以确保方便面的安全和美味。
3. 请不要将方便面过度煮沸,以免破坏其质地和口感。
4. 食用方便面时,务必确保面条熟透,以避免食品安全问题。
六、成品展示经过正确烹饪后,方便面将呈现出鲜美的面条和香浓的调味汤汁。
可以根据个人口味,选择在面条上添加蔬菜、肉类等食材,提升口感和营养价值。
七、结语通过本烹饪说明书,您已经学会了如何正确烹饪方便面。
请遵循本说明书的步骤和贴士,以获得最佳的烹饪效果。
祝您用餐愉快,享受美味的方便面!。
编号:QC/RE-KA1782调粉和面岗位作业指导书标准范本In the collective, in order to make all behaviors have rules and regulations, all people abide by the unified norms, so that each group can play the highest role and create the maximum value.(管理规范示范文本)编订:________________________审批:________________________工作单位:________________________调粉和面岗位作业指导书标准范本使用指南:本管理规范文件适合在集体中为使所有行为都有章可偱,所有人都共同遵守统一的规范,最终创造高效公平公开的的环境,使每个小组发挥的作用最高值与创造的价值最大化。
文件可用word 任意修改,可根据自己的情况编辑。
调粉和面岗位作业指导书1、开机前要先检查线路、电机设备等是否正常,混料机料斗内清理干净、是否有残留物。
2、投料:先将面粉等大料加入混料机拌斗,搅拌均匀后停机加入小料,搅拌均匀(约五分分钟)。
3、关掉电机、停止拌料,将搅拌好的料提升到成型设备。
4、配料工作全部结束后,必须将混料机料斗的残留物全部清理干净,机械、电机周围地面、墙壁卫生全部打扫干净方可下班或交班。
5、定期对和混料机进行清洗,正常生产时每半月进行一次,停产后重新生产前增加一次,消毒工作结束后做好清洗消毒记录。
6、做好当班生产记录。
篇2:配料作业指导书配料作业指导书1、配料人员进入配料间工作前,提前打开紫外线灯保持半小时到一小时,为工作台杀菌,杀菌后才能开始配料工作;2、仔细核对领料人员所领取的原材料是否符合当日生产产品需要,所使用食品添加剂的品种和用量是否符合国家标准GB2要求,如有错误要及时纠正;3、样特按当天生产产品品种、产量等的要求称取各种原辅材料,严禁多称或少称,并做好称量记录4、配置好的小料交当班操作人员使用;5、配置工作结束后,将未使用的原辅材料交回仓库保管;不得污染或丢失;6、将配料间清理干净,计量器具和用具清洗干净摆放整齐,切断电源后方可离开。
方便面设备操作规程方便面车间设备操作规程作业指导书一、目的:为加强工作人员严格按配方比例和工艺要求操作,不准私自变动的工作意识。
严格保守企业秘密,不准向任何人(包括自己的亲属)泄露配方秘密。
对所执行的配料表应妥善保管;不准遗失,不准复印,不准抄录,否则按泄露配方秘密论处。
二:使用范围:生产车间生产设备。
包括配料设备、打面设备、熟化设备、压延设备、面刀设备、蒸箱,折叠切断分排设备、油炸设备、冷风机设备、包装设备。
1、配料设备1.配料人员在工作中使用的计量器具,必须准确无误,每次配料前应先检查、校对计量器具,确认无误后方可开始操作。
1.2.放够清水后,开搅拌机,边搅拌边均匀加入规定数量的料和盐,搅拌半小时后方可使用。
1.3.清水高度要严格按照质检部所标尺杆高度投放,按照规定的数量的料和盐边搅拌边均匀的加入清水中,不得有结块、颗粒的现象。
1.4.配料容器必需每班洗濯一次。
1.5.正常生产中,呈现不正常的现象应立即查找原因,停止生产并及时报告车间带领。
1.6.生产前应搜检各阀门是否漏水;若有漏水现象应及时修复。
1.7.比重计和磅秤由专人负责,丢失或损坏照价赔偿。
2、打面设备2.设备启动前,认真清除机器周围和机内的不安全生产隐患。
2.2.开机前仔细搜检,确无隐患前方可空载启动。
2.3.打面机空载3-5分钟后,确系运转良好;方可按规定的载重投入生产。
2.4.机器运转时严禁用手直接去检查面团,以免造成人身事故。
2.5.在机器运转时,严禁调机器各部位,以免造成不应有的事故。
2.6.因停电或机器故障,造成中途停机时,重开机前应将面料卸出后方可启动机器,严禁重载启动以免损害设备和机器。
2.7.打面工在设备运行中应密切注意设备的运行情况,发现异常应停机并通知维修人员或车间负责人进行检查维修;防止设备隐患的进一步恶化,保证生产的正常进行。
2.8.每锅面所用的盐水为小盐水罐按照标高为标准,每锅面在加盐水的过程中打面人员必须一次加够。
制面车间岗位作业指导书1. 目的1.1规范一线员工作业和流程2. 适用范围2.1组织范围:集团方便面事业群2.2业务范围:生产员工当班操作设备,安全生产。
3. 术语和定义 无4. 关键角色职责 无5. 制度内容描述 5.1 倒面工5.1.1 倒面工工作流程5.1.1.1 倒面工应在开机前40分钟到达倒面岗,根据《交接班制度》进行岗位交接,并接收仓库上面人员所上面粉。
5.1.1.2 倒面工检查原料的种类、检验指标结果(化验单)数量和质量(有无麸皮、结块、霉变、异物等),以及面袋的完整性并与计划核对是否为当班所用原料。
5.1.1.3 倒面岗面粉每条生产线只允许存在拆开口的面粉不超过4锅用量,其余的面粉放置在托盘上,托盘整齐排列。
5.1.1.4 倒面工应按照和面岗信号及生产工艺要求进行倒面。
5.1.1.5 每袋面倒完后,用右手抓面袋底部,让面袋倒立,袋口向下,左手在下,正向振动筛上方抖动残留面粉,面粉残余量控制在3克/袋以下。
5.1.1.6 倒面工每倒1锅面后对振动筛清理一次,所清理出线绳和合格证放在规定区域内。
5.1.1.7 在生产过程中,维持本岗位卫生始终清洁,物品定置摆放,空面袋按要求放置在指定位置,分供应商40个/捆,摆放整齐,下班时退库,确保所退面袋数量与实际使用面粉量一致。
5.1.2 倒面工注意点:5.1.2.1 要求做到四勤工作:勤洗手、勤剪指甲、勤理发、勤换衣。
5.1.2.2 熟悉各品种所使用面粉的种类、使用量、配比,按规程操作,以保证和面效果。
5.1.3 拆面袋技巧5.1.3.1双手抓住面袋的两个角(称左右两角),向上拉直,仔细辨别前后两面。
找双线一面,缝双线的那一面比较粗。
5.1.3.2把右边线头横向前拉60度左右。
然后其内角靠近面袋处内侧,会有一单线松动最为厉害。
此单线与双线之间会呈现很大一空隙。
5.1.3.3用拆线钩钩住空隙,用力后拉,单线就被拉断。
然后同时拉动单线头与双线头,一拉即开。