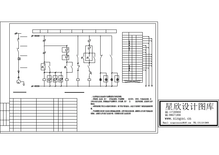
某电气平面设计方案全套CAD图纸

  • 格式:dwg
  • 大小:4.77 MB
  • 文档页数:1

下载文档原格式

  / 1