《国内航行海船入级规则》2012年修改通报
- 格式:pdf
- 大小:214.21 KB
- 文档页数:10
验船师考试:验船师考试试题及答案1、多选下列关于国内航行海船防止垃圾检验,应核查配备批准的垃圾管理计划,以及垃圾收集、排放及运送垃圾有关制度,并验证:()A、负责执行船舶垃圾管理计划的人员得到指派B、垃(江南博哥)圾管理计划所述的垃圾的收集、存储、加工、处理机器设备使用与船上的实际情况符合C、配有垃圾记录簿,并记载每次排放或焚烧作业D、每次排放或焚烧作业,应包括日期、时间、船舶位置、垃圾种类和排放焚烧垃圾的估计数量正确答案:A, B, C, D2、问答题某A类游艇,可能夜间航行于三峡库区长江干线,应该配备哪些航行设备?正确答案:1、磁罗经一只;2、卫星定位仪(GPS)一只;3、雷达一台。
3、单选液化石油气(LPG)动力不能用于下例船长5m-20m以下哪种类型的国内航行沿海小型船舶()A、客船B、货船C、高速货船D、闪点大于60℃的油船正确答案:A4、多选2014年6月,对某船的锅龄大于10年的水管锅炉检验时,以下属于该锅炉应拆下检验的阀件和附件的是:()A、安全阀B、水位表C、汽水鼓D、炉膛正确答案:A, B5、问答题由于上海港很大一部分码头外迁,使得浙江地区很多只有B级航区的船舶无法进行正常的开展运输业务,为此有很多船舶所有人来申请改变航区,也就是在适航证书上增加A级航区,船户以为只要拿本证书来改一下就可以了,作为船检人员请你详述改变航区具体操作方法和应进行何种检验才可以签发相应的证书?正确答案:1:船舶所有人应聘请船舶设计单位按A级航区的要求对现有船舶进行计算与校核,并提交满足A级航区要求的设计图纸申请船检部门审核。
2:待图纸批准后,由检验部门按批准的图纸对船舶进行附加检验,检验合格后签发相应的证书。
6、问答题在沿海航区航行的高速船,必配备哪些航行设备?正确答案:磁罗经,测深仪。
7、单选《关于组织实施船舶自动识别系统AIS检查的紧急通知》要求凡航行于渤海海域、琼州海峡载客()以上的客船、客滚船和救助船应于2004年11月1日前配备通用船载自动识别系统AIS设备。
建筑工程-注册验船师-船舶检验专业案例分析(B级)-精选强化练习二[单选题]1.某船务公司向某船检机构申请对其所属的一艘载重量10000吨的集装箱船进行年度检验,验船师在到达该公司拟定的船舶检验码头时,(江南博哥)该申请检验的集装箱船刚离开码头前往目的地,未能登船检验。
后经该船务公司经理的请求和金钱诱惑下,该验船师签发了该船的检验证书。
请问该验船师违反了哪条船舶检验机构应遵循的执业原则?()A.公正诚信原则B.严格自律原则C.依法执业原则正确答案:B[单选题]2.哪些船舶需要配备海上移动通信业务标识码证书?()A.所有船舶B.所有客船C.20米及以上民用海船D.20米及以上钢质船舶。
正确答案:C[单选题]3.2007年A公司从本省的B公司购入一条具有有效国内航行法定证书的干货船,需要进行什么检验?在以后营运过程中需进行什么检验?()A.进行附加检验,并在以后的营运过程中进行年度检验、中间检验(替代一次年度检验)、换证检验,船底外部检查及附加检验(如需要);B.进行附加检验,并在以后的营运过程中进行年度检验、中间检验(不能替代年度检验)、换证检验,船底外部检查及附加检验(如需要);C.进行年度检验,并在以后的营运过程中进行年度检验、中间检验(替代一次年度检验)、换证检验,船底外部检查及附加检验(如需要);D.进行年度检验,并在以后的营运过程中进行年度检验、中间检验(不能替代年度检验)、换证检验,船底外部检查及附加检验(如需要)。
正确答案:A[单选题]4.某船龄12年的沿海航行干货船进行中间检验时,验船师可不必要求进行下述哪个项目的检验:()A.主机日用燃油柜、主机燃油泵和机舱通风机的遥控切断装置进行效用试验。
B.对全船火警探测及报警系统进行试验C.选择一个货舱进行内部检查。
D.检查滤油设备及其所连接的泵、管路和附件的磨损和腐蚀情况正确答案:C[单选题]5.A.B.C.D.正确答案:A[多选题]1.下列行为属于《船舶检验机构及验船人员工作过错追究办法(2008年修订)》中所定义的“一般工作过错”的是()。
2020年B级注册验船师职业资格考试题库1088题(含答案)一、选择题1.基本干舷随船舶种类、航区等级及不同而不同。
A、型深B、舱口围板高C、船长D、舷弧2.主机kW以下的船舶可免除签发《防止油污证书》。
A、22B、30C、15D、257.某船满载时动稳性曲线如图,其最小倾覆力臂为:A、0.42mB、0.91mC、0.64mD、1m012345θθj0.5m1m3.船舶锚重量按选取。
A、船舶上层建筑大小B、船长C、航区D、船舶舾装数4.应重新申请船检登记号。
A、船舶过户B、船舶转藉C、跨省船舶转藉D、以上均不正确5.在对某一船舶建造检验时,检验编号应。
A、船、机、电不同分别授号B、对每一检验项目进行授号C、每一个参加检验的验船师一个号D、仅授一个号三、6.凡在或拟在中华人民共和国登记的船舶,其所有人或者经营人应向船舶检验机构申请下列法定检验:A、建造或者改建船舶时,申请建造检验;B、营运中的船舶,申请定期检验;C、初次在船舶检验机构登记检验的现有船舶,申请初次检验;D、因发生事故影响船舶安全的,申请临时检验。
参考答案:ABCD7.下列船舶应申请CCS入级检验的情况有:A、从事国际航行的船舶。
B、500吨散装运输化学品船。
C、1000载重吨以上的油船改建为散货船。
D、乘客定额1000人以上的内河旅游船。
参考答案:AB8.《中华人民共和国船舶和海上设施检验条例》在1993年2月由中华人民共和国国务院令第109号发布实施,本条例适用于:A、在中华人民共和国登记或者将在中华人民共和国登记的船舶;B、根据本条例或者国家有关规定申请检验的外国籍船舶;C、在中华人民共和国沿海水域内设置或者将在中华人民共和国沿海水域内设置的海上设施;D、在中华人民共和国登记的企业法人所拥有的船运货物集装箱。
参考答案:ABCD9.一艘总吨为2980的货船,建造完工日期为1980年,船舶设有固定式探火与失火报警系统,其中感温式传感器12只,感烟式传感器28只、手动按钮26只。
中华人民共和国海事局关于印发《船舶登记工作规程》的通知(2024年)文章属性•【制定机关】中华人民共和国海事局•【公布日期】2024.03.04•【文号】海船舶〔2024〕24号•【施行日期】2024.04.10•【效力等级】部门规章•【时效性】尚未生效•【主题分类】水运正文中华人民共和国海事局关于印发《船舶登记工作规程》的通知海船舶〔2024〕24号各直属海事局:《船舶登记工作规程》已经2024年第2次局长办公会审议通过,现予印发,请遵照执行。
中华人民共和国海事局2024年3月4日船舶登记工作规程目录第一章总则第二章船舶识别号授予第三章船舶名称核定第四章船舶登记程序第一节一般要求第二节申请第三节受理第四节审查第五节办理与告知第六节申请的撤回第七节第三人主张权属争议的处理第八节办理时限第九节归档第五章船舶登记项目第一节船舶所有权登记第二节船舶国籍登记第三节临时船舶国籍登记第四节船舶抵押权登记第五节船舶光船租赁登记第六节船舶烟囱标志、公司旗登记第七节变更登记第八节注销登记第九节证书补发第十节证书换发第六章司法协助执行程序第七章连续概要记录签发第八章空白证书与印章管理第九章登记簿与档案管理第十章船舶登记资料查询第十一章附则第一章总则第一条为加强船舶登记管理,规范船舶登记行为,根据《中华人民共和国船舶登记条例》(以下简称《船舶登记条例》)《中华人民共和国船舶登记办法》(以下简称《船舶登记办法》)以及相关法律法规,制定本规程。
第二条本规程适用于船舶登记机关办理船舶登记及本规程规定的其他相关业务。
第三条船舶登记机关开展船舶登记的业务范围由交通运输部海事局确定。
第四条船舶登记机关应设置船舶登记受理、初审、复审、审批、空白证书管理、证书制作、校核、印章管理、证书发放和档案管理等岗位。
船舶登记初审、复审、审批人员不得相互兼任;证书制作人员不得兼任空白证书管理、印章管理或者校核人员。
第五条船舶登记受理人员负责申请材料的受理,告知申请人办理结果。
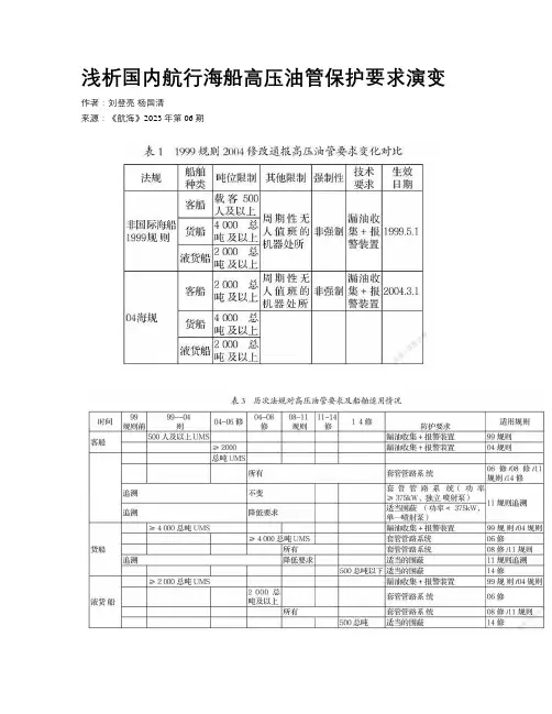
浅析国内航行海船高压油管保护要求演变作者:刘登亮杨国清来源:《航海》2023年第06期摘要:船用柴油机高压油管泄漏可能导致船舶发生火灾。
国际公约首先对高压油管的防火要求进行了明确。
国内海船高压油管保护要求已经生效多年,但是船舶高压油管存在问题仍较为普遍。
笔者对法规历次修订情况进行梳理,理清高压油管保护条款适用船舶,提出完善建议;并结合日常检查中高压油管保护常见缺陷,对船舶维护管理提出建议。
关键词:海船;高压油管现状;法规要求;管理建议0 引言船用柴油机高压油管泄漏是引发船舶火灾的重要因素。
高压油管连接船舶高压油泵和喷油器,一旦发生损坏泄漏,对船舶动力和机舱消防安全产生严重影响。
一方面燃油泄漏,导致柴油机气缸供油量急剧减少,柴油机动力降低甚至熄火,进而影响船舶操纵性;另一方面,高压燃油泄漏后,很容易喷射到排烟管等机舱高温热表面,产生火灾隐患。
为了加强高压燃油管的防护,降低船舶火灾风险,国际公约首先对高压油管的防火要求进行了明确。
SOLAS 公约 1994 年修正案提出了高压燃油泵和燃油喷嘴间外部高压燃油管路的防火要求。
该条款适用于所有 500 总吨及以上的国际航行船舶。
要求于 1998 年 7 月 1 日开始生效(新船),对 1998 年 7 月 1 日前建造的船舶应不迟于 2003 年 7 月 1 日符合这些要求。
国内航行海船紧跟国际公约要求,从 1999 非国际航行海船检验规则到 2014 修改通报,历经数次修订,关于高压油管防护的要求也日渐成熟。
1 国内航行海船高压油管保护的现状分析海船高压油管保护要求已经生效多年,但是船舶高压油管存在问题仍较为普遍,笔者以2022 年全国海事系统滞留海船为样本进行分析,发现船舶高压油管保护方面存在以下特点:1)问题多发,涉及船舶艘次占比高。
通过对全国 2022 年滞留船舶缺陷分析,发现存在高压油管类缺陷(缺陷代码 0746)的船舶数量占比约为 16.2%。
上海市船舶检验处注册验船师考试试题(B级)第一部分B级案例分析一、单项选择题:轮机1、某货船机舱内设有如下水泵:舱底泵1台、排量为60m3/h;总用泵1台、排量为100 m3/h;消防泵1台、排量为60 m3/h;主机海水冷却泵2台、排量为30 m3/h;其中舱底泵、总用泵和消防泵均可用于舱底、压载和消防用,其管路之间均用隔离阀分隔。
在检验中,验船师发现该船机舱未按规范要求设分值:A 舱底泵;B 总用泵;C 消防泵;D 主机海水冷却泵之一。
答案 D船体2、当船舶的布置、结构、容积、处所的用途、乘客总数、勘划的载重线或准许的吃水等方面发生变动,致使总吨位或净吨位必须变化时,验船师必须对该船吨位重新丈量。
在某船其他方面均未改变,下列哪种情况改变后会引起该船的总吨位和净吨位改变?A 因航区改变,致使该船夏季干舷增加;B 集装箱船在航区改变后,增加了在舱盖和甲板上集装箱装载量;C 货舱舱口围板加高;D 空舱根据规范要求改为压载舱。
答案 C电气3、某船在营运检验时,验船师要求对应急发电组及应急配电板进行试验。
在正常情况下,该船应急配电板通过相互连接的馈电线由主配电板供电,在应急情况下,当主电源供电失效时,主配电板和应急配电板之间的连接自动切断。
但在试验中,当主电源供电失效时,主配电板和应急配电板之间的连接不能自动切断,最后在手动切断的情况下进行了该项试验,验船师要求该船立即修理。
请问主配电板和应急配电板的连接馈电线应在何处设过载和短路保护,并在主电源供电失效时应能在何处能将其自动切断?A 主配电板上,主配电板上;B 主配电板上,应急配电板上;C 应急配电板上,主配电板上;D 应急配电板上,应急配电板上。
答案 B船体、轮机、电气4、起重设备在换证检验时应进行吊重试验,按规定的试验负荷进行吊重试验,重物吊离甲板后保持悬挂时间不少于多少分钟?A 5;B 10;C 15;D 20答案 A5、某设计公司2008年9月设计1艘15000DWT散货船,船艏甲板设有面积8.6M2油漆间,在采用何种灭火系统时与审图验船师交流。
“中国海警3368”船改装设计作者:罗东宏张恭钱雯来源:《广东造船》2017年第04期摘要:“中国海警3368”船通过现代化改装设计在船舶安全、环保、通讯指挥等方面的性能得到了大幅度提升,满足现行规范并获得中国船级社证书,使老船重新焕发了活力。
关键词:海警公务船;改装设计;环保;安全性中图分类号:U674.7 文献标识码:AConversion Design of Ship "China Coast Guard 3368"LUO Donghong, ZHANG Gong,QIAN Wen(Guangzhou Marine Engineering Corporation, Guangzhou 510250)Abstract: The conversion design of the ship "China Coast Guard 3368" is introduced. After the conversion, the performances in safety, environmental protection, communication and command of the ship are improved dramatically, the CCS rules are complied and the classification certificate is issued by CCS.Key words: China coast guard ship; Refit design; green low-carbon environment; safety1 引言“中国海警3368”船的前身是八十年代建造的“南调411”海洋调查船,主要执行中远海重力测量、水深、磁力、水文、气象等综合测量任务。
该船退役后由于保养较好,被移交给国家海洋局,并改名为“中国海警3368”船,主要承担海洋维权、执法等任务。
冰区加强的含义及相关问题2008年3月,接到浙江欣海船舶设计研究院的信息反馈,称围绕国内非入级船舶有两种令人尴尬的意见:一是因结构设计未进行冰区加强,船舶被限令在冬季不能进入青岛以北的海域。
二也因同样原因,被责令删除结冰稳性的计算,否则不被确认船体图纸的统一。
2 008年6月,在CCS系统新进人员培训班上,也有验船师透露,海事部门在检查航行船舶时,对没有B级冰区加强的船舶,冬季到渤海湾要采取“扣船”行动。
看来,冰区加强问题还在“发酵”中。
对C CS规范冰区加强的发展及含义进行梳理,以便正确理解和应用规范,很有必要。
CCS规范中的冰区加强附加标志演变1、《钢质海船建造规范》(1973版)1973年以前,船舶检验局颁布的规范还没有冰区加强的概念。
在《钢质海船建造规范》(1973版)编写中,增加了冰区加强附加标志的要求,冰区加强的附加标志有4个,分别为B1*、BⅡ、BⅢ和BⅣ,并与芬兰的冰级规则相对应。
在规范评审会上,大家认为冰区加强是船东的自愿行为,非强制性。
如航行冰区没有要求取得相应的加强,那么在有冰季节航行冰区时,港口当局可根据当时冰况、船舶冰区加强与否,决定是否采取相应的护航或拖航或破冰协助等措施,而船东要承担相应的费用,但没有说不准航行。
2、《钢质海船入级与建造规范》(1983版)在编写该版规范时,参考外国船级社规范的一般作法,对冰区加强的附加标志除采用芬兰政府的规定外,可再增加船级社其他要求。
当时研究的结论是,确定该规范的冰区附加标志为5个,前4个附加标志与芬兰-瑞典冰级规则相对应,即Ice Class B1*、Ice Class B1、Ice Class B2、Ice Class B3,增加1个Ice Ciass B附加标志,B冰级附加标志的冰况是:除大块固定冰以外的漂流浮冰,B冰级附加标志仅适用于船体局部结构加强,对轮机没有加强要求。
B冰级附加标志虽然没有明确具体的海域和时间,但在当时规范评审会上,明确B冰级附加标志仅适用于“渤海湾航行”的船舶。
验船师考试:验船师船体部分考试答案1、问答题验船师审查1900总吨干货船的图纸时,发现设计公司送审的防火控制图仅在机舱内设有符合法规要求的消防泵2台,无其他消防泵。
请问是否正确?为什么?正确答案:不正确。
根据(江南博哥)法规规定小于2000总吨但大于500总吨的货船,若任一舱失火时可能使所有消防泵均失去作用,则应有供给消防用水的替代措施,就是应有1台固定式独立驱动的应急消防泵。
2、单选某船东计划安排船舶进厂改装,在向验船机构提交改装申请前,向验船师了解其改装是否应重新进行吨位丈量。
验船师了解到船东进行以下哪种改装时,应告知其应重新进行吨位丈量?()A.增设固定灭火系统B.增加上层建筑C.增加救生艇架和救生艇D.增设主机舱内油渣柜正确答案:B3、单选某新建货船根据批准图纸和审图意见要求船舶的满载吃水不应超过6.30m,拟勘划的夏季载重线为2320mm,船舶的型深为:8.60m,甲板板厚为20mm,在测量船舶型深时发现左舷的型深误差为-8mm,右舷的型深误差为+6mm,这时甲板线的划定应如何处理:()A.以左右舷的型深测量的平均值来勘划甲板线B.以理论型深值来勘划甲板线C.以左舷的型深的测量值来勘划甲板线D.以右舷的型深的测量值来勘划甲板线正确答案:C4、问答题冬季航行于我国青岛以北航线船舶的各种载重情况均要考虑结冰对稳性的影响,对不对?正确答案:参考按《国内航行海船法定检验技术规则》第4篇第7章2.3.1规定,冬季航行于我国青岛以北(36°04′N)航线的船舶,应对其稳性最差的基本装载情况计算结冰稳性。
5、问答题临海公司老陈的船发生了事故,影响船舶适航性能。
他应向船舶检验机构申请什么检验,还有那些情况应进行这类检验?正确答案:申请附加检验。
船舶发生下列情况之一时也应进行附加检验:1、改变船舶证书所限定的用途或航区时;2、法定证书失效时;3、船舶所有人或经营人的变更及船名或船籍港变更时;4、涉及船舶安全的修理或改装。
船舶建造质量证明书填写说明(海船)广东省船舶检验局二〇一一年六月一、编写依据及说明(增加部分内容)依据:《国内航行海船法定检验技术规则》(2004)及2006、2008年《修改通报》、《国内航行海船建造规范》(2006年)、《海上高速船入级与建造规范》(2005)、《纤维增强塑料船建造规范》(1991)、《沿海小船入级与建造规范》(2005)、《小型船舶法定检验技术规则》(2007)、《材料与焊接规范》(2009),《船舶建造检验规程》(1984)、《柴油机动力海洋船舶系泊及航行试验通则》(1995)、《船用柴油机组通用技术条件》(GB/T 13032-91)。
及现行有关规范、行业标准等。
说明:本填写规定仅对涉及《船舶建造质量证明书》相关内容进行说明。
船舶的完整试验应按法规和批准的该船“系泊航行试验大纲”进行。
二、主要检验资料部分(依据规范核对是否一致)(一)、船舶概况:船舶类型:按照该船的主要用途,根据海事局《船舶种类划分规则》所定义的最小分类填写。
如:普通客船、高速客船、快艇、客驳、宿舍趸船、旅游客船、客滚船、交通船、全垫升气垫客船、油船(闪点 60。
)、液化气体船、油污水处理船、冷藏船、一般干货船、集装箱船、散货船、滚装船、普通拖船、普通推船、起重船等。
船籍港:船舶按照《中华人民共和国船舶登记条例》由海事部门登记注册的港口。
即船舶所有权登记证书上的船籍港。
总长:自船舶最前端至船尾最后端间的水平长度,即最大长度(包括船体结构的突出部分,如防撞构件、顶推架及“背包”等)。
取两位小数,单位为m。
船长:按《国内航行海船法定检验技术规则》的定义填写,系量自龙骨板上缘的最小型深 85%处水线总长的 96%,或沿该水线从首柱前缘至舵杆中心线的长度,取其大者。
对于最小型深 85%处水线以上的首柱轮廓线呈凹形的船舶,应取该水线以上凹形轮廓线最后一点在水线的垂直投影点作为该水线总长的前端或首柱的前缘。
船舶设计为倾斜龙骨时,其计量长度的水线应和设计水线平行。
验船师考试:验船师船体部分考试试题(题库版)1、多选一艘800总吨的遮蔽水域航行的货船,其航行水域不能保证能由一个具有连接DSC报警能力的甚高频(VHF)岸台的无线电话所覆盖,该船有甚高频无线电装置(VHF)、中/高(江南博哥)频无线电装置(MF/HF)、救生艇筏双向甚高频无线电话、搜救雷达应答器各一台,尚欠缺的无线电通讯设备为()A.搜救雷达应答器B.卫星紧急无线电示位标(S-EPIRB)C.救生艇筏双向甚高频无线电话D.甚高频紧急无线电示位标(VHF-EPIRB)正确答案:A, C2、多选某载重量7000t油船,船宽18m,其边舱宽度和双层底高度下列哪些是正确的?()A.距基线1.8m及以上边舱与舷侧壳板垂直的任何剖面处测得的距离W为0.9m;B.双层底高度h为1.2m;C.距基线1.5m处边舱宽度1.0m;D.货油舱内吸阱凹入到由距离h所定义的双层底边界线下面,并且阱底与船底壳板之间距离为0.6m。
正确答案:B, D3、问答题某5500DWT近海散货船,无装货类别限制,主机型号为:G8300ZC16B-1,额定功率为1765KW,该船有两个货舱,配备有应急发电机组和燃油锅炉,按照法规要求,该船的固定式二氧化碳灭火系统应对那些处所提供保护。
正确答案:机舱、货舱、锅炉间4、问答题不同强度的母材被焊接连接、强度相同韧性不同的母材被焊接连接时,焊接材料应如何选取?正确答案:不同强度的母材被焊接连接时,除在结构不连续处或应力集中区域内选用较高强度等级的焊接材料外,一般可选用与较低强度级别相适应的焊接材料。
当母材连接强度相同,韧性级别不同时,除结构受力情况复杂或施工条件恶劣外,一般可选用与较低韧性级别相适应的焊接材料。
5、问答?某验船师在XX船厂对一油船进行临时检验,该油船因碰撞事故导致舷侧外板一部位出现裂缝,进厂上排修理。
验船师同意船厂采用局部覆板的方法进行修理。
问题:该验船师在执行检验过程中存在哪些问题?该怎么解决?正确答案:油船的船壳板任何部位均不得采用覆补的方法进行修理,验船师应针对损坏程度,敦促船厂换板修理,修理使用的钢板,其机械性能和化学成分须符合要求,并对修理中的焊缝按船舶建造检验要求,进行密性试验。
中华人民共和国海事局关于公布实施《国内航行海船法定检验技术规则(2012年修改通报)》的通知
文章属性
•【制定机关】中华人民共和国海事局
•【公布日期】2012.10.30
•【文号】
•【施行日期】2013.03.01
•【效力等级】部门规范性文件
•【时效性】现行有效
•【主题分类】水运
正文
中华人民共和国海事局关于公布实施《国内航行海船法定检验技术规则(2012年修改通报)》的通知各省、自治区、直辖市、新疆生产建设兵团交通运输厅(局、委),各直属海事局,中国船级社:
《国内航行海船法定检验技术规则(2012年修改通报)》按规定程序业已批准,现予公布,自2013年3月1日起实施。
2012年10月30日。
国内航行海船法定检验技术规则2011法规演变1992年至2011年《国内法规》颁布了4次及2个修改通报:《海船法定检验技术规则》1992《国内航行海船法定检验技术规则》1999《国内航行海船法定检验技术规则》2004(海事局版)《国内航行海船法定检验技术规则》2011(海事局版)《国内航行海船法定检验技术规则》2006年修改通报《国内航行海船法定检验技术规则》2008年修改通报总目录总则第1 篇检验与发证第2 篇吨位丈量第3 篇载重线第4 篇船舶安全第5 篇防止船舶造成污染的结构与设备第6 篇高速船第7 篇船员舱室设备第8 篇乘客定额及舱室设备第9 篇客滚船附加安全要求课件说明1、便于大家理解,本课件分两大类进行归纳介绍,一类归纳为“总体与船体部分”;另一类归纳为“机械设备、消防和防污染部分”。
2、本课件相对2004版法规及其修改通报主要修改内容介绍3、本课件黑色下划线为04规则及修改通报删除内容,黄色为2011规则修改或增加内容国内航行海船法定检验技术规则2011(总体与船体部分)法规再版需求完善关于“责任”、“事故”、“申诉”等涉及法律方面的规定。
必需的追溯要求处理。
法规基本上是考虑船舶航行中的安全要求,对工程船,作业状态的安全要求,需要作必要的补充。
各类特殊用途船舶有必要根据其业务特点制定相应的安全技术要求。
法规再版需求国家政策的体现:老旧船舶的管理单壳油船的淘汰“四客一危”船舶的安全措施安全设备的强制性配备要求环境保护等用户的反馈事故调查报告分析总则★背景使用反馈意见;完善法规安全管理规定。
★修改内容通过对“船长”的定义,明确了本法规对排水型船舶、无舵柱船舶、箱型船体船舶和高速船适用范围的界定(* 设计、检验);3 适用范围3.1 本法规适用于国内海上航行的中国籍船舶,具体要求按各篇的规定。
除特别指明外,本法规适用于排水船舶仅指船长为20m 及以上者。
本法规适用于船长为20m 及以上的排水型船和高速船。
中国船级社国内航行海船入级规则2012年修改通报中国船级社2012年5月目 录第2章 入级范围与条件 (3)第1节 一般规定 (3)第3节 入级符号与附加标志 (3)第9节 船级的授予、保持、暂停、取消与恢复 (7)第4章 建造中检验 (7)第2节 检验与试验 (7)第5章 建造后检验 (8)第2节 检验种类与周期 (8)第3节 船体与设备检验 (8)第4节 船底外部及有关项目检验 (9)第5节 轮机检验 (9)第8节 其他 (10)附录1 船体结构腐蚀磨耗控制值 (10)第6章 附加标志检验 (10)第3节 特殊设备和系统附加标志检验 (10)第2章 入级范围与条件第1节 一般规定2.1.4.1(12)修改如下:滚装船:系指利用装卸货跳板使有轮车辆滚进滚出的船舶。
第3节 入级符号与附加标志表2.3.2.1(1)第1项“客船和干货船”中新增、修改附加标志修改如下:附 加 标 志 中文 英文 说 明应满足技术要求大件运输船 Bridge Crane andHeavyEquipmentCarrier具有较大的甲板面积,专门用于在甲板上装/卸并进行海上远程运输桥吊和重型设备等尺度/重量相对很大的成套大件和项目设备的运输船舶《钢质海船入级规范》第8篇第18章XX 运输船 XX Carrier 装运固体货物的机动船舶,按其装运的货物名称授予船型附加标志,其中X由具体货物名称替代,典型的船型包括:水泥运输船(Cement Carrier)、木材制品运输的船(Forest Product)、木材或原木运输船(Timber(or Log)Carrier)、碎木运输船(Wood ChipCarrier)、甲板货船(Deck Cargo Ship)、冷藏货船(Refrigerated Cargo Ship)、牲畜运输船(Livestock Carrier)、烟灰运输船(Fly Ash Carrier)、散糖运输船(Sugar Carrier)”《国内航行海船建造规范》第2篇第2章及有关要求表2.3.2.1(1)第2项“液货船”的“液化气体船”说明栏中,新增如下说明:根据货物围护系统的型式,分别加注附加标志:A型独立液货舱 Type A Independent TankB型独立液货舱 Type B Independent TankC型独立液货舱 Type C Independent Tank整体液货舱 Integral Tank薄膜液货舱 Membrane Tank半薄膜液货舱 Semi-menbrane Tank内部绝热液货舱 Internal insulation Tank表2.3.2.1(1)第3项“特殊用途船”的“训练船”、“鱼类加工船”、“调查船”附加标志“应满足技术要求”栏修改为“《国内航行海船建造规范》第2篇第2章及有关要求”。
表2.3.2.1(1)第4项“特殊任务船”中新增附加标志如下:附 加 标 志 中文 英文 说 明应满足技术要求X 艇 X Boat 专门从事水上特定业务的船舶,X—以特定业务替代,如:引水艇(Pilot Boat):专门从事引水业务的船舶锚艇(Anchor Boat):专门从事锚泊有关作业的船舶潜水作业工作艇(Diving Boat):专门从事潜水作业的工作船舶船长20m以下的船舶应满足“沿海小船建造规范”要求。
《国内航行海船建造规范》第2篇第2章及有关要求表2.3.2.1(1)第5项“拖船、工程船、驳船和其他近海或港内船舶”中新增附加标志如下:附 加 标 志 中文 英文 说 明应满足技术要求混凝土搅拌船 Floatingconcretemixer在水上从事混凝土搅拌并在施工场地直接进行混凝土浇注的驳船《国内航行海船建造规范》第2篇第12章下水工作船 Launchingwork barge在船厂和/或港区水域内,专用于船舶、海上设施或其他大件货物从岸上平移下水作业的工作船。
该作业还可包括货物从水中移向岸上,以及在上述规定水域内对载货进行短距移位(该船无自航能力,移位动力另由拖船等其他动力船舶或设施提供)的操作《国内航行海船建造规范》第2篇第17章及有关要求浮船坞(举力xxx吨) FloatingDock with F L(XXX t)供修造船舶用的能半潜和起浮的水上建筑物。
是一种两端开敞、横断面呈槽形的特殊船体。
坞体由坞墙和坞底组成。
坞墙和坞底都是由若干纵横构件和面板构成的浮箱,沿纵横向分隔成若干个水密舱,舱内充泄水,以增加(减少)船坞中压载水的水量,使其下沉或上浮而把船放下水或托出水面。
《浮船坞入级规范》(2009)铺排船 GeotextilesLayer设有铺排专用设备的船舶《国内航行海船建造规范》第2篇第2章及有关要求沙船 Sand Ship 主尺度满足B/D≤3.5的自卸式运沙船《国内航行海船建造规范》第2篇第18章双体船 Catamaran 在两个分离的船体上部用强力构架《国内航行海船建造规范》第2联成为一个整体的船舶 篇第19章表2.3.2.1(1)第5项“拖船、工程船、驳船和其他近海或港内船舶”中“起重船”说明栏中修改如下:甲板上有起重设备,专供水上作业起吊重物的船舶,并应加注“起重设备(Lifting appliance)”标注。
对在非远海航区内作业的起重船,授予下列作业航区附加标志: (1)在近海航区内作业:Lifting Within Greater Coastal Area;(2)在沿海航区内作业:Lifting Within Coastal Area;(3)在遮蔽航区内作业:Lifting Within Sheltered Water Area;(4)仅在港口水域作业:Lifting Within Harbor。
表2.3.2.1(1)第5项“拖船、工程船、驳船和其他近海或港内船舶”中“对开式泥驳”附加标志说明栏中补充说明如下:如为机动船,则以“ship”替代“barge”。
表2.3.2.1(1)第5项“拖船、工程船、驳船和其他近海或港内船舶”中“铲斗式挖泥船(Dipper Dredger)”说明栏补充说明如下:如采用反铲挖泥设备,也可授予Back-hoe Dredger附加标志。
表2.3.2.1(1)第5项“拖船、工程船、驳船和其他近海或港内船舶”中附加标志“铰吸式挖泥船”修改为“绞吸式挖泥船”,其说明栏中“铰刀”修改为“绞刀”;2.3.3.2(1)中“无限航区”改为“远海航区”。
表2.3.3.2(1)中新增“远海航区”附加标志如下:附 加 标 志 中文 英文 说 明应满足技术要求远海航区 UnrestrictedArea系指国内航行超出近海航区的海域 《国内航行海船建造规范》删除条款2.3.3.2(2)及表2.3.3.2(3)。
表2.3.3.3“最大蒸气压力 ×××MPa”附加标志说明栏中“液化气体运输船”改为“液化气体船”,应满足技术要求中“《散装运输液化气体运输舶构造与设备规范》”改为“《散装运输液化气体船舶构造与设备规范》”。
表2.3.3.4中新增附加标志如下:附 加 标 志 中文 英文 说 明应满足技术要求最小疲劳设计寿命 FL 对于选取最小疲劳设计寿命在25年及以上的船舶,可以从25年开始计,以5年为间隔授予附加标志,如FL(25)、FL(30)等《船体结构疲劳强度指南》耐蚀钢 MCRS 原油船货油舱按IMO MSC289(87)要求采用耐腐蚀结构钢替代保护涂层《原油船货油舱耐腐蚀钢检验指南》相关要求B1*级冰区航行 Ice ClassB1*最严重冰况区域航行。
不需破冰船辅助,可在严重冰况下航行。
船首、船中和船尾的最大和最小冰级吃水以及要求的主机最小功率在入级证书中标明《钢质海船入级规范》第2篇第4章、第3篇第14章B1级冰区航行 Ice ClassB1严重冰况区域航行。
必要时,需破冰船辅助,可在严重冰况下航行。
船首、船中和船尾的最大和最小冰级吃水以及要求的主机最小功率在入级证书中标明《钢质海船入级规范》第2篇第4章、第3篇第14章B2级冰区航行 Ice ClassB2中等冰况区域航行。
中等冰况下具有正常航行的能力,但在需要时应有破冰船的辅助。
船首、船中和船尾的最大和最小冰级吃水以及要求的主机最小功率在入级证书中标明《钢质海船入级规范》第2篇第4章、第3篇第14章B3级冰区航行 Ice ClassB3轻度冰况区域航行。
轻度冰况下具有正常航行的能力,但在需要时应有破冰船的辅助。
船首、船中和船尾的最大和最小冰级吃水以及要求的主机最小功率在入级证书中标明《钢质海船入级规范》第2篇第4章、第3篇第14章B级冰区航行 Ice ClassB小块漂流浮冰况区域航行。
漂流浮冰《钢质海船入级规范》第2篇第4章破冰能力 Icebreak-ing具有破冰能力。
对于具有航行冰区的加强要求、且航行于当年结冰水域、具有独立破冰能力的非破冰专用船舶。
该标志加于船舶类型附加标志之后,如“拖轮,破冰能力,B1级冰区航行《钢质海船入级规范》第8篇第9章表2.3.3.6中新增附加标志如下:附 加 标 志 中文 英文 说 明应满足技术要求双燃料发动机动力装置 DFD装有符合指南要求的双燃料发动机动力装置的液化天然气船舶,可加注该标志《双燃料发动机系统设计与安装指南》(2007)表2.3.3.7中修改、新增附加标志如下:附 加 标 志 中文 英文 说 明应满足技术要求NOx排放控制(第 II级) NEC(Tier II)NOx排放控制(第 III 级) NEC(TierIII)柴油机的NOx排放量控制绿色护照GPR船舶应持有经CCS验证的符合《2009年香港国际安全和环境无害化拆船公约》要求的有害材料清单船舶能效管理计划(I) SEEMP(I)船舶应持有一份按照IMO有关指南制定的船舶能效管理计划(SEEMP)船舶能效管理计划(II) SEEMP(II) 除船舶持有能效管理计划(SEEMP)外,船舶所在航运公司或船舶经营者应建立船舶营运能效管理体系,并获得CCS能效管理体系认证证书《钢质海船入级规范》第8篇第8章第3节高压岸电 AMPS 船舶配置了额定电压交流1kV以上、15kV及以下的高压岸电系统,在靠港期间向船舶供电,并能保证在关停船舶发电机时,预期使用设备能够正常工作,可授予该标志船舶高压岸电系统检验指南第9节 船级的授予、保持、暂停、取消与恢复2.9.2.1(3)②修改如下:如到期或过期的循环检验项目未完成,且未经CCS同意展期;第4章 建造中检验第2节 检验与试验新增4.2.1.3如下:4.2.1.3 所有船舶不应新安装含石棉的材料。
4.2.3.8修改如下:4.2.3.8 冲水试验:通常用水,在冲水软管内试验压力应不小于0.2MPa,水枪喷嘴的直径应不小于12mm,水枪出口距试验项目的距离应不大于1.5m。