电路实验基尔霍夫定律
- 格式:ppt
- 大小:9.62 MB
- 文档页数:10
电路实验基尔霍夫定律实验报告实验目的本次实验的主要目的是通过实验验证基尔霍夫定律的准确性。
基尔霍夫定律是电学基础中重要的定理之一,其主要内容是电路中的电流和电压的相互关系,是电路分析的基础。
通过实验验证基尔霍夫定律,可以加深对电路分析和电学基础的理解,提高实验操作和分析能力。
实验原理基尔霍夫定律是电路分析的基础,其主要内容是电路中电流和电压的相互关系。
电路中的电流和电压可以通过欧姆定律和基尔霍夫定律进行计算和分析。
基尔霍夫定律主要分为两个方面,即基尔霍夫第一定律和基尔霍夫第二定律。
基尔霍夫第一定律是指在任何一个电路中,电流的代数和等于零。
即在一个电路中,进入某一节点的电流等于离开该节点的电流的代数和。
这个定律也称为电荷守恒定律。
基尔霍夫第二定律是指在一个闭合回路中,各个电动势和电势差的代数和等于各个电阻的电势差的代数和。
即在一个闭合回路中,各个电动势和电势差的代数和等于各个电阻的电势差的代数和。
这个定律也称为能量守恒定律。
实验步骤1. 准备实验所需的电路元器件,包括电源、电阻、导线、电流表、电压表等。
2. 搭建所需的电路,接线时要注意正确连接,确保电路正常工作。
3. 测量电路中的电流和电压,记录下实验数据。
4. 使用基尔霍夫定律对电路进行分析,计算电路中的电流和电压。
5. 将实验数据和计算结果进行比较和分析,验证基尔霍夫定律的准确性。
实验结果通过实验测量和计算,我们得到了电路中的电流和电压数据,验证了基尔霍夫定律的准确性。
在实验过程中,我们还发现了一些问题,例如电路接线不稳定、电路中产生杂散电磁场干扰等。
这些问题需要在实验过程中及时发现和解决,确保实验结果的准确性和可靠性。
实验结论通过本次实验,我们验证了基尔霍夫定律的准确性,加深了对电路分析和电学基础的理解,提高了实验操作和分析能力。
在今后的学习和实验中,我们应该继续加强对电学基础和电路分析的学习和实践,提高自己的理论水平和实践能力,更好地应对未来的学习和工作挑战。
实验一 基尔霍夫定律一、实验目的1.用实验数据验证基尔霍夫定律的正确性; 2.加深对基尔霍夫定律的理解; 3.熟练掌握仪器仪表的使用方法。
二、实验原理基尔霍夫定律是电路的基本定律之一,它规定了电路中各支路电流之间和各支路电压之间必须服从的约束关系,即应能分别满足基尔霍夫电流定律和电压定律。
基尔霍夫电流定律(KCL ):在集总参数电路中,任何时刻,对任一节点,所有各支路电流的代数和恒等于零。
即∑I=0通常约定:流出节点的支路电流取正号,流入节点的支路电流取负号。
基尔霍夫电压定律(KVL ):在集中参数电路中,任何时刻,沿任一回路内所有支路或元件电压的代数和恒等于零。
即∑U=0通常约定:凡支路电压或元件电压的参考方向与回路绕行方向一致者取正号,反之取负号。
三、实验内容实验线路如图1.1所示。
1. 实验前先任意设定三条支路的电 流参考方向,如图中的I 1、I 2、I 3所示。
2. 分别将两路直流稳压电源接入电 路,令u 1=6V ,u 2 =12V ,实验中调好后保 持不变。
3.用数字万用表测量R 1 ~R 5 电阻元 图 1.1基尔霍夫定律线路图注意图中E 和F 互换一下 件的参数取50~300Ω之间。
4.将直流毫安表分别串入三条支路中,记录电流值填入表中,注意方向。
5.用直流电压表分别测量两路电源及电阻元件上的电压值,记录电压值填入表中。
四、实验注意事项1.防止在实验过程中,电源两端碰线造成短路。
2.用指针式电流表进行测量时,要识别电流插头所接电流表的“+、-”极性。
倘若不换接极性,则电表指针可能反偏(电流为负值时),此时必须调换电流表极性,重新测量,R 4R 5u 1u 2此时指针正偏,但读得的电流值必须冠以负号。
五、实验报告内容1、根据实验数据,选定实验电路中的任一个节点,验证KCL 的正确性。
选定A 点,列式计算利用三个电流值验证KCL 正确性。
实验数据!2、根据实验数据,选定实验电路中的任一个闭合回路,验证KVL 的正确性。
电路实验报告基尔霍夫电路实验报告基尔霍夫引言:在电路学习的过程中,我们经常会遇到各种复杂的电路问题。
基尔霍夫定律是电路分析中的基本原理,它为我们解决电路问题提供了重要的方法和思路。
本文将介绍基尔霍夫定律的基本原理和应用,并结合实验结果进行分析和讨论。
一、基尔霍夫定律的基本原理基尔霍夫定律是基于电荷守恒和能量守恒原理的,它包括两个基本定律:基尔霍夫第一定律和基尔霍夫第二定律。
1. 基尔霍夫第一定律(电流定律)基尔霍夫第一定律指出,在一个电路中,流入某节点的电流等于流出该节点的电流之和。
这个定律可以用一个简单的公式来表示:ΣI_in = ΣI_out。
其中,ΣI_in表示流入节点的电流之和,ΣI_out表示流出节点的电流之和。
2. 基尔霍夫第二定律(电压定律)基尔霍夫第二定律指出,在一个闭合电路中,电压源的总电动势等于电路中各个电阻元件的电压之和。
这个定律可以用一个简单的公式来表示:ΣV_source = ΣV_resistor。
其中,ΣV_source表示电压源的总电动势之和,ΣV_resistor表示电路中各个电阻元件的电压之和。
二、实验装置和步骤为了验证基尔霍夫定律的正确性,我们进行了一系列的电路实验。
实验装置包括电源、电阻和导线等元件,我们按照以下步骤进行实验:1. 搭建简单的串联电路首先,我们搭建了一个简单的串联电路,包括一个电源和两个电阻。
然后,我们使用电流表和电压表分别测量了电路中的电流和电压。
根据基尔霍夫定律,我们可以计算出电流和电压的理论值。
2. 搭建并联电路接下来,我们搭建了一个并联电路,包括一个电源和两个电阻。
同样地,我们使用电流表和电压表测量了电路中的电流和电压。
再次根据基尔霍夫定律,我们计算出了电流和电压的理论值。
3. 分析实验结果通过比较实验测量值和理论计算值,我们发现它们非常接近。
这说明基尔霍夫定律在实际电路中是适用的,验证了基尔霍夫定律的正确性。
三、基尔霍夫定律的应用基尔霍夫定律不仅在电路分析中有重要的应用,还可以用于解决一些实际问题。
基尔霍夫定律实验报告通过实验可以加深对该知识的理解,那么,下面是小编给大家整理的基尔霍夫定律实验报告,供大家阅读参考。
基尔霍夫定律实验报告1一、实验目的(1)加深对基尔霍夫定律的理解。
(2)学习验证定律的方法和仪器仪表的正确使用。
二、实验原理及说明基尔霍夫定律是集总电路的基本定律,包括电流定律(KCL)和电压定律(KVL)。
基尔霍夫定律规定了电路中各支路电流之间和各支路电压之间必须服从的约束关系,无论电路元件是线性的或是非线性的,时变的或是非时变的,只要电路是集总参数电路,都必须服从这个约束关系。
(1)基尔霍夫电流定律(KCL)。
在集总电路中,任何时刻,对任一节点,所有支路电流的代数和恒等于零,即∑i=0。
通常约定:流出节点的支路电流取正号,流入节点的支路电流取负号。
(2)基尔霍夫电压定律(KVL)。
在集总电路中,任何时刻,沿任一回路所有支路电压的代数和恒等于零,即沿任—回路有∑u=0。
在写此式时,首先需要任意指定一个回路绕行的方向。
凡电压的参考方向与回路绕行方向一致者,取“+”号;电压参考方向与回路绕行方向相反者,取“一”号。
(3)KCL和KVL定律适用于任何集总参数电路,而与电路中的元件的性质和参数大小无关,不管这些元件是线性的、非线性的、含源的、无源的、时变的、非时变的等,定律均适用。
三、实验仪器仪表四、实验内容及方法步骤(1)验证(KCL)定律,即∑i=0。
分别在自行设计的电路或参考的电路中,任选一个节点,测量流入流出该节点的各支路电流数值和方向,记入附本表1-1~表1-5中并进行验证。
参考电路见图1-1、图1-2、图1-3所示。
(2)验证(KVL)定律,即∑u=0。
分别在自行设计的电路或参考的电路中任选一网孔(回路),测量网孔内所有支路的元件电压值和电压方向,对应记入表格并进行验证。
参考电路见图1-3。
五、测试记录表格表1-1 线性对称电路表1-2 线性对称电路表1-3 线性不对称电路表1-4 线性不对称电路表1-5 线性不对称电路注:1、USA、USB电源电压根据实验时选用值填写。
基尔霍夫定律实验报告一、实验目的1、验证基尔霍夫电流定律(KCL)和基尔霍夫电压定律(KVL)。
2、学习使用电流表和电压表测量电路中的电流和电压。
3、加深对电路中电流和电压关系的理解,提高电路分析和故障诊断的能力。
二、实验原理1、基尔霍夫电流定律(KCL):在任何一个集中参数电路中,在任何时刻,流出(或流入)任一节点的电流代数和恒为零。
即∑I =0。
2、基尔霍夫电压定律(KVL):在任何一个集中参数电路中,在任何时刻,沿任一闭合回路的电压代数和恒为零。
即∑U = 0。
三、实验设备1、直流稳压电源:提供稳定的直流电压。
2、数字万用表:用于测量电流和电压。
3、电阻箱:提供不同阻值的电阻。
4、导线若干。
四、实验内容与步骤(一)实验电路设计设计一个包含多个电阻和电源的电路,如下图所示:!实验电路图(_____)其中,R1 =100Ω,R2 =200Ω,R3 =300Ω,电源电压 E1 = 5V,E2 = 10V。
(二)测量各支路电流1、按照实验电路图连接电路,检查线路连接无误后,接通电源。
2、将数字万用表调至电流测量档,分别测量各支路电流 I1、I2、I3,并记录测量结果。
(三)测量各元件两端电压1、将数字万用表调至电压测量档,分别测量电阻 R1、R2、R3 两端的电压 U1、U2、U3,以及电源 E1、E2 的端电压 Ue1、Ue2,并记录测量结果。
2、改变电源电压和电阻阻值,重复上述测量步骤。
五、实验数据记录与处理(一)实验数据记录|测量项目|测量值|单位||||||I1|_____|A||I2|_____|A||I3|_____|A||U1|_____|V||U2|_____|V||U3|_____|V||Ue1|_____|V||Ue2|_____|V|(二)数据处理1、根据测量得到的各支路电流值,验证基尔霍夫电流定律(KCL)。
即计算∑I = I1 + I2 + I3,看其是否为零。
2、根据测量得到的各元件两端电压值,验证基尔霍夫电压定律(KVL)。
基尔霍夫定律实验报告基尔霍夫定律实验报告一、实验目的本实验旨在探究电路中的基尔霍夫定律,通过利用串联和并联电路两种方式,验证基尔霍夫定律的准确性。
二、实验原理基尔霍夫定律是电学的基本定律之一,也是电路分析的基础。
基尔霍夫定律分为两个部分:基尔霍夫第一定律和基尔霍夫第二定律。
基尔霍夫第一定律:电路中任意一点的电流之和等于零。
这意味着,任何时刻进入一个节点的电流等于离开该节点的电流,也就是说电流在电路中不能产生或消失。
基尔霍夫第二定律:环路电压和等于环路电压和。
这意味着,沿着任何一个闭路,电压的代数和等于零。
在电路中,电压源和电阻都可以构成环路,因此基尔霍夫第二定律也称为电压定律。
三、实验内容实验仪器:万用表、电源、电阻及电线。
实验步骤:1.首先确定一个单独的节点,所有的电流会流经该节点。
2.对于每个电流进入该节点,给其分配一个正号。
对于每个电流离开该节点,给其分配一个负号。
3.建立一个闭合的回路,沿着这个回路往回计算电压降,给进入该回路的电压记上正号,给离开该回路的电压记上负号。
4.依据基尔霍夫第一和第二定律列出方程,解算未知电流及电压值。
5.重复以上步骤,用串联和并联电路建立电路图,计算电流及电压。
四、实验结果实验一:串联电路将三个电阻R1、R2、R3串联在电路中,接上电源后,测量电路中电流和电压。
根据基尔霍夫第一定律,在节点处,电流之和等于零。
因此,I1 = I2 + I3。
根据基尔霍夫第二定律,在电路中选定一个闭合回路,电压之和等于零。
因此,E = V1 + V2 + V3。
通过测量,得到I1 = 0.010A、V1 = 4.4V、V2 = 2.2V、V3 = 2.2V。
利用基尔霍夫定律,可推导出I2 = 0.0067A、I3 =0.0033A。
实验二:并联电路将三个电阻R1、R2、R3并联在电路中,接上电源后,测量电路中电流和电压。
根据基尔霍夫第一定律,在节点处,电流之和等于零。
因此,I1 = I2 + I3。
基尔霍夫定律实验报告引言:基尔霍夫定律是电路分析中的基本原理之一,它通过描述电流和电压之间的关系,帮助我们理解和分析电路中的各种现象。
本实验旨在通过实际测量电路中的电流和电压,并运用基尔霍夫定律来验证其准确性和可靠性。
实验目的:1. 理解基尔霍夫定律的基本原理和应用;2. 学会使用基尔霍夫定律进行电路分析和计算;3. 实际测量电路中的电流和电压,并与基尔霍夫定律的计算结果进行对比。
实验原理:基尔霍夫定律包括电流定律和电压定律两条基本规则。
1. 电流定律(基尔霍夫第一定律):在任何一个电路节点上,流入该节点的电流等于流出该节点的电流之和。
2. 电压定律(基尔霍夫第二定律):沿着电路中的任意一个闭合回路,电压的代数和为零。
实验步骤:1. 准备实验所需材料和仪器,包括电路板、导线、电压表、电流表等。
2. 按照实验要求搭建所需电路,注意连接的正确性和稳固性。
3. 使用电压表和电流表进行相应测量,记录所得数据。
4. 运用基尔霍夫定律,根据测量数据计算电路中的电流和电压。
5. 将实测值与计算值进行对比,分析其一致性和差异性。
实验结果与分析:通过实际测量和计算,我们得到了电路中的电流和电压数据。
将实测值与计算值进行对比,发现它们基本上是一致的。
实验结果验证了基尔霍夫定律的准确性和可靠性。
讨论与误差分析:在实验过程中,由于测量仪器的精度和电路元件的内阻等因素的影响,可能会引入一定的误差。
此外,人为操作也可能导致测量误差的存在。
为了减小误差,我们可以使用更精确的仪器和材料,并加强实验操作的规范性和准确性。
结论:基尔霍夫定律是电路分析的基本原理之一,通过实验验证了其准确性和可靠性。
实验结果与计算结果基本一致,说明基尔霍夫定律在电路分析中具有较高的适用性和可靠性。
通过本实验的学习,我们深入理解了基尔霍夫定律的原理和应用,为今后的电路分析和设计提供了基础。
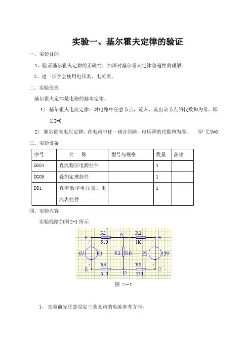
实验一、基尔霍夫定律的验证一、实验目的1、验证基尔霍夫定律的正确性,加深对基尔霍夫定律普遍性的理解。
2、进一步学会使用电压表、电流表。
二、实验原理基尔霍夫定律是电路的基本定律。
1)基尔霍夫电流定律:对电路中任意节点,流入、流出该节点的代数和为零。
即∑I=02)基尔霍夫电压定律:在电路中任一闭合回路,电压降的代数和为零。
即∑U=0三、实验设备序号名称型号与规格数量备注DG04 直流稳压电源挂件 1 DG05 叠加定理挂件 1 D31 直流数字电压表、电流表挂件1四、实验内容实验线路如图2-1所示图 2-11、实验前先任意设定三条支路的电流参考方向,2、按原理的要求,分别将两路直流稳压电源接入电路。
3、将电流插头的两端接至直流数字毫安表的“+,-”两端。
4、将电流插头分别插入三条支路的三个电流插座中,记录电流值于下表。
5、用直流数字电压表分别测量两路电源及电元件上的电压值,记录于下表。
五、实训注意事项1. 同实训六的注意1,但需用到电流插座。
附录:1. 本实训线路系多个实训通用,本次实训中不使用电流插头和插座。
实训挂箱上的k3应拨向330Ω侧,D和D’用导线连接起来,三个故障按键均不得按下。
2.所有需要测量的电压值,均以电压表测量的读数为准。
U1、U2也需测量,不应取电源本身的显示值。
3. 用指针式电压表或电流表测量电压或电流时,如果仪表指针反偏,则必须调换仪表极性,重新测量。
此时指针正偏,可读得电压或电流值。
若用数显电压表或电流表测量,则可直接读出电压或电流值。
但应注意:所读得的电压或电流值的正确正、负号应根据设定的电流方向来判断。
六、基尔霍夫定律的计算值:I1 + I2 = I3 (1)根据基尔霍夫定律列出方程(510+510)I1 +510 I3=6 (2)(1000+330)I3+510 I3=12 (3)解得:I1 =0.00193A I2 =0.0059A I3 =0.00792AUFA=0.98V UBA=5.99V UAD=4.04V UDE=0.98VUDC=1.98V七、实验结论数据中绝大部分相对误差较小,基尔霍夫定律是正确的实验二叠加原理实验报告一、实验目的验证线性电路叠加原理的正确性,加深对线性电路的叠加性和齐次性的认识和理解。
基尔霍夫定律实验报告完整版基尔霍夫定律实验报告摘要:本实验旨在验证基尔霍夫定律在直流电路中的适用性。
通过对电路中电压和电流的测量,分析电路中各个元件的电流和电压分布情况,并计算总电流和总电压,最后得出实验结果与基尔霍夫定律相符。
实验结果表明,基尔霍夫定律在此直流电路中适用。
1. 引言基尔霍夫定律是电学中最基本也是最重要的定律之一,它描述了在闭合电路中电流的分布规律。
基尔霍夫定律包括电流定律和电压定律,分别用于描述电路中的电流守恒和电压守恒现象。
在本实验中,我们将通过测量电路中各个元件的电流和电压,验证基尔霍夫定律在直流电路中的适用性。
2. 实验仪器和原理本实验所用的仪器有直流电源、电压表、电流表等。
其中直流电源用于提供稳定的电压,电压表用于测量电路中的电压,电流表用于测量电路中的电流。
实验原理主要包括基尔霍夫定律和欧姆定律。
基尔霍夫定律是闭合电路中电流守恒和电压守恒的描述定律。
电流定律指出,在电路的任意一点,进入该点的电流等于离开该点的电流之和。
电压定律指出,在闭合电路的任意一条回路上,电源电压等于电路中各个电阻所消耗的电压之和。
欧姆定律描述了电阻与电流、电压之间的关系,即电流通过导体时,其大小与电阻成正比,并与电压成反比。
3. 实验步骤3.1 搭建直流电路按照实验要求,使用导线和电阻等元件搭建直流电路。
保证电路中没有开路和短路情况,并确保仪器的连接正确可靠。
3.2 测量电流和电压通过合适的测量仪器,分别测量电路中各个元件的电流和电压。
确保测量的数据准确可靠。
3.3 记录实验数据将实验测得的数据记录下来,包括电流和电压的数值以及对应的位置或元件。
3.4 分析数据根据实验数据,计算电路中各个元件的电流和电压,分析电流和电压的分布情况,验证电流定律和电压定律。
3.5 比较结果将实验计算得到的总电流和总电压与测量得到的值进行比较,判断实验结果与基尔霍夫定律之间是否相符。
4. 结果与讨论通过实验测量和计算,得到了电路中各个元件的电流和电压分布情况。
基尔霍夫定律实验一.实验目的1.深刻理解,熟练掌握基尔霍夫定律2.理解电路中电位的相对性和电压的绝对性3.掌握电路中电流、电压参考方向概念,以及仪表测量值正负号的决定方法。
二.实验原理基尔霍夫电流定律KCLΣI=0ΣI=I1+I2+I3-I4-I5=0基尔霍夫电压定律KVL ΣU=0ΣU=U1+U2+U3-U4-U5=0电路中电位的相对性,电压的绝对性。
确定一参考点,令参考点的电位为零,则某一点的电位就是该点与参考点之间的电压。
参考点不同,点的电位也不同。
三、实验数据1.基尔霍夫电流定律按测量值验算A、B、C、D各节点的KCL。
2.基尔霍夫电压定律测量各支路电压,填入表格按测量值验算ADCA、DBCD、ADBCA各回路的KVL。
3.验证电位的相对性和电压的绝对性·以C为参考点测出UA = 10v UB= 15v UD= 10v计算出UAB =10v UAC= 10v UAD= 15v·以D为参考点测出UA =15v UB=10v UC=10v计算出UAB = 15v UAC= 15v UAD=15v·根据测量结果和计算结果,叙述电位的相对性和电压的绝对性。
电路中某点的电位是指该点到参考点的电压。
而参考点的电位规定是0。
虽然是两点间,但其中一点是参考点,参考点变了,电位值为就变了,所以是相对于参考点而言,电位具有相对性。
而电压是两个点之间电位的差值,无需参考点,即相对任意参考点,这两点之间电压不变,所以说电压有绝对性。
基尔霍夫定律实验一、实验目的1. 验证基尔霍夫定律的正确性,加深对基尔霍夫定律的理解。
2. 学会用电流插头、插座测量各支路电流。
二、原理说明基尔霍夫定律是电路的基本定律。
测量某电路的各支路电流及每个元件两端的电压,应能分别满足基尔霍夫电流定律(KCL)和电压定律(KVL)。
即对电路中的任一个节点而言,应有ΣI=0;对任何一个闭合回路而言,应有ΣU=0。
运用上述定律时必须注意各支路或闭合回路中电流的正方向,此方向可预先任意设定。
三、实验设备同实验二四、实验内容实验线路与实验五图2-1相同,用DG05挂箱的“基尔霍夫定律/叠加原理”线路。
1. 实验前先任意设定三条支路和三个闭合回路的电流正方向。
图5-1中的I1、I2、I3的方向已设定。
三个闭合回路的电流正方向可设为ADEFA、BADCB和FBCEF。
2. 分别将两路直流稳压源接入电路,令U1=6V,U2=12V。
3. 熟悉电流插头的结构,将电流插头的两端接至数字毫安表的“+、-”两端。
4. 将电流插头分别插入三条支路的三个电流插座中,读出并记录电流值。
5. 用直流数字电压表分别测量两路电源及电阻元件上的电压值,记录之。
五、实验注意事项1. 同实验二的注意1,但需用到电流插座。
2.所有需要测量的电压值,均以电压表测量的读数为准。
U1、U2也需测量,不应取电源本身的显示值。
3. 防止稳压电源两个输出端碰线短路。
4. 用指针式电压表或电流表测量电压或电流时,如果仪表指针反偏,则必须调换仪表极性,重新测量。
此时指针正偏,可读得电压或电流值。
若用数显电压表或电流表测量,则可直接读出电压或电流值。
但应注意:所读得的电压或电流值的正确正、负号应根据设定的电流参考方向来判断。
六、预习思考题1. 根据图2-1的电路参数,计算出待测的电流I1、I2、I3和各电阻上的电压值,记入表中,以便实验测量时,可正确地选定毫安表和电压表的量程。
2. 实验中,若用指针式万用表直流毫安档测各支路电流,在什么情况下可能出现指针反偏,应如何处理?在记录数据时应注意什么?若用直流数字毫安表进行测量时,则会有什么显示呢?七、实验报告1. 根据实验数据,选定节点A,验证KCL的正确性。
电路实验基尔霍夫定律实验报告电路实验基尔霍夫定律实验实验目的:1. 验证基尔霍夫定律;2. 熟悉电动势和电流的特性;3. 熟悉电流在电动势定义下的改变。
实验原理:基尔霍夫定律(Kirchhoff's laws)是物理和电学领域的一个重要定律,它是由德国物理学家基尔霍夫在1845年提出的。
在交流电路中,基尔霍夫定律有两条:第一条:电路中电流的分叉点的电流的总和等于零,电路中的电流求和原则,即:I1+I2+I3+...+In=0第二条:电路中电动势的总和等于零,电路中的电压求和原则,即:V1+V2+V3+...+Vn=0实验过程:1. 将电路图上的各个元件按照电路图连接起来,并接上两个电池和一个指示灯;2. 通过指示灯检查电路连接是否正确;3. 将万用表设置在测量电流的模式下,测量电流的大小;4. 将万用表设置在测量电压的模式下,测量电压的大小;5. 将电路图中的各种元件和电池依次拆开,测量各自的电流和电压;6. 用测得的值验证基尔霍夫定律。
实验结果:1. 电路连接检查:指示灯亮,表明电路连接正确。
2. 电压测量:拆开电路后,依次测量各电路节点的电压,分别为:V1=2.0V,V2=4.5V,V3=2.5V,测得的实验数据满足Kirchhoff's laws,即V1+V2+V3=2.0+4.5+2.5=9.0V=0V,两边等式相等,证明基尔霍夫定律的成立。
3. 电流测量:依次测量各电路节点的电流,分别为:I1=0.1A,I2=0.2A,I3=0.0A,测得的实验数据满足Kirchhoff's laws,即I1+I2+I3=0.1+0.2+0.0=0.3A=0A,两边等式相等,证明基尔霍夫定律的成立。
4. 电流和电动势的关系:从实验结果可看出,当电动势减小时,电流减小,当电动势增大时,电流增大,也就是说,电动势和电流正相关,这与实际情况相符。
实验讨论:在本次实验中,我们通过实际的操作,验证了Kirchhoff's laws,也就是基尔霍夫定律的成立。
电路实验三(一) 实验报告
实验题目:基尔霍夫定律的验证
实验内容:
1. 用面包板搭接一个电路,熟悉面包板的使用;
2. 验证基尔霍夫定律的正确性,加深对基尔霍夫定律普遍性的理解;
3. 进一步学会使用万用表。
实验环境:
面包板,数字万用表,色环电阻,学生实验箱(直流稳压电源)。
实验原理:
使用面包板搭接一个含有两个以上网孔的电路,测出各支路的电压和各节点的电流,验证它们是否满足基尔霍夫定律。
1. 基尔霍夫电流定律:
对电路中任意节点,流入、流出该节点的代数和为零。
即 ∑I=0。
2. 基尔霍夫电压定律:
在电路中任一闭合回路,电压降的代数和为零。
即 ∑U=0。
实验记录及结果分析:
实验电路图:
Us_2
12V i2
3
i2
1
实验数据:
实验分析:
1. 对于结点1:i1-i2+i3=-
2.33mA-1.45mA+
3.79mA=0.01mA
说明在误差范围内,该结点符合KCL 定律。
2. 对于回路1:-U1+U2-Us1=-2.31V+7.37V-5V=0.06V
说明在误差范围内,该回路符合KVL 定律。
3.对于回路2:-U2-U3+Us2=-7.37V-7.53V+15V=0.1V
说明在误差范围内,该回路符合KVL定律。
实验总结:
经过这次实验,我学习到了如果利用面包板搭建电路,面包板上的孔如何实现串并联。
同时,这次实验也巩固了我对万用表的操作,使用万用表比上次更为熟练了。
实验结果也验证了KCL与KVL的定律,为以后电路分析加深了印象。
实验一、基尔霍夫定律的验证一、实验目的1、验证基尔霍夫定律的正确性,加深对基尔霍夫定律普遍性的理解。
2、进一步学会使用电压表、电流表。
二、实验原理基尔霍夫定律是电路的基本定律。
1)基尔霍夫电流定律:对电路中任意节点,流入、流出该节点的代数和为零。
即∑I=02)基尔霍夫电压定律:在电路中任一闭合回路,电压降的代数和为零。
即∑U=0三、实验设备序号名称型号与规格数量备注DG04 直流稳压电源挂件 1 DG05 叠加定理挂件 1 D31 直流数字电压表、电流表挂件1四、实验内容实验线路如图2-1所示图 2-11、实验前先任意设定三条支路的电流参考方向,2、按原理的要求,分别将两路直流稳压电源接入电路。
3、将电流插头的两端接至直流数字毫安表的“+,-”两端。
4、将电流插头分别插入三条支路的三个电流插座中,记录电流值于下表。
5、用直流数字电压表分别测量两路电源及电元件上的电压值,记录于下表。
五、实训注意事项1. 同实训六的注意1,但需用到电流插座。
附录:1. 本实训线路系多个实训通用,本次实训中不使用电流插头和插座。
实训挂箱上的k3应拨向330Ω侧,D和D’用导线连接起来,三个故障按键均不得按下。
2.所有需要测量的电压值,均以电压表测量的读数为准。
U1、U2也需测量,不应取电源本身的显示值。
3. 用指针式电压表或电流表测量电压或电流时,如果仪表指针反偏,则必须调换仪表极性,重新测量。
此时指针正偏,可读得电压或电流值。
若用数显电压表或电流表测量,则可直接读出电压或电流值。
但应注意:所读得的电压或电流值的正确正、负号应根据设定的电流方向来判断。
六、基尔霍夫定律的计算值:I1 + I2 = I3 (1)根据基尔霍夫定律列出方程(510+510)I1 +510 I3=6 (2)(1000+330)I3+510 I3=12 (3)解得:I1 =0.00193A I2 =0.0059A I3 =0.00792AUFA=0.98V UBA=5.99V UAD=4.04V UDE=0.98VUDC=1.98V七、实验结论数据中绝大部分相对误差较小,基尔霍夫定律是正确的实验二叠加原理实验报告一、实验目的验证线性电路叠加原理的正确性,加深对线性电路的叠加性和齐次性的认识和理解。
实验一 基尔霍夫定律的验证一、实验目的1. 验证基尔霍夫定律的正确性,加深对基尔霍夫定律的理解。
2. 掌握使用直流电工仪表测量电流、电压的方法。
3. 学会应用电路的基本定律,分析、查找电路故障的一般方法。
二、实验原理1. 基尔霍夫定律是电路的基本定律。
测量某电路的各支路电流及多个元件两端的电压,应能分别满足基尔霍夫电流定律和电压定律。
即: 对电路中任何一个节点而言,应满足ΣI =0; 对电路中任何一个闭合回路而言,应满足ΣU =0。
运用上述定律时,必须注意电流、电压的实际方向和参考方向的关系。
2. 依据基尔霍夫定律和欧姆定律可对电路的故障现象进行分析,准确定位故障点。
若在一个接有电源的闭合回路中,电路的电流为零,则可能存在开路故障;若某元件上有电压而无电流,则说明该元件开路;若某元件上有电流而无电压,说明该元件出现了短路故障。
三、实验内容1. 先任意设定三条支路的电流参考方向,如图1-2所示。
三个回路的正方向可设为ADEFA 、BADCB 、FBCEF 。
图1-1 实验电路2. 分别将两路直流稳压源接入电路,令E 1=6V ,E 2=12V 。
3. 将电流插头的两端接至数字毫安表的“+、-”两端, 将电流插头分别插入三条支路的三个电流插座中,读出并记录各电流值。
图1-2是电流插头插座的U U 2F1N40071用法示意。
4. 用直流数字电压表分别测量、并记录两路电源及电阻元件上的电压值。
5. 分别按下故障开关A 、B 、C ,借助电压表、电流表,找出电路的故障性质和故障点。
图1-2 使用插头插座测量电流表1-1 测量数据及计算值电流单位: mA 电压单位:V表1-2 故障分析记录四、实验设备电流插座五、注意事项1. 测量验证基尔霍夫定律的数据时,三个故障开关均不按下,即不设人为故障。
2. 实验电路中的开关K3应向上,拨向330Ω侧。
3. 测量电压时应注意表棒的使用。
测U AB,应该用数字直流电压表的正表棒(红色)接A点,负表棒(黑色)接B点,否则记录测出的数值时,必须添加一负号。