装修基础轻工辅料报价表
- 格式:xls
- 大小:20.50 KB
- 文档页数:6
2023年装修轻工辅料报价表项目名称:单价(元)数量合计(元)材料说明及施工工艺:水路改造30.00 M 墙地面开槽,封补+直径20-25mmPPR水管+PPR连接件+热融合焊接,不含软管及龙头。
混凝土开沟另加10元一米。
强弱电改造33.00 M 打槽穿线,接头搪锡,绝缘带及黑胶布双重包扎,长城牌国标线,不含插座及开关及灯具,混凝土开沟另加10元一米。
艺术石膏线12.00 M 艺术石膏线。
室内防水40.00 ㎡劳亚尔沙浆或西卡防水处理,闭水实验24小时。
地面基础处理18.00 ㎡水泥+细沙。
墙地面加15.00 ㎡水泥+墙固胶 +细沙。
固贴瓷砖33.00 ㎡水泥+细沙 (砖客户自购) 800*800以下,特殊造型及特殊规格另计,不包含碰尖铺贴马赛克60.00 ㎡水泥+中沙(砖客户自购) 300X300整片包水管180.00 根水泥+中沙(砖客户自购)墙顶面乳胶漆16.00 ㎡美居腻子2-3遍+打磨,双色免费;每另加1色加收100元;3遍喷涂工艺,不含乳胶漆。
吊顶艺术造型110.00 ㎡石膏板+吊顶专用卡式轻钢龙骨 +铁膨胀螺丝+高强自攻螺丝+防火涂料+防锈漆,复杂造型另计。
灯带吊顶造型100.00 M 石膏板+吊顶专用卡式轻钢龙骨 +铁膨胀螺丝+高强自攻螺丝+防火涂料+防锈漆,复杂造型另计。
塑钢扣板吊顶75.00 ㎡木龙骨框架,塑钢扣板封面,四周角条等辅料及耗材。
门栏石180.00 M 高级大理石,倒边及安装.石膏板隔58.00 ㎡石膏板,国标轻钢龙骨,铁膨胀螺丝,高强自攻螺丝+防锈漆。
断雕花隔断360.00 ㎡密度板雕刻,花色自定。
衣鞋柜480.00 ㎡E1细木工板或杉木板+五金+收口线 +人工费,单体宽度不超过60,不包含门。
榻榻米地180.00 ㎡E1细木工板+30X50木龙骨,面材客户自购台电视背景240.00 ㎡石膏板,木龙骨,木工板,图案结构自定。
墙刷油漆90.00 ㎡色灰1遍+钉眼找补+打磨+底漆2遍+面漆2遍不含油漆砌筑12墙65.00 ㎡水泥、中砂墙面抹灰24.00 ㎡水泥、细沙铲除腻子 1.50 ㎡垃圾处理费:拆除瓷砖 18.00 ㎡ 材料搬运费: 工程管理费:免除 合计: ------------------------------------装饰公司的服务、装修队的价格、平价消费、贵族享受、引领平价装修新风暴。
2、实际发生项目若与报价单不符,一切以实际发生为准;
清辅第3页/共4页
3、以上报价不含物业收取装饰公司的装修押金,管理费及垃圾费,此项费用客户自理;
4、配合装饰公司进场前的工作,辅助装饰公司办理相关物业手续。
物业收取装饰公司的装修押金(可退)客户自理;
5、以上报价不含五金件、灯具、洁具、厨具、地砖、墙砖、木门,地板、艺术玻璃等主材。
6、我公司鉴于客户安全考虑,不负责:暖气拆改,煤气移位,承重墙拆除;凡违反有关部门规定的拆除项目须另签补充协议;
7、施工期间水费电费由客户承担,水电施工按实际发生计算,实际测量完毕后应将费用直接交给公司财务;(4平方线每米单加10元,6平方线每米单加15元,25PPR管每米单加10元;)
8、此价格不含税金。
甲方签字:乙方签字:
日期:年月日日期:年月日
清辅第4页/共4页。
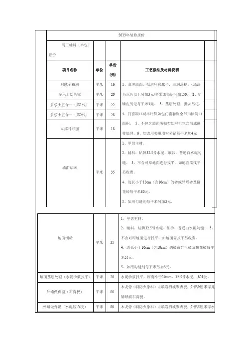
2013年装修报价清工辅料(半包)报价项目名称单位单价(元)工艺做法及材料说明刮腻子粉刷 平米 16 1、清理墙面,批刮环保腻子,三遍涂刷。
(墙漆为三色以上另加3元/平米或每房间加150元 2、铲墙皮另记每平米3元。
3、基层处理,批灰另记。
4、门窗洞口减半计算如包门窗套则全部扣除洞口面积。
5、不包含墙面满贴布处理但包含局域绷带处理。
6、如改用美巢墙衬另记每平米加4元 多乐士幻色家 平米 20 多乐士五合一(第1代) 平米 22 多乐士五合一(第2代)平米28立邦时时丽平米18墙面贴砖平米351、甲供主材。
2、辅料:钻牌32.5号水泥、细沙,普通白水泥勾缝。
3、不含对原地面进行找平,如地面需找平另收费。
4、边长小于10cm (含10cm )的砖或异形砖及拼花砖每平米60元。
5、如用勾缝剂每平米另加3元。
地面铺砖平米351、甲供主材。
2、辅料:钻牌32.5号水泥、细沙,普通白水泥勾缝。
3、不含对原地面进行找平,如地面需找平另收费。
4、边长小于10cm (含10cm )的砖或异形砖及拼花砖每平米55元。
5、如用勾缝剂每平米另加3元。
墙面基层处理(水泥沙浆找平) 平米20水泥沙浆找平,厚度小于10mm ,32.5号水泥,,801胶。
外墙做保温(石膏板)平米80木龙骨(刷防火涂料)内填岩棉或聚奔板,外贴9厘米厚龙牌纸面石膏板。
外墙做保温(水泥压力板)平米80木龙骨(刷防火涂料)内填岩棉或聚奔板,外贴5厘米厚水泥压力板。
阳台地面加高找平平米25 1、水泥沙浆找平2、不含地面处理做地台平米120 1、300*300十字网格架找水平。
2专用特级大芯板衬底。
3、不含木地板。
4、高度不大于250厘米做防水层劳亚尔防水平米351、劳亚尔涂二遍,墙体周边从地面向上延250高的防水层,淋浴墙面防水高度要求不低于1.8米。
2、按展开面积计算。
地面找平平米20山水32.5号水泥沙浆找平,厚度不大于30mm,厚度每增加10mm加收8元/平米墙体拆除平米801、轻质内墙(含墙上门、窗)。
新装修材料价格表,辅材主材装修明细(Excel)
一、装修辅材价格明细表
装修辅料指:水电材料、木器漆、乳胶漆、腻子、各种胶水、各种补缝防裂材料、河沙、水泥、防水、线、龙骨、各种木工板材、石膏板、铝扣板、各种钉子、螺丝等。
以下是一些辅助材料的参考价格表。
边肖建议:装修辅材复杂琐碎,细节不能出错。
如果准备装修的朋友对装修一无所知,还是建议不要选择洁净包装修。
辅材还是外包给装修公司,压力小很多。
当然,要相对了解辅助材料的价格,以免作弊。
二、装修主材价格明细表
100平米两居室装修主要材料价格预算表为例。
边肖建议:主材价格是硬穿的大头,主要看业主对主材品牌和档次的选择。
想要装修好,一定要选择优质的主材;想省钱装修,就得比较性价比高的主材品牌,品牌折扣也是不错的选择。
以上装修是边肖整理的市场均价,具体城市装修差距肯定不小。
边肖的建议是,装修不要太大半条命。
首先一定要选对装修公司,不管是全包还是半包,对比装修公司才不后悔。
装修后期想有监理保障,就要装酷网。
装修的材料清单明细表格装修工程材料表一,基础工程。
1,撞墙,30元/平方米,垃圾包。
2,砌筑墙,100元/平方米(含石井牌325#)水泥黄砂和轻质砖。
3,水泥回转墙,15元/平方米的水泥砂。
(石井325#水泥和黄沙)装修工程材料表二、是水电安装工程。
1,防水防潮工程,40元/平方米(防水环保泥牌K11)。
2,卫生间,60元/平方米(轻陶粒)。
3,安装饮用水管,50元/米带沟槽管接头,无水龙头。
(联塑或PPR环保热熔管)4,安装水管,50元/米,联塑pvc中的水管。
5,电路安装,120元/位,包括2.5mm国标线管底盒,电缆不含灯具。
(国标双胶,阻燃铜芯线,阻燃塑料管,松板,隐蔽式)。
6,安装空调插座,240元/位,包括国标下线4毫米管清风双胶国标电缆,阻燃铜芯线。
7,安装网线,有线电视,90元/位,包括插头。
(网络电缆放大器)装修工程材料表三、是木工生产工程。
1,服装生产,650元/平方米(15厘木芯板,3厘板,多乐士木漆)。
2,石膏板挂在平顶上,100-150元/平方米,PCT轻钢石膏板盖9厘。
(9台泰山石膏板)3,石膏角线18元/米(广州穗华石膏线配件)。
4,生产门盖,650元/套(甘力牌,3厘PCT木芯板,3厘板,多乐士木漆),普通球锁。
5,木角线,40元/米,9厘夹板,3厘技术,木贴面,实木线边。
6,卫生间厨房天花板90-110元/平方米,加厚0.8铝复合板。
装修工程材料表四、是浑水工程。
1.土地平整工程,30元/平方米。
(石井325#水泥,黄色和5厘米以上的人造砂,每平方5厘米加5元)2,路面砖,38元/平方米(纯工)。
3,大理石,60元/平方米(手动)。
4,大理石路面,80元/平方米(手动)。
5,附在脚线上,13元/米(手动)。
6,大理石铺装门,38元/条(手工)不含石材。
7,窗台大理石(平窗宽20厘米),30元/条(手工)不含石材。
8,墙布,38元/平方米(石井325#水泥,黄色和人造砂),无瓷。
最新装修报价表及工艺和材料清单大全装修报价表及工艺和材料清单
一、材料报价:
1、瓷砖:
A)墙面瓷砖:南方极白瓷砖一米2*2,价格为每平方米45元。
B)地面瓷砖:米兰釉面砖一米2*2,价格为每平方米45元。
2、木工材料:
A)室内木门:高档省漆室内木门,价格为每张1200元。
B)吊顶:中档实木夹板吊顶,价格为每平方米60元。
C)橱柜:中档整体实木橱柜,价格为每平方米200元。
3、油漆材料:
A)墙面漆:涂料(室内普通乳胶漆环保系列),价格为每平方米20元。
B)油漆:油性漆,价格为每4升100元。
4、洁具:
A)厨房水槽:水槽,价格为每台500元。
B)淋浴房水槽:水槽,价格为每台800元。
5、其他材料:
A)五金:铜头管价格为每米15元,铝复合板价格为每平米50元,铝板价格为每平米30元。
B)灯具:价格为每台200元。
二、工艺安装:
1、瓷砖安装:价格为每平米25元。
2、木门安装:价格为每台200元。
3、吊顶安装:价格为每平米60元。
4、橱柜安装:价格为每平米200元。
5、漆工:墙面整体漆施工,价格为每平米30元;油漆翻新,价格为每平米50元;木门漆施工,价格为每台200元。
6、洁具安装:价格为每台500元。
7、五金安装:价格为每台50元。
室内装饰装修工程预算基础报价表
一、地面工程报价
1、600*600瓷砖地面施工报价
项目单位一般单价(元/平方米)套装(元/平方米)地砖平方米60~80 50~60
瓷砖铺贴平方米20~30 15~20
清理材料平方米2~3 2~3
2、其他地面施工报价
项目单位一般单价(元/平方米)套装(元/平方米)水泥基层平方米20~30 15~20
水泥砂浆浇筑平方米20~30 15~20
木地板平方米90~150 70~120
实木复合地板平方米120~200 90~180
弹性地面平方米50~80 30~60
二、墙面工程报价
1、环氧地坪报价
项目单位一般单价(元/平方米)套装(元/平方米)环氧地坪涂装平方米30~50 20~40
2、涂料报价
项目单位一般单价(元/平方米)套装(元/平方米)乳胶漆平方米30~50 20~40
金属漆平方米20~30 15~20
铝板平方米10~15 7~10
3、壁纸报价
项目单位一般单价(元/平方米)套装(元/平方米)室内壁纸平方米20~30 15~20
三、门窗工程报价
1、木质门窗报价
项目单位一般单价(元/平方米)套装(元/平方米)拆装木质门只150~200 110~150
拆装木质窗只220~380 150~250
2、钢门窗报价
项目单位一般单价(元/平方米)套装(元/平方米)拆装钢门只500~800 400~600
拆装钢窗只400~600 300~500。
融发家居瑞博文装饰居室装修报价单融发家居.瑞博文装饰 第1页/共16页平米0墙面多乐士漆抗甲醛全效33融发家居.瑞博文装饰 第9页/共16页平米0201备注:1、尊敬的客户,瑞博文公司为了保护您的利益,维护双方的正当权益,请您不要接受未经本公司盖章文本以外的任何协议包含口头承诺。
2、若客户向公司提出代购要求时应另外与相关集成、主材等部门签定委托代购协议,并应将代购融发家居.瑞博文装饰 第15页/共16页 部分的所需款项交至公司财务部。
若未与公司签定委托代购协议而将钱物交给设计人员,施工人员或其它个人代购,是属于私下行为,若由此产生的一切不良后果本公司将不承担责任。
3、实际发生工程项目的工程量若与报价单中工程项目的工程量不相符合,应以实际发生的数量为准。
4、工程中期款、増项款、尾款等各类款项,请您按合同约定时间到本公司总部财务部支付并换取本公司财务专用收据;如与项目经理、现场施工人员直接确定变更内容或将款项交付项目经理及现场施工人员的,由此造成的损失本公司不承担责任。
5、以上报价不含物业及其它部门收取装饰公司的各种装修管理费用(包括垃圾处置费及装修押金),以上费用由客户自行担负。
6、工程施工期间的能源费用如(水电费、电梯使用费、供暖费)等均由客户负担。
7、装修增减费用,在结算中期款时计算,请客户务必在接到中期结算单,增减项单三日内到公司财务部交付中期结算单;逾期公司将不保证工程正常进行,因此造成的工程延误损失由客户负责。
工程开工后,遇工程增加项时双方应根据工程量顺延工期。
如客户要求减项,须要交纳减少项目10%的公司先期物力费用;水电施工按实际发生计算,此项费用客户不享受折扣。
8、若甲方客户需要指定施工队施工,需另加点选费3000元。
9、定制门系列备注:订购定制产品系列不足3000元,需加收安装及运费150元;子母门的计算方法:母门按单扇门计价,子门按母门的70%计价,洞口宽度大于1300mm的门洞,按两扇门计价;门连窗,窗套按哑口计算,半包套按窗套计算,有门按哑口计算;推拉门计算:门套金额+门扇金额+滑轨金额+滑轮金额+推拉盒金额;推拉门:单扇推拉门标准洞口尺寸900*2100*340mm,驿扇推拉门标准洞口尺寸1600*2100*340mm,三扇推拉门标准洞口尺寸2400*2100*340mm,四扇推拉门标准洞口尺寸3200*2100*340mm;折叠门计价:单扇门的1折不超过400mm宽,单扇门按平开门价格60%计算(两扇为一折),价格=哑口价格+单扇门价格*扇数(不含五金);门顶窗计价:高度在200mm以内的门顶窗包口单计价,每加一格混油加收100元,清油加收150元;门顶窗高度200mm以上每加一格混油加收150元,清油加收200元;(门顶窗玻璃最大尺寸400mm*1800mm);双开门计价=标准平开门单扇门价格*2+哑口价格;百叶门按报价木框门计算,百叶另计;入户门计算:连门带套按整樘门计算,只是入户半包套按窗套计算;推拉盒:按窗套报价。
装修项目基价表一、铺砖:1、铺地砖:35元/平米(清工辅料)2、贴墙砖:35元/平米(清工辅料)3、砖踢脚:12元/延米(清工辅料)二、包立管(包工包料):110元/米三、做防水:1、防水清工:30元/平米2、防水包工包料:55元/平米四、墙面刷漆(包工包料):1、美时丽:20元/平米2、多乐士(2代)五合一:、26元/平米3、多乐士金装全效、立邦精装全效:28元/平米4、多乐士皓朗全效、立邦精装净味全效:33元/平米5、墙面贴布:8元/平米五、墙面基层处理:包工包料:使用美巢易呱平YGP800腻子19元/平米纯清工:14元/平米六、石膏线(包工包料):15元/延米七、吊顶板块:1、石膏板平面顶(包工包料):90元/平米2、石膏板造型顶(包括灯池造型顶)(包工包料):130元/平米3、石膏板线形吊顶(包工包料):80元/延米4、铝扣板吊顶(0.7包工包料):110元/平米5、铝扣板吊台阶(包工包料):80元/延米6、塑钢板吊顶(包工包料):80元/平米7、PVC吊顶(包工包料):60元/平米七、做隔断:1、轻钢龙骨石膏板隔断(包工包料):90元/平米2、轻体砖隔断(包工包料):120元/平米八、水路改造:1、明管(包工包料):45元/延米2、暗管(包工包料):55元/延米九、电路改造:1、明线(包工包料):25元/延米2、暗线(包工包料):35元/延米十、其他项目:1、砸墙:30元/平米(水泥预制空心板墙)45元/平米(砖墙)80元/平米(钢筋混凝土墙)2、垃圾清运:200元/户(两居)此项为人工费搬运到物业指定地点、不包含外运。
家装预算装修公式主材计算方法:涂料乳胶漆涂料乳胶漆的包装基本分为5升和15升两种规格。
以家庭中常用的5升容量为例,5升的理论涂刷面积为两遍35㎡。
粗略计算方法:地面面积*2.5/35=使用桶数精确计算方法:(长+宽)*2*房高=墙面面积长*宽=顶面面积(墙面面积+顶面面积-门窗面积)/35=使用桶数。
合计:27858.18
附:
1.为了维护您的利益,请不要接受任何的口头承诺。
2.计算乳胶漆、墙地砖面积时,门窗部分面积按不减计算。
3.实际发生项目若与报价不符,一切以实际发生为准。
4.施工期间水电费由客户承担。
5.装修增项费用,在单项完工时计算、支付,如有减项的项目按减项部分的20%收取管理费。
6.以上报价不含五金件、灯具、开关面板、洁具、地板及墙地砖、理石、三厘及以上工艺玻璃。
7.我公司鉴于客户安全考虑,不负责:暖气拆改、煤气移位、承重墙拆除。
8.以上墙漆报价不含特殊墙面处理(如:沙灰墙、保温墙、防水腻子等)
9.水电施工按实际发生计算,防水70元/平米(东方雨虹PMC-100),水路改造80元/米,电路暗管改造50元/米,明线40元/米,暗盒10元/个,电线采用国标2.5平凡塑铜线,空调4平方塑铜线,60元/米,(走线测量以线长度计算,每点位不足1米按足米计算),安装浴霸30元/个,开关面板安装10元/个
10.凡违反有关部门规定的拆除项目须另签补充协议。
11.此报价不含物业收取装修公司的装修押金及装修管理费,此项费用由业主自理。
12.需乙方提供主材,另签代购协议。
13.此报价不含发票税金。
合计:27858.18
附:
1.为了维护您的利益,请不要接受任何的口头承诺。
2.计算乳胶漆、墙地砖面积时,门窗部分面积按不减计算。
3.实际发生项目若与报价不符,一切以实际发生为准。
4.施工期间水电费由客户承担。
5.装修增项费用,在单项完工时计算、支付,如有减项的项目按减项部分的20%收取管理费。
6.以上报价不含五金件、灯具、开关面板、洁具、地板及墙地砖、理石、三厘及以上工艺玻璃。
7.我公司鉴于客户安全考虑,不负责:暖气拆改、煤气移位、承重墙拆除。
8.以上墙漆报价不含特殊墙面处理(如:沙灰墙、保温墙、防水腻子等)
9.水电施工按实际发生计算,防水70元/平米(东方雨虹PMC-100),水路改造80元/米,电路暗管改造50元/米,明线40元/米,暗盒10元/个,电线采用国标2.5平凡塑铜线,空调4平方塑铜线,60元/米,(走线测量以线长度计算,每点位不足1米按足米计算),安装浴霸30元/个,开关面板安装10元/个
10.凡违反有关部门规定的拆除项目须另签补充协议。
11.此报价不含物业收取装修公司的装修押金及装修管理费,此项费用由业主自理。
12.需乙方提供主材,另签代购协议。
13.此报价不含发票税金。