现代物流系统工程与技术 物流系统建模与仿真
- 格式:ppt
- 大小:339.50 KB
- 文档页数:68
物流系统建模与仿真物流系统是指负责管理物流流程、物流信息、物流资源的一个系统。
对于一个国家和企业而言,物流系统的优化和提升是非常必要的,因为物流系统不仅影响着企业的效率和效益,而且还影响着国家的经济发展。
因此,建模和仿真物流系统是非常重要的,它可以帮助企业和国家评估和优化物流系统。
物流系统建模物流系统建模可以帮助企业或国家通过对物流系统进行抽象和描述,从而更好地了解物流系统各个组成部分之间的关系和相互影响,便于进行优化和管理。
物流系统建模的方法:1.流程图方法:用流程图来表示物流系统中各个环节的流程和流向,便于初步把握和分析。
2.状态图方法:用状态图来表示物流系统中各个环节的状态转移和状态变化。
3.Petri网方法:Petri网是一种描述系统中各个组成部分之间关系的图,被广泛应用于物流系统中。
物流系统建模的步骤:1.确定系统范围:确定物流系统的界限和范围,明确系统的输入和输出,以及流程和环节。
2.分析物流流程:对物流系统中的各个环节和流程进行分析和描述,尽可能详细地了解每个环节和流程的要素和特点。
3.制定物流模型:根据分析结果,建立物流模型,包括流程图、状态图或Petri网模型。
模型要求简单明了、易于理解和维护。
4.验证模型:对模型进行验证,确保模型的正确性和有效性。
可以采用仿真或调试的方式进行验证。
物流系统仿真物流系统仿真可以帮助企业或国家通过对物流系统进行模拟实现,从而更好地了解系统的运行情况和特点,便于进行优化和管理。
物流系统仿真的方法:1.离散事件仿真:用离散事件仿真模型来描述物流系统中各个事件的发生时间和影响因素,模拟系统中各个事件的发生和影响。
2.连续系统仿真:用连续系统仿真模型来描述物流系统中各个流程的运行情况和影响因素,模拟系统中各个流程的运行和影响。
3.混合仿真:将离散事件仿真和连续系统仿真结合起来,更好地描述和模拟物流系统中的事件和流程。
物流系统仿真的步骤:1.建立仿真模型:根据建模结果,建立物流仿真模型,包括输入数据、仿真环境和模拟设计。
物流系统建模与仿真报告一、引言物流系统是指将物品从供应商处运送到客户处的整个过程,涉及到供应链的各个环节,包括采购、仓储、运输、配送等。
为了提高物流系统的效率和准确性,建立一个合理的物流系统模型,并进行仿真分析,对于优化物流系统的设计和运作具有重要意义。
二、物流系统建模物流系统建模是指将物流系统的各个环节和流程进行抽象和描述,以便于分析和优化。
物流系统建模可以采用不同的方法和工具,如流程图、数据流图、Petri网等。
1. 流程图流程图是一种图形化的表示方法,可以清晰地展示物流系统的各个环节和流程。
通过绘制流程图,可以直观地了解物流系统的运作过程,发现潜在的问题和改进点。
例如,可以绘制采购流程图、仓储流程图、运输流程图等,以便于对不同环节进行分析和优化。
2. 数据流图数据流图是一种描述物流系统中数据流动和处理过程的图形表示方法。
通过数据流图,可以清楚地了解物流系统中的数据来源、处理和输出,帮助分析和优化物流系统的数据流程。
例如,可以绘制供应商数据流图、客户数据流图等,以便于对数据流进行分析和优化。
3. Petri网Petri网是一种数学工具,可以用于描述物流系统中的并发和同步过程。
通过Petri网的建模,可以更准确地分析物流系统的并发性和同步性问题,提高系统的效率和稳定性。
例如,可以建立仓储系统的Petri网模型,分析货物的进出和仓库容量的限制等问题。
三、物流系统仿真物流系统仿真是指通过计算机模拟物流系统的运作过程,以评估和比较不同策略和方案的效果。
物流系统仿真可以使用专门的仿真软件,如Arena、AnyLogic等,也可以使用编程语言进行自主开发。
1. 仿真参数设定在进行物流系统仿真之前,需要设定一些参数,如供应商的数量和位置、客户的数量和位置、运输工具的数量和速度等。
这些参数的设定将直接影响仿真结果的准确性和可靠性。
2. 仿真过程仿真过程是指根据设定的参数,通过模拟物流系统的运作过程,得到各个环节的数据和指标。
物流系统建模与仿真实验报告物流系统建模与仿真实验报告一、引言物流系统是现代经济运行的重要组成部分,对于提高生产效率、降低成本、提供优质服务具有重要意义。
为了更好地理解物流系统的运行机制和优化策略,本次实验旨在通过建模与仿真的方法,对物流系统进行深入研究。
二、实验目标本次实验的主要目标是通过建立物流系统的数学模型,并通过仿真实验验证模型的有效性。
具体而言,我们将关注以下几个方面:1. 研究物流系统中的关键节点和流程,分析其对整体运行效果的影响;2. 优化物流系统中的资源配置和调度策略,提高物流效率;3. 分析物流系统中的瓶颈问题,并提出相应的解决方案。
三、实验方法本次实验采用建模与仿真的方法,具体步骤如下:1. 数据收集:收集物流系统的相关数据,包括物流节点、运输路径、货物流动情况等。
2. 建立数学模型:基于收集到的数据,建立物流系统的数学模型,包括节点间的关系、运输路径的选择规则、货物流动的概率等。
3. 参数设定:根据实际情况,设定模型中的参数,如节点的处理能力、运输路径的容量等。
4. 仿真实验:利用仿真软件,对建立的模型进行仿真实验,观察物流系统的运行情况,并记录相关数据。
5. 数据分析:对仿真实验得到的数据进行分析,评估物流系统的性能,并找出改进的方向。
6. 优化策略:根据数据分析的结果,提出相应的优化策略,如调整节点的处理能力、优化运输路径等。
7. 仿真实验验证:将优化策略应用于模型中,进行再次仿真实验,验证优化效果。
四、实验结果与分析通过多次仿真实验,我们得到了大量的数据,并进行了详细的分析。
以下是部分实验结果的总结:1. 关键节点分析:我们发现物流系统中存在一些关键节点,其处理能力对整体物流效率有较大影响。
通过增加关键节点的处理能力,可以显著提高物流系统的处理能力和响应速度。
2. 运输路径分析:不同的运输路径对物流系统的运行效果有显著影响。
通过优化运输路径的选择规则,可以降低物流系统的运输成本,并缩短货物的运输时间。
物流系统建模与仿真课程设计一、引言在现代社会中,物流系统作为一种重要的供应链管理方式,其优化和提高对于企业和整个经济体的效益具有非常重要的意义。
然而,物流系统涉及到各个环节的复杂交互,其优化具有一定程度的挑战性。
为了使学生更好地理解物流系统的运作,本文提出了一种课程设计方案,旨在提高学生的物流系统建模和仿真能力。
二、课程设计目标本课程设计的目标是让学生掌握物流系统建模和仿真技术,并能够应用所学知识在真实问题中解决实际问题,具体包括以下目标:1.理解物流系统的组成和交互流程;2.掌握物流系统建模和仿真的方法;3.学会使用物流系统模拟软件进行仿真;4.能够应用所学技术解决真实问题。
三、课程设计内容课程设计背景为了使学生更好地实践所学知识,本课程设计提出了一个实际问题背景。
假设某电商公司旗下的仓储和配送中心正在进行物流系统升级,希望通过优化物流系统中的各个环节来提高效率和降低成本。
本次课程设计将以该电商公司为背景,对其仓储物流和配送物流进行建模和仿真,通过对比优化前后的数据,来评估优化效果。
课程设计过程1.确定问题背景和目标在该电商公司中,包裹从仓储物流到配送物流需要经过多道环节,包括物品出库、物品装车、运输路线选择、运输工具选择、配送路线确定等。
为了优化整个物流系统,需要先确定目标,并了解各个环节的具体数据。
2.建立物流系统模型在了解问题背景和目标之后,需要根据实际情况建立物流系统模型。
该模型应包括各个环节的数据和交互流程,并反映实际问题的特点。
3.运用物流系统仿真软件进行仿真在建立物流系统模型之后,需要运用物流系统仿真软件对其进行仿真。
利用仿真软件,可以模拟各个环节的运作情况,并观察和分析各个环节的优化效果。
4.评估优化效果通过对比优化前后的数据,来评估优化效果。
学生需要分析优化的效果,包括成本和效率两个方面,并提出改进建议。
课程设计评估该课程设计主要通过课堂报告和课程总结来评估学生的学习情况。
其中,课堂报告主要评估学生建模和仿真的能力,课程总结主要评估学生对整个课程的掌握情况和对解决实际问题的思考能力。
物流系统建模与仿真实验报告物流系统建模与仿真实验报告一、引言物流系统是现代工业化与信息化相结合的产物,它包括了物质流动、信息流动与控制系统优化等多个方面。
本实验旨在通过模拟物流系统的运行,深入理解物流系统的构建、运作机制以及优化方法。
在此过程中,我们将利用数学建模和仿真技术,以实际物流系统为参考,构建一个简化的计算机模型,并对不同场景进行模拟和分析。
二、物流系统模型构建在构建物流系统模型的过程中,我们主要考虑了以下几个关键因素:货物供应、运输、存储和需求。
其中,货物供应和需求代表了系统的输入和输出,运输和存储则描述了货物的流动和暂存。
我们用随机过程生成货物供应和需求,用队列模拟运输和存储环节。
系统的运行状态用一组状态变量来描述,系统的行为则由一系列根据状态变化的规则来描述。
三、物流系统仿真实验在构建模型之后,我们对不同的场景进行了仿真实验。
首先,我们模拟了在货物供应和需求稳定的情况下,物流系统的运行状况。
然后,我们在供应和需求出现波动的情况下,观察了系统的响应。
此外,我们还测试了系统在出现故障(如运输故障)时的表现。
四、实验结果与分析实验结果显示,在稳定环境下,物流系统能够有效地处理货物供应和需求。
然而,当环境出现波动时,系统的表现会受到影响,尤其是当供应或需求出现突然增加或减少时。
此外,系统在应对故障时的能力也有限,如运输故障往往会导致货物积压和延迟。
我们的分析表明,为了提高物流系统的性能,可以考虑引入更多的运输资源,或者优化存储策略以应对供应和需求的波动。
此外,开发更有效的故障恢复机制也是必要的。
五、结论与展望通过本次实验,我们成功地构建了一个简化的物流系统模型,并对其进行了仿真实验。
实验结果揭示了物流系统在稳定和不稳定环境下的表现,并指出了可能的改进方向。
展望未来,我们希望进一步探索更复杂的物流系统特性。
例如,引入更多的货物种类、考虑货物的可替代性、优化运输策略等。
此外,我们还可以研究如何利用先进的算法和技术,如机器学习和,来提高物流系统的效率和性能。
物流系统建模与仿真报告一、引言物流系统是现代社会经济发展的重要组成部分,它涉及到商品的生产、仓储、运输、配送等环节。
为了提高物流系统的效率和准确性,降低成本和风险,建立一个合理的物流系统模型是非常必要的。
本报告旨在介绍物流系统建模与仿真的方法和应用,为相关研究和实践提供参考。
二、物流系统建模物流系统建模是将现实世界的物流系统抽象成数学模型的过程。
在建模过程中,需要考虑物流系统的各个环节和流程,并确定其关键要素、输入和输出。
常用的物流系统建模方法包括流程图、数据流图、Petri网等。
在建模过程中,需要考虑物流系统的复杂性和动态性,以及与外部环境的交互作用。
三、物流系统仿真物流系统仿真是通过计算机模拟实际物流系统的运行过程和结果,以评估系统性能和优化方案的有效性。
仿真可以通过调整系统的参数和策略,模拟不同的场景和情况,从而找到最优的物流方案。
常用的物流系统仿真软件有Arena、AnyLogic等。
四、物流系统建模与仿真的应用1. 物流网络优化:通过建立物流系统的网络模型,优化物流节点的位置和布局,降低物流成本和运输距离。
2. 运输路径规划:通过建立物流系统的路径模型,找到最短的运输路径和最优的配送方案,提高配送效率和准确性。
3. 仓储容量规划:通过建立物流系统的仓储模型,确定合理的仓储容量和库存策略,提高仓储利用率和服务水平。
4. 运输调度优化:通过建立物流系统的调度模型,优化运输车辆的调度和路线规划,降低运输成本和提高运输效率。
5. 物流风险评估:通过建立物流系统的风险模型,评估物流系统的脆弱性和风险程度,制定相应的风险应对策略。
五、物流系统建模与仿真的挑战与展望物流系统建模与仿真面临着一些挑战,例如复杂性高、数据量大、模型验证困难等。
未来,随着信息技术的发展和物联网的普及,物流系统建模与仿真将更加精细化和智能化。
同时,物流系统建模与仿真还可以与其他领域的模型和方法相结合,如人工智能、大数据分析等,为物流系统的优化和智能化提供更多可能性。
物流系统建模与仿真pdf1. 引言1.1 概述物流系统建模与仿真是一种在现代物流管理中广泛应用的技术。
通过对物流系统进行建模和仿真,可以模拟出不同的运作策略,预测和应对风险和不确定性,并优化资源分配,从而提高物流效率、降低成本。
随着信息技术的迅猛发展,物流系统建模与仿真方法也不断创新与进步。
1.2 文章结构本文将全面介绍物流系统建模与仿真的概念、方法和重要性,并通过案例分析来展示其实际应用。
文章共分为五个部分:引言、物流系统建模与仿真、物流系统建模与仿真的重要性、物流系统建模与仿真案例分析以及结论。
1.3 目的本文旨在探讨物流系统建模与仿真的理论基础和实践应用,帮助读者更好地理解并应用该技术。
同时,通过案例分析,展示物流系统建模与仿真在提高效率、优化策略、应对风险等方面的具体作用和价值。
最后,对未来物流系统建模与仿真发展进行展望,为相关领域的研究和实践提供参考依据。
2. 物流系统建模与仿真物流系统建模是指将现实世界中的物流系统抽象成数学或计算机模型,以便对其进行仿真和分析的过程。
通过物流系统建模与仿真,我们可以更好地理解和优化物流运作过程,提高运输效率、降低成本,以及优化资源分配等目标。
2.1 物流系统建模概述物流系统建模主要包括对物流网络、货物运输过程、设备设施等进行描述和组织。
首先,需要确定物流系统中的各个要素,并对其进行分类和关联。
这些要素可以包括供应商、生产商、仓库、配送中心、运输工具等。
然后,通过对这些要素之间的关系进行抽象和描述,形成一个整体的物流系统框架。
2.2 建模方法和技术在物流系统建模中,常用的方法和技术包括数据收集、过程描述与分析、图论与网络分析以及数学建模等。
首先,需要收集并整理相关的数据信息,如供需关系、货量统计、时空分布等。
然后,在此基础上进行过程描述与分析,明确每一环节的作用与影响因素,并找出运作瓶颈和改进方向。
接下来,利用图论与网络分析方法,可以揭示物流系统中关键节点、路径和资源的优化策略。
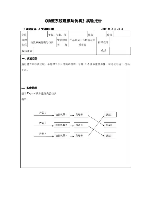
最新精选全文完整版(可编辑修改)《物流系统建模与仿真实验》课程教学大纲一、课程目标《物流系统建模与仿真实验》是物流工程专业的重要专业必修课,是一门技术性、实用性较强的数学建模仿真类课程。
本课程的目的是使学生全面而深入地掌握物流系统仿真的基本概念和原理,典型物流系统仿真与建模方法,以及物流系统仿真软件Flexsim的应用。
通过该课程的学习,培养学生运用数学方法建立物流问题数学模型的能力,能够通过计算机仿真辅助方法解决现实物流系统问题。
通过实验,使学生具备如下知识、能力:1、通过物流系统建模与仿真实验,使学生掌握利用数学方法建立不同物流问题的数学模型,掌握模型与仿真的关系,熟悉物流系统预测模型与仿真、物流节点选址模型与仿真、运输配送系统模型与仿真、库存控制模型与仿真、物流系统评价模型与仿真的方法,培养学生解决物流系统规划设计、物流运作过程控制、物流资源优化调配的实际问题能力。
2、具备较强的学习最新物流系统建模与仿真领域研究成果的能力,能够分析和评价现有研究成果的问题与不足,并能够提出自己独立见解的能力。
能够以小组为单位展开实验活动,并形成书面报告;培养学生在实验中提出问题、分析问题、解决问题的能力和对实验数据的综合处理、归纳分析、得出实验结论的能力。
二、课程实验教学的内容及学时分配《物流系统建模与仿真实验》注重物流系统建模与仿真基础知识、基本技能的培养,注重学生对基本知识的理解和应用,着重于实验操作和实践技能的训练,以期达到用所学物流系统建模与仿真理论知识解决实际问题的目的。
本课程实验学时共16学时,设8个实验,如表1所示。
三、教学方法课程教学以实验操作为主,结合物流系统建模与仿真软件、生产物流软件、实证调研等方式,配合E-mail、QQ、微信、钉钉等交流工具共同完成实验授课内容。
实验课程讲授通过启发式教学、讨论式教学等教学方法和手段培养学生解决大数据分析挖掘中具体应用问题的能力,提高学生在应用过程中的阐述、分析和论证问题的能力,培养学生自主学习能力、实际动手能力、团队合作能力、获取和处理信息的能力、准确运用语言文字的表达能力,激发学生的创新思维。