钢板桩设计计算
- 格式:doc
- 大小:102.50 KB
- 文档页数:14
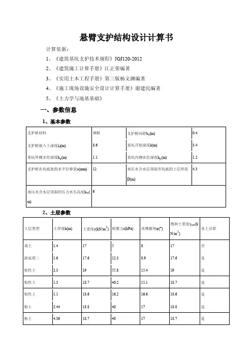
悬臂支护结构设计计算书计算依据:1、《建筑基坑支护技术规程》JGJ120-20122、《建筑施工计算手册》江正荣编著3、《实用土木工程手册》第三版杨文渊编著4、《施工现场设施安全设计计算手册》谢建民编著5、《土力学与地基基础》一、参数信息1、基本参数2、土层参数3、计算系数二、土压力计算土压力分布示意图1、主动土压力计算1)主动土压力系数K a1=tan2(45°- υ1/2)= tan2(45-8/2)=0.756;K a2=tan2(45°- υ2/2)= tan2(45-8/2)=0.756;K a3=tan2(45°- υ3/2)= tan2(45-8.9/2)=0.732;K a4=tan2(45°- υ4/2)= tan2(45-15.4/2)=0.58;K a5=tan2(45°- υ5/2)= tan2(45-15.1/2)=0.587;K a6=tan2(45°- υ6/2)= tan2(45-16.6/2)=0.556;K a7=tan2(45°- υ7/2)= tan2(45-17/2)=0.548;K a8=tan2(45°- υ8/2)= tan2(45-17/2)=0.548;2)土压力、地下水产生的水平荷载第1层土:0-1.1mH1'=[∑γ0h0]/γi=[0]/17=0mP ak1上=γ1H1'K a1-2c1K a10.5=17×0×0.756-2×5×0.7560.5=-8.695kN/m2P ak1下=γ1(h1+H1')K a1-2c1K a10.5=17×(1.1+0)×0.756-2×5×0.7560.5=5.442kN/m2第2层土:1.1-1.4mH2'=[∑γ1h1]/γsati=[18.7]/17=1.1mP ak2上=γsat2H2'K a2-2c2K a20.5=17×1.1×0.756-2×5×0.7560.5=5.442kN/m2P ak2下=γsat2(h2+H2')K a2-2c2K a20.5=17×(0.3+1.1)×0.756-2×5×0.7560.5=9.298kN/m2第3层土:1.4-3mH3'=[∑γ2h2]/γsati=[23.8]/17.6=1.352mP ak3上=[γsat3H3'-γw(∑h2-h a)]K a3-2c3K a30.5+γw(∑h2-h a)=[17.6×1.352-10×(1.4-1.1)]×0.732-2×1 2.3×0.7320.5+10×(1.4-1.1)=-2.825kN/m2P ak3下=[γsat3(H3'+h3)-γw(∑h2-h a)]K a3-2c3K a30.5+γw(∑h2-h a)=[17.6×(1.352+1.6)-10×(3-1.1)]×0 .732-2×12.3×0.7320.5+10×(3-1.1)=22.076kN/m2第4层土:3-5.3mH4'=[∑γ3h3]/γsati=[51.96]/19=2.735mP ak4上=[γsat4H4'-γw(∑h3-h a)]K a4-2c4K a40.5+γw(∑h3-h a)=[19×2.735-10×(3-1.1)]×0.58-2×55.8×0.580.5+10×(3-1.1)=-46.872kN/m2P ak4下=[γsat4(H4'+h4)-γw(∑h3-h a)]K a4-2c4K a40.5+γw(∑h3-h a)=[19×(2.735+2.3)-10×(5.3-1.1)]×0 .58-2×55.8×0.580.5+10×(5.3-1.1)=-11.866kN/m2第5层土:5.3-6.6mH5'=[∑γ4h4]/γsati=[95.66]/18.7=5.116mP ak5上=[γsat5H5'-γw(∑h4-h a)]K a5-2c5K a50.5+γw(∑h4-h a)=[18.7×5.116-10×(5.3-1.1)]×0.587-2×4 0.2×0.5870.5+10×(5.3-1.1)=11.905kN/m2P ak5下=[γsat5(H5'+h5)-γw(∑h4-h a)]K a5-2c5K a50.5+γw(∑h4-h a)=[18.7×(5.116+1.3)-10×(6.6-1.1)]×0.587-2×40.2×0.5870.5+10×(6.6-1.1)=31.544kN/m2第6层土:6.6-7.7mH6'=[∑γ5h5]/γsati=[119.97]/18.6=6.45mP ak6上=[γsat6H6'-γw(∑h5-h a)]K a6-2c6K a60.5+γw(∑h5-h a)=[18.6×6.45-10×(6.6-1.1)]×0.556-2×16 .2×0.5560.5+10×(6.6-1.1)=66.964kN/m2P ak6下=[γsat6(H6'+h6)-γw(∑h5-h a)]K a6-2c6K a60.5+γw(∑h5-h a)=[18.6×(6.45+1.1)-10×(7.7-1.1)]×0.556-2×16.2×0.5560.5+10×(7.7-1.1)=83.224kN/m2第7层土:7.7-10.14mH7'=[∑γ6h6]/γsati=[140.43]/18.8=7.47mP ak7上=[γsat7H7'-γw(∑h6-h a)]K a7-2c7K a70.5+γw(∑h6-h a)=[18.8×7.47-10×(7.7-1.1)]×0.548-2×40×0.5480.5+10×(7.7-1.1)=47.569kN/m2P ak7下=[γsat7(H7'+h7)-γw(∑h6-h a)]K a7-2c7K a70.5+γw(∑h6-h a)=[18.8×(7.47+2.44)-10×(10.14-1.1)]×0.548-2×40×0.5480.5+10×(10.14-1.1)=83.736kN/m2第8层土:10.14-12mH8'=[∑γ7h7]/γsati=[186.302]/18.7=9.963mP ak8上=[γsat8H8'-γw(∑h7-h a)]K a8-2c8K a80.5+γw(∑h7-h a)=[18.7×9.963-10×(10.14-1.1)]×0.548-2×40×0.5480.5+10×(10.14-1.1)=83.736kN/m2P ak8下=[γsat8(H8'+h8)-γw(∑h7-h a)]K a8-2c8K a80.5+γw(∑h7-h a)=[18.7×(9.963+1.86)-10×(12-1.1)]×0.548-2×40×0.5480.5+10×(12-1.1)=111.204kN/m23)水平荷载临界深度:Z0=P ak1下h1/(P ak1上+ P ak1下)=5.442×1.1/(8.695+5.442)=0.423m;第1层土E ak1=0.5P ak1下Z0b a=0.5×5.442×0.423×0.01=0.012kN;a a1=Z0/3+∑h2=0.423/3+10.9=11.041m;第2层土E ak2=h2(P a2上+P a2下)b a/2=0.3×(5.442+9.298)×0.01/2=0.022kN;a a2=h2(2P a2上+P a2下)/(3P a2上+3P a2下)+∑h3=0.3×(2×5.442+9.298)/(3×5.442+3×9.298)+10.6=10.737m;第3层土E ak3=h3(P a3上+P a3下)b a/2=1.6×(-2.825+22.076)×0.01/2=0.154kN;a a3=h3(2P a3上+P a3下)/(3P a3上+3P a3下)+∑h4=1.6×(2×-2.825+22.076)/(3×-2.825+3×22.076)+9=9.455m;第4层土E ak4=h4(P a4上+P a4下)b a/2=2.3×(-46.872+-11.866)×0.01/2=-0.675kN;a a4=h4(2P a4上+P a4下)/(3P a4上+3P a4下)+∑h5=2.3×(2×-46.872+-11.866)/(3×-46.872+3×-11.866)+6.7=8.078m;第5层土E ak5=h5(P a5上+P a5下)b a/2=1.3×(11.905+31.544)×0.01/2=0.282kN;a a5=h5(2P a5上+P a5下)/(3P a5上+3P a5下)+∑h6=1.3×(2×11.905+31.544)/(3×11.905+3×31.544)+5.4=5.952m;第6层土E ak6=h6(P a6上+P a6下)b a/2=1.1×(66.964+83.224)×0.01/2=0.826kN;a a6=h6(2P a6上+P a6下)/(3P a6上+3P a6下)+∑h7=1.1×(2×66.964+83.224)/(3×66.964+3×83.224)+4.3=4.83m;第7层土E ak7=h7(P a7上+P a7下)b a/2=2.44×(47.569+83.736)×0.01/2=1.602kN;a a7=h7(2P a7上+P a7下)/(3P a7上+3P a7下)+∑h8=2.44×(2×47.569+83.736)/(3×47.569+3×83. 736)+1.86=2.968m;第8层土E ak8=h8(P a8上+P a8下)b a/2=1.86×(83.736+111.204)×0.01/2=1.813kN;a a8=h8(2P a8上+P a8下)/(3P a8上+3P a8下)=1.86×(2×83.736+111.204)/(3×83.736+3×111.204 )=0.886m;土压力合力:E ak=ΣE aki=0.012+0.022+0.154+-0.675+0.282+0.826+1.602+1.813=4.036kN;合力作用点:a a=Σ(a ai E aki)/E ak=(11.041×0.012+10.737×0.022+9.455×0.154+8.078×-0.675+5.952×0.28 2+4.83×0.826+2.968×1.602+0.886×1.813)/4.036=2.082m;2、被动土压力计算1)被动土压力系数K p1=tan2(45°+ υ1/2)= tan2(45+15.4/2)=1.723;K p2=tan2(45°+ υ2/2)= tan2(45+15.4/2)=1.723;K p3=tan2(45°+ υ3/2)= tan2(45+15.1/2)=1.705;K p4=tan2(45°+ υ4/2)= tan2(45+16.6/2)=1.8;K p5=tan2(45°+ υ5/2)= tan2(45+17/2)=1.826;K p6=tan2(45°+ υ6/2)= tan2(45+17/2)=1.826;2)土压力、地下水产生的水平荷载第1层土:3.4-4.6mH1'=[∑γ0h0]/γi=[0]/19=0mP pk1上=γ1H1'K p1+2c1K p10.5=19×0×1.723+2×55.8×1.7230.5=146.49kN/m2P pk1下=γ1(h1+H1')K p1+2c1K p10.5=19×(1.2+0)×1.723+2×55.8×1.7230.5=185.774kN/m2第2层土:4.6-5.3mH2'=[∑γ1h1]/γsati=[22.8]/19=1.2mP pk2上=[γsat2H2'-γw(∑h1-h p)]K p2+2c2K p20.5+γw(∑h1-h p)=[19×1.2-10×(1.2-1.2)]×1.723+2×55.8×1.7230.5+10×(1.2-1.2)=185.774kN/m2P pk2下=[γsat2(H2'+h2)-γw(∑h1-h p)]K p2+2c2K p20.5+γw(∑h1-h p)=[19×(1.2+0.7)-10×(1.9-1.2)]×1. 723+2×55.8×1.7230.5+10×(1.9-1.2)=203.629kN/m2第3层土:5.3-6.6mH3'=[∑γ2h2]/γsati=[36.1]/18.7=1.93mP pk3上=[γsat3H3'-γw(∑h2-h p)]K p3+2c3K p30.5+γw(∑h2-h p)=[18.7×1.93-10×(1.9-1.2)]×1.705+2×4 0.2×1.7050.5+10×(1.9-1.2)=161.583kN/m2P pk3下=[γsat3(H3'+h3)-γw(∑h2-h p)]K p3+2c3K p30.5+γw(∑h2-h p)=[18.7×(1.93+1.3)-10×(3.2-1.2)]×1.705+2×40.2×1.7050.5+10×(3.2-1.2)=193.867kN/m2第4层土:6.6-7.7mH4'=[∑γ3h3]/γsati=[60.41]/18.6=3.248mP pk4上=[γsat4H4'-γw(∑h3-h p)]K p4+2c4K p40.5+γw(∑h3-h p)=[18.6×3.248-10×(3.2-1.2)]×1.8+2×16 .2×1.80.5+10×(3.2-1.2)=136.212kN/m2P pk4下=[γsat4(H4'+h4)-γw(∑h3-h p)]K p4+2c4K p40.5+γw(∑h3-h p)=[18.6×(3.248+1.1)-10×(4.3-1.2) ]×1.8+2×16.2×1.80.5+10×(4.3-1.2)=164.24kN/m2第5层土:7.7-10.14mH5'=[∑γ4h4]/γsati=[80.87]/18.8=4.302mP pk5上=[γsat5H5'-γw(∑h4-h p)]K p5+2c5K p50.5+γw(∑h4-h p)=[18.8×4.302-10×(4.3-1.2)]×1.826+2×40×1.8260.5+10×(4.3-1.2)=230.18kN/m2P pk5下=[γsat5(H5'+h5)-γw(∑h4-h p)]K p5+2c5K p50.5+γw(∑h4-h p)=[18.8×(4.302+2.44)-10×(6.74-1.2)]×1.826+2×40×1.8260.5+10×(6.74-1.2)=293.788kN/m2第6层土:10.14-12mH6'=[∑γ5h5]/γsati=[126.742]/18.7=6.778mP pk6上=[γsat6H6'-γw(∑h5-h p)]K p6+2c6K p60.5+γw(∑h5-h p)=[18.7×6.778-10×(6.74-1.2)]×1.826+2×40×1.8260.5+10×(6.74-1.2)=293.786kN/m2P pk6下=[γsat6(H6'+h6)-γw(∑h5-h p)]K p6+2c6K p60.5+γw(∑h5-h p)=[18.7×(6.778+1.86)-10×(8.6-1.2 )]×1.826+2×40×1.8260.5+10×(8.6-1.2)=341.935kN/m23)水平荷载第1层土E pk1=b a h1(P p1上+P p1下)/2=0.01×1.2×(146.49+185.774)/2=1.994kN;a p1=h1(2P p1上+P p1下)/(3P p1上+3P p1下)+∑h2=1.2×(2×146.49+185.774)/(3×146.49+3×185.774)+7.4=7.976m;第2层土E pk2=b a h2(P p2上+P p2下)/2=0.01×0.7×(185.774+203.629)/2=1.363kN;a p2=h2(2P p2上+P p2下)/(3P p2上+3P p2下)+∑h3=0.7×(2×185.774+203.629)/(3×185.774+3×203.629)+6.7=7.045m;第3层土E pk3=b a h3(P p3上+P p3下)/2=0.01×1.3×(161.583+193.867)/2=2.31kN;a p3=h3(2P p3上+P p3下)/(3P p3上+3P p3下)+∑h4=1.3×(2×161.583+193.867)/(3×161.583+3×193.867)+5.4=6.03m;第4层土E pk4=b a h4(P p4上+P p4下)/2=0.01×1.1×(136.212+164.24)/2=1.652kN;a p4=h4(2P p4上+P p4下)/(3P p4上+3P p4下)+∑h5=1.1×(2×136.212+164.24)/(3×136.212+3×164.24)+4.3=4.833m;第5层土E pk5=b a h5(P p5上+P p5下)/2=0.01×2.44×(230.18+293.788)/2=6.392kN;a p5=h5(2P p5上+P p5下)/(3P p5上+3P p5下)+∑h6=2.44×(2×230.18+293.788)/(3×230.18+3×293.788)+1.86=3.031m;第6层土E pk6=b a h6(P p6上+P p6下)/2=0.01×1.86×(293.786+341.935)/2=5.912kN;a p6=h6(2P p6上+P p6下)/(3P p6上+3P p6下)=1.86×(2×293.786+341.935)/(3×293.786+3×341. 935)=0.907m;土压力合力:E pk=ΣE pki=1.994+1.363+2.31+1.652+6.392+5.912=19.623kN;合力作用点:a p=Σ(a pi E pki)/E pk=(7.976×1.994+7.045×1.363+6.03×2.31+4.833×1.652+3.031×6.392+0.9 07×5.912)/19.623=3.677m;3、基坑内侧土反力计算1)主动土压力系数K a1=tan2(45°-υ1/2)= tan2(45-15.4/2)=0.58;K a2=tan2(45°-υ2/2)= tan2(45-15.4/2)=0.58;K a3=tan2(45°-υ3/2)= tan2(45-15.1/2)=0.587;K a4=tan2(45°-υ4/2)= tan2(45-16.6/2)=0.556;K a5=tan2(45°-υ5/2)= tan2(45-17/2)=0.548;K a6=tan2(45°-υ6/2)= tan2(45-17/2)=0.548;2)土压力、地下水产生的水平荷载第1层土:3.4-4.6mH1'=[∑γ0h0]/γi=[0]/19=0mP sk1上=(0.2υ12-υ1+c1)∑h0(1-∑h0/l d)υ/υb+γ1H1'K a1=(0.2×15.42-15.4+55.8)×0×(1-0/8.6)×0.01 2/0.012+19×0×0.58=0kN/m2P sk1下=(0.2υ12-υ1+c1)∑h1(1-∑h1/l d)υ/υb+γ1(h1+H1')K a1=(0.2×15.42-15.4+55.8)×1.2×(1-1.2/8 .6)×0.012/0.012+19×(0+1.2)×0.58=103.916kN/m2第2层土:4.6-5.3mH2'=[∑γ1h1]/γsati=[22.8]/19=1.2mP sk2上=(0.2υ22-υ2+c2)∑h1(1-∑h1/l d)υ/υb+[γsat2H2'-γw(∑h1-h p)]K p2+γw(∑h1-h p)=(0.2×15.42-15 .4+55.8)×1.2×(1-1.2/8.6)×12/12+[19×1.2-10×(1.2-1.2)]×0.58+10×(1.2-1.2)=103.916k N/m2P sk2下=(0.2υ22-υ2+c2)∑h2(1-∑h2/l d)υ/υb+[γsat2(H2'+h2)-γw(∑h2-h p)]K p2+γw(∑h2-h p)=(0.2×15. 42-15.4+55.8)×1.9×(1-1.9/8.6)×12/12+[19×(1.2+0.7)-10×(1.9-1.2)]×0.58+10×(1.9-1.2 )=153.89kN/m2第3层土:5.3-6.6mH3'=[∑γ2h2]/γsati=[36.1]/18.7=1.93mP sk3上=(0.2υ32-υ3+c3)∑h2(1-∑h2/l d)υ/υb+[γsat3H3'-γw(∑h2-h p)]K p3+γw(∑h2-h p)=(0.2×15.12-15 .1+40.2)×1.9×(1-1.9/8.6)×12/12+[18.7×1.93-10×(1.9-1.2)]×0.587+10×(1.9-1.2)=128. 732kN/m2P sk3下=(0.2υ32-υ3+c3)∑h3(1-∑h3/l d)υ/υb+[γsat3(H3'+h3)-γw(∑h3-h p)]K p3+γw(∑h3-h p)=(0.2×15. 12-15.1+40.2)×3.2×(1-3.2/8.6)×12/12+[18.7×(1.93+1.3)-10×(3.2-1.2)]×0.587+10×(3. 2-1.2)=185.777kN/m2第4层土:6.6-7.7mH4'=[∑γ3h3]/γsati=[60.41]/18.6=3.248mP sk4上=(0.2υ42-υ4+c4)∑h3(1-∑h3/l d)υ/υb+[γsat4H4'-γw(∑h3-h p)]K p4+γw(∑h3-h p)=(0.2×16.62-16.6+16.2)×3.2×(1-3.2/8.6)×12/12+[18.6×3.248-10×(3.2-1.2)]×0.556+10×(3.2-1.2)=152 .402kN/m2P sk4下=(0.2υ42-υ4+c4)∑h4(1-∑h4/l d)υ/υb+[γsat4(H4'+h4)-γw(∑h4-h p)]K p4+γw(∑h4-h p)=(0.2×16. 62-16.6+16.2)×4.3×(1-4.3/8.6)×12/12+[18.6×(3.248+1.1)-10×(4.3-1.2)]×0.556+10×(4 .3-1.2)=176.36kN/m2第5层土:7.7-10.14mH5'=[∑γ4h4]/γsati=[80.87]/18.8=4.302mP sk5上=(0.2υ52-υ5+c5)∑h4(1-∑h4/l d)υ/υb+[γsat5H5'-γw(∑h4-h p)]K p5+γw(∑h4-h p)=(0.2×172-17+ 40)×4.3×(1-4.3/8.6)×12/12+[18.8×4.302-10×(4.3-1.2)]×0.548+10×(4.3-1.2)=232.053 kN/m2P sk5下=(0.2υ52-υ5+c5)∑h5(1-∑h5/l d)υ/υb+[γsat5(H5'+h5)-γw(∑h5-h p)]K p5+γw(∑h5-h p)=(0.2×172 -17+40)×6.74×(1-6.74/8.6)×12/12+[18.8×(4.302+2.44)-10×(6.74-1.2)]×0.548+10×(6. 74-1.2)=212.283kN/m2第6层土:10.14-12mH6'=[∑γ5h5]/γsati=[126.742]/18.7=6.778mP sk6上=(0.2υ62-υ6+c6)∑h5(1-∑h5/l d)υ/υb+[γsat6H6'-γw(∑h5-h p)]K p6+γw(∑h5-h p)=(0.2×172-17+ 40)×6.74×(1-6.74/8.6)×12/12+[18.7×6.778-10×(6.74-1.2)]×0.548+10×(6.74-1.2)=212 .283kN/m2P sk6下=(0.2υ62-υ6+c6)∑h6(1-∑h6/l d)υ/υb+[γsat6(H6'+h6)-γw(∑h6-h p)]K p6+γw(∑h6-h p)=(0.2×172 -17+40)×8.6×(1-8.6/8.6)×12/12+[18.7×(6.778+1.86)-10×(8.6-1.2)]×0.548+10×(8.6-1.2)=121.967kN/m23)水平荷载第1层土P sk1=b0h1(P s1上+P s1下)/2=0.01×1.2×(0+103.916)/2=0.623kN;a s1=h1(2P s1上+P s1下)/(3P s1上+3P s1下)+∑h2=1.2×(2×0+103.916)/(3×0+3×103.916)+7.4=7.8m;第2层土P sk2=b0h2(P s2上+P s2下)/2=0.01×0.7×(103.916+153.89)/2=0.902kN;a s2=h2(2P s2上+P s2下)/(3P s2上+3P s2下)+∑h3=0.7×(2×103.916+153.89)/(3×103.916+3×153.89)+6.7=7.027m;第3层土P sk3=b0h3(P s3上+P s3下)/2=0.01×1.3×(128.732+185.777)/2=2.044kN;a s3=h3(2P s3上+P s3下)/(3P s3上+3P s3下)+∑h4=1.3×(2×128.732+185.777)/(3×128.732+3×185.777)+5.4=6.011m;第4层土P sk4=b0h4(P s4上+P s4下)/2=0.01×1.1×(152.402+176.36)/2=1.808kN;a s4=h4(2P s4上+P s4下)/(3P s4上+3P s4下)+∑h5=1.1×(2×152.402+176.36)/(3×152.402+3×176.36)+4.3=4.837m;第5层土P sk5=b0h5(P s5上+P s5下)/2=0.01×2.44×(232.053+212.283)/2=5.421kN;a s5=h5(2P s5上+P s5下)/(3P s5上+3P s5下)+∑h6=2.44×(2×232.053+212.283)/(3×232.053+3×212.283)+1.86=3.098m;第6层土P sk6=b0h6(P s6上+P s6下)/2=0.01×1.86×(212.283+121.967)/2=3.109kN;a s6=h6(2P s6上+P s6下)/(3P s6上+3P s6下)=1.86×(2×212.283+121.967)/(3×212.283+3×121.967)=1.014m;土压力合力:P pk=ΣP pki=0.623+0.902+2.044+1.808+5.421+3.109=13.907kN;合力作用点:a s=Σ(a si P ski)/P pk=(7.8×0.623+7.027×0.902+6.011×2.044+4.837×1.808+3.098×5.421+1.0 14×3.109)/13.907=3.752m;P sk=13.907kN≤E p=19.623kN满足要求!三、稳定性验算1、嵌固稳定性验算E pk a pl/(E ak a al)=19.623×3.677/(4.036×2.082)=8.587≥K e=1.2满足要求!2、整体滑动稳定性验算圆弧滑动条分法示意图K si=∑{c j l j+[(q j b j+ΔG j)cosθj-μj l j]tanυj}/∑(q j b j+ΔG j)sinθc j、υj──第j土条滑弧面处土的粘聚力(kPa)、内摩擦角(°);b j──第j土条的宽度(m);θj──第j土条滑弧面中点处的法线与垂直面的夹角(°);l j──第j土条的滑弧段长度(m),取l j=b j/cosθj;q j──作用在第j土条上的附加分布荷载标准值(kPa) ;ΔG j──第j土条的自重(kN),按天然重度计算;u j──第j土条在滑弧面上的孔隙水压力(kPa),采用落底式截水帷幕时,对地下水位以下的砂土、碎石土、粉土,在基坑外侧,可取u j=γw h waj,在基坑内侧,可取u j=γw h wpj;滑弧面在地下水位以上或对地下水位以下的粘性土,取u j=0;γw──地下水重度(kN/m3);h waj──基坑外侧第j土条滑弧面中点的压力水头(m);h wpj──基坑内侧第j土条滑弧面中点的压力水头(m);min{ K s1,K s2,……,K si,……}=4.105≥K s=1.3满足要求!3、渗透稳定性验算渗透稳定性简图承压水作用下的坑底突涌稳定性验算:D γ /(h wγw) =∑h iγi /(h wγw)=(1.9×19+1.3×18.7+1.1×18.6)/(6×10)=1.348D γ /(h wγw) =1.348≥K h=1.1满足要求!四、结构计算1、材料参数2、支护桩的受力简图计算简图弯矩图(kN·m) M k=44.14kN.m剪力图(kN)V k=11.69kN3、强度设计值确定M=γ0γF M k=1×1.25×44.14=55.175kN·mV=γ0γF V k=1×1.25×11.69=14.612kN4、材料的强度计算σmax=M/(γW)=55.175×106/(1.05×362×103)=145.159N/mm2≤[f]=205N/mm2满足要求!H`=(WH2-(H-t)2(W-2t))/(2(WH-(H-t)(W-2t))=(400×1702-(170-15.5)2(400-2×15.5))/(2 (400×170-(170-15.5)(400-2×15.5))=125mmS=t(H-H`)2=15.5×(170-125)2=31388mm3,τmax=VS/It=14.612×31388×103/(4670×104×15.5)=0.634N/mm2≤[f]=125N/mm2满足要求!。
钢板桩算量公式钢板桩是一种常用的基础施工材料,广泛应用于建筑工程、水利工程、交通工程等领域。
在设计和施工过程中,需要计算钢板桩的数量,以确保工程质量和效率。
本文将介绍钢板桩算量的公式和计算方法。
钢板桩的算量主要包括长度和数量两个方面。
在进行计算之前,首先需要确定钢板桩的规格和间距。
钢板桩的规格通常包括宽度、厚度和长度,而间距则是指钢板桩之间的距离。
钢板桩的长度计算比较简单,只需将所需钢板桩的总长度进行累加即可。
例如,如果需要使用10根长度为10米的钢板桩,则总长度为10米×10根=100米。
钢板桩的数量计算稍微复杂一些,需要考虑到钢板桩之间的间距。
一般来说,钢板桩之间的间距应根据工程要求和土壤条件进行合理确定。
在计算数量时,可以根据实际情况选择两种不同的计算方法:按长度计算和按面积计算。
按长度计算的方法适用于钢板桩间距相对较大的情况。
在这种情况下,可以将总长度除以钢板桩的间距,得到所需的钢板桩数量。
例如,如果总长度为100米,钢板桩的间距为1.5米,则所需的钢板桩数量为100米÷1.5米=66.67根。
由于钢板桩不能切割,因此需要向上取整,最终所需的钢板桩数量为67根。
按面积计算的方法适用于钢板桩间距相对较小的情况。
在这种情况下,可以将总面积除以钢板桩的面积,得到所需的钢板桩数量。
钢板桩的面积可以通过钢板的宽度和长度计算得到。
例如,如果总面积为100平方米,钢板的宽度为0.5米,长度为10米,则钢板桩的面积为0.5米×10米=5平方米。
将总面积100平方米除以钢板桩的面积5平方米,得到所需的钢板桩数量为100平方米÷5平方米=20根。
需要注意的是,在进行钢板桩的算量计算时,还需要考虑到一些特殊情况的因素。
例如,钢板桩的安装深度、施工方法和土壤条件等都会对计算结果产生影响。
因此,在实际工程中,应根据具体情况进行合理调整和修正。
钢板桩的算量是建筑工程设计和施工过程中的重要一环。
支护钢板桩的长度计算公式支护钢板桩是一种常用的地基支护工程材料,用于支撑和保护土体,防止其发生滑坡、坍塌等地质灾害。
在工程设计中,确定支护钢板桩的长度是非常重要的一步,它直接影响到工程的稳定性和安全性。
本文将介绍支护钢板桩的长度计算公式,并对其应用进行详细说明。
支护钢板桩的长度计算公式一般可以分为静力计算和动力计算两种方法。
静力计算方法主要是根据土体的力学性质和支护结构的要求来确定支护钢板桩的长度,而动力计算方法则是根据土体的振动特性和支护结构的动力响应来确定支护钢板桩的长度。
下面将分别介绍这两种方法的计算公式。
静力计算方法:在进行静力计算时,首先需要确定土体的力学参数,包括土的内摩擦角和土的内聚力等。
然后根据支护结构的要求,确定支护钢板桩的抗弯强度和抗剪强度。
最后根据土体的力学参数和支护结构的要求,可以得到支护钢板桩的长度计算公式如下:L = K H tan(φ)。
其中,L为支护钢板桩的长度,K为土的系数,H为土的高度,φ为土的内摩擦角。
这个公式是根据土的力学性质和支护结构的要求推导出来的,它可以很好地满足工程的需求。
动力计算方法:在进行动力计算时,首先需要确定土体的振动特性,包括土的动力参数和土的振动频率等。
然后根据支护结构的动力响应要求,确定支护钢板桩的长度。
最后根据土体的振动特性和支护结构的动力响应要求,可以得到支护钢板桩的长度计算公式如下:L = 2π H / λ。
其中,L为支护钢板桩的长度,H为土的高度,λ为土的振动波长。
这个公式是根据土的振动特性和支护结构的动力响应要求推导出来的,它可以很好地满足工程的需求。
在实际工程中,根据具体的情况可以选择使用静力计算方法或者动力计算方法来确定支护钢板桩的长度。
同时,还需要考虑到施工的可行性和经济性等因素,综合考虑后确定最终的支护钢板桩的长度。
总之,支护钢板桩的长度计算是一个复杂的工程问题,需要综合考虑土体的力学性质、振动特性和支护结构的要求等因素。
钢板桩设计计算范文钢板桩是一种用于土壤保持和基础支撑的结构元素,广泛应用于土木工程、建筑工程、桥梁工程等领域。
钢板桩由冷弯型钢板制成,具有高强度、耐腐蚀、安装方便等优点。
本文将介绍钢板桩的设计计算内容,包括截面性能计算、垂直承载力计算、水平承载力计算等。
1.截面性能计算钢板桩的截面性能直接关系到其承载能力和使用寿命。
截面性能计算包括对钢板桩的截面形状、面积、惯性矩、截面模量等参数进行计算,并进行验算。
首先需要根据实际情况确定钢板桩的截面形状,常见的有方形、圆形、矩形等。
然后根据截面形状计算出截面面积、惯性矩、截面模量等参数,最后对这些参数进行验算。
2.垂直承载力计算钢板桩主要用于土壤保持和基础支撑,因此其垂直承载力的计算是非常重要的。
垂直承载力计算包括对钢板桩的承载力进行分析,主要包括侧阻力、摩擦力、抗拔承载力等方面。
侧阻力是指土壤对钢板桩的侧向抵抗力,可以通过卡诺多解或添勒公式进行计算。
摩擦力是指钢板桩与土壤之间的摩擦力,可以通过钢板桩与土壤的接触面积以及摩擦系数进行计算。
抗拔承载力是指钢板桩顶部防止被抽出的承载能力,可以通过静力平衡方程进行计算。
3.水平承载力计算钢板桩在土壤保持和基础支撑中还承受水平荷载的作用,水平承载力计算是钢板桩设计的重要一部分。
水平承载力计算主要包括水平土压力、水侵击力等方面。
水平土压力是指土壤对钢板桩的水平压力,可以通过库尔斯顿公式、考虑摩擦角等进行计算。
水侵击力是指水对钢板桩的水平作用力,可以通过水压力和钢板桩的阻力进行计算。
综上所述,钢板桩的设计计算涵盖了截面性能计算、垂直承载力计算、水平承载力计算等多个方面。
这些计算包括了对钢板桩结构和土壤力学的综合考虑,是确保钢板桩在使用中具有足够承载能力和稳定性的基础。
在实际设计中,还需要根据具体工程要求和相关规范进行合理的参数选取和验算计算,以确保钢板桩的安全可靠性。
钢板桩支护设计计算1 主要计算内容钢板桩支护设计中主要进行以下计算:(l)钢板桩内力计算。
(2)支撑系统内力计算。
(3)稳定性验算。
(4)变形估算。
各项计算内容又包含多个子项,下面逐个阐述其计算方法及步骤。
2 计算方法及步骤2.1 钢板桩内力计算对钢板桩进行内力分析的方法很多,设计时应根据支护的构造形式选择合适的分析方法,本文仅对等值梁法进行介绍,计算步骤如下。
(l)计算反弯点位置。
假定钢板桩上土压力为零的点为反弯点,设其位于开挖面以下y 处,则有:整理得:(1)式中,,——坑内外土层的容重加权平均值;H——基坑开挖深度;K a——主动土压力系数;K pi——放大后的被动土压力系数。
(2)按简支梁计算等值梁的最大弯矩和支点反力。
等值梁法计算简图如图1所示。
(3)计算钢板桩的最小人土深度。
由等值梁BG求算板桩的人土深度,取,则由上式求得(2)桩的最小人土深度:t0=y+x (3)如桩端为一般的土质条件,应乘以系数1.1~1.2 ,即t= (1.1~1.2)t0对于多层支点的支护体系,常采用等弯矩布置的形式以充分利用钢板桩的抗弯强度,减少支护体系的投人量。
其计算步骤为:a.根据所选钢板桩型号由以下公式确定最大悬臂长度h 。
(4)式中,f——钢板桩抗弯强度设计值;W——截面抗弯模量;、K a——同前b.根据表1确定各支撑跨度。
2.2 支撑系统内力计算多层支撑点布置见图2支撑内计算主要是分析围檩和撑杆(或拉锚)的内力,围檩为受均布荷载作用的连续梁,均布荷载的大小可按下式计算:(5)式中,q k——第k层围凛承受的荷载;H—―围檩至墙顶的距离;——相临两跨度值。
撑杆按偏心受压构件计算其内力即可,作用力为:(6)式中,——相临两支撑间距。
2.3 稳定性验算支护体系的稳定性验算是基坑工程设计计算的重要环节,主要包括整体稳定性分析、抗倾覆或踢脚稳定性分析、基底抗隆起稳定分析和抗管涌验算等。
(1)整体稳定性分析。
钢板桩计算书计算美的一期排水沟槽钢板桩的设计书一、计算依据1.地质:现场砂性土的干溶重为1.5t/m3,饱和溶重为1.4t/m3.2.粘土的密度为2.74t/m,黏性角为3.63°。
3.钢板桩采用德国拉森Ⅳ型,截面模量为2037cm,弯曲允许应力为170MPa。
4.支撑材质为Q235钢,轴向允许应力为160MPa,弯曲允许应力为170MPa,允许剪应力为95MPa。
二、第一种支撑结构情况一在基坑开挖到沟槽设计标高约5.2米时,设一道水平支撑,支撑间距为4m。
1.钢板桩应力计算1) 支撑应力不计水平压力,作用于钢板桩的主动土压力为q主=1.4*9=12.6t/m2,被动土压力为q主=1.4*3.8=5.32t/m2.则E主=1/2*12.6*9=56.7t,E被=1/2*5.32*3.8=10.1t。
因此,E主=1/2*16.8*12.0=100.8t,E被=1/2*10.5*7.5=39.4t。
则ΣX=R-A=46.6t/m,ΣMc=R*A=15.6t。
2) 钢板桩应力假设钢板桩铰接于基坑底面以下3.0m处,L=6.0m,x=0.5774*6.0=3.46m。
则M=1/2*2.10*6.02+0.128*(10.30-2.10)*6.02-2/8*4.2*3.0*4.2*3.0*(3.0*3.46-(3.46-3.0)*23)/(6.03*3.0)=25.28t·m,σ=25.28*102/2037=1.24t/cm2.2.围檩应力计算1) 围檩应力2~3跨按简支梁计算,M2~3=1/2*61.4*3.02=69.08t·m,Q2~3=61.4*3.0*(1/2)=92.1t,N2~3=61.4*2.7*(1/2)=83.18t。
围檩断面为2Ⅰ56C,d=16.5mm,F=2*157.853=315.67cm2,I=1/12*2*15.7853*(2.56/10)^3=1.71*10^-3m4.The article is not XXX n of the article.1.524t/cm2 < [σ] = 1.6t/cm2XXX problematic paragraph。
钢板桩用量计算钢板桩是一种常用的基础施工材料,广泛应用于建筑工程中的地基处理、沉降控制、挡土墙、围护结构等方面。
在工程设计和施工过程中,准确计算钢板桩的用量是非常重要的,这不仅关系到工程的质量和安全,也直接影响到成本和进度的控制。
一、计算钢板桩用量的基本原理计算钢板桩用量的基本原理是通过确定桩身的长度和数量来计算。
具体计算方法如下:1. 确定桩身长度:根据工程的设计要求和地质条件,确定钢板桩的桩身长度。
通常情况下,桩身长度应超过地下水位和可变沉降层的深度,以确保桩身在地下水位以下或可变沉降层以下达到稳定的土层。
2. 确定桩身数量:根据工程的设计要求和所需的承载力,确定钢板桩的桩身数量。
通常情况下,桩身数量应根据工程的荷载计算和土壤力学分析来确定,以确保桩身能够承受所需的荷载。
二、计算钢板桩用量的步骤计算钢板桩用量的具体步骤如下:1. 确定设计要求:首先要明确工程的设计要求,包括桩身长度、桩身数量、承载力要求等。
2. 地质勘察:进行地质勘察,了解地下水位、土层情况、可变沉降层深度等地质信息,以便确定桩身长度。
3. 荷载计算:根据工程的荷载计算要求和土壤力学分析,确定桩身数量,以确保桩身能够承受所需的荷载。
4. 计算桩身长度:根据地下水位和可变沉降层的深度,确定钢板桩的桩身长度。
一般情况下,桩身长度应超过地下水位和可变沉降层的深度。
5. 计算桩身数量:根据工程的设计要求和所需的承载力,计算钢板桩的桩身数量。
桩身数量应根据工程的荷载计算和土壤力学分析来确定。
6. 总结和检查:对计算结果进行总结和检查,确保计算的准确性和合理性。
三、计算钢板桩用量的注意事项在进行钢板桩用量计算时,需要注意以下几个方面:1. 确保设计准确:在进行计算之前,要确保工程的设计要求和荷载计算准确无误,以避免计算结果的偏差。
2. 考虑安全系数:在计算桩身数量和长度时,要考虑到安全系数的影响,确保桩身能够承受所需的荷载和地下水位变化的影响。
深基坑支护钢板桩计算钢板桩支护的计算主要涉及以下几个方面:钢板桩的承载力计算、钢板桩垂直位移的计算、基坑变形的计算。
一、钢板桩的承载力计算钢板桩的承载力计算主要包括以下几个方面:钢板桩的水平抗拔承载力、钢板桩的滚压承载力、钢板桩的斜拉承载力。
下面以一个典型的直立式钢板桩为例进行说明。
1.钢板桩的水平抗拔承载力计算钢板桩的水平抗拔承载力计算可以通过查表或者进行有限元分析来进行。
常用的计算方法是利用桩的长细比进行计算。
根据经验公式,可以得到钢板桩的承载力与钢板桩的面积、宽度、桩长和土壤的黏聚力等参数有关。
2.钢板桩的滚压承载力计算钢板桩的滚压承载力计算是指钢板桩在地下水压作用下,产生的滚压力。
根据经验公式,可以得到钢板桩的承载力与土壤的内摩擦角、钢板桩的摩擦力等参数有关。
3.钢板桩的斜拉承载力计算钢板桩的斜拉承载力计算是指钢板桩在施工过程中产生的地下水压、土压力等作用下,钢板桩受力情况的计算。
根据结构力学的基本原理,可以得到钢板桩的受力情况,进而计算钢板桩的斜拉承载力。
二、钢板桩垂直位移的计算在钢板桩支护中,垂直位移是一个重要的考虑因素。
钢板桩的垂直位移计算主要涉及以下几个方面:钢板桩与土壤的相互作用、钢板桩的滚压位移、土壤的压缩变形等。
1.钢板桩与土壤的相互作用钢板桩与土壤之间存在着相互作用,钢板桩在施工过程中会对土壤产生挤压作用,从而引起土体的变形。
根据土力学的基本原理,可以计算出土壤的变形情况,进而得到钢板桩的垂直位移。
2.钢板桩的滚压位移钢板桩的滚压位移是指钢板桩在地下水作用下,由于土壤的变形而引起的钢板桩的位移。
根据基本原理,可以通过计算地下水的压力、土壤的变形等参数,得到钢板桩的滚压位移。
3.土壤的压缩变形土壤的压缩变形是指土壤在外力作用下产生的变形现象。
在深基坑支护中,土壤的压缩变形对钢板桩的垂直位移有一定影响。
通过考虑土壤的力学性质,可以计算土壤的压缩变形,进而得到钢板桩的垂直位移。
钢板桩设计方案一、引言钢板桩是一种常用于土木工程中的基础施工方法,特别适用于建筑物或结构物的基础开挖、地下室施工等场景。
本文将介绍钢板桩的设计方案,包括设计计算、施工工艺和质量控制等方面的内容。
二、设计计算1. 地质勘察在设计钢板桩方案之前,需要进行详细的地质勘察工作,包括地质岩土层分析、地下水位监测等。
这些数据将对后续的桩长、桩间距、桩截面和钢板尺寸的确定提供参考。
2. 桩长和桩间距计算根据地质勘察的数据,可以计算出钢板桩的合理长度和间距。
桩长主要考虑到地下水位、土壤的承载力和施工条件等因素,而桩间距则需满足结构稳定和经济合理的要求。
3. 钢板尺寸和桩截面设计钢板桩的截面形状和厚度是根据土壤条件和桩身承载力要求来确定的。
设计时需要考虑到桩身与土壤的相互作用,确保钢板能够承受土压力和水压力的作用。
4. 桩头设计钢板桩的桩头需要满足承载和连接要求,通常使用钢板连接器将桩身连接成桩墙。
桩头还需要考虑横向和纵向的稳定性问题,确保施工过程中不会发生桩头倾斜或变形的情况。
5. 荷载计算根据具体的工程需求,需要对钢板桩的承载能力进行计算。
这包括垂直荷载、水平荷载和地震荷载等不同情况下的设计要求。
三、施工工艺1. 土壤处理在钢板桩施工前,需要对场地土壤进行处理。
这包括清理现场、去除杂物和浅层土壤等工作,以确保桩身能够顺利进入到设计位置。
2. 钢板桩安装钢板桩安装主要分为两种方法:静压法和振动法。
静压法适用于比较坚硬的土层,振动法适用于松软的土层。
根据实际情况选择合适的安装方法,并通过测量和监测确保桩的垂直度和位置准确。
3. 桩头连接钢板桩的桩头连接通常使用钢板连接器进行连接。
在连接过程中,需要注意连接器的牢固性和正确性,确保连接的稳定性和承载力。
4. 桩身加固在一些特殊情况下,为了增加钢板桩的承载能力,需要进行桩身加固。
常见的加固方法包括使用钢筋混凝土柱或注浆等措施。
四、质量控制1. 施工监测钢板桩施工过程中需要进行实时的监测,主要包括桩的垂直度、位置准确性、桩身压力等参数的测量。
钢板桩计算方法范文钢板桩是常用的基坑支护工程中的一种支护形式,它的特点是施工简便、效率高、重复使用等。
在设计和计算钢板桩时,需要考虑桩体的稳定性、承载力、变形以及桩与土壤的相互作用等因素。
下面将按照设计与计算的步骤,详细介绍钢板桩的计算方法。
一、桩体稳定性的计算方法桩体稳定性主要考虑桩体侧面稳定和桩尖稳定两个方面。
1.桩体侧面稳定计算方法:根据桩体的几何尺寸以及土壤参数,计算桩体在侧面稳定时所需要的抗滑力。
主要计算公式如下:F = 0.5 * γ * H * Σs * As * Sin(α +φ)其中,F为抗滑力,γ为土壤的容重,H为桩的深度,Σs为土壤的表观修正系数,As为桩的侧面积,α为土壤内摩擦角,φ为土壤与桩体之间的摩擦角。
2.桩尖稳定计算方法:桩尖在承受侧向力时需要具备足够的抗推承载力。
桩尖稳定计算主要考虑桩尖的静力平衡,计算方法如下:Fa = q * Ap + 0.5 * γ * H' * Ap * Sinφ其中,Fa为桩尖的抗推力,q为土压力,Ap为桩尖的横截面积,H'为土体高度,φ为土壤与桩体之间的摩擦角。
二、桩体承载力的计算方法桩体承载力的计算是指桩体在承受竖向荷载时所能够抵抗下沉或沉降的能力。
1.挤土桩承载力计算方法:挤土桩的承载力计算主要考虑挤土桩与土壤的拟静力摩擦力和基质土的桩侧土承载力。
主要计算公式如下:Qs = Σ(Ks * Ls * As)+ 0.5 * γ * H' * Ap * cos(φ - α)其中,Qs为挤土桩的承载力,Ks为基质土的桩侧土承载力系数,Ls 为桩体在土中的长度,As为挤土桩的横截面积,γ为土壤的容重,H'为土体高度,Ap为桩尖的横截面积,φ为土壤与桩体之间的摩擦角,α为土壤内摩擦角。
2.挡土墙承载力计算方法:挡土墙的承载力计算主要考虑桩体的弯曲强度和承载力。
主要计算公式如下:Qb=M/Ec+N/Es其中,Qb为挡土墙的承载力,M为挡土墙产生的弯矩,Ec为混凝土弹性模量,N为挡土墙产生的正常力,Es为钢板桩的弹性模量。
地下工程支护(钢板桩)设计及计算书
项目概述
本项目是一块地下空间的支护设计,采用钢板桩支撑结构。
钢
板桩作为一种常用的工程支撑方式,经济实用,施工方便,适用范
围广泛,在地下工程中得到越来越广泛的应用。
本计算书将对支撑
设计进行详细说明。
设计计算
1. 钢板桩长度计算
根据地下结构深度及土壤性质等因素,确定钢板桩的长度。
2. 钢板桩截面尺寸计算
根据地下工程条件,选取合适的钢板桩型号,计算其截面尺寸。
3. 钢板桩嵌入深度计算
根据地下结构的要求和设计条件,确定钢板桩的嵌入深度。
4. 钢板桩桩身稳定性设计计算
根据钢板桩截面尺寸及其嵌入深度,计算钢板桩桩身稳定性设计。
5. 钢板桩锚杆设计计算
根据地下结构及土体条件,设计合适的锚固结构以保证钢板桩
稳定。
结论
本文对地下工程中采用钢板桩进行支撑的设计进行了详细说明,包括长度、截面尺寸、嵌入深度、桩身稳定性及锚杆等方面的计算。
希望对地下工程的相关设计及施工有所帮助。
钢板桩计算书一、钢板桩的定义和用途钢板桩是一种常用的施工材料,它由厚度适中的钢板制成,用于土方工程中的围护结构。
钢板桩具有轻便、易安装、高强度等特点,在建筑施工中有着广泛的应用。
它可以用于河堤、围护墙、挡土墙等工程的建设和加固。
二、钢板桩的计算原理钢板桩的计算主要依据力学原理和钢材的强度性能进行。
一般来说,钢板桩的计算包括以下几个方面:钢板的稳定性计算、截面尺寸计算、连接方式计算以及施工过程中的变形控制等。
1. 钢板的稳定性计算:钢板桩在承受水平力和竖向力的作用下,需要满足一定的稳定性要求。
通过计算钢板桩的所受力矩、剪力和轴力等,可以确定其稳定性是否满足设计要求。
2. 截面尺寸计算:钢板桩的截面形状和尺寸对其受力性能有着重要的影响。
通过计算钢板桩的抗弯强度和承载力等指标,可以确定其截面尺寸是否满足要求。
3. 连接方式计算:钢板桩之间需要通过连接件进行连接,连接方式的选择和计算对整体结构的稳定性和安全性有着重要的影响。
通过计算连接件的强度和刚度等指标,可以确定连接方式是否满足设计要求。
4. 变形控制计算:钢板桩在施工过程中会受到一定的变形影响,为了保证其稳定性和使用寿命,需要进行变形控制计算。
通过计算和分析钢板桩在施工过程中的变形情况,可以确定控制变形的措施和方法。
三、钢板桩的计算步骤钢板桩的计算一般遵循以下步骤:1. 确定设计要求和受力情况:根据工程要求和具体情况,确定钢板桩的设计要求和受力情况。
2. 选择钢板桩尺寸和型号:根据受力情况和设计要求,选择合适的钢板桩尺寸和型号。
3. 进行稳定性计算:对钢板桩的稳定性进行计算,确定是否满足设计要求。
4. 进行截面尺寸计算:根据受力情况和设计要求,计算钢板桩的截面尺寸,并进行校核。
5. 进行连接方式计算:根据设计要求和连接件的性能,进行连接方式的计算和选择。
6. 进行变形控制计算:对钢板桩在施工过程中的变形进行计算和分析,确定采取的变形控制措施。
钢板桩的计算是工程设计中的重要部分,合理准确的计算可以保证钢板桩的稳定性、安全性和使用寿命。
土木工程钢板桩设计计算书各工况钢板桩埋深及强度计算(根据《深基坑工程设计施工手册》计算) 各土层地质情况:天然容重31/1.17m KN =γ,粘聚力2.91=c ,内摩擦角016.2=ϕ,91.0)245(tan 121=-=ϕa K , 10.1)245(tan 121=+=ϕp K取1米宽钢板桩进行计算,所有设备均在预留平台施工,围堰顶部施工荷载忽略不计。
基坑开挖深度4m ,钢板桩外露1米。
拟选用16米长钢板桩,入土深度11米。
在+3m 位置设置第一道支撑。
围堰采用日本三菱钢板桩FSP-Ⅳ型钢板桩,其技术参数如下:截面尺寸400mm (宽度)×170mm (高度)×15.5mm (厚度),重量为76.1kg/m ,惯性矩为4670cm 4,截面模量362cm 3,板桩墙惯性矩为38600cm 4/m ,截面模量2270cm 3/m ,钢板桩平面布置、板桩类型选择,支撑布置形式,板桩入土深度、基底稳定性设计计算如下:(1)作用于板桩上的土压力强度及压力分布图 基坑底以上土压力强度Pa 1: Pa 1=r*4Ka=17.1×3.5×0.91 =54.5KN/m 2(2)确定内支撑层数及间距按等弯距布置确定各层支撑的间距,h=6[f]wrka3 = 391.0101.17102270350635⨯⨯⨯⨯⨯(简明施工计算手册公式3-28) =313cm=3.13mh :板桩顶部悬臂端的最大允许跨度 [f ]:板桩允许弯曲应力r :板桩墙后的土的重度 k a :主动土压力系数+4h 1=1.11h=1.11×3.13=3.47m (简明施工计算手册 图3-10支撑的等弯矩布置) h 2=0.88 h =0.88×3.13=2.75m (简明施工计算手册 图3-10支撑的等弯矩布置) A 、工况一第一道支撑已施工,开挖至+1m (开挖深度2m ),此时拉森钢板桩为单锚浅埋式钢板桩支护(第一道支撑设在+3.0位置)确定钢板桩埋深查深基坑工程设计施工手册表6.5-2,此时被动土压力放大系数为1.232.12.11==p p K Kt=(3E p -2E a )H/2(E a - E p ) 简明施工计算手册公式3-24 t=7.5m 实际埋深为12米, 计算支撑反力m KN h h h p E aD a /2.7025.95.978.7)(56.152121111=⨯⨯=⨯⨯=⨯=mKNhpEpDp/2.6352.15.75.741.921=⨯⨯⨯=⨯=根据水平力平衡,0=--REEpa得mKNR/67=即支撑反力为67KN/m 钢板桩弯矩113.3KM.m(B点位置)B、工况二第二道支撑已施工,开挖至-0.5m(开挖深度3.5m),此时拉森钢板桩此时拉森钢板桩为多锚式钢板桩支护(第二道支撑设在+1位置)根据盾恩法求桩的入土深度由公式γkaH(hi+t)=γ(Kp-Ka)t2整理得:(Kp-Ka)t2-Hkat-Hkahi=0代入相关数据得:(1.32-0.91)t2-3.5×0.91t-3.5×0.91×1.5=0解得:t=9.09m故要求钢板桩总长度:L=4.5+9.09=13.59m,取L=15m,入土深度10.5米,安全系数为1.17。
三型钢板桩重量计算公式钢板桩是一种用于土木工程中的地基处理材料,根据其形状和材料的不同,分为三种类型,即三型钢板桩。
在进行工程设计和施工时,需要对三型钢板桩的重量进行准确计算,以确保其在工程中的稳定性和可靠性。
下面将介绍三型钢板桩重量的计算公式。
1.IV型钢板桩的重量计算公式:IV型钢板桩的重量可以通过以下公式进行计算:W=S*L*G其中,W为IV型钢板桩的重量,单位为千克或吨;S为IV型钢板桩的截面积,单位为平方米;L为IV型钢板桩的长度,单位为米;G为IV型钢板桩的单位重量,单位为千克/立方米或吨/立方米;2.II型钢板桩的重量计算公式:II型钢板桩的重量可以通过以下公式进行计算:W=(D1+D2)*L*G其中,W为II型钢板桩的重量,单位为千克或吨;D1为II型钢板桩底部大端直径,单位为米;D2为II型钢板桩顶部小端直径,单位为米;L为II型钢板桩的长度,单位为米;G为II型钢板桩的单位重量,单位为千克/立方米或吨/立方米;3.III型钢板桩的重量计算公式:III型钢板桩的重量可以通过以下公式进行计算:W=(D1+D2)*L*G其中,W为III型钢板桩的重量,单位为千克或吨;D1为III型钢板桩的间隔直径,单位为米;D2为III型钢板桩的壁厚,单位为米;L为III型钢板桩的长度,单位为米;G为III型钢板桩的单位重量,单位为千克/立方米或吨/立方米;在实际工程中,可以根据具体的情况对以上公式进行灵活应用,如考虑到钢板桩与土壤之间的摩擦力或其他外部力的影响时,可以进行相应的修正。
另外,还需要注意在计算钢板桩重量时,需要考虑到钢板桩的密度、形状、尺寸等因素,以确保计算结果的准确性。
总之,三型钢板桩的重量计算公式是工程设计和施工中非常重要的一部分,需要根据具体情况采用适当的公式进行计算,以确保工程质量和安全。
希望以上内容能够对您有所帮助。
钢板桩支护计算书以桩号2c0+390处的开挖深度,4C0+001.5处的开挖宽度为准(本项目的最大开挖深度和宽度)一设计资料1桩顶高程H1:4。
100m施工水位H2:3.000m2 地面标高H0:4.350m开挖底面标高H3:—3.400m开挖深度H:7。
7500m3土的容重加全平均值γ1:18.3KN/m3土浮容重γ’: 10.0KN/m3内摩擦角加全平均值Ф:20。
10°4均布荷q:20。
0KN/m25基坑开挖长a=20。
0m 基坑开挖宽b=9。
0m二外力计算1作用于板桩上的土压力强度及压力分布图ka=tg2(45°—φ/2)=tg2(45-20。
10/2)=0。
49kp=tg2(45°+φ/2)=tg2(45+20.10/2)=2。
05板桩外侧均布荷载换算填土高度h,h=q/r=20。
0/18.3=1。
09m桩顶以上土压力强度Pa1Pa1=r×(h+0.25)Ka=18.3×(1。
09+0。
25)×0。
49=12.0KN/m2水位土压力强度Pa2Pa2=r×(h+4.35 -3.00 )Ka=18.3×(1.09+4。
35 —3。
00 )× 0。
49=21。
8KN/m2开挖面土压力强度Pa3Pa3=[r×(h+4.35 —3.00 )+(r—rw)(3。
00+3。
40)}Ka=[18.3×(1.09+4.35 -3。
00 )+(18。
3—10)×(3。
00+3。
40)]×0.49=47。
8KN/m2开挖面水压力(围堰抽水后)Pa4:Pa4=γ(3.00+3。
40)=10×(3.00+3.40)=64.0KN/m2三确定内支撑层数及间距按等弯距布置确定各层支撑的Ⅲ型钢板桩能承受的最大弯距确定板桩顶悬臂端的最大允许跨度h:弯曲截面系WZ0=0。
001350m3,折减系数β=0。
钢板桩支护计算书以桩号2c0+390处的开挖深度,4C0+001.5处的开挖宽度为准(本项目的最大开挖深度和宽度)一设计资料1桩顶高程H1:4.100m施工水位H2:3.000m2 地面标高H0:4.350m开挖底面标高H3:-3.400m开挖深度H:7.7500m3土的容重加全平均值γ1:18.3KN/m3土浮容重γ’: 10.0KN/m3内摩擦角加全平均值Ф:20.10°4均布荷q:20.0KN/m25基坑开挖长a=20.0m 基坑开挖宽b=9.0m二外力计算1作用于板桩上的土压力强度及压力分布图ka=tg2(45°-φ/2)=tg2(45-20.10/2)=0.49kp=tg2(45°+φ/2)=tg2(45+20.10/2)=2.05板桩外侧均布荷载换算填土高度h,h=q/r=20.0/18.3=1.09m桩顶以上土压力强度Pa1Pa1=r×(h+0.25)Ka=18.3×(1.09+0.25) ×0.49=12.0KN/m2水位土压力强度Pa2Pa2=r×(h+4.35 -3.00 )Ka=18.3×(1.09+4.35 -3.00 )× 0.49=21.8KN/m2开挖面土压力强度Pa3Pa3=[r×(h+4.35 -3.00 )+(r-rw)(3.00+3.40)}Ka=[18.3×(1.09+4.35 -3.00 )+(18.3-10) ×(3.00+3.40)]×0.49=47.8KN/m2开挖面水压力(围堰抽水后)Pa4:Pa4=γ(3.00+3.40)=10×(3.00+3.40)=64.0KN/m2三确定内支撑层数及间距按等弯距布置确定各层支撑的Ⅲ型钢板桩能承受的最大弯距确定板桩顶悬臂端的最大允许跨度h:弯曲截面系WZ0=0.001350m3,折减系数β=0.7采用值WZ=βWZ0=0.00135×0.7=0.000945m3容许抗拉强[σ]= 200000.0KPa由公式σ=M/Wz得:最大弯矩M0=Wz×[σ]=189.0KN*m1假定最上层支撑位置与水位同高,则支点处弯矩M'=Pa1*(H1-H2)2/2+(Pa2-Pa2)(H1-H2)2/6=9.2KN*m<M0=189.0KN*m 故,支撑点可设置在水位下。
三型钢板桩重量计算公式三型钢板桩重量计算公式是用来计算三型钢板桩的重量的公式。
三型钢板桩是一种常用的建筑材料,广泛应用于基础工程、土木工程等领域。
计算三型钢板桩的重量对于工程设计和施工非常重要,可以帮助工程师合理安排材料和预估工程成本。
三型钢板桩的重量计算公式如下:重量 = 长度× 厚度× 宽度× 密度其中,长度、厚度和宽度分别表示三型钢板桩的尺寸,密度表示三型钢板桩的密度。
三型钢板桩的长度通常是已知的,可以根据工程需要来确定。
厚度和宽度是根据工程设计要求来确定的,也可以根据实际情况进行调整。
密度是三型钢板桩的物理特性之一,不同材质的三型钢板桩密度会有所差异。
在实际计算中,需要根据具体的三型钢板桩尺寸和材质来确定相应的值。
例如,假设三型钢板桩的长度为10米,厚度为10毫米,宽度为300毫米,密度为7850千克/立方米,那么可以按照如下步骤进行计算:1. 将长度、厚度和宽度转换为米:10毫米= 0.01米,300毫米= 0.3米;2. 将长度、厚度和宽度代入公式中进行计算:重量 = 10米× 0.01米× 0.3米× 7850千克/立方米 = 2355千克。
根据上述计算,三型钢板桩的重量为2355千克。
需要注意的是,三型钢板桩的重量计算公式只是一个理论计算的结果,实际的重量可能会有所差异。
因为在实际施工中,可能会存在一些误差和测量不准确的情况。
此外,三型钢板桩的重量还受到其他因素的影响,比如表面的切割和焊接等加工工艺,以及钢板桩的磨损和腐蚀等因素。
三型钢板桩重量的计算公式是一个重要的工程计算工具,可以帮助工程师和施工人员准确预估钢板桩的重量,合理安排材料和控制工程成本。
在实际应用中,需要根据具体情况确定三型钢板桩的尺寸和材质,并进行准确的计算和评估。
同时,还需要考虑其他因素对钢板桩重量的影响,确保工程的安全和稳定。
I40钢板桩设计计算及施工方案本标段施工范围内共有75个承台,分8种类型:A类承台:下部采用8根φ1.0 m钻孔灌注桩,承台尺寸为8.4×7m(横×顺), 厚2m。
主要适用于32+32m跨径组合;B类承台: 下部采用10根φ1.25m 钻孔灌注桩,承台尺寸为8.4×8.2m(横×顺), 厚2.6m。
主要适用于24+32m跨径组合;C类承台: 下部采用15根φ1.5 m钻孔灌注桩,承台尺寸为8.4×7m(横×顺), 厚2.4m。
主要适用于80m跨径组合;D类承台: 下部采用8根φ1.2 m钻孔灌注桩,承台尺寸为8.4×8.2m(横×顺), 厚2.6m。
主要适用于30+40m跨径组合;E类承台: 下部采用6根φ1.2 m钻孔灌注桩,承台尺寸为8.4×5.34m(横×顺), 厚2.5m。
主要适用于25+30m跨径组合(斜交20°);F类承台: 下部采用9根φ1.2 m钻孔灌注桩,承台尺寸为8.4×8.34m(横×顺), 厚2.6m。
主要适用于33.5+33.5m跨径组合(斜交20°);G类承台: 下部采用9根φ1.2 m钻孔灌注桩,承台尺寸为8.4×8.872m(横×顺), 厚3.0m。
主要适用于40+40m跨径组合(斜交40°);H类承台: 下部采用10根φ1.0m钻孔灌注桩,承台尺寸为27.0×4.5m(横×顺), 厚1.5m。
主要适用于桥台基础;拟采用I型钢板桩实施围护,以确保基坑安全开挖、承台结构和墩身结构的顺利施工。
二、地质情况根据地质勘察报告显示:勘察深度范围内(河床底至钻孔桩底)可分为7个地质单元层,钢板桩深度主要在:⑴层为近代人工堆填土,⑵黄~灰黄色粘土和灰黄~灰色砂质粉土,(3)灰色粉质粘土三、钢板桩施工方案1、钢板桩的选用根据工程所在地场地特点,结合钢板桩的特性、施工方法等方面进行考虑,选用I型钢板桩。
I型WUR13型冷弯钢板桩桩宽度适中,抗弯性能好,依地质资料及作业条件决定选用钢板桩长度。
2、打桩设备拟采用Z550型液压振动沉桩机,作为沉设钢板桩的主要动力。
投入钢板桩打拔桩机1台用于施工。
打拔桩机为挖掘机加液压高频振动锤改装而成,激振力220kN。
四、钢板桩设计方案现对承台钢板桩围堰设计进行计算如下:1、上海A8三标桩基658根,承台75个。
承台宽8.4m,长5.34~8.872m(0#台除外,0# 台长×宽为4.5×27m。
根据地质勘察报告显示:勘察深度范围内(河床底至钻孔桩底)可分为7个地质单元层。
为保证设计安全,取土的重度选为:18.8KN/m3,内摩擦角选为Φ=20.1°。
2、现场实际情况施工现场已经打设12米长I型钢板桩,并提供以下数据:打设钢板桩尺寸为沿道路方向承台尺寸两侧各加0.5m;钢板桩露出地面高度为0.5米(现场实际情况可能要糟糕一些,非人为因素影响)。
3单支撑钢板桩计算支撑层数和间距的布置是钢板桩施工中的重要问题,根据现场的支撑材料和开挖深度,我们采取在钢板桩内侧加一层围囹并设置支撑,按单支撑进行钢板桩计算。
围堰采用I型钢板桩,W=1346cm3,[f]=350Mpa。
4、土的重度为:18.8KN/ m3,内摩擦角Ф=20.1°5、距板桩外1.5m均布荷载按20KN/ m2计。
基坑开挖深度不大于4m.钢板桩平面布置、板桩类型选择,支撑布置形式,板桩入土深度、基底稳定性设计计算如下:(1)作用于板桩上的土压力强度及压力分布图ka=tgа(45°-φ/2)= tgа(45°-20.1/2)=0.49Kp= tgа(45°+Ф/2)= tgа(45°+20.1/2)=2.05板桩外侧均布荷载换算填土高度h1,h1=q/r=20KN/ m2÷18.8KN/ m3=1.06m基坑底以上土压力强度Pa1:Pa1=r*(h1+4)Ka=18.8×(1.06+4) ×0.49=46.6KN/m2合力Ea距承台底的距离y为2.53m.(2)确定内支撑层数及间距按等弯距布置确定各层支撑的间距,根据I型钢板桩能承受的最大弯距确定板桩顶悬臂端的最大允许跨度h:h=6[f]wrka3=349.0108.18101346350635⨯⨯⨯⨯⨯=313cm=3.13mh1=1.11h=1.11×3.13=3.47mh2=0.88 h =0.88×3.13=2.75m根据具体情况,确定采用【桥涵(施工手册)】图5-44的形式布置。
支撑间距:S1=0.475×4+0.16×(0.34×4+0.12)=2.13mS2=0.525×4-0.16×(0.34×4+0.12)=1.87m(3)WUR13型冷弯钢板桩厚度以0.36m计,围囹以10m长计,围囹受力计算如下:围囹采用2 I40a工字钢,翼板间每隔1m采用钢板满焊连接,形成半封闭箱型结构。
钢材屈服强度值f y=235N/mm2,钢材抗压强度设计值f=215N/mm2。
2I40a工字钢惯性矩/静力矩(Ix /Sx)=68.2cm,截面模数=2180cm3。
a.支承力:18.8×0.49×2.13×(2.13+1.87)/2=78.49kN/mP2=78.49×10/7=112.13kNb.弯距M max=112.13×2.252/8=49.67kN·mσmax=49.67×106/(2180×103)=17.68N/mm2<f y=235N/mm2,满足要求。
c.剪力τ=RSx/(Ix×t)=R/( t×Ix/Sx)=94.18×103/(5×10-3×68.2×10-2)=32.88MPa<[τ]=120MPa,满足要求。
(4)横桥向支撑杆,采用φ300×10的钢管,支撑在顺桥向支撑上,型钢与钢管之间满焊连接。
钢管外径D=300mm,管壁厚度d=10.0mm,钢材屈服强度值f y=235N/mm2,钢材抗压强度设计值f=215N/mm2。
①钢管截面积A=1/4π(D2-d2)=π/4×(302-282)=91.06cm2②钢管的回转半径截面惯性矩I=π×(D4-d4)/64=π×( 304-284)/64=9584.1cm4截面回转半径i=(I/A)1/2=(9584.1/91.06)1/2=105.25cm③钢管的长细比λ=l/i=2150/105.25=20.4<[λ]=150,满足要求。
④钢管的稳定性σ=P/A=262600/9106=28.8N/mm2<fy=215N/mm2,满足要求。
(6)钢板桩入土深度X:采用盾恩近似法计算钢板桩入土深度。
如右图所示,Kn=r(Kp-Ka)=18.8×(2.05-0.49)=29.328 KN/m3e1=MQ=rKaH=18.8×0.49×5.06=46.613 KN/m2传至D点,另一半传至土压力MR'B',故有rKaH(L+x)/2=r(Kp-Ka)x2/2即r(Kp-Ka)x2- rKaHx- rKaHL=0由上面计算知,支撑距基坑底的 1.87m,R即L=1.87m,代入上式,得,x=2.69m钢板桩入土深度9-4.5m=4.4m>2.69m,满足要求。
(7) 基坑底部的隆起验算考虑地基土质均匀,依据地质勘察资料,其土体力学指标如下:r=18.8 KN/m3,c=21.1Kpa,q=20 KN/m2由抗隆起安全系数K=2πC/(q+rh)≥1.2则:h ≤(2πC -1.2q)/1.2r≤(2*3.14*21.1-1.2*20)/1.2*18.8≤ 4.8m即钢板桩周围土体不超过4.8m时,地基土稳定,不会发生隆起。
实际施工中,尽量减小坑沿活载,同时适当降低板桩侧土体高度(坑外堆土最大允许高度3m),以避免基坑底部的隆起。
(8)基坑底管涌验算(按水中墩验算)根据不发生管涌条件:K=(h'+2t)r'/ h'rw≥1.5r'=rs-rw=18.8-10.0=8.8 KN/m3, t=4.5m h'=4.0m rw=10.0 KN/m3则K=(4+2×4.5) ×8.8/4×10=2.86>1.5即当钢板桩入土深度4.5m时,满足条件,不会发生管涌。
(9)坑底渗水量计算:Q=K×A×ι= K×A× h'/( h'+2t)根据设计地质资料,土的综合渗透系数取0.08m/d则Q=(0.08×9.4×10×4)/(4+2×4.5)=2.31m3根据其渗水量的大小,为到达较好的降水效果利于承台施工,在承台外侧与钢板桩之间可设置2个降水井。
(10)围囹和支撑杆布置方式钢板桩打入土体后,进行围堰内基坑开挖。
当开挖至距钢板桩顶端2.63m处,进行围囹和支撑施工。
围囹采用2I40a工字钢,支撑杆采用三道等间距横桥向直撑,支撑杆采用φ300mm×10mm的钢管。
工字钢之间采用□500 mm×500mm×10mm钢板每隔1米进行两面满焊连接,工字钢间隙按照0.08米设置。
各道支撑与围囹之间进行满焊连接,并保证焊接质量。
若支撑杆未贴靠在与围囹上,需作加垫钢板处理,使围囹上的力传到支撑上,以起到支撑的作用。
支撑与围囹的材料、制作、焊接必须严格按要求施工。
立模板时需要将模板割开以便穿过支撑杆,随后将支撑杆一起浇筑在混凝土中。
五、钢板桩施工工艺1、钢板桩施工的一般要求⑴钢板桩的设置位置要符合设计要求,便于施工,即在基础最突出的边缘外留有支模、拆模的余地。
⑵基坑护壁钢板桩的平面布置形状应尽量平直整齐,避免不规则的转角,以便标准钢板桩的利用和支撑设置。
各周边尺寸尽量符合板桩模数。
⑶整个基础施工期间,在挖土、吊运、扎钢筋、浇筑混凝土等施工作业中,严禁碰撞支撑,禁止任意拆除支撑,禁止在支撑上任意切割、电焊,也不应在支撑上搁置重物。
2、钢板桩施工的顺序施工流程: 根据施工图及高程,放设沉桩定位线→实施表层回填矿渣土剥离→根据定位线控设沉桩导向槽→整修加固施工机械行走道路及施工平台→沉设钢板桩→将钢板桩送至指定标高→焊接围囹支撑→挖土→施工承台、墩身及顶帽→填土→拔除钢板桩。