(上海市新版)透水砖面层检验批质量验收记录
- 格式:xlsx
- 大小:11.34 KB
- 文档页数:1
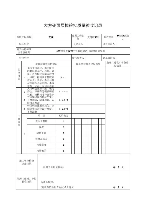
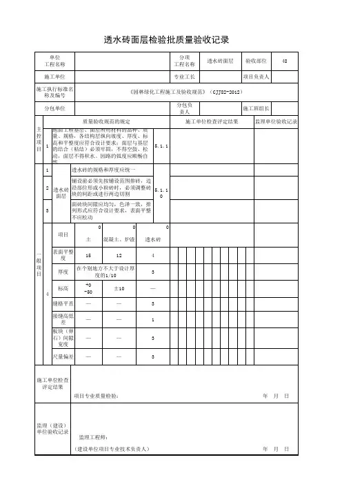
砖面层检验批质量验收记录(GB50209—2002)表6。
2主控项目6.2。
7 面层所用的板块的品种、质量必须符合设计要求。
检验方法:观察检查和检查材质合格证明文件及检测报告。
6。
2。
8 面层与下一层的结合(粘结)应牢固,无空鼓。
检验方法:用小锤轻击检查。
注:凡单块砖边角有局部空鼓,且每自然间(标准间)不超过总数的5%可不计。
一般项目6.2。
9 砖面层的表面应洁净、图案清晰,色泽一致,接缝平整,深浅一致,周边顺直.板块无裂纹、掉角和缺楞等缺陷。
检验方法:观察检查。
6.2.10 面层邻接处的镶边用料及尺寸应符合设计要求,边角整齐、光滑。
检验方法:观察和用钢尺检查。
6.2.11 踢脚线表面应洁净、高度一致、结合牢固、出墙厚度一致.检验方法:观察和用小锤轻击及钢尺检查。
6.2.12 楼梯踏步和台阶板块的缝隙宽度应一致、齿角整齐;楼层梯段相邻踏步高度差不应大于10mm;防滑条顺直。
检验方法:观察和用钢尺检查。
6。
2.13 面层表面的坡度应符合设计要求,不倒泛水、无积水;与地漏、管道结合处应严密牢固,无渗漏。
检验方法:观察、泼水或坡度尺及蓄水检查.6。
2.14 砖面层的允许偏差应符合本规范表6。
1。
8的规定.检验方法:应按本规范表6。
1.8中的检验方法检验.注:本表由施工项目专业质量检查员填写,专业监理工程师(建设单位项目专业技术负责人)组织项目专业质量(技术)负责人等进行验收。
砖面层工程检验批质量验收记录表
说明
主控项目
1、面层所用板块的品种、质量必须符合设计要求。
尚应符合第6.2.3条规定。
观察检查和检查产品材质证明文件及检测报告。
2、面层与下一层的结合(粘结)应牢固,无空鼓。
用小锤轻击检查。
注:凡单块砖边角有局部空鼓,且每自然间(标准间)不超过总数的5%可不计。
一般项目
1、砖面层的表面应洁净、图案清晰、色泽一致,接缝平整,深浅一致,周边顺直。
板块无裂纹、掉角和缺楞等缺陷。
观察检查。
2、面层邻接处的镶边用料及尺寸应符合设计要求,边角整齐、光滑。
尚应符合第6.2.4条有关规定。
观察和用尺量检查。
3、踢脚线表面应洁净、高度一致、结合牢固、出墙厚度一致。
观察和用小锤轻击及尺量检查。
4、楼梯踏步和台阶板块的缝隙宽度应一致、齿角整齐;楼层梯段相邻踏步高度差不应大于10mm;防滑条顺直。
观察和尺量检查。
5、面层表面的坡度应符合设计要求,不倒泛水、无积水;与地漏、管道结合处应严密牢固、无渗漏。
观察、泼水或坡度尺及蓄水检查。
6、用2m靠尺和楔形塞尺检查表面平整度的允许偏差,拉5m线和用钢尺检查平直度允许偏差;用钢尺和楔形塞尺检查高低差和间隙宽度允许偏差。
透水砖检验记录透水砖是一种采用特殊设计的建筑材料,具有优良的透水性能,可有效降低城市雨水的径流量,减轻洪涝灾害,改善城市生态环境。
为了确保透水砖的质量稳定和性能符合相关标准,对透水砖进行检验是非常重要的。
下面是对透水砖的检验记录。
一、透水砖的外观质量检验1.检验透水砖表面是否平整、无明显凹凸和破损情况。
2.检验透水砖的尺寸是否符合标准要求,包括长度、宽度和厚度等参数。
3.检验透水砖的颜色是否均匀,是否存在色差。
4.检验透水砖的边角是否完整,无明显磕碰或破损。
5.检验透水砖的表面光洁度,无明显的粗糙感或划痕。
二、透水性能检验1.透水砖饱和度测试:将透水砖浸泡在水中,记录下浸泡后的重量,并计算饱和度。
2.渗透系数测试:将透水砖放置在测试仪器中,施加一定水压,测量其透水性能,计算出渗透系数。
三、抗压强度检验1.采用万能试验机测试透水砖的抗压强度,通过施加压力并记录相应的变形情况,计算出抗压强度值。
2.检验透水砖的抗冻融性能,将透水砖分别经过冻结和解冻过程,并观察是否出现开裂或破损情况。
四、耐磨性能检验1.采用磨损试验机测试透水砖的耐磨性能,通过模拟摩擦过程,并计算损失的质量和长度。
2.检验透水砖的耐久性,使用透水砖进行长期使用试验,并观察是否出现明显的老化和破损情况。
五、化学性能检验1.检验透水砖的酸碱性,采用酸碱度试剂浸泡透水砖,观察是否有变色或明显的腐蚀情况。
2.检验透水砖的化学稳定性,将透水砖暴露在高温和高湿度环境中,观察是否出现明显的变化。
六、环境参数检验1.检验透水砖的放射性,采用放射性检测仪器对透水砖进行检测,并确保其放射性符合国家标准要求。
2.检验透水砖的噪声吸收性能,通过声学实验室测试透水砖对噪音的吸收效果,并计算吸音量。
以上是对透水砖进行检验的内容和要求。
通过对透水砖的全面检验,可以确保其质量稳定、性能优良,为城市建设和生态环境改善提供可靠的材料支持。