掘进工作面供电设计
- 格式:doc
- 大小:2.48 MB
- 文档页数:39
标准文档掘进工作面供电设计机电科目录一已知资料 (2)二设备选用 (2)1 掘进工作面设备选型 (2)2 移动变电站选择 (2)2.1 计算公式 (2)2.2 移动变电站的选择 (3)2.3 移动变电站高压配电的选择 (4)三高压电缆选择 (4)3.1 型号的确定 (4)3.1.1 按长时允许电流选电缆截面 (4)3.1.2 按经济电流密度初选主截面 (5)3.2 校验 (5)3.2.1 按长时最大允许负荷电流校验 (5)3.2.2 按热稳定条件校验电缆截面 (6)3.2.3 按允许电压损失校验电缆截面 (6)四低压电缆的选择 (7)4.1 确定型号 (7)4.2 选择并校验 (7)五供电系统短路电流计算(有名制法) (8)5.1 短路计算的原则 (8)5.2 短路计算的过程 (9)5.3 所有设备两相短路电流统计表 (12)六保护装置的整定 (13)6.1 变压器保护装置的整定 (13)6.2控制开关保护整定 (14)6.2.1 皮带电机控制开关保护整定(120开关) (14)6.2.2 绞车电机控制开关保护整定(80N开关) (15)6.2.3 张紧车电机控制开关保护整定(80N开关) (16)6.2.4 总开关保护整定(400馈电开关) (16)进工作面供电设计一已知资料掘进工作面所在煤层为Ⅲ煤,水平为一水平,采区为一采区。
工作面走向长度1600m左右,倾角3—9°,煤层平均厚度6.19m,容重1.4*103 kg/m3。
矿井井下高压采用10kV供电,由六联巷采区变电所负责向该掘进工作面供电。
根据用电设备的容量与布置,采用660V电压等级供电,照明及保护控制电压采用127V。
二设备选用1 掘进工作面设备选型(1)掘进机,佳木斯煤矿机械有限公司生产的EBZ 160型悬臂式掘进机。
总装机功率为246kW,其中1台截割电动机功率160kW,液压电机的功率为75kW,额定电压1140V。
综掘工作面供电设计一、综掘工作面供电设计说明书305掘进工作面位于北三采区4#煤层。
轨道巷长度936.8米,设计宽度4.2米,采用一台EPJ-120型掘进机掘进;胶带巷长度971米,设计宽度5.2米,采用一台EPJ-120型掘进机掘进;尾巷长度990.2米,设计宽度4.2米,采用一台EPJ-120型掘进机掘进。
横贯采用炮掘。
305掘进工作面所有机电设备由北三采区变9504#高压开关供电,轨道巷掘进工作面的所有机电设备由一台KBSGZY-630KVA型移变供电,胶带巷、尾巷所有机电设备由一台KBSGZY-1000KVA型移变供电。
轨道巷、胶带巷及尾巷设备型号及供电情况详见《305掘进工作面供电系统图》和《305掘进工作面设备布置图》。
二、掘进工作面设备选型根据我矿现场实际及使用经验设备选型如下:1、掘进机EBJ-120TP掘进机主要技术参数:机长:8.6米机宽:2.1米可掘巷道断面:9-18m2最大可掘高度:3.75m 最大可掘宽度:5m供电电压:660V 总功率:190KW2、可伸缩皮带机SSJ-800/2X55皮带运输机主要技术参数:运输能力:400T/H 电机功率:2*55KW带速:2m/S 带宽:800mm3、刮板运输机主要技术参数:输送能力:150T/H 电机功率:40KW三、掘进工作面供电设备选型1、变压器容量选择305轨道巷设备:EBJ-120TP 掘进机功率190KW ,SSJ-800/2X55皮带运输机功率110KW:S=∑P n *¢cos kr ∑P n =P 掘进机+P 运输机=190+110=300KW需用系数: Kr=0.5(掘进)平均功率因素:cos ¢=0.7(掘进)S=∑PN*¢ cos kr =300*7.05.0=214KVA 根据实际条件轨道巷选用一台KBSGZY-630/10/0.69KV 移动变电站供电。
305胶带巷、尾巷设备:EBJ-120TP 掘进机功率190KW 胶带巷、尾巷各一台,SSJ-800/2X55皮带运输机功率110KW 胶带巷、尾巷各一部:S=∑PN*¢cos kr∑P n =P 掘进机+P 运输机+P 刮板+P 650皮带=190*2+110*2+40*2+7.5*3=702.5KW需用系数:Kr=0.5(掘进)平均功率因素:cos ¢=0.7(掘进)S=∑PN*¢ cos kr =702.5*7.05.0=502KVA根据实际条件胶带巷选用一台KBSGZY-1000/10/0.69KV 移动变电站供电。
掘进工作面供电设计目录一、掘进工作面概述 (2)二、掘进工作面设备选型 (2)三、负荷记录及移动变电站选择 (2)四、高压电缆截面选择校验 (5)五、按长时负荷电流选择低压电缆截面 (6)六、短路电流计算 (6)七、高压开关的整定 (12)八、低压开关的整定及校验 (13)九、漏电保护装置和接地保护 (17)十、机电管理 (18)十一、供电系统图 (18)掘进工作面供电设计一、掘进工作面概述该工作面位于井田西部,掘进方位为320°40'13",巷道断面14㎡,煤岩层倾角0-3°巷道掘进总长度为1907米。
采用两台三一重工EBZ-160掘进机。
掘进工作面的机电设备的电源来自1-2煤临时变电所的2号高压开关PJG-400/10Y和低压9号馈电开关,1-2煤临时变电所距掘进工作面配电点240米。
二、掘进工作面设备选型根据我矿现场实际及使用经验设备选型如下:1、掘进机EBZ-160掘进机重要技术参数:机长:10.1米机宽:2.4米供电电压:1140V 总功率:246KW2、可伸缩皮带机SSJ-800/2X55皮带运送机重要技术参数:运送能力:400T/H 电机功率:2*55KW带速:2m/S 带宽:800mm三、负荷记录及移动变电站选择1、1#移动变电站的选用1号掘进机总功率246KW计算电力负荷总视在功率S=ΣP Nθos rC K KVA 式中 S —所计算的电力负荷总的视在功率 ,KVA ; ΣP N —参与计算的所有用电设备额定功率之和, KW ; Cos Φ—参与计算的电力负荷的平均功率因数;0.7 K r --需用系数。
K r 按下式进行选择K r =0.4+0.6NSP P ∑ 式中 P S —最大电机的功率数 ,KW ;ΣP N —其她参与计算的用电设备额定功率之和, KW ; 则 K r =0.4+0.6×246160=0.79 CosΦ取0.7 K r 取0.79 电力负荷总视在功率为 S=246×7.079.0=228KVA 根据计算负荷,选用KBSGZY-315/10矿用隔爆型移动变电站一台。
2206运输顺槽供电设计一、供电系统简述1、该掘进工作面的主、副局部通风机电源来自二采区3#变电所专用双回路6#、7#高压配电装置供给,变电所安设有专用KBSG-100/6/0.69型变压器2台、专用KBZ16-400/660总馈电开关2台及专用供电电缆线路;以上分别为该掘进工作面的主、副局部通风机供电,电压660V。
变电所内设总馈电开关,过载整定值为60A;工作面局部通风机处设有分馈电开关2台,过载整定值为36A。
2、2206运输顺槽的掘进机、胶带输送机、除尘风机、离心泵、潜水泵、探水钻机、调度绞车动力电源由二采区3#变电所提供。
由8#高压配电装置控制4#干式变压器KBSG-800/6/1.14,变压器低压侧供给1140v电源。
敷设一趟95mm2的矿用阻燃电缆,给工作面胶带输送机、皮带涨紧、调度绞车、离心泵、除尘风机、探水钻、潜水泵、掘进机提供动力电源。
二、供电设备的能力计算1、2206运输顺槽掘进工作面1140V供电系统变压器的选择根据公式:S=Kx×Σpe/COSΦpj COSΦpj取0.75总容量计算Σpe=560.5kW,其中最大负荷 Pmax=398kW需用系数:Kx =0.66S=0.66×398/0.75=350KVA根据以上计算,选编号4#KBSG-800/6干变一台。
由3#变电所供电,供给掘进工作面掘进机、胶带输送机、除尘风机、离心泵、潜水泵、探水钻机、调度绞车。
2、2206运输顺槽局部通风机主扇660V供电系统变压器的选择总负荷:Σpe=60kW,其中最大负荷 Pmax=30kW需用系数: Kx=0.85则:S= Kx×Σpe /COSΦpj COSΦpj取0.75=0.85×30/0.75=34KVA根据以上计算,选编号2#KBSG-100/6干式变变压器一台,由3#变电所供电,供给掘进工作面局部通风机主扇。
3、2206运输顺槽局部通风机备扇660V供电系统变压器的选择总负荷:Σpe=60kW,其中最大负荷 Pmax=30kW需用系数: Kx=0.85则:S= Kx×Σpe /COSΦpj COSΦpj取0.75=0.85×30/0.75=34KVA根据以上计算,选编号1#KBSG-100/6干式变变压器一台,由3#变电所供电,供给掘进工作面局部通风机备扇。
山西阳城山城煤业有限公司集中材料储备巷开拓工作面供电设计说明书编制:机电科长:审核:日期:目录一、掘进工作面概况 (3)二、设备选用 (3)三、工作面移动变电站及配电点位置的确定 (4)四、负荷统计及移动变电站选择 (4)五、电缆截面选择校验 (5)六、按机械强度要求校验电缆截面 (7)七、高压开关的整定 (8)八、低压开关的整定及校验 (9)九、电缆电压降验算 (14)十、漏电保护装置和接地保护 (15)十一、机电管理 (15)掘进工作面供电设计一、掘进工作面概况(一)工作面的选择位置及四邻情况山城煤业有限公司集中材料储备巷开拓工作面位于自行车巷南侧,西侧为南巷;东侧为总回风巷;南侧为采空区。
(二)工作面的参数巷道设计总长:集中材料储备巷482.8m,沿煤层底板掘进,工作面标高约为605m-615m。
二、设备选用(一)工作面设备掘进机选用佳木斯煤矿机械厂生产的EBZ100E型掘进机,其额定功率182.5KW,其中截割主电动机功率为100KW,额定电压为1140(660)V;油泵电机功率为75KW,额定电压为1140(660)V;二运输机功率为7.5KW,额定电压1140(660)V。
(二)顺槽设备1、前期1)煤溜:采用张家口煤矿机械制造公司制造的SGB-620/40T型刮板机两台,额定功率40KW,额定电压660V。
2)乳化液泵站:一泵一箱,乳化液泵采用无锡煤矿机械公司生产的XRB2B(A)80/20型乳化液泵,其额定功率37KW,额定电压660V。
3)调度绞车:采用山西煤矿机械制造公司制造的JD-1型调度绞车一台。
其额定功率11.4KW,额定电压660V。
2、后期1)煤溜:采用张家口煤矿机械制造公司制造的SGB-620/40T型刮板机三台,额定功率40KW,额定电压660V。
2)调度绞车:采用山西煤矿机械制造公司制造的JD-1型调度绞车四台。
其额定功率11.4KW,额定电压660V。
3)乳化液泵站:一泵一箱,乳化液泵采用无锡煤矿机械公司生产的XRB2B(A)80/20型乳化液泵,其额定功率37KW,额定电压660V。
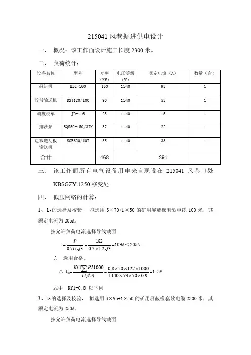
215041风巷掘进供电设计一、 概况:该工作面设计施工长度2300米。
二、 负荷统计:三、 该工作面所有电气设备用电来自现设在215041风巷口处KBSGZY-1250移变处。
四、 低压网络的计算:1、L 2的选择及校验, 拟选用3×70+1×50的矿用屏蔽橡套软电缆100米,其额定电流为205A,按允许负荷电流选择导线截面 I=30.7U P =31.20.7182⨯=109A <205A∴ 选用合格。
△ U 2=ηγA U PL Kf ∑10001=9.0705301141000127508.0⨯⨯⨯⨯⨯⨯=1.3V式中 Kf1=0.8 以下同3、L 3的选择及校验, 拟选用3×95+1×50的矿用屏蔽橡套软电缆2300米,其额定电流为250A,按允许负荷电流选择导线截面I=30.7U P ⨯=31.20.7261⨯=157A <250A ,∴ 选用合格。
△ U 8=ηγA U PL Kf ∑10001=9.095530114100026102308.0⨯⨯⨯⨯⨯⨯=92V 式中 Kf1=0.8 以下同4、L 4的选择及校验, 拟选用3×16+1×10的矿用屏蔽橡套软电缆50米,其额定电流为85A,按允许负荷电流选择导线截面 I=30.7U P =31.20.790⨯=54A <85A ,∴ 选用合格。
△ U 4=ηγA U PL Kf ∑10001=9.016530114100090508.0⨯⨯⨯⨯⨯⨯=2.5V式中 Kf1=0.8 以下同5、L 5的选择及校验, 拟选用3×4+1×2.5的矿用屏蔽橡套软电缆50米,其额定电流为37A,按允许负荷电流选择导线截面 I=30.7U P =31.20.737⨯=22A <37A ,∴ 选用合格。
△ U 5=ηγA U PL Kf ∑10001=9.0453********37508.0⨯⨯⨯⨯⨯⨯=1.6V 式中 Kf1=0.8 以下同6、L 1的选择及校验:△U=△Un-△U 2-△U 3-△U 4-△U 5=20VAUnU PL K ∆∑γ1000=2053114010004003888.0⨯⨯⨯⨯⨯=102 mm 2∴ 按最大电压损失允许时选取的最小截面为102mm 2,根据实际运行情况选用MYP-3×95+1×50的电缆(载流量为250A ),完全满足施工需要。
掘进工作面供电设计一、设计背景随着煤矿开采工作的不断推进,掘进工作面的供电设计显得尤为重要。
掘进工作面供电设计的主要目的是为了保障矿工们的生产安全,提高工作效率,并确保煤矿的正常生产运行。
二、掘进工作面供电设计的基本原则1.安全可靠性原则:供电系统的设计必须符合安全生产的要求,能够保证供电系统的可靠运行,避免因供电问题造成的事故。
2.经济合理性原则:供电系统的设计应依据矿井的实际情况,合理配置供电设备和线路,降低设备成本,提高供电效率。
3.灵活性原则:供电系统的设计应具有一定的灵活性,能够适应矿井开采工作的变化情况,满足不同工作面的供电需求。
4.可维护性原则:供电系统的设计应考虑到设备的维护和检修,确保供电设备的正常使用。
三、掘进工作面供电设计的内容1.地面供电系统设计:a.供电变电站设计:根据工作面的电力需求,设计供电变电站的容量和技术参数,并选取合适的变电设备。
b.供电线路设计:确定供电线路的走向和布置方式,考虑线路的安全可靠性和经济合理性。
2.井下供电系统设计:a.井下主供电系统设计:确定井下主变电站的容量和技术参数,设计主供电线路的走向和布置方式。
b.井下照明系统设计:设计井下照明系统的照明点位和照明设备,确保工作面的照明条件符合安全要求。
c.井下通信系统设计:设计井下通信系统的设备布置和线路走向,满足工作面的通信需求。
四、掘进工作面供电设计的具体步骤1.确定矿井的电力需求:通过调查工作面的设备使用情况和工作人员的人数,确定掘进工作面的电力需求。
2.设计供电变电站:根据矿井的总电力需求,计算供电变电站的容量和技术参数,选取合适的变电设备。
3.设计供电线路:根据工作面的布置和电力需求,确定供电线路的走向和布置方式,考虑线路的安全可靠性和经济合理性。
4.设计井下供电系统:根据工作面的布置和电力需求,设计主供电线路和照明系统,并确定井下通信系统的设备布置和线路走向。
5.制定施工方案:根据设计方案,制定供电系统的施工方案,并确定施工的具体步骤和时间安排。
150104掘进工作面供电设计首先,对于供电线路选择,需要根据掘进工作面的具体情况,考虑线路的长度、电压等级以及线路负载。
一般情况下,可以选择中低压供电,如10kV或6kV电压等级,以满足工作面需要的供电容量。
同时,还需要考虑线路的敷设方式,例如地下敷设还是架空敷设,以及线路的保护措施,如接地方式及雷电保护等。
其次,针对掘进工作面的变压器选型,需要根据工作面的负荷容量和电压等级来选择适当的变压器。
一般情况下,可以选择干式变压器,具有绝缘性能好、低噪音和低维护要求等特点。
同时,还需要根据供电线路的输电距离和变压器的容量来确定变电站的位置,以便保证供电线路的电压稳定。
第三,开关柜设计是供电系统中的一个重要环节,需要根据工作面的供电需求来选择合适的开关柜。
一般情况下,可以选择低压开关柜,如220V或380V电压等级,用于控制工作面的照明设备、通风设备和输送设备等。
同时,还需要考虑开关柜的参数,如额定电流和操作方式等,以及开关柜的布置和防护措施,如防水、防尘等。
接下来,对于照明设备选择,需要根据工作面的照明要求来选择合适的照明设备。
一般情况下,可以选择LED矿灯作为工作面的主要照明设备,具有高亮度、长寿命、低能耗和防爆等特点。
同时,还需要设计合理的照明布局,以满足工作面的照明要求,并考虑照明设备的防护要求,如防水、防尘和防爆等。
最后,针对自动化控制系统设计,可以考虑采用PLC控制、变频调速和远程监控等技术手段,实现对掘进工作面的自动化控制和监测。
通过PLC控制,可以实现对输送设备、照明设备和通风设备等的自动控制。
通过变频调速,可以根据工作面的实际需要,对输送设备和通风设备等的运行速度进行调节。
通过远程监控,可以及时获取掘进工作面的运行状态和故障信息,并进行远程诊断和处理。
供电设计说明书编制人员:审核人员:编制时间:目录工作面供电设计 (2)一、工作面概况 (2)二、供电概况 (2)三、变压器的选择 (3)四、电缆选择 (3)五、正常运行时回路电压损失校验 (6)六、整定计算 (8)七、接地系统选择 (14)工作面供电设计一、工作面概况1.巷道名称2.巷道位置:3.巷道用途4.巷道长度和服务年限设计工程量为3000m ,服务年限为30年以上。
二、供电概况该巷施工中,电源取自中央变电所,引至井底煤仓临时配电点。
工作面主要用电设备为一台综掘机、一部22KW 电滚筒皮带机,一部2×55KW 皮带机、两台2×30KW 局部通风机(一用一备)。
总负荷约为500.5KW 。
所选参数选择:cos φ=0.6~0.7;ex P PsK ∑+=6.04.0(用电设备按一定顺序起动时选用) 式中:∑pe ——负荷总功率,KWK X ——需用系数 cos φ——平均功率因数PS ——负荷最大电动机功率,KW附:掘进工作面负荷统计见表2-1表2-1 掘进工作面负荷统计表三、变压器的选择根据该掘进工作面负荷大小、布置情况选择变压器的容量:综掘机、两部皮带机、备用风机使用一台移动变压器,风机负荷使用一台专用移动变压器。
1.掘进工作面负荷移动变压器的选择。
总负荷∑Pe =246+22+110+5.5+90=473.5KW 。
最大负荷160KW 。
视在功率计算:S =φcos ∑⨯Kx Pe =8.06.05.473⨯=355.1KVA 式中:Kx=0.4+0.6∑Pe Ps =0.4+0.65.473160=0.6,取0.6 cos φ=0.8 ∑Pe =473.5KW P S =160KW选择变压器为:KBSGZY-800/10/1.2移动变压器,检验结果:合格。
2.风机专用变压器的选择。
风机负荷为电机2×45KW 。
视在功率计算:S =φcos ∑⨯Kx Pe =8.0190⨯=112.5KVA式中:e x P Ps K ∑+=6.04.090906.04.0+==1,取1Cos φ=0.8 =90KW P S =90KW选择变压器为:KBSGZY-315/10/0.69移动变压器。
永川区协合煤业有限公司21604运输巷掘进施工供电设计说明书GD2018-721604运输巷掘进工作面供电设计与整定说明书一、工作面概述21604运输巷掘进工作面半煤巷掘进,掘进施工长度为700m;掘进方式采用YT28型凿岩机打眼放炮。
掘进工作面电气配备局部通风机、耙砂机、锚喷机、电瓶机车等电气设备。
二、供电方案供电系统“三专两闭锁”及“三大保护”的设置:对局部通风机的供电采用专用线路、专用开关、专用变压器,并且实行双电源供电。
主、备扇由同一台QBZ-80SF型开关控制,通过内部联线实现主、备局扇的自动切换,以主局扇正常运行。
局部通风机供电线路中的过流保护由KBSG-100/6/0.69专用变压器供电的低压分控KBZ-200型馈电开关控制;漏电保护由低压分控KBZ-200型馈开关选漏装置对网路绝缘监控,当对地绝缘电阻下降到规定数值或一旦发生漏电该分控开关迅速切断电源来实现选择性漏电保护。
掘进动力供电线路中的过流保护由KBSG-400/6/0.69变压器供电的低压分控馈电开关控制;漏电保护由低压分控KBZ-400型馈电开关选漏装置对网路绝缘监控,当对地绝缘电阻下降到规定数值或一旦发生漏电该分控开关迅速切断电源来实现选择性漏电保护。
接地保护敷设局部接地极和辅助接点极及接地芯线来实现。
KBZ-400智能28-306KBZ-400智能28-308KBZ-400智能28-307KBSG-100/6/0.69KBSG-400/6/0.6930-930-7KBZ-200智能28-303KBZ-200智能28-302KBZ-200智能28-267Iz=80A Id=2IzIz=80AId=2IzIz=50A Id=3Iz M Y 3×50+1×16190mIz=100A Id=2IzIz=100A Id=2IzIz=80A Id=2Iz M Y 3×50+1×16190mKBZ9Ⅱ-40028-155KBZ9-40028-102QBZ-8028-23526AM Y 3×50+1×16170mIz=60A Id=2Iz21504车场配电点QBZ-8028-31232AKBZ1-20028-154QBZ-8028-5726A M Y 3×25+1×10170mQBZ-8028-3226A Iz=40A Id=2Iz21504车场配电点21601车场配电点QBZ-80SF28-17A MY3×25+1×1650m MY3×25+1×1650m备用风机2×7.5KW 工作风机2×7.5KW 21604运输巷掘进工作面21604运输巷掘进工作面供电系统图Id2=86026A20AId1=39821604耙砂机18.5KWIz=60A Id=120AMY3×25+1×16700mQBZ-8028-26A 03#KJ90-F16(B)8M8K QBZ-8028-QBZ-8028-QBZ-8028-21604运输巷断电范围21604运输巷掘进工作面甲烷断电控制说明一、甲烷传感器位置:1、T1-21604运输巷掘进工作面非风筒侧距碛头≤5m2、T2-21604运输巷工作面回风距回风口10-15m 二、断电范围:21604运输巷工作面及其回风巷道内全部非本质安全型电气设备三、被控开关名称:21604运输巷闭锁开关 编号:28-四、被控开关断电接点:常开闭锁;接点编号:2、地五、报警浓度:T 1≥1.0%;T 2≥1.0%六、断电浓度:T 1≥1.5%;T 2≥1.0%七、复电浓度:T 1<1.0%;T 2<1.0%八、馈电传感器及分站位置:21504车场配电点KDG3KS CH 4S CH 4T 2T 121504车场配电点S pKG9701AQBZ-8028-QBZ-80SF 28-备用风机2×7.5KW工作风机2×7.5KW 20A 26AM Y 3×25+1×10700m26A耙砂机18.5KWId1=398QBZ-80KBZ9-40028-102QBZ-8028-236Iz=40AId=200A 03#KJ90-F16(B)8M8K 26A26AKBZ9-40028-155Iz=40A Id=200A三、负荷统计设备名称 规格型号 额定功率 (KW ) 数量 (台) 电压等级 (V ) 总负荷(KW )局部通风机 FBDY №5.0/2×7.515 2 660 30 耙砂机P30B18.5 1 660 18.5 总计四、变压器的选择:根据列出的21604运输巷掘进工作面用电负荷统计表,计算出变压器二次侧总额定功率e P ∑和总视在功率S ,来选择变压器。
某没有公司2#层301盘区5103掘进供电设计一、供电概述1、本掘进工作面施工所用胶带输送机、调度绞车、水泵等电源全部采用660V 供电,在2#层301盘区轨回联巷配电点稳装KBSGZY—500和KBSGZY—315移动变电站各一台,电源取自5#层中央变电所1008#高开;选用截面70mm2的电缆做为660V供电电缆为5103-1巷动力设备供电;截面70mm2的电缆做为1140V供电电缆为5103-1巷掘进机供电。
2、局部通风机双电电源一路来自工作面动力电源,一路来自2#层采区变电所局扇专用变压器、1020#专用高压开关,选用截面35mm2的电缆做为供电电缆。
上述两路电源分别来自变电所不同母线段。
3、三专(专用线路、专用变压器及专用开关)的风机为主风机,主风机每天必须保证完好状态并与工作面总负荷开关进行闭锁,在主风机发生故障时自动切换副风机同时工作面总负荷开关处在停止送电状态。
4、局扇每天必须进行一次风机自动切换试验,时间为8:00—16:00之间。
切换试验由电工、瓦检员同时进行,切换前由电工通知瓦检员,瓦检员负责撤出工作面作业人员,电工负责停用工作面一切用电设备之后汇报调度方可进行切换试验。
切换时由电工停止主供风机运转,观察是否自动切换,每次切换运行时间不得少于5分钟,一切正常后,再恢复主供风机。
如果没有自动切换,电工要负责查明原因,及时维修,恢复后重新做切换试验,确认正常后由瓦检员检查工作面瓦斯情况,一切正常,方可结束。
切换试验完成后,由瓦检员负责填写试验井下记录,并且汇报调度,恢复工作面正常作业。
5、工作面必须安装瓦斯电闭锁装置,当工作面瓦斯浓度超过0.5%时,必须能切断工作面总负荷开关电源。
二、工作面电力负荷统计及计算1、负荷统计1该工作面660V 生产用电总负荷为438.3KW 。
∑2P 该工作面660V 生产用电同时工作设备的功率330KW 。
∑3P 风机总负荷60KW 。
∑4P 该工作面1140V 生产用电总负荷为265KW 。
淮北矿业(公司)许疃煤矿7122机巷掘进工作面供电设计编制单位:保运区编制时间:2009年7月9日7122机巷掘进工作面供电设计一、供电概述:7122机巷掘进工作面施工长度880M,切眼长度150M,采用EBZ-220综掘机进行掘进,55T刮板机配合80皮带进行出货。
由于掘进工作面较长,所带负荷容量较大,因此采用前期(附图)和后期(附图)两个阶段供电,前期动力电源采用控制由82上部变电所馈电BKDZ-400(编号Ⅱ-11)和高爆PBG-6(编号Ⅱ-5)控制,采用高爆PBG-6(编号Ⅱ-5)控制移变综掘机,当机巷掘进工作面掘进到500米时,采用后期供电。
PBG-6高爆(编号Ⅱ-5)同时控制两台移变,1140V 移变向综掘机供电,660V移变向二部皮带机、切眼链板机、水泵和绞车供电。
采用MYPTJ3*50平方电缆做为动力电源供给KBSGZY-500/6移动变电站,主备局电源取自82中部变电所BKD1-400馈电编号分别为II-39和I-37。
局扇风电瓦斯电同时闭锁于82上部变电所PBG-6高爆(编号Ⅱ-5)和馈电BKDZ-400(编号Ⅱ-5),预计1#移动变电站所带负荷为321KW;2#移动变电站所带负荷约为200KW.祥细情况请参阅供电系统图(附后)。
二、设备选型与负荷统计(前期):三、移动变电站干式变压器的选择:根据供电系统拟定原则,选择2台变压器,其容量分别决定如下:1、1#移动变电站向综掘机组供电K1x=0.4+0.6(P1max/ΣP1e)=0.4+0.6(220/321)=0.81取cosφ=0.7S1b=ΣP1e K1x/cosφ=321×0.81/0.7=371KVA故移动变电站选用KBSGZY-500/6/1.2干式变压器S1e=500KVA>S1b=371KVA 满足工作需要2、82上部变电所干式变压器向82一台110KW瓦斯泵、82一台110KW运输皮带和7122机巷皮带机、刮板机、绞车和水泵供电K2x=0.4+0.6(P2max/ΣP2e)=0.286+0.712(110/510)=0.44取cosφ=0.7S2b=ΣP2e K2x/cosφ=510×0.44/0.7=320KVA故2#移动变电站选用KBSGZY-500/6/0.69干式变压器S2e=500KVA>S2b=320KVA 满足工作需要四、高压电缆的选择:⑴、按设计规定初选1#移变干线电缆为MYPTJ-3.6/6KV3×50+3×25/3+3×2.5⑵、按长时允许负荷电流校验电缆截面:I g=ΣP e K x/( U e cosφwm)I g=321×103×0.81/( ×6000×0.7)=27A故选择MYPTJ 3×50+3×25/3+3×2.5型高压矿用铜芯橡套屏蔽电缆。
永川区协合煤业有限公司21508开切眼掘进供电设计说明书GD2019-421508开切眼掘进供电设计与整定说明书一、工作面概述:21508开切眼施工延煤层倾斜掘进工作面。
工作面采用打眼放炮掘进,故采用G7气动风镐掏槽、ZQS-50/1.8强力风煤钻打眼放炮。
因此采煤工作面设备配备隔爆型对旋轴流式局部通风机、气动风镐、风煤钻、隔爆型蓄电池电机车等。
二、供电方案供电系统“三专两闭锁”及“三大保护”的设置:对局部通风机的供电采用专用线路、专用开关、专用变压器,并且实行双电源供电。
主、备扇由同一台QBZ-80SF型开关控制,通过内部联线实现主、备局扇的自动切换,以主局扇正常运行。
局部通风机供电线路中的过流保护由KBSG-100/6/0.69专用变压器供电的低压分控KBZ-200型馈电开关控制;漏电保护由低压分控KBZ-200型馈开关选漏装置对网路绝缘监控,当对地绝缘电阻下降到规定数值或一旦发生漏电该分控开关迅速切断电源来实现选择性漏电保护。
掘进动力供电线路中的过流保护由KBSG-400/6/0.69变压器供电的低压分控馈电开关控制;漏电保护由低压分控KBZ-400型馈电开关选漏装置对网路绝缘监控,当对地绝缘电阻下降到规定数值或一旦发生漏电该分控开关迅速切断电源来实现选择性漏电保护。
接地保护敷设局部接地极和辅助接点极及接地芯线来实现。
因掘进工作面未使用电气设备,故无断电闭锁装置。
附21506开切眼掘进工作面供电系统图。
三、负荷统计:变压器的选择:根据列出的21508开切眼掘进工作面用电负荷统计表,计算出变压器二次侧总额定功率e P ∑和总视在功率S ,来选择变压器。
1、动力变压器选择KW P e 15=∑21508开切眼掘进工作面的总视在功率为KVA P K S pj e x 256.0151cos =⨯=∑=ϕ 其中:Kx 为需用系数,对于井下设备在不同情况下的需用系数取值查表得11515714.0286.0=+=x k ; pjϕcos 为用电设备的加权平均功率因数,具体取值查表得pjϕcos =0.6S=25KVA <400KVA根据计算,利用现有的一台KBSG-400/6型矿用隔爆型干式变压器作为动力用电,满足要求。
宝雨山煤业公司宝雨山煤矿12105下顺槽掘进工作面供电设计设计:审核:签批:时间:掘进工作面供电系统负荷验算一、设计方案:12105掘进位于12大巷变电所上方,下顺槽设计长度560米,距12大巷变电所430米,工作面动力供电由12大巷所KBSG-315/6变压器供电,经400A馈电开关控制该工作面的所有负荷。
局部通风机采用双“三专”供电,一回路由12大巷变电所KBSG-200/6变压器供电,经200A馈电开关控制局部通风机,一回路由12大巷变电所KBSG-315/6变压器供电,经200A馈电开关控制局部通风机负荷分配情况:根据工作面设计需安装:胶带输送机1部(一部650型皮带40KW, JD11.4型绞车2部22.8KW、SGB—420/30溜子3部90KW.局部通风机2台60KW(一备一用)。
二、负荷统计:1、变压器选型:初选KBSG-3150/6S T=Kd∑P N/cosφ=0.65×331.4/0.8=269.3KVA所选变压器额定容量315KVA,故满足要求。
2、动力电缆根据安全规程规定,均选橡套四芯铜芯阻燃电缆。
(1)长度确定:路径长度Lca=210+110+120+400+80+80+80=1080m(3) 选择干线电缆:初选70mm2矿用橡套电缆:2、效验:A:按长时间工作电流效验I Ca=Kde∑P N/3U N cosφwn=0.65×206.4×103/3×660×0.8=146.7AKde取0.65:cosφwn取0.850mm2矿用橡套电缆长时间允许工作电流为146.7A<215A.故所选电缆满足长时间允许工作电流要求。
B:动稳定性效验按正常工作时电压允许损失效验导线截面:干线段集运巷皮带机头处电缆的电压损失为:△Ums=Kde∑P N Lms×103/UΥscAms=0.65×206.4×210×103/690×42.5×70=13.7VKde取0.65:Υsc取42.5; Ams=70mm2支线段下顺槽皮带电机处电缆的电压损失为△Ums=Kde∑P N Lms×103/UΥscAms=0.65×141.4×230×103/690×42.5×70=10.3VKde取0.65:Υsc取42.5; Ams=70mm2支线段下顺槽一部溜子处电缆的电压损失为△Ums=Kde∑P N Lms×103/UΥscAms=0.65×101.4×400×103/690×42.5×70=12.8VKde取0.65:Υsc取42.5; Ams=70mm2△Ums=Kde∑P N Lms×103/UΥscAms=0.65×101.4×80×103/690×42.5×50=3.6VKde取0.65:Υsc取42.5; Ams=50mm2支线段切巷一部溜子处电缆的电压损失为::△Ums=Kde∑P N Lms×103/UΥscAms=0.65×71.4×80×103/690×42.5×35=3.6VKde取0.65:Υsc取42.5; Ams=35mm2支线段切巷二部溜子处电缆的电压损失为:△Ums=Kde∑P N Lms×103/UΥscAms=0.65×30×80×103/690×42.5×25=2.2V△Ums=Kde∑P N Lms×103/UΥscAms=0.65×30×10×103/690×42.5×16=0.45VKde取0.65:Υsc取42.5; Ams=16mm213.7+10.3+12.8+3.6+3.6+2.2+0.45=44.15V故所选电缆满足电压允许的要求热稳定性效验按长时工作电流效验:I Ca=Kde∑P N/3U N cosφwn=0.65×206.4×103/3×660×0.8=146.7AKde取0.65:cosφwn取0.850mm2电缆的长时工作电流为215A>146.7A,满足要求。
目录一、3802掘进工作面设备配置............................ 错误!未定义书签。
3802工作面基本情况 .............................. 错误!未定义书签。
3802掘进工作面供配电情况 ........................ 错误!未定义书签。
3802掘进工作面主要设备配置 ...................... 错误!未定义书签。
二、供电设备选型 ...................................... 错误!未定义书签。
高压开关与干式变压器现有负荷计算.................. 错误!未定义书签。
高压真空配电装置计算.............................. 错误!未定义书签。
馈电开关的选择.................................... 错误!未定义书签。
磁力起动器的选择.................................. 错误!未定义书签。
三、供电电缆的选择 .................................... 错误!未定义书签。
高压电缆的校验计算................................ 错误!未定义书签。
EBZ-135掘进机组电缆的选择及校验 .................. 错误!未定义书签。
3802皮带掘进巷电缆的选择及校验 ................... 错误!未定义书签。
3802材料掘进巷电缆的选择及校验 ................... 错误!未定义书签。
3802两掘进巷风机电缆的选择及校验 ................. 错误!未定义书签。
照明电缆的选择及校验.............................. 错误!未定义书签。
四、短路电流计算 ...................................... 错误!未定义书签。
10207切眼掘进工作面供电一、工作面简介掘三队10207工作面位于02#层-西翼盘区,该工作面掘进长度为838米, 切巷长度为125米。
二、供电方案该工作面生产、风机供电电源均取自西翼变电所,为了确保该掘进工作面供电系统的独立、稳定和供电末端电压质量,10207皮带巷口设计1台KBSG-500KVA/6KV/1140V 干变,作为该工作面机组低压动力线专用电源变压器。
西翼变电所至10207皮带巷口干变的供电距离为635米。
三、负荷统计 2、660V 负荷统计∑PN Z =208KW ∑PN 2=230KW ∑PN 3=60KW ∑PN 1、 、 ∑PN 2 —该工作面用电设备的总额定容量 ∑PN 2—工作面局扇的额定功率 三、变压器的选择根据变压器二次侧负荷总容量来选择Sb=WMN COS P K ϕ∑,可知其中,K —需用系数 取0.9,COS φwm —加权平均功率因数,0.95 1、负荷变压器的选择S b21=95.02089.0⨯=197KVA 可选1台KBSGZY-315KVA/6KV/660V 移变.S b22=95.02309.0⨯=217KVA 可选1台KBSG-500KVA/6KV/660V 干变. 四、电缆的选择及校验根据电缆长时允许通过的电流来选择I=WMN COS Ue P K ϕ⋅⋅⋅⋅∑31031、高压电缆的选择根据高压电缆长时允许通过的电流来计算I G1=95.0106732.11043897.033⨯⨯⨯⨯⨯=43A 可选1根型号为UGSP-6KV-3×35+3×16/3+JS 型矿用移动双屏蔽绝缘监视电缆,长度为580×1.1=638米.I G12=95.0106732.11023097.033⨯⨯⨯⨯⨯=23A 可选1根型号为UGSP-6KV-3×35+3×16/3+JS 型矿用移动双屏蔽绝缘监视电缆,长度为500米.2、低压电缆的选择及校验干线电缆的选择 I D1=223WM COS Ue P K ϕ⋅⋅=95.066.0732.12089.0⨯⨯⨯=172A可选1根MYP-660V-3×50+1×16型低压橡套软电缆,长度为15米. 掘进机电缆的校验△U=△U T +△Ums+△U N 其中, △U=690-660×95%=63V △U T =TS S T U N TN ⋅⋅⋅⋅1002(Ur%.cos Φwn+Ux%.sinT)经查表计算可得,Ur%=0.7 Ux%=3.95ΔU T =500100438660⨯⨯×(0.7×0.95+3.95×0.22)=3. 8VΔU=690-660×95%=63VI 段干线电缆的校验由于支线电缆较短,电压损失几乎为零,可忽略不计, ΔU ms =0ΔU N =63-3.8=59.2V满足该段掘进机电缆电压损失最小截面为A ms.min =2.5953660105981909.03⨯⨯⨯⨯⨯=49mm 2<50mm 2 校验合格皮带、溜子干线电缆的校验 干线电缆电压损失ΔU 1=505366.01801259.0⨯⨯⨯⨯=11.6VII 段干线电缆电压损失 ΔU N =63-3.9-11.6=47.5V满足II 段干线电缆电压损失的最小截面A ms.min =5.475366.09105.3887.0⨯⨯⨯⨯=18.3mm 2<35mm 2 校验合格4、风机专用干线电缆的选择I DF =95.0660732.110283⨯⨯⨯=26A同理, 可选1根型号为U-1000V-3×25+1×10型低压橡套软电缆,长度为483×1.1=530米. 考虑到风机负荷较小,电压降损失几乎为零,故变压器和干线电缆电压降忽略不计. ΔU=ΔU N =63V满足该段干线电缆电压损失最小截面为A ms.min =635366010530283⨯⨯⨯⨯=6.7mm 2<25mm 2 校验合格五、开关的选择1、变电所高压开关的选择根据I G =34.4A,可选1台BGP 6-6-50A 高压开关. 2、千伏级磁力起动器的选择根据I Q =122A,可选1台QJZ-300A/1140V 磁力起动器作为机组的控制开关 3、低压馈电开关的选择根据I D1=103A,可选1台BKD 20-400A 开关作为5803巷低压总开关,另外可选1台QBZ-225开关主要用于风瓦电闭锁用.根据I D2=30.8A,可选1台BKD 20-400A 开关作为5803巷低压分路开关, 根据I DF =26A,可选1台KBZ-400A 开关作为5803巷风机低压开关. 4、低压磁力起动器的选择根据I D =wmUe PN K ϕcos 3103⋅⋅⋅⋅∑(1)正、斜巷皮带开关Ip=95.0660732.110803⨯⨯⨯=74A,可选2台QBZ-120真空磁力起动器(2)切巷皮带开关It=95.0660732.110153⨯⨯⨯=14A,可选1台QBZ-80真空磁力起动器(3)皮带拉紧车,水泵开关I L ,Is=95.0660732.11043⨯⨯⨯=3.7A,皮带拉紧车可选1台QBZ-80开关,水泵可选3台KDSK-30A 开关.(4) 除尘风机It=95.0660732.1105.73⨯⨯⨯=7A,可选1台KSDK-30A 真空磁力起动器(5)风机开关If=26A,可选2台QBZ-80开关,其中1台作为生产备用开关,另1台作为风机开关. 六、保护整定校验1、变电所高压开关BGP 6-6-50A 整定过载整定 Iop.O ≥I 1N .T=34.4A 整定倍数:0.8倍(40A) 短路整定 Iop.S ≥95.06732.116097.0⨯⨯⨯×6+(34.4-95.06732.116097.0⨯⨯⨯)=112.9A整定倍数:3.0倍(150A) 2、移变二次侧馈电开关整定,校验过载整定 Iop.P=I 2N .T=122A 整定倍数:0.3倍(150A) 短路整定 Iop.S ≥95.014.1732.116097.0⨯⨯⨯×6+(122-95.014.1732.116097.0⨯⨯⨯)=535.5A整定倍数:1.2倍(600A)当d1点发生短路时,L1=1093m,经查表可得, Id(2)=991AK1= 991/600=1.65>1.5 校验合格3、低压总开关BKD20-400A整定过载:Ig=103A 整定:110A 短路:Idzj=37×6+(103-37)=288A 整定:330A当d2点发生短路时,L2=180m,经查表可得, Id(2)=1958AK2= 1958/300=6.5>1.5 校验合格4低压分路开关BKD20-400A整定过载:Ig=30.8A 整定:35A短路:Idzj=14×6+(30.8-14)=100.8A 整定:105A、当d3点发生短路时,L3=910×1.417+180=1470m,经查表可得, Id(2)=504AK3=504/105=4.8>1.5 校验合格5、风机低压开关KBZ-200A整定过载:Ig=26A 整定:35A短路:Idzj=26×6=156A 整定:210A当d4点发生短路时,L4=530×1.977=1048m,经查表可得, Id(2)=686AK3=686/210=3.3>1.5 校验合格七、该工作面所需电气设备见下表八、真空起动器整定八、后附供电系统图(附图24、25)。
采掘供电设计规范一、设计依据1、煤矿安全规程2、煤矿供电设计手册3、煤矿井下低压电网短路保护装置的整定细则4、煤矿井下低压检漏保护装置的安装、运营、维护与检修细则5、煤矿井下保护接地装置的安装、检查、测定工作细则6、供电设计软件二、设计规定1、采掘工作面重要排水地点(涌水量30m3及以上)及有地质钻场的排水设备、局部通风机必须实现双回路供电。
2、掘进工作面瓦斯异常区域的局部通风机应采用三专(专用变压器、专用开关、专用线路)供电,高瓦斯及突出矿井推广采用双三专供电。
使用局部通风机供风的地点必须实行风电闭锁,保证停风后切断停风区内所有非本质安全型电气设备的电源。
使用2台局部通风机供风的,2台局部通风机都必须同时实现风电闭锁,保证当正常运转的局部通风机停止运转或停风后能切断停风区域内所有本质安全型电气设备的电源。
3、采掘供电不能混用,应分开供电。
4、煤巷掘进工作面风机配电点原则上设立在车场风门外侧。
三、供电计算范例1、负荷记录与变压器选择1.1负荷记录计算变压器负荷登记表公式参数说明:K x——需用系数;cosφpj——平均功率因数;cosφe——额定功率因数;P max——最大一台电动机功率,kW;S b——变压器需用容量,kV•A;∑P e——变压器所带设备额定功率之和,kW;P d——变压器短路损耗,W;S e——变压器额定容量,k V•A;U e2——变压器二次侧额定电压,V;U z——变压器阻抗压降;1.2 变压器的选择根据供电系统的拟订原则,变压器的选择原理如下:1.2.1 变压器 T1:K x = 0.4 + 0.6×P max∑P ecos φpj = ∑(P i ×cosφei )∑P i将K x 值和cos φpj 值代入得 S b =K x ×∑P ecos φpj选用KBSGZY-××/6/0.693 型号符合规定。
1.2.2 变压器 T2: K x = 0.4 + 0.6×P max∑P eA = ∑(P i ×cosφei )B = ∑P i cos φpj = AB将K x 值和cos φpj 值代入得S b = K x ×∑P ecos φpj选用KBSGZY-××/6/0.693 型号符合规定。
目录一、3802掘进工作面设备配置 .................................................................................... - 1 -1.1 3802工作面基本情况 .................................................................................... - 1 -1.2 3802掘进工作面供配电情况 ........................................................................ - 1 -1.3 3802掘进工作面主要设备配置 .................................................................... - 2 -二、供电设备选型 ......................................................................................................... - 4 -2.1 高压开关与干式变压器现有负荷计算 ........................................................... - 4 -2.2 高压真空配电装置计算 ................................................................................... - 5 -2.3 馈电开关的选择 ............................................................................................... - 7 -2.4 磁力起动器的选择 ........................................................................................... - 8 -三、供电电缆的选择 ................................................................................................... - 10 -3.1 高压电缆的校验计算 ..................................................................................... - 10 -3.2 EBZ-135掘进机组电缆的选择及校验 .......................................................... - 13 -3.3 3802皮带掘进巷电缆的选择及校验 ............................................................. - 14 -3.4 3802材料掘进巷电缆的选择及校验 ............................................................. - 16 -3.5 3802两掘进巷风机电缆的选择及校验 ......................................................... - 17 -3.6 照明电缆的选择及校验 ................................................................................. - 19 -四、短路电流计算 ....................................................................................................... - 19 -4.1真空配电装置两相短路电流 .......................................................................... - 19 -4.2变压器到馈电开关的电缆末端发生两相短路时的短路电流 ...................... - 19 -4.3馈电开关至掘进机的电缆在其末端发生两相短路时的短路电流 .............. - 20 -4.4 耙斗机电机的短路电流计算 ......................................................................... - 20 -4.5刮板机的短路电流计算 .................................................................................. - 21 -4.6各短路点两相短路电流值 .............................................................................. - 21 -五、开关柜、组合开关整定及灵敏度校验 ............................................................... - 22 -5.1馈电开关的整定 .............................................................................................. - 22 -5.2 真空磁力起动器的整定 ................................................................................. - 24 -六、3802工作面所有电器设备保护整定值结果 ...................................................... - 25 -6.1高压真空配电装置整定值 .............................................................................. - 25 -6.2各类防爆开关整定值 ...................................................................................... - 26 - 附表:3802掘进工作面使用电缆统计 ...................................................................... - 28 - 附录: ........................................................................................................................... - 29 - 附图一:3802掘进工作面供电系统 .......................................................................... - 33 - 附图二:3802掘进工作面供电系统电器设备接地网图 .......................................... - 34 - 附图三:3802掘进工作面通讯系统图 ...................................................................... - 36 - 附图四:3802掘进工作面排水系统图 ...................................................................... - 37 - 附图五::3802掘进工作面设备布置图 ..................................................................... - 38 -3802掘进工作面供电设计一、3802掘进工作面设备配置1.1 3802工作面基本情况3802掘进工作面位于下组煤三采区西南侧井田边界,靠清河三矿,两巷道基本长度为:皮带巷825米,材料巷595米,切眼米135米。
1.2 3802掘进工作面供配电情况下组煤三采区3802掘进工作面两巷由下组煤三采区1#移变硐室供配电,局扇风机主回路由下组煤三采区2#移变硐室供电。
根据两移变硐室现有空余设备情况,为3802掘进工作面配备如下供配电设备:1#移变硐室:一台KBSG-630/6-1140V变压器,一台KBSG-630/6-660V变压器,两台PBG-200/6Y高压配电装置,三台KBZ 系列馈电开关。
2#移变硐室:一台KBSG-200/6-660V变压器,一台PBG-50/6Y高压配电装置,两台KBZ系列馈电开关。
其中:一台PBG-50/6Y高压配电装置、一台KBSG-200/6-660V变压器、两台KBZ系列馈电开关为风机专用;一台PBG-200/6Y高压配电装置、一台KBSG-630/6-1140V变压器和一台KBZ系列馈电开关为皮带巷用掘进机供电;一台PBG-200/6Y高压配电装置、一台KBSG-630/6-660V变压器和两台KBZ系列馈电开关为两掘进巷供电;3802掘进工作面供电线路最远为1120米。
供电系统详见附图一。
1.3 3802掘进工作面主要设备配置1.3.1 负载设备配置,如下表:表一1.3.2供配电设备配置,如下表:表二1.3.3负载设备技术数据,如下表:表三1.3.4供配电设备技术参数,如下表:表四二、供电设备选型2.1 高压开关与干式变压器现有负荷计算根据«煤矿电工手册中»第二分册«井下供电»下册查得煤矿井下变电站的负荷可按式:∑=S rNK K P S ϕcos 进行计算, 其中:ΣP N —为所有用电设备(不含备用)的额定功率之和; Kr —需用系数;(∑+=NSr P P K 714.0286.0,其中P s 为最大电动机 功率kW );cos φ—参加计算的电力负荷的平均功率因素;K S —同时系数,当供给一个工作面时取1,二个工作面时取0.95; 2.1.1两掘进巷用变压器总负荷计算:该变压器负责供两掘进巷660V 用电设备,包括:2部18.5kW 耙斗机、2部(2×40kW )刮板机、6台4kW 潜水泵、17部11.4kW 调度绞车、2把5.5kW 探水钻、2把1.2kW 煤电钻,在实际生产中17部调度绞车不会同时工作,所以负荷计算时调度绞车按4部计算。