《园林绿化工程施工及验收规范》(CJJ82-2012配套)表格
- 格式:doc
- 大小:607.00 KB
- 文档页数:29
栽植土检验批质量验收记录
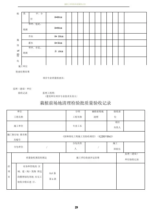
栽植前场地清理检验批质量验收记录
栽植土施肥和表层整理检验批质量验收记录
栽植穴(槽)检验批质量验收记录
植物材料检验批质量验收记录(乔木、灌木)
植物材料检验批质量验收记录(棕榈类植物)
(草卷、草块、草束、藤本)
植物材料检验批质量验收记录(花苗、地被、绿篱及模纹色块植
苗木运输和假植检验批质量验收记录
浇灌水检验批质量验收记录
大树吊装运输检验批质量验收记录
大树栽植检验批质量验收记录
大树种植池质量验收记录表
大树移植记录表
草坪和草本地被播种检验批质量验收记录
花卉栽植检验批质量验收记录
碎拼花岗岩面层检验批质量验收记录
卵石面层检验批质量验收记录
花岗岩面层检验批质量验收记录
镜面、细面花岗岩(优等品)面层材料检验批质量验收记录。
栽植土检验批质量验收记录
栽植前场地清理检验批质量验收记录
栽植土回填及地形造型检验批质量验收记录
栽植土施肥和表层整理检验批质量验收记录
栽植穴(槽)检验批质量验收记录
植物材料检验批质量验收记录
表C.0.1 检验批质量验收记录
植物材料检验批质量验收记录
植物材料检验批质量验收记录
植物材料检验批质量验收记录
苗木运输和假植检验批质量验收记录
树木栽植检验批质量验收记录
支撑检验批质量验收记录
大树挖掘包装检验批质量验收记录
大树吊运运输检验批质量验收记录
大树栽植检验批质量验收记录
铺设草地及草卷
铺设草地及草卷检验批质量验收记录
花卉栽植检验批质量验收记录
施工期植物养护检验批质量验收记录
卵石面层检验批质量验收记录
侧石安装检验批质量验收记录
座椅(凳)标牌、果皮箱安装检验批质量验收记录
园林护栏检验批质量验收记录
喷灌喷头安装检验批质量验收记录
栽植土检验批质量验收记录
页脚内容41。
栽植土检验批质量验收记录
栽植前场地清理检验批质量验收记录
栽植土回填及地形造型检验批质量验收记录
栽植土施肥和表层整理检验批质量验收记录
栽植穴(槽)检验批质量验收记录
植物材料检验批质量验收记录
表C.0.1 检验批质量验收记录
植物材料检验批质量验收记录
植物材料检验批质量验收记录
植物材料检验批质量验收记录
苗木运输和假植检验批质量验收记录
树木栽植检验批质量验收记录
浇灌水检验批质量验收记录
支撑检验批质量验收记录
大树挖掘包装检验批质量验收记录
大树吊运运输检验批质量验收记录
大树栽植检验批质量验收记录
草坪和草本地被分栽检验批质量验收记录
铺设草地及草卷
铺设草地及草卷检验批质量验收记录
花卉栽植检验批质量验收记录
施工期植物养护检验批质量验收记录
卵石面层检验批质量验收记录
侧石安装检验批质量验收记录
座椅(凳)标牌、果皮箱安装检验批质量验收记录
园林护栏检验批质量验收记录
喷灌喷头安装检验批质量验收记录。
栽植土检验批质量验收记录
栽植土回填及地形造型检验批质量验收记录
栽植土施肥和表层整理检验批质量验收记录
栽植穴(槽)检验批质量验收记录
植物材料检验批质量验收记录
表 检验批质量验收记录
植物材料检验批质量验收记录
植物材料检验批质量验收记录
植物材料检验批质量验收记录
苗木运输和假植检验批质量验收记录
树木栽植检验批质量验收记录
浇灌水检验批质量验收记录
支撑检验批质量验收记录
大树挖掘包装检验批质量验收记录
大树吊运运输检验批质量验收记录
大树栽植检验批质量验收记录
铺设草地及草卷
铺设草地及草卷检验批质量验收记录
花卉栽植检验批质量验收记录
施工期植物养护检验批质量验收记录
碎拼花岗岩面层检验批质量验收记录
卵石面层检验批质量验收记录
侧石安装检验批质量验收记录
座椅(凳)标牌、果皮箱安装检验批质量验收记录
园林护栏检验批质量验收记录
喷灌喷头安装检验批质量验收记录。
栽植土检验批质量验收记录栽植前场地清理检验批质量验收记录栽植土回填及地形造型检验批质量验收记录栽植土施肥和表层整理检验批质量验收记录栽植穴(槽)检验批质量验收记录植物材料检验批质量验收记录(草卷、草块、草束、藤本)植物材料检验批质量验收记录(花苗、地被、绿篱及模纹色块植物)注:本表一式4份。
业主招标对植物材料规格偏差有约定,且标准高于本表时,以业主要求为准,否则执行本表苗木运输和假植检验批质量验收记录苗木修剪检验批质量验收记录支撑检验批质量验收记录大树吊装运输检验批质量验收记录大树栽植检验批质量验收记录编号:大树种植池质量验收记录表大树移植记录表编号:草坪和草本地被播种检验批质量验收记录喷播种植检验批质量验收记录草坪和草本地被分栽检验批质量验收记录花卉栽植检验批质量验收记录水湿生植物栽植检验批质量验收记录散生竹栽植检验批质量验收记录碎拼花岗岩面层检验批质量验收记录卵石面层检验批质量验收记录嵌草地面检验批质量验收记录镜面、细面花岗岩(优等品)面层材料检验批质量验收记镜面、细面花岗岩(一等品)面层材料检验批质量验收记录粗面花岗岩(优等品)面层材料检验批质量验收记录粗面花岗岩(一等品)面层材料检验批质量验收记录石材侧石安装检验批质量验收记录附件2宜宾市城市园林绿化养护质量标准(试行)1 总则1。
0。
1 为了适应宜宾市园林绿化发展的需要,保护园林绿化成果,提高园林绿化养护管理质量和水平,规范园林植物养护管理技术,从节约型园林绿化的理念出发,特制定本技术标准。
1.0.2 本标准适用于宜宾市范围内除生产绿地以外的各类城市园林绿化的养护管理.1.0.3 园林绿地养护除应遵循本标准外,尚应符合国家、行业与地方现行有关标准的规定。
1.0。
4 根据宜宾城市园林绿化养护管理的实际,将城市园林绿化分为公园绿地绿化、街旁绿地绿化、道路绿地绿化、居住绿地绿化、单位附属绿地绿化、防护绿地绿化、立体绿化、滨河绿地绿化等八类。
除防护绿地绿化、立体绿化、滨河绿地绿化外,各类绿化类型分为一级、二级、三级三个养护管理等级.1.0.5 城市园林绿化养护管理内容应包括:浇水排水、施肥、修剪、病虫害防治、松土除草、补栽、扶正支柱、绿地容貌、设施维护等.1.0.6 当各类城市园林绿化的养护管理质量未达到设定的分级标准时,应整改达标;当各类城市园林绿化的分级养护管理质量达到上一级质量标准时,可认定升级,并按照升级标准进行管理。
栽植土检验批质量验收记录
栽植土回填及地形造型检验批质量验收记录
栽植土施肥和表层整理检验批质量验收记录
栽植穴(槽)检验批质量验收记录
植物材料检验批质量验收记录
表C.0.1 检验批质量验收记录
植物材料检验批质量验收记录
植物材料检验批质量验收记录
植物材料检验批质量验收记录
苗木运输和假植检验批质量验收记录
苗木修剪检验批质量验收记录
树木栽植检验批质量验收记录
浇灌水检验批质量验收记录
支撑检验批质量验收记录
大树挖掘包装检验批质量验收记录
大树吊运运输检验批质量验收记录
大树栽植检验批质量验收记录
铺设草地及草卷
铺设草地及草卷检验批质量验收记录
花卉栽植检验批质量验收记录
施工期植物养护检验批质量验收记录
碎拼花岗岩面层检验批质量验收记录
卵石面层检验批质量验收记录
侧石安装检验批质量验收记录
座椅(凳)标牌、果皮箱安装检验批质量验收记录
园林护栏检验批质量验收记录
喷灌喷头安装检验批质量验收记录
2
喷头高低应根
据苗木要求调整,各
接头无渗漏,各喷头
达到工作压力。
5.4.3条
第4款
施工单位
检查结果结果
项目专业质量检查员:年月日
监理(建设)单位
验收记录监理工程师:
(建设单位项目专业技术负责人)年月日。
栽植土检验批质量验收记录单位工程名称分项工程名称栽植土验收部位施工单位项目技术负责人项目负责人施工执行标准《园林绿化工程施工及验收规范》(CJJ82-2012)分包单位分包技术负责人分包负责人主控项目质量验收规范的规定施工(检测)单位检查评定结果绿化专业监理验收记录1栽植土土壤PH值/本地标准(选一执行)5.6~8.0/本地标准2 土壤全盐含量0.1%~0.3%3 土壤容量1.0g/cm3~1.35g/cm3一般项目1 土壤有机质含量≥1.5%2 土壤块径≤5cm绿化栽植土有效土层厚度一般栽植乔木胸径≥20cm ≥180cm胸径<20cm≥150cm(深根)≥100cm(浅根)灌木大、中灌木大藤本≥90cm小灌木、小藤本、宿根花卉≥40cm棕榈类≥90cm竹类大径≥80cm中、小径≥50cm草坪、草花、草本地被≥30cm 设施顶面绿化乔木≥80cm灌木≥45cm草坪、草花、草本地被≥15cm检测单位检查评定结果施工单位检查评定结果项目技术负责人:年月日绿化专业监理验收结论绿化专业监理工程师:年月日总监理工程师验收结论总监理工程师:年月日建设单位验收结论现场管理负责人:年月日栽植前场地清理检验批质量验收记录单位工程名称分项工程名称栽植前场地清理验收部位施工单位项目技术负责人项目负责人施工执行标准名称及编号《园林绿化工程施工及验收规范》(CJJ82-2012)分包单位分包技术负责人分包负责人主控项目质量验收规范的规定施工单位检查评定结果绿化专业监理验收记录1现场内的渣土、工程废料、杂草、树根及其有害污染物应清除干净4.1.4条第2款2场地标高及清理程度应符合设计和栽植要求4.1.4条第4款一般项目1填垫范围内不应有坑洼、积水4.1.4条第5款2对软泥和不透水层应进行处理4.1.4条第6款3对清理的废弃构筑物、工程渣土、不符合栽植土理化标准的原状土应做好测量记录、签认4.1.4条第3款4施工单位检查评定结果项目技术负责人:年月日绿化专业监理验收结论绿化专业监理工程师:年月日总监理工程师验收结论总监理工程师:年月日建设单位验收结论现场管理负责人:年月日栽植土回填及地形造型检验批质量验收记录单位工程名称分项工程名称栽植土回填及地形造型验收部位施工单位项目技术负责人项目负责人施工执行标准名称及编号《园林绿化工程施工及验收规范》(CJJ82-2012)分包单位分包技术负责人分包负责人主控项目质量验收规范的规定施工单位检查评定结果绿化专业监理验收记录1造型胎土、栽植土应符合设计要求并有检测报告4.1.5条第2款2回填土及地形造型的范围、厚度、标高、造型及坡度均应符合设计要求4.1.5条第4款一般项目1回填土壤应分层适度夯实,或自然沉降达到基本稳定,严禁用机械反复碾压4.1.5条第3款2 地形造型应自然顺畅4.1.5条第5款3 边界线位置±50cm4 等高线位置±10cm5地形相对标高≤100cm ±5cm101~200cm ±10cm201~300cm ±15cm301~500cm ±20cm施工单位检查评定结果项目技术负责人:年月日绿化专业监理验收结论绿化专业监理工程师:年月日总监理工程师验收结论总监理工程师:年月日建设单位验收结论现场管理负责人:年月日栽植土施肥和表层整理检验批质量验收记录单位工程名称分项工程名称栽植土施肥和表层整理验收部位施工单位项目技术负责人项目负责人施工执行标准名称及编号《园林绿化工程施工及验收规范》(CJJ82-2012)分包单位分包技术负责人分包负责人主控项目质量验收规范的规定施工单位检查评定结果绿化专业监理验收记录1商品肥料应有产品合格证明,或经试验证明符合要求4.1.6条第1款2有机肥应充分腐熟方可使用4.1.6条第1款3施用无机肥料应测定土壤有效养分含量,并宜用缓释性无机肥4.1.6条第1款一般项目1栽植土表层不得有明显低洼和积水处,土壤疏松深度应符合规范4.1.6条第2款2表层应整洁,所含石砾粒径应符合规范4.1.6条第2款3表层与道路接壤处,栽植土应低于侧石3~5cm,栽植土与边口线基本平直4.1.6条第2款4表层整地后应平整略有坡度,坡度应符合设计要求(无设计要求时按0.3%~0.5%控制)4.1.6条第2款5栽植土表层土块粒径大、中乔木≤5cm小乔木、大中灌木、大藤本≤4cm竹类、小灌木、宿根花卉、小藤本≤3cm草坪、草花、地被≤2cm施工单位检查评定结果项目技术负责人:年月日绿化专业监理验收结论绿化专业监理工程师:年月日总监理工程师验收结论总监理工程师:年月日建设单位验收结论现场管理负责人:年月日栽植穴(槽)检验批质量验收记录单位工程名称分项工程名称栽植穴(槽)验收部位施工单位项目技术负责人项目负责人施工执行标准名称及编号《园林绿化工程施工及验收规范》(CJJ82-2012)分包单位分包技术负责人分包负责人主控项目质量验收规范的规定施工单位检查评定结果绿化专业监理验收记录1栽植穴(槽)定点放线应符合设计要求,位置应准确,标记明显4.2.3条第1款2栽植穴(槽)的直径、穴深应大于土球或裸根苗根系展幅40cm~60cm,穴深应为穴径的3/4~4/5。
栽植土检验批质量验收记录
栽植土回填及地形造型检验批质量验收记录
栽植土施肥和表层整理检验批质量验收记录
栽植穴(槽)检验批质量验收记录
植物材料检验批质量验收记录
表C.0.1 检验批质量验收记录
植物材料检验批质量验收记录
植物材料检验批质量验收记录
植物材料检验批质量验收记录
苗木运输和
苗木运输和假植检验批质量验收记录
苗木修剪检验批质量验收记录
树木栽植检验批质量验收记录
支撑检验批质量验收记录
大树挖掘包装检验批质量验收记录
大树吊运运输检验批质量验收记录
大树栽植检验批质量验收记录
草坪和草本地被分栽检验批质量验收记录
铺设草地及草卷
铺设草地及草卷检验批质量验收记录
花卉栽植检验批质量验收记录
施工期植物养护检验批质量验收记录
碎拼花岗岩面层检验批质量验收记录
卵石面层检验批质量验收记录
座椅(凳)标牌、果皮箱安装检验批质量验收记录
园林护栏检验批质量验收记录
喷灌喷头安装检验批质量验收记录
高考是我们人生中重要的阶段,我们要学会给高三的自己加油打气。
《园林绿化工程施工及查收规范》(CJJ82-2012配套)表格精心整理栽种土查验批质量查收记录单位分项栽种土查收部位工程名称工程名称施工单位专业工长项目负责人施工履行标准名《园林绿化工程施工及查收规范》( CJJ82-2012)称及编号分包单位/分包负责人/施工班组长质量查收规范的规定施工单位检查评定结果监理(建设)单位查收记录主控1栽种土土壤PH 植 5.6 ~项土壤全盐含量0.1%~0.3% 2目3土壤容量~1土壤有机质含量≥ 1.5% 2土壤块径≤ 5cm绿乔胸径≥ 20cm≥ 180cm化≥ 150cm(深根栽木胸径< 20cm≥ 100cm(浅根植大、中灌木、土≥ 90cm大藤本有灌小灌木、宿效木根花卉、大≥ 40cm一土藤本般层项厚棕榈类≥ 90cm目 3度竹大径≥ 80cm一般类中、小径≥ 50cm栽草坪、草花、地被≥ 30cm植设乔木≥ 80cm施灌木≥ 45cm顶面草坪、草花、地被≥ 15cm绿化施工单位项目专业质量检查员:年代日检查结果结果监理(建设)单位监理工程师:查收记录(建设单位项目专业技术负责人)年代日栽种前场所清理查验批质量查收记录精心整理单位分项查收部位工程名称栽种前场所清理工程名称施工单位专业工长项目负责人施工履行标准名《园林绿化工程施工及查收规范》( CJJ82-2012 )称及编号分包单位/分包负责人/施工班组长质量查收规范的规定施工单位检查评定结果监理(建设)单位查收记录有各样管线的地区、1建(构)筑物周边的 第 1 款整理绿化用地应竣工查收合格后进行。
主 现场内的渣土、废料、杂草、树根及其控 2 第 2 款项有害污染物应消除 干净。
目对清理的荒弃修建物、工程渣土、不符3合栽种土理化标准的原状土应做好丈量记录、签认。
4场所标高及清理程 第 4 款度切合设计院要求一 填垫范围内不该有 第 5 款1坑洼、积水般项 对软泥和不透水层应第 6 款2进行办理。
目施工单位 项目专业质量检查员:年代日检查结果结果监理(建设)单位查收记录监理工程师:(建设单位项目专业技术负责人)年代日栽种土回填及地形造型查验批质量查收记录单位分项栽种土回填及地工程名称工程名称查收部位形造型施工单位专业工长项目 负责人施工履行标准名《园林绿化工程施工及查收规范》( CJJ82-2012 )称及编号分包单位/分包负责人施工/班组长主质量查收规范的规定监理(建设)施工单位检查评定结果控单位查收记录造型胎土、 栽种土应项1切合设计要求并有 第 2 款目检测报告回填土及地形造型2的范围、厚度、标高、 第 4 款造型及坡度切合设计要求3 4 5回填土壤应分层适量1夯实,或自然沉降达 第 3 款到基本稳固,禁止用机械频频碾压2 地形造型应自然顺畅 第 5 款3界限限地点± 50cm一般 4 等高线地点 ± 10cm项 地 ≤ 100cm± 5目形101~ 200cm± 10cm5相对 201~ 300cm± 15cm标高301~ 500cm± 20cm6施工单位 项目专业质量检查员:年代日检查结果结果监理(建设)单位监理工程师:查收记录(建设单位项目专业技术负责人)年代日栽种土施肥和表层整理查验批质量查收记录单位分项 栽种土施肥和表查收部位工程名称工程名称 层整理施工单位专业工长项目 负责人施工履行标准名《园林绿化工程施工及查收规范》( CJJ82-2012 )称及编号分包单位/分包负责人/施工班组长质量查收规范的规定施工单位检查评定结果监理(建设)单位查收记录商品肥料应有合格1证明, 或经试考证明 第 1 款主 切合要求控有机肥应充足腐熟项 2 第 1 款方可使用目施用无机肥料应测定3土壤有效养分含量,并 第 1 款宜用缓释无机肥41栽种土表层不得有 第 2 款显然低洼和积水处2 表层应整齐,所含石砾第 2 款粒径切合要求规定表层与道路接壤处,3栽种土应低于测石 第 2 款3-5cm, 栽种土与边一口线基本平直表层整地后应平坦般 4 略有坡度, 坡度应符第 2 款项合设计要求目栽 大、中乔木 ≤ 5cm植土 小乔木、大中灌 ≤ 4cm5 表木、大藤本层竹类、小灌木、宿土 ≤ 3cm块 根花卉、小藤本粒 草坪、草花、地 ≤ 2cm径被施工单位 项目专业质量检查员:年代日检查结果结果监理(建设)单位监理工程师:查收记录(建设单位项目专业技术负责人)年代日栽种穴(槽)查验批质量查收记录单位分项查收部位工程名称栽种穴(槽) 工程名称施工单位专业工长项目 负责人施工履行标准名《园林绿化工程施工及查收规范》( CJJ82-2012 )称及编号分包单位/分包负责人/施工班组长质量查收规范的规定施工单位检查评定结果监理(建设)单位查收记录栽种穴(槽)定点放1线应切合设计要求, 第 1 款地点应正确, 标记明显主 栽种穴(槽)的直径、控2穴深应切合要求, 应项 垂直下挖, 上口下底目应相等栽种穴(槽)底部遇有不透水层及重黏 3土时, 应进行松散或 采纳排水举措4栽种穴(槽)挖出的表层土和底土应分1别堆放, 底部应施基肥并回填土一 土壤干燥时应于栽种 2般 前注水浸穴(槽) 当土壤密实度大于 项 或浸透系目3 数小于 10-4cm/s 时,应采纳扩大树穴,疏 松土壤等举措4施工单位 项目专业质量检查员:年代日检查结果结果监理(建设)单位查收记录监理工程师:(建设单位项目专业技术负责人)年代日植物资料查验批质量查收记录单位 分项植物资料(乔木、工程名称 工程名称查收部位灌木)施工单位专业工长项目负责人施工履行标准名《园林绿化工程施工及查收规范》( CJJ82-2012 )称及编号分包单位/分包负责人/施工班组长质量查收规范的规定施工单位检查评定结果监理(建设)单位查收记录主 植物资料种类、 品种控 1 名称及规格应切合项 设计要求目禁止使用带有严大病虫 2害的植物资料植 姿态和长势表表物病虫害1 材 土球苗表料一外 裸根苗根系 表般 观容器苗木表项目乔≤ 5cm木 6cm ~ 9cm2植 胸物 径 10cm ~15cm材料16cm ~20cm精心整理规高度-20cm 格偏冠径-20cm差灌 高 ≥ 100cm -10cm木度 < 100cm-5cm规3格 冠 ≥ 100cm-10cm偏径差< 100cm -5cm施工单位 项目专业质量检查员:年代日检查结果结果监理(建设)单位查收记录监理工程师:(建设单位项目专业技术负责人)年代日表查验批质量查收记录单位 南安市蓝溪湿地公园 ( 码头区 )分项 植物资料(乔木、查收部位工程名称 及景观桥工程 工程名称 灌木)施工单位福建中亚建筑工程有限企业专业工长庄贻彬项目 黄和平负责人施工履行标准名《园林绿化工程施工及查收规范》 ( CJJ82-2012 )称及编号分包单位/分包负责人施工/班组长质量查收规范的规定 监理(建设)施工单位检查评定结果单位查收记录主 植物资料种类、 品种控 1 名称及规格应切合项 设计要求目禁止使用带有严大病虫 2害的植物资料植 姿态和长势表表物 病虫害1材 土球苗表料外 裸根苗根系 表一观容器苗木表般乔≤ 5cm项木目6cm ~ 9cm植 胸物径 10cm ~15cm2材料 16cm ~20cm规格 高度 -20cm偏 冠径-20cm差灌高≥ 100cm-10cm木度< 100cm-5cm规3格冠≥ 100cm-10cm偏径差< 100cm-5cm施工单位项目专业质量检查员:年代日检查结果结果监理(建设)单位查收记录监理工程师:(建设单位项目专业技术负责人)年代日植物资料查验批质量查收记录单位分项植物资料(棕榈工程名称工程名称查收部位类植物)施工单位专业工长项目负责人施工履行标准名《园林绿化工程施工及查收规范》( CJJ82-2012 )称及编号分包单位/分包负责人施工/班组长质量查收规范的规定监理(建设)施工单位检查评定结果单位查收记录植物资料种类、品种主1 名称及规格应切合控设计要求项目禁止使用带有严大病虫2害的植物资料植物骨干挺直,树冠1材完好、苗木不陡表料长、根系发育良外好不外露观一棕≤ 100cm0cm般榈株101~ 250-10cm项类目植高251~400-20cm 物2材>400cm-30cm 料规格地≤ 10cm-1cm偏差径11~40cm-2cm>40cm-3cm施工单位 项目专业质量检查员:年代日检查结果结果监理(建设)单位监理工程师:查收记录 (建设单位项目专业技术负责人)年代日植物资料查验批质量查收记录单位植物资料分项查收部位工程名称(草卷、草块、工程名称草束)施工单位专业工长项目负责人施工履行标准名《园林绿化工程施工及查收规范》( CJJ82-2012 )称及编号分包单位/分包负责人/施工 班组长质量查收规范的规定施工单位检查评定结果监理(建设)单位查收记录植物资料种类、 品种1名称及规格应切合 主设计要求控项 目禁止使用带有严大病虫2害的植物资料草卷、草块长宽 尺寸基本一致,厚度平均,杂草表不超出 5%,草植 高适量,根系 一 物 好,草芯鲜活。
检査结果结果项目专业质量检査员:监理(建设〉单位(建设单位项目专业技术负责人〉栽植前场地清理检验批质量验收记录植 施顶ifri 绿 化验收记录监理工程师:施工单位检査结果结果项目专业质量检查员:监理(建设〉单位验收记录监理工程师:(建设单位项目专业技术负贵人)栽植土回填及地形造型检验批质量验收记录单位工程名称分项工程名称施工单位专业工长施匸执行标准名称及编号栽植土回填及t也形造型验收部项目负责人《园林绿化工程施工及脸收规范》(aJ82・2012)分包负贵施工控项目质量验收规范的规定施工单位检査评定结果监理(建设)单位验收记录造型胎土、栽植土应符合设计要求并有检测报告415条第2款回填土及地形造型的范鬧、厚度、标高、造型及坡度符合设计要求415条第4款回填土壤应分层适度夯实,或自然沉降达到基本稳定,严禁用机械反复碾压415条第3款地形造型应自然顺畅415条第5款边界线位置±50cm等高线位置±10cm形相对标W100cm ±5101〜200cm土10cm201〜300cm土15cm分包单位人班组长栽植土施肥和表层整理检验批质量验收记录检查结果结果项目专业质量检査员:监理(建设〉单位验收记录监理工程师:(建设单位项目专业技术负贵人)栽植穴(槽)检验批质量验收记录监理(建设〉单位验收记录监理工程师:(建设单位项目专业技术负贵人)年月日植物材料检验批质量验收记录单位工程名称分项工程名称施工单位专业工长植物材料(乔木、灌木)验收部项目负责人施匸执行标准名称及编号《园林绿化工程施工及脸收规范》(aJ82・2012)分包负贵施工控项目质量验收规范的规定施工单位检査评定结果监理(建设)单位验收记录植物材料种类、品种名称及规格应符合设计要求4.3.1^翩虫害的植物材料4.3.2 条般项目物材料外观姿态和长势衣4・3・3病虫害衣4・3・3土球苗衣4・3・3裸根苗根系衣4・3・3容器苗木衣4・3・3木W5cm-0.2cm分包单位人班组长表COl检验批质量验收记录监理(建设〉单位(建设单位项目专业技术负责人)植物材料检验批质量验收记录料 规 搭差检查结果结果项目专业质量检査员:验收记录监理工程师:施工单位 检查结果结果项目专业质量检査员:监理(建设〉单位(建设单位项目专业技术负贵人)植物材料检验批质量验收记录单位工程名称分项 工程名称植物材料(花苗、地彼、 绿篱及模纹色块 植物)验收部 位施工单位专业工长项目 负责人施匸执行标 准名称及编号《园林绿化工程施工及验收规范》(CJJ82-2012)分包单位/分包负贵人/施工班组长衣4・3・3脸收记录监理工程师:車卷、住块长宽尺寸基本 •致,厚度均 匀•杂草不超过5%,苞高适度,根系好,草芯鲜监理(建设〉单位验收记录监理工程师:(建设单位项目专业技术负贵人)年月tl苗木运输和苗木运输和假植检验批质量验收记录单位工程名称分项工程名称施工单位专业工长施匸执行标准名称及编号苗木运输和假植验收部项目负责人《园林绿化工程施工及验收规范》(CJJ82-2012)分包负贵施工控项目质量验收规范的规定施工单位检査评定结果监理(建设)单位验收记录运输吊装苗木的机具和车辆的工作吨位,必须满足苗木吊装、运输的需要,并制订和应的安全操作措施。
附录C 检验批、分项工程、分部(子分部)工程质量验收记录C.0.1 检验批质量验收记录表单位工程名称分项工程名称验收部位施工单位专业工长项目经理施工执行标准名称及编号分包单位分包负责人施工班组长主控项目质量验收规范的规定施工单位检查评定结果监理单位验收记录12345678一般项目1 2 3 4施工单位检查评定结果项目专业质量检验:年月日监理(建设)单位验收记录监理工程师:(建设单位项目专业技术负责人)年月日C.0.2 分项工程质量验收记录表单位工程名称检验批数施工单位项目负责人项目技术负责人分包单位分包单位负责人分包项目负责人序号检验批部位、单项、区段施工单位检查评定结果监理(建设)单位验收结论1 2 3 4 5 6 7 8 9101112131415检查结论项目专业技术负责人:年月日验收结论监理工程师:(建设单位项目专业技术负责人)年月日C.0.3 分部(子分部)工程质量验收记录工程名称施工单位技术部门负责人质量部门负责人分包单位分包单位负责人分包技术负责人序号分项工程名称施工单位检查意见验收意见123456质量控制资料结构实体检验报告观感质量验收验收单位分包单位项目经理年月日施工单位项目经理年月日设计单位项目负责人年月日监理(建设)单位总监理工程师(建设单位项目专业负责人)年月日单位(子单位)工程质量竣工验收表单位(子单位)工程质量竣工验收报告工程名称:施工单位:开工日期:年月日竣工验收日期:年月日单位(子单位)工程概况工程概况工程造价工作量万元构筑面积 M2绿化面积 M2本次竣工验收工程概况描述:附录D 园林绿化单位(子单位)工程质量竣工验收报告表D.0.1 园林绿化单位(子单位)工程质量竣工验收报告工程名称施工单位技术负责人开工日期项目负责人项目技术负责人竣工日期工程概况工程造价工程量万元构筑物面积㎡绿化面积㎡本次竣工验收工程概况描述:表D.0.2 单位(子单位)工程质量竣工验收记录工程名称施工单位技术负责人开工日期项目经理项目技术负责人竣工日期序号项目验收记录验收结论1 分部工程共分部,经查分部符合标准及设计要求分部2 质量控制资料核查共项,经审查符合要求项经核定符合规范要求项3 安全和主要使用功能及涉及植物成活要素核查及抽查结果共核查项,符合要求项,共抽查项,符合要求项,经返工处理符合要求项。
栽植土检验批质量验收记录
栽植前场地清理检验批质量验收记录
栽植土回填及地形造型检验批质量验收记录
栽植土施肥和表层整理检验批质量验收记录
栽植穴(槽)检验批质量验收记录
植物材料检验批质量验收记录
表C.0.1 检验批质量验收记录
植物材料检验批质量验收记录
植物材料检验批质量验收记录
植物材料检验批质量验收记录
苗木运输和假植检验批质量验收记录
苗木修剪检验批质量验收记录
树木栽植检验批质量验收记录
浇灌水检验批质量验收记录
支撑检验批质量验收记录
大树挖掘包装检验批质量验收记录
大树吊运运输检验批质量验收记录
大树栽植检验批质量验收记录
草坪和草本地被分栽检验批质量验收记录
铺设草地及草卷
铺设草地及草卷检验批质量验收记录
花卉栽植检验批质量验收记录
施工期植物养护检验批质量验收记录
碎拼花岗岩面层检验批质量验收记录
卵石面层检验批质量验收记录
侧石安装检验批质量验收记录
座椅(凳)标牌、果皮箱安装检验批质量验收记录
园林护栏检验批质量验收记录
喷灌喷头安装检验批质量验收记录。
栽植土检验批质量验收记录
栽植土回填及地形造型检验批质量验收记录
栽植土施肥和表层整理检验批质量验收记录
栽植穴(槽)检验批质量验收记录
植物材料检验批质量验收记录
表C.0.1 检验批质量验收记录
植物材料检验批质量验收记录
植物材料检验批质量验收记录
植物材料检验批质量验收记录
苗木运输和假植检验批质量验收记录
苗木修剪检验批质量验收记录
树木栽植检验批质量验收记录
支撑检验批质量验收记录
大树挖掘包装检验批质量验收记录
大树吊运运输检验批质量验收记录
大树栽植检验批质量验收记录
铺设草地及草卷
铺设草地及草卷检验批质量验收记录
花卉栽植检验批质量验收记录
施工期植物养护检验批质量验收记录
碎拼花岗岩面层检验批质量验收记录
卵石面层检验批质量验收记录
侧石安装检验批质量验收记录
座椅(凳)标牌、果皮箱安装检验批质量验收记录
园林护栏检验批质量验收记录
喷灌喷头安装检验批质量验收记录。