燃气主管部门履行安全监管职责情况检查表
- 格式:doc
- 大小:27.50 KB
- 文档页数:3
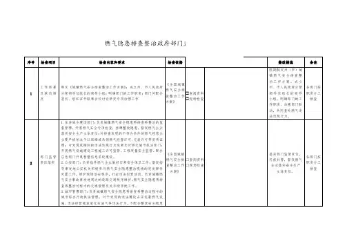
燃气隐患排查整治政府部门监管责任落实检查表序号检查项目检查内容和要求检查依据检查方式检查结果整改措施备注1 工作部署及联动情况制定《城镇燃气安全排查整治工作方案》;成立州、市人民政府分管领导任组长的领导小组;明确部门的工作职责;部门间配合密切、组织召开联席会议讨论研究专项治理工作《全国城镇燃气安全排查整治工作方案》查阅资料现场检查限期制定州(市)城镇燃气安全排查整治工作方案。
成立州、市人民政府分管领导任组长的领导小组。
明确部门的工作职责。
加强部门联动,共同查处燃气违法违规行为。
各部门按职责分工排查2 部门监管责任落实1.住房城乡建设部门:负责城镇燃气安全隐患再排查再整治的监督管理,开展燃气安全专项检查,挂牌整改隐患,督促燃气企业落实安全生产主体责任;对排查发现的不符合条件的燃气经营企业要严格依法予以取缔或吊销燃气经营许可、充装许可等资质证照;对发现或接到的违法违规行为线索及时移交城市执法部门;开展燃气设施建设工程施工许可监管,工程质量安全监管。
配合应急部门开展智慧信息系统建设。
2.公安部门:负责指导燃气企业做好日常安全保卫工作;督促指导事发地公安机关积极参与燃气安全隐患整治现场的突发事件处置工作,维护现场治安秩序,打击违法犯罪活动。
负责城镇燃气安全事故事发地周边的道路交通秩序维护,燃气安全隐患再排查再整治过程中的交通管理有关手续审批工作。
3.城市管理部门:负责城镇燃气安全隐患再排查再整治过程中的城市综合行政执法管理,对于发现的违法建设占压包裹燃气设施、违法经营瓶装液化石油气等违法行为,不配合整改安全隐患《全国城镇燃气安全排查整治工作方案》□查阅资料□现场检查落实部门监管责任,齐抓共管,督促燃气企业落实安全生产主体责任。
各部门按职责分工排查检查单位:检查人员:受检单位负责人签字:。
燃气行业安全检查表燃气行业安全检查表燃气行业安全检查是为了有效预防和控制燃气事故的发生,保障人民生命财产安全,加强燃气行业安全管理,提高燃气行业安全生产水平而开展的一项重要工作。
以下是一份燃气行业安全检查表,以供参考。
一、基础设施1.燃气管线:燃气管线的铺设是否符合规范,管线的漏气率是否正常。
2.气储设施:燃气存储设施,包括储罐、储气槽等,是否完好无损,有无泄漏情况。
3.调压装置:燃气调压站、调压箱、调压阀等装置是否安全可靠,有无泄漏现象。
4.防爆措施:燃气管线、调压站、气储设施、阀门等设备是否安装防爆装置,并是否到期更换。
二、气具设施1.启停操作:燃气热水器、炉具等气具的操作线是否符合标准,有无错误操作,气具启停是否良好。
2.检查及维护:气具使用周期是否到期,有无损坏,是否定期检查维护,维护是否及时、彻底。
3.通风情况:气体燃烧过程中会产生有害气体,是否有良好的通风设施,保证室内空气质量好。
三、人员安全1.资质及培训:气具安装、维修、维护人员是否具有相关资质和培训,能够熟练操作气具和识别处理燃气事故。
2.应急预案:燃气行业公司是否制定并落实完善的应急预案,包括燃气泄漏事故应急处理流程、人员安全疏散方案等。
3.防护措施:燃气操作人员是否佩戴必要的防护装备,如橡皮手套、呼吸器等,是否具备燃气灭火技能,以及燃气事故处理能力。
四、日常管理1.安全教育:燃气行业公司是否定期组织安全教育,增强员工的安全意识和应急处理能力。
2.定期检查:燃气行业公司是否定期检查管线、气储设施等设备和气具的安全情况,及时发现处理问题。
3.安全联络:燃气行业公司是否与相关部门建立紧密的联系,开展合作,加强燃气安全监管和管理。
以上是燃气行业安全检查表的内容,燃气行业是一项重要的行业,安全工作必须高度重视,绝不能有丝毫的松懈。
全面加强安全管理,确保人民生命财产安全,助力燃气行业健康发展。
燃气企业安全检查表燃气企业安全检查表一、管理方面安全检查1. 燃气企业是否建立健全安全管理制度,制定相应的责任分工和安全管理制度。
2. 燃气企业是否建立明确的安全管理机构,有专职的安全管理人员,其人员具备相应的安全管理知识和技能。
3. 燃气企业是否对员工进行安全教育和培训,明确其在工作中应遵守的安全规章制度。
4. 燃气企业是否建立健全事故应急预案,安排应急处置人员,并进行定期演练。
5. 燃气企业是否定期开展安全隐患排查,对存在的安全隐患及时整改。
6. 燃气企业是否建立安全生产档案,包括日常巡检记录、事故处理记录等,以备在需要时查阅。
二、设备安全检查1. 燃气企业的燃气供应设备是否符合国家标准,是否有相应的安全使用手册。
2. 燃气企业的燃气管道、阀门等关键设备是否定期进行检修和维护,确保其正常运行。
3. 燃气企业的燃气表具是否定期检测和校准,确保其准确性和安全性。
4. 燃气企业的压力传感器和报警系统是否正常运行,能够及时报警并采取相应的措施。
5. 燃气企业的自动控制设备和监测仪表是否正常运行,能够实现对燃气供应过程的自动控制和监测。
三、场所环境安全检查1. 燃气企业的场所是否符合国家相关标准和要求,是否存在安全隐患,比如通风不良、易燃物品堆放不当等。
2. 燃气企业的场所是否存在火灾隐患,是否设置了消防器材,并有专人负责消防工作。
3. 燃气企业的场所周围是否存在重大危险源,如化工厂、油库等,是否采取了相应的防护措施。
4. 燃气企业的场所是否具备紧急救援设施,如安全通道、安全出口、应急照明等。
5. 燃气企业的场所是否存在人员聚集区域,比如食堂、宿舍等,是否具备相应的安全设施和消防器材。
四、操作环节安全检查1. 燃气企业的燃气供应操作人员是否熟悉操作规程,是否具备相应的操作证书。
2. 燃气企业的燃气供应操作人员是否穿戴个人防护设备,是否遵守操作规程,不擅自改变操作程序。
3. 燃气企业的燃气供应过程中是否存在泄漏、渗漏等问题,是否能够及时发现并处理。
城镇燃气安全专项检查表城镇燃气安全专项检查表为了保障城镇燃气的安全运营,预防事故的发生,特制作了城镇燃气安全专项检查表,请广大主管部门、燃气企业及社会各界认真贯彻、执行、监督,提高城镇燃气安全保障能力。
一、安全管理1. 是否建立完善的城镇燃气安全管理制度?2. 是否制定具体的燃气安全管理责任制,并明确责任人?3. 是否建立了完整的城镇燃气安全档案,及时记录燃气管网、气源设施、气表和用户用气信息?4. 是否定期对管道、阀门、附件进行维护检修,防止泄漏、破裂等问题?5. 是否开展了定期的燃气安全培训和演练,提升职工的安全保障技能?6. 是否制定了紧急处置预案,定期组织演练,提升应急响应能力?7. 是否建立完善的监测预警体系,对燃气管道进行实时监测?二、安全设备1. 是否按照标准配置安全设备,如阀门、压力表、防爆柜和气表等?2. 是否依据安全要求配置适当的安全阀门、防护罩、隔爆板等?3. 是否保证安装的管道、器材、设备符合国家标准?4. 是否按照规定对安全设备进行定期检修和维护?5. 是否对安全设备进行了运行试验、调试和抽样检测?6. 是否充分考虑环境因素、施工安全和防腐保温等问题?三、用户安全1. 是否加强对用户的管理,规范用气行为,设置用户用气禁止区?2. 是否建立观察哨、巡视检查、检漏维修、应急预案、查气登记、气量盘库等制度?3. 是否加强对老旧小区、居民楼、小区配套设施等重点区域的管控?4. 是否对新用户实施严格审批,加强对用气设施的把关?5. 是否定期开展安全知识宣传教育,提高用户的安全意识和用气技能?四、其他安全因素1. 是否加强对泄漏火源的监测和防范工作,确保燃气管网周边没有明火和易燃物?2. 是否建立详细的燃气事故应急预案,并严格执行?3. 是否按照规定配备了应急救援物资和器材,并进行了检查和维护?4. 是否定期开展安全评估和隐患排查,及时消除安全隐患?5. 是否加强对施工工程、自然灾害和人为破坏等不可抗力因素的防范和处置?结语:城镇燃气安全问题事关千家万户的生命财产安全,各级主管部门、燃气企业及社会各界应共同努力,严格执行安全要求,切实保障城镇燃气运行的安全性、科学性、合法性、人身安全和效益。
燃气主管部门安全检查表燃气主管部门安全检查表一、基本信息:1. 名称:2. 地址:3. 电话:4. 负责人:5. 检查日期:二、安全管理制度:1. 是否建立燃气安全管理制度,并且定期进行修订和完善?2. 是否组织相关人员参加燃气安全培训,并进行记录?3. 是否建立燃气事故应急预案,并进行演练?4. 是否对职工进行安全生产培训,并定期进行安全知识考核?三、燃气设施及设备:1. 燃气管道系统是否按照规定进行安装和维修?2. 燃气表具是否按照规定进行安装和检定?3. 独立燃气供应系统是否设置有煤气报警器?4. 燃气设施和设备是否存在老化、腐蚀、破损等情况?5. 是否配备有防火、防爆设备和消防器材?四、燃气使用操作:1. 是否制定了燃气使用操作规程,并向职工进行宣传和培训?2. 是否存在违规使用燃气的行为,如私拉乱接、私自改装燃气设备等?3. 使用燃气的场所是否保持通风良好,是否存在燃气泄漏的情况?4. 是否设置了明显的燃气泄漏报警装置,并且定期进行检查和维修?5. 是否保持燃气设施和设备的良好状态,如阀门、管道、供气源等?五、安全隐患排查:1. 是否进行过全面的燃气安全隐患排查,并制定了整改方案?2. 是否存在燃气泄漏隐患,如管道老化、接口松动、设备故障等?3. 是否存在火灾隐患,如明火、电器设备、易燃物品等?4. 是否存在人为因素造成的燃气事故隐患,如操作不当、违规使用等?5. 是否对排查出的隐患进行了及时整改,并进行记录和报告?六、燃气安全教育宣传:1. 是否定期进行燃气安全教育宣传活动,并记录相关情况?2. 是否向用户提供燃气安全使用宣传资料和知识?3. 是否定期进行用户燃气使用情况的检查和测量?4. 是否存在用户使用燃气不当的情况,如超时使用、超标使用等?5. 是否定期进行用户满意度调查,并采取措施改进燃气服务质量?七、燃气事故记录与报告:1. 是否建立燃气事故记录档案,并及时上报主管部门?2. 是否及时对燃气事故进行调查和报告,切实采取措施防止类似事故再次发生?3. 是否建立事故应急响应机制,及时通知有关单位进行协调和配合?4. 是否定期进行事故隐患排查,并及时整改和更新相应措施?5. 是否建立事故应急演练制度,定期组织燃气事故应急演练?八、其他安全管理措施:1. 是否建立了安全奖惩制度,并对违规行为进行处罚?2. 是否定期进行燃气安全检查和巡视,并及时发现并处理安全隐患?3. 是否对燃气设施和设备进行定期的检修和维护?4. 是否与相关单位建立了合作关系,共同维护燃气安全?5. 是否存在其他与燃气安全相关的问题?如存在其他问题,请详细描述:以上是燃气主管部门安全检查表的内容,根据实际情况进行调整和完善,以确保燃气使用单位的安全生产和用户的安全使用。
燃气行业安全检查情况表燃气行业是一项关系到人民生命财产安全的行业,其安全问题不容忽视。
为了确保燃气行业的安全运营,各级政府、企事业单位和社会组织都积极开展燃气行业安全检查工作。
以下是对燃气行业安全检查情况的详细介绍。
一、检查范围和目标燃气行业安全检查的范围较广,主要包括燃气生产、运输、储存和使用环节的各个环节。
其中,燃气生产包括天然气井、天然气加工厂、液化天然气工厂等;燃气运输包括管道运输、罐车运输等;燃气储存包括储气库、气体储罐等;燃气使用包括居民用气、工业用气、商业用气等。
检查目标主要是燃气设施和燃气使用单位,旨在从设备设施、操作管理、应急预案等多个方面确保燃气行业的安全运营。
二、检查内容和要求1. 设备设施检查:包括燃气管道、阀门、计量设备、燃气储存设施等的检查,要求设备设施的完好性和正常运作。
2. 操作管理检查:包括操作员的资质和操作规程的执行情况的检查,要求操作员具备相关的证书和经验,并严格按照操作规程进行工作。
3. 安全培训和考核检查:包括对操作员进行安全培训和考核的情况的检查,要求操作员定期接受培训,提高安全意识和应急处理能力。
4. 应急预案检查:包括燃气使用单位制定的应急预案和应急演练情况的检查,要求燃气使用单位建立健全的应急预案,并进行定期演练,熟悉应急处理流程。
5. 灭火设备和消防通道检查:包括灭火器、消防栓、消火栓等灭火设备和消防通道的检查,要求这些设备和通道保持畅通,确保在火灾发生时能及时进行灭火和疏散。
三、检查方法和结果1. 现场检查:检查人员会深入到燃气设备和燃气使用单位进行现场检查,了解设备的运行情况、操作员的工作情况以及应急处理能力等。
2. 文件审核:检查人员会对燃气使用单位制定的相关文件进行审核,包括安全管理制度、培训记录、应急预案等。
3. 抽样检验:检查人员会对一定数量的燃气设施和设备进行抽样检验,检查其完好性和安全性能。
检查的结果主要体现在以下几个方面:1. 安全隐患整改:对于发现的安全隐患,要求燃气生产、运输、储存和使用单位立即整改,确保安全隐患得到及时消除。
燃气部门安全检查表燃气部门安全检查表日期:_________检查单位:_________检查人员:_________被检单位:_________一、现场情况检查1. 燃气设备的安装a. 检查燃气设备的安装位置是否符合规定,距离可燃物是否符合要求。
b. 检查燃气设备是否具备足够的通风条件,是否存在堵塞风道的情况。
2. 供气设施的检查a. 检查供气管道的材质、接头是否符合规定,是否存在老化、损坏的情况。
b. 检查供气管道的固定情况,是否存在松动、脱落的情况。
3. 燃气表计的检查a. 检查燃气表计的安装位置是否合理,是否存在遮挡或困难读数的情况。
b. 检查燃气表计的正常运行,读数是否准确。
4. 燃气设备的使用情况a. 检查燃气设备的正常工作状态,是否存在漏气、停气等异常情况。
b. 检查燃气设备的使用环境是否整洁,是否存在易燃物品聚集、堆积的情况。
5. 安全警示标识和消防设备a. 检查燃气设备周围的安全警示标识是否齐全、清晰可见。
b. 检查消防器材是否摆放在易于接近的位置,并检查其使用情况和有效期限是否合格。
二、操作规程和安全制度检查1. 操作规程的制定和宣传a. 检查燃气部门是否制定了明确的操作规程,并落实到位。
b. 检查燃气部门是否对员工进行相关安全操作培训和宣传。
2. 安全设施和装备的配备a. 检查燃气部门的安全设施和装备是否配备到位,并是否定期检修、更换。
b. 检查个人防护用品是否齐全,员工是否正确佩戴。
3. 安全管理制度和责任制a. 检查燃气部门是否建立了完善的安全管理制度和责任制,并是否得到了有效执行。
b. 检查燃气部门是否定期组织安全检查,整改隐患并记录。
4. 应急预案和演练a. 检查燃气部门是否制定了相应的应急预案,并是否进行了相关的演练。
b. 检查应急预案的有效性和可行性,并检查演练记录和整改情况。
三、检查结论和整改意见1. 检查结论a. 对燃气部门的现场情况进行总体评价,是否存在安全隐患。
燃气运营安全监管检查表燃气运营安全监管检查表是对燃气企业进行安全监管的重要工具,通过检查表的使用可以全面、系统地评估燃气企业的安全管理水平和运行情况是否符合相关规定和标准。
以下是一份燃气运营安全监管检查表的示例,分为几个主要部分进行检查。
一、企业运营管理1. 企业是否建立健全了安全管理制度和相关规章制度?2. 企业是否明确了安全生产责任制和管理层级?3. 企业是否配备了安全生产管理人员,并具备相应的资格证书?4. 企业是否开展了员工培训和安全教育,是否建立了培训档案?5. 企业是否定期组织安全演习和应急预案演练,并总结经验、改进措施?二、设备设施管理1. 燃气输送设备是否符合相关标准和规定?2. 管道、阀门、燃气表等设施是否安装完好,并进行了维护和检修?3. 是否建立了设备设施档案,包括安装、维修和检测记录?4. 设备设施作业是否按照规定程序进行,是否存在不合规操作现象?5. 是否建立了设备设施失效、故障的应急处理措施?三、供气及燃气质量管理1. 是否建立了供气和燃气质量管理制度和规定?2. 是否具备了供气和燃气质量检测的设备和技术手段?3. 是否按照规定进行燃气抽样检测,并留存抽样样品?4. 供气和燃气质量是否符合国家标准和相关规定?5. 是否建立了燃气事故的调查与处理机制?四、安全控制和事故预防1. 是否建立了燃气事故隐患排查和整改制度?2. 是否进行了隐患排查,是否完成了整改任务?3. 是否建立了安全监测和报警系统,是否正常运行?4. 是否建立了安全警示标识和安全防护设施?5. 是否建立了安全事故上报和处理流程?五、安全监督和执法合规1. 监管部门是否定期对企业进行监督检查?检查记录是否完整?2. 是否按照监管部门要求提供相关资料和报表?3. 是否按照相关规定配合监管部门进行调查和执法?4. 是否配备了安全监督员,是否具备相关资格和培训证书?5. 监管部门对企业的监管措施是否及时、有效?以上是一个燃气运营安全监管检查表的示例,具体可以根据实际情况进行调整和完善。
序号1 2 3 4 5 6 7 8.燃气安全检查表检查项目检查标准检查备注结果排查瓶装燃气储配站、加气站排查重点设备运行部位采取的防火、防爆、防雷、防静电措施执行情况排查水防设施、器材、防火标志的设置及管理情况安全管理机构及技术人员的配置情况生产操作管理等情况排查城市燃气应急预案的制定和人员配置、物资储备情况和应急演练落实情况严肃排查各类违法违规行为落实油气罐区防火防爆十条规定在罐区的悬挂及执行情况.序号检查项目检查标准检查备注结果生产经营单位必须为从业人员提供符合国家标准或者行业标中华人民共和国安全生产法第8准的劳动防护用品,并监督、三十七条教育从业人员按照使用规则佩戴、使用生产经营单位的安全管理人员,应对安全生产状况进行经常性检查;对检查中发现的安中华人民共和国安全生产法第9全问题,应当立即处理;不能符合三十八条及时处理的,应当及时报告本单位有关负责人。
检查及处理情况应记录在案生产经营单位不得将生产经营10项目、场所、设备发包或者出中华人民共和国安全生产法第租给不具备安全生产条件或者四十一条相应资质的单位或者个人生产经营单位必须依法参加工中华人民共和国安全生产法第11伤社会保险,为从业人员缴纳符合保险费四十三条危险化学品的生产、储存、使用单位,应当在生产、储存和危险化学品安全管理条例第十12使用场所设置通讯、报警装置,并保证在任何情况下处于八条正常适用状态禁止在具有火灾、爆炸危险的场所使用明火;因特殊情况需13要使用明火作业的,应当按照中华人民共和国消防法第十八规定事先办理审批手续。
作业条人员应当遵守消防安全规定,并采取相应的消防安全措施对消防安全重点单位,应建立14防火档案,确定消防安全重点中华人民共和国消防法第十六部位,设置防火标志,实行严符合条格管理压力容器的使用单位,必须建压力容器安全技术监察规程第15立压力容器技术档案并由管理符合部门统一保管117 条生产易燃易爆危险物品的单位,对产品应当附有燃点、闪16点、爆炸极限等数据的说明中华人民共和国消防法第十七书,并且注明防火防爆注意事符合条项。
全区燃气安全专项检查工作要点及检查表格一、城镇燃气安全工作部署情况(一)“6.13”燃气爆炸事故发生后,领导指示批示贯彻落实和上级会议精神传达部署情况。
(二)城镇燃气安全专项治理方案印发情况。
(三)城镇燃气安全专项治理组织机构建立及运行情况。
二、城镇燃气安全检查情况(一)辖区内城镇燃气安全专项治理工作进展情况(含表格)。
(二)市、县政府领导、主管部门负责人带队开展检查情况。
(三)市级对各县区工作督导开展情况。
(四)检查工作台帐,包括检查时间、检查地点、检查人员、存在安全隐患、整改进度,检查记录表格、整改通知书、整改情况书面反馈、复查记录。
(五)安全检查发现的需要向上级部门反映的存在问题及工作建议。
三、燃气场站安全运行情况检查(一)燃气监测系统建设情况。
主要内容:可燃气体检测、液位监控、压力监控等场站数据和视频监控系统建设,上述数据上传本级主管部门监控平台情况。
(二)钢瓶溯源系统建设及数据上传本级主管部门监控平台情况。
(三)场站安全系统建设情况。
主要内容:安全泄放系统、紧急切断系统、紧急注水及注胶卡具等。
(四)燃气场站消防、防雷措施。
四、城镇燃气管网安全运行情况(一)燃气管网附近与建(构)筑物的安全间距是否满足规范要求,特别是天然气管道被违法占压、违章搭盖的部位。
(二)燃气企业管道巡线巡查记录,燃气管道周边第三方施工现场管控情况记录和燃气管道安全警示标志设置情况。
(三)管道周边滑坡、泥石流、坍陷等地质灾害防范措施。
(四)管道泄漏情况、标识牌、标示桩设置情况,燃气企业区域总部调度中心运行情况、巡线人员实时在线监测情况。
(五)管道投入使用时间、投入使用以来年度检查、定期检测情况。
五、瓶装液化石油气充装、配送、入户安检情况(一)充装记录、配送记录,电子台账建设。
(二)入户安检情况:居民用户清单、已入户安全检查清单、发现安全隐患清单、整改清单及有关数据汇总。
六、人员密集场所燃气安全使用情况(一)大型综合体、集贸市场、学校、医院、餐饮等场所用气安全情况,重点排查燃气管道腐蚀、漏气情况,管道燃气使用场所通风情况,燃气用具、连接软管、减压阀和燃气泄漏报警装置安装使用情况。
燃气主管部门履行安全监管职责情
况检查表
项目
检查
内容
检查办
法
检查
情况
一、
落实燃气安全生产责任制
1.贯彻落实燃气安
全管理的法律法规、标
准、规范;及时部署、
督促和检查本地区燃气
安全管理工作;
2.组织编制(修编)
燃气发展规划,并监督
落实;
3.将燃气安全监督
管理列入单位年度工作
计划,有年度燃气安全
管理工作计划和工作总
结;
4.坚持燃气安全管
理例会制度;
5.健全燃气安全生
产考核体系,明确本部
门领导及各职能部门领
导的安全责任,层层分
解签订责任书;
6.健全落实燃气安
全管理激励和约束机
制;
7.督促所属燃气生
产经营单位健全安全管
理机构,配备专(兼)
职燃气安全管理人员;
8.把燃气安全作为
本部门业绩考核的重要
内容,实施燃气安全
“一票否决制”。
1.查看贯彻落实燃气
安全法律法规、标准规范
的材料;查看部署、督促
和检查燃气安全管理工作
的文件;
2.查看燃气专项规
划;
3.查看年度工作计划
和工作总结;
4.查看召开燃气安全
管理例会制度的会议记
录;
5.查看签订的责任
书;
6.查看责任追究及奖
惩考核办法;
7.查看建立燃气安全
管理机构和专(兼)职燃
气安全管理人员任职的文
件;
8.查看安全生产“一
票否决”执行情况记录。
二、燃气经营许可证的发放与审核
1.严格按照许可条
件进行审查,将办理行
政许可过程中形成的文
书材料按照要求归档、
备案;
2.对准予行政许可
的决定,按照要求在政
府网站上(或办公场所)
予以公开;
3.依法查处燃气经
营违法行为,清理整顿
燃气经营市场。
1.查看留存归档的许
可文书材料是否齐全、规
范;
2.查看是否按照要求
予以公开,公众是否可以
查阅;
3.查看打击无证经营
和开展燃气市场清理整顿
工作的文件、报告。
三、
燃气安全隐患排查及监控
1.全面部署燃气安
全隐患治理工作,制定
工作方案;
2.燃气隐患排查治
理制度健全,工作规范,
数据完整真实并按时上
报;
3.重大燃气隐患实
行“一患一档”,按期
整改率达100%,执行安
全事故逐级上报制度;
4.重大节日、重大
活动、重点时段主管部
门领导带队开展燃气安
全检查,每年不少于4
次,并将检查和评价结
果予以公布;
5.全面建立燃气重
大危险源“一源一
档”,加强分级管理,
落实监控措施;
6.结合实际,组织
开展燃气安全专项整
治;
1.查看燃气安全隐患
治理工作方案;
2.查看是否建立健全
燃气安全隐患排查治理工
作制度;
3.查看重大事故隐患
“一患一档”台帐和整改
资料;
4.查看主管部门领导
带队进行安全生产检查的
资料和检查记录;
5.查看重大危险源
“一源一档”台帐资料;
6.查看开展燃气安全
专项整治方案和总结;
7.查看上报燃气基本
数据和工作信息。
7.及时上报燃气基本数据和工作信息。
四、
应急预案的制定与演练
1.制定完善本部门
及燃气企业重大事故应
急预案,纳入社会公共
安全应急预案,并向上
级备案;
2.落实应急救援人
员、急救援装备和救援
物资;
3.针对燃气安全重
点部位、薄弱环节定期
组织应急救援演练。
1.查看本部门及所辖
燃气企业是否制定重大事
故应急救援预案;是否纳
入社会公共安全应急预
案;是否向上级燃气主管
部门备案。
2.查看是否落实应急
救援人员、急救援装备和
救援物资;
3.查阅演练记录。
检查日期:检查人员签字:。