MQ型万能工具磨床技术说明书
- 格式:doc
- 大小:18.08 KB
- 文档页数:4
万能磨床工安全操作规程范本第一章总则第一条为了保证万能磨床工作过程中的安全和人身财产的安全,根据相关法律法规和行业规范,制定本规程。
第二条本规程适用于所有从事万能磨床作业的工作人员。
第三条万能磨床工作应遵循“预防为主、安全第一”的原则,加强安全意识和技能培训,严格按照操作规程执行,有效控制各类安全风险。
第二章工作前准备第四条工作人员应在进入万能磨床作业区域前穿戴好工作服和防护用具。
工作服应紧身、无纺织尘埃、静电和火花产生的可能;工作帽应坚固、舒适、透气;防护用具包括安全鞋、手套、耳塞等。
第五条工作人员应了解所处理材料的性质、工作程序、加工工艺和设备特点,熟悉设备的使用说明书,确保正确操作。
第六条工作人员应检查万能磨床设备的安全装置和功能,确认无异常情况后方可进行操作。
第三章操作技术第七条万能磨床工作人员应掌握专业技术和操作流程,具备安全意识和应急处理能力。
第八条操作前应检查磨具的固定情况,确保磨具安全牢固。
第九条对于需加工的材料,工作人员应按照要求进行装夹并检查装夹情况,确保稳定。
第十条操作时,工作人员应保持专注、沉着,严禁敷衍塞责,确保安全操作。
第十一条工作人员应掌握良好的刀具使用和更换技巧,避免刀具损坏和误操作造成人身伤害。
第十二条定期检查万能磨床设备的电气线路和连接是否正常。
发现异常应及时维修或报告相关负责人。
第四章安全措施第十三条操作过程中应保持工作场地整洁,无杂物、无滑倒隐患。
第十四条严禁超载操作,应按照设备规定的加工工艺和参数进行操作。
第十五条在加工过程中,特别是涉及高温、高压、高速等情况时,必须佩戴防护用品,如安全眼镜、防护面罩、耳塞等。
第十六条在设备异常、电力故障、刀具损坏等情况下,应立即停止操作,并及时报告相关负责人。
严禁私自维修设备。
第五章应急处理第十七条发现火灾、爆炸、漏电等紧急情况时,工作人员应立即切断电源、使用灭火器灭火或喊叫求助。
第十八条发生意外伤害时,工作人员应立即停止操作,及时采取急救措施,并报告相关负责人。
万能磨刀机的使用方法,万能工具磨床,万能分度头发布:vctool2010 文章来源:东莞市维昶精密机械有限公司点击数:230 更新时间:2010-07-22 10:59:40 评论0 1.步骤一: 将硬质合金园棒开扁将硬质合金园棒插入磨刀机刀架上刀具弹簧夹头后,在刀架位置插销状态处于锁紧时, 分度盘槽为0°基准线,均匀转动长轴微调装置手柄,便刀具慢慢向左方向磨削前进,把将硬质合金园棒磨扁一半,在磨扁时尽量使用刀架以光长轴为轴心上下移动自行修磨砂轮表面的方法, 这样可避免将砂轮磨出沟痕来,一般情况开扁尺寸最后精磨要保证留下刀面高出园棒中心0.01-0.03MM注:本初加工工序最好采用150-320粒度金刚石粗精加工砂轮.2.步骤二: 将开扁后的刀具磨成锥度松开水平锁紧手柄,转动水平刀架回转装置到1/2刀具锥角计算度数(如:要磨60°的锥尖刀,必须转动到30°-经验角度5°=25°的位置)锁死,调整刀架位置插销为未插入槽内的自由状态时,左手均匀转动长轴微调装置手柄,在刀具慢慢向左方向磨削前进的同时,右手均匀转动刀架收紧螺母手柄使刀具被磨成锥体形状.此工序不能完全将刀尖磨尖,必须留0.4mm左右余量. 注:本初加工工序最好采用320金刚石精加工砂轮.3.步骤三: 刃磨刀具的刃口部分调整刀架分度盘旋到原定基准线0度槽线上, 向右旋转6格槽使刀具开扁面水平向上位置. 再调整刀架分度盘向右转动2格为槽线上位置,使插销状态锁紧使刀具固定不能转动,此时左手均匀转动长轴微调装置,便刀架慢慢向左方向磨削前进,把a点刀具左切削刃口精磨出来.注:本初加工工序最好采用320-400金刚石精加工砂轮.如需更好的表面质量可用600-1200金刚石超精加工砂轮4.步骤四: 刃磨刀具后背部分在确定磨好切削刃口部分a点以后, 拉提插销到位置2上, 使刀架转动位置刀具能在限位块内转动, 加工c 点和超过b点回转磨出后刀背, 这样顺时针右手均匀转动刀架螺母手柄同时少量左手均匀转动长轴微调装置,便刀架慢慢向左方向磨削前进使刀具后刀面滚边磨出.5.步骤五: 刃磨刀具刀尖部分刀具磨成型后,松开锁紧刀架收紧螺母手柄使刀具处于松开状态把它从弹簧夹头中取出,用双手握住刀柄部分,垂直于砂轮端面仰20-30°后角把刀尖在砂轮端面上轻抛一下同时顺时针一转即可,主要是控制实际加工对刀宽度的要求,一般为:0.1—0.2MM.(这个技术对熟练工人很简单,但初学者要多试几次).注:本初加工工序最好采用320-400金刚石精加工砂轮. 如需更好的表面质量可用600-1200金刚石超精加工砂轮。
磨床操作规程示范文本In The Actual Work Production Management, In Order To Ensure The Smooth Progress Of The Process, And Consider The Relationship Between Each Link, The Specific Requirements Of EachLink To Achieve Risk Control And Planning某某管理中心XX年XX月磨床操作规程示范文本使用指引:此操作规程资料应用在实际工作生产管理中为了保障过程顺利推进,同时考虑各个环节之间的关系,每个环节实现的具体要求而进行的风险控制与规划,并将危害降低到最小,文档经过下载可进行自定义修改,请根据实际需求进行调整与使用。
适用机型:1、无心磨床:M1040,MM1040,WX-036,M1042,MGT1050,M1075(3180),M1075K(3Б180),M1080·M1080G,M10100,M1083,M1084T,MZ10160,BB6,GR-150,M1081(3182),M1083A,RFC-1-200。
2、外圆磨床:MM1312,MB1312,MMB1312,M113(3153M),M115(3151),M115A,M115K(3152),M115?,M120,MQ1320,M125(3160A),M125K(3161),M131,M1332,MB1332A,F250毫米万能外圆磨床,仿3160,3164,MQ1350A,M1412,M115W,M120W(312M),MMB1412,MQ1420,MMB1420,M130W (3130),M131W,M1432A,3Γ12M,MS1332A,3152H24,M132A,M1432,M1432A,M1450A,M1432B,3162,XШ-115H1,BUA31/2000,磨131(万能),J4-001,J4-001A。
MQ6025A万能工具磨床MQ6025A万能工具磨床是我国较新型的万能工具磨床,结构新颖,性能可靠.其磨头升降回转自由度大,可快速机动升降亦可手动,采用多楔尼龙带传动性能好,适用于磨削外圆、内圆、平面、沟槽、内外锥面、斜面等,尤可打磨各种车刀、铣刀、铰刀、拉刀、斜槽滚刀、插齿刀及其它特殊刀具和样板。
(原建阳磨床厂)MQ6025A万能工具磨床技术参数磨削工件最大直径¢250mm 前后顶尖距¢630mm后顶尖与万能夹头顶尖距490mm 工作台台面(长×宽)950×135mm工作台最大回转角度±45°工作台最大移动量纵向490mm横向320mm顶尖中心线对砂轮中心线间最小距离65mm顶尖中心线对砂轮中心线间最大距离295mm磨头最大垂直移动量顶尖中心线以上175mm顶尖中心线以下55mm刻度盘转一周磨头垂直移动量2mm 刻度盘转一格磨头垂直移动量0.01mm主轴末端锥度1:5砂轮最大直径普通150mm 金刚石125mm砂轮最大厚度普通16mm 金刚石32mm主轴转速4200:5600(rpm)主传动电机功率0.75kw转速2800(rpm)机床重量净重1000kg毛重1200kg机床外形尺寸长×宽×高1560×1224×1790。
万能工具磨床操作规程1、操作者必须熟悉本设备的结构性能、使用特点、维护保养要求。
凭操作证开动设备。
严禁超负荷使用设备。
2、操作者必须按照操作工人“三好四会”、“四项要求”使用设备。
认真执行设备一级保养计划。
3、操作者要严格遵守“交接班制度”,按“设备交接班内容”逐项检查设备。
确认各部正常后方可使用设备。
4、操作者必须按润滑“五定”要求,搞好设备润滑。
做好以下工作:①开车前按设备润滑图表规定注油。
保持油量适当、油质符合要求、油压调整正常、油杯油线清洁,盖好油盖。
②冬季润滑油油温一般不得低于12℃。
③工作前先低速运转3—5分钟,确认油路畅通、润滑良好、各部运转正常后,再开始工作。
试运转时要注意安全。
④操作者每周必须清洗一次油毡油垫,并协助润滑工搞好周期换油。
5、砂轮应防止受潮湿,使用时要严格检查,发现裂纹禁止使用。
6、在砂轮与法兰盘之间应垫以0.6—1毫米的纸板,压紧时用力要均匀。
7、修整砂轮时金钢石必须尖锐,其尖点高度应与砂轮中心线一致,禁止使用磨钝的金钢石。
8、装卸和测量工件时,必须将砂轮退离工件和停车,装夹的工件必须牢固。
9、根据工件材料合理选择砂轮与磨削用量。
10、在磨削过程中,工件未离开砂轮,不得中途停车。
11、没有安装砂轮防护罩者,严禁使用,吸尘装置必须畅通好用。
12、禁止在工作台面和油漆面上放置金属物品。
13、禁止在顶尖间、工作台面、床体上敲打和校直工件。
14、禁止在锥孔内安装与原锥度不符或锥体上有磕痕不清洁的工具。
15、使用顶尖时,必须保持两顶尖的清洁润滑与精度,并经常检查其同心度。
16、使用各种支架(或托架时),要注意经常检查其与工件的接触面是否可靠和润滑情况。
17、经常注意检查工件坚固情况和砂轮的锐利情况,砂轮变钝时应立即修整,不得强行使用。
18、设备开动后禁止操作者离开工作岗位或托人代管。
19、工作中必须经常注意设备各部运转状况和润滑情况,如有异常现象,应立即停车检查。
20、下班前须将工作台置于中间位置上,并切断电源。
万能工具磨床安全操作要求范本一、机器安装与维护1. 机器应安装在坚固的底座上,并确保底座稳定可靠,以防止机器运行时的晃动和震动。
2. 在安装过程中,请遵循制造商提供的安装指南和技术参数,确保机器安装正确无误。
3. 定期检查磨床的运行状态,确保发现并及时修复任何机械问题。
二、个人防护装备1. 在操作磨床之前,必须佩戴适当的个人防护装备,包括安全眼镜、耳塞、口罩和安全手套。
2. 穿戴适当的工作服,松散的衣物和长发必须束起来,以防止卷入机器。
3. 不得戴手表、项链、戒指等松动物品,以免被夹紧或缠绕在机械部件上。
三、安全操作规程1. 在操作磨床之前,必须先熟悉机器的使用说明书和操作手册,了解机器的各个部件和工作原理。
2. 在进行任何调整和维修之前,必须首先切断电源,并确保机器处于完全停止状态。
3. 在启动机器之前,应检查操作台、磨轮、夹持装置和防护罩等元件是否正常,并确保它们被正确地安装和调整。
4. 在操作磨床时,不得进行其他杂物的堆放,保持工作区域整洁,以防止意外碰撞和滑倒。
5. 严禁在磨床上操作超过机器规格范围的工件,以免引起机器的过载和故障。
四、使用磨削工具和磨具1. 使用具有合适尺寸和质量的磨削工具,确保磨削刀具的质量和尺寸符合要求,以避免磨削过程中发生意外事故。
2. 选择合适的磨具,根据工件的种类和要求选择合适的砂轮类型、尺寸和硬度等参数。
3. 在安装和更换砂轮时,必须切断电源并等待砂轮完全停止转动,确保安全地进行这些操作。
4. 在调整砂轮和夹持工件时,必须使用适当的工具,并遵循正确的操作方法和设定参数,以保证工作效果。
5. 避免过于加压和拖延磨削时间,防止砂轮过热和工件过度磨损。
五、处理磨削粉尘和废弃物1. 在使用磨床时,应使用抽风设备或其他有效的粉尘控制措施,以防止砂轮磨削时产生的粉尘对工人的健康产生不良影响。
2. 砂轮磨削结束后,清理工作区域中的废弃物和粉尘,将其妥善处理,确保工作区域干净整洁。
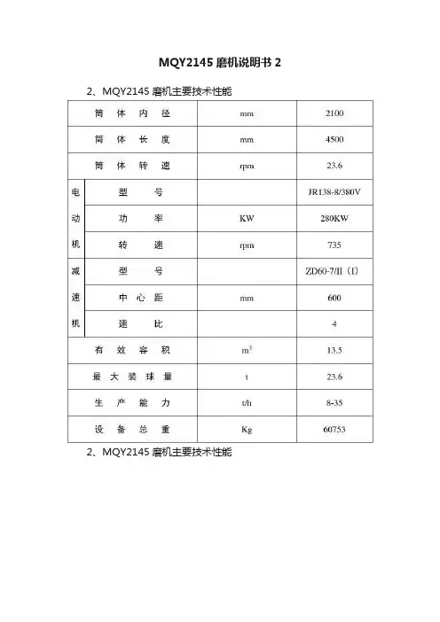
MQY2145磨机说明书2 2、MQY2145磨机主要技术性能
2、MQY2145磨机主要技术性能
3、用途及特点
3.1用途:
球磨机主要用于小型选矿工业、小水泥工业、化学工业与建筑工业等部门干磨或湿磨中等硬度的矿石和原料。
3.2特点:
MQYl530主轴承采用固体二硫化钼润滑,将润滑块压在轴颈上并固定,上部加压铁即可,节省了一套润滑装置,杜绝了漏油现象。
经实践证明,固体润滑安全可靠,维护简单方便,一般2~3月更换一次。
如用户选用稀油油杯润滑,应自行配置油杯和油管。
MQY2145采用稀油站润滑,用户应另行订购稀油站及自行配制
润滑管路。
二、制造、安装说明
l、制造技术条件
本球磨机的制造符合国家各项技术标准一一切削加工件通用技术要求(J。
B/ZQ4000·2-86):焊接件通用技术要求(JB/ZQ4000·3-86):铸件通用技术要求(JB/ZQ4000·5.86);锻件通用技术要求(JB /ZQ4000·7-86);涂装通用技术条件(JB/ZQ4000·lO.88);装配通用技术条件(JB/ZQ4000·9-86)等。
2、对基础的要求
2.1球磨机中心线标高应按工艺要求确定。
在进行本机地基设计时,可参考产品制造厂所提供的基础资料图纸进行设计,但不能用作施工图。
第4页。
万能外圆磨床操作规程1. 前言万能外圆磨床是常用的金属加工设备,广泛应用于机械加工、模具加工、车削加工等领域。
本文将着重介绍万能外圆磨床的操作规程,帮助操作者熟练掌握操作技巧,确保操作的安全和加工效率。
2. 设备概述万能外圆磨床是一种常见的金属加工设备,主要由主驱动系统、进给系统、切削系统、控制系统等部分组成。
工件从工作台上定位,经过磨头的旋转运动和进给系统的移动来进行磨削加工,从而实现对工件精细加工的目的。
3. 操作规程3.1 准备工作1.首先要认真阅读磨床的使用说明书,了解磨床的各项性能、操作方法及注意事项。
2.确保操作场地清洁整齐,周围无障碍物,保持安全通道畅通。
3.检查磨床的油路、液压系统和电气系统有无异常。
有异常应立即停机排除故障。
对于不熟悉的问题,应及时向专业人员咨询解决。
3.2 磨削加工1.将工件与磨头精确对准,调整好进给量及进给速度,确定磨削方向。
2.打开机床,启动电机,按下启动按钮,磨头开始旋转,进行磨削。
3.开始磨削后,要注意观察磨削状态,注意保持稳定的进给速度和进给量。
4.当磨削到一定深度后,应适当停机检查,看磨削效果是否符合要求,如有需要可以进行微调或更换磨头。
5.磨削时要保持工件及磨头的润滑,要保证润滑油道畅通,及时添加润滑油。
3.3 停机操作1.磨削结束时,应先将进给系统归零,在停止电机前稍停一段时间,等待磨头完全停止后再关闭机床电源。
2.工件和夹具应轻拆轻装,不得损坏机床零部件。
3.操作人员离开工作区域后,应及时切断电源。
4. 安全注意事项1.操作人员应穿戴好防护用品,如护目镜、手套、防尘口罩等。
2.在操作过程中,不得触及机床旋转部件、传动零部件和机床进给止点等危险区域。
磨削工作时,不得伸手触摸磨头。
3.开机前应检查机床各部位有无卡住、卡死等现象,电气、液压系统是否正常,是否符合要求。
4.长时间操作机床时,应注意防护耳朵。
如出现头晕、头痛等现象,应立即停止操作。
5. 结束语以上就是万能外圆磨床操作规程的简要介绍,磨削加工是一项技术活,需要操作者熟练掌握相关技能和注意事项,提高工作效率的同时确保人身安全。
万能磨刀机作业指导书文件编号 WI-ENEQM-172万能磨刀机操作作业指书书版次:A 总共页次 1 OF 2一目的:为确保机床操作安全,提升工作效率及防止安全事故发生。
二范围:适用于车刀、钻头以及CNC刀具的研磨。
三定义:无。
四权责:工模课所有操作人员(含开、修模师傅、技术员)。
五作业内容:5.1 操作人员在加工时需戴上防护镜、口罩,精神状态要饱满,衣装要整洁;5.2 磨刀前将磨刀房的窗户及排气扇打开,使磨刀房处于通风状态 ;5.3 磨刀前检查砂轮是否紧固和偏心,磨损是否严重,否则必须紧固、调整和修磨 ;5.4 在进行刀具开磨半径时必须用千分尺进行测量 ;5.5 磨制锥刀锥角时,磨刀机刀架角度必须依照表格中理论锥角与后角对应值调整,严禁不参照表格随意操作 ;5.6 在点磨刀尖时要参照表格中理论刀具底直径与后角对应值,切忌不点磨到理论底直径值,点磨时要用50倍放大镜进行观测刀具的实际底直径,严禁用千分尺及卡尺进行测量刀具;5.7 在磨刀具过程中,刀具向砂轮方向的进给量不能过大,严禁违规野蛮操作 ;5.8 在用放大镜观测刀具等暂停使用磨刀机时,必须关掉磨刀机电源 ;5.9、报废的刀具要放入指定的废料盒,严禁随意丢弃 ;5.10 离开磨刀房时必须把磨刀机擦拭干净,清洁磨刀房,整理并放好工、量具,做好“四关”即:(关机、关灯、关扇、关窗);六参考文件:万能磨刀机操作说明书。
七附件:7.1 设备维护保养卡………………………………………………………………… FMEN12 八记录保存相关记录保存依“记录管制作业指导书”执行。
文件编号 WI-ENEQM-172万能磨刀机操作作业指书书版次:A 总共页次 2 OF 2九图片。
万能工具磨床安全操作说明引言:万能工具磨床是一种被广泛应用于机械加工领域的设备,它能对各种材料进行切削、磨削和抛光。
然而,由于其高速旋转的工作原理,操作过程中存在一定的安全风险。
为了保障操作人员的人身安全和设备的正常运行,本文将介绍万能工具磨床的安全操作规范和注意事项。
一、预备工作:在进行任何操作之前,必须确保以下准备工作已经完成:1. 了解磨床的操作规程和相关安全知识;2. 确认磨床的工作环境安全可靠,没有杂物和障碍物;3. 磨床的电源线应与电源插座连接牢固,电源插座必须具有良好的接地性能;4. 佩戴符合标准的个人防护装备,包括安全帽、护目镜、防护手套和耳塞等。
二、操作规范:1. 使用前检查:在启动磨床之前,应仔细检查切削工具和磨盘是否安装正确,切勿使用损坏或不适合的刀具。
同时,检查磨床的固定螺栓是否紧固,以免导致设备震动或异常运行。
2. 启动和停止操作:在启动或停止磨床时,请按照设备的说明书操作。
在启动时,应保证工件与切削工具之间有足够的间隙,以防止碰撞造成意外。
停止操作后,应等待切削工具完全停止运转后再对设备进行维护或调整。
3. 加工操作:- 设定磨削参数:在进行加工操作之前,根据工件的要求设定合适的磨削参数,包括磨盘转速、进给速度和切削深度等。
选择错误的参数可能导致工件损坏或设备故障。
- 安全操作位置:操作人员应站在设备的侧面,并将双手放在安全操作位置上,避免双手接触到旋转部件。
切勿将手指或其他物体伸入磨床的切削区域。
- 加工期间注意事项:加工过程中,应始终密切关注工件和切削工具的状态。
如果发现工件过热、切削工具磨损严重或设备有异响等异常情况,应立即停止操作,并进行检查和维护。
4. 清洁与维护:- 清洁:在操作结束后,应及时清理磨床和周围区域的残留物,确保设备的清洁和卫生。
- 维护:定期检查磨床的各个部件是否松动或磨损。
如发现问题,请及时修复或更换。
- 保养:根据磨床的说明书和维护手册来进行定期维护和保养,包括更换润滑油、清洁滚柱和定期校准磨盘。
工具磨床使用方法_工具磨床操作步骤及流程内容来源网络,由“深圳机械展(11万㎡,1100多家展商,超10万观众)”收集整理!更多cnc加工中心、车铣磨钻床、线切割、数控刀具工具、工业机器人、非标自动化、数字化无人工厂、精密测量、数控系统、3D打印、激光切割、钣金冲压折弯、精密零件加工等展示,就在深圳机械展.工具磨床是金属切削加工必要的辅助设备,用来刃磨各种金属切削刀具。
由于金属切削加工工艺不断改进,金属切削机床随之不断革新,这就需要新的切削刀具,而对刀具的刃磨也不断提出新的要求。
工具磨床精度高、刚性好、经济实用,特别适用于刃磨各种中小型工具,如铰刀、丝锥、麻花钻头、扩孔钻头、各种铣刀、铣刀头、插齿刀。
以相应的附具配合,可以磨外圆、内圆和平面,还可以磨制样板、模具。
采用金刚石砂轮可以刃磨各种硬质合金刀具。
【工具磨床】工具磨床如何使用?使用工具磨床注意事项工具磨床是专门用于工具制造和刀具刃磨的磨床,有万能工具磨床、钻头刃磨床、拉刀刃磨床、工具曲线磨床等,多用于工具制造厂和机械制造厂的工具车间。
工具磨床使用方法1.首先确定铣刀的直径,如果您要修磨8MM的立铣刀,那就选用8MM的夹头,然后将铣刀锁在50D的套筒上。
2.摆好角度,将铣刀套筒略微摆4°(铣刀底面斜角在2°-6°之间)3.开始修磨底面,比如说4刃铣刀,将铣刀对准砂轮,完成对刀步骤后然后修磨铣刀的底面斜角,修磨完一个刃然后更换另外一个刃口依次修磨。
4.修磨铣刀中心逃隙角,将套筒摆到10°左右,依次修磨各个铣刀刃的中心逃隙角。
5.依次修磨铣刀第二间隙角6.修磨铣刀侧刃,用顶尖顶住铣刀螺旋槽,对准砂轮,推动套筒修磨铣刀螺旋侧刃。
按照以上所述万能工具磨床修磨立铣刀方法操作,就能让您的铣刀依旧变新,解决铣刀修磨难题。
使用工具磨床注意事项1、安全预防措施应让持有电工操作证的专业人员进行电器安装或维修。
2、开机前检查电机铭牌上的电压和频率是否和电源一致。
MQ6025A型万能工具磨床技术说明书设备介绍:工具磨床是金属切削加工必要的辅助设备,用来刃磨各种金属切削刀具。
由于金属切削加工工艺不断改进,金属切削机床随之不断革新,这就需要新的切削刀具,而对刀具的刃磨也不断提出新的要求。
工具磨床制造业的历史,在机床行业中甚为年轻。
在磨床生产的一百多年的历史中,过去对工具磨床的生产一直不够重视,第一台万能工具磨床于1889年首先由美国辛辛那提公司制成,随后,美国诺顿公司于1890年试制成功了万能工具磨床,但当时都是采用齿轮皮带传动,结构简单,效率很低。
在近三十年来,随着工业的发展和科学技术的进步,才绽工具磨床的生产有了较快的发展,不但出现了半自动、全自动工具磨床,而且数控工具磨床也开始应用。
工具磨床是专门用于工具制造和刀具刃磨的磨床,有万能工具磨床、钻头刃磨床、拉刀刃磨床、工具曲线磨床等,多用于工具制造厂和机械制造厂的工具车间。
主要部件:MQ6025A型万能丁具磨床是性能比较优良的改进型T具磨床。
它装上附件后,除可以刃磨绞刀、铣刀、斜槽滚刀、拉刀、插齿刀等常用刀具和各种特殊刀具以外还能磨削外圆、内网平面以及样板等,加工范围比较广泛。
1、床身床身是一个箱形整体结构的铸件,其上部前面有一组纵向V形导轨和平导轨;在后面有一组横向的V形导轨和平导轨。
纵向导轨装有工作台.横向导轨上装有横向拖板,床身左侧门及后门内装有电气元件等。
2、工作台工作台分上工作台和下工作台两部分,下工作台装在床身纵向导轨上,导轨上装有圆柱滚针,使工作台能轻便、均匀地快速移动。
工作台前后运动可有4个手轮操作,便于在不同位置操纵工作台进行磨削。
3、横向拖板横向拖板装在床身横向导轨上,导轨之间有圆柱滚针。
横向传动由手轮通过梯形螺杆和螺母传动。
手轮转1圈为3mm,1小格为0.01mm。
由于手轮装在同一根丝杆上,因此站在机床前面和后面均可进行操作。
在横向拖板上装有磨头架及升降机构,摇动手轮,磨头架做横向进给。
mq6025a安装标准
MQ6025A万能工具磨床的安装标准包括:
1. 确定机床位置:选择一个平整、坚实的地面,确保机床稳定且便于操作。
2. 安装基础:根据机床规格和重量,建造适当的基础,以确保机床的稳定性和安全性。
3. 调整水平:使用水平仪将机床调整到水平状态,以确保磨削精度和稳定性。
4. 连接电源和水源:根据机床要求,连接适当的电源和水源,确保机床的正常运行。
5. 安装附件:根据需要,安装各种附件,如砂轮、冷却液等,以确保机床的功能和安全性。
6. 检查验收:在安装完成后,进行全面检查,确保机床符合安装标准和使用要求。
以上是MQ6025A万能工具磨床的安装标准,具体标准可能会因机床型号
和制造商而有所不同。
建议参考机床的使用说明书或与制造商联系,以获取更详细的安装指导。
MJ6020A万能工具磨床操作说明(补充)一、安全操作规定1.机床应用螺栓安全固定,保持竖直向上,不得颠覆倾倒。
工作区域及通道应干燥整洁、安全畅通、通风、光线良好,电源线不得相互缠绕,应远离高温、油污易损的场所;2.开动机床前,请仔细阅读机床使用说明书,熟悉机床结构、各手柄功能、传动润滑系统及安全操作规范后,才可操作本机床;3.机床的电源插头、插座安装应牢固可靠,接触良好,禁止非电气专业人员安装和维修机床的电气系统;4.开动机床前应检查电源的电压和频率是否与电动机铭牌要求一致;5.开动机床前应检查电气系统保护接地的可靠性;6.工作前必须锁紧机床中应该锁紧的手柄。
工件应可靠夹紧。
开动机床前,应固定好砂轮防护罩并随手拿掉留在机床上的的扳手等工具。
7.禁止戴手套操作并注意不得用手触模旋转的砂轮、工件,以免受伤;8.禁止在开动的机床上安装工件和更换砂轮;9.在操作机床时,应注意保护双手、眼睛和脸部,按规定佩戴护目镜、工作帽等防护用品。
长发应盘入帽内,长袖卷到肘部以上;10.在保养和维修机床之前,一定要先切断机床电源,确认安全后,方可进行;11.在接通电源前,应确保机床开关处于断开位置,工作完毕或临时离开时,请随手关闭机床电源开关;12.机床在工作中出现故障及不正常响声,应立即切断机床电源,检查原因,排除故障后,方可重新开动机床;13.工作时应保持警惕,禁止在酒后及疲劳状态下操作机床。
二、维护和保养1.使用机床前必须阅读说明书,熟悉机床的结构,各手柄的功能,传动和润滑系统。
2.使用机床前应机床的润滑说明添加润滑油。
3.使用机床前应检查各锁紧部位是否夹紧,检查砂轮架升降系统及工作台移动和电气设备是否正常。
4.使用时应根据磨削刀具的材料和加工部位要求选择合适的砂轮,并及时对砂轮工作面进行修整。
5.如果机床在工作过程中发生故障或不正常响声,应立即切断输入电源,检查原因。
6.使用时应保持导轨面清洁。
工作完毕后,应清除机床上的沙粒、铁屑和尘污,并在未涂漆表面涂上防锈油,以防锈蚀。
万能外圆磨床技术要求我公司冲压车间根据生产的需要,要求定制万能外圆磨床,主要用于机械加工车间和模修车间。
该设备的技术参数与性能要求如下:一、设备的主要技术参数电源: 380V 50Hz 三相五线制环境温度: 5~40℃环境湿度: 45~80%工作制度: 三班/日.年工作日: 300天1、由电气及液压传动系统控制,实现纵磨和切入磨循环。
机床工作台的纵向移动,可液压无级传动,也可手轮传动,是一种手动操纵、电气、液压控制的万能外圆磨床。
2、床身为整体铸铁结构,内部筋板是箱型布置,使机床具有很高的刚性和精度及表面耐磨性3、工作台的润滑为小孔节流卸荷形式。
砂轮架主轴加粗,电机功率加大。
砂轮架油池温升小,磨削率高。
4、机床工作台的纵向移动、砂轮架的快速进退、砂轮自动周期进给等均由操作按钮、电气、液压控制。
机床具有工作台手动机构,砂轮架手动横向进给机构和液压脚踏尾架顶尖后退装置。
5、头架在逆时针方向90度范围内可作任意角度调整。
摆动头架或工作台或砂轮架的角度即可磨削不同锥度的内外圆锥形工件。
将砂轮架体壳上的内圆磨具支架翻下即可磨削内圆零件。
具有6套内圆磨杆供选择使用。
6、工件、外圆砂轮、内圆砂轮、油泵和冷却泵分别由独立电机驱动。
7、机床采用具有各运动部件的电气、液压连锁机构,操作安全可靠。
外圆砂轮、内圆砂轮装有可靠的安全保护罩。
三.乙方向甲方在设备交货时提供随机使用说明书2套;使用说明书中的内容:1.设备的操作使用要求及注意事项;2.设备的平面布置图及基础图;3.安装所需的装配图和管路图;4.提供标准件及配套件清单,必须写明名称、规格、数量及配套厂家;5.提供易损件图纸,要求按图纸可以加工制造;6.提供电气原理图,电气柜接线图;7.液压工作原理图四、设备的售后服务及其他1、该设备的质量根据国家规定实行“三包”,“三包”期限为设备安装调试终验收合格后十二个月,“三包”费用由乙方负责。
2、该设备在甲方现场最终验收合格,双方签字后,才能视为正式交货。
万能磨床安全技术操作规程前言万能磨床是一种重要的工业加工设备,它可以进行金属和非金属材料的精密加工。
在使用万能磨床进行加工时,必须严格遵守安全操作规程,以保障工作人员的人身安全和设备的运行安全。
本文将介绍万能磨床的常见操作技术和操作规程。
基本操作技术1.配件装卸技术在使用万能磨床进行加工时,必须先安装所需要的磨头和磨具件等配件。
装卸配件时,必须关闭电源,拆下螺栓和螺母,将配件轻轻插入拉杆卡头的爪子中,旋转拉杆杆体并紧固螺母。
2.磨床切削液使用技术为了保证磨床切削刃和工件表面的质量和光洁度,需要经常使用一定量的磨床切削液。
使用前必须充分了解磨床切削液的种类和使用方法。
在使用时,必须遵循厂家提供的切削液使用指南。
3.磨头调整技术在进行加工时,需要选择相应的磨头和磨具件,并按照要求进行调整。
调整时,必须关闭电源,解开旋紧螺母,将磨头适当旋转和调整到指定位置。
4.工件装夹技术在使用万能磨床进行加工时,必须使用专用的工件装夹件和夹具件,将工件安装牢固。
装夹过程中,必须充分考虑工件的形状、材质、尺寸和加工表面的要求,选择合适的产品进行装夹。
操作规程1.安全措施在使用万能磨床时,必须遵循以下安全措施:•操作前必须了解和掌握相关的安全知识和操作规程;•磨床和刀具必须经过检查,确保安全操作;•操作时必须穿上安全服、防护手套、安全鞋,避免机器抛出的切削液对人身的危害;•必须戴上护目镜、面罩,避免工作过程中眼睛受到伤害。
2.操作流程在使用万能磨床时,必须遵循以下操作流程:•安全措施:佩戴正确的防护装备;•准备磨床:合理配备刀头、磨具、切削液等;•设置加工参数:按要求设定磨头和工件的加工参数;•开始加工:启动磨床,进行加工过程;•观察过程:在加工过程中,必须仔细观察磨头和工件表面质量;•调整参数:如有必要,调整磨头和工件的加工参数;•结束加工:完成加工任务后,关闭磨床,拆卸刀头;•清洁工作区:清理工作区,管道和机器表面。
万能工具磨床安全操作说明磨床是一种重要的金属加工设备,广泛用于工业生产中。
但由于其工作过程涉及高速旋转的磨削轮和金属材料,操作时必须严格遵守安全规定,以保障人身安全和设备正常运行。
本文将详细介绍万能工具磨床的安全操作注意事项,以防止意外伤害和设备损坏。
1. 磨床操作前准备在使用磨床之前,操作人员需要进行以下准备工作:1.1 熟悉操作手册:详细阅读并理解万能工具磨床的操作手册。
掌握设备功能、规格、工作原理以及相关的安全操作规程和警告事项。
1.2 检查设备:确保磨床无任何故障或损坏。
检查磨削轮是否完好无损,固定是否牢固可靠。
确保所有防护罩和安全装置齐全,并无松动或磨损现象。
1.3 准备适当的刀具和磨削材料:使用磨床时需要相应的刀具和磨削材料。
选择合适的磨削轮以及刀具规格,确保与工件要求相匹配。
1.4 安排合理的工作环境:确保操作区域整洁、通风良好,远离易燃、易爆等危险物质。
保持工作区域干燥,防止因湿滑导致操作不稳定。
2. 安全操作步骤2.1 穿戴个人防护装备:在操作磨床之前,必须穿戴合适的个人防护装备。
包括安全帽、护目镜、防护面罩、耳塞或耳罩、耐酸碱手套和防滑鞋等。
这些装备能够有效减轻事故发生时的伤害程度。
2.2 精确调整工作台高度:根据工件尺寸和磨削要求,调整工作台的高度。
确保工件与磨削轮之间的间隙合适,以避免刀具轻重不匀或发生过度摩擦。
2.3 固定工件和刀具:在开始操作前,必须将工件和刀具正确固定在工作台上。
确保工件牢固地夹紧在工作台上,并调整切削刃的方向与工件要求相匹配。
2.4 注意磨削轮选择和更换:在选用磨削轮时,应考虑工件的类型、硬度和尺寸等因素。
使用损坏或过期的磨削轮可能导致破裂或出现其他安全问题。
根据设备的操作手册,按照正确的步骤更换磨削轮。
2.5 合理操作磨床控制杆:磨床配备了各种控制杆,如起停开关、速度调节杆等。
在操作过程中,要合理使用这些控制杆,并遵循正确的操作顺序和安全规范。
2.6 维持工作区域整洁:在操作期间,要时刻保持工作区域整洁。
书术说明技万能工具磨床6MQ025A型:设备介绍工具磨床是金属
切削加工必要的辅助设备,用来刃磨各种金属切削刀具。
由于金属切削加工工艺不断改进,金属切削机床随之不断革新,这就需要新的切削刀具,而对刀具的刃磨也不断提出新的要求。
在磨床生产的一百多年的历史中,在机床行业中甚为年轻。
工具磨床制造业的历史,年首先由美国辛辛1889过去对工具磨床的生产一直不够重视,第一台万能工具磨床于年试制成功了万能工具磨床,但当时都是1890那提公司制成,随后,美国诺顿公司于采用齿轮皮带传动,结构简单,效率很低。
在近三十年来,随着工业的发展和科学技术的进步,才绽工具磨床的生产有了较快的发展,不但出现了半自动、全自动工具磨床,而且数控工具磨床也开始应用。
工具磨床是专门用于工具制造和刀具刃磨的磨床,有万能工具磨床、钻头刃磨床、拉刀刃磨床、工具曲线磨床等,多用于工具制造厂和机械制造厂
的工具车间。
:主要部件除可以具磨床。
它装上附件后,型万能丁具磨床是
性能比较优良的改进型MQ6025AT刃磨绞刀、铣刀、斜槽滚刀、拉刀、插齿刀等常用刀具和各种特殊刀具以外还能磨削外圆、内网平面以及样板等,加工范围比较广泛。
1、床身
床身是一个箱形整体结构的铸件,其上部前面有一组纵向V形导轨和平导轨;在后面有一组横向的V形导轨和平导轨。
纵向导轨装有工作台.横向导轨上装有横向拖板,床身左侧门及后门内装有电气元件等。
2、工作台
工作台分上工作台和下工作台两部分,下工作台装在床身纵向导轨上,导轨上装有圆柱滚针,使工作台能轻便、均匀地快速移动。
工作台前后运动可有4个手轮操作,便于在不同位置操纵工作台进行磨削。
3、横向拖板
横向拖板装在床身横向导轨上,导轨之间有圆柱滚针。
横向传动由手轮通过梯形螺杆和螺母传动。
手轮转1圈为3mm,1小格为。
由于手轮装在同一根丝杆上,因此站在机床前面和后面均可进行操作。
在横向拖板上装有磨头架及升降机构,摇动手轮,磨头架做横向进给。
4、磨头及升降机构
磨头电动机采用标准型A1-7132电动机。
零件套装而成,机壳与磨具壳体铸成一个整体;电动机定子有内压装改成外压装,采用微型三角皮带带动磨头主轴转动。
磨头主轴两端锥体均可安装砂轮进行磨削。
转速为4200转/分、5600转/分两挡。
磨头电动机可根据磨削需要,作正反向运转,由操纵板转向选择开关控制。
磨头的升降机构采用圆柱形导轨,由斜键导向。
磨头升降分手动和机动两种。
手动时。
转动手轮,通过.
涡轮副减速及一对正齿轮升速,通过螺母、丝杆使导轨上升或下降。
机动时,按升降电钮(操纵板上的机动按钮),电动机启动,通过一齿差减速,经结合子连
接丝杆,经螺母使导轨升或降。
机床附件:、左、右顶尖座:左、右顶尖座
主要用来装夹带有中心孔的刀具以及需要用中心轴1装夹的刀具。
、万能夹头:万能夹头主要用来装夹端铣刀、立铣刀、三面刃盘形铣刀、角度铣刀2等,用
以刃磨其端面齿或锥面齿。
、万能齿拖架:万能齿拖架的作用是使刀具的刀齿相对于砂轮处于正确的位置,以3磨出需要的几何角度。
齿托片的形状很多。
可
根据实际需要自行制作,以供刃磨各种刀具时选用。
:操纵与调整1、工作
台的操纵和调整
①操作者站立位置的选择。
万能工具磨床在进行内、外圆磨削时,由于工作台操纵手柄在机床前面右侧,因此操作者应站在机床前面,这样便于操作和观察。
在进行刀具刃磨时,由于磨削形式不同,为了便于操作和观察,操作者一般站在机床工作台后面左侧或右侧。
②操纵手柄的选择和操纵方法。
根据磨削形式选择操纵手柄。
磨内、外圆时,操纵手轮,工作台慢速均匀移动。
刃磨刀具,操纵手轮,工作台快速移动。
③工作台行程距离的调整。
由于工作台是采用圆柱滚针导轨,操纵时稍不注意就会使行程过头。
在磨削时为了控制行程,可用挡铁来限位。
挡铁使用方法与外圆磨床挡铁使用方法基本相同。
2、磨头位置的调整
在进行刀具刃磨时,磨头按顺时针方向旋转90°,使磨头主轴轴线垂直于工作台轴线。
3、砂轮法兰盘或接长轴在磨头主轴上的装拆
①把砂轮装在法兰盘上,用专用扳手将螺母拧紧。
②把法兰盘连同砂轮一起套人磨头主轴上。
③插入锁紧销,使磨头主轴锁紧。
④旋上内六角螺钉,用内六角扳手拧紧。
⑤装上防护罩壳,拨出锁紧销.砂轮安装完毕。
调换法兰盘时。
须将磨头主轴锁紧;然后将法兰盘内六角螺钉卸下。
旋上拆卸扳手,将法兰盘从磨头主轴上顶出。
刀具工装
一、工具磨床设计背景
工具磨床加工锥度铣刀一般是在分度夹具中进行,加长、特形刀具需要在两顶尖中加工。
磨床工作台纵向不能搬角度,改进工装后两顶尖纵向任意搬角度,方便了锥度刀具和工件加工。
二、工具磨床过程要点在机床移动工作台面安装一弯板固定板,.由于工具磨床设计工作台纵向不能转角,1用来固定可转角度弯板,实现工件转角度加工。
形槽,装前后顶尖座。
90°立面镗孔、通过定位轴螺母.可转角度弯板工作面铣
T2锁紧在固定板立面上。
.由于工装安装在固定板,可纵向搬角度、在两顶尖中加工锥度刀具,整个工装还3形槽螺栓调整前后位置。
T可通过固定板两个调质处理加工。
前40Cr4.转角度弯板和弯板固定板用铸铁板加工,其他紧固件用后顶尖座要加工为轻便型,方便上下调整。
三、工具磨床原理特点和定位键3T
形槽螺栓24上面加工有T形槽,装前、后顶尖座,通过转角度弯板固定于机床工作台面,侧面装弯板定7T形槽螺栓11定位锁紧,弯板固定板6通过两109
锁紧。
件4装入弯板定位轴5可旋转调整角度,用紧固螺母,转角度弯板位轴5为工件支板,固定于转角度弯板立面,用来支承刀具齿面加工。
(如下图)工具磨床磨锥度螺旋铣刀工装示意图四、工具磨床使用效果解决了锥度工件在两顶尖中加工难点,为刀具精加工增添了新工具。
工装简单、轻便、调整装卸方便,
扩大了机床加工范围。
主要技术规格
最大磨削工件直径250mm
630mm最大前后顶尖距离
±60°最大工作台回转角度
480mm工作台纵向行程
230mm溜板横向行程
230mm磨头垂向行程3050/6095rpm磨头主轴转速
1400/2800rpm磨头电动机
1460×1102×1240mm×高)机床外形尺寸(长×宽
1000kg机床净重
2别5月制造类出厂编号 080093 08年机床结构
1、电源开关
2、纵向移动手轮
3、横向移动手轮
4、工作台纵向行程调整左限位块
5、工件主轴垂直面内角度调整锁紧手柄
6、分度板
7、主轴回转锁紧手柄
8、撞块
9、工件心轴
10、磨头升降调整手轮
11、砂轮罩固定螺母
12、弹性支架
13、车刀夹持器
14、工作台回转手柄
15、工作台纵向行程调整右限位块
16、工作台横向移动锁紧手柄
工具磨床操作方法
1、首先确定铣刀的直径,如果您要修磨8MM的立铣刀,那就选用8MM的夹头,然后将铣刀锁在50D的套筒上。
2、摆好角度,将铣刀套筒略微摆4°(铣刀底面斜角在2°~6°之间)。
3、开始修磨底面,比如说铣刀,将铣刀对准砂轮,完成对刀步骤后然后修磨铣刀的底面斜角,修磨完一个刃然后更换另外一个刃口依次修磨。
4、修磨铣刀中心逃隙角,将套筒摆到10°左右,依次修磨各个铣刀刃的中心逃隙角。
5、依次修磨铣刀第二间隙角
6、修磨铣刀侧刃,用顶尖顶住铣刀螺旋槽,对准砂轮,推动套筒修磨铣刀螺旋侧刃。
技术规程
1、安全预防措施应让持有电工操作证的专业人员进行电器安装或维修。
2、开机前检查电机铭牌上的电压和频率是否和电源一致。
3、机床电源插头、插座上的各触脚应紧固可靠,无松动或不接触现象。
4、不要滥用电线,不要用力猛拉插座上的电源线,电线应远离高温、油腻、尖
锐边缘的地方。
5、当发生故障或有不正常声响应立即拔插头,关上机床主轴箱左侧面的按钮开关,然后进行检查修理。
.
6、不要让机床在无人情况下运转,一定要在关机后,停止运转才能离开。
外界切断电源,应按红色按钮,否则机床会在无人情况下来电运转。
7、保持工作场地的干净整洁,不要在潮湿、杂乱、微弱光线。
易燃易爆的地方使用机床。
让儿童或参观者远离机床,避免各种不安全因素发生。
8、机床不能超过最大切削能力,避免各种不安全因素发生。
9、穿戴适当,不要穿宽松衣服或戴手饰、手套,长发应用发夹固定再戴上帽子,防上被机器卷入的危险。
10、工作时工件应紧固可靠,切勿手持工件,这样双手可用来操纵机器。
11、保持导轨面的清洁,不要让砂粒、灰尘进入免损坏导轨。
12、不要在你疲劳或服用酒精、麻醉剂的情况下,再操纵机器。
13、当机床的零件,附件损坏,请不要任意代用,应采用相同性能的对应零配件,如采用本单位的则最佳。
.。