常用金属材料理论重量速查表
- 格式:doc
- 大小:544.00 KB
- 文档页数:18
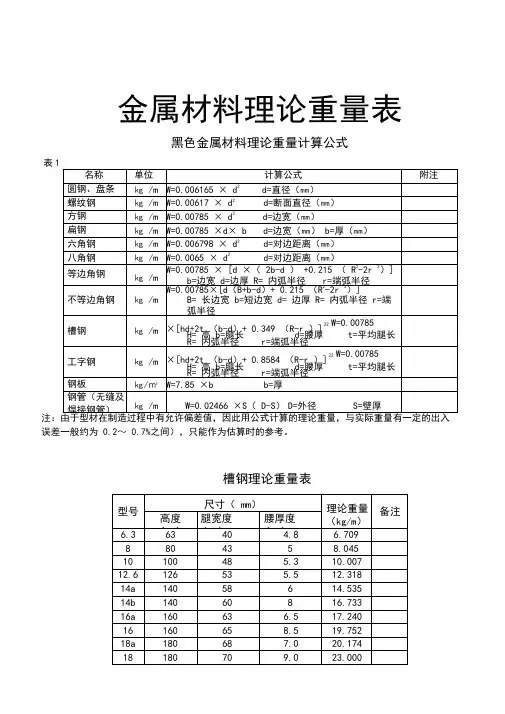
金属材料理论重量表
黑色金属材料理论重量计算公式
表1
注:由于型材在制造过程中有允许偏差值,因此用公式计算的理论重量,与实际重量有一定的出入误差一般约为 0.2~ 0.7%之间),只能作为估算时的参考。
槽钢理论重量表
圆钢直径和方钢边长及理论重量表表 1-1
注:1、表中的理论重量是按钢的密度为7.85 计算的。
2、表中带* 者不推荐使用。
3、螺纹钢6、7、8、9、10、12、1
4、16、18、20、22、2
5、28、32、3
6、40 的理论重量同
圆钢的理论重量
工字钢理论重量
无缝钢管理论重量
注:钢管的理论重量(密度为 7.85)按公称尺寸计算,其计算公式为 P=0.02466*S (D-S ),
式中: D 为钢管的公称外径(㎜) ; S 为钢管的公称壁厚(㎜) 。
花纹钢板理论重量
钢丝绳理论重量
说明:表中前者为 6 芯钢丝绳,后者为8芯钢丝绳.
等边角钢理论重量
不等边角钢理论重量。
常用金属材料理论重量速查表标记举例:由B3号钢制成的,尺寸为4mmX1000mmX4000mm,菱形花纹的钢板,其标记为:菱形花纹钢板B3-4X1000X4000-YB184X65复制带链接的文本推荐到其它网站→H型钢理论重量表焊接H型钢规格理论重量表(公斤/米)(H高度,B宽度,t1腹板厚度,t2翼缘厚度)类别型号H×B(mm) t1(mm) t2(mm) 理论重量HW 200×200200×200 8 12 50.5200×204 12 12 56.7 250×250250×250 9 14 72.4250×255 14 14 82.2 300×300294×302 12 12 85300×300 10 15 94.5300×305 15 15 106 350×350344×348 10 16 115350×350 12 19 137 400×400388×402 15 15 141394×398 11 18 147400×400 13 21 172400×408 21 21 197414×405 18 28 233428×407 20 35 284458×417 30 50 415498×342 45 70 605HM 150×100 148×100 6 9 21.4 200×150 194×150 6 9 31.2 250×175 244×175 7 11 44.1方钢理论重量表大全28 7.84 6.15 100 100.00 78.50<>热轧轻型槽钢规格理论重量表大全/每米型号h b d t r r1截面面积(cm2) 理论重量(kg/m)5 50 32 4.4 7.0 6.0 2.5 6.16 4.846.5 65 36 4.47.2 6.0 2.5 7.51 5.908 80 40 4.5 7.4 6.5 2.5 8.89 7.0510 100 46 4.5 7.6 7.0 3.0 10.90 8.5912 120 52 4.8 7.8 7.5 3.0 13.30 10.414 140 58 4.9 8.1 8.0 3.0 15.60 12.314a 140 62 4.9 8.7 8.0 3.0 17.00 13.316 160 64 5.0 8.4 8.5 3.5 18.10 14.216a 160 68 5.0 9.0 8.5 3.5 19.50 15.318 180 70 5.1 8.7 9.0 3.5 20.70 16.318a 180 74 5.1 9.3 9.0 3.5 22.20 17.420 200 76 5.2 9.0 9.5 4.0 23.4 18.420a 200 80 5.2 9.7 9.5 4.0 25.2 19.822 220 82 5.4 9.5 10.0 4.0 26.7 21.022a 220 87 5.4 10.2 10.0 4.0 28.8 22.624 240 90 5.6 10.0 10.5 4.0 30.6 24.024a 240 95 5.6 10.7 10.5 4.0 32.9 25.827 270 95 6.0 10.5 11 4.5 35.2 27.730 300 100 6.5 11.0 12 5 40.5 31.833 330 105 7.0 11.7 13 5 46.5 36.5标记举例:普通碳素钢甲类平炉3号沸腾钢180mmX70mmX5.1mm的热轧轻型槽钢的标记为:180mm*70mm*5.1mm花纹铝板理论重量表热轧轻型工字钢理论重量表大全:热轧轻型工字钢规格理论重量表大全/每米型号尺寸(毫米)截面面积(厘米2)理论重量(公斤/米) h b d t10 100 55 4.5 7.2 12.0 9.46 12 120 64 4.8 7.3 14.7 11.5 14 140 73 4.9 7.5 17.4 13.7 16 160 81 5.0 7.8 20.2 15 18 180 90 5.1 8.1 23.4 18.4 18a 180 100 5.1 8.3 25.4 19.9 20 200 100 5.2 8.4 26.8 21.0 20a 200 110 5.2 8.6 28.9 22.7 22 220 110 5.4 8.7 30.6 24.0 22a 220 120 5.4 8.9 32.8 25.8 24 240 115 5.6 9.5 34.8 27.3 24a 240 125 5.6 9.8 37.5 29.4 27 270 125 6.0 9.8 40.2 31.5 27a 270 135 6.0 10.2 43.2 33.9 30 300 135 6.5 10.2 46.5 36.5 30a 300 145 6.5 10.7 49.9 39.2 33 330 140 7.0 11.2 53.8 42.2 36 360 145 7.5 12.3 61.9 48.6 40 400 155 8.0 13.0 71.4 56.145 450 160 8.6 14.2 83.0 65.250 500 170 9.5 15.2 97.8 76.855 550 180 10.3 16.5 114 89.860 600 190 11.1 17.8 132 10465 650 200 12 19.2 153 12070 700 210 13 20.8 176 13870a 700 210 15 24.0 202 15870b 700 210 17.5 28.2 234 184热轧工字钢规格型号表时间:2010-01-15 20:16:41 来源:资料室作者:复制带链接的文本推荐到其它网站→热轧工字钢规格型号表热轧工字钢规格理论重量表大全/每米型号尺寸(毫米)截断面积(厘米2)理论重量(公斤/米)h b d t r10 100 68 4.5 7.6 3.3 14.3 11.2 12.6 126 74 5 8.4 3.5 18.1 14.2 14 140 80 5.5 9.1 3.8 21.5 16.9槽钢理论重量表大全:复制带链接的文本推荐到其它网站→轻型槽钢理论重量表大全<>热轧轻型槽钢规格理论重量表大全/每米型号h b d t r r1截面面积(cm2) 理论重量(kg/m)5 50 32 4.4 7.0 6.0 2.5 6.16 4.846.5 65 36 4.47.2 6.0 2.5 7.51 5.908 80 40 4.5 7.4 6.5 2.5 8.89 7.0510 100 46 4.5 7.6 7.0 3.0 10.90 8.5912 120 52 4.8 7.8 7.5 3.0 13.30 10.414 140 58 4.9 8.1 8.0 3.0 15.60 12.314a 140 62 4.9 8.7 8.0 3.0 17.00 13.316 160 64 5.0 8.4 8.5 3.5 18.10 14.216a 160 68 5.0 9.0 8.5 3.5 19.50 15.318 180 70 5.1 8.7 9.0 3.5 20.70 16.318a 180 74 5.1 9.3 9.0 3.5 22.20 17.420 200 76 5.2 9.0 9.5 4.0 23.4 18.420a 200 80 5.2 9.7 9.5 4.0 25.2 19.822 220 82 5.4 9.5 10.0 4.0 26.7 21.022a 220 87 5.4 10.2 10.0 4.0 28.8 22.624 240 90 5.6 10.0 10.5 4.0 30.6 24.024a 240 95 5.6 10.7 10.5 4.0 32.9 25.8标记举例:普通碳素钢甲类平炉3号沸腾钢180mmX70mmX5.1mm的热轧轻型槽钢的标记为:180mm*70mm*5.1mm•介:常用S型钢、方管、铜管、H型钢、圆钢、方钢、花纹板、扁钢、钢板、槽钢、工字钢、角钢、焊接(镀锌)钢管、冷轧无缝钢管、热轧无缝钢管、常用无缝钢管。
五金手册查询表金属材料理论重量表JINSHU CAILIAO LILUNZHONGLIANGBIAO古:17X ■■< _1 ' - . ■•- ■號;:乂■ . ■- I .-rf-;. 乙气.2006年1月编制黑色金属材料理论重量计算公式注:由于型材在制造过程中有允许偏差值,因此用公式计算的理论重量,与实际重量有一定的出入(误差一般约为0.2〜0.7%之间),只能作为估算时的参考。
槽钢理论重量表表1-1圆钢直径和方钢边长及理论重量表注:1、表中的理论重量是按钢的密度为7.85计算的。
2、表中带*者不推荐使用。
3、螺纹钢6、7、8、9、10、12、14、16、18、20、22、25、28、32、36、40的理论重量同圆钢的理论重量。
工字钢理论重量无缝钢管理论重量76 83 89 5.40 6.26 7.107798387.938719388.759621039.5 10.3 6 11.14 11.91 12.67 13.4214.110.51 11.39 12.26 13.1 213.9611.3312.28 13.22 14.1615.0614.8715.915.6816.7514.3216.4817.7715.5217.2618.68 16.282 18.003 19.4895 102121 133 7.98058.9896710.04 11.10 12.1413.17 14.1915.110.82 11.910.26 11.49 12.76 13.09 14.21 15.3116.413.9916.117.4817.1618.1319.0920.08 18.5519.620.64 21.6)15.09 16.27 17.4418.510.85 12.15 13.44 14.72 159 8 17.2318.411.54 12.9 14.30 15.67 17.02 18.3519.612.13 13..59 15.0416.4817.912.73 14.26 15.7719.7820.90 19.32 20.7 222.18 17.29 18.79 20.2821.7523.2919.720.9922.223.4124.6320.8122.1923.5824.8626.1621.9223.3824.8723.0124.4626.14 26.1927.5I 27.5228.93 20.96722.69824.178 25.65227.37328.853 30.33140 146 152 面168 180 15.04 16.65 18.24 19.83 21.4 22.9 624.51 26.0427.57 29.0330.515.7 17.316.37 18.117.15 18.9919.0318.86 20.72 22.3624.C25.62 27.2 3 28.8230.4131.97 21.6 23.32 25.0 326.7328.49 20.82 22.64 24.4526.220.121522.04 23.9923.74 28.02 29.77 25.89 27.79 29.625.75 27.7 29.8 731.9931.5133.91 30.09 31.57 33.43 35.98 31.7433.35 33.2935.0335.2537.9937.1539.9732.66833.54935.023 36.753 38.975 41.92194 203 219 245 273 299 23.3 125.627.82 30.0 32.28 34.529.14 31.5 33.83 36.136.76 38.4 740.731.52 34.06 36.6 39.12 41.638.23 41.09 43.8546.742.64 45.9249.1 53.952.2157.438.8344.1649.5855.4160.8941.0743.0246.6652.3558.6964.3643.2645.3149.0855.161.7767.83 45.383 47.598 51.457 57.953 64.863 71.27325 351 37758.74 62.5466.35 70.1473.967.67 71.8 75.9 180.02 77.681 84.181.63 86.1 90.51 注:钢管的理论重量(密度为7.85 )按公称尺寸计算,其计算公式为P=0.02466*S(D-S),式中:D为钢管的公称外径(mm);S为钢管的公称壁厚(mm)。
常用钢材理论重量表大全速查常用钢材比重表:热轧工字钢:(h—高度;--b腿高;d—腰厚;t—平均腿厚;r—内圆弧半径;r1—腿端圆弧半径)宽、中、窄H型钢:(H—高度;B—宽度;t1---腹板厚度;t2—翼缘厚度;r---圆角半径)H型钢桩:(H—高度;B—宽度;t1---腹板厚度;t2—翼缘厚度;r---圆角半径)热轧槽钢:(h—高度;b—腿宽;d---腰厚;t---平均腿厚;r---内圆弧半径;r1---腿端圆弧半径)C 型钢(h--高度;b--腿高;c--小边宽;t--板厚)方管及矩形管:热轧等边角钢:(b—边宽;d—边厚;r---内圆弧半径)热轧不等边角钢:(B---长边宽度b—短边宽度;d—边厚;r---内圆弧半径)热轧圆钢和方钢:(表中带“*”号的规格,不推荐使用)直缝电焊钢管:钢材理论重量计算:钢材理论重量计算的计量单位为公斤(kg)。
其基本公式为:W(重量,kg) = F(断面积mm2)×L(长度,m)×ρ(密度,g/cm3)×1/1000。
角钢:每米重量=0.00785*(边宽+边宽-边厚)*边厚圆钢:每米重量=0.00617*直径*直径(螺纹钢和圆钢相同)扁钢:每米重量=0.00785*厚度*边宽管材:每米重量=0.02466*壁厚*(外径-壁厚)板材:每米重量=7.85*厚度*宽度黄铜管:每米重量=0.02670*壁厚*(外径-壁厚)紫铜管:每米重量=0.02796*壁厚*(外径-壁厚)铝花纹板:每平方米重量=2.96*厚度有色金属比重:紫铜板8.9黄铜板8.5锌板7.2铅板11.37有色金属板材的计算公式为:每平方米重量=比重*厚度钢的密度为:7.85g/cm3,各种钢材理论重量计算公式如下:。
(完整版)金属每吨重量表
金属每吨重量表 (完整版)
本表提供了常见金属的每吨重量数据,以帮助用户进行相关计算和决策。
请注意,以下数据仅供参考,具体数值可能因不同情况而有所变化。
请注意,本表所列为常见金属,而实际上还有许多不同类型的金属和合金。
如果需要其他金属的每吨重量数据,请咨询相关权威机构或进行必要的研究。
为了确保准确性,请在使用本表中的数据时,注意以下几点:
1. 本表所列数值基于国际标准或权威来源的数据,但数值可能因为市场变动或其他因素而有所波动。
建议在使用之前验证并核实数据的准确性。
2. 如果使用本表的数据进行商业决策或金融计算,请谨慎评估和确认数据的可靠性,并考虑其他因素对结果的影响。
3. 对于特定金属或特定情况,可能会有其他因素需要考虑。
请根据具体情况在使用本表数据时运用判断力。
希望本表能为您提供一些方便和参考,在需要计算金属每吨重量时能够提供一定的帮助。
如有任何疑问或问题,请随时与我们联系。
常用钢材理论重量表一、热轧钢板(厚度:0.5200mm)1. 钢板厚度:0.5mm,宽度:1000mm,长度:2000mm,理论重量:5kg2. 钢板厚度:1.0mm,宽度:1000mm,长度:2000mm,理论重量:10kg3. 钢板厚度:1.5mm,宽度:1000mm,长度:2000mm,理论重量:15kg4. 钢板厚度:2.0mm,宽度:1000mm,长度:2000mm,理论重量:20kg5. 钢板厚度:2.5mm,宽度:1000mm,长度:2000mm,理论重量:25kg6. 钢板厚度:3.0mm,宽度:1000mm,长度:2000mm,理论重量:30kg7. 钢板厚度:4.0mm,宽度:1000mm,长度:2000mm,理论重量:40kg8. 钢板厚度:5.0mm,宽度:1000mm,长度:2000mm,理论重量:50kg9. 钢板厚度:6.0mm,宽度:1000mm,长度:2000mm,理论重量:60kg10. 钢板厚度:8.0mm,宽度:1000mm,长度:2000mm,理论重量:80kg11. 钢板厚度:10.0mm,宽度:1000mm,长度:2000mm,理论重量:100kg12. 钢板厚度:12.0mm,宽度:1000mm,长度:2000mm,理论重量:120kg13. 钢板厚度:14.0mm,宽度:1000mm,长度:2000mm,理论重量:140kg14. 钢板厚度:16.0mm,宽度:1000mm,长度:2000mm,理论重量:160kg15. 钢板厚度:18.0mm,宽度:1000mm,长度:2000mm,理论重量:180kg16. 钢板厚度:20.0mm,宽度:1000mm,长度:2000mm,理论重量:200kg二、冷轧钢板(厚度:0.25.0mm)1. 钢板厚度:0.2mm,宽度:1000mm,长度:2000mm,理论重量:2kg2. 钢板厚度:0.3mm,宽度:1000mm,长度:2000mm,理论重量:3kg3. 钢板厚度:0.4mm,宽度:1000mm,长度:2000mm,理论重量:4kg4. 钢板厚度:0.5mm,宽度:1000mm,长度:2000mm,理论重量:5kg5. 钢板厚度:0.6mm,宽度:1000mm,长度:2000mm,理论重量:6kg6. 钢板厚度:0.8mm,宽度:1000mm,长度:2000mm,理论重量:8kg7. 钢板厚度:1.0mm,宽度:1000mm,长度:2000mm,理论重量:10kg8. 钢板厚度:1.2mm,宽度:1000mm,长度:2000mm,理论重量:12kg9. 钢板厚度:1.5mm,宽度:1000mm,长度:2000mm,理论重量:15kg10. 钢板厚度:2.0mm,宽度:1000mm,长度:2000mm,理论重量:20kg11. 钢板厚度:2.5mm,宽度:1000mm,长度:2000mm,理论重量:25kg12. 钢板厚度:3.0mm,宽度:1000mm,长度:2000mm,理论重量:30kg13. 钢板厚度:4.0mm,宽度:1000mm,长度:2000mm,理论重量:40kg14. 钢板厚度:5.0mm,宽度:1000mm,长度:2000mm,理论重量:50kg三、无缝钢管(外径:10630mm,壁厚:1.040mm)1. 外径:10mm,壁厚:1.0mm,长度:6000mm,理论重量:0.6kg2. 外径:15mm,壁厚:1.0mm,长度:6000mm,理论重量:0.9kg3. 外径:20mm,壁厚:1.0mm,长度:6000mm,理论重量:1.2kg4. 外径:25mm,壁厚:1.0mm,长度:6000mm,理论重量:1.5kg5. 外径:32mm,壁厚:1.0mm,长度:6000mm,理论重量:1.9kg6. 外径:40mm,壁厚:1.0mm,长度:6000mm,理论重量:2.4kg7. 外径:50mm,壁厚:1.0mm,长度:6000mm,理论重量:3.0kg8. 外径:63mm,壁厚:1.0mm,长度:6000mm,理论重量:3.8kg9. 外径:80mm,壁厚:1.0mm,长度:6000mm,理论重量:4.8kg10. 外径:100mm,壁厚:1.0mm,长度:6000mm,理论重量:6.0kg11. 外径:125mm,壁厚:1.0mm,长度:6000mm,理论重量:7.5kg12. 外径:150mm,壁厚:1.0mm,长度:6000mm,理论重量:9.0kg13. 外径:200mm,壁厚:1.0mm,长度:6000mm,理论重量:12.0kg14. 外径:250mm,壁厚:1.0mm,长度:6000mm,理论重量:15.0kg15. 外径:300mm,壁厚:1.0mm,长度:6000mm,理论重量:18.0kg16. 外径:350mm,壁厚:1.0mm,长度:6000mm,理论重量:21.0kg17. 外径:400mm,壁厚:1.0mm,长度:6000mm,理论重量:24.0kg18. 外径:450mm,壁厚:1.0mm,长度:6000mm,理论重量:27.0kg19. 外径:500mm,壁厚:1.0mm,长度:6000mm,理论重量:30.0kg20. 外径:550mm,壁厚:1.0mm,长度:6000mm,理论重量:33.0kg21. 外径:600mm,壁厚:1.0mm,长度:6000mm,理论重量:36.0kg22. 外径:630mm,壁厚:1.0mm,长度:6000mm,理论重量:38.0kg常用钢材理论重量表一、热轧钢板(厚度:0.5200mm)1. 钢板厚度:0.5mm,宽度:1000mm,长度:2000mm,理论重量:5kg2. 钢板厚度:1.0mm,宽度:1000mm,长度:2000mm,理论重量:10kg3. 钢板厚度:1.5mm,宽度:1000mm,长度:2000mm,理论重量:15kg4. 钢板厚度:2.0mm,宽度:1000mm,长度:2000mm,理论重量:20kg5. 钢板厚度:2.5mm,宽度:1000mm,长度:2000mm,理论重量:25kg6. 钢板厚度:3.0mm,宽度:1000mm,长度:2000mm,理论重量:30kg7. 钢板厚度:4.0mm,宽度:1000mm,长度:2000mm,理论重量:40kg8. 钢板厚度:5.0mm,宽度:1000mm,长度:2000mm,理论重量:50kg60kg10. 钢板厚度:8.0mm,宽度:1000mm,长度:2000mm,理论重量:80kg11. 钢板厚度:10.0mm,宽度:1000mm,长度:2000mm,理论重量:100kg12. 钢板厚度:12.0mm,宽度:1000mm,长度:2000mm,理论重量:120kg13. 钢板厚度:14.0mm,宽度:1000mm,长度:2000mm,理论重量:140kg14. 钢板厚度:16.0mm,宽度:1000mm,长度:2000mm,理论重量:160kg15. 钢板厚度:18.0mm,宽度:1000mm,长度:2000mm,理论重量:180kg16. 钢板厚度:20.0mm,宽度:1000mm,长度:2000mm,理论重量:200kg二、冷轧钢板(厚度:0.25.0mm)1. 钢板厚度:0.2mm,宽度:1000mm,长度:2000mm,理论重量:2kg2. 钢板厚度:0.3mm,宽度:1000mm,长度:2000mm,理论重量:3kg3. 钢板厚度:0.4mm,宽度:1000mm,长度:2000mm,理论重量:4kg5kg5. 钢板厚度:0.6mm,宽度:1000mm,长度:2000mm,理论重量:6kg6. 钢板厚度:0.8mm,宽度:1000mm,长度:2000mm,理论重量:8kg7. 钢板厚度:1.0mm,宽度:1000mm,长度:2000mm,理论重量:10kg8. 钢板厚度:1.2mm,宽度:1000mm,长度:2000mm,理论重量:12kg9. 钢板厚度:1.5mm,宽度:1000mm,长度:2000mm,理论重量:15kg10. 钢板厚度:2.0mm,宽度:1000mm,长度:2000mm,理论重量:20kg11. 钢板厚度:2.5mm,宽度:1000mm,长度:2000mm,理论重量:25kg12. 钢板厚度:3.0mm,宽度:1000mm,长度:2000mm,理论重量:30kg13. 钢板厚度:4.0mm,宽度:1000mm,长度:2000mm,理论重量:40kg14. 钢板厚度:5.0mm,宽度:1000mm,长度:2000mm,理论重量:50kg三、无缝钢管(外径:10630mm,壁厚:1.040mm)1. 外径:10mm,壁厚:1.0mm,长度:6000mm,理论重量:0.6kg2. 外径:15mm,壁厚:1.0mm,长度:6000mm,理论重量:0.9kg3. 外径:20mm,壁厚:1.0mm,长度:6000mm,理论重量:1.2kg4. 外径:25mm,壁厚:1.0mm,长度:6000mm,理论重量:1.5kg5. 外径:32mm,壁厚:1.0mm,长度:6000mm,理论重量:1.9kg6. 外径:40mm,壁厚:1.0mm,长度:6000mm,理论重量:2.4kg7. 外径:50mm,壁厚:1.0mm,长度:6000mm,理论重量:3.0kg8. 外径:63mm,壁厚:1.0mm,长度:6000mm,理论重量:3.8kg9. 外径:80mm,壁厚:1.0mm,长度:6000mm,理论重量:4.8kg10. 外径:100mm,壁厚:1.0mm,长度:6000mm,理论重量:6.0kg11. 外径:125mm,壁厚:1.0mm,长度:6000mm,理论重量:7.5kg12. 外径:150mm,壁厚:1.0mm,长度:6000mm,理论重量:9.0kg13. 外径:200mm,壁厚:1.0mm,长度:6000mm,理论重量:12.0kg14. 外径:250mm,壁厚:1.0mm,长度:6000mm,理论重量:15.0kg15. 外径:300mm,壁厚:1.0mm,长度:6000mm,理论重量:18.0kg16. 外径:350mm,壁厚:1.0mm,长度:6000mm,理论重量:21.0kg17. 外径:400mm,壁厚:1.0mm,长度:6000mm,理论重量:24.0kg27.0kg19. 外径:500mm,壁厚:1.0mm,长度:6000mm,理论重量:30.0kg20. 外径:550mm,壁厚:1.0mm,长度:6000mm,理论重量:33.0kg21. 外径:600mm,壁厚:1.0mm,长度:6000mm,理论重量:36.0kg22. 外径:630mm,壁厚:1.0mm,长度:6000mm,理论重量:38.0kg四、角钢(规格:20x20mm 200x200mm)1. 规格:20x20mm,长度:6000mm,理论重量:1.2kg2. 规格:25x25mm,长度:6000mm,理论重量:1.6kg3. 规格:30x30mm,长度:6000mm,理论重量:2.1kg4. 规格:40x40mm,长度:6000mm,理论重量:3.2kg5. 规格:50x50mm,长度:6000mm,理论重量:4.3kg6. 规格:63x63mm,长度:6000mm,理论重量:5.4kg7. 规格:75x75mm,长度:6000mm,理论重量:7.0kg8. 规格:100x100mm,长度:6000mm,理论重量:10.0kg9. 规格:125x125mm,长度:6000mm,理论重量:14.0kg10. 规格:150x150mm,长度:6000mm,理论重量:18.0kg11. 规格:175x175mm,长度:6000mm,理论重量:23.0kg12. 规格:200x200mm,长度:6000mm,理论重量:28.0kg五、扁钢(厚度:350mm,宽度:20200mm)2. 厚度:4mm,宽度:25mm,长度:6000mm,理论重量:6.0kg3. 厚度:5mm,宽度:30mm,长度:6000mm,理论重量:9.0kg4. 厚度:6mm,宽度:40mm,长度:6000mm,理论重量:14.4kg5. 厚度:8mm,宽度:50mm,长度:6000mm,理论重量:24.0kg6. 厚度:10mm,宽度:60mm,长度:6000mm,理论重量:36.0kg7. 厚度:12mm,宽度:80mm,长度:6000mm,理论重量:57.6kg8. 厚度:16mm,宽度:100mm,长度:6000mm,理论重量:102.4kg9. 厚度:20mm,宽度:125mm,长度:6000mm,理论重量:168.0kg10. 厚度:25mm,宽度:150mm,长度:6000mm,理论重量:252.0kg11. 厚度:30mm,宽度:175mm,长度:6000mm,理论重量:378.0kg12. 厚度:40mm,宽度:200mm,长度:6000mm,理论重量:672.0kg13. 厚度:50mm,宽度:200mm,长度:6000mm,理论重量:840.0kg常用钢材理论重量表一、热轧钢板(厚度:0.5200mm)1. 钢板厚度:0.5mm,宽度:1000mm,长度:2000mm,理论重量:5kg2. 钢板厚度:1.0mm,宽度:1000mm,长度:2000mm,理论重量:10kg3. 钢板厚度:1.5mm,宽度:1000mm,长度:2000mm,理论重量:15kg4. 钢板厚度:2.0mm,宽度:1000mm,长度:2000mm,理论重量:20kg5. 钢板厚度:2.5mm,宽度:1000mm,长度:2000mm,理论重量:25kg6. 钢板厚度:3.0mm,宽度:1000mm,长度:2000mm,理论重量:30kg7. 钢板厚度:4.0mm,宽度:1000mm,长度:2000mm,理论重量:40kg8. 钢板厚度:5.0mm,宽度:1000mm,长度:2000mm,理论重量:50kg9. 钢板厚度:6.0mm,宽度:1000mm,长度:2000mm,理论重量:60kg10. 钢板厚度:8.0mm,宽度:1000mm,长度:2000mm,理论重量:80kg11. 钢板厚度:10.0mm,宽度:1000mm,长度:2000mm,理论重量:100kg12. 钢板厚度:12.0mm,宽度:1000mm,长度:2000mm,理论重量:120kg13. 钢板厚度:14.0mm,宽度:1000mm,长度:2000mm,理论重量:140kg14. 钢板厚度:16.0mm,宽度:1000mm,长度:2000mm,理论重量:160kg15. 钢板厚度:18.0mm,宽度:1000mm,长度:2000mm,理论重量:180kg16. 钢板厚度:20.0mm,宽度:1000mm,长度:2000mm,理论重量:200kg二、冷轧钢板(厚度:0.25.0mm)1. 钢板厚度:0.2mm,宽度:1000mm,长度:2000mm,理论重量:2kg2. 钢板厚度:0.3mm,宽度:1000mm,长度:2000mm,理论重量:3kg3. 钢板厚度:0.4mm,宽度:1000mm,长度:2000mm,理论重量:4kg4. 钢板厚度:0.5mm,宽度:1000mm,长度:2000mm,理论重量:5kg5. 钢板厚度:0.6mm,宽度:1000mm,长度:2000mm,理论重量:6kg6. 钢板厚度:0.8mm,宽度:1000mm,长度:2000mm,理论重量:8kg7. 钢板厚度:1.0mm,宽度:1000mm,长度:2000mm,理论重量:10kg8. 钢板厚度:1.2mm,宽度:1000mm,长度:2000mm,理论重量:12kg9. 钢板厚度:1.5mm,宽度:1000mm,长度:2000mm,理论重量:15kg10. 钢板厚度:2.0mm,宽度:1000mm,长度:2000mm,理论重量:20kg11. 钢板厚度:2.5mm,宽度:1000mm,长度:2000mm,理论重量:25kg12. 钢板厚度:3.0mm,宽度:1000mm,长度:2000mm,理论重量:30kg13. 钢板厚度:4.0mm,宽度:1000mm,长度:2000mm,理论重量:40kg14. 钢板厚度:5.0mm,宽度:1000mm,长度:2000mm,理论重量:50kg三、无缝钢管(外径:10630mm,壁厚:1.040mm)1. 外径:10mm,壁厚:1.0mm,长度:6000mm,理论重量:0.6kg2. 外径:15mm,壁厚:1.0mm,长度:6000mm,理论重量:0.9kg3. 外径:20mm,壁厚:1.0mm,长度:6000mm,理论重量:1.2kg4. 外径:25mm,壁厚:1.0mm,长度:6000mm,理论重量:1.5kg5. 外径:32mm,壁厚:1.0mm,长度:6000mm,理论重量:1.9kg6. 外径:40mm,壁厚:1.0mm,长度:6000mm,理论重量:2.4kg7. 外径:50mm,壁厚:1.0mm,长度:6000mm,理论重量:3.0kg8. 外径:63mm,壁厚:1.0mm,长度:6000mm,理论重量:3.8kg9. 外径:80mm,壁厚:1.0mm,长度:6000mm,理论重量:4.8kg10. 外径:100mm,壁厚:1.0mm,长度:6000mm,理论重量:6.0kg11. 外径:125mm,壁厚:1.0mm,长度:6000mm,理论重量:7.5kg12. 外径:150mm,壁厚:1.0mm,长度:6000mm,理论重量:9.0kg13. 外径:200mm,壁厚:1.0mm,长度:6000mm,理论重量:12.0kg14. 外径:250mm,壁厚:1.0mm,长度:6000mm,理论重量:15.0kg15. 外径:300mm,壁厚:1.0mm,长度:6000mm,理论重量:18.0kg16. 外径:350mm,壁厚:1.0mm,长度:6000mm,理论重量:21.0kg17. 外径:400mm,壁厚:1.0mm,长度:6000mm,理论重量:24.0kg18. 外径:450mm,壁厚:1.0mm,长度:6000mm,理论重量:27.0kg19. 外径:500mm,壁厚:1.0mm,长度:6000mm,理论重量:30.0kg20. 外径:550mm,壁厚:1.0mm,长度:6000mm,理论重量:33.0kg21. 外径:600mm,壁厚:1.0mm,长度:6000mm,理论重量:36.0kg22. 外径:630mm,壁厚:1.0mm,长度:6000mm,理论重量:38.0kg四、角钢(规格:20x20mm 200x200mm)1. 规格:20x20mm,长度:6000mm,理论重量:1.2kg2. 规格:25x25mm,长度:6000mm,理论重量:1.6kg3. 规格:30x30mm,长度:6000mm,理论重量:2.1kg4. 规格:40x40mm,长度:6000mm,理论重量:3.2kg5. 规格:50x50mm,长度:6000mm,理论重量:4.3kg6. 规格:63x63mm,长度:6000mm,理论重量:5.4kg7. 规格:75x75mm,长度:6000mm,理论重量:7.0kg8. 规格:100x100mm,长度:6000mm,理论重量:10.0kg9. 规格:125x125mm,长度:6000mm,理论重量:14.0kg10. 规格:150x150mm,长度:6000mm,理论重量:18.0kg11. 规格:175x175mm,长度:6000mm,理论重量:23.0kg12. 规格:200x200mm,长度:6000mm,理论重量:28.0kg五、扁钢(厚度:350mm,宽度:20200mm)1. 厚度:3mm,宽度:20mm,长度:6000mm,理论重量:3.6kg2. 厚度:4mm,宽度:25mm,长度:6000mm,理论重量:6.0kg3. 厚度:5mm,宽度:30mm,长度:6000mm,理论重量:9.0kg4. 厚度:6mm,宽度:40mm,长度:6000mm,理论重量:14.4kg5. 厚度:8mm,宽度:50mm,长度:6000mm,理论重量:24.0kg6. 厚度:10mm,宽度:60mm,长度:6000mm,理论重量:36.0kg7. 厚度:12mm,宽度:80mm,长度:6000mm,理论重量:57.6kg8. 厚度:16mm,宽度:100mm,长度:6000mm,理论重量:102.4kg9. 厚度:20mm,宽度:125mm,长度:6000mm,理论重量:168.0kg10. 厚度:25mm,宽度:150mm,长度:6000mm,理论重量:252.0kg11. 厚度:30mm,宽度:175mm,长度:6000mm,理论重量:378.0kg12. 厚度:40mm,宽度:200mm,长度:6000mm,理论重量:672.0kg13. 厚度:50mm,宽度:200mm,长度:6000mm,理论重量:840.0kg六、工字钢(高度:100600mm,翼缘宽度:50300mm)1. 规格:100x50mm,长度:6000mm,理论重量:9.8kg2. 规格:125x64mm,长度:6000mm,理论重量:12.7kg3. 规格:150x75mm,长度:6000mm,理论重量:15.8kg4. 规格:175x88mm,长度:6000mm,理论重量:19.0kg5. 规格:200x100mm,长度:6000mm,理论重量:22.4kg6. 规格:250x125mm,长度:6000mm,理论重量:28.1kg7. 规格:300x150mm,长度:6000mm,理论重量:35.6kg8. 规格:350x175mm,长度:6000mm,理论重量:44.1kg9. 规格:400x200mm,长度:6000mm,理论重量:53.7kg10. 规格:450x225mm,长度:6000mm,理论重量:64.2kg11. 规格:500x250mm,长度:6000mm,理论重量:76.8kg12. 规格:550x275mm,长度:6000mm,理论重量:91.4kg13. 规格:600x300mm,长度:6000mm,理论重量:108.0kg。
铁花纹板规格理论重量表(公斤/每平方米)基本厚度(mm)纹高(mm)钢板宽度(mm)钢板长度(mm)理论重量(kg/m2)菱形扁豆形菱形扁豆形2.5 1.0 2.5由600-1800 mm,其宽度以50mm进级由600-1200 mm,其长度以100mm进级21.6 22.63 1.0 2.5 25.6 26.63.5 1.0 2.5 29.5 30.54 1.0 2.5 33.4 34.44.5 1.0 2.5 37.3 38.85 1.5 2.5 42.3 42.35.5 1.5 2.5 46.2 46.26 1.5 2.5 50.1 50.17 2.0 2.5 59.0 58.08 2.0 2.5 66.8 65.8标记举例:由B3号钢制成的,尺寸为4mmX1000mmX4000mm,菱形花纹的钢板,其标记为:菱形花纹钢板B3-4X1000X4000-YB184X65热轧不等边角铁规格重量表/每米角钢号数尺寸(毫米)截断面积(厘米2)理论重量(公斤/米)表面积(米2/米)b B t r14161843.86749.73955.52634.43639.04543.5880.6400.6390.639复制带的文本推荐到其它→H型钢理论重量表焊接H型钢规格理论重量表(公斤/米)(H高度,B宽度,t1腹板厚度,t2翼缘厚度)类别型号H×B(mm)t1(mm) t2(mm) 理论重量HW200×200200×2008 12 50.5200×20412 12 56.7250×250250×2509 14 72.4250×25514 14 82.2300×300294×30212 12 85300×30010 15 94.5300×305 15 15 106350×350344×34810 16 115350×35012 19 137400×400388×40215 15 141394×39811 18 147400×40013 21 172400×40821 21 197414×40518 28 233428×40720 35 284458×417 30 50 415498×34245 70 605方钢理论重量表大全24 5.76 4.52 85 72.25 56.7225 6.25 4.91 90 81.00 63.5926 6.76 5.30 95 90.25 70.8528 7.84 6.15 100 100.00 78.50<>热轧轻型槽钢规格理论重量表大全/每米型号h b d t r r1截面面积 (cm2) 理论重量 (kg/m)5 50 32 4.4 7.0 6.0 2.5 6.16 4.846.5 65 36 4.47.2 6.0 2.5 7.51 5.908 80 40 4.5 7.4 6.5 2.5 8.89 7.0510 100 46 4.5 7.6 7.0 3.0 10.90 8.5912 120 52 4.8 7.8 7.5 3.0 13.30 10.414 140 58 4.9 8.1 8.0 3.0 15.60 12.314a 140 62 4.9 8.7 8.0 3.0 17.00 13.316 160 64 5.0 8.4 8.5 3.5 18.10 14.216a 160 68 5.0 9.0 8.5 3.5 19.50 15.318 180 70 5.1 8.7 9.0 3.5 20.70 16.318a 180 74 5.1 9.3 9.0 3.5 22.20 17.420 200 76 5.2 9.0 9.5 4.0 23.4 18.420a 200 80 5.2 9.7 9.5 4.0 25.2 19.822 220 82 5.4 9.5 10.0 4.0 26.7 21.022a 220 87 5.4 10.2 10.0 4.0 28.8 22.624 240 90 5.6 10.0 10.5 4.0 30.6 24.024a 240 95 5.6 10.7 10.5 4.0 32.9 25.8标记举例:普通碳素钢甲类平炉3号沸腾钢180mmX70mmX5.1mm的热轧轻型槽钢的标记为:180mm*70mm*5.1mm花纹铝板理论重量表热轧轻型工字钢理论重量表大全:复制带的文本推荐到其它→热轧轻型工字钢理论重量表大全热轧轻型工字钢规格理论重量表大全/每米型号尺寸(毫米)截面面积(厘米2)理论重量(公斤/米)h b d t10 100 55 4.5 7.2 12.0 9.46 12 120 64 4.8 7.3 14.7 11.5 14 140 73 4.9 7.5 17.4 13.7 16 160 81 5.0 7.8 20.2 1518 180 90 5.1 8.1 23.4 18.4 18a 180 100 5.1 8.3 25.4 19.9 20 200 100 5.2 8.4 26.8 21.0 20a 200 110 5.2 8.6 28.9 22.7 22 220 110 5.4 8.7 30.6 24.0 22a 220 120 5.4 8.9 32.8 25.8 24 240 115 5.6 9.5 34.8 27.3 24a 240 125 5.6 9.8 37.5 29.4 27 270 125 6.0 9.8 40.2 31.5 27a 270 135 6.0 10.2 43.2 33.9 30 300 135 6.5 10.2 46.5 36.5 30a 300 145 6.5 10.7 49.9 39.2 33 330 140 7.0 11.2 53.8 42.236 360 145 7.5 12.3 61.9 48.6 40 400 155 8.0 13.0 71.4 56.1 45 450 160 8.6 14.2 83.0 65.2 50 500 170 9.5 15.2 97.8 76.8 55 550 180 10.3 16.5 114 89.8 60 600 190 11.1 17.8 132 104 65 650 200 12 19.2 153 120 70 700 210 13 20.8 176 138 70a 700 210 15 24.0 202 158 70b 700 210 17.5 28.2 234 184热轧工字钢规格型号表时间:2010-01-15 20:16:41 来源:资料室作者:复制带的文本推荐到其它→热轧工字钢规格型号表热轧工字钢规格理论重量表大全/每米型号尺寸(毫米)截断面积(厘米2)理论重量(公斤/米)h b d t r10 100 68 4.5 7.6 3.3 14.3 11.2 12.6 126 74 5 8.4 3.5 18.1 14.2 14 140 80 5.5 9.1 3.8 21.5 16.9槽钢理论重量表大全:复制带的文本推荐到其它→轻型槽钢理论重量表大全<>热轧轻型槽钢规格理论重量表大全/每米型号h b d t r r1截面面积 (cm2) 理论重量 (kg/m)5 50 32 4.4 7.0 6.0 2.5 6.16 4.846.5 65 36 4.47.2 6.0 2.5 7.51 5.908 80 40 4.5 7.4 6.5 2.5 8.89 7.0510 100 46 4.5 7.6 7.0 3.0 10.90 8.5912 120 52 4.8 7.8 7.5 3.0 13.30 10.414 140 58 4.9 8.1 8.0 3.0 15.60 12.314a 140 62 4.9 8.7 8.0 3.0 17.00 13.316 160 64 5.0 8.4 8.5 3.5 18.10 14.216a 160 68 5.0 9.0 8.5 3.5 19.50 15.318 180 70 5.1 8.7 9.0 3.5 20.70 16.318a 180 74 5.1 9.3 9.0 3.5 22.20 17.420 200 76 5.2 9.0 9.5 4.0 23.4 18.420a 200 80 5.2 9.7 9.5 4.0 25.2 19.822 220 82 5.4 9.5 10.0 4.0 26.7 21.022a 220 87 5.4 10.2 10.0 4.0 28.8 22.624 240 90 5.6 10.0 10.5 4.0 30.6 24.024a 240 95 5.6 10.7 10.5 4.0 32.9 25.8标记举例:普通碳素钢甲类平炉3号沸腾钢180mmX70mmX5.1mm的热轧轻型槽钢的标记为:180mm*70mm*5.1mm•介:常用S型钢、方管、铜管、H型钢、圆钢、方钢、花纹板、扁钢、钢板、槽钢、工字钢、角钢、焊接(镀锌)钢管、冷轧无缝钢管、热轧无缝钢管、常用无缝钢管。
•关键字:钢材钢管,理论重量表,钢管常用S型钢、方管、铜管、H型钢、圆钢、方钢、花纹板、扁钢、钢板、槽钢、工字钢、角钢、焊接(镀锌)钢管、冷轧无缝钢管、热轧无缝钢管、常用无缝钢管。
螺纹钢理论重量表复制带的文本推荐到其它→螺纹钢理论重量表钢筋混凝土用热钆钢筋(螺纹钢)规格理论重量表大全/每米型号d0 (毫米)径d(毫米)外径d1(毫米)理论重量(公斤/米)6 5.75 6.75 0.2227 6.75 7.750.3028 7.5 9.0 0.3959 8.5 10.0 0.49910 9.3 11.3 0.61712 11 13.0 0.88814 13 15.5 1.2116 15 17.5 1.5818 17 20.0 2.0020 19 22.0 2.4722 21 24.0 2.9825 24 27.0 3.8528 26.5 30.5 4.8332 30.5 34.5 6.3136 34.5 39.5 7.9940 38.5 43.5 9.87不等边角钢理论重量表型号尺寸(mm)理论重量(kg/m)长边宽短边宽边厚25 16 3 0.9122.5/1625 16 4 1.1763.2/2 32 20 3 1.17132 20 4 1.522 4/2.540 25 3 1.48440 25 4 1.936 4.5/2.845 28 3 1.68745 28 4 2.203 5/3.250 32 3 1.90850 32 4 2.4945.6/3.6 56 36 3 2.153 56 36 4 2.818 56 36 5 3.4666.3/4 63 40 4 3.185 63 40 5 3.920 63 40 6 4.638 63 40 7 5.3397/4.5 70 45 4 3.570 70 45 5 4.403 70 45 6 5.218 70 45 7 6.011钢板重量计算公式: (2010/10/05 11:12)目录:公司动态浏览字体:大中小钢板重量计算公式:钢管重量(公斤)=0.00617×直径×直径×长度方钢重量(公斤)=0.00785×边宽×边宽×长度六角钢重量(公斤)=0.0068×对边宽×对边宽×长度八角钢重量(公斤)=0.0065×对边宽×对边宽×长度螺纹钢重量(公斤)=0.00617×计算直径×计算直径×长度角钢重量(公斤)=0.00785×(边宽+边宽-边厚)×边厚×长度扁钢重量(公斤)=0.00785×厚度×边宽×长度钢管重量(公斤)=0.02466×壁厚×(外径-壁厚)×长度钢板重量(公斤)=7.85×厚度×面积园紫铜棒重量(公斤)=0.00698×直径×直径×长度园黄铜棒重量(公斤)=0.00668×直径×直径×长度园铝棒重量(公斤)=0.0022×直径×直径×长度方紫铜棒重量(公斤)=0.0089×边宽×边宽×长度方黄铜棒重量(公斤)=0.0085×边宽×边宽×长度方铝棒重量(公斤)=0.0028×边宽×边宽×长度六角紫铜棒重量(公斤)=0.0077×对边宽×对边宽×长度六角黄铜棒重量(公斤)=0.00736×边宽×对边宽×长度六角铝棒重量(公斤)=0.00242×对边宽×对边宽×长度紫铜板重量(公斤)=0.0089×厚×宽×长度黄铜板重量(公斤)=0.0085×厚×宽×长度铝板重量(公斤)=0.00171×厚×宽×长度园紫铜管重量(公斤)=0.028×壁厚×(外径-壁厚)×长度园黄铜管重量(公斤)=0.0267×壁厚×(外径-壁厚)×长度园铝管重量(公斤)=0.00879×壁厚×(外径-壁厚)×长度注:公式中长度单位为米,面积单位为平方米,其余单位均为毫米园钢重量(公斤)=0.00617×直径×直径×长度。