阀门型号及含义说明书
- 格式:doc
- 大小:272.03 KB
- 文档页数:9
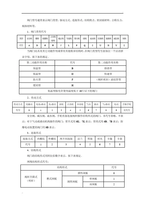
阀门型号通常表示阀门类型、驱动方式、连接形式、结构特点、密封面材料、公称压力、阀体材料等。
1、阀门类型代号
当阀门还具有其它功能作用或带有其他特异结构时,在阀门类型代号前加注一个汉语拼音字母,按下表的规定。
2、传动方式
安全阀、减压阀、疏水阀、手轮直接连接阀杆操作结构形式的阀门,本代号省略,不表示;对于气动或液动机构操作的阀门:常开式用6K、7K表示;常闭式用6B、7B表示;防爆电动装置的阀门用9B表示。
3、连接形式
4、结构形式
阀门的结构形式用阿拉伯数字表示,按下表规定。
闸阀结构形式代号:
截止阀、节流阀和柱塞阀结构形式代号
球阀结构形式代号
蝶阀结构形式代号
隔膜阀结构形式代号
旋塞阀结构形式代号
止回阀结构形式代号
安全阀结构形式代号
减压阀结构形式代号
蒸汽疏水阀结构形式代号
排污阀结构形式代号
五、密封副材料
六、公称压力数值用阿拉伯数字直接表示,它是MPa的10倍。
七、阀体材料
PL50-1.6RF (其中PL是指板式平焊钢制管法兰50是指公称通径DN50 1.6是指公称压力PN1.6 RF是指法兰密封面型式是突面)。
各类阀门型号含义之答禄夫天创作各类阀门结构形式电动阀:“B”为防爆电动装置.“Y”“S”为未注代号的均为普通型电动装置.阀门型号:首位前加“K”暗示抗硫阀;“G”暗示配金属棱型垫片及加接法兰,螺栓、螺母.“G”暗示联合设计的截止、节流阀.“C”暗示CVA标准.“S”暗示地下水门.“W”高中压暗示波纹管阀;“W”高压暗示卧式装置.“HD”暗示止回蝶阀;“GD”暗示高真空截止阀.“D”暗示高温阀.材质:1)C4 C6暗示耐浓硝酸的新钢种.2)TI暗示耐剧腐蚀的工业钝钛.3)N暗示铝铌铜氮钢.4)RL暗示超低碳的不锈钢.阀门型号编制组合排列形式类型代号用汉语拼音字母暗示如下表各类阀门型号含义各类阀门结构形式其它电 动 阀:“B ”为防爆电动装置.“Y ”“S ”为未注代号的均为普通型电动装置.阀门型号:首位前加“K ”暗示抗硫阀;“G ”暗示配金属棱型垫片及加接法兰,螺栓、螺母.“G ”暗示联合设计的截止、节流阀.“C ”暗示CVA 标准. “S ”暗示地下水门.“W ”高中压暗示波纹管阀;“W ”高压暗示卧式装置.“HD ”暗示止回蝶阀;“GD ”暗示高真空截止阀.“D ”暗示高温阀.材 质: 1)C 4 C 6暗示耐浓硝酸的新钢种.2)TI 暗示耐剧腐蚀的工业钝钛. 3)N 暗示铝铌铜氮钢.4)RL 暗示超低碳的不锈钢.二、电缆型号编制方法 电力电缆型号含义线芯数×线芯截面(毫米2)+中性线芯(用“1”暗示)×中性线芯截面(毫米2)油浸纸绝缘电力电缆油浸纸绝缘电力电缆类产物,以绝缘纸的字母“Z”代号列为首位,其余各项型号编制及字母含义如下:注:a.数字涵义详见以下附表.b.铜芯代表字母T一般省略不写.例如:铜芯不滴流油浸纸绝缘铅套聚氯乙烯套电力电缆电力电缆电缆外护层的型号按铠装层和外被层的结构顺序用阿拉伯数字暗示.每一数字暗示所采纳的主要资料和意义见下表.交联聚乙烯绝缘电力电缆交联聚乙烯绝缘电力电缆,以交联聚乙烯代号字母“YJ”为首位,其余各项型号编制及字母含义如下:注:*铜导体代号字母“T”一般省略.S-加铜丝屏蔽时.。
阀门型号上每个字母的含义-lk一、阀门的型号阀门的型号是用来表示阀类、驱动及连接形式、密封圈材料和公称压力等要素的。
由于阀门种类繁杂,为了制造和使用方便,国家对阀门产品型号的编制方法做了统一规定。
阀门产品的型号是由七个单元组成,用来表明阀门类别、驱动种类、连接和结构形式、密封面或衬里材料、公称压力及阀体材料。
阀门型号的组成由七个单元顺序组成(见下表)1.阀门的类型代号表1—1阀门类型代号阀门类型代号阀门类型代号闸阀Z 球阀Q 疏水阀S截止阀J 旋塞阀X 安全阀 A 节流阀L 液面指示器M 减压阀Y 隔膜阀G 止回阀H柱塞阀U 碟阀 D2.传动方式代号用阿拉伯数字表示,按表1—2的规定表1—2传动方式代号传动方式代号电磁阀电磁—液动电—液动蜗轮正齿轮01234伞齿轮气动液动气—液动电动56789注:①手轮、手柄和扳手传动以及安全阀、减压阀、疏水阀省略本代号。
②对于气动或液动:常开式用6K、7K表示;常闭式用6B、7B表示;气动带手动用6S表示。
防爆电动用“9B”表示。
3.连接形式代号用阿拉伯数字表示,按表1—3的规定表 1—3连 节 形 式 代 号 连 节 形 式 代 号 内 螺 纹 外 螺 纹 法 兰 焊 接1 2 4 6对 夹 卡 箍 卡 套7 8 9注:焊接包括对焊和承插焊4.结构形式代号用阿拉伯数字表示1—4~13 表 1—4闸 阀 结 构 形 式 代 号 弹 性 闸 板 0 单 闸 板 1楔 式 双 闸 板 2 单 闸 板 3明 杆平 行 式双 闸 板 4 单 闸 板 5 暗 杆 楔 式刚 性双 闸 板6表 1—5截 止 阀 和 节 流 阀 结 构 形 式 代 号 直 通 式 1 角 式 4 直 流 式5 直 通 式6 平 衡角 式7表 1—6球 阀 结 构 形 式 代 号 直 通 式 1 L 形 4浮 动 T 形三 通 式5 固 定直 通 式7表 1—7蝶 阀 结 构 形 式代 号杠 杆 式 垂 直 板 式 斜 板 式0 1 3表 1—8隔 膜 阀 结 构 形 式代 号 屋 脊 式 1截 止 式 闸 板 式3 7表 1—9旋 塞 阀 结 构 形 式 代 号 直 通 式 3 T 形 三 通 式 4填 料 四 通 式 5 直 通 式 7 油 封T 形 三 通 式8表 1—10止 回 阀 和 底 阀 结 构 形 式 代 号 直 通 式 1 升 降 立 式 2 单 瓣 式 4 多 瓣 式 5旋 启双 瓣 式6表 1—11安 全 阀 结 构 形 式 代 号 带 散 热 片 全 启 式0 12封 闭全 启 式 4 双弹簧微启式 3 微 启 式 7 全 启 式 8带 板 手微 启 式5弹 簧不 封 闭带控制机构全 启 式6 脉 冲 式9注:杠杆式安全阀在类型代号前加“G ”汉语拼音字母。
阀门型号表示含义阀门型号通常应表示阀门类型、驱动方式、连接形式、结构特点、公称压力、密封面材料、阀体材料等要素;阀门型号的标准化对阀门的设计、选用、经销,提供了方便;当今阀门的类型和材料种类越来越多,阀门型号的编制也愈来愈复杂;我国虽然有阀门型号编制的统一标准,但逐渐不能适应阀门工业发展的需要;目前,阀门制造厂一般采用统一的编号方法;不能采用统一编号方法的,各生产厂可按自己的情况制订出编号方法;一单元:阀门类型代号 当阀门还具有其他功能作用或带有其他特异结构时,在阀门类型代号前再加注一个汉语拼音字母,按下表的规定;第二功能作用名称代号 第二功能作用名称代号 保温型 B 排渣型 P 低温型 D a 快速型 Q 防火型 F 阀杆密封波纹管型W 缓闭型H——a低温型指允许使用温度低于-46℃以下的阀门;二单元:传动方式类型 安全阀 蝶阀 隔膜阀 止回阀底阀 截止阀 节流阀 排污阀 球阀 疏水阀 柱塞阀 旋塞阀 减压阀 闸阀代号ADGHJLPQSUXYZ传动 电磁动 电磁-液动 电-液动 蜗轮 正齿轮 伞齿轮 气动 液动 气-液动 电动 手柄,不表示;对于气动或液动机构操作的阀门:常开式用6K、7K表示;常闭式用6B、7B表示;防爆电动装置的阀门用9B表示;三单元:连接型式四单元:结构型式阀门结构形式用阿拉伯数字表示,按下表规定;闸阀结构形式代号截止阀、节流阀和柱塞阀结构形式代号球阀结构形式代号蝶阀结构形式代号隔膜阀结构形式代号旋塞阀结构形式代号止回阀结构形式代号安全阀结构形式代号减压阀结构形式代号蒸汽疏水阀结构形式代号排污阀结构形式代号五单元:密封副材料当密封副的密封面材料不同时,以硬度低的材料代号表示;六单元:公称压力数值用阿拉伯数字直接表示,它是MPa的10倍灰铸铁底压阀和钢制中压省略此项举例:Z543H-16C 伞齿轮传动法兰连接平板闸阀,公称压力,阀体材料为碳钢阀门的命名阀门的名称按传动方式、连接形式、结构形式、衬里材料和类型命名;但下面内容在命名中均予省略:1 连接形式中:“法兰”;2 结构形式中:a:闸阀的“明杆”、“弹性”、“刚性”和“单闸板”;b:截止阀和节流阀的“直通式”;c:球阀的“浮动”和“直通式”;d:蝶阀的“垂直板式”;e:隔膜阀的“屋脊式”;f:旋塞阀的“填料”和“直通式”;g:止回阀的“直通式”和“单瓣式”;h:安全阀的“不封闭”;3 阀座密封面材料中的材料名称;。
阀门标识大全及表示方法阀门标识识别是指通过阀门型号组合排列形式来标识和识别阀门的各种参数。
阀门型号包括口径、阀门类型、传动方式、连接形式、结构形式、阀座密封面或衬里材料、公称压力和阀体材料等。
其中,类型代号用汉语拼音字母表示,如闸阀、截止阀、节流阀、球阀、蝶阀、隔膜阀等。
各类阀门型号含义如下:闸阀(Z):0表示电磁动,1表示内螺纹,2表示外螺纹,或衬里(见下表:阀门结构形式)。
截止阀(J):1表示电磁或液动。
节流阀(L):2表示电一液动,3表示法兰(用于双弹簧安全阀)。
球阀(Q):3表示蜗轮阀,4表示法兰。
蝶阀(D):4表示正齿轮转动,5表示伞齿轮转动,6表示焊接,7表示对夹,8表示卡箍,9表示卡套阀。
隔膜阀(G):5表示法兰(用于杠杆式、安全门、单弹簧安全门)。
安全阀(A):6表示气动,7表示液动,8表示气一液动,9表示电动。
减压阀(Y):XXX表示。
疏水阀(S):XXX表示。
阀门型号中的各个参数都有其特定的代号,如汉语拼音、数字、字母等,用于表示口径、传动方式、连接形式、结构形式、阀座密封面或衬里材料、公称压力和阀体材料等。
例如,阀门型号中的汉语拼音字母代号表示阀门类型,数字表示公称压力,字母表示传动方式等。
阀门型号中的阀座密封面或衬里材料也有其特定的代号,如T表示铜合金,H表示合金钢,B表示锡基轴,Y表示硬质合金,X表示橡胶,XXX表示硬橡胶,SA表示聚四氟乙烯,SB表示聚三氟乙烯,SC表示聚氟乙烯,SD表示酚醛塑料,SN表示尼龙,F表示氟塑料,P表示皮革(渗硼钢),S表示塑料,D表示渗氮钢,XXX表示衬胶,TC表示搪磁,CS表示衬塑料,CQ表示衬铅,W表示密封圈由阀体加工。
阀门型号中的公称压力数值用kg/m2表示,阀体材料代号用汉语拼音字母和数字表示,如Z表示灰铸件,X表示可锻铸铁,Q表示球墨铸铁,T表示铜合金,B表示铅合金,II表示铬钼合金钢,L表示铬合金,P表示铬镍钛钢,V(II)表示铬钼钒合金钢,R表示铬镍钼钛钢,C表示碳钢(一般不表示),G表示硅铁。
阀门型号表示方法及名称命名方法(JB308-1975)(1)阀门型号各单元表示的意义□□□□□---□□↓↓↓↓↓↓↓阀体材料↓↓↓↓↓↓公称压力↓↓↓↓↓阀座密封面或衬里材料↓↓↓↓结构形式↓↓↓连接形式↓↓传动方式↓阀门类型(2)第1单元――阀门类型表示方法注:用于低温(低于-40度)、保温(带加热套)和带波纹管的阀门,应在类型代号前分别加注代号“D”、“B”和“W”。
注:1.用手轮、手柄或扳手传动的阀门以及安全阀、减压阀、疏水阀,省略本代号。
2.对于气动或液动,常开式用6k,7k表示;常闭式用6B、7B表示;气动带手动用6s表示。
防爆电动用9B表示。
注:焊接包括对焊和插焊。
(5)第4单元――结构形式表示方法(a)闸阀结构形式表示方法(c)球阀结构形式表示方法注:垂直板三杆式用ls表示。
(e)隔膜阀结构形式表示方法(f)旋塞阀结构形式表示方法(g)止回阀和底阀结构形式表示方法(h)安全阀结构形式表示方法(i)减压阀结构形式表示方法(j)疏水阀结构形式表示方法(k)排污阀结构形式表示方法(6)第5单元――阀座密封面或衬里材料表示方法注:1.由阀体直接加工的阀座密封面材料代号用“W”表示。
2.当阀座和阀瓣(闸板)密封面材料不同时,用低硬度材料代号表示(隔膜阀除外)。
(7)第6单元――公称压力表示方法公称压力用压力数值(Mpa数值的10倍)表示,并用短横线与前五个单元分开(8)第7单元――阀体材料表示方法注:对于PN小于等于1.6Mpa的灰铸铁阀体和PN大于等于2.5Mpa的碳素铜阀体,省略本单元。
(9)阀门型号举例J11T-16K;截止阀,内螺纹连接,直通式,铜合金密封面,公称压力为PN1.6Mpa,阀体材料为可锻铸铁。
Z44W-10K:闸阀,法兰连接,明杆,平行式刚性双闸阀,由阀体直接加工的密封面,公称压力PN1.0Mpa,阀体材料为可锻铸铁。
A47H-16C:安全阀,法兰连接,不密封,带扳手弹簧启式,合金钢密封面,公称压力PN1.6Mpa,阀体材料为碳素。
各类阀门型号含义各类阀门结构形式阀门的其它参数电动阀:“B”为防爆电动装置。
“Y”“S”为未注代号的均为普通型电动装置。
首位前加“K”表示抗硫阀;“G”表示配金属棱型垫片及加接法兰,螺栓、螺母。
“G”表示联合设计的截止、节流阀门型号:阀。
“C”表示CVA标准。
“S”表示地下水门。
“W”高中压表示波纹管阀;“W”低压表示卧式安装。
“HD”表示止回蝶阀;“GD”表示高真空截止阀。
“D”表示低温阀。
材质:1)C4 C6表示耐浓硝酸的新钢种。
2)TI表示耐剧腐蚀的工业钝钛。
3)N表示铝铌铜氮钢。
4)RL表示超低碳的不锈钢。
阀门型号编制组合排列形式类型代号用汉语拼音字母表示如下表各类阀门型号含义各类阀门结构形式其它电动阀:“B”为防爆电动装置。
“Y”“S”为未注代号的均为普通型电动装置。
阀门型号:首位前加“K”表示抗硫阀;“G”表示配金属棱型垫片及加接法兰,螺栓、螺母。
“G”表示联合设计的截止、节流阀。
“C”表示CVA标准。
“S”表示地下水门。
“W”高中压表示波纹管阀;“W”低压表示卧式安装。
“HD”表示止回蝶阀;“GD”表示高真空截止阀。
“D”表示低温阀。
材质:1)C4 C6表示耐浓硝酸的新钢种。
2)TI表示耐剧腐蚀的工业钝钛。
3)N表示铝铌铜氮钢。
4)RL表示超低碳的不锈钢。
水力控制阀二、电缆型号编制方法电力电缆型号含义线芯数×线芯截面(毫米2)+中性线芯(用“1”表示)×中性线芯截面(毫米2)油浸纸绝缘电力电缆油浸纸绝缘电力电缆类产品,以绝缘纸的字母“Z”代号列为首位,其余各项型号编制及字母含义如下:注:a.数字涵义详见以下附表。
b.铜芯代表字母T一般省略不写。
例如:铜芯不滴流油浸纸绝缘铅套聚氯乙烯套电力电缆铝芯粘性油浸纸绝缘铝套裸细钢铠装电力电缆电缆外护层的型号按铠装层和外被层的结构顺序用阿拉伯数字表示。
每一数字表示所采用的主要材料和意义见下表。
交联聚乙烯绝缘电力电缆交联聚乙烯绝缘电力电缆,以交联聚乙烯代号字母“YJ”为首位,其余各项型号编制及字母含义如下:铜芯交联聚乙烯绝缘氯乙烯护套电力电缆铝芯交联聚乙烯绝缘聚氯乙烯护套钢带铠装电力电缆主要型号及名称见下表。
阀门型号的编制及字母代号的含义1.型号的组成阀门型号由阀门类型,驱动方式、连接形式、结构形式、密封面或衬里材料、压力、阀体材料七部门组成。
如图所示1.2.1.1阀门类型代号类型代号类型代号安全阀弹簧载荷式、先导式 A球阀整体球Q 重锤杠杆式GA 半球PQ 蝶阀 D 蒸汽疏水阀S 倒流防止器GH 堵阀(电站用)SD 隔膜阀G 控制阀(调节阀)T 止回阀、底阀H 柱塞阀U 截止阀J 旋塞阀X 节流阀L 减压阀(自力式)Y进排气阀单-进排气阀P 减温减压阀(非自力式)WY 复合型FFP 闸阀Z 排污阀PW 排渣阀PZ2.1.2当阀门又同时具有其他功能作用或带有其他结构时,在阀门类型代号前再加注一个汉语拼音字母、典型功能代号按下表规定。
2.2驱动方式代号驱动方式代号用阿拉伯数字表示,按下表规定。
4.3连接形式代号以阀门进口端的连接形式确定代号,代号用阿拉伯数字表示,按下表规定。
4.4阀门结构形式代号阀门结构形式用阿拉伯数字表示,按下列表规定。
4.4.2截止阀和节流阀结构形式代号4.4.3止回阀结构形式代号4.4.5蝶阀结构形式代号4.4.6旋塞阀结构形式代号4.4.7隔膜阀结构形式代号4.4.8减压阀(自力式)结构形式代号4.4.9控制阀(调节阀)结构形式代号4.4.9减温减压阀(非自力式)结构形式代号4.4.10堵阀结构形式代号4.4.11蒸汽疏水阀结构形式代号4.4.12排污阀结构形式代号4.4.13安全阀结构形式代号4.5密封副或衬里材料代号密封副或衬里材料代号,以两个密封面中起密封作用的密封面材料或衬里材料硬度值较低的材料或腐蚀性较低的材料表示;金属密封面中镶嵌非金属材料的,则表示为非金属/金属。
材料代号按下表规定的字母表示。
4.6压力代号压力级代号采用 PN 后的数字表示。
4.7阀体材料代号。
各类阀门型号含义[1]各类阀门型号含义各类阀门结构形式阀门的其它参数电动阀: “B”为防爆电动装置。
“Y”“S”为未注代号的均为普通型电动装置。
首位前加“K”表示抗硫阀;“G”表示配金属棱型垫片及加接法兰,螺栓、螺母。
“G”表示联合设计的截止、节流阀门型号:阀。
“C”表示CVA标准。
“S”表示地下水门。
“W”高中压表示波纹管阀;“W”低压表示卧式安装。
“HD”表示止回蝶阀;“GD”表示高真空截止阀。
“D”表示低温阀。
材质:1)C4 C6表示耐浓硝酸的新钢种。
2)TI表示耐剧腐蚀的工业钝钛。
3)N表示铝铌铜氮钢。
4)RL表示超低碳的不锈钢。
阀门型号编制组合排列形式类型代号用汉语拼音字母表示如下表各类阀门型号含义各类阀门结构形式电动阀: 阀门型号:其它“B”为防爆电动装置。
“Y”“S”为未注代号的均为普通型电动装置。
首位前加“K”表示抗硫阀;“G”表示配金属棱型垫片及加接法兰,螺栓、螺母。
“G”表示联合设计的截止、节流阀。
“C”表示CVA标准。
“S”表示地下水门。
“W”高中压表示波纹管阀;“W”低压表示卧式安装。
“HD”表示止回蝶阀;“GD”表示高真空截止阀。
“D”表示低温阀。
材质:1 )C4 C6表示耐浓硝酸的新钢种。
2)TI表示耐剧腐蚀的工业钝钛。
3)N表示铝铌铜氮钢。
4)RL表示超低碳的不锈钢。
水力控制阀二、电缆型号编制方法电力电缆型号含义线芯数×线芯截面(毫米2)+中性线芯(用“1”表示)×中性线芯截面(毫米2)油浸纸绝缘电力电缆油浸纸绝缘电力电缆类产品,以绝缘纸的字母“Z”代号列为首位,其余各项型号编制及字母含义如下:注:a.数字涵义详见以下附表。
b.铜芯代表字母T一般省略不写。
例如: 铜芯不滴流油浸纸绝缘铅套聚氯乙烯套电力电缆铝芯粘性油浸纸绝缘铝套裸细钢铠装电力电缆电缆外护层的型号按铠装层和外被层的结构顺序用阿拉伯数字表示。
每一数字表示所采用的主要材料和意义见下表。
阀门型号说明书一、产品概述阀门作为流体控制设备,被广泛应用于工业、建筑和农业等领域。
阀门的型号不仅代表了其规格和性能特点,也是用户选择适合自身需求的阀门的重要参考指标。
本文档将详细介绍阀门型号的含义及其相关技术要素,以帮助用户更好地理解和正确选择阀门产品。
二、阀门型号的组成阀门的型号通常由一系列字符和数字组成,每个字符和数字都代表了不同的含义。
一般而言,阀门的型号可以分为以下几个部分:1.1 压力级别阀门的型号中通常会包含一个代表压力级别的字符或数字。
这一部分的含义是指阀门能够承受的最大工作压力,通常以单位MPa、Psi或Bar来表示。
不同压力级别的阀门适用于不同的工作环境和工作压力要求。
1.2 阀门类型阀门的型号中还会包含一个字符或数字,代表阀门的类型。
常见的阀门类型有闸阀、截止阀、球阀、蝶阀等。
不同类型的阀门具有不同的结构和工作原理,适用于不同的流体介质和流量要求。
1.3 连接方式阀门的型号中可能还会包含一个字符或数字,表示阀门的连接方式。
常见的连接方式有法兰连接、螺纹连接、焊接连接等。
不同的连接方式适用于不同的管道布局和安装需求。
1.4 阀门尺寸阀门的型号中一般会包含一个数字,表示阀门的尺寸。
阀门尺寸通常包括阀门的口径大小和长度等参数。
正确选择合适的阀门尺寸是确保阀门正常工作的关键。
1.5 阀门材质阀门的型号中可能还会包含一个字符或数字,代表阀门的材质。
阀门材质通常根据工作环境和介质的特性选择,常见的材质有铸铁、不锈钢、铜、塑料等。
三、如何选择合适的阀门型号选择合适的阀门型号是确保阀门在工作过程中能够正常运行的关键。
以下是一些选择阀门型号的重要因素:3.1 工作压力要求根据工作环境和工艺要求确定所需的阀门工作压力范围,选择合适的压力级别。
3.2 流体介质根据流体介质的特性选择适合的阀门类型和材质,确保阀门能够耐受介质的温度、压力和化学性质。
3.3 流量要求根据流量要求选择合适的阀门口径和流量特性,确保阀门能够满足所需的流量调节和控制要求。
阀门型号及含义说明、通用阀门:所有阀门型号都有下面七个单元组成:1 2 3 4 5 ——6 7通常应表示阀门类型、驱动方式、连接形式、结构特点、密封面材1、阀门类型代号:即:Z闸阀J截止阀L节流阀H止回阀和底阀Q球阀X旋塞阀D蝶阀A安全阀S蒸汽疏水阀丫减压阀G隔膜阀注明:当阀门还具有其它功能作用或带有其它特异结构时,在阀门类型代号前再加注一个汉语拼音字母(1)阀门类型代号前加“ D”为低温阀门(低于一40C);代号前加“B” 为保温的阀门(带加热套);防火型F;缓闭型H。
(2)截止阀类型代号前加“ W”,表示波纹管密封阀门。
(3)闸阀类型代号前加“ P”表示用于排渣系统阀门,加“ X”或“ K” 为排渣用泥浆阀。
(4)在地下水用闸阀类型代号前加“ S”表示竖式安装,加“ W ”表示卧式安装。
(5)在地下水用闸阀类型代号前加“ D1 ”、“D2”表示短系列,加“ Q” 表示球蝶阀,加“ S”表示用于地下管网蝶阀。
2、传动方式代号:即:0电磁动1电磁-液动2电-液动3蜗轮(蜗杆)4正齿轮5锥齿轮6气动7液动8气-液动9电动若为手动则省略注明:对于齿轮、手柄、扳手等直接传动或自动阀门(安全阀、减压阀、疏水阀、手轮直接连接阀杆操作结构形式的阀门)本代号省略,不表示;对于气动或液动机构操作的阀门,常开式用6K、7K表示,常闭式用6B、7B表示,气动带手动用6S表示。
防爆电动装置的阀门用9B表示,户外耐热式用9R表示。
3、连接方式代号:即:1内螺纹2外螺纹4法兰式6焊接式7对夹式8卡箍9卡套4、结构形式代号阀门结构形式用1位阿拉伯数字表示,如下:(一)闸阀结构形式代号:即:0楔式弹性闸板1楔式单闸板2楔式双闸板3平行式单闸板4平行式双闸板(二)截止阀、截流阀结构形式代号:即:1直通式4角式5直流式(三)止回阀结构形式代号:即:1直通式2升降立式3升降角式6旋启单瓣式(四)安全阀结构形式代号:(五)调节阀结构形式代号:(六)球阀结构形式代号:即:1浮球直通式7固定直通式(七)给水分配阀、减压阀、旋塞阀、蝶阀、输水阀、隔膜阀结构形式代号:注明:结构形式如为杠杆式安全阀,在结构形式代号前加“G”,1代表单杆微启,2代表单杆全启,3代表双杆微启,4代表双杆全启.5、密封面材质代号:(用汉语拼音字母表示)注:当阀座与阀瓣材质不同时,用底硬度材料代号表示(隔膜阀除外)即:H合金钢丫硬质合金F氟塑料T铜合金P渗硼钢X橡胶N尼龙塑料B锡基轴承合金(巴氏合金)Q衬铅J衬胶C、P陶瓷、渗硼钢W本体材质(碳化钨硬质合金)6、公称压力代号:公称压力数值用阿拉伯数字直接表示,并用短线与前五个单元分开。
阀门型号解释第1单元——阀门类型表示法第2单元——传动方式表示法第3单元——连接形式表示法第4单元——结构形式表示法a、闸阀结构形式表示法b、截止阀、柱塞阀和节流阀结构形式表示法C、球阀结构形式表示法d、碟阀结构形式表示法e、隔膜阀结构形式表示法f、旋塞阀结构形式表示法、止回阀和底阀结构形式表示法gh、安全阀结构形式表示法i、减压阀结构形式表示法j、疏水阀结构形式表示法k、排污阀结构形式表示法第5单元——阀座密封面或衬里材料表示方法第6单元——公称压力表示方法公称压力用压力数值(MPa数值的10倍)表示,并用短横线与前五个单元分开。
第7单元——阀体材料表示方法第二节阀门型号举例各种阀门型号解释:1)、J11T—16K:截止阀,内螺纹连接,直通式,铜合金密封面,公称压力为PN1.6Mpa,阀体材料为可锻铸铁。
2)、J41H—16—80:截止阀,法兰连接,直通式,cr13系不锈钢密封面,公称压力为PN1.6Mpa,通径为80mm。
3)、Z44W—10K—100:闸板阀,法兰连接,明杆,平行式刚性双闸板,由阀体直接加工的密封面,公称压力为PN1.0Mpa,阀体材料为可锻铸铁。
(注:“3“为平行式刚性单闸板)4)、Z41T—10—100:闸板阀,法兰连接,明杆,楔式刚性单闸板,铜合金密封面,公称压力为PN1.0Mpa,通径为100mm(注:“2“为楔式式刚性双闸板)5)、Z45T—16—150:闸板阀,法兰连接,暗杆,楔式刚性单闸板,铜合金密封面,公称压力为PN1.6Mpa,通径为150mm。
(注:“6“为楔式刚性双闸板)6)、Z47T—16—125:闸板阀,法兰连接,暗杆,平行式刚性单闸板,铜合金密封面,公称压力为PN1.6Mpa,通径为125mm。
(注:“8“为平行式刚性双闸板)7)、D341X—10—80:蝶阀,蜗轮传动,法兰连接,结构型式为垂直板式,橡胶密封面,公称压力为PN1.0Mpa,通径为80mm。
本文内容:阀门编号方法、阀门型号说明、阀门型号举例
一、一般工业用阀门型号编制方法
JB/T308—1975《阀门型号编制方法》适用于工业管道用闸阀、截止阀、节流阀、球阀、蝶阀、隔膜阀、旋塞阀、止回阀、安全阀、减压阀、蒸汽疏水阀。
它包括阀门的型号编制和阀门的命名。
阀门制造厂一般采用统一的编号方法,在不能采用统一编号时可按自己的情况制订编号方法。
二、阀门型号说明
阀门型号由7个单元组成,其含义如下图所示:
(返项)
公称压力(PN)代号值的10倍。
如公称压力为25,即2.5MPa,或25Kg/cm 2。
用于电站工业的阀门,当介质最高温度超过530℃时,其数值是以兆帕(MPa)为单位的工作压力值的10倍。
阀门结构形式代号,常用的阀门类型:(返项)
闸阀,截止阀、柱塞阀和节流阀,球阀、蝶阀、隔膜阀、旋塞阀、止回阀、安全阀、减压阀、蒸汽疏水阀、排污阀、
(返项)
2、Q341F-16C阀门正确解读:
3、SD341X-10阀门正确解读:
4、H44T
5。
阀门型号上每个字母的含义-lk一、阀门的型号阀门的型号是用来表示阀类、驱动及连接形式、密封圈材料和公称压力等要素的。
由于阀门种类繁杂,为了制造和使用方便,国家对阀门产品型号的编制方法做了统一规定。
阀门产品的型号是由七个单元组成,用来表明阀门类别、驱动种类、连接和结构形式、密封面或衬里材料、公称压力及阀体材料。
阀门型号的组成由七个单元顺序组成(见下表)1.阀门的类型代号表1—1阀门类型代号阀门类型代号阀门类型代号闸阀Z 球阀Q 疏水阀S截止阀J 旋塞阀X 安全阀 A 节流阀L 液面指示器M 减压阀Y 隔膜阀G 止回阀H柱塞阀U 碟阀 D2.传动方式代号用阿拉伯数字表示,按表1—2的规定表1—2传动方式代号传动方式代号电磁阀电磁—液动电—液动蜗轮正齿轮01234伞齿轮气动液动气—液动电动56789注:①手轮、手柄和扳手传动以及安全阀、减压阀、疏水阀省略本代号。
②对于气动或液动:常开式用6K、7K表示;常闭式用6B、7B表示;气动带手动用6S表示。
防爆电动用“9B”表示。
3.连接形式代号用阿拉伯数字表示,按表1—3的规定表 1—3连 节 形 式 代 号 连 节 形 式 代 号 内 螺 纹 外 螺 纹 法 兰 焊 接1 2 4 6对 夹 卡 箍 卡 套7 8 9注:焊接包括对焊和承插焊4.结构形式代号用阿拉伯数字表示1—4~13 表 1—4闸 阀 结 构 形 式 代 号 弹 性 闸 板 0 单 闸 板 1楔 式 双 闸 板 2 单 闸 板 3明 杆平 行 式双 闸 板 4 单 闸 板 5 暗 杆 楔 式刚 性双 闸 板6表 1—5截 止 阀 和 节 流 阀 结 构 形 式 代 号 直 通 式 1 角 式 4 直 流 式5 直 通 式6 平 衡角 式7表 1—6球 阀 结 构 形 式 代 号 直 通 式 1 L 形 4浮 动 T 形三 通 式5 固 定直 通 式7表 1—7蝶 阀 结 构 形 式代 号杠 杆 式 垂 直 板 式 斜 板 式0 1 3表 1—8隔 膜 阀 结 构 形 式代 号 屋 脊 式 1截 止 式 闸 板 式3 7表 1—9旋 塞 阀 结 构 形 式 代 号 直 通 式 3 T 形 三 通 式 4填 料 四 通 式 5 直 通 式 7 油 封T 形 三 通 式8表 1—10止 回 阀 和 底 阀 结 构 形 式 代 号 直 通 式 1 升 降 立 式 2 单 瓣 式 4 多 瓣 式 5旋 启双 瓣 式6表 1—11安 全 阀 结 构 形 式 代 号 带 散 热 片 全 启 式0 12封 闭全 启 式 4 双弹簧微启式 3 微 启 式 7 全 启 式 8带 板 手微 启 式5弹 簧不 封 闭带控制机构全 启 式6 脉 冲 式9注:杠杆式安全阀在类型代号前加“G ”汉语拼音字母。
阀门型号及含义说明
一、通用阀门:所有阀门型号都有下面七个单元组成:
1 2 3 4 5 ——6 7
通常应表示阀门类型、驱动方式、连接形式、结构特点、密封面材料、公称压力、阀体材料等。
以下图为例:
1、阀门类型代号:
即:Z 闸阀J截止阀L节流阀H止回阀和底阀Q球阀X旋塞阀D蝶阀A安全阀S蒸汽疏水阀Y减压阀G隔膜阀
注明:
当阀门还具有其它功能作用或带有其它特异结构时,在阀门类型代号前再加注一个汉语拼音字母
(1)阀门类型代号前加“D”为低温阀门(低于-40℃);代号前加“B”为保温的阀门(带加热套);防火型F;缓闭型H。
(2)截止阀类型代号前加“W”,表示波纹管密封阀门。
(3)闸阀类型代号前加“P”表示用于排渣系统阀门,加“X”或“K”为排渣用泥浆阀。
(4)在地下水用闸阀类型代号前加“S”表示竖式安装,加“W”表示卧式安装。
(5)在地下水用闸阀类型代号前加“D1”、“D2”表示短系列,加“Q”表示球蝶阀,加“S”表示用于地下管网蝶阀。
2、传动方式代号:
即:0电磁动1电磁-液动2电-液动3蜗轮(蜗杆)4正齿轮5锥齿轮6气动7液动8气-液动9电动若为手动则省略
注明:
对于齿轮、手柄、扳手等直接传动或自动阀门(安全阀、减压阀、疏水阀、手轮直接连接阀杆操作结构形式的阀门)本代号省略,不表示;对于气动或液动机构操作的阀门,常开式用6K、7K表示,常闭式用6B、
7B表示,气动带手动用6S表示。
防爆电动装置的阀门用9B表示,户外耐热式用9R表示。
3、连接方式代号:
即:1螺纹2外螺纹4法兰式6焊接式7对夹式8卡箍9卡套4、结构形式代号
阀门结构形式用1位阿拉伯数字表示,如下:
(一)闸阀结构形式代号:
即:0楔式弹性闸板1楔式单闸板2楔式双闸板
3平行式单闸板4平行式双闸板
(二)截止阀、截流阀结构形式代号:
即:1直通式4角式5直流式
(三)止回阀结构形式代号:
代号 1 2 3 4 5 6 7 8 9
结构型式
升降式阀瓣旋启式阀瓣升降式阀瓣
蝶
式直通
流道
立式
结构
角式
结构
单瓣
结构
多瓣
结构
双瓣
结构
直流
式
节流
再循
环式
即:1直通式2升降立式3升降角式6旋启单瓣式(四)安全阀结构形式代号:
(五)调节阀结构形式代号:
(六)球阀结构形式代号:
即:1浮球直通式7固定直通式
(七)给水分配阀、减压阀、旋塞阀、蝶阀、输水阀、隔膜阀结构形式代号:
注明:
结构形式如为杠杆式安全阀,在结构形式代号前加“G”,1代表单杆微启,2代表单杆全启,3代表双杆微启,4代表双杆全启.
5、密封面材质代号:(用汉语拼音字母表示)
注:当阀座与阀瓣材质不同时,用底硬度材料代号表示(隔膜阀除外)即:H合金钢Y硬质合金F氟塑料T铜合金P渗硼钢X橡胶N尼龙塑料B锡基轴承合金(巴氏合金)Q衬铅J衬胶C、P 陶瓷、渗硼钢W本体材质( 碳化钨硬质合金)
6、公称压力代号:
公称压力数值用阿拉伯数字直接表示,并用短线与前五个单元分开。
公称压力数值是MPa的10倍,如:16则代表1.6MPa。
①当介质最高温度小于450℃时,直接标注公称压力。
②当介质最高温度大于450 ℃时,需标注工作温度和工作压力。
③工作压力用“P”做标志,在“P”右下角附加工作温度数字,该数值是介质最高温度数值除以10所得的整数。
7、阀体材料代号:
阀体材料代号用汉语拼音字母表示。
PN≤1.6MPa的铸铁和PN≥2.5MPa的碳素钢阀体省略本代号。
即:T铜及铜合金C碳素钢P 18-8系不绣钢H Cr13系不锈钢Q球墨铸铁Z灰铸铁K可断铸铁L铝合金
示例:(DN表示口颈)
Z41Y-16C DN400 闸阀,手动,法兰连接,平行式双闸板,硬质合金密封面,公称压力16公斤,阀体材质为铸钢口径400
J11T-16K DN40 截止阀,手动,螺纹连接,直通式,铜合金密封面,公称压力16公斤,阀体材质为可锻铸铁口径40
H41W-10T DN150 止回阀,手动,法兰连接,全(密封面与阀体都
为铜),公称压力10公斤,口径150
D941X—16C DN450 软密封蝶阀,电动,法兰连接,直通式,橡胶密封面,公称压力为16公斤,阀体材质为铸钢,口径450
二、双偏心半球阀
类型表示方法:阀门型号都有下面七个单元组成:
1 2 3 4 5 --- 6 7
1、BQ双偏心半球阀
2、传动方式代号:
3蜗轮5伞齿轮6气动9电动
3、连接方式代号:
4法兰式6焊接式
4、结构形式代号
1直通式5直流式7管线直通式(通径)
5、密封面材质代号
W不锈钢适应介质水、蒸汽、污水、纸浆。
M合金适应介质溶液及浆液。
6 7表示容同上。
6、示例
BQ341M2—16C DN200 双偏心半球阀蜗轮传动,法兰连接,直通式,耐磨合金密封面,公称压力16公斤,阀体材质铸钢,口径200
三、料浆阀:
1、SJS :Y型料浆阀(50kg以下可缩写为JS)
2、口径DN200(包括DN200)及以下一般为手动。
(例如:SJS45Y-16C DN150;SJS45Y-16C DN200);口径200以上的为齿轮传动(例如:SJS545Y-16C DN250)。
角式放料阀、放料阀、管接放料阀及特种长筒放料阀与以上要求相同。
3、碳钢C 不锈钢P 。
4、类型表示方法:有下面七个单元组成:
1 2 3 4 5 --- 6 7
类型代号:
FS角阀FSb平板式放料角阀FB:阀杆向下加长角阀
TY:阀杆向上加长角阀
234567表示容同上。
5、示例
SJS545Y—16C DN300 Y型料浆阀蜗轮传动,法兰连接,直流式,硬质合金密封面,公称压力16公斤,阀体材质碳钢,口径300
FSb44Y—16C DN100 平板式放料角阀,手动,法兰连接,角式,硬质合金密封面,公称压力16公斤,阀体材质铸钢,口径100
FSb544Y—16C DN350 平板式放料角阀,齿轮传动,法兰连接,角式,硬质合金密封面,公称压力16公斤,阀体材质铸钢,口径350。