低压电机起动压降计算表
- 格式:xls
- 大小:42.00 KB
- 文档页数:2
低压电机起动压降计算表
预览说明:预览图片所展示的格式为文档的源格式展示,下载源文件没有水印,内容可编辑和复制
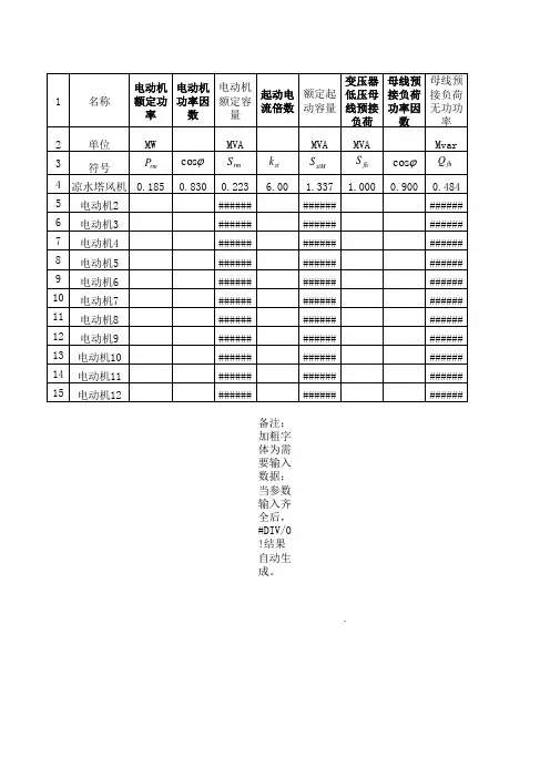
工程名称:**********工程设备名称:循环水泵计算条件:
供电变压器一次侧短路容量 S k =50MVA 供电变压器额定容量S rt =0.63MVA
供电变压器阻抗电压相对值X t =0.045电动机额定容量P rm =185kW 电动机功率因数COS φ=0.81电动机额定容量S rm =0.228MVA 电动机额定起动电流倍数K st = 5.5电动机额定起动容量S stM = 1.256MVA 变压器二次侧母线预接负荷S fh =0.4MVA 变压器二次侧母线功率因数COS φfh =
0.8母线预接负荷无功功率Q fh =
0.240Mvar 母线标称电压
U m =0.38kV 电动机电缆线路长度L=0.05km 电缆线路电抗
X L =
0.004
Ω
计算母线短路容量 S km
10.938
MVA
计算起动回路额定输入容量 S
1.214MVA
计算母线电压相对值 u stm
0.902
电动机全压起动时电压降计算(填入红色参数)
计算电动机端子电压相对值u stM
0.872
计算电动机起动电流I stM
1.664
kA
校验电动机起动转矩
起动时电动机端子电压应满足:电动机起动转矩相对值:M stM = 1.1负荷类型:
机械静转矩相对值:
M j =
0.3
0.548<
满足起动转矩要求,校验通过。
风机泵类
stM
u。
低压笼型电动机直接起动电压降计算编制葛生浩电气自动化事业部二零零七年元月低压笼型电动机直接起动电压降计算1.笼型电动机全压起动1.1按《通用用电设备配电设计规范》GB50055-93第2.3.2条规定,交流电动机起动时,配电母线上的电压应符合下列规定:•1)在一般情况下,电动机频繁起动时,不宜低于额定电压的90%;电动机不频繁起动时,不宜低于额定电压的85%。
•2)配电母线上未接照明或其他对电压波动较敏感的负荷,且电动机不频繁起动时,不应低于额定电压的80%。
•3)配电母线上未接其他用电设备时,可按保证电动机起动转矩的条件决定;对于低压电动机尚应保证接触器线圈的电压不低于释放电压。
1.2笼型电动机全压起动当符合下列条件:•1)起动时,对电网造成的电压降不超过规定的数值。
一般要求:经常起动的电动机不大于10%;偶而起动时,不超过15%。
在保证生产机械所要求的起动转矩而又不致影响其他用电设备的正常工作时,其电压降可允许为20%或更大一些。
由单独变压器供电的电动机其电压降允许值由传动机械要求的起动转矩来决定。
•2)起动功率不超过供电设备和电网的过载能力。
对变压器来说,其起动容量如以每24h起动6次,每次起动时间为15s来考虑,当变压器的负载率小于90%时,则最大起动电流可为变压器额定电流的4倍。
•3)电动机的起动转矩应大于传动机械的静阻转矩。
•4)起动时,应保证电动机及起动设备的动稳定和热稳定性。
5)机械能承受电动机全压起动时的冲击转矩;•6)制造厂对电动机的起动方式无特殊规定。
2.鼠笼型电机直接起动时的压降计算实例:鼠笼型电机380V、185kW、起动电流1900A,由560/10变压器供电,供电线路采用二根120mm 2电缆,长度50M 。
求直接起动时,低压母线上电压降及电机端电压降。
1)电动机起动时母线电压:计算时假定变压器高压侧容量为无限大,同时电动机投入后变压器达满负荷运行,于是起动时母线平均电压为:*bU S 2*()式中U 2*--电动机起动时母线电压标么值(以额定电压值为基准); X *--变压器电搞标么值(以本身容量为基准); U d -被起动电动机额定电压(KV ); I Q —被起动电动机起动电流(A ) P d —被起动电动机额定容量(KW ); S b —变压器额定容量(kVA )。
35平380v⼀千⽶压降计算35平380v⼀千⽶压降多少35平380v⼀千⽶压降多少_百度知道百度⾸页 | 百度知道 | 登录新闻⽹页贴吧知道 MP3 图⽚视频百科⽂库帮助 |设置百度知道 > 教育/科学 > 科学技术 > ⼯程技术科学添加到搜藏已解决35平380v⼀千⽶压降多少悬赏分:0 -解决时间:2010-10-27 08:56问题补充:是想在⽤的时候改成220v的不⽤变压器电流最⼤60安⼩的时候不⼀定不知道怎么搞⽤25平的可以吗估计最⼤时有60千⽡ 10台空调1p 10到20台电脑 10台电暖⽓加上照明洗⾐机什么的提问者:匿名最佳答案你的⽤电电流是多少?或者说你的⽤电负荷是多少?没有这个参数⽆法计算电⼒电缆——三相交流电路电缆电压损失计算【输⼊参数】:线路⼯作电压U = 0.38 (kV)线路型号:通⽤线路材质:铜线路截⾯S = 35 (mm2) 计算⼯作电流Ig = 60 (A) 线路长度L = 1 (km) 功率因数cosφ = 0.8【中间参数】:电阻r = 0.5 (Ω/km)电抗x = 0.1 (Ω/k m)【计算公式及结果】:0.38KV-通⽤线路电压损失为:ΔU% = (173 / U ) * Ig * L * (r * cosφ + x * sinφ)= (173 / (0.38 * 1000)) * 60 * 1 * (0.5 * 0.8 + 0.1 * 0.6)= 12.57【结果说明】:各种⽤电设备允许电压降茹下:⾼压电动机≤ 5%;低压电动机≤ 5% (⼀般),≤ 10% (个别特别远的电机),≤ 15~30% (启动时端电压降);电焊机回路≤ 10%;起重机回路≤ 15% (交流),≤ 20% (直流)。
35的都不够⽤,压降超过5%6KV和10KV差不多,通常⼀条线路负荷容量约在1MVA⾄10MVA左右,这样估算,供电半径在10km以内,当然,远距离⼩容量的也有,在⼈⼝众多的发达地区很少。
电缆电压降对于动力装置,例如发电机、变压器等配置的电力电缆,当传输距离较远时,例如900m,就应考虑电缆电压的“压降”问题,否则电缆采购、安装以后,方才发觉因未考虑压降,导致设备无法正常启动,而因此造成工程损失。
一.电力线路为何会产生“电压降”?电力线路的电压降是因为导体存在电阻。
正因为此,所以不管导体采用哪种材料(铜,铝)都会造成线路一定的电压损耗,而这种损耗(压降)不大于本身电压的10%时一般是不会对线路的电力驱动产生后果的。
二.在哪些场合需要考虑电压降?一般来说,线路长度不很长的场合,由于电压降非常有限,往往可以忽略“压降”的问题,例如线路只有几十米。
但是,在一些较长的电力线路上如果忽略了电缆压降,电缆敷设后在启动设备可能会因电压太低,根本启动不了设备;或设备虽能启动,但处于低电压运行状态,时间长了损坏设备。
较长电力线路需要考虑压降的问题。
所谓“长线路”一般是指电缆线路大于500米。
对电压精度要求较高的场合也要考虑压降。
三.如何计算电力线路的压降?一般来说,计算线路的压降并不复杂,可按以下步骤:1.计算线路电流I公式:I= P/1.732×U×cosθ其中: P—功率,用“千瓦” U—电压,单位kV cosθ—功率因素,用0.8~0.852 .计算线路电阻R公式:R=ρ×L/S其中:ρ—导体电阻率,铜芯电缆用0.01740代入,铝导体用0.0283代入L—线路长度,用“米”代入S—电缆的标称截面3.计算线路压降公式:ΔU=I×R举例说明:某电力线路长度为600m,电机功率90kW,工作电压380v,电缆是70mm2铜芯电缆,试求电压降。
解:先求线路电流II=P/1.732×U×cosθ=90÷(1.732×0.380×0.85)=161(A)再求线路电阻RR=ρ×L/S=0.01740×600÷70=0.149(Ω)现在可以求线路压降了:ΔU=I×R =161×0.149=23.99(V)由于ΔU=23.99V,已经超出电压380V的5%(23.99÷380=6.3%),因此无法满足电压的要求。
直接启动电动机的配电设计探讨摘要:电动机起动容易引发低压台区的电压跌落,恶化低压台区整体的电压质量。
为此提出直接启动电动机的配电设计。
而电动机采用全压起动,其接线简单、实用经济、安全可靠,因此,在设计中如果能够符合相关规范的规定,考虑采取全压直起的方式。
下面本文就对此展开探讨。
关键词:直接启动;电动机;配电设计;1 电动机研究概述电动机转子由磁极冲片叠片而成的磁极、圆筒磁轭等组成,磁极设有横、纵阻尼绕组。
当电动机接通电源后,便能产生异步转矩起动电动机到接近同步转速,然后设法将电动机牵入同步。
大多数同步电动机都是采用此方法起动的。
高转速的同步电动机对转子各部件的机械强度提出了较高的要求。
此时,电动机无法采用叠片式磁极结构,无法设置铜环、铜棒结构的阻尼绕组。
为满足电动机的机械强度要求,其转子结构采用实心式磁极结构,确保了转子具有足够的强度和刚度。
同步电动机的基本技术参数为:型号T2240 -4/1430,4极,额定功率2240 kW,额定电压10 kV,定子绕组Y接法,功率因数0.9(超前),额定转速1500r/min,飞逸转速1800 r/min,频率50Hz,额定电流150A,绝缘等级F级。
2 电动机的起动电流和起动时间电动机起动时,其端子电压应能保证机械要求的起动力矩,同时,也不应妨碍其他用电设备在配电系统中工作而引起的电压波动。
接通电动机电路后,随着转速的变化,启动电流的大小开始变化。
电路接通瞬间的暂态过程类似于短路,先有一个较大的冲击电流,第一半波时就出现这个电流的峰值,接着在后两个周波中急剧衰减,然后随着转速的上升,电流略微下降,进入一个相对稳定的范围;当转速与额定转速接近时,电流下降的速度会很快;在起动的最后,电流降到电动机的额定电流或稍低。
2.1 启动电流有效值通常意义上的起动电流不是电动机转速的函数,而是不包括暂态过程中非周期分量的最大稳态起动电流。
同时,电机的固有特性决定电机的启动电流的大小与负载大小没有关系。
工程检索号:(表式版本:修改码:0)编号:工程施工图设计阶段低压动力电缆电压损失计算书批准/日期审核/日期校核/日期计算/日期注:计算书内容包括1、原始条件及数据;2、引用公式说明;3、计算过程;4、计算结果或结论。
低压动力电缆电压损失计算1. 原始条件及数据生物滤池鼓风机馈电线路中,最远距离为150m ;风机房两台空压机馈电线路,最远距离为100m ;风机房三台生物滤池反洗风机馈电线路,最远距离为100m ;废水池排泥泵馈电线路,长度为100m ;脱水机房两台污泥泵,最远距离为110m ;2. 引用公式说明三相交流电动机回路电压损失应按下式确定:173U%I L(rcos +xsin )Ug ϕϕ∆= 式中 %U ∆——线路电压损失;U ——线路工作电压,三相为线电压,单相为相电压(V ); g I ——计算工作电流(A );L ——线路长度(km );r ——电阻(Ω/km );x ——电缆单位长度的电抗(Ω/km );cos ϕ——功率因素。
3.计算过程(1)生物滤池鼓风机,预选电缆截面为3×16mm 2U=380V ,L=0.15km ,g I =44A ,cos ϕ=0.8,查表知r=1.37Ω/km ,x=0.049Ω/km求线路电压损失:173U%I L(rcos +xsin )Ug ϕϕ∆= 173440.15(1.370.8+0.0490.6)380=⨯⨯⨯⨯⨯≈3.38 由于低压电动机允许电压降为≤5%,满足要求,所以生物滤池鼓风机馈线回路动力电缆截面选择3×16mm 2(2)风机房空压机,预选电缆截面为3×6mm 2U=380V ,L=0.1km ,g I =11A ,cos ϕ=0.8,查表知r=3.66Ω/km ,x=0.056Ω/km求线路电压损失:173U%I L(rcos +xsin )Ug ϕϕ∆= 173110.1(3.660.8+0.0560.6)380=⨯⨯⨯⨯⨯≈1.48 由于低压电动机允许电压降为≤5%,满足要求,所以风机房空压机馈线回路动力电缆截面选择3×6mm 2(3)风机房生物滤池反洗风机,预选电缆截面为3×95+1×50mm 2U=380V ,L=0.1km ,g I =150A ,cos ϕ=0.8,查表知r=0.236Ω/km ,x=0.043Ω/km求线路电压损失:173U%I L(rcos +xsin )Ug ϕϕ∆= 1731500.1(0.2360.8+0.0430.6)380=⨯⨯⨯⨯⨯≈1.47 由于低压电动机允许电压降为≤5%,满足要求,所以风机房空压机馈线回路动力电缆截面选择3×95+1×50mm 2(4)废水池排泥泵,预选电缆截面为3×6mm 2U=380V ,L=0.1km ,g I =6A ,cos ϕ=0.8,查表知r=3.66Ω/km ,x=0.056Ω/km求线路电压损失:173U%I L(rcos +xsin )Ug ϕϕ∆= 17360.1(3.660.8+0.0560.6)380=⨯⨯⨯⨯⨯≈0.81 由于低压电动机允许电压降为≤5%,满足要求,所以风机房空压机馈线回路动力电缆截面选择3×6mm 2(5)脱水机房污泥泵,预选电缆截面为3×6mm 2U=380V ,L=0.11km ,g I =15A ,cos ϕ=0.8,查表知r=3.66Ω/km ,x=0.056Ω/km求线路电压损失:173U%I L(rcos +xsin )Ug ϕϕ∆= 173150.11(3.660.8+0.0560.6)380=⨯⨯⨯⨯⨯≈2.23 由于低压电动机允许电压降为≤5%,满足要求,所以风机房空压机馈线回路动力电缆截面选择3×6mm 2。
制冷主机(或大容量电动机)启动电压降校验计算表工业与民用配电设计手册 P275 例6-40计算数据准备系统短路容量 S k200MVA 变压器容量 S rT 1.25MVA 变压器到低压柜及柜内铜母排长度 l15m 低压柜到机组配电柜电缆长度 l250m 机组配电柜到压缩电动机电缆长度 l310m 压缩机功率 P rM0.379MW 额定电流 I rM0.702kA 电动机Y接时起动电流 I st1 1.119kA 电动机三角形接线时起动电流 I st2 2.733kA 与电动机同一配电柜母线上所带其他用电负荷 P fh2与电动机同一配电柜母线上其他负荷功率因数 cosφ0.8sinφ1变压器低压侧额定电流 I rT1537.5A电抗2变压器低压侧铜母线阻抗 3x(125x10)+80x6.30.147mΩ/m R l1 =0.000735ΩX l1 =0.00011ΩZ l1 =0.0007432Ω3求电动机起动视在功率 S stM = k st x S rm 1.7987513MVA 电动机额定视在功率 S rm = 1.732 x U M x I rm0.4620283MVA 启动倍数 k st = I st / I rm 3.89316244与电动机接于同一配电柜母线上其他负荷的有功、无功S fh2 = P fh2/cosφ0Q fh2 = S fh2 x sinφ05由制冷站配电柜接至电动机电缆l3阻抗的计算(两根185并联)0.0455mΩ/m R l3 =0.000455ΩX l3 =0.000385ΩZ l3 =0.000596Ω6由变电所低压柜母线接至制冷站配电柜电缆阻抗计算I l2 = (S rm + S fh2)/(1.732 x Um)0.702因制冷站配电柜无其他负荷,仍然选择两根185并联0.0455mΩ/m R l2 =0.002275ΩX l2 =0.001925ΩZ l2=0.0029801Ω设变压器负载率为7接于变压器低压侧母线上其他负荷的视在、无功功率计算变压器低压侧其他负荷的视在功率为S fh = βS rt - (S rm + S fh2)0.5504717MVA Q fh = S fh x sinφ0.330283Mvar 变压器低压侧母线处短路容量计算值为S km=S rT/(r T+S rt/S k)18.867925MVA 线路总电抗计算 X l = X l1 +X l2 + X l30.00242Ω电动机起动时回路输入容量为 S st=1/(1/S stm+X l/(Um2)) 1.7461142电动机起动时变电所母线电压相对值为 u stm=(S km+Qfh)/(Skm+Qfh+Sst)0.916630791.66%则电动机起动时变电所母线上的电压值为0.3483197kV电动机起动时端子电压相对值为u stM=u stm x (S st/S stM)0.889807288.98%则电动机起动时端子电压值为0.3381267kV变压器x T0.060.6电阻0.022mΩ/m<工业手册>554页表0.0385mΩ/m<工业手册>554页表0.0385mΩ/m<工业手册>554页表0.81cosφ0.8sinφ0.6。
Science &Technology Vision科技视界0简介1)电能质量的概念电能质量[1]是表征通过公用电网供给用户端的交流电能的品质的优劣程度。
理想状态的公用电网应以恒定的频率、正弦波形和标准电压对用户供电。
在三相交流系统中,还要求各类相电压和电流的幅值应大小相等、相位对称且互差120°。
但由于系统中的发电机、变压器、输电线路和各种设备的非线性或不对称性,以及运行操作、外来干扰和其它各种故障等原因,这种理想状态并不存在,因此出现了电网运行、电力设备和供用电环节中的一系列问题,电能质量的概念由此产生。
2)电能质量的分类电力系统的电能质量是指电压、频率和波形的质量。
衡量电能质量的主要指标[2]包括:电压偏差、电压波动和闪变、频率偏差、谐波和三相电压不平衡度等。
为区分连续电压变动或电压周期性变动,本文将前者变动统称为电压下降。
3)电动机起动时在配电系统中引起电压下降的电压允许值按照GB 50055-2011《通用用电设备配电设计规范》[3]第2.2.1条:电动机起动时,其端子电压应能保证机械要求的起动转矩,且在配电系统中引起的电压波动不应妨碍其他用电设备的工作。
第2.2.2条:交流电动机起动时,配电母线上的电压应符合下列规定:(1)配电母线上接有照明或其他对电压波动较敏感的负荷,电动机频繁起动时,不宜低于额定电压的90%;电动机不频繁起动时,不宜低于额定电压的85%。
(2)配电母线上未接照明或其他对电压波动较敏感的负荷,不应低于额定电压的80%。
(3)配电母线上未接其他用电设备时,可按保证电动机起动转矩的条件决定;对于低压电动机,尚应保证接触器线圈的电压不低于释放电压。
1电压下降分析及其危害引起电压偏差、电压波动以及电压下降等的根本原因,是动态而非静态,当电流恒定不变,则不会引起这些问题。
电动机起动时在配电系统中要引起电压下降。
起动前的电压有效值U 与起动时的电压有效值U st 之差即为电压下降,用相对值(与网络标称电压U n 的比值)表示,即ΔU st =U -U stU n×100%(1)电动机起动时的电压相对值(与网络标称电压U n 的比值)为u st =Ust U n×100%(2)电动机起动时引起电压下降所带来的危害难以估量,诸如电动机不能正常起动,或转速不均匀,或电机控制系统失灵,或电动机损坏,甚至产生更严重的生产事故等。
变压器供电系统电动机启动电压降计算变压器供电系统在电动机启动时,常常会发生电压降低的现象。
这种现象如果不能得到有效的控制和解决,可能会导致电动机无法正常启动或者在启动过程中受到损坏,给生产环节带来诸多隐患。
因此,对变压器供电系统电动机启动电压降计算进行研究是非常重要的。
一、电动机启动电压降的原因变压器供电系统电动机启动电压降的原因主要包括以下几个方面:1.负载电流突变:在电动机启动时,由于电驱动原件需要同时参与运动,电流将突然增加,而这种突变电流通常会导致变压器输出电压的短暂波动。
2.短路故障:变压器输出端路由于各种原因而短路是比较常见的问题,一旦发生这种情况会造成变压器输出电压明显降低,并可能危及变压器的使用寿命。
3.欠压供电:当电动机所在的配电网电压较低时,变压器输出电压也会随之下降,因此需要对变压器供电网络进行优化规划,以确保电动机工作的稳定性。
二、电动机启动电压降的计算方法对于变压器供电系统中出现的电动机启动电压降,我们可以采用下列计算方法进行估算。
1.短时欠压在电动机工作过程中假设负载电流不发生变化,此时如果变压器输出电压瞬间下降了k%,则电动机的电压降低值也将为k%。
2.短路故障假设发生了短路故障,当我们使用瞬时时数,根据短路电流和电动机电流比来计算电动机启动电压降,结果也会非常接近实际数据。
3.变压器供电系统规格设计如果当我们参考变压器输出电压和电流相关的数据进行计算,就可以得到一个更为精准的电动机启动电压降值。
三、几点建议综上所述,对于变压器供电系统电动机启动电压降的计算是非常重要的研究工作。
在进行此类计算时,我们需要充分考虑到各种因素对于变压器输出电压的影响,以便更为准确地预测电动机启动电压降的大小,并采取相应的对策控制。
同时,我们还需要通过加强变压器供电系统规格设计和优化能源供应策略等方式,进一步提高电动机的工作效率和安全性。
四、电动机启动电压降的解决方法为了有效解决变压器供电系统电动机启动电压降的问题,我们可以采取以下一些措施:1.提高电压可以通过使用电容器或者其他电源优化器来提高电动机启动时的输入电压,以减少电动机启动时的电压降。
1目的通过对电动机全压起动产生影响的分析和计算,结合本项目特点和相关要求,考虑电动机能采用的最大额定功率。
2参考依据《民用建筑电气设计规范》(JGJ 16-2008),电动机不频繁启动时,其配电母线上的电压不宜低于额定电压的85%。
《供配电系统设计规范》(GB 50052-2009),电动机正常运行时,其端子处电压偏差允许值为±5%。
3分析计算通常项目除高压冷冻机设备外,采用市政10kV经变压器变压供电,并以柴油发电机组作为备用电源,因此,需考虑无限大容量电源系统(电网)供电和有限容量电源系统(发电机组)供电两种情况。
3.1无限容量供电通常项目中主要负荷通常情况下由10/0.4kV变配电系统供电,示意图如图一所示。
)M4 M5 M6图一10/0.4kV变配电系统示意图其中:----同一配电母线其他负荷的无功功率。
Z -----各回路的电线阻抗。
--- M1 M2 M3运行时产生的无功功率。
--- M4 M5 M6运行时产生的无功功率。
---各个节点的电压降。
-----各回路的输入容量。
---各电动机端子处电压降。
----电动机额定启动容量。
根据图一,假定变压器一次侧容量为150MVA,M1~M6为同类型电动机,,以M6为观察对象,且将M1~M3运行产生的综合考虑在内,即只需满足以确保其他一次配电或二次配电上电动机始终能正常运行。
分析有如下2种情况(计算详见附录)。
情况一:当M6启动时,M4、M5均不运行,其示意图等效如图二所示。
即不产生,只有、对压降产生影响。
由于M1~M3运行,所以需考虑、确保。
通过计算的,结果表一所示:表一情况二:当M6启动时,M4、M5运行。
其示意图等效如图二所示。
图三即产生,有、、对压降产生影响。
由于M4、M5运行,所以还需考虑、,确保、。
通过计算的,结果表二所示:表二以M3为观察对象,且将M4~M6运行产生的综合考虑在内,即只需满足以确保其他一次配电或二次配电上电动机始终能正常运行。
关于线路压降损失经验公式的使用问题
供电线路过长,就应该考虑到以下几方面的问题,第一,线路压降损失问题,线路末端电压能够保证用电设备的使用要求,如正常使用和正常启动;第二,线路末端一旦短路,短路电流能否足以使开关能否安全跳开,同时还要考虑级差保护的问题。
在这里,根据自己的
三、计算负荷距时,应该考虑线路所承受的电流,电流是核心因素。
尤其是感性负载或容性负载,功率因数不等于1的时候,必须考虑无功功率对线路的影响。
四、对于线路末端的压降,一般要符合《城市配电网规划设计规范》GB50613-2010的要求。
根据《城市配电网规划设计规范》GB50613-2010,用户受端电压的允许偏差如下表:。
工程名称:**********工程设备名称:循环水泵计算条件:
供电变压器一次侧短路容量 S k =50MVA 供电变压器额定容量S rt =0.63MVA
供电变压器阻抗电压相对值X t =0.045电动机额定容量P rm =185kW 电动机功率因数COS φ=0.81电动机额定容量S rm =0.228MVA 电动机额定起动电流倍数K st = 5.5电动机额定起动容量S stM = 1.256MVA 变压器二次侧母线预接负荷S fh =0.4MVA 变压器二次侧母线功率因数COS φfh =
0.8母线预接负荷无功功率Q fh =
0.240Mvar 母线标称电压
U m =0.38kV 电动机电缆线路长度L=0.05km 电缆线路电抗
X L =
0.004
Ω
计算母线短路容量 S km
10.938
MVA
计算起动回路额定输入容量 S
1.214MVA
计算母线电压相对值 u stm
0.902
电动机全压起动时电压降计算(填入红色参数)
计算电动机端子电压相对值u stM
0.872
计算电动机起动电流I stM
1.664
kA
校验电动机起动转矩
起动时电动机端子电压应满足:电动机起动转矩相对值:M stM = 1.1负荷类型:
机械静转矩相对值:
M j =
0.3
0.548<
满足起动转矩要求,校验通过。
风机泵类
stM
u。