澳洲钢材标准对应国际标准
- 格式:pdf
- 大小:115.37 KB
- 文档页数:3
各国钢材型号对照表各国钢材型号对照表2009-10-28 17:03:42| 分类:钢材知识 |字号订阅1、 GB700新旧标准牌号对照 45、世界钢号对照(弹簧钢) 89、内燃机气阀钢钢棒(GB/T 12773-91)2、 H型钢与工字钢型号对照 46、世界钢号对照(耐热钢) (空) 90、变形永磁钢(GB/T 14991-94代替GBn 174-82)3、常用国内外钢材牌号对照表(1)47、世界钢号对照(滚动轴承钢) 91、耐热钢(YB/T 036.3―92)4、常用国内外钢材牌号对照表(2)48、世界钢号对照(不锈耐酸钢) 92、耐热钢棒(GB 1221-92)(六)5、常用国内外钢材牌号对照表(3)49、按最小抗拉强度排列的各类结构钢牌号 93、耐热钢棒(GB 1221-92)(五)6、常用国内外钢材牌号对照表(4)50、钢筋钢中外钢号对照表(空) 94、耐热钢棒(GB 1221-92)(四)7、常用国内外钢材牌号对照表(5)51、金属材料工艺性能名词简介 95、耐热钢棒(GB 1221-92)(三)8、常用国内外钢材牌号对照表(6)52、钢筋钢中外钢号对照表 (空) 96、耐热钢棒(GB 1221-92)(二)9、常用国内外钢材牌号对照表(7) 53、热轧钢板和钢带(GB 709-88)(三) 97、耐热钢棒(GB 1221-92)(一)10、常用合金结构钢牌号和化学成分表(1) 54、热轧钢板和钢带(GB 709-88)(二) 98、不锈钢冷加工钢棒(GB 4226-84)11、常用合金结构钢牌号和化学成分表(2) 55、热轧钢板和钢带(GB 709-88)(一) 99、不锈耐酸钢棒(GB 1200-92)(九)12、常用化学元素符号表56、钢筋混凝土用余热处理钢筋(GB 13104-91) 100、不锈耐酸钢棒(GB 1200-92)(八)13、大、中、小型钢,钢板,钢带规格、范围57、钢筋混凝土用热轧直条光圆钢筋(GB 13013-91)101、不锈耐酸钢棒(GB1200-92)(七)14、低合金高强度结构钢58、预应力混凝土用热处理钢筋(GB 4463-84) 102、不锈耐酸钢棒(GB 1200-92)(六)15、钢材名称、用途、特性、表示符号(1) 59、钢筋混凝土用余热处理钢筋(GB1499-91)(二)103、不锈耐酸钢棒(GB 1200-92)(五)16、钢材名称、用途、特性、表示符号(2) 60、钢筋混凝土用余热处理钢筋(GB1499-91)(一)104、不锈耐酸钢棒(GB 1200-92)(四)17、钢材名称、用途、特性、表示符号(3) 61、热轧矿用型钢(YB2006-78) 105、不锈耐酸钢棒(GB 1200-92)(三)18、焊接结构耐候钢新旧标准牌号对照表62、矿用型钢(GB 4697-84) 106、不锈耐酸钢棒(GB 1200-92)(二)19、生铁分类 63、焊接H型钢(YB 3301-81)(三) 107、不锈耐酸钢棒(GB 1200-92)(一)20、碳素结构钢世界钢号对照表64、焊接H型钢(YB 3301-81)(二) 108、船体用结构钢(GB 712-88)21、低合金结钢新旧标准牌号对照表65、焊接H型钢(YB 3301-81)(一) 109、冷拉优质结构钢(GB 3078-82)(二)22、优质碳素结构钢化学成分及力学性能表(1)(空) 66、热轧H 型钢(GB 11263-89)(五) 110、冷拉优质结构钢(GB 3078-82)(一)23、优质碳素结构钢化学成分及力学性能表(2) 67、热轧H型钢(GB 11263-89)(四) 111、保证淬透性结构钢(GB 5216-85)24、优质型钢常用钢号与进口钢号对照表(1) 68、热轧H型钢(GB 11263-89)(三) 112、易切削结构钢(GB 8731-88)25、优质型钢常用钢号与进口钢号对照表(2) 69、热轧H型钢(GB 11263-89)(二) 113、高速工具钢(GB 9943-88)26、优质型钢常用钢号与进口钢号对照表(3) 70、热轧H型钢(GB 11263-89)(一) 114、合金工具钢(GB 1299-85)(三)27、优质型钢常用钢号与进口钢号对照表(4) 71、热轧L型钢(GB 9946-88) 115、合金工具钢(GB 1299-85)(二)28、优质型钢常用钢号与进口钢号对照表(5) 72、热轧不等边角钢(GB 9788-88) 116、合金工具钢(GB 1299-85)(一)29、优质型钢常用钢号与进口钢号对照表(6) 73、热轧等边角钢(GB 9787-88) 117、低合金结构钢(GB 1591-88)(二)30、优质型钢常用钢号与进口钢号对照表(7) 74、热轧工字钢(GB 706-88) 118、低合金结构钢(GB 1591-88)(一)31、优质型钢常用钢号与进口钢号对照表(8) 75、热轧槽钢(GB 707-88) 119、合金结构钢(GB 3077-88)(八)32、优质型钢常用钢号与进口钢号对照表(9) 76、热轧扁钢(GB 704-88) 120、合金结构钢(GB 3077-88)(七)33、优质型钢常用钢号与进口钢号对照表(10) 77、热轧六角钢、八角钢(GB 705-89) 121、合金结构钢(GB 3077-88)(六)34、优质型钢常用钢号与进口钢号对照表(11) 78、标准件用碳素钢热轧圆钢(GB 715-89) 122、合金结构钢(GB 3077-88)(五)35、优质型钢常用钢号与进口钢号对照表(12) 79、热轧圆钢、方钢(GB 702-86) 123、合金结构钢(GB 3077-88)(四)36、优质型钢的涂色标记80.钢的化学成分分析用试样取样法及成品化学允许偏差 GB 222-84 三 124、合金结构钢(GB 3077-88)(三)37、世界钢号对照(碳素结构钢)81.钢的化学成分分析用试样取样法及成品化学允许偏差GB 222-84 二125、合金结构钢(GB 3077-88)(二)38、世界钢号对照(优质碳素结构钢)82.钢的化学成分分析用试样取样法及成品化学允许偏差 GB 222-84 一 126、合金结构钢(GB 3077-88)(一)39、世界钢号对照(合金结构钢)83、锚链用钢(YB 897-88)127、深冲用优质碳素钢(GJB 163-86)40、世界钢号对照(淬透性合金结构钢)84、银亮钢(GB3207-88) 128、低淬透性含钛优质碳素结构钢(YB 2009-81)41、世界钢号对照(易切结构钢) 85、弹簧钢(GB 1222-64)(二) 129.高碳铬不锈轴承钢(GB 3086-82)42、世界钢号对照(碳素工具钢)86、弹簧钢(GB 1222-64)(一) 130、渗碳轴承钢(GB 3203-82)43、世界钢号对照(高速工具钢)87、汽轮机叶片用钢(GB 8732-88)(二) 131、碳素工具钢44、世界钢号对照(合金工具钢)88、汽轮机叶片用钢GB 8732-88 一 132、优质碳素结构钢(GB 699-88)133、碳素结构钢(GB 700-88)。
AS 4100-1998澳大利亚标准钢结构前言本标准是澳大利亚标准委员会“BD/1,钢结构”为了替代AS 4100—1990而编写的。
本标准的目标是向钢结构设计者提供有关建筑物和其他结构中的钢结构构件(用于承载目的)的规范。
本标准的这一新版本中包括:修正案1号——1992,2号——1993,3号——1995和修订版草案4号(出于公众评论目的而发行)DR 97437。
修订班草案4号并没有作为一个通用文件而单独出版发行。
修正案1号—1992包含下列主要变更:(a)钢材强度符合AS 1163和AS/NZS 1594的要求(表2.1)(b)加强腹板的抗剪弯曲载量(5.11.5.2部分)(c)承载弯曲载量(5.13.4部分)修正案2号—1993包含下列主要变更:(a)弯曲和剪力交互作用的方法(5.12.3部分)(b)中间部分横向腹板加强构件的设计最小面积(5.15.3部分)(c)构件承受组合作用的剖面载量(8.3部分)(d)对接焊缝的强度评估(9.7.2.7部分)(e)疲劳(11部分)修正案3号—1993包含下列主要变更:(a)腹板边缘的抗压承载作用(5.13部分)(b)构件承受组合作用的剖面载量(8.3部分)(c)抗压构件的平面内、外载量(8.4.2.2部分和8.4.41部分)(d)对接焊缝的强度评估(9.7.2.7部分)(e)地震(13部分)修正案4号包含下列主要变更:(a)钢材强度符合AS/NZS 3678、AS/NZS 3679.1和AS/NZS 3679.2的要求(表2.1)(b)紧固件的最小边缘距离(9.6.2部分)(c)容许使用温度,根据钢材类型和厚度(表10.4.1)(d)钢材类型和钢材等级之间的关系(表10.4.4)(e)同心支撑框架的焊接,用于处在地震设计D类和E类作用下的结构(13.3.4.2部分)本标准使用了“标准”和“提供信息用”这两个术语以对附录的适用范围几逆行能够详细说明。
“标准”附录是标准的一个主要组成部分,而“提供信息用”则仅仅是用来提供信息和指导性意见的。
AS3678-350澳标钢板成分性能及对应国标材质
一、AS3678-350是什么钢板?
AS3678-350澳大利亚的牌号,属于低合金高强度钢板执行AS-NZS标准,其标准下有7个质量等级标准,分别是:AS3678-200;AS3678-250;AS3678-300;AS3678-350;AS3678-400;AS3678-450;AS3678-WR350。
以上这些澳标的牌号用的较多的是AS3678-350和AS3678-400。
下面主要介绍下AS3678-350钢板的成分和性能。
二、AS3678-350目前为止做的比较多的厂家是舞阳钢铁,已成功为用户提供万余吨正品钢板,钢板的化学成分分析如下
注:(1)所列等级容许运用改善硫化物的炼钢技术。
(2)Cr+Ni+Mo的最大值应不跨过1.00%
(3)限定值一同适用于酸溶铝和全铝。
(4)碳当量CE以实践熔炼成分或制品成分数值,并按如下公式核算:CE=C+Mn/6+(Cr+Mo+V)/5+(Ni+Cu)/15
(5)Ni+V≤0.030%
(6)V≤0.10%,Ni+V+Ti≤0.15%
三、AS3678-350钢板的力学性能介绍
四、用途
AS3678系列的钢板属于澳标的低合金结构钢板,AS3678-350钢板中的350是钢板的屈服强度,对应国标GB/T1591-2018标准中的Q355C/D钢板,主要用于需要中低强度碳钢板的建筑,例如楼板和桥梁建筑等。
AS3678系列的钢板交货状态:热轧,正火,控扎等,用户可根据自己需求选择合适的交货状态,也可根据要求订扎满足要求的探伤等。
AS3678钢板尺寸厚度:8-300mm,宽度:1200-3800mm,长度4000-16000mm。
as 3679 标准
AS 3679标准是澳大利亚标准协会制定的一项关于结构钢材料
的标准。
该标准规定了用于结构用途的热轧钢材料的要求,包括钢
材的化学成分、力学性能、尺寸和允许的偏差等方面的要求。
AS 3679标准适用于各种类型的结构钢材料,包括角钢、槽钢、H型钢、I型钢等。
这些钢材通常用于建筑、桥梁、厂房、机械设备等领域
的结构构件中。
AS 3679标准的制定旨在确保结构钢材料的质量和性能符合工
程设计和施工的要求,从而保障建筑物和工程结构的安全性和稳定性。
该标准的实施有助于规范结构钢材料的生产、加工和应用,提
高了结构钢材料的质量和可靠性,促进了建筑和基础设施领域的发展。
AS 3679标准涵盖了钢材的各项性能指标和技术要求,具体包
括钢材的化学成分、拉伸强度、屈服强度、延伸率、冲击韧性、硬
度等方面的要求。
此外,标准还规定了钢材的尺寸、允许的偏差、
表面质量、标记和包装等方面的要求。
总之,AS 3679标准对于澳大利亚的结构钢材料具有重要的指
导意义,它为结构钢材料的生产、加工和使用提供了统一的技术规范,有助于保障工程结构的安全可靠,推动了建筑和基础设施领域的发展。
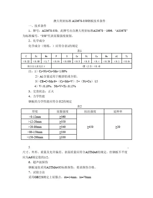
澳大利亚标准AS3678-350钢板技术条件
一、技术条件
1、牌号:AS3678-350,此牌号出自澳大利亚标准AS3678一1996,“AS3678”为标准编号,“350”代表屈服强度级别。
2、化学成分
化学成分(熔炼,)应符合表1的规定
注:1)Cr+Ni+Cu+Mo<1.00%
2)A1含量适用于酸溶铝或全铝。
3
)CE=C+Mn/6+(Cr+Mo+V )/5+(Ni+Cu )/15 4)V ≤0.10%,Nb+V+Ti ≤0.15% 3、交货状态:正火 4、力学性能
钢板的力学性能应符合表2的规定
5
、
尺寸、外形、重量及允许偏差、表面质量应符合ASTMA6的规定,但钢板不平度应为A6规定值的1/2。
6、超声波探伤
钢板逐张采用ASTMA435标准探伤,要求探伤合格。
7、试验方法
采用GB228测定上屈服点,do=14mm ,lo=70mm
8、检验规则
钢板按批检验,每批钢板由同一炉号、同一厚度、同一热处理制度钢板组成,每批重量不超过50吨。
9、取样位置
在板宽1/4处取样,试样轴线位于板厚1/4处。
各国钢号近似对照表[键入文字][键入文字][键入文字]各国钢号近似对照表1、碳素结构钢钢号近似对照表1普通碳素结构钢钢号近似对照表中国国际标准俄罗斯日本德国美国英国法规GB/T700ISOГOOT JIS DIN ASTM BS ASME Q195E185C T1cp×SS330S1851010040A10Q215A E235A C T2cp×SS330S235JR1017040A12Q215B E235B C T2cp×SS330S235JR1017040A12Q235A E235A C T3cp×SS400S235JR1020080A15Q235B E235B C T3cp×SS400S235JRG11020080A15Q235C E235C C T3cp×SS400S235J01021080A15Q235D E235D C T3cp×SS400S235J2G31021Q255A E275A C T4cp×SS490S275J01025Q255B E275B C T4cp×SS490S275J01025Q275E275B C T5cp×SS540S275JR1030[键入文字][键入文字]2、优质碳素结构钢钢号近似对照表2优质碳素结构钢钢号近似对照表中国国际标准俄罗斯日本德国美国英国法规GB/T699ISO ГOOT JIS DIN ASTM BS ASME 10C1010S10C C10E1010040A1220C20E420S20C C22E 1020IC2225C25E425S25C C25E 1025IC2530C30E430S30C C30E 1030IC3035C35E435S35C C35E 1035IC3540C40E440S40C C40E 1040IC4045C 45E445S45C C45E 104550C50E450S50C C50E 1050IC5055C55E455S55C C55E 1055IC5560C60E460S58C C60E 1060IC606565G4801S65-CSP 1722167E 106515Mn4954CC15K 380C T 3Гep×G3507SWRCH16K 17210C16E 1016080A1520MnC20E4C T 3Гep×SWRCH22KCK221022080A2025MnC25E4C T 5Гep×SWRCH30K CK251026080A3030MnC30E4C T 5ep×SWRCH30KCK301525080A3035MnC35E4C T 5ep×SWRCH33KCK351037080A4040MnC40E4C T 6ep×SWRCH40K40Mn41039080A4045MnC45E4C T 6ep×SWRCH43KCK451046080A4750Mn C50E4C T 6ep×SWRCH50K CK501053080A5060MnC60E41050 60ГG4801S60C-CSPCK601561[键入文字]3、低合金高强度结构钢钢号近似对照表3低合金高强度结构钢钢号近似对照表中国国际标准俄罗斯日本德国美国英国法规GB/T1591ISOГOOT JIS DIN ASTM BS ASME Q345A E355DD17Г1C SPFC590S355N Gr.B E335Q345B E355DD17Г1C SPFC590S355N Gr.B S355JRQ345C E355DD14Г2AΦSPFC590S355N Type7S355JOQ345D E355DD14Г2AΦSPFC590S355N Type7S355J2G3[键入文字][键入文字]4、合金结构钢钢号近似对照表4合金结构钢钢号近似对照表中国国际标准俄罗斯日本德国美国英国法规GB/T3077ISOГOOT JIS DIN ASTM BS ASME 20Mn222Mn620Г2SMn42020Mn61524P355GH30Mn228Mn630Г2SMn43330Mn5133028Mn635Mn236Mn635Г2SMn43336Mn51335150Mn3640Mn242Mn640Г2SMn43836Mn134045Mn242Mn645Г2SMn44346Mn7134515Gr20Gr415X SGr41515Gr35115527A1715GrA20Gr415XA SGr41515Gr3511520Gr20Gr420X SGr42020Gr45120590M1730Gr34Gr430X SGr43028Gr4513034Gr435Gr37Gr435X SGr43534Gr4513534Gr440Gr41Gr440X SGr44041Gr4514041Gr445Gr41Gr445X SGr44545Gr2514541Gr450Gr50X SGr44545Gr2515038GrSi38XC13GrMo4-512GrMo8GrMo4-515XM15GrMo15XM SCM41515GrMo520GrMo18GrMo420XM SCM41820GrMo5411825GrMo430GrMo25GrMo430XM SCM43025GrMo4413025GrMo435GrMo34GrMo435XM SCM43534GrMo4413534GrMo442GrMo34GrMo438XM SCM44042GrMo4414042GrMo412GrMoV12XMΦ13GrMo4-535GrMoV40XMΦA31GrMoV9[键入文字][键入文字]12Gr1MoV12X1MΦ12GrMoV5-9续表4合金结构钢钢号近似对照表中国国际标准俄罗斯日本德国美国英国法规GB/T3077ISOГOOT JIS DIN ASTM BS ASME 25Gr2MoVA25X2M1Φ24GrMoV5-525Gr2Mo1VA25X2M1Φ21GrMoV5-1138GrMoAI41GrAIMo7438X2MЮA SACM64541GrAIMo74905M3540GrV40XΦA614041Gr450GrVA51GrV450XΦA SUP1051GrV4615015GrMn16MnGr518XГSMnC42016MnGr5511520GrMn20MNGr518XГSMnC42020MNGr5511540GrMn41Gr4SMnC44341Gr4514020GrMnSi20XГC25GrMnSi25XГCA30GrMnSi30XГC30GrMnSiA30XГCA35GrMnSiA35XГCA20GrMnMo SCM42125XГM SCM421412140GrMnMo42GrMo4SCM44042GrMo4414042GrMo420GrMnTi18XГГ30GrMnTi30XГГ20GrNi20NiGrMo220XH SNC41518NiGr5-44720637M1740GrNi36GrNiMo440XH SNC23636GrNiMo4864045GrNi45XH SNC236864550GrNi50XH865012GrNi212XH2SNC41510NiGr5-43215[键入文字][键入文字]12GrNi312XH3A SNC81515NiGr3341520GrNi320XH3A SNC81515NiGr3续表4合金结构钢钢号近似对照表中国国际标准俄罗斯日本德国美国英国法规GB/T3077ISOГOOT JIS DIN ASTM BS ASME 30GrNi330XH3A SNC63131NiGr14343537GrNi338XH3MA SNC83612Gr2Ni412X2H4A SNC81515NiGr13331220Gr2Ni420X2H4A331620GrNiMo20NiGrMo220XH2M SNCM22021NiGrMo28620805M2040GrNiMoA36GrNiMo440XH2MA SNCM43936GrNiMo4434018GrNiMoMoA18GrNiMo720XH2M SNCM42017NiGrMo6-4472045GrNiMoA45XH2MΦA36GrNiMo418Gr2NiWA18X2H4BA25Gr2Ni4WA25X2H4BA[键入文字][键入文字][键入文字]5、不锈钢钢号近似对照表5不锈钢钢号近似对照表中国国际标准俄罗斯日本德国美国英国法规GB/T1220ISOГOOTJIS DINASTM BSASME1Gr17Mn6Ni5N X12GrMnNiN17-7-5SUS201X12GrMnNiN 17-7-52011Gr18Mn8Ni5N12X17Г9ah4SUS202X12GrMnNiN 18-9-5202284S161Gr17Ni7X10GrNi18-8SUS301X10GrNi18-8301301S211Gr18Ni912X18H9SUS302X10GrNi18-8302302S25Y1Gr18Ni9X10GrNiS18-9SUS303X10GrNiS18-9303303S21Y1Gr18Ni9Se 12X18H10E SUS03Se303Se 0Gr18Ni9X5GrNi18-90X18H10SUS304X5GrNi18-10304304S1500Gr19Ni10X2GrNi19-1103X18H11SUS304LX2GrNi19-11304L 304S120Gr19Ni9N SUS304N1304N 304N0Gr19Ni10NbN SUS304N2XM2100Gr18Ni10N X2GrNi18-9SUS304LN X2GrNiN18-10304LN 1Gr18Ni12X6GrNi18-1212X18H12T SUS305X4GrNi18-12305305S190Gr23Ni13SUS309S X7GrNi23-14309S 0Gr25Ni20SUS310S X1GrNi25-21310S 0Gr17Ni12Mo2SUS316316316S161Gr18Ni9Ti X7GrNiTi18-1012X18H10T SUS321X6GrNiTi18-103210Gr13X6Gr1308X13SUS405X6Gr13405403S171Gr13X12Gr1312X13SUS410X12Gr13410410S212Gr13X20Gr1320X13SUS420J1X20Gr13420420S373Gr13X30Gr1330X13SUS420J2X30Gr134Gr13X39Gr1340X13X39Gr13[键入文字]6、耐热钢钢号近似对照表6耐热钢钢号近似对照表中国国际标准俄罗斯日本德国美国英国法规GB/T1221ISOГOOT JIS DIN ASTM BS ASME 4Gr21Mn9Ni4N55X20Г9AH4SUH36X53GrMnNiN21-92Gr21Ni12N X15GrNiSi20-12SUH37X15GrNiSi20-12EV42Gr23Ni13X6GrNi23-1420X23H13SUH309X12GrNi23-13309309S242Gr25Ni20X15GrNiSi25-2120X25H18SUH310X15GrNiSi25-20310310S241Gr16Ni35X12NiGrSi35-16SUH330X12NiGrSi35-163300Gr18Ni9X5GrNi18-908X18H10SUS304S X5GrNi18-10304S304S150Gr23Ni13X6GrNi23-140X23H13SUS309S X7GrNi23-14309S0Gr25Ni20X6GrNi25-2110X23H18SUS310S X8GrNi25-21310S0Gr17Ni12Mo2X5GrNiMo1712-208X17H3M2T SUS316X5GrNiMo1712-2316316S161Gr18Ni9Ti X6GrNiTi18-1012X18H10T SUS321X8GrNiTi18-93210Gr18Ni10Ti X6GrNiTi18-1008X18H10T SUS321X6GrNiTi18-9321321S200Gr18Ni11Nb X6GrNiTi18-1008X18H12БSUS347X6GrNiTi18-10347347S171Gr20Ni14Si2X15GrNiSi20-121Gr25Ni20Si2X15GrNiSi25-212Gr25N X15GrN2615X25J SUH446X18GrN284460Gr13AL X6GrAl1310X13ЮSUS405X6GrAl13405405S1700Gr12X6Gr1308X13SUS410L X2Gr11A1761Gr17X6Gr1712X17SUS430X6Gr17430430S151Gr13X12Gr1312X13SUS410X12Gr13410410S211Gr13Mo X12GrS13SUS410J1X20GrMo132Gr13X20Gr1320X13SUS420J1X20Gr13420420S371Gr17Ni2X17GrNi16-214X17H2SUS431X17GrNi16-2431431S29[键入文字][键入文字]7、锅炉用钢钢号近似对照表7锅炉用钢钢号近似对照表中国美国德国日本法国英国国际标准GB713ASTM DIN JIS NF BS ISO[键入文字]。
XLERPLATE ®General range products 17
16 XLERPLATE ®
General range products
BOILER AND PRESSURE VESSEL PLATE
STRUCTURAL STEEL PLATE Based on Tensile Strength
International Standards Comparison
2.For grades with BOLD suffix letters C, D on British, European and International Standards,B, C on Japanese Standards and suffix numbers 2and 3on German Standards, the appropriate Australian alternative is the nearest L15grade of the equivalent strength level (ie High or Medium).
3.Grades most readily available from BlueScope Steel are 250, 250L15, 350, 350L15.
4.This table is designed to allow customers to determine the nearest available Australian grade to an international specification.It should not be used in reverse.
requirement than the corresponding AS1548-7-490 and equivalent grades.3.Grade equivalence shown is based on room temperature tensile properties only.4.Grades readily available from BlueScope Steel are shown in bold type.
5.*ASTM A662 Grade B & C are dual certified with AS1548-7-460 & 7-490 respectively, in thickness 8-40mm
6.#These overseas grades may be available subject to enquiry.
7.It may be possible to substitute readily available BlueScope Steel grades for international grades outside the designated strength band shown, provided relevant design factors are considered. Refer to BlueScope Steel Direct - 1800 800 789 within Australia.
8.This table is designed to allow customers to determine the nearest available Australian grade to an international specification.It should not be used in reverse.
PRODUCT INFORMATION
© Edition 2, November 2003BlueScope Steel Limited ABN 16 000 011 058.
XLER ®,XLERPLATE ®,XLERCOIL ®,COLORBOND ®, and ZINCALUME ®,are registered trademarks of BlueScope Steel Limited. LASERCUT ™is a trademark of BlueScope Steel Limited.BlueScope is a trademark of BlueScope Steel Limited.Certain copyright tables in this brochure are reproduced with the permission of Standards Australia.
9320075 034979
The information contained in this product brochure is provided by way of general information only, and should not by relied upon by any person. You must seek specific advice as to the suitability of the products featured in this brochure for the purpose of which, and the manner in which, you propose to use them. This may involve further independent analysis and testing. BlueScope Steel Limited, and its related bodies corporate take no responsibility for any adverse consequences of any nature which arises as a result of reliance on this brochure.
XLERPLATE ®& XLERCOIL ®Product Information。