ED6000有机房原理图 (1)
- 格式:pdf
- 大小:143.97 KB
- 文档页数:9
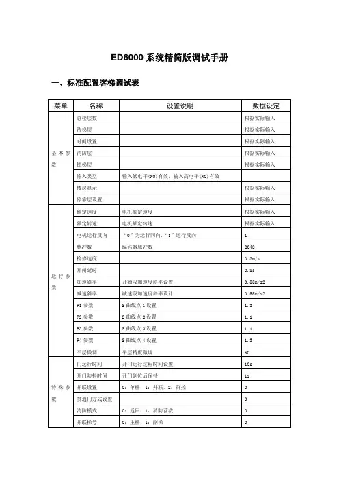
ED6000系统精简版调试手册一、标准配置客梯调试表二、家用电梯调试表三、LED灯说明(1)液晶调试板LED灯功能定义L0 监控指示,使用无轿厢调试板时,无通讯就闪烁L1 状态指示,快闪正常,慢闪故障,中速闪自学习L2 有反馈速度就亮L3 厅门锁L4 安全回路L5 召唤,外呼有通讯就闪L6 总门锁L7 并联,群控有通讯就闪L8 自动/检修其中L9-L19设置如下(基本参数中LED选择):●设为“0”: L9~L19显示X0~X10;●设为“1”: L9~L19显示X11~X21;●设为“2”: L9~L19显示X22~X32(中间的X28,X29空缺)。
四、ED6000系统并联梯调试说明一、外部接线将两台电梯主板JP5插件对应相接二、参数设置1.进入特殊参数将并联设置设为1;并联梯号参数主梯设置为0、副梯设置为1,进入厂家参数将F10设为需要偏置的楼层数。
如:以两台电梯的底楼为基准,A梯的底楼与B梯底楼高x层,则A梯需偏置x层,将A梯厂家参数F10设为x。
注:设置偏置时是针对底楼为基准2.将A梯外召面板地址码地址依次加x;3.A梯轿厢主令板1+x~n+x层内选接口对应1~n层内选按钮,1对应最底层,n对应最高层4.因第二步设置使A梯实际楼层每层显示都比实际楼层高x楼;将基本参数将每层楼层显示楼层减x楼。
5.保存参数重新做一次井道自学习。
例:A梯底楼为1楼,总楼层5楼,B梯底楼为-2楼,总楼层为7楼,则偏置楼层x=2。
1、A梯厂家参数F10设为2;2、A梯外召显示器地址码1到5层分别加3到7;3、A梯轿厢1到5楼内选按钮分别接至主令板3到7层地址接口;4、A梯3到7楼显示依次设为1到5;5、保存参数后从新做一次井道自学习。
五、ED6000系统贯通门调试说明特殊参数中贯通门设置方式n参数的说明n=0:非贯门方式n=1:贯通门方式1,每一个楼层只有一个门可动作。
n=2:贯通门方式2,某个(些)楼层两个门可动作,但两门不能同时打开,要开另一侧门,本门必须关闭。
ED6000控制系统调试说明书(试用版)受控文件编号:重庆伊士顿电梯有限责任公司技术中心伊 士 顿 电 梯 EASTERN ELEVATORS第一章接线端子定义及说明接线端子各部分说明如下:JP8-JP9、JP21为主控单元输入信号X0-X27接口,列表如下(端口号中括弧内为默认的输入类型说明):端口号位置定义端口号位置定义X01 JP8-2 安全接触器输入X16 JP9-7 开门按钮1 X03 JP8-4 抱闸接触器反馈X17 JP9-8 关门按钮1 X04 JP8-5 抱闸限位开关输入X18 JP9-9 开门限位1 X05 JP8-6 KCM2接触器反馈X19 JP9-10 关门限位1 X07 JP8-7 KCD接触器反馈X20 JP21-1 开门按钮2 X08 JP8-9 检修输入X21 JP21-2 关门按钮2 X09 JP8-10 点动上行X22 JP21-3 开门限位2 X10 JP9-1 点动下行X23 JP21-4 关门限位2 X11 JP9-2 超载开关输入X24 JP21-5 上端站输入X12 JP9-3 光电输入2(下)X25 JP21-6 下端站输入X13 JP9-4 光电输入1(上)X26 JP21-7 上限位输入X14 JP9-5 应急电源输入口X27 JP21-8 下限位输入X15 JP9-6 消防输入JP1包括两个单COM输入点及二个以COM1 为公共端的输出。
列表如下:端口号位置定义端口位置定义号X30、X32公共端COM JP1-1X30 JP1-门联锁测试端口2安全回路测试端口X32 JP1-4JP4、JP10为电源及通讯接口。
列表如下:端口号位置定义端口号位置定义GND1 JP4-1 输出地+24VIO JP10-1 24V输入OH JP4-2 外召/轿厢通讯+VSIO JP10-2 短接输入OL JP4-3 外召/轿厢通讯-GND2 JP10-3 输出地JP2-JP3、JP22为主控单元数字及模拟输出信号接口。
CTRL20-V101(小机房) 现场施工文件目录序 号 图 号 图 纸 名 称 版本号备注 一、敷线图及各接线图 1 C21X0030P01 系统敷线图(机房) B增加曳引断绳开关2 C21X0030P02 系统敷线图(轿厢) B 替换A 版3 C21X0030P03 系统敷线图(井道) A4 C21X0030P04 控制柜外围接线图 B 增加曳引断绳开关5 C21X0030P05 机房接线图 B 替换A 版6 C21X0030P06 轿顶检修箱外围接线图 B 替换A 版7 C21X0030P07 井道电缆接线图 B 替换A 版8 C21X0030P08 井道换速开关接线图 A 9 C21X0030P09 门锁分支电缆及安全回路接线图 A 10 C21X0030P10 外呼通讯 A 11 C21X0030P11 底坑照明及警铃接线图 A 12 C21X0030P12 平层感应接线图 A二、井道开关及电缆安装图 1 C21X0031P01 井道开关安装图 A 2 C21X0031P02 井道电缆安装示意图A12345678ABCDDCBA设计Design审核Check 批准Approve图名Title 图号Drawing No.页码Page/Total版本Ver.MOVING & SERVING机房开关盒M03M01外电网三相五线制电源用户电源箱R S TPER S T 501ZK01ZK02ZK03TK01TK02TK0317位13位11位TK089位ZK08C01井道照明端子端子主机编码器屏蔽电缆抱闸M07M02U V W02 99变频器U V W控制柜W03M06CTRL20-V101(小机房)系统敷线图(机房)C21X0030P011/12B132456789X1P1见图C21X0030P02W01502 601 602 0299+N -L M02R ARDR S T ZK06TK0611位M10TK0421位ZK04U V WM02主电缆配置表电梯速度载重量630kg以下750-800kg800-1000kg 1500-2000kg 1.0RVV 4×6mm m/s 电缆规格2RVV 4×6mm 2RVV 4×6mm2RVV 4×10mm 21.5-1.75RVV 4×6mm2RVV 4×10mm 2RVV 4×10mm2RVV 4×16mm2载荷控制仪传感器M11PG-X2卡V101主控板M12TK055位ZK05见图C21X0030P03KCF KCF1KCFKCF1KCF 消防中心M09其他设备共用电源。
西⼦奥的斯AMCB2板说明及井道⾃⼰学习⽅法通⼒3000井道⾃学习步骤西⼦奥的斯OH6000主板与接⼝板端⼦介绍西⼦奥的斯OH6000系列变频器驱动故障码分析西⼦奥的斯OH6000系列主板故障码分析西⼦奥的斯OH6000电器原理图纸带注解西⼦奥的斯DO3000门机调试培训(上)西⼦奥的斯DO3000门机调试培训(中)西⼦奥的斯DO3000门机调试培训(下)西⼦奥的斯DO3000S门机使⽤说明奥的斯上⾏超速保护测试操作奥的斯⽆机房ACD2/3-MRL临时屏蔽抱闸检测开关操作说明奥的斯蓝⽛APP⼿机服务器操作说明奥的斯服务层设置楼层显⽰设置外呼地址设置奥的斯服务使⽤快捷键参数菜单中⽂说明奥的斯钢带检测常见故障处理及调试学习奥的斯⽆机房SPBCII板常⽤功能按钮介绍奥的斯ACD系列变频器通⽤最新故障码含新国标(上)奥的斯ACD系列变频器通⽤最新故障码含新国标(中)奥的斯ACD系列变频器通⽤最新故障码含新国标(下)奥的斯ACD系列通⽤最新故障码(中)奥的斯ACD系列通⽤最新故障码(下)奥的斯ACD系列通⽤最新故障码(上)⼀、AMCB2板硬件说明⼆、LCD显⽰器1、主要显⽰有3种界⾯的显⽰:监控界⾯、菜单界⾯和故障界⾯仅当有故障时显⽰。
三、监控界⾯1、监控界⾯显⽰轿厢当前所在楼层及电梯当前运⾏的速度。
四、菜单界⾯1、菜单界⾯主要有两组菜单的显⽰:F菜单为功能参数,⽤于设置电梯运⾏的基本参数如:电梯的曲线参数、合同速度、检修速度等,详见后⾯参数表。
2、P菜单为位置参数,记录电梯井道⾃学习的参数如:各层楼的位置、上下强迫减速的位置、插板的长度、轿顶两个门区位置传感器的距离等。
五、故障界⾯故障界⾯只有在 AMCB2板检测到故障时才会⾃动显⽰当前故障,故障信息包括编码器故障,变频器故障,接触器反馈故障和制动器反馈故障等。
六、操作按钮操作按钮主要⽤于参数的设置和浏览,从左到右依次如下:Esc 退⾄上级窗⼝、取消某项操作。
升降机RDU主板说明书原理图CAHT-RDU使用说明书微机控制杂物电梯控制柜资料编号:ZL-CAHT-DU01CADT RDU 使用说明书目录一、电气原理图 1二、电气基本配置 6三、标准功能配置表 6四、选择功能配置表7五、指示灯功能定义 7六、输入端子功能定义 7七、输出端子功能定义 8八、功能说明 9九、使用注意 9十、故障代码 10十一、元件代号说明 10十二、控制柜端子接线图 12十三、配线示意表 13十四、调试说明 16一、电气基本配置型号:RDU输入驱动:DC24V 10 MA驱动能力:AC250V/3A/无源触点 I/O 驱动点:57点最大服务层:8层8站 DC250V /3A最大驱动门:前后双开门四层板工艺制作元件配置:序号名称型号产地 1 CPU AT89S52 美国ATMEL 2INPUT IC PS2501 日本NEC 3OUPUT IC ULN2003 美国德州 4POWER IC IR3M03 日本SHARP 5地址译码器 74HC14 美国德州电子 6总线控制器 74HC374 美国德州电子7总线驱动器 ULN2003 美国德州电子 8 继电器超薄型 OMRON 、高见泽、HONFA二、标准功能表1、呼梯使能2、按钮自动选层运行3、自动定向4、到层自动停车5、按钮记忆6、到层自动熄灯7、检修运行功能8、呼梯防捣乱功能9、楼层呼梯指示 10、提醒关门指示11、运行启动提示 12、到层提示13、开门提示 14、允许运行提示15、故障记忆 16、故障显示17、感应器损坏检测 18、运行接触器损坏检测19、曳引机空转检测 20、刹车报死检测21、溜车故障检测 22、断电实时记忆23、运行方向指示 24、反方向运行保护25、停层断开动力电源 26、防尘、防湿处理三、选择功能表:1、BCD码显示8、超载功能2、7段码显示9、抱闸预张3、自动开关门 10、无呼梯自动关断付电源4、电磁阀联锁 11、运行计时功能5、后开关门功能 12、运行计次功能6、日立式开门机 13、任意层选择自动开门7、三菱开门机四、RDU指示灯功能定义序号指示灯意义动作1 POWER 电源指示红色电源正常时亮2 RUN 运行灯绿色主板工作正常时亮3 ERROR 故障灯黄色检测到故障时亮4 SETUP 编程灯浅绿色进入编程时亮5 X0-X26 输入口指示红色有输入时该端口灯亮6 Y0-Y27 输出口指示红色有输出时该端口灯亮五、RDU输入端子功能定义:序号 I/O 功能动作端子代号0V输出1 GND2 X0 1楼平层感应器 ON时显示1楼 1PL3 X1 2楼平层感应器 ON时显示2楼 2PL4 X2 3楼平层感应器 ON时显示3楼 3PL5 X3 4楼平层感应器 ON时显示4楼 4PL6 X4 5楼平层感应器 ON时显示5楼 5PL7 X5 6楼平层感应器 ON时显示6楼 6PL8 X6 7楼平层感应器 ON时显示7楼 7PL9 X7 8楼平层感应器 ON时显示8楼 8PL10 X8 1层呼梯按钮A111 X9 2层呼梯按钮A212 X10 3层呼梯按钮A313 X11 4层呼梯按钮A414 X12 5层呼梯按钮A515 X13 6层呼梯按钮A616 X14 7层呼梯按钮A717 X15 8层呼梯按钮A818 X16 呼梯按钮FL19 X17 运行反馈运行时ON、停止OFF 插件的MCC220 X18 检修开关断开时检修、ON时自动21 X19 检修上行 X18-ON时,按下点动上行SSU22 X20 检修下行 X18-ON时,按下点动下行SSD23 X21 开门按钮平层时按下开门 OP24 X22 关门按钮平层时按下关门 CL25 X23 抱闸触点检测抱闸松开时ON,等待2秒MGK26 X24 安全回路 ON-安全回路导通 SA3-SA127 X25 门锁回路 ON-门锁回路导通 120-12228 X26 超载开关输入 ON-则判定为超载 CZK六、输出端子功能定义:序号 I/O 定义动作端子代号1 Y0 显示A 7段码A=a ,10进制A=1,BCD码A=A A2 Y1 显示B 7段码A=b ,10进制A=2,BCD码A=B B3 Y2 显示C 7段码A=c ,10进制A=3,BCD码A=C C4 Y3 显示D 7段码A=d ,10进制A=4,BCD码A=D D5 Y4 显示E 7段码A=e, 10进制A=5 E6 Y5 显示F 7段码A=f, 10进制A=6 F7 Y6 显示G 7段码A=g, 10进制A=7 G8 Y7 故障指示有故障不平层时亮起 DP9 Y8 1层按钮灯与A1对接10 Y9 2层按钮灯与A2对接11 Y10 3层按钮灯与A3对接12 Y11 4层按钮灯与A4对接13 Y12 5层按钮灯与A5对接14 Y13 6层按钮灯与A6对接15 Y14 7层按钮灯与A7对接16 Y15 8层按钮灯与A8对接17 Y16 主电源接触器MC118 Y17 付电源接触器选择功能 MC219 Y18 上行接触器 MS20 Y19 下行接触器MX 21 Y20 开门接触器KM 22 Y21 关门接触器GM 23 Y22 后开门接触器KM1 24 Y23 后关门接触器GM1 25 Y24 输出到电铃DLL 26 Y25 输出到抱闸接触器选择功能 MG27 Y26 输出到检修灯JXD 28 Y27 超载蜂鸣器CZO 29 L 电铃电源公共电源端COM0 30 COM1 超载铃公共电源端COM1 31 110 110+ 32 111门机抱闸直流110V DC110V111- 33 VCC VCC 34 GNG 控制直流24VDC24V GND七、功能说明:1、关门待机:保证安全回路导通灯X24亮,关好各层厅门X25亮,按下“电铃”按钮大于0.5秒,嵌下欲往楼层登记按钮,该层按钮灯亮起,启动前响铃2秒提醒电梯(可以通过编程器开通或关闭)即将运行后,电梯自动运行至该楼层平层位置时,电梯自动停车并连续响铃通知工作人员卸货,同时按钮灯熄灭。
附录二原理图元器件明细表400Vac 50Hz机柜加热控制电源Q363A 12Q323A 12K A -2132/8E K M 33-2110/4AQ4510A ~16A123456KM512A 15/2D123456Q467/2D&7/4D&7/3E单板加热控制电源网侧、转子侧、功率柜风机400V 电源网侧、转子侧、功率柜风机440V 电源2/7D10A ~16A123456KM612A 15/2D1234564/7DQ41.2Q41.4Q41.612345678ABCDEF12345678ABCDEFA3第 5 页 / 变流器内部配电27/2D&7/4D&7/3ET 81.a 3T 81.b 3T 81.c 3F 4&F 5&F 6.U 1F 4&F 5&F 6.V 1F 4&F 5&F 6.W 1F 4&F 5&F 6.U 1F 4&F 5&F 6.V 1F 4&F 5&F 6.W 116/4EKM32.2&4&6R29220V 300WR30220V 300WR31220V 300W121212R32220V 100W12R33220V 100W12R20220V 340W1212T33>50℃t ℃12T34>50℃t ℃3/2BN1控制柜加热网侧模块加热转子侧模块加热UPS 加热1234564344313216/4D 16/4D PA6-P6N.527/5D PA6-P6N.627/5D131421224344313210/7B 10/7B 10/4B 10/4B KM32 9A KM33 3AKM34 9A123456434431324/5D 4/5D10/7B 10/7BN22/8DKM34220VacA 1A 2RH31>95%%65F312M 1~12Q331AKM331314KM344443除湿风扇给UPS 供电强制启机停止柜内加热KM33220VacA 1A 212T31>0℃t ℃12T32>50℃t ℃4/7DQ41.21114KA912/6CKM332122RH31>95%%45KM32220VacA 1A 223RH31启动柜内加热软件启动柜内加热Q32.25/4D第 10 页 / 加热除湿12345678ABCDEFABCDEF12345678A3X9-19X-24X20-3X9-1UPS14/4B30/4C KA4.A1X20-14D UPS 故障状态UPS-FW.8UPS-FW.7UPS 2000VacPE NLU P S _NK M 34.22/8D 4/4E220Vac 交流输入PE N L XN XL12/2A &13/7BPE N L第 11 页 / UPS12345678ABCDEFABCDEF12345678A3UPS 后电源220Vac XL XN11/6CT4221电源板供电电源IC500供电345678910111222/4C 44Vac 2.2A22/4B 44Vac 2.2A22/4C44Vac 2.2A22/4B 44Vac 10AT M K -LT M K -NP A 6.P 62-9P A 6.P 63.4&5P A 6.P 62-7P A 6.P 63.1&225/4BUPS 后电源(单板)软件启动柜内加热25/4DP A 6-P 6B .3P A 6-P 6B .1A 2A 1KA9220Vac10/4B11211412242210/4B KA9KM1 400A34434431326/7B PA6-P6G.1PA6-P6G.226/5C 26/5C A 1A 2KM1P A 6-P 64.1P A 6-P 64.325/4B主接触器软启接触器25/4CP A 6-P 65.1P A 6-P 65.3A 1A 2KM2KM2 12A 31326/6D 26/5C PA6-P6G.3PA6-P6G.4第 12 页 / UPS 输出配电12345678ABCDEFABCDEF 12345678A3220Vac220VacP A 2-P 24.1&2P A 2-P 24.3&4P A 2-P 22.1&2P A 2-P 22.3&4P A 2-P 23.1&2P A 2-P 23.3&4P A 2-P 21.1&2P A 2-P 21.4&512566/7B 434456341226/5C 6/6D并网接触器13/4F 12/5A A1A2KM10220VacKM10 1700A2134569/5B 9/5B7172838461625354PA6-P6Q-1PA6-P6Q-2PA6-P6F-9PA6-P6F-10X10-7X10-827/5E 27/5E 26/5B26/5B软件启动并网接触器27/5EA1A2KM20220VacKM20 10A43131411/6C13/2BXL储能4/5E 2/8D K M 34.4N 2KA20111415/5EQ11B 1B 2M 1~辅助触点详见9/2BA 1A 2D 1D 2F2+F1-合闸26/5AP A 6-P 6E .1P A 6-P 6E .3失压脱扣11/6CX LX N1112KA614/7E2124KA2015/5E1114KA214/4E脱扣器电源30/4CP A 9-X 2.1P A 9-X 2.312345678ABCDEFABCDEF12345678A3第 13 页 / 控制回路 1X NK M 20-14P A 6-P 6P .1P A 6-P 6P .3KM10-A1413132212212345678A B C D EF A3ABCDEF第 15 页 / 控制回路3投切电容接触器并网柜风扇Tighten(并网断路器储能供电)网侧、转子侧、功率柜风机驱动网侧、转子侧、功率柜风机驱动25/4D15/3E25/4D15/2E25/4C25/4E25/4CPA6-P67.1PA6-P67.3PA6-P6D.1PA6-P6D.3PA6-P66.1PA6-P66.3PA6-P6A.1KM5-31PA6-P69.1KM6-31A1A2KM5220VacKM5 12A KM6 12AKM6220VacA1A2KA20220VacA1A2KA20KM3220VacA1A2M1~M1~N NL LF1F213/5D13/7C13/7B4/5E Q11-B1KM34.4KA6.12KA2.1111141221242213524743443132135246434431325/7D5/7D5/5D5/5D25/4D15/2A25/4D15/4A KM5-A2PA6-P69.3PA6-P6A.3KM6-A2L LN NM1~M1~F8F9KM3 110A135247434431326/4C6/4C26/5CPA6-P6G.7PA6-P6G.826/5C123456781234567812345678ABCDEF ABCDEFA3单板加热电源Q52-2Q52-4Q52-6T81.N112Q3110A 135246KM329A 10/4D K M 32.2K M 32.4K M 32.610/1B 机柜加热电源12Q3510A135246KM3512A 32/5CK M 35-2K M 35-4K M 35-632/2B控制柜内电源插座1324Q4210~16A 0.03ACZ41LNPE第 16 页 / 加热回路和插座3/2B123678A B C D EF A3ABCDF第 19 页 / 端子排X8123NPE4567PE89PE101116171819PE212223123NPE4567PE89PE1011PE16171819PE212223Q82-2Q82-4Q82-6N-1Q91-2Q91-4Q91-6N-3Q85-2Q85-4Q85-6N1-10Q83-2Q83-4Q83-6690V/40A供电690V/40A供电690V/40A供电NPENPEPENPE400V/10A供电400V/10A供电400V/10A供电690V/0.63A电压采样690V/63A供电690V/63A供电690V/63A供电与主控制器信号交互X912345678910111213141516171819202122232425262728293031323334353637383940414212345678910111213141516171819202122232425262728293031323334353637383940414212345678910111213141718191234567891011121314171819X9.1电流互感器电流互感器外部测量端子X9.1-17LT4-S2X9.1-18LT5-S2X9.1-19LT6-S2LT4-S1LT5-S1LT6-S1X41234567891011121314151612345678910111213141516PA7-X71B-3PA7-X71B-4PA7-X71B-2PA7-X71B-1PA7-X71B-6PA7-X71B-5PA7-X71C-6PA7-X71C-5码盘信号X101234567812345678接触器状态预留预留KM10-53KM10-54690V/0.63A电压采样690V/0.63A电压采样PE PE PE并网开关脱扣信号并网开关脱扣信号主控制器失压脱扣控制信号45EUPS电量过低告警UPS电量过低告警12345678功率柜加热16/5EKM35.2&4&612R39220Vac 300W 12t ℃>-15℃T3912t ℃T38>-15℃12t ℃T36>-0℃121212t ℃T43>-0℃12t ℃T37>-0℃1212t ℃T44>-0℃12并网柜加热功率柜和并网柜加热控制5/2DQ36.2KA2122KM35A 1A 2t ℃T35>-15℃12KM35N22/8D 1234561314111216/5D16/5D 26/5E PA6-P6J-3PA6-P6J-426/5E KA111214212422Q36-25/2DKM35-A132/5CKA A 1A 2P A 6-P 6C -1P A 6-P 6C -3软件控制功率柜和并网柜加热12345678ABCDEFABCDEF12345678A3第 32 页 / 加热除湿22/4DN1R35220Vac 300W R36220Vac 300W R37220Vac 300W R38220Vac 300W25/4E220Vac220Vac。
EX驱动控制系统(V2.1A版)电气系统图Elevator Control System electrical wiring diagram原理图目录1、驱动回路---------------------------------------------------------- EXC523B012、控制电源回路---------------------------------------------------- EXC523B023、主控电脑板回路------------------------------------------------- EXC523B03A4、安全制动回路---------------------------------------------------- EXC523B04A5、检修回路---------------------------------------------------------- EXC523B056、轿厢控制回路---------------------------------------------------- EXC523B067、指令回路---------------------------------------------------------- EXC523B078、厅外显示回路------------------------------------------------------EXC523B089、轿厢显示回路------------------------------------------------------EXC523B0910、厅外显示回路对照表-------------------------------------------EXC523B1011、并联电路----------------------------------------------------------EXC523B1112、照明回路---------------------------------------------------------EXC523B1213、对讲机回路------------------------------------------------------EXC523B13A14、门机回路---------------------------------------------------------EXC523B1415、轿厢电路---------------------------------------------------------- EXC523B15A16、井道电缆及呼梯电缆1------------------------------------------EXC523B1617、井道电缆及呼梯电缆2------------------------------------------EXC523B17A18、随行电缆---------------------------------------------------------EXC523B18A19、机房电缆---------------------------------------------------------EXC523B19A20、轿顶轿厢电缆Ⅰ------------------------------------------------ EXC523B20A21、轿顶轿厢电缆Ⅱ------------------------------------------------ EXC523B2122、轿顶轿厢电缆Ⅲ------------------------------------------------ EXC523B22A23、感应器安装图--------------------------------------------------- EXC523B2324、终端开关位置图------------------------------------------------ EXC523B2425、群控连接示意图------------------------------------------------ EXC523B2526、群控与通讯系统连接图--------------------------------------- EXC523B2627、元件代号表-------------------------------------------------------EXC523H0121EX.T005JP17.5JP17.11221LZSN Q115SD TSM n-1105SH C 10934SM 2SM 3190SM n SXJ1103SSJ4SM J117SN C4114SXS 51081911SKTSKS34112113ASTH 11132SJT118SM 1KM BSM J1117H2107RC2116KXX1414111DC110V抱闸电压电路21LZAC220V抱闸电压电路接插件图纸线号针号RVV4*0.5机房电话主机4231324L R E0V E12B151-480704-0CE 65C E 1-480705-0控 制 柜图纸线号电 缆 线 号6机房电话主机接插件针号4231561-480705-0机房电话主机L R E0V E12B 接插件图纸线号针号RVV6*0.75+1*2.0机房电话主机4231324N 1L31151-480704-0CF 65C F 1-480705-0控 制 柜图纸线号电 缆 线 号针针号423156电 源 盒E12A AC1-2AC1-1D C1-1VE07508PEPE黄/绿接插件图纸线号针号RVV8*0.75+1*2.0机房电话主机4231324CXF2CXF1151-480706-0XF 65C F 1-480707-0控 制 柜图纸线号电 缆 线 号针号423156 1-480707-0消防联动FK1接插件FK2CXF2CXF1FK1FK26消防联动1-480706-0E0V E12BD CO U T D C1-2R L E0V E12B878787R L E0V E12B 接插件图纸线号针号RVV6*0.75+1*2.0检 修4231324X0130M S M X 151-480706-0JX 65J X 1-480707-0控 制 柜图纸线号电 缆 线 号6检修手柄113141接插件针号423156 1-480707-0检修手柄X0130M S M X 113141787811519078115190注:紧急电动时,有115、190两个端子号。
1 2 3 4 P0R11302 P0R14502 P0D2701 1 P0R10902 P0U2102 A P0C9501 P0C9502 P0T201 P0U2101 2 1 T2 R113 R145 R87 R91 P0R13701 P0R11301 P0C9002 P0C9001 P0C9101 P0C9102 P0R14501 P0D3002 P0D2702 4P0U2104 AC 3P0U2103 V- R137P0C10202 P0C10201 P0R13702 P0R13002 3 P0D3001 P0R12001 P0C10302 P0C10301 P0R12002 P0D3202 P0C10702 P0C10701 C102 C103 u1620 C107 P0C10602P0C10601 P0R9502 P0D3201 P0T203 9 D30 R120 D32 2 P0T202 C90 220uFP0R10901 U21 GBU1010 AC V+ D27 R109 C95 P0R8701 P0R8702 C85 P0C8501P0C8502 P0R9102 A C91 P0R9101 D39 L3 P0L302 P0L301 P0D3901 P0D3902P0T209 D28 P0D2801 P0D2802 P0TP33 TP33 P0R13001 R95 D38 P0D3802 P0D3801 P0C9602 P0C9601 P0C9802 P0C9801 P0R10702 P0R9501 R130 P0R13402 4 P0T204 10 P0T2021 4 P0S203 3 P0S204 C106 C96 C98 R107 P0C8702 P0C8701 OUT 15VP0TP39 TP39 C87 P0R13401 P0TP41 TP41 5 S2 P0R10701 R134 1N4148 U32P0C10002 P0C10001 P0U3202 P0T205 P0R15102 P0TP38 TP38 1 2 P0S202 P0S201P0R13102 6 P0T206 P0R13502 P0R13101 R135 5 N0U3403 U34.3 P0R14002P0R13501 R139 P0R13901 P0R13902 P0Q1502 P0U3105 3 P0Q1503 P0R15002UC3842AD1 R140 P0C10402 P0C10401 D33 P0D3302 P0D3301 P0R14001 P0R15001 P0R13601 P0R13602 P0R14601 P0R17902 P0R17802 P0R17702 P0R17602 P0R14102 P0R14101 C104 P0R17901 P0R17801 P0R17701 P0R17601 P0R14602 R179 R178R177 R176 R175 R133 P0R13301 P0R13302 C U34 P0U3404 P0U3401 P0R17502R146 P0R17501 R141 P0R15201 R136 R150 P0R15202 GND Q15 1 P0Q1501 20N60 2 4 2 3 RT/CT P0U3102 VFB P0U3103 I SEN P0U3104 VCC P0U3107 7 C94 P0C9401 P0C9402 C108 P0C10801 P0C10802 P0R15101 R131 C99 U31 D29 P0D2902 P0D2901 3 R151 P0U3203 B P0C9901 P0C9902 OUT GND P0C10102 P0C10101 1P0U3201 IN 2 R106 P0R10602 P0R10601 C100 C101 B P0TP40 TP40 1 COMP P0U3108 8 V REFP0U3106 6 OUT P0U3101 R152 C P0U3403 P0U3402 P0Q903 Optoisolator1P0C10501P0C10502 3 C105 K Q9 VREF P0Q901 A D Title P0R14901 2 P0Q902P0R14902 1 R149 T21 of Power source.SchDoc Size A4 Date: File: 1 2 3 2021-5-24 Sheet of D:\Program Files\..\T21 of Power source.SchDoc By: Drawn 4 Number Revision D任务六伺服电机多点定位控制系统教学设计课程名称电力系统电气控制与PLC应用学习主题伺服电机多点定位控制授课专业电力系统自动化技术主讲教师赵慧娴学情分析伺服电机的多点定位控制是在单点定位的基础上增加上位机控制,上位机的可视化编程方法与触摸屏类似,所以这一任务的难度不大。
目录第一章概述1-1.EDCS-6000系列电力系统综合自动化装置概况1-1 1-2.EDCS-6000系列单元的主要特点1-2 1-3.EDCS-6000系列综合自动化装置的产品类型1-3 1-4.EDCS-6000系列单元的型号组成1-3 1-5.EDCS-6200系列110kV变电站综合自动化装置的单元类型1-4第二章 EDCS-6200(G)系列单元的性能指标2-1.各单元的公共技术指标2-1 2-2.EDCS-6210型110kV线路保护单元2-3 2-3.EDCS-6220型电力监控单元2-5 2-4.EDCS-6230型变压器主保护单元2-8 2-5.EDCS-6240型变压器后备保护及监控单元2-10 2-6.EDCS-6250型母线差动保护单元2-14第三章 EDCS-6200系列单元的结构及工作原理3-1.单元的结构3-1 3-2.单元的工作原理3-5第四章 EDCS-6200系列单元的安装及接线4-1.单元的外形尺寸及安装4-1 4-2.单元接线端子的布置4-2 4-3.各单元端子排的外部接线4-5第五章 EDCS-6200G系列单元的安装及接线5-1.单元的外形尺寸及安装5-1 5-2.单元接线5-2 5-3.各单元的外部接线原理图5-7第六章 EDCS-6200型110kV变电站综合自动化装置的构成6-1.EDCS-6200型110kV变电站综合自动化装置的结构6-1 6-2.110kV变电站综合自动化装置设计示例6-11第七章 EDCS-6200型110kV变电站综合自动化装置的设备及布置7-1.EDCS-6200型110kV变电站综合自动化装置的设备7-1 7-2.110kV变电站二次设备的布置7-6附录关于EDCS-6000系列电力系统综合自动化装置接地系统的若干规定一.自动化装置设计中的接地规定附-1 二.自动化装置接地系统的生产安装规定附-5 三.现场接地系统安装调试规定附-5 四.单元装于开关柜上时的接地附-7。