摩擦阻力系数公式计算
- 格式:xls
- 大小:30.00 KB
- 文档页数:2
摩阻计算公式摩阻,听起来是不是有点陌生又有点神秘?别担心,让咱们一起来揭开它的面纱,搞清楚摩阻计算公式这个神奇的东西。
先来说说啥是摩阻。
简单来讲,摩阻就是在流体流动过程中,由于流体与管道内壁或者其他物体表面的摩擦而产生的阻力。
想象一下,水在水管里流动,或者空气在风道里穿梭,它们都会受到这样的阻力。
那摩阻计算公式到底是啥呢?常见的摩阻计算公式有达西-威斯巴赫公式(Darcy-Weisbach Equation),它长这样:$h_f =f\frac{L}{D}\frac{v^2}{2g}$ 。
这里的 $h_f$ 表示沿程水头损失,也就是摩阻造成的能量损失;$f$ 是摩擦系数,和管道内壁的粗糙度等有关;$L$ 是管道长度;$D$ 是管道直径;$v$ 是流体的平均流速;$g$ 是重力加速度。
我记得有一次,在学校的实验室里,我们做了一个关于水流摩阻的小实验。
老师给我们准备了不同材质和管径的水管,让我们通过改变水流速度和测量水头损失来验证这个公式。
我当时特别兴奋,拿着尺子和秒表,认真地记录着每一个数据。
当水流快速通过细管的时候,我明显感觉到水的冲击力很强,但是测量出来的水头损失也很大。
而在粗管里,水流相对平缓,水头损失就小了很多。
我一边做实验,一边在心里默默想着那个摩阻计算公式,试图去理解每个参数的意义。
回到公式本身,摩擦系数 $f$ 是个很关键的因素。
它的确定可不简单,要考虑管道的材质、粗糙度,还有流体的性质。
比如说,光滑的不锈钢管和粗糙的铸铁管,它们的摩擦系数就相差很大。
另外,管道长度 $L$ 越长,摩阻通常也会越大。
这就好比跑步,跑的路程越长,你可能就会越累,遇到的阻力感觉也越大。
管径 $D$ 对摩阻的影响也不能忽视。
管径越小,流体受到的限制就越大,摩阻也就相应增加。
这就像在狭窄的通道里走路,总觉得比在宽阔的大道上费劲。
流速 $v$ 的平方也出现在公式中,这意味着流速对摩阻的影响非常显著。
流速越快,摩阻造成的能量损失就会急剧上升。
管道阻力计算空气在风管内的流动阻力有两种形式:一是由于空气本身的黏滞性以及空气与管壁间的摩擦所产生的阻力称为摩擦阻力;另一是空气流经管道中的管件时(如三通、弯头等),流速的大小和方向发生变化,由此产生的局部涡流所引起的阻力,称为局部阻力。
一、摩擦阻力根据流体力学原理,空气在管道内流动时,单位长度管道的摩擦阻力按下式计算:ρλ242v R R s m ⨯= (5—3) 式中 Rm ——单位长度摩擦阻力,Pa /m ;υ——风管内空气的平均流速,m /s ;ρ——空气的密度,kg /m 3;λ——摩擦阻力系数;Rs ——风管的水力半径,m 。
对圆形风管:4D R s =(5—4)式中 D ——风管直径,m 。
对矩形风管 )(2b a abR s += (5—5)式中 a ,b ——矩形风管的边长,m 。
因此,圆形风管的单位长度摩擦阻力ρλ22v D R m ⨯= (5—6) 摩擦阻力系数λ与空气在风管内的流动状态和风管内壁的粗糙度有关。
计算摩擦阻力系数的公式很多,美国、日本、德国的一些暖通手册和我国通用通风管道计算表中所采用的公式如下:)Re 51.27.3lg(21λλ+-=D K (5—7)式中 K ——风管内壁粗糙度,mm ;Re ——雷诺数。
υvd=Re (5—8)式中 υ——风管内空气流速,m /s ;d ——风管内径,m ;ν——运动黏度,m 2/s 。
在实际应用中,为了避免烦琐的计算,可制成各种形式的计算表或线解图。
图5—2是计算圆形钢板风管的线解图。
它是在气体压力B =101.3kPa 、温度t=20℃、管壁粗糙度K =0.15mm 等条件下得出的。
经核算,按此图查得的Rm 值与《全国通用通风管道计算表》查得的λ/d 值算出的Rm 值基本一致,其误差已可满足工程设计的需要。
只要已知风量、管径、流速、单位摩擦阻力4个参数中的任意两个,即可利用该图求得其余两个参数,计算很方便。
图5—2 圆形钢板风管计算线解图[例] 有一个10m 长薄钢板风管,已知风量L =2400m 3/h ,流速υ=16m /s ,管壁粗糙度K =0.15mm ,求该风管直径d 及风管摩擦阻力R 。
风管内空气流动的阻力有两种,一种是由于空气本身的粘滞性及其与管壁间的摩擦而产生的沿程能量损失,称为摩擦阻力或沿程阻力;另一种是空气流经风管中的管件及设备时,由于流速的大小和方向变化以及产生涡流造成比较集中的能量损失,称为局部阻力。
一、摩擦阻力根据流体力学原理,空气在横断面形状不变的管道内流动时的摩擦阻力按下式计算:ΔPm=λν2ρl/8Rs对于圆形风管,摩擦阻力计算公式可改写为:ΔPm=λν2ρl/2D圆形风管单位长度的摩擦阻力(比摩阻)为:Rs=λν2ρ/2D以上各式中λ————摩擦阻力系数ν————风管内空气的平均流速,m/s;ρ————空气的密度,Kg/m3;l————风管长度,mRs————风管的水力半径,m;Rs=f/Pf————管道中充满流体部分的横断面积,m2;P————湿周,在通风、空调系统中既为风管的周长,m;D————圆形风管直径,m。
矩形风管的摩擦阻力计算我们日常用的风阻线图是根据圆形风管得出的,为利用该图进行矩形风管计算,需先把矩形风管断面尺寸折算成相当的圆形风管直径,即折算成当量直径。
再由此求得矩形风管的单位长度摩擦阻力。
当量直径有流速当量直径和流量当量直径两种;流速当量直径:Dv=2ab/(a+b)流量当量直径:DL=1.3(ab)0.625/(a+b)0.25在利用风阻线图计算是,应注意其对应关系:采用流速当量直径时,必须用矩形中的空气流速去查出阻力;采用流量当量直径时,必须用矩形风管中的空气流量去查出阻力。
二、局部阻力当空气流动断面变化的管件(如各种变径管、风管进出口、阀门)、流向变化的管件(弯头)流量变化的管件(如三通、四通、风管的侧面送、排风口)都会产生局部阻力。
局部阻力按下式计算:Z=ξν2ρ/2ξ————局部阻力系数。
局部阻力在通风、空调系统中占有较大的比例,在设计时应加以注意,为了减小局部阻力,通常采用以下措施:1.弯头布置管道时,应尽量取直线,减少弯头。
汽车阻力计算公式
{"title":"如何计算汽车阻力?","content":"汽车阻力计算公式"}
汽车阻力是指汽车行驶过程中受到的空气阻力、轮胎滚动阻力、摩擦阻力等各种阻力的总和,它是影响汽车行驶效能和性能的一个重要指标。
以下是汽车阻力计算公式:
总阻力=空气阻力+轮胎滚动阻力+摩擦阻力
空气阻力=(0.5x大气密度x Cw值x面积x汽车速度²)其中大气密度=1.23kg/m³,Cw值需要实验测量得到。
轮胎滚动阻力=(轮胎滚动阻力系数x车重x g)
其中,轮胎滚动阻力系数需要从实验中得出,g表示重力加速度。
摩擦阻力=(摩擦系数x车重x g)
其中,摩擦系数也需要从实验中得出,g表示重力加速度。
通过上述公式可以得出汽车的总阻力。
在实际的使用中,为了降低汽车的阻力,可采取如下措施:
1.减少车身的阻力,如改善车身设计,降低车身高度等。
2.采用减阻胎。
3.减少车重,如减轻车身材料等。
4.采用低阻力的润滑油。
5.检查车轮定位是否准确,避免车轮不正,造成轮胎磨损不均,增加阻力。
总之,汽车阻力的计算是复杂的,涉及多种因素,但它对汽车的性能和能耗有重要影响。
只有加强研究和实验,才能不断提高汽车的性能和效率。
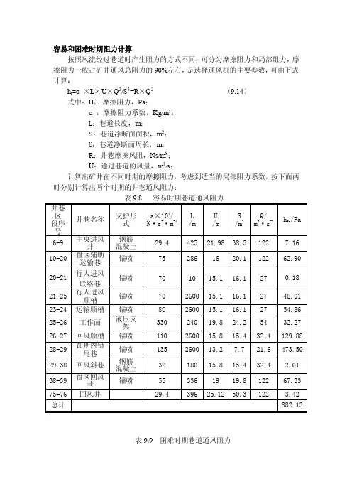
容易和困难时期阻力计算按照风流经过巷道时产生阻力的方式不同,可分为摩擦阻力和局部阻力,摩擦阻力一般占矿井通风总阻力的90%左右,是选择通风机的主要参数,可由下式计算:h r=α×L×U×Q2/S3=R×Q2(9.14)式中:H r:摩擦阻力,Pa;α:摩擦阻力系数,Kg/m3;L:巷道长度,m;S:巷道净断面面积,m2;U:巷道净断面周长,m;R:井巷摩擦风阻,Ns/m8;U:通过巷道的风量,m3/s;计算出矿井在不同时期的摩擦阻力,考虑到适当的局部阻力系数,按下面两时分别计算出两个时期的井巷通风阻力:表9.9 困难时期巷道通风阻力h rmax=k×∑h frmax(9.15)式中:h rmin:矿井最小通风阻力,pa;h rmax:矿井最大通风阻力,pa;k:局部阻力系数,通风容易时期取1.1,困难时期取1.15;∑h fr:矿井摩擦阻力总和,pa;所以,9.3.4 两个时期的矿井总风阻和总等积孔计算矿井通风总风阻计算公式:R=h r/Q f2(9.11)矿井通风等积孔计算公式:A=1.1896/R0.5(9.12)式中: R——矿井风阻,NS2/m8;h r——矿井总阻力,Pa;Q f——矿井总风量,m3/s;A——矿井等积孔,m2。
容易时期:总风阻为:R=h rmin/Q fmin2=882.13/(7332/60)2 = 0.059 (NS2/m8)总等积孔:A rmin=1.1896/R0.5=1.1896/0.0590.5=4.96(m2)全矿总阻力:h rmax=882.13(Pa)困难时期:总风阻为:R=h rmax/Q fmax2=2377.32/(7332/60)2=0.166(NS2/m8)总等积孔:A min=1.1896/R0.5=1.1896/0.160.5=2.97(m2)全矿总阻力:h rmax=2377.32(Pa)通风容易时期和通风困难时期的等积孔见表9.11:由以上计算看出,本矿井通风容易时期和通风困难时期总等积孔均大于2m2,总风阻均小于0.35 N·S2/m8,属于通风容易矿井。
沿程阻力计算公式沿程阻力是指在物体运动过程中,由于各种因素产生的阻碍物体前进的力。
在物理学中,沿程阻力是通过计算物体受到的各个阻力的总和得出的。
下面,我将介绍几种常见的沿程阻力计算公式。
1.摩擦阻力:摩擦阻力是物体在表面上与其他物体接触时发生的阻力。
根据物体与表面之间的接触方式的不同,可以分为滑动摩擦力和滚动摩擦力。
滑动摩擦力的计算公式为F=μN,其中F是摩擦力,μ是动摩擦系数,N是物体与表面接触的力的大小。
滚动摩擦力的计算公式为F=μN,其中F是摩擦力,μ是滚动摩擦系数,N是物体与表面接触的力的大小。
2.空气阻力:空气阻力是物体运动过程中与空气发生摩擦产生的阻力。
空气阻力的计算公式为F=0.5ρAv²C,其中F是空气阻力,ρ是空气密度,A是物体的横截面积,v是物体的速度,C是空气阻力系数。
3.流体阻力:流体阻力是物体在流体中运动时与流体发生阻力的力。
流体阻力的计算公式为F=0.5ρv²AC,其中F是流体阻力,ρ是流体密度,v是物体的速度,A是物体在流体中所受阻力的横截面积,C是流体阻力系数。
4. 斜面阻力:斜面阻力是物体在斜面上运动时由于重力的作用而受到的阻力。
斜面阻力的计算公式为F = mg(sinα + μcosα),其中F是斜面阻力,m是物体的质量,g是重力加速度,α是斜面与水平方向的夹角,μ是斜面的摩擦系数。
5.弹性阻力:弹性阻力是物体在弹性系统中受到的阻碍其前进的力。
弹性阻力的计算公式根据具体的弹性系统而不同,可以是弹簧的弹力或者橡胶的回弹力等。
以上是常见的沿程阻力计算公式,根据具体情况选择适用的公式,可以准确计算出物体在沿程运动中所受到的各个阻力的大小。
管道阻力计算空气在风管内的流动阻力有两种形式:一是由于空气自己的黏滞性以及空气与管壁间的摩擦所产生的阻力称为摩擦阻力;另一是空气流经管道中的管件时 (如三通、弯优等 ),流速的大小和方向发生变化,由此产生的局部涡流所引起的阻力,称为局部阻力。
一、摩擦阻力依照流体力学原理,空气在管道内流动时,单位长度管道的摩擦阻力按下式计算:v2R m4R s2(5— 3)式中Rm——单位长度摩擦阻力,Pa/m;υ——风管内空气的平均流速,m/ s;ρ——空气的密度,kg/ m3;λ——摩擦阻力系数;Rs——风管的水力半径,m。
对圆形风管:R s D4(5— 4)式中D——风管直径, m。
对矩形风管R sab2(a b)(5— 5)式中a, b——矩形风管的边长, m。
所以,圆形风管的单位长度摩擦阻力R mv2D 2(5— 6)摩擦阻力系数λ与空气在风管内的流动状态细风管内壁的粗糙度有关。
计算摩擦阻力系数的公式很多,美国、日本、德国的一些暖通手册和我国通用通风管道计算表中所采用的公式以下:1 2 lg(K 2.51)3.7D Re(5— 7)式中K ——风管内壁粗糙度,mm;Re——雷诺数。
Revd(5—8)式中υ——风管内空气流速,m/ s;d——风管内径,m;ν——运动黏度,m2/ s。
在实质应用中,为了防备烦杂的计算,可制成各种形式的计算表或线解图。
图5— 2 是计算圆形钢板风管的线解图。
它是在气体压力B=101. 3kPa、温度 t=20 ℃、管壁粗糙度K = 0.15mm 等条件下得出的。
经核算,按此图查得的Rm 值与《全国通用通风管道计算表》查得的λ/ d 值算出的Rm 值基本一致,其误差已可满足工程设计的需要。
只要已知风量、管径、流速、单位摩擦阻力 4 个参数中的任意两个,即可利用该图求得其余两个参数,计算很方便。
图 5— 2圆形钢板风管计算线解图[例 ]有一个10m长薄钢板风管,已知风量L = 2400m3/ h,流速υ= 16m/ s,管壁粗糙度 K = 0. 15mm,求该风管直径 d 及风管摩擦阻力R。
管道阻力计算空气在风管内的流动阻力有两种形式:一是由于空气本身的黏滞性以及空气与管壁间的摩擦所产生的阻力称为摩擦阻力;另一是空气流经管道中的管件时(如三通、弯头等),流速的大小和方向发生变化,由此产生的局部涡流所引起的阻力,称为局部阻力。
一、摩擦阻力根据流体力学原理,空气在管道内流动时,单位长度管道的摩擦阻力按下式计算:ρλ242v R R s m ⨯= (5—3) 式中 Rm ——单位长度摩擦阻力,Pa /m ;υ——风管内空气的平均流速,m /s ;ρ——空气的密度,kg /m 3;λ——摩擦阻力系数;Rs ——风管的水力半径,m 。
对圆形风管:4D R s =(5—4)式中 D ——风管直径,m 。
对矩形风管 )(2b a abR s += (5—5)式中 a ,b ——矩形风管的边长,m 。
因此,圆形风管的单位长度摩擦阻力ρλ22v D R m ⨯= (5—6) 摩擦阻力系数λ与空气在风管内的流动状态和风管内壁的粗糙度有关。
计算摩擦阻力系数的公式很多,美国、日本、德国的一些暖通手册和我国通用通风管道计算表中所采用的公式如下:)Re 51.27.3lg(21λλ+-=D K (5—7)式中 K ——风管内壁粗糙度,mm ;Re ——雷诺数。
υvd=Re (5—8)式中 υ——风管内空气流速,m /s ;d ——风管内径,m ;ν——运动黏度,m 2/s 。
在实际应用中,为了避免烦琐的计算,可制成各种形式的计算表或线解图。
图5—2是计算圆形钢板风管的线解图。
它是在气体压力B =101.3kPa 、温度t=20℃、管壁粗糙度K =0.15mm 等条件下得出的。
经核算,按此图查得的Rm 值与《全国通用通风管道计算表》查得的λ/d 值算出的Rm 值基本一致,其误差已可满足工程设计的需要。
只要已知风量、管径、流速、单位摩擦阻力4个参数中的任意两个,即可利用该图求得其余两个参数,计算很方便。
图5—2 圆形钢板风管计算线解图[例] 有一个10m 长薄钢板风管,已知风量L =2400m 3/h ,流速υ=16m /s ,管壁粗糙度K =0.15mm ,求该风管直径d 及风管摩擦阻力R 。
水流摩擦阻力计算公式在流体力学中,水流摩擦阻力是指水流在管道或其他表面上流动时受到的阻力。
这种阻力是由于水分子与管道表面或其他物体表面摩擦而产生的,是影响水流动的重要因素之一。
因此,对水流摩擦阻力进行准确的计算和分析对于工程设计和实际应用具有重要意义。
水流摩擦阻力的计算公式可以通过多种方法进行推导,其中最常用的是根据流体力学中的雷诺数和摩擦阻力系数来计算。
下面将介绍水流摩擦阻力的计算公式及其相关内容。
首先,我们来看一下水流摩擦阻力的计算公式。
根据流体力学的理论,水流摩擦阻力可以用以下公式来表示:F = 0.5 ρ v^2 A C。
其中,F表示水流摩擦阻力,ρ表示水的密度,v表示水流速度,A表示流体流过的表面积,C表示摩擦阻力系数。
这个公式可以用来计算水流在管道或其他表面上的摩擦阻力,是工程设计和实际应用中常用的计算方法。
在这个公式中,摩擦阻力系数C是一个重要的参数,它反映了水流与管道表面或其他物体表面之间的摩擦程度。
摩擦阻力系数的大小与表面粗糙度、流态、雷诺数等因素有关,通常需要通过实验或经验公式来确定。
对于不同的流体和不同的表面,摩擦阻力系数也会有所不同,因此在实际应用中需要进行具体的计算和分析。
另外,水流摩擦阻力的大小还与水流速度和流体流过的表面积有关。
一般来说,水流速度越大,摩擦阻力也会越大;流体流过的表面积越大,摩擦阻力也会越大。
因此,在工程设计和实际应用中,需要对水流速度和流体流过的表面积进行合理的设计和选择,以减小水流摩擦阻力的大小。
除了上述公式外,还有一些其他方法可以用来计算水流摩擦阻力。
例如,可以通过雷诺数来计算摩擦阻力,或者通过实验测定来确定摩擦阻力系数。
这些方法在不同的情况下都有其适用性,可以根据具体的工程需求进行选择和应用。
总之,水流摩擦阻力的计算是流体力学中的一个重要问题,对于工程设计和实际应用具有重要意义。
通过合理的计算和分析,可以减小水流摩擦阻力的大小,提高流体的运输效率,保证工程的安全稳定运行。
管道阻力计算空气在风管内的流动阻力有两种形式:一是由于空气本身的黏滞性以及空气与管壁间的摩擦所产生的阻力称为摩擦阻力;另一是空气流经管道中的管件时(如三通、弯头等),流速的大小和方向发生变化,由此产生的局部涡流所引起的阻力,称为局部阻力。
一、摩擦阻力根据流体力学原理,空气在管道内流动时,单位长度管道的摩擦阻力按下式计算:242v R R s m(5—3) 式中Rm ——单位长度摩擦阻力,Pa /m ;υ——风管内空气的平均流速,m /s ;ρ——空气的密度,kg /m 3;λ——摩擦阻力系数;Rs ——风管的水力半径,m 。
对圆形风管:4D R s(5—4)式中D ——风管直径,m 。
对矩形风管)(2b a ab R s(5—5)式中a ,b ——矩形风管的边长,m 。
因此,圆形风管的单位长度摩擦阻力22v D R m (5—6)摩擦阻力系数λ与空气在风管内的流动状态和风管内壁的粗糙度有关。
计算摩擦阻力系数的公式很多,美国、日本、德国的一些暖通手册和我国通用通风管道计算表中所采用的公式如下:)Re 51.27.3lg(21D K (5—7)式中K ——风管内壁粗糙度,mm ;Re ——雷诺数。
vd Re(5—8) 式中υ——风管内空气流速,m /s ;d ——风管内径,m ;ν——运动黏度,m 2/s 。
在实际应用中,为了避免烦琐的计算,可制成各种形式的计算表或线解图。
图5—2是计算圆形钢板风管的线解图。
它是在气体压力B =101.3kPa 、温度t=20℃、管壁粗糙度K =0.15mm 等条件下得出的。
经核算,按此图查得的Rm 值与《全国通用通风管道计算表》查得的λ/d 值算出的Rm 值基本一致,其误差已可满足工程设计的需要。
只要已知风量、管径、流速、单位摩擦阻力4个参数中的任意两个,即可利用该图求得其余两个参数,计算很方便。
1、摩擦因数的计算公式:f=μN。
式中的μ叫动摩擦因数,也叫滑动摩擦系数,它只跟材料、接触面粗糙程度有关,注意跟接触面积无关;
N为正压力。
滑动摩擦力:发生在两个相互接触而相对滑动的物体之间,阻碍着它们之间相对滑动的力。
摩擦力的方向与物体相对运动的方向或相对运动趋势方向相反。
而不是与物体的运动方向相反。
摩擦力可作为动力也可作为阻力。
2、动摩擦因数的计算公式:μ=f/N(μ为动摩擦系数,f为摩擦力,N为正压力)。
动摩擦系数是物体本身的属性,只与物体本身有关,与有没有进行相对运动以及有没有正压力无关。
所以不能说动摩擦系数与摩擦力成正比,与正压力成反比,只能说摩擦力与正压力和动摩擦系数成正比。
动摩擦因数又称之为动摩擦系数,物理学上用一个希腊字母μ表示,这个值是彼此接触的两个物体做相对运动时滑动摩擦力和正压力之间的比值。
当物体处于水平运动状态时,正压力=重力。
不同材质的物体的动摩擦因数不同,物体越粗糙,动摩擦因数越大。
由于滑动摩擦力和正压力的单位均是牛顿,所以动摩擦因数是没有单位的。
摩擦力的公式摩擦力的公式是什么?答:摩擦力的公式是:为f=μN,式中的μ叫动摩擦因数,也叫滑动摩擦系数,它只跟材料、接触面粗糙程度有关,注意跟接触面积无关;N为正压力。
滑动摩擦力的大小计算公式为f=μN,式中的μ叫动摩擦因数,也叫滑动摩擦系数,它只跟材料、接触面粗糙程度有关,注意跟接触面积无关;N为正压力。
滑动摩擦力:发生在两个相互接触而相对滑动的物体之间,阻碍着它们之间相对滑动的力.摩擦力的方向与物体相对运动的方向或相对运动趋势方向相反.而不是与物体的运动方向相反.摩擦力可作为动力也可作为阻力.扩展资料:摩擦力分为静摩擦力、滚动摩擦、滑动摩擦三种。
一个物体在另一个物体表面发生滑动时,接触面间产生阻碍它们相对运动的摩擦,称为滑动摩擦。
滑动摩擦力的大小与接触面的粗糙程度的大小和压力大小有关。
压力越大,物体接触面越粗糙,产生的滑动摩擦力就越大。
增大有利摩擦的方法有:增大压力、增大接触面的粗糙程度、压力的大小等。
减小有害摩擦的方法有:①减小压力②使物体与接触面光滑③使物体与接触面分离④变滑动为滚动等。
当一个物体在另一个物体表面上滑动时,会受到另一个物体阻碍它滑动的力叫”滑动摩擦力“。
研究滑动摩擦力的大小跟哪些因素有关系的实验:实验时为什么要用弹簧秤拉木块做匀速直线运动?这是因为弹簧秤测出的是拉力大小而不是摩擦力大小。
当木块做匀速直线运动时,木块水平方向受到的拉力和木板对木块的摩擦力就是一对平衡力。
根据二力平衡的条件,拉力大小应和摩擦力大小相等。
所以测出了拉力大小也就是测出了摩擦力大小。
大量实验表明,滑动摩擦力的大小只跟接触面所受的压力大小、接触面的粗糙程度相关。
压力越大,滑动摩擦力越大;接触面越粗糙,滑动摩擦力越大。
滑动摩擦力是阻碍相互接触物体间相对运动的力,不一定是阻碍物体运动的力。
即摩擦力不一定是阻力,它也可能是使物体运动的动力,要清楚阻碍“相对运动”是以相互接触的物体作为参照物的。
“物体运动”可能是以其它物体作参照物的。
皮带机阻力计算公式皮带机是一种常见的输送设备,广泛应用于矿山、港口、化工厂等各种工业领域。
在设计和运行皮带机时,了解皮带机的阻力是非常重要的。
阻力的大小直接影响了皮带机的运行功率和能耗,因此正确计算皮带机的阻力是确保其正常运行的关键。
皮带机的阻力可以分为摩擦阻力、弯曲阻力和重力阻力三种类型。
摩擦阻力是指皮带和托辊之间的摩擦力,弯曲阻力是指皮带在弯曲部分的阻力,重力阻力是指物料在皮带上的重力所产生的阻力。
计算这些阻力的大小需要用到一些基本的物理公式和数据,下面将对皮带机的阻力计算公式进行详细介绍。
1. 摩擦阻力的计算公式。
摩擦阻力是皮带机运行时最主要的阻力之一,它的大小取决于皮带和托辊之间的摩擦系数以及受力面积。
摩擦阻力的计算公式如下:F = μ N。
其中,F为摩擦阻力,单位为牛顿(N);μ为摩擦系数;N为受力面积,单位为平方米(m²)。
摩擦系数是一个反映两个物体之间摩擦程度的物理量,它的大小取决于物体表面的粗糙程度和材质。
在实际计算中,摩擦系数可以通过实验测定或参考已有的数据表。
受力面积则是指皮带和托辊之间接触的面积,通常可以通过测量得到。
2. 弯曲阻力的计算公式。
弯曲阻力是指皮带在弯曲部分由于受力而产生的阻力,它的大小与弯曲半径、张力大小和皮带本身的弹性有关。
弯曲阻力的计算公式如下:F = (T R) / (100 η)。
其中,F为弯曲阻力,单位为牛顿(N);T为张力,单位为牛顿(N);R为弯曲半径,单位为米(m);η为皮带的弹性模量,单位为兆帕(MPa)。
张力是指皮带在运行时受到的拉力,它的大小取决于物料的重量和输送距离。
弯曲半径是指皮带在弯曲部分的弯曲程度,它的大小直接影响了弯曲阻力的大小。
皮带的弹性模量是一个反映皮带材料弹性特性的物理量,它的大小可以通过实验测定或参考已有的数据表。
3. 重力阻力的计算公式。
重力阻力是指物料在皮带上的重力所产生的阻力,它的大小与物料的重量和输送高度有关。
横向力系数和摩擦系数的关系
横向力系数和摩擦系数是两个重要的物理量,它们之间存在着一定的关系。
在本文中,将详细介绍横向力系数和摩擦系数的定义、计算方法以及它们之间的关系。
一、横向力系数
横向力系数是指物体在水平面上受到侧向力时所产生的反作用力与侧向力之比。
可以用以下公式来表示:
μy = Fy / Fx
其中,μy为横向力系数,Fy为反作用力,Fx为侧向力。
二、摩擦系数
摩擦系数是指物体在接触面上受到相对运动时所产生的摩擦阻力与垂直于接触面的压力之比。
可以用以下公式来表示:
μ = Ff / N
其中,μ为摩擦系数,Ff为摩擦阻力,N为垂直于接触面的压力。
三、横向力系数和摩擦系数的关系
当一个物体在水平面上运动时,通常会受到侧向力和摩擦阻力的影响。
这两种影响都会对物体运动产生一定程度上的阻碍。
从公式可以看出,横向力系数和摩擦系数都是由反作用力与侧向力之
比或摩擦阻力与垂直于接触面的压力之比来表示的。
因此,它们之间
存在着一定的关系。
具体而言,当物体受到侧向力时,其反作用力会产生一个与侧向力方
向相反的作用力。
这个作用力会导致物体在水平面上产生一个滑动趋势。
而摩擦阻力则会抵消这个滑动趋势,使物体保持静止或匀速运动。
因此,可以说横向力系数和摩擦系数是相互影响的。
当横向力系数增
大时,反作用力也会增大,从而导致摩擦阻力增大。
反之亦然。
总的来说,在物理学中,横向力系数和摩擦系数是两个非常重要的物
理量。
它们之间存在着一定的关系,在实际应用中需要综合考虑它们
的影响。