欧洲III号排放标准
- 格式:doc
- 大小:79.50 KB
- 文档页数:7
德国a iii级柴油标准
德国对于柴油车辆的排放标准非常严格,这些标准是欧盟排放标准的一部分,同时也可能包含一些更严格的国内要求。
截至我的知识更新日期(2023年),德国对于柴油车辆的排放标准通常遵循欧洲排放法规,这些法规以欧洲排放标准(Euro emissions standards)的形式出现。
欧洲排放标准分为几个不同的级别,例如Euro 5、Eur o 6等,每个级别都规定了不同种类的车辆(如汽油车、柴油车、摩托车等)可以排放的最大有害物质量。
随着技术的进步和环境保护要求的提高,这些标准会不断更新,变得更加严格。
Euro 6标准是当前最严格的排放标准之一,它对于柴油车辆的氮氧化物(NOx)和颗粒物(PM)排放有着非常严格的要求。
德国作为欧盟成员国,自然遵循这些标准。
然而,由于柴油车排放问题在欧洲引起了广泛关注,包括德国在内的许多国家正在考虑实施更严格的排放限制,甚至有些城市正在讨论禁止老旧柴油车辆进入市区。
值得注意的是,随着时间的推移,新的排放标准和政策可能会出台,因此最新的信息应该从官方渠道或权威机构获取。
如果您需要了解德国最新的柴油车辆排放标准,建议查询德国环境部门(Umweltministerium)的官方网站或相关环保组织的公告。
欧洲ⅲ号的排放标准-概述说明以及解释1.引言1.1 概述欧洲ⅲ号的排放标准是欧洲联盟为应对环境污染和保护空气质量而制定的一项重要法规。
随着工业化的快速发展,汽车尾气排放成为了一个严重的环境问题,对空气质量和人类健康造成了巨大的威胁。
为了解决这个问题,欧洲联盟联合多个成员国,制定了一系列的排放标准,即欧洲ⅲ号排放标准。
这项标准的实施被视为欧洲改善空气质量和保护环境的一次重要举措。
欧洲ⅲ号排放标准的引入是在欧洲ⅰ和ⅱ号排放标准的基础上进行的,是一次逐步升级的过程。
它对汽车尾气排放的限制更加严格,要求汽车厂商在生产车辆时使用更清洁和环保的技术。
这些技术包括采用更先进的燃烧技术、增加尾气净化设备等。
通过减少有害气体的排放,欧洲ⅲ号排放标准有望改善空气质量,减少病人的数量,并促进可持续发展。
欧洲ⅲ号排放标准的实施对于汽车产业来说也是一次极大的挑战和机遇。
对于汽车厂商来说,要满足这一标准需要进行技术和制造工艺的升级,这对于提高汽车的竞争力和市场份额具有重要意义。
同时,这也为新技术和新材料的研发提供了契机,有助于推动整个汽车产业向环保方向发展。
总的来说,欧洲ⅲ号排放标准是欧洲联盟为了改善空气质量和保护环境而制定的一项重要法规。
它的实施将在全欧洲范围内减少汽车尾气排放,提高空气质量,对人类健康和可持续发展具有积极的影响。
同时,它也将推动汽车产业向环保方向迈进,为技术创新和可持续发展提供动力。
1.2 文章结构文章结构部分的内容可以包括以下内容:文章结构部分主要描述了整篇文章的组织结构和各个部分的主题和内容。
本文按照以下结构进行组织和展开:引言部分包括三个小节,分别是概述、文章结构和目的。
概述部分简要介绍了欧洲ⅲ号排放标准的背景和重要性。
文章结构部分说明了本文所采用的结构和逻辑顺序,包括引言、正文和结论三个主要部分。
目的部分明确了本文的目的,即探讨欧洲ⅲ号排放标准对环境保护和汽车产业的意义。
正文部分包括两个小节,分别是欧洲ⅲ号排放标准的背景和内容。
欧三a排放标准欧洲三阶段排放标准,即Euro 3标准,是指欧盟对机动车辆尾气污染物排放限制的一套标准。
这套标准是根据欧盟法规制定的,旨在减少车辆尾气的污染排放,保护环境和人类健康。
Euro 3标准主要针对的是汽车排放的氧化氮(NOx)、非甲烷总烃(NMHC)、碳氢化合物(CH),以及颗粒物(PM)等污染物的排放。
Euro 3标准对不同类型的车辆有不同的限制要求,以下是Euro 3标准的主要参考内容:1. 汽油车排放标准:对于汽油车,Euro 3标准要求其NOx排放限制为0.15克/千瓦时(g/kWh),NMHC排放限制为0.20克/千瓦时(g/kWh),CH排放限制为2.0克/千瓦时(g/kWh)。
2. 柴油车排放标准:对于柴油车,Euro 3标准要求其NOx排放限制为0.50克/千瓦时(g/kWh),PM排放限制为0.05克/千瓦时(g/kWh)。
此外,对于柴油车还有一些其他要求,如必须安装颗粒物过滤器。
3. 轻型商用车排放标准:对于轻型商用车,Euro 3标准要求其NOx排放限制为0.50克/千瓦时(g/kWh),NMHC排放限制为0.40克/千瓦时(g/kWh),PM排放限制为0.05克/千瓦时(g/kWh)。
4. 重型商用车排放标准:对于重型商用车,Euro 3标准要求其NOx排放限制为7.0克/千瓦时(g/kWh),PM排放限制为0.10克/千瓦时(g/kWh)。
5. 摩托车排放标准:对于摩托车,Euro 3标准要求其NOx排放限制为0.30克/千瓦时(g/kWh),HC排放限制为0.20克/千瓦时(g/kWh),PM排放限制为0.02克/千瓦时(g/kWh)。
Euro 3标准的实施对于改善空气质量和减少机动车辆的尾气污染产生了积极的影响。
然而,随着科技的进步和环保意识的增强,Euro 3标准逐渐被Euro 4、Euro 5以及更严格的Euro 6标准所取代。
综上所述,Euro 3a排放标准是欧盟对机动车尾气污染物排放的一套标准。
欧3标准相当于国几欧3标准是指欧洲汽车排放标准的第三阶段,它是欧洲对汽车排放进行限制的标准之一。
而国几则是指中国汽车排放标准中的第几阶段。
那么,欧3标准相当于国几呢?让我们来详细了解一下。
首先,我们需要了解欧洲和中国在汽车排放标准上的对应关系。
欧洲的汽车排放标准分为欧1、欧2、欧3、欧4、欧5、欧6等阶段,而中国则相应地制定了国1、国2、国3、国4、国5、国6等阶段的汽车排放标准。
这些标准的制定旨在控制汽车尾气排放,减少对环境的污染。
欧3标准是欧洲于2000年开始实施的汽车排放标准,它对汽车尾气中的一氧化碳、氮氧化物、非甲烷总烃、颗粒物等进行了严格的限制。
而国几则是中国相应的汽车排放标准,国1标准于2000年实施,国2标准于2002年实施,国3标准于2005年实施,国4标准于2008年实施,国5标准于2017年实施,国6标准于2020年实施。
因此,欧3标准相当于中国的国3标准。
欧3标准相当于国3标准,意味着符合欧3标准的车辆在中国的道路上可以正常行驶。
而对于一些特定的区域,如京津冀地区、珠三角地区等,可能会对车辆的排放标准有更为严格的要求,要求符合国4或国5标准,因此欧3标准的车辆在这些地区可能会受到限制。
总的来说,欧3标准相当于国3标准,但在实际的道路使用中还需要根据当地的具体要求来确定是否符合排放标准。
随着环保意识的提高和技术的进步,汽车排放标准也在不断地更新和提升,希望未来能够有更多的环保车辆投入使用,减少对环境的污染,保护我们的共同家园。
综上所述,欧3标准相当于国3标准,但在特定地区的使用可能会受到限制。
我们应该关注汽车的环保性能,选择符合当地要求的车辆,共同为环境保护出一份力。
希望未来能够有更多的环保车辆投入使用,减少对环境的污染,保护我们的共同家园。
欧3排放标准是国几欧3排放标准是指欧洲对车辆尾气排放的限制标准,它是欧洲大气污染防治的一部分。
欧洲大气污染问题一直备受关注,为了改善空气质量,欧盟制定了一系列的车辆尾气排放标准,其中欧3排放标准是其中的一项。
欧3排放标准于2000年正式实施,它对车辆尾气中的氮氧化物和颗粒物的排放进行了限制。
与此前的欧2标准相比,欧3标准对氮氧化物和颗粒物的排放限制更为严格,要求车辆在运行过程中排放更少的有害物质,从而减少对环境的污染。
根据欧盟的规定,欧3标准的实施对新车和柴油车的排放有着明确的要求。
对于新车来说,必须符合欧3标准的排放要求才能在欧洲市场上销售。
而对于已经在使用的柴油车,欧盟也制定了相应的过渡期和更新换代的要求,鼓励车主逐步淘汰老旧的高排放车辆,更新换代符合欧3标准的新车。
欧3排放标准的实施对环境保护和空气质量改善起到了积极的作用。
通过限制车辆尾气中有害物质的排放,可以有效减少大气污染物对环境和人体健康造成的危害。
在欧盟成员国内,逐步普及符合欧3标准的新车,也为改善城市空气质量提供了有力支持。
然而,欧3排放标准也面临着一些挑战和争议。
一些人认为欧3标准虽然可以减少车辆尾气排放,但并不能彻底解决大气污染问题。
他们指出,车辆尾气排放只是大气污染的一部分,除了车辆排放,工业排放、生活废气等也是大气污染的重要来源,需要综合治理。
另外,一些人也质疑欧3标准的实施成本和效果。
他们认为,更新换代车辆需要投入大量资金,对于一些经济欠发达地区和个人车主来说,可能存在一定的经济压力。
同时,一些研究也指出,欧3标准的实施并没有如预期般显著改善空气质量,这也引发了对于欧3标准的效果和可行性的质疑。
综上所述,欧3排放标准是欧洲大气污染防治的重要举措,它对车辆尾气排放进行了严格的限制,对环境保护和空气质量改善起到了积极的作用。
然而,欧3标准也面临着一些挑战和争议,需要综合考虑各方意见,不断完善和调整,以实现更好的环境保护效果。
俄罗斯排放标准摘要:1.俄罗斯汽车排放标准概述2.俄罗斯排放标准的历史和演变3.俄罗斯现行的排放标准4.俄罗斯与其他国家的排放标准比较5.俄罗斯汽车排放标准的影响和挑战正文:俄罗斯汽车排放标准概述汽车排放标准是衡量汽车污染物排放水平的重要标准,对于保障环境和人类健康具有重要意义。
俄罗斯作为世界上最大的国家之一,其汽车排放标准备受关注。
本文将详细介绍俄罗斯汽车排放标准的相关内容。
俄罗斯排放标准的历史和演变俄罗斯的汽车排放标准始于20 世纪70 年代,当时的标准主要参考了苏联时期的标准。
随着时代的发展和环境问题的日益严重,俄罗斯不断修订和完善排放标准,以适应社会发展的需要。
俄罗斯现行的排放标准目前,俄罗斯实施的排放标准主要分为欧I、欧II、欧III、欧IV 和欧V 五个等级。
其中,欧I 标准适用于1996 年以前生产的汽车,欧II 标准适用于1996 年至2005 年之间生产的汽车,欧III 标准适用于2005 年至2010 年之间生产的汽车,欧IV 标准适用于2010 年至2015 年之间生产的汽车,欧V 标准适用于2015 年以后生产的汽车。
俄罗斯与其他国家的排放标准比较相较于其他发达国家,俄罗斯的排放标准整体较低。
例如,俄罗斯的欧IV 标准相当于欧洲的欧III 标准,而欧V 标准仅相当于欧洲的欧IV 标准。
这主要是因为俄罗斯在汽车技术、行业发展和基础设施建设等方面相对落后,导致其排放标准相对较低。
俄罗斯汽车排放标准的影响和挑战尽管俄罗斯的排放标准较低,但随着环保意识的提高和环境压力的增大,俄罗斯政府已经开始着手提高汽车排放标准。
提高排放标准将有助于减少汽车污染物排放,改善环境质量,但同时也会对汽车产业带来挑战,如技术研发、生产成本和市场接受度等问题。
总之,俄罗斯汽车排放标准在不断演变和完善,以适应社会发展和环保需求。
中国排放标准和欧洲排放标准一、引言随着环境保护意识的不断提高,各国纷纷制定和实施相应的排放标准,以减少污染物排放,改善环境质量。
本文将对比分析中国排放标准与欧洲排放标准的差异,并探讨我国排放标准的发展趋势及对策。
二、中国排放标准简介1.我国排放标准发展历程我国排放标准经历了从无到有、逐步完善的过程。
早在20世纪70年代,我国就开始研究制定汽车排放标准。
经过几十年的发展,现已形成了一套较为完整的排放标准体系。
2.现行主要排放标准我国现行主要排放标准包括:《轻型汽车污染物排放限值及测量方法》(GB 18352.1-2018)、《重型汽车污染物排放限值及测量方法》(GB 3847-2018)等。
三、欧洲排放标准简介1.欧洲排放标准发展历程欧洲排放标准起源于20世纪70年代,经过多次修订和完善,已成为全球最为严格的排放标准之一。
2.现行主要排放标准欧洲现行主要排放标准包括:欧洲排放指令(如EU No.2019/1975)、欧洲汽车污染物排放标准(如Euro 6/7)等。
四、中国排放标准与欧洲排放标准的差异1.排放限值差异相较于欧洲排放标准,我国排放限值相对较低。
以汽车氮氧化物排放限值为例,欧洲排放标准要求在2020年实施Euro 6d排放限值,而我国现行的GB 18352.1-2018标准仅要求达到Euro 6b水平。
2.检测方法差异我国和欧洲在排放检测方法上存在一定差异。
例如,我国采用双怠速法检测汽车排放,而欧洲采用瞬态工况法。
3.监管政策差异相较于欧洲,我国在排放监管政策方面尚有待完善。
欧洲实施严格的排放检测和罚款制度,确保企业严格遵守排放标准。
而我国在监管力度和执法水平上仍有提升空间。
五、我国排放标准发展趋势及对策1.更加严格的排放限值为应对环境污染问题,我国将继续提高排放限值。
例如,拟制定氮氧化物排放限值达到Euro 6d水平的标准。
2.引入更多先进技术我国在排放标准中逐步引入先进技术,如车载诊断(OBD)系统、燃料消耗限值等。
欧洲环保标准等级划分
欧洲环保标准等级划分主要是指汽车的排放标准等级划分。
根据欧洲联盟的规定,汽车排放标准共分为6个等级,分别是:
1. 欧洲第一阶段(Euro 1):1992年开始实施,主要限制一氧化碳(CO)、碳氢化合物(HC)、氮氧化物(NOx)和颗粒物(PM)的排放。
2. 欧洲第二阶段(Euro 2):1996年开始实施,对比Euro 1
标准有所提升,主要针对柴油车的排放标准。
3. 欧洲第三阶段(Euro 3):2000年开始实施,对比Euro 2
标准有明显提升,主要限制柴油车和轻型商用车的排放标准。
4. 欧洲第四阶段(Euro 4):2005年开始实施,对比Euro 3
标准有显著提高,主要限制柴油车和轻型商用车的排放标准。
5. 欧洲第五阶段(Euro 5):2009年开始实施,主要关注柴油车的颗粒物和氮氧化物排放控制。
6. 欧洲第六阶段(Euro 6):2014年开始实施,对比Euro 5
标准有进一步提升,主要限制汽油车和柴油车的颗粒物、氮氧化物和氨排放。
这些标准在欧洲范围内逐步推行,旨在减少汽车尾气排放对环境的影响,提高空气质量和人民健康。
同时,汽车制造商也需要不断提升技术水平以满足新标准的要求。
欧盟现行Ⅲ、Ⅳ号汽油车排放法规简介A B R IE F IN T R OD U C TI O N O F D I R EC T I VE98/69/E C A B O U TEMISSIONS FOR GASOLINE MOTOR VEHICLES IN EUROPEAN UNION1定义欧洲现行的Ⅲ、Ⅳ号汽车排放法规是欧洲议会以指令70/220/EEC为基础,于1998 年10月13日制定的,分别从2000年和2005年起执行的阶段性机动车排放法规。
2说明2.1形式认证试验欧洲Ⅲ号法规的形式认证从2000年开始执行,生产一致性认证从2001年开始执行。
欧洲Ⅳ号法规的形式认证从2005年开始执行,生产一致性认证从2006年开始执行。
与欧洲Ⅱ号法规相比,追加了关于怠速CO排放的Ⅱ型试验、关于冷起动后CO和HC尾气排放水平的Ⅵ型试验、OBD系统可靠性试验等内容。
其汽油类车的形式认证需进行如表2.1所示试验。
表2.1 形式认证试验2.2Ⅰ型试验与欧洲Ⅱ号法规(96/69/EC)相比,欧洲Ⅲ、Ⅳ号法规中对汽油车Ⅰ型试验有如下不同的规定:(1)因NO占总的污染物质量的45%(对汽油车),所以将汽油车各项污染物的限值单独列出。
X(2)删除了试验初期的40s怠速时间。
(3)对于汽车基准重量的级别进行了重新划分。
(4)污染物限值如表2.2所示。
其中,降低了NO40%,降低了HC 40%,CO降低了30%。
X表2.2 汽油车Ⅰ型试验的污染物限值()包括车重超过2500kg的车型。
(2)包括注(1)中规定的M类车型。
2.3加油盖(fuel filler cap)欧洲Ⅲ、Ⅳ号法规追加了对燃油箱的加油盖的要求。
为了防止因丢失燃油箱盖而导致的过度燃油蒸发及泄漏,要求对燃油箱盖的使用可靠性进行证实。
例如,推荐采用以下任何1种方法:(1)自动开启和关闭,不可移动的加油盖。
(2)设计出如果加油盖丢失仍旧能够避免过度燃油蒸发的装置(3)其它的同等功效的装置。
欧洲排放标准号欧洲排放标准是由欧盟(EU)制定的,旨在限制新车的废气排放。
这些标准被广泛用于欧洲以及其他一些国家和地区,如澳大利亚、日本和韩国等。
以下是关于欧洲排放标准编号的一些信息:欧洲排放标准分为以下几个阶段:1. 欧洲Ⅰ号排放标准(欧Ⅰ)该标准在2000年开始实施,适用于2000年以后生产的轻型车辆(即总质量不超过3.5吨的车辆),包括轿车、SUV、MPV等。
该标准要求车辆的CO(一氧化碳)排放量不得超过2.72克/公里,HC(碳氢化合物)不得超过0.4克/公里,NOx(氮氧化物)不得超过0.39克/公里,同时对PM(颗粒物)也有一定的限制。
2. 欧洲Ⅱ号排放标准(欧Ⅱ)该标准在2005年开始实施,适用于2005年以后生产的轻型车辆。
与欧Ⅰ标准相比,欧Ⅱ标准对CO、HC、NOx和PM的限制更加严格,例如CO排放量不得超过2.72克/公里,HC不得超过0.35克/公里,NOx不得超过0.31克/公里,PM不得超过0.15克/公里。
3. 欧洲Ⅲ号排放标准(欧Ⅲ)该标准在2008年开始实施,适用于2008年以后生产的轻型车辆。
与欧Ⅱ标准相比,欧Ⅲ标准进一步限制了CO、HC、NOx和PM的排放量,例如CO不得超过1.5克/公里,HC不得超过0.15克/公里,NOx 不得超过0.06克/公里,PM不得超过0.04克/公里。
4. 欧洲Ⅳ号排放标准(欧Ⅳ)该标准在2012年开始实施,适用于2012年以后生产的轻型车辆。
与欧Ⅲ标准相比,欧Ⅳ标准更加严格地限制了CO、HC、NOx和PM的排放量,例如CO不得超过1.3克/公里,HC不得超过0.04克/公里,NOx不得超过0.03克/公里,PM不得超过0.035克/公里。
除了轻型车辆外,欧洲排放标准还适用于重型车辆(如卡车和公共汽车),但标准的实施时间略有不同。
这些标准的制定旨在减少空气污染,保护环境和人类健康。
随着技术的不断发展,未来可能会有更加严格的排放标准出台。
在之前的文章中,我们已经对数据库中所涉及的车身参数和发动机前十项参数做了较为详细的解析,本文将从第十一项开始,继续对发动机的其余参数进行详解:压缩比就是发动机混合气体被压缩的程度,用压缩前的气缸总容积与压缩后的气缸容积(即燃烧室容积)之比来表示。
为了能更直观全面的了解,我们还需要明白以下几个相关的概念。
往复式发动机:简单地讲,就是在发动机气缸中,有一只活塞周而复始地做着直线往复运动,且一直循环不已。
在周而复始又持续不断的工作行程之中有其一定的运动行程范围。
最大行程容积与最小行程容积:就发动机某个气缸而言,当活塞的行程到达最低点,此时的位置点便称为下止点,整个气缸包括燃烧室所形成的容积便是最大行程容积。
当活塞反向运动,到达最高点位置时,这个位置点便称为上止点,所形成的容积为整个活塞运动行程是最小行程容积。
压缩比的表示和范围:压缩比就是这最大行程容积与最小容积的比值。
常见的汽油发动机压缩比表示方法为9.0:1、9.5:1或10.5:1等。
汽油发动机压缩比一般是8-11,柴油发动机压缩比一般是18-23。
压缩比与发动机性能的关系:压缩比越高就意味着发动机的动力越大。
通常低压压缩比一般在10以下,高压压缩比在10以上。
目前所知汽油发动机的压缩比最高已经达到了12:1。
压缩比与冷却系统的关系:发动机的运转正常的工作温度都设计在80—110℃之间。
压缩比太高可能会导致汽油自燃、预燃,而引起爆震的发生,使发动机无力、损坏机械元件。
所以,在提升压缩比的同时又能使发动机保持正常的工作温度是至关重要的。
发动机冷却系统爆震:正常燃烧是由火花塞的电极间隙附近形成火焰核心,此火焰燃烧速度为30—40米/秒。
而爆震则是远离火花塞的末端未燃混合气经过压缩后达到自燃温度,自身产生火焰提前引燃,此火焰燃烧速度为200—1000米/秒以上。
比正常燃烧的火焰传播速度高几十倍,很容易造成发动机损坏。
压缩比与90号、93号、97号汽油:汽油发动机压缩比越高,引发爆震的可能性越大。
国三国四国五和欧三欧四欧五的排放指标很多买卖汽车的人经常会遇到对方询问你的汽车是国几排放标准,大家就会说我的是国三、国四或国五,也有比较喜欢装自己比较有文化,会说欧三、欧四或欧五,但是这些排放指标大家知道具体内容是什么吗?在这小编就给大家做一下介绍。
其实国几和欧几排放标准在相同的等级下,内容是一样的,只是不同的国籍叫法不一样,很显然国三、国四和国五是国内的叫法,而欧三、欧四和欧五是欧洲的说法,那么他们其中的具体内容小编就开始介绍了。
国三和欧三排放标准这个主要指的是HC排放数值在0.2g/km以下,CO排放数值在2.3g/km以下,NOx排放数值在 0.15g/km以下,没有PM的要求。
国四和欧四排放标准这个主要指的是HC排放数值在0.1g/km以下,CO排放数值在1.0g/km以下,NOx排放数值在 0.08g/km以下,没有PM的要求。
国五和欧五排放标准这个主要指的是HC排放数值在0.1g/km以下,CO排放数值在1.0g/km以下,NOx排放数值在 0.06g/km以下,有PM的要求,在0. 005g/km以下。
中国二手车城()小编总结:其实现在全球的排放标准都是参考欧洲的标准制定的,数值上几乎是没有改变的,所以欧洲是首个制定汽车排放标准的地区,因为现在汽车的数量在急剧增加,排放的尾气严重污染了环境,如果不加以限制,以后会严重危害我们的生活,从上面的排放指标可以看出,排放的要求越来越严格,尤其是后面增加量对PM的要求,而且合格的里程也从10万公里变成16万公里,当然这些排放指标的实施不能马上看到效果,它是一个长期的过程,在此我们希望大家为了我们的环境做出自己的贡献。
小贴士:汽车尾气中有几种气体造成的环境的破坏现象大家比较熟悉,像CO2是造成温室效应的元凶,而SO2和NO2是造成酸雨主要成分,而酸雨会使土壤和水土酸性化,还有CO在空气中CO浓度达0.002%时,就能使人体组织缺氧,浓度达到0.2%,能使人在几分钟内死亡。
欧三排放标准
欧三排放标准,也被称为欧洲第三阶段排放标准,是指欧洲在机
动车辆的尾气排放控制方面所采用的一套规范。
该标准于2001年开始
实施,旨在减少车辆尾气中的有害成分,保护环境和人类健康。
根据欧三排放标准,汽油车的尾气中一氧化碳(CO)含量不得超
过0.1克/公里,氮氧化物(NOx)含量不得超过0.08克/公里,并要
求车辆配备催化转化器以降低尾气排放。
柴油车的尾气中颗粒物(PM)含量不得超过0.025克/公里,以及一氧化碳(CO)和氮氧化物(NOx)含量都有对应的限制。
欧三排放标准的实施对于改善空气质量、降低污染物对环境和人
体的危害具有积极的意义。
在欧洲,机动车辆必须符合欧三排放标准
才能被销售和上路行驶。
而汽车制造商需要通过技术手段来满足这些
标准,如改进发动机设计、提高燃烧效率和采用先进的尾气处理系统等。
同时,欧洲也在逐步提高尾气排放的要求,推出了欧四、欧五和
欧六等更为严格的排放标准,以应对环境保护和健康安全的需求。
这
些标准的制定和执行,促使汽车制造商致力于开发更加环保和高效的
车辆技术,推动了整个汽车行业的可持续发展。
COMMISSION DIRECTIVE2001/27/ECof10April2001adapting to technical progres sCouncil Directive88/77/EEC on the approximation of the lawsof the Member States relating to measures to be taken against the emission of gaseous and particulate pollutants from compression-ignition engines for use in vehicles,and the emission of gaseous pollutantsfrom pos itive-ignition enginesfuelled with natural gasor liquefied petroleum gasfor us ein vehicles(Text with EEA relevance)THE COMMISSION OF THE EUROPEAN COMMUNITIES,Having regard to the Treaty establishing the European Community,Having regard to Council Directive88/77/EEC of3December 1987on the approximation of the laws of the Member States relating to the measures to be taken against the emission of gaseous and particulate pollutants from compression-ignition engines for use in vehicles,and the emission of gaseous pollu-tants from positive-ignition engines fuelled with natural gas or liquefied petroleum gas for use in vehicles(1),as last amended by Directive1999/96/EC of the European Parliament and of the Council(2),and in particular Article4thereof,Whereas:(1)Directive88/77/EEC is one of the separate directivesunder the type-approval procedure laid down by CouncilDirective70/156/EEC of6February1970on theapproximation of the laws of the Member States relatingto the type-approval of motor vehicles and theirtrailers(3),as last amended by Directive2000/40/EC ofthe European Parliament and of the Council(4).(2)Directive1999/96/EC provided for new emission testcycles and prescriptions to prevent the use of defeatdevice and/or irrational emissions control strategy.It isnow appropriate to strengthen those requirements andto provide a tool for authorities to determine whetherengines are using defeat devices and/or irrational emis-sions control strategies under normal conditions of useto manipulate engine performance at the expense ofemissions control.(3)It is accepted that gas vehicles can provide a realistic andenvironmentally beneficial alternative to diesel vehiclesin terms of air pollutant emissions.While they are ableto achieve the emission limits mandated in Directive1999/96/EC,certain gas engines,by virtue of theirdesign,have difficulty complying with the test cyclevalidity criteria with respect to the accuracy of the gasengine response to the changes in speed,torque andpower demanded by the European Transient Cycle(ETC).To avoid setting a gas engine design requirementby respecting the design freedom philosophy of thetype-approval system and to help stimulate the develop-ment of the market for gas-fuelled vehicles,it is appro-priate to allow,for gas engines only,a modification ofthe statistical criteria which assesses the validity of thetype-approval test.The development of gas engine tech-nology should be reviewed in the future to confirm ormodify this allowance for gas engines.(4)The reference fuels necessary for testing engines that usenatural gas should be re-defined to provide for thebroadest coverage with regard to theλ-shift factor(Sλ)of gas fuels of various compositions which are available onthe market.The reference fuels necessary for testingengines that use liquefied petroleum gas should also bereviewed to similarly provide for the broadest coverageof fuels available in the market place.(5)It is appropriate to make technical modifications to theexisting measurement and sampling procedures toenable the European type-approval of vehicles andengines using ethanol.(6)The measures provided for in this Directive are inaccordance with the opinion of the Committee forAdaptation to Technical Progress established byDirective70/156/EEC,HAS ADOPTED THIS DIRECTIVE:Article1The Annexes to Directive88/77/EEC are amended in accord-ance with the Annex to this Directive.Article21.With effect from1October2001,no Member State may:(a)refuse to grant EC type-approval,or to issue the documentprovided for in the last indent of Article10(1)of Directive 70/156/EEC or to grant national type-approval for a type of vehicle propelled by a compression-ignition or gas engine;or(b)prohibit the registration,sale,entry into service or use ofsuch new vehicles;or(1)OJ L36,9.2.1988,p.33.(2)OJ L44,16.2.2000,p.1.(3)OJ L42,23.2.1970,p.1.(4)OJ L203,10.8.2000,p.9.(c)refuse to grant EC type-approval for a type of compression-ignition or gas engine;or(d)prohibit the sale or use of new compression-ignition or gasengines,if the appropriate requirements of Directive88/77/EEC,as amended by this Directive,are satisfied.2.With effect from1October2001,Member States:(a)may no longer grant EC type-approval or issue the docu-ment provided for in the last indent of Article10(1)of Directive70/156/EEC,and(b)shall refuse national type-approvalfor types of compression-ignition or gas engines and types of vehicle propelled by a compression-ignition or gas engine where the requirements of Directive88/77/EEC,as amended by this Directive,are not met.3.With effect from1October2001and except for vehicles and engines intended for export to non-member countries and except for replacement engines for in-service vehicles,Member States shall:(a)consider certificates of conformity which accompany newvehicles or new engines pursuant to Directive70/156/EEC as no longer valid for the purpose of Article7(1)of that Directive,and(b)prohibit the registration,sale or entry into service or use ofnew vehicles and the sale and use of new enginesfor types of compression-ignition engines and types of vehicle propelled by a compression-ignition engine where the require-ments of Directive88/77/EEC,as amended by this Directive, are not met.4.With effect from1October2003and except for vehicles and engines intended for export to non-member countries and except for replacement engines for in-service vehicles,Member States shall:(a)consider certificates of conformity which accompany newvehicles or new engines pursuant to Directive70/156/EEC as no longer valid for the purpose of Article7(1)of that Directive,and(b)prohibit the registration,sale or entry into service or use ofnew vehicles and the sale and use of new engines for types of gas engines and types of vehicle propelled by a gas engine where the requirements of Directive88/77/EEC,as amended by this Directive,are not met.5.Member States shall consider compliance with the requirements of this Directive as an extension of the type-approval only in the case of a new compression-ignition engine or a new vehicle propelled by a compression-ignition engine where a type-approval has previously been granted to the requirements of Directive88/77/EEC,as amended by Directive 1999/96/EC.With respect to these vehicles,the requirements of Article2(3)are applicable from1April2002.Article31.Member States shall adopt and publish,before1October 2001,the provisions necessary to comply with this Directive. They shall forthwith inform the Commission thereof. They shall apply those provisions from1October2001. When Member States adopt those provisions,they shall contain a reference to this Directive or be accompanied by such a reference on the occasion of their official publication. Member States shall determine how such reference is to be made.2.Member States shall communicate to the Commission the text of the main provisions of national law which they adopt in the field covered by this Directive.Article4This Directive shall enter into force on the third day following its publication in the Official Journal of the European Communities.Article5This Directive is addressed to the Member States.Done at Brussels,10April2001.For the CommissionErkki LIIKANENMember of the CommissionANNEXAMENDMENTS TO ANNEX I TO DIRECTIVE 88/77/EEC1.Sections2.7and 2.28are replaced by the following:‘2.7.“gaseous pollutants”means carbon monoxide,hydrocarbons (assuming a ratio of CH 1,85for diesel,CH 2,525for LPG and CH 2,93for NG (NMHC),and an assumed molecule CH 3O 0,5for ethanol-fuelled diesel engines),methane (assuming a ratio of CH 4for NG)and oxides of nitrogen,the last named being expressed in nitrogen dioxide (NO 2)equivalent:“particulate pollutants”means any material collected on a specified filter medium after diluting the exhaust with clean filtered air so that the temperature does not exceed 325K (52°C);’.‘2.28.“defeat device”means a device which measures,senses or responds to operating variables (e.g.vehicle speed,engine speed,gear used,temperature,intake pressure or any other parameter)for the purpose of activating,modulating,delaying or deactivating the operation of any component or function of the emission control system such that the effectiveness of the emission control system is reduced under conditions encountered during normal vehicle use unless the use of such a device is substantially included in the applied emission certification test procedures.’2.Sections 2.29and 2.30are introduced as follows:‘2.29.“auxiliary control device”means a system,function or control strategy installed to an engine or on a vehicle,that is used to protect the engine and/or its ancillary equipment against operating conditions that could result in damage or failure,or is used to facilitate engine starting.An auxiliary control device may also be a strategy or measure that has been satisfactorily demonstrated not to be a defeat device.2.30.“irrational emission control strategy”means any strategy or measure that,when the vehicle is operated under normal conditions of use,reduces the effectiveness of the emission control system to a level below that expected on the applicable emission test procedures.’3.Section 2.29is renumbered as 2.31.The table in section 2.31.2is replaced by the following table:‘2.31.2.Symbols for chemical components CH 4Methane C 2H 6Ethane C 2H 5OH Ethanol C 3H 8PropaneCO Carbon monoxide DOP Di-octylphtalate CO 2Carbon dioxide HC HydrocarbonsNMHC Non-methane hydrocarbons NOx Oxides of nitrogen NO Nitric oxide NO 2Nitrogen dioxide PTParticulates.’4.Section 4is replaced by the following:‘4.EC TYPE-APPROVAL4.1.Granting of a universal fuel EC type-approvalA universal fuel EC type-approval is granted subject to the following requirements.4.1.1.In the case of diesel fuel the parent engine meets the requirements of this Directive on the reference fuel specified in Annex IV.4.1.2.In the case of natural gas the parent engine should demonstrate its capability to adapt to any fuel composition that may occur across the market.In the case of natural gas there are generally two types of fuel,high calorific fuel (H-gas)and low calorific fuel (L-gas),but with a significant spread within both ranges;they differ significantly in their energy content expressed by the Wobbe Index and in their λ-shift factor (S λ).The formulae for the calculation of the Wobbe index and S λare given in sections 2.25and 2.26.Natural gases with a λ-shift factor between 0,89and 1,08(0,89≤S λ≤1,08)are considered to belong to H-range,while natural gases with a λ-shift factor between 1,08and 1,19(1,08≤S λ≤1,19)are considered to belong to L-range.The composition of the reference fuels reflects the extreme variations of S λ.The parent engine shall meet the requirements of this Directive on the reference fuels G R (fuel 1)and G 25(fuel 2),as specified in Annex IV,without any readjustment to the fuelling between the two tests.However,one adaptation run over one ETC cycle without measurement is permitted after the change of the fuel.Before testing,the parent engine shall be run-in using the procedure given in paragraph 3of Appendix 2to Annex III.4.1.2.1.On the manufacturer's request the engine may be tested on a third fuel (fuel 3)if the λ-shift factor (S λ)lies between 0,89(i.e.the lower range of G R )and 1,19(i.e.the upper range of G 25),for example when fuel 3is a market fuel.The results of this test may be used as a basis for the evaluation of the conformity of the production.4.1.3.In the case of an engine fuelled with natural gas which is self-adaptive for the range of H-gases on the one hand and the range of L-gases on the other hand,and which switches between the H-range and the L-range by means of a switch,the parent engine shall be tested on the relevant reference fuel as specified in Annex IV for each range,at each position of the switch.The fuels are G R (fuel 1)and G 23(fuel 3)for the H-range of gases and G 25(fuel 2)and G 23(fuel 3)for the L-range of gases.The parent engine shall meet the requirements of this Directive at both positions of the switch without any readjustment to the fuelling between the two tests at each position of the switch.However,one adaptation run over one ETC cycle without measurement is permitted after the change of the fuel.Before testing the parent engine shall be run-in using the procedure given in paragraph 3of Appendix 2to Annex III.4.1.3.1.At the manufacturer's request the engine may be tested on a third fuel instead of G 23(fuel 3)if the λ-shift factor (S λ)lies between 0,89(i.e.the lower range of G R )and 1,19(i.e.the upper range of G 25),for example when fuel 3is a market fuel.The results of this test may be used as a basis for the evaluation of the conformity of the production.4.1.4.In the case of natural gas engines,the ratio of the emission results “r”shall be determined for each pollutant as follows:emission result on reference fuel 2r =emission result on reference fuel 1or,emission result on reference fuel 2ra =emission result on reference fuel 3and,emission result on reference fuel 1rb =emission result on reference fuel 34.1.5.In the case of LPG the parent engine should demonstrate its capability to adapt to any fuel composition that may occur across the market.In the case of LPG there are variations in C 3/C 4composition.These variations are reflected in the reference fuels.The parent engine should meet the emission requirements on the reference fuels A and B as specified in Annex IV without any readjustment to the fuelling between the two tests.However,one adaptation run over one ETC cycle without measurement is permitted after the change of the fuel.Before testing,the parent engine shall be run-in using the procedure defined in paragraph 3of Appendix 2to Annex III.4.1.5.1.The ratio of emission results “r”shall be determined for each pollutant as follows:emission result on reference fuel B r =emission result on reference fuel A4.2.Granting of a fuel range restricted EC type-approvalFuel range restricted EC type-approval is granted subject to the following requirements.4.2.1.Exhaust emissions approval of an engine running on natural gas and laid out for operation on either the range of H-gases or on the range of L-gasesThe parent engine shall be tested on the relevant reference fuel,as specified in Annex IV,for the relevant range.The fuels are G R (fuel 1)and G 23(fuel 3)for the H-range of gases and G 25(fuel 2)and G 23(fuel 3)for the L-range of gases.The parent engine shall meet the requirements of this Directive without any readjustment to the fuelling between the two tests.However,one adaptation run over one ETC cycle without measurement is permitted after the change of the fuel.Before testing the parent engine shall be run-in using the procedure defined in paragraph 3of Appendix 2to Annex III.4.2.1.1.At the manufacturer's request the engine may be tested on a third fuel instead of G 23(fuel 3)if the λ-shift factor (S λ)lies between 0,89(i.e.the lower range of G R )and 1,19(i.e.the upper range of G 25),for example when fuel 3is a market fuel.The results of this test may be used as a basis for the evaluation of the conformity of the production.4.2.1.2.The ratio of emission results “r”shall be determined for each pollutant as follows:emission result on reference fuel 2r =emission result on reference fuel 1or,emission result on reference fuel 2ra =emission result on reference fuel 3and,emission result on reference fuel 1rb =emission result on reference fuel 34.2.1.3.On delivery to the customer the engine shall bear a label (see paragraph 5.1.5)stating for which range of gases the engine is approved.4.2.2.Exhaust emissions approval of an engine running on natural gas or LPG and laid out for operation on one specific fuel composition4.2.2.1.The parent engine shall meet the emission requirements on the reference fuels G R and G 25in the case of natural gas,or the reference fuels A and B in the case of LPG,as specified in Annex IV.Between the tests fine-tuning of the fuelling system is allowed.This fine-tuning will consist of a recalibration of the fuelling database,without any alteration to either the basic control strategy or the basic structure of the database.If necessary the exchange of parts that are directly related to the amount of fuel flow (such as injector nozzles)is allowed.4.2.2.2.At the manufacturer's request the engine may be tested on the reference fuels G R and G 23,or on the reference fuels G 25and G 23,in which case the type-approval is only valid for the H-range or the L-range of gases respectively.4.2.2.3.On delivery to the customer the engine shall bear a label (see paragraph 5.1.5)stating for which fuel composition the engine has been calibrated.4.3.Exhaust emissions approval of a member of a family4.3.1.With the exception of the case mentioned in paragraph 4.3.2,the approval of a parent engine shall be extended to all family members without further testing,for any fuel composition within the range for which the parent engine has been approved (in the case of engines described in paragraph 4.2.2)or the same range of fuels (in the case of engines described in either paragraphs 4.1or 4.2)for which the parent engine has been approved.4.3.2.Secondary test engineIn case of an application for type-approval of an engine,or a vehicle in respect of its engine,that engine belonging to an engine family,if the technical service determines that,with regard to the selected parent engine the submitted application does not fully represent the engine family defined in Annex I,Apppendix 1,an alternative and if necessary an additional reference test engine may be selected by the technical service and tested.4.4.Type-approval certificateA certificate conforming to the model specified in Annex VI shall be issued for approval referred to under sections 3.1,3.2and 3.3.’5.Section 6is replaced by the following:‘6.SPECIFICATIONS AND TESTS 6.1.General6.1.1.Emission control equipment6.1.1.1.The components liable to affect the emission of gaseous and particulate pollutants from diesel engines and the emission of gaseous pollutants from gas engines shall be so designed,constructed,assembled and installed as to enable the engine,in normal use,to comply with the provisions of this Directive.6.1.2.Functions of emission control equipment6.1.2.1.The use of a defeat device and/or an irrational emission control strategy is forbidden.6.1.2.2.An auxiliary control device may be installed to an engine,or on a vehicle,provided that the device:—operates only outside the conditions specified in paragraph 6.1.2.4,or—is activated only temporarily under the conditions specified in paragraph 6.1.2.4for such purposes as engine damage protection,air-handling device protection (1),smoke management (1),cold start or warming-up,or —is activated only by on-board signals for purposes such as operational safety and limp-home strategies.6.1.2.3.An engine control device,function,system or measure that operates during the conditions specified in section 6.1.2.4and which results in the use of a different or modified engine control strategy to that normally employed during the applicable emission test cycles will be permitted if,in complying with the requirements of sections 6.1.3and/or 6.1.4,it is fully demonstrated that the measure does not reduce the effectiveness of the emission control system.In all other cases,such devices shall be considered to be a defeat device.6.1.2.4.For the purposes of point 6.1.2.2,the defined conditions of use under steady state and transient conditions (1)are:—an altitude not exceeding 1000metres (or equivalent atmospheric pressure of 90kPa),—an ambient temperature within the range 283to 303K (10to 30°C),—engine coolant temperature within the range 343to 368K (70to 95°C).6.1.3.Special requirements for electronic emission control systems 6.1.3.1.Documentation requirementsThe manufacturer shall provide a documentation package that gives access to the basic design of the system and the means by which it controls its output variables,whether that control is direct or indirect.The documentation shall be made available in two parts:(a)the formal documentation package,which shall be supplied to the technical service at the time ofsubmission of the type-approval application,shall include a full description of the system.This documentation may be brief,provided that it exhibits evidence that all outputs permitted by a matrix obtained from the range of control of the individual unit inputs have been indentified.This informa-tion shall be attached to the documentation required in Annex I,section 3;(b)additional material that shows the parameters that are modified by any auxiliary control device andthe boundary conditions under which the device operates.The additional material shall include a description of the fuel system control logic,timing strategies and switch points during all modes of operation.The additional material shall also contain a justification for the use of any auxiliary control device and include additional material and test data to demonstrate the effect on exhaust emissions of any auxiliary control device installed to the engine or on the vehicle.This additional material shall remain strictly confidential and be retained by the manufacturer,but be made open for inspection at the time of type-approval or at any time during the validity of the type-approval.6.1.4.To verify whether any strategy or measure should be considered a defeat device or an irrational emission control strategy according to the definitions given in sections 2.28and 2.30,the type-approval authority and/or the technical service may additionally request a NO x screening test using the ETC which may be carried out in combination with either the type-approval test or the procedures for checking the conformity of productionto further evaluation by the Commission before 31December 2001.6.1.4.1.As an alternative to the requirements of Appendix 4to Annex III to Directive 88/77/EEC,the emissions of NO x during the ETC screening test may be sampled using the raw exhaust gas and the technical prescriptions of ISO DIS 16183,dated 15October 2000,shall be followed.6.1.4.2.In verifying whether any strategy or measure should be considered a defeat device or an irrational emission control strategy according to the definitions given in sections 2.28and 2.30,an additional margin of 10%,related to the appropriate NO x limit value,shall be accepted.6.1.5.Transitional provisions for extension of type-approval6.1.5.1.This section shall only be applicable to new compression-ignition engines and new vehicles propelled by a compression-ignition engine that have been type-approved to the requirements of row A of the tables in section 6.2.1of Annex I to Directive 88/77/EEC.6.1.5.2.As an alternative to sections 6.1.3and 6.1.4,the manufacturer may present to the technical service the results of a NO x screening test using the ETC on the engine conforming to the characteristics of the parent engine described in Annex II,and taking into account the provisions of sections 6.1.4.1and 6.1.4.2.The manufacturer shall also provide a written statement that the engine does not employ any defeat device or irrational emission control strategy as defined in section 2of this Annex.6.1.5.3.The manufacturer shall also provide a written statement that the results of the NO x screening test and the declaration for the parent engine,as referred to in section 6.1.4,are also applicable to all engine types within the engine family described in Annex II.’6.Section 9.1.1.2.4and section 9.1.1.2.5are replaced by the following:‘9.1.1.2.4.For NG fuelled engines,all these tests may be conducted with commercial fuel in the following way:—for H marked engines with a commercial fuel within the H-range (0,89≤S λ≤1,00),—for L marked engines with a commercial fuel within the L-range (1,00≤S λ≤1,19),—for HL marked engines with a commercial fuel within the extreme range of the λ-shift factor (0,89≤S λ≤1,19).However,at the manufacturer's request,the reference fuels described in Annex IV may be used.This implies tests,as described in section 4of this Annex.9.1.1.2.5.In the case of dispute caused by the non-compliance of gas fuelled engines when using a commercial fuel,the tests shall be performed with a reference fuel on which the parent engine has been tested,or whith the possible additional fuel 3as referred to in paragraphs 4.1.3.1and 4.2.1.1on which the parent engine may have been tested.Then,the result has to be converted by a calculation applying the relevant factor(s)“r”,“ra”or “rb”as described in paragraphs 4.1.4,4.1.5.1and 4.2.1.2.If r,ra or rb are less than 1no correction shall take place.The measured results and the calculated results must demonstrate that the engine meets the limit values with all relevant fuels (fuels 1,2and,if applicable,fuel 3in the case of natural gas engines and fuels A and B in the case of LPG engines).’AMENDMENTS TO ANNEX II TO DIRECTIVE 88/77/EEC7.—Section 0.5is amended to read:‘0.5.Category of engine:diesel/NG fuelled/LPG fuelled/ethanol fuelled (1):’,—Section 1.14of Appendix 1to Annex II is amended to read:‘1.14.Fuel :diesel/LPG/NG-H/NG-L/NG-HL/ethanol (2)’,—Section 1.14of Appendix 3to Annex II is amended to read:‘1.14.Fuel :diesel/LPG/NG-H/NG-L/NG-HL/ethanol (2)’.Speed Torque PowerLimits(2) Parameter UnitMinimum Maximum Test method(3)AMENDMENTS TO APPENDIX2OF ANNEX III TO DIRECTIVE88/77/EEC 8.Table6in section3.9.3is modified as follows:‘Table6.Regression line tolerancesStandard error of estimate (SE)of Y on X Max100min–1Max13%(15%)(*)of powermap maximum engine torqueMax8%(15%)(*)ofpower map maximumengine powerSlope of the regression line, m 0,95to1,030,83-1,030,89-1,03(0,83-1,03)(*)Coefficient of deter-mination,r2min0,9700(min0,9500)(*)min0,8800(min0,7500)(*)min0,9100(min0,7500)(*)Y intercept of the regres-sion line,b ±50min–1±20Nm or±2%(±20Nmor±3%)(*)of max torquewhichever is greater±4kW or±2%(±4kWor±3%)(*)of max powerwhichever is greater(*)Until1October2005,the figures shown in brackets may be used for the type-approval testing of gas engines.(Before1October 2004,the Commission shall report on the development of gas engine technology to confirm or modify the regression line tolerances applicable to gas engines given in this table.)’AMENDMENTS TO ANNEX IV TO DIRECTIVE88/77/EEC9.—Section1is renumbered to be section1.1,—a new section1.2is added,as follows:‘1.2.Ethanol for diesel engines(1)Alcohol,mass%m/m92,4—ASTMD5501Other alcohol than ethanolcontained in total alcohol,mass%m/m—2ADTMD5501 Density at15°C kg/m3795815ASTMD4052Ash content%m/m0,001ISO6245Flash point°C10ISO2719Acidity,calculated as aceticacid%m/m—0,0025ISO1388-2。
欧盟垃圾焚烧污染物排放标准DIRECTIVE_2000欧盟议会和理事会考虑到欧盟成立条约,特别是第175(1)条,委员会的建议,经济和社会委员会的意见,当地委员会的意见,按照251条的规定条约和10月11日调解委员会批准的联合文本鉴于:(1)第五个环境行动计划:实现可持续发展-欧洲共同体关于环境和可持续发展的方案政策和行动,由2179/98/EC补充,设置的目标为某些污染物如氮氧化物(NOx),二氧化硫(SO2),重金属和二噁英的浓度和临界负荷不应超过标准,同时空气质量的目标是所有人应得到有效保护,免受来自大气污染的健康风险。
方案的进一步目标是到2005年确定的二噁英排放量相比于1985年减少90%,所有途径的镉(Cd),汞(Hg)和铅(Pb)的排放量至少减少70%。
(2)由联合国欧洲经济委员会公约框架内的国家签署的关于持久性有机污染物的协议,规定远距离越境空气污染,如二噁英和呋喃的排放限值为0.1ng/m,每小时燃烧3t生活垃圾产生的二噁英类毒性当量排放限值为0.5 ng/m,每小时燃烧1t医疗垃圾产生的二噁英类毒性当量排放限值为0.2 ng/m。
(3)由联合国欧洲经济委员会公约框架内的国家签署的关于重金属污染物的协议,规定远距离越境空气污染,如危险和医疗垃圾焚烧产生的颗粒排放限值为10mg/m3,危险垃圾焚烧产生的汞的排放限值为0.05 mg/m3,生活垃圾焚烧产生的汞的排放限值为0.08 mg/m3。
(4)国际癌症研究机构和世界卫生组织指出一些多环芳烃的芳香族碳氢化合物(PAHs)是致癌物质,因此,各成员国可设定多环芳烃的排放限值。
(5)为符合条约5的辅助性和对称性原则,共同体需要采取行动,预防原则为进一步的措施提供了基础,这些规章限定了焚烧和焚烧厂的最低要求。
(6)此外,第174条规定,关于环境的社会政策必须为保护人类健康作出贡献。
(7)因此,高水平的环境保护和人类健康保护需要设置和保持严格的经营条件,技术条件和焚烧厂的排放限值,该排放限值应该能够最大限度地防止和限制对环境产生的的负面影响和对人类健康产生的风险。
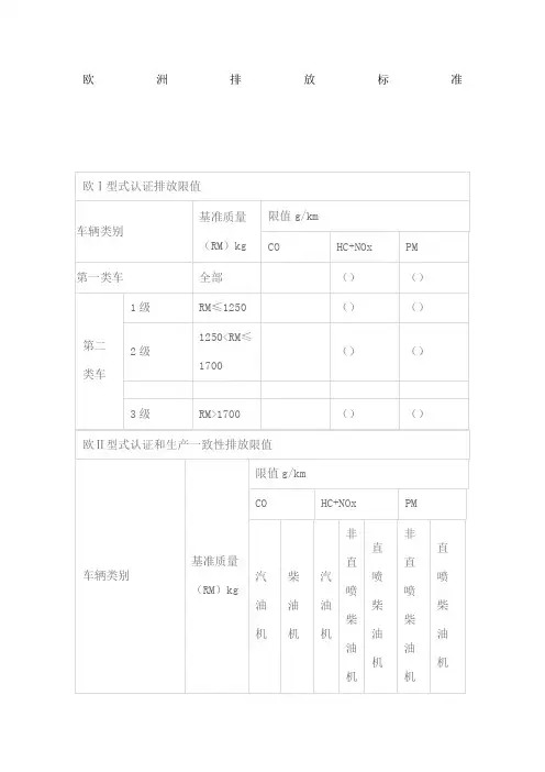
欧洲III号排放标准- 1.何谓欧洲环保标准有关环保的话题灸手可热,其中不可避免的涉及到欧洲环保标准,尤其以欧I、欧Ⅱ标准出现的频率最高,那什么是欧I、欧Ⅱ标准呢?以设计乘员数不超过6人包括司机,且最大总质量不超过2.5吨这类车辆为例,在1999年1月至2003年12月31日这个阶段,必须达到排放标准的限值为:一氧化碳不得超过3.16克/公里,碳氢化合物不得超过1.13克/公里,其中柴油车的颗粒物不得超过0.18克/公里,耐久性要求为5万公里,以上便是我们平常所提到的欧洲I号标准。
到2004年1月1日后,这个标准又有所提高,汽油车一氧化碳不超过2.2克/公里,碳氢化合物不得超过0.5克/公里,柴油车一氧化碳不超过1.0克/公里,碳氢化合物不得超过0.7克/公里,颗粒物标准不得超过0.08克/公里,这便是我们所说的欧洲II号标准。
如果仅考虑排放量,执行欧Ⅱ标准的机动车污染物排放量将比欧I标准减少30%到50%。
而欧洲Ⅲ标准是目前欧洲、美国正在实施的真正意义上的低污染排放标准。
据专家介绍,我国实行欧洲标准的影响:7辆执行欧Ⅱ标准的汽车,就相当于1辆化油器车的污染物排放量;14辆执行欧Ⅲ标准的汽车,才相当于1辆化油器车的污染物排放量。
汽车排放从欧Ⅱ到欧Ⅲ,不是像欧Ⅰ到欧Ⅱ那样简单,提升幅度大了很多。
欧Ⅲ排放标准比欧Ⅱ在NEDC和燃油蒸发排放检测项目上的内容有所变化,欧Ⅲ标准中增加了低温HC/CO排放检测、车载诊断系统检测和在用车排放检测。
从欧Ⅱ到欧Ⅲ执行不同的排放控制技术,欧Ⅱ排放标准只要求三元催化器及发动机改进措施两项,而欧Ⅲ排放则还包括改进的催化转化器涂层、催化剂加热及二次空气喷射。
可以看出,欧Ⅲ排放控制技术要比欧Ⅱ复杂和困难得多。
欧洲汽车排放标准见表1。
表1欧洲汽车排放标准据了解,国外执行的汽车排放标准主要有欧、美、日三大体系,其中以欧洲标准应用最广。
在亚洲,泰国、印度、韩国等国的城市已于几年前先后实施了相当于欧Ⅱ水平的标准。
2002年8月1日,北京提前执行欧Ⅱ排放标准。
2003年7月1日国家实行欧Ⅱ排放标准。
如今,相当于欧Ⅲ水平的新排放标准也已经进入倒计时。
我国现阶段执行的是相当于欧Ⅰ和欧Ⅱ水平的尾气排放标准,报载相当于欧Ⅲ水平的新排放技术标准已经制定出来,由于执行新排放标准将是一个系统工程,还涉及检测、油品、维修等诸多方面,国家几大部委还在讨论和协调,预计不久将会正式出台。
欧洲Ⅲ号标准,则是对环保汽车最具体的定义,从目前的技术上来讲,汽车环保的关键是通过相关技术控制好尾气排放,减少有害气体的排放,而汽油发动机管理系统(即EMS技术)正是汽车环保乃至实现欧洲Ⅲ号所必须的关键技术。
应用EMS技术可有效降低污染物排放5 0% (加三效催化技术可降低污染物排放95%),节约油耗5~15%,还可提高动力性10~2 5%。
EMS技术在低温、高温、不同海拔高度、外加负荷变化等条件下,对发动机喷油量和点火提前角都有修正功能,增加了对环境的适应性。
欧洲III号排放标准- 2.何谓汽车排放法规汽车排放法规并非只是由一系列各种污染物的最高允许值组成,它还包括检测、认定和强制执行的方法。
法规的每一部分都是必不可少的,同时又应当与其它部分相一致。
当今世界上主要有三种排放法规体系,即欧洲、美国和日本的排放法规体系。
满足一种标准的发动机即使非常清洁,也可能满足不了另一种标准。
这是因为每种标准都有其各自的检测方法,发动机就是从满足这些标准出发来进行设计的。
每一种排放法规的目标都是一样的,即确保每种发动机都能按清洁的标准进行设计,并保证其清洁地运转。
法规限定了NOX、HC、PM和碳烟的排放量。
三种排放法规体系的认证试验程序的比较见图1。
为了确保发动机清洁地运转,有必要在以下三个阶段进行检测,即设计中的检测,确保发动机的设计符合法规标准批量生产中的检测,确保制制造和装配出合格的发动机产品使用过程中的检测,才能确保在路面上行驶的车辆符合法规要求。
汽车排放是一个国际性的问题,更是我国汽车发展的首要问题。
在其他国家,对汽车排放越来越严格,欧洲从1996年开始执行了欧洲2号标准,2000年开始执行欧洲3号标准,而到2005年将采用欧洲4号标准。
当2008年奥运会锁定中国北京,中国汽车业也同时听到了环保排放标准的倒计时。
北京早已宣布,2008年前北京将正式实施欧洲Ⅲ排放标准,进一步控制汽车排放将是我国迫不可待的一项重要任务。
北京这一强制性与世界环保相接轨的举措,将不仅改变本地区的天空和人们呼吸的感觉,还将改变人们传统的衡量好车的标准,环保将成为车市的一块金字招牌;同时,面对欧Ⅲ标准的考验,中国汽车业竞争格局的变化也将不可避免。
要达到欧Ⅲ标准,国内汽车企业面临着诸多难题等待解决。
国内目前的许多大型汽车生产集团,企业规模庞大,有着完整的但是落后的生产线,其发动机如果从现有的排放标准通过技术改进提升到规定要求,所需投入的资金是相当巨大的。
但是如果放弃就面临着大量失业等一系列问题。
国内新兴的和新型的汽车制造企业目前基本上采取的都是采购组装的生产方式,只要政策要求,这些企业很快就能生产出达到排放标准的新型轿车,只是会在成本上略有增加。
但是目前国内真正可以生产达到高标准排放标准的汽车零部件生产企业,数量却很少。
资料显示,目前我国汽车配件真正能够称为环保产品的还不足10%。
实施新的排放标准,将会进一步加快国内企业优胜劣汰的进程。
老的整车厂商将经历一场前所未有的阵痛,而汽车零部件供应商,也将会在标准实施后迅速产生分化。
那些只靠价廉不讲质量和工艺水平的企业,很快就会失去大量的订单而陷于生存的困境。
而资金实力雄厚、技术水平领先的零部件供应商的面前将洞开一个巨大市场。
在这个市场上,群雄并起,竞争激烈。
无论是新老进入者,都将面临不同的资金、技术、人才、服务的考验。
尽管如此,环保汽车的巨大商机必将众多厂商。
编辑本段回目录欧洲III号排放标准- 3.欧Ⅲ排放标准的技术要求为了满足欧Ⅱ和欧Ⅲ排放标准,车辆需要采用不同的排放控制技术。
为了达到欧Ⅱ标准,轻型车只需加装三元催化转化器并进行发动机的改进;而要达到欧Ⅲ标准则需要采用更好的催化转化器的活性层、催化剂加热、将催化转化器的安装位置靠近发动机以及二次空气喷射等新技术。
显然,与欧Ⅱ标准相比,欧Ⅲ标准的排放控制技术要复杂而困难得多。
满足欧Ⅲ标准的轻型汽车可以考虑采用的关键技术:三元催化转化器;发动机的改进;更好的催化转化器的活性层;催化剂加热;催化转化器的安装位置靠近发动机;二次空气喷射;带有冷却装置的排气再循环系统;优化的燃烧室涡流形成。
汽车排放从欧Ⅱ到欧Ⅲ,不是像欧Ⅰ到欧Ⅱ那样技术简单,而是上了一个台阶,需要三项技术。
首先是增加了对车辆冷启动时排放达标的要求。
实验过程要求车辆在零下摄氏7度的低温条件下搁置六小时以上,点火着车之后,立刻测量车辆排放,达到标准。
这项技术要求是欧Ⅱ标准中没有的。
它提高了对尾气净化催化剂的要求,也是适合欧Ⅱ标准的催化剂达不到的。
其次是在车辆的电控系统中增加了专门监测排放控制系统工作状态的功能(OBD,车载诊断系统)。
它能够随时监测汽车尾气排放状况,一旦出现超标,会做出提示。
这个OBD在欧Ⅱ标准的车辆上是没有的。
第三项是针对厂家提出的,要对车载诊断系统有保修措施。
与欧Ⅱ标准的最大差距在于欧Ⅲ开始计入冷起动排放,因此国产的汽油机即使已经采用三元催化转化器也将难以满足标准要求。
对已经达到欧Ⅰ和欧Ⅱ标准的车辆提升到欧Ⅲ是可能的,通常的做法是增加一级减少冷起动排放的催化转化器,以及增加进气加热装置,并进一步提高车用电控系统对燃油混合气浓度的控制精度。
对于柴油机,废气再循环即通常称为EGR的技术、电控技术、增压中冷技术是必须采用的,否则将难以达到要求。
国内的EGR技术尚处于研制阶段,增压中冷技术已经开始用到车上,但电控尚未开始。
因此国内柴油机的排放水平要达到欧Ⅲ,需要做的工作要更多些。
除此之外,国内的燃油水平也必须同时跟上,如提供低烯烃含量的汽油、低硫柴油等。
欧Ⅲ标准相对于欧Ⅰ、欧Ⅱ而言,要求严格很多,有质的飞跃,是一种更新换代的概念。
一般而言,满足欧Ⅱ车辆经过改进后达到欧Ⅲ要求的可能性是有的。
但是,关键要看该发动机设计的原则是否是在满足欧Ⅱ基础上,兼顾考虑了欧Ⅲ的要求,有无扩展的可能。
其他车辆经过改进满足欧Ⅲ标准可行性很小。
编辑本段回目录欧洲III号排放标准- 4.有效实施欧Ⅲ的难点--产品一致性:与欧Ⅱ相比,欧Ⅲ排放标准中最大的变化在于车辆出厂前必须装配核心组件--OBD,即车载自诊断系统。
该系统特点在于,检测点增多、检测系统增多,在三元催化转化器的进出口上都有氧传感器。
完全通过实时监控车辆排放来控制达标,可以更加保证欧Ⅲ排放标准的执行。
当车辆因为油品质量等不同因素,造成排放没有达到欧Ⅲ标准的时候,OBD系统将自行报警,转而进入系统默认模式,发动机将不能正常工作,车辆只能进入特约维修站进行检查维护。
车辆日常的维修保养将成为重要环节。
现在部分国产品牌轿车已经具备达到欧Ⅲ排放标准的条件。
例如,奥迪A6、新雅阁、宝来、POLO、凯越、飞度等等。
但目前能够达到欧Ⅲ排放标准的发动机,只是排放方面相比欧Ⅱ有所改进。
对于我国制定的相当于欧Ⅲ水平的新排放标准,由于这些车辆出厂之前没有安装OBD系统,因此尚不能称在完全意义上达到欧Ⅲ排放标准。
同时,OBD系统也不能在车辆出厂之后经过改造加上,因此即使现在购买那些已经具备达到欧Ⅲ排放标准条件的车辆,今后也不会视同已经符合我国新排放标准。
因此,消费者目前在购车时,不必过分在意是否已经达到欧Ⅲ排放标准。
此外,业内人士认为,要达到欧Ⅲ标准最关键的是看国内有没有适合欧Ⅲ标准的燃油。
即便具备达到欧Ⅲ标准的汽车,如果使用相应的低品质燃油,排放同样达不到欧Ⅲ水平。
据悉,北京市目前正在制定新的地方油品技术标准,而且,符合新油品技术标准的燃油成本届时可能会有所提高。
根据产品一致性(COP)的要求,企业在生产线上批量生产的产品应当与型式认证的样品相符合,这一要求对于保证产品的质量具有重要的意义。
欧盟对产品一致性有着清楚而规范的要求。
欧洲从欧Ⅱ标准开始对车辆的排放耐久性提出要求。
车辆的排放应当在其产品寿命期内始终满足产品型式认证时规定的排放标准。
这一规定保证了车辆在其寿命期内始终具有良好的排放特性,确保了排放标准的有效实施。
相对欧洲的产品一致性规定,国内对产品一致性也有类似的规定,但是现在面临的挑战是如何有效实施这一规定。
在美国和欧盟国家都有产品一致性的执行监督单位,在美国是国家环保局(EPA),在欧洲是负责产品认证的机构,在英国为机动车认证处VCA;而国内还没有一个明确的部门负责产品一致性的执行监督工作。
这样给法规造成了监督实施的漏洞。